Research on a Small Signal Stability Region Boundary Model of the Interconnected Power System with Large-Scale Wind Power
Abstract
:1. Introduction
2. An Interconnected Power System with Large-Scale Wind Power and Its Model
2.1. Interconnected Power System with Large-Scale Wind Power and Its Typical Characteristics

2.2. Equivalence of Large-Scale Wind Power Base


2.3. Model of Interconnected Power System with Large-Scale Wind Power
3. Traditional Analysis Method of Small Signal Stability Region Boundary and Its Disadvantage
4. Catastrophe Theory
| Catastrophe model | Potential functions |
|---|---|
| Fold | V(x) = x3 + vx |
| Cusp | V(x) = x4 + μx2 + vx |
| Swallowtail | V(x) = x5 + μx3 + vx2 + ωx |
| Butterfly | V(x) = x6 + tx4 + μx3 + vx2 + ωx |
| Elliptic | V(x, y) = x3 − xy2 + w(x2 + y2) + μx + υy |
| Hyperbolic | V(x, y) = x3 + y3 + ωxy + μx + υy |
| Parabolic | V(x, y) = y4 + x2y + wx2 + ty2 + μx + υy |
5. Eigenvalue Catastrophe Indications
6. Small Signal Stability Region Boundary Model of the Interconnected Power System with Large-Scale Wind Power
6.1. Small Signal Stability Region Boundary Model in Two-Dimensional Power Injection Space

6.2. Small Signal Stability Region Boundary Model in Multidimensional Power Injection Space
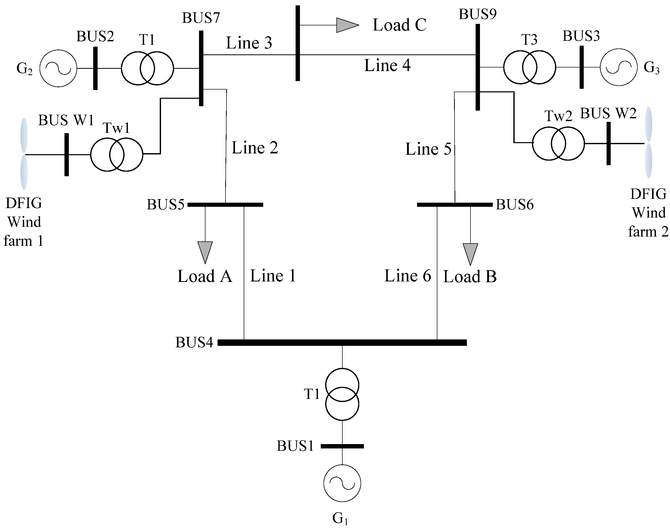
7. Simulation Verification
7.1. Example 1

7.1.1. Test of the Two-Dimensional Boundary Model

7.1.2. Verification of the Multidimensional Boundary Model

7.1.3. Time-Domain Simulation Verification

7.2. Example 2

| Transformer | Rated voltage (kV) | Rated power (MVA) | Short-Circuit voltage Uk (%) | No-Load current I0 (%) | Connection type |
|---|---|---|---|---|---|
| Tw1, Tw2 | 20/0.69 | 166.65 | 5 | 3 | YN/yn0 |
8. Conclusions
- (1)
- The small signal stability region boundary model in two-dimensional power injection space is a straight line. When the other injected power doesn’t change, the power from the two power sources influencing the dominant oscillation mode shows a linear relation between them.
- (2)
- The small signal stability region boundary model in multidimensional power injection space is a hyper-plane. When the other injected power doesn’t change, the power from sources influencing the dominant oscillation mode forms a hyper-plane.
- (3)
- Compared with the conventional system, large-scale wind power integration doesn’t change the form of the small signal stability region boundary model but only the dimensions of the hyper-plane and the values of the parameters.
Acknowledgments
Author Contributions
Appendices
Appendix A: A typical catastrophe mechanism explaining the basic principle of catastrophe theory, (Figure A1)


Appendix B
Appendix B1: DFIG Parameters
| Pn (MW) | Us (V) | Rs (p.u) | Xs (p.u) | Xm (p.u) | Rr (p.u) | Xr (p.u) | Hw (s) | Hg (s) | K |
|---|---|---|---|---|---|---|---|---|---|
| 2 | 690 | 0.01 | 0.1 | 3.5 | 0.01 | 0.1 | 4.02 | 0.47 | 80.27 |
Appendix B2: Generator Parameters
| Generator | Capacity (WVA) | Voltage (KV) | xd (p.u) | xq (p.u) | ||||
|---|---|---|---|---|---|---|---|---|
| G1 | 300 | 18 | 1.72 | 1.66 | 0.23 | 0.378 | 0.8 | 0.12 |
Appendix B3: Excitation Parameters
| τR | τA1 | KA | τA2 | VRmax | VRmin | τE | KE | KF | τF | E1 | Se1 | E2 | Se2 |
|---|---|---|---|---|---|---|---|---|---|---|---|---|---|
| 0.001 | 0.05 | 400 | 0.01 | 3 | −3 | 0.95 | −0.17 | 0.04 | 1 | 3.66 | 0.03 | 4.89 | 0.1 |
Appendix B4: Line Parameters
Appendix C
| P1 (MW) | P2 (MW) | Real part | Imaginary part |
|---|---|---|---|
| 160 | 192.95 | −0.00002 | 7.371781 |
| 170 | 180.84 | 0.00001 | 7.42214 |
| 180 | 168.34 | −0.00004 | 7.473076 |
| 190 | 155.49 | 0.00001 | 7.518541 |
| 200 | 142.43 | −0.00003 | 7.544407 |
| 210 | 128.98 | 0 | 7.568171 |
| 220 | 115.07 | 0 | 7.593426 |
| 230 | 100.64 | −0.00004 | 7.62154 |
| 240 | 85.64 | 0.00001 | 7.65214 |
| 250 | 69.94 | 0.00002 | 7.689427 |
| P1 (MW) | P2 (MW) | Error (%) |
|---|---|---|
| 160 | 192.95 | 0.557664 |
| 170 | 180.84 | 0.204026 |
| 180 | 168.34 | 0.062567 |
| 190 | 155.49 | 0.247486 |
| 200 | 142.43 | 0.381506 |
| 210 | 128.98 | 0.419963 |
| 220 | 115.07 | 0.346774 |
| 230 | 100.64 | 0.151014 |
| 240 | 85.64 | 0.172708 |
| 250 | 69.94 | 0.644714 |
| P1 (MW) | P2 (MW) | P3 (MW) | Real part | Imaginary part |
|---|---|---|---|---|
| 190 | 170.76 | 180 | 0.0001 | 7.536991 |
| 200 | 157.61 | 180 | 0 | 7.585456 |
| 210 | 144.3 | 180 | −0.00002 | 7.610067 |
| 220 | 130.58 | 180 | −0.00002 | 7.63315 |
| 230 | 116.39 | 180 | −0.00001 | 7.656929 |
| 190 | 163.21 | 190 | 0 | 7.52991 |
| 200 | 150.12 | 190 | −0.00002 | 7.565746 |
| 210 | 136.74 | 190 | −0.00004 | 7.590114 |
| 220 | 122.94 | 190 | 0.00001 | 7.613221 |
| 230 | 108.64 | 190 | 0.00001 | 7.638675 |
| 190 | 147.67 | 210 | 0.00002 | 7.49535 |
| 200 | 134.54 | 210 | 0 | 7.520848 |
| 210 | 121 | 210 | 0.00003 | 7.545433 |
| 220 | 106.98 | 210 | 0.00003 | 7.572346 |
| 230 | 92.41 | 210 | −0.00002 | 7.603393 |
| 190 | 139.64 | 220 | 0.00002 | 7.470371 |
| 200 | 126.43 | 220 | 0 | 7.496321 |
| P1 (MW) | P2 (MW) | P3 (MW) | Error (%) |
|---|---|---|---|
| 190 | 170.76 | 180 | 0.067958 |
| 200 | 157.61 | 180 | 0.013502 |
| 210 | 144.3 | 180 | 0.067639 |
| 220 | 130.58 | 180 | 0.051357 |
| 230 | 116.39 | 180 | 0.044867 |
| 190 | 163.21 | 190 | 0.008951 |
| 200 | 150.12 | 190 | 0.100204 |
| 210 | 136.74 | 190 | 0.141877 |
| 220 | 122.94 | 190 | 0.111855 |
| 230 | 108.64 | 190 | 0.002365 |
| 190 | 147.67 | 210 | 0.085745 |
| 200 | 134.54 | 210 | 0.16861 |
| 210 | 121 | 210 | 0.182398 |
| 220 | 106.98 | 210 | 0.116044 |
| 230 | 92.41 | 210 | 0.040263 |
| 190 | 139.64 | 220 | 0.079899 |
| 200 | 126.43 | 220 | 0.148584 |
| 210 | 112.78 | 220 | 0.144009 |
| 220 | 98.64 | 220 | 0.058873 |
| 230 | 83.92 | 220 | 0.119396 |
Appendix D
| P1 (MW) | P2 (MW) | P3 (MW) | P4 (MW) | Real part | Imaginary part |
|---|---|---|---|---|---|
| 164.25 | 130 | 90 | 130 | 0.00002 | 6.182942 |
| 162 | 130.11 | 93 | 130 | −0.00005 | 6.135284 |
| 160 | 132 | 95 | 128.23 | −0.00002 | 6.130719 |
| 155 | 135 | 92 | 133.33 | −0.00009 | 6.108222 |
| 155 | 135 | 89 | 136.1 | −0.00006 | 6.11538 |
| 150 | 139.94 | 90 | 135 | −0.00012 | 6.123751 |
| 153.94 | 140 | 90 | 130 | 0.00003 | 6.195451 |
| 156.63 | 130 | 100 | 130 | 0 | 6.015732 |
| 155.96 | 130 | 90 | 140 | 0 | 6.026069 |
| 151 | 135 | 108 | 123.01 | 0.00001 | 5.995063 |
| 154.24 | 140 | 95 | 125 | 0.00001 | 6.186703 |
| 142.92 | 145 | 103 | 125 | 0.00005 | 6.069223 |
| 143.43 | 150 | 90 | 130 | 0.00003 | 6.213094 |
| 147 | 135 | 100 | 134.51 | −0.00008 | 5.94512 |
| 152.053 | 130 | 105 | 130 | 0 | 5.92228 |
| 136 | 148.31 | 80 | 150 | 0.00013 | 6.061767 |
| 130.98 | 150 | 105 | 130 | −0.00007 | 5.96777 |
| P1 (MW) | P2 (MW) | P3 (MW) | P4 (MW) | Error (%) |
|---|---|---|---|---|
| 164.25 | 130 | 90 | 130 | 0.084283 |
| 162 | 130.11 | 93 | 130 | 0.019028 |
| 160 | 132 | 95 | 128.23 | 0.003579 |
| 155 | 135 | 92 | 133.33 | 0.033593 |
| 155 | 135 | 89 | 136.1 | 0.028496 |
| 150 | 139.94 | 90 | 135 | 0.040916 |
| 153.94 | 140 | 90 | 130 | 0.03755 |
| 156.63 | 130 | 100 | 130 | 0.031047 |
| 155.96 | 130 | 90 | 140 | 0.01475 |
| 151 | 135 | 108 | 123.01 | 0.042525 |
| 154.24 | 140 | 95 | 125 | 0.036604 |
| 142.92 | 145 | 103 | 125 | 0.065856 |
| 143.43 | 150 | 90 | 130 | 0.031106 |
| 147 | 135 | 100 | 134.51 | 0.050112 |
| 152.053 | 130 | 105 | 130 | 0.066951 |
| 136 | 148.31 | 80 | 150 | 0.001088 |
| 130.98 | 150 | 105 | 130 | 0.064887 |
Conflicts of Interest
References
- Baños, R.; Manzano-Agugliaro, F.; Montoya, F.G.; Gil, C.; Alcayde, A.; Gómez, J. Optimization methods applied to renewable and sustainable energy: A review. Renew. Sustain. Energy Rev. 2011, 15, 1753–1766. [Google Scholar] [CrossRef]
- Hernández-Escobedo, Q.; Saldaña-Flores, R.; Rodríguez-García, E.R.; Manzano-Agugliaro, F. Wind energy resource in Northern Mexico. Renew. Sustain. Energy Rev. 2014, 32, 890–914. [Google Scholar] [CrossRef]
- Montoya, F.G.; Manzano-Agugliaro, F.; López-Márquez, S.; Hernández-Escobedo, Q.; Gil, C. Wind turbine selection for wind farm layout using multi-objective evolutionary algorithms. Expert Syst. Appl. 2014, 41, 6585–6595. [Google Scholar] [CrossRef]
- Li, J.F. 2012 China Wind Power Outlook; China Environmental Science Press: Beijing, China, 2012; pp. 28–30. (In Chinese) [Google Scholar]
- Kang, J.J.; Yuan, J.H.; Hu, Z.G.; Xu, Y. Review on wind power development and relevant policies in China during the 11th Five-Year-Plan period. Renew. Sustain. Energy Rev. 2012, 16, 1907–1915. [Google Scholar] [CrossRef]
- Chen, D.Z.; Ma, S.Y.; Song, Y.T.; Wang, N.B.; Fang, P.Y.; Ren, Y. Research on transient stability under HVDC block fault in wind-thermal-bundled power base transmitted by AC/DC system. In Proceedings of the 2014 International Conference on Power System Technology, Chengdu, China, 20–22 October 2014.
- Xiao, C.Y.; Wang, N.B.; Ding, K.; Zhi, J. System power regulation scheme for jiuquan wind power base. Proc. CSEE 2010, 30, 1–7. (In Chinese) [Google Scholar]
- Slootweg, J.G.; Kling, W.L. The impact of large scale wind power generation on power system oscillations. Electr. Power Syst. Res. 2003, 67, 9–20. [Google Scholar] [CrossRef]
- Mendonca, A.; Peas Lopes, J.A. Impact of large scale wind power integration on small signal stability. In Proceedings of the 2005 International Conference on Future Power Systems, Amsterdam, The Netherlands, 16–18 November 2005.
- Gautam, D.; Vittal, V.; Harbour, T. Impact of increased penetration of DFIG-based wind turbine generators on transient and small signal stability of power systems. IEEE Trans. Power Syst. 2009, 24, 1426–1434. [Google Scholar] [CrossRef]
- Kwatny, H.G.; Fischl, R.F.; Nwankpa, C. Local bifurcation in power systems: Theory, computation and application. Proc. IEEE 1995, 83, 1453–1483. [Google Scholar] [CrossRef]
- Venkatasubramanian, V.; Schattler, H.; Zaborszky, J. Dynamics of large constrained nonlinear systems—A taxonomy theory. Proc. IEEE 1995, 83, 1530–1560. [Google Scholar] [CrossRef]
- Canizares, C.A.; Mithulananthan, N.; Milano, F. Linear performance indices to predict oscillatory stability problems in power systems. IEEE Trans. Power Syst. 2004, 19, 1104–1114. [Google Scholar] [CrossRef]
- Abed, E.H.; Varaiya, P.P.; Milano, F. Nonlinear oscillations in power systems. Int. J. Electr. Power Energy Syst. 1984, 6, 37–43. [Google Scholar] [CrossRef]
- Seydel, R. Practical Bifurcation and Stability Analysis, 3rd ed.; Springer: London, UK, 2010; pp. 199–257. [Google Scholar]
- Roose, D.; Hlavacek, V. A direct method for the computation of Hopf bifurcation point. SLAM J. Appl. Math. 1985, 45, 879–894. [Google Scholar] [CrossRef]
- Hiskens, I.A. Analysis tool for power systems-contending with nonlinearities. Proc. IEEE 1995, 83, 1573–1587. [Google Scholar] [CrossRef]
- Sun, Q.; Yu, Y.X. Hyper-plane approximation of boundary of small signal stability region and its application. J. Tianjin Univ. 2008, 41, 647–652. (In Chinese) [Google Scholar]
- Yang, S.; Liu, F.; Zhang, D.; Mei, A.W. Polynomial approximation of the small-signal stability region boundaries and its credible region in high-dimensional parameter space. Int. Trans. Electr. Energy Syst. 2013, 23, 784–801. [Google Scholar] [CrossRef]
- Jia, H.J.; Yu, X.D.; Cao, X.D. Impact of the exciter voltage limit to small signal stability region of a tree-bus power system. Int. J. Electr. Power Energy Syst. 2011, 33, 1598–1607. [Google Scholar]
- Jia, H.J.; Yu, X.D.; Yu, Y.X.; Wang, C.S. Power system small signal stability region with time delay. Int. J. Electr. Power Energy Syst. 2008, 30, 16–22. [Google Scholar] [CrossRef]
- Li, G.Q.; Li, J.; Gao, S. Power system small signal stability region with saturation element considered. Autom. Electr. Power Syst. 2010, 34, 14–17. (In Chinese) [Google Scholar]
- Pulgar, P.; Hector, A. Wind Farm Model for Power System Stability Analysis; The University of Illinois at Urbana-Champaign: Champaign, IL, USA, 2010. [Google Scholar]
- Ash, R.; Ash, G. Numerical computation of root loci using the newton-raphson technique. IEEE Trans. Autom. Control 1968, 13, 576–582. [Google Scholar] [CrossRef]
- Saunders, P.T. An Introduction to Catastrophe Theory, 1st ed.; Cambridge University Press: New York, NY, USA, 1980; pp. 1–60. [Google Scholar]
- Zeeman, E.C. Catastrophe Theory; Springer: Berlin/Heidelberg, Germany, 1976; pp. 1–83. [Google Scholar]
- Robert, G. Catastrophe Theory for Scientists and Engineers; Wiley: New York, NY, USA, 1993; pp. 1–92. [Google Scholar]
- Papacharalampous, A.E.; Vlahogianni, E.I. Modeling microscopic freeway traffic using cusp catastrophe theory. IEEE Intell. Transp. Syst. Mag. 2014, 6, 6–16. [Google Scholar] [CrossRef]
- Jones, D.D.; Walters, C.J. Catastrophe theory and fisheries regulation. J. Fish. Res. Board Can. 1976, 33, 2829–2833. [Google Scholar] [CrossRef]
- Qin, S.; Jiao, J.J.; Wang, S. A cusp catastrophe model of instability of slip-buckling slope. Rock Mech. Rock Eng. 2001, 34, 119–134. [Google Scholar] [CrossRef]
- Helbing, D.; Farkas, I.; Vicsek, T. Simulating dynamical features of escape panic. Nature 2000, 407, 487–490. [Google Scholar] [CrossRef] [PubMed]
- Sallam, A.A.; Dineley, J.L. Catastrophe theory as a tool for determining synchronous power system dynamic stability. IEEE Trans. Power Appar. Syst. 1983, 102, 622–630. [Google Scholar] [CrossRef]
- Wvong, M.D.; Mihirig, A.M. Catastrophe theory applied to transient stability assessment of power systems. IEE Proc. Gener. Transm. Distrib. 1986, 133, 314–318. [Google Scholar] [CrossRef]
- Mihirig, A.M.; Wvong, M.D. Transient stability analysis of multimachine power systems by catastrophe theory. IEE Proc. Gener. Transm. Distrib. 1989, 136, 254–258. [Google Scholar] [CrossRef]
- Mahmoud, G.A. Voltage stability analysis of radial distribution networks using catastrophe theory. Gener. Transm. Distrib. IET 2012, 6, 612–618. [Google Scholar] [CrossRef]
- Quan, Y.S.; Chen, J.; Li, W.; Zhang, X.D.; Peng, X.J.; Lao, G.Q. Methodology of forecasting the oil-immersed transformer over-hot fault tendency based on catastrophe theory. Proc. CSEE 2011, 31, 100–106. (In Chinese) [Google Scholar]
- Zhou, H.Q.; Song, Z.P.; Wang, J.P.; Xue, Y. A review on dynamic equivalent methods for large scale wind farms. In Proceedings of the 2011 Asia-Pacific Power and Energy Engineering Conference (APPEEC 2011), Wuhan, China, 25–28 March 2011.
- Kundur, P. Power System Stability and Control; McGraw-Hill: New York, NY, USA, 1994; pp. 700–705. [Google Scholar]
- Hansen, A.D.; Jauch, C.; Sørensen, P.; Cutululis, N.; Jauch, C.; Blaabjerg, F. Dynamic Wind Turbine Models in Power System Simulation Tool DIgSILENT; The Risø National Laboratory: Roskilde, Denmark, 2003; pp. 1–82. [Google Scholar]
- Anderson, P.M.; Fouad, A.A. Power System Control and Stability, 2nd ed.; Wiley: Southern Gate, UK, 2002; pp. 555–582. [Google Scholar]
© 2015 by the authors; licensee MDPI, Basel, Switzerland. This article is an open access article distributed under the terms and conditions of the Creative Commons Attribution license (http://creativecommons.org/licenses/by/4.0/).
Share and Cite
Liu, W.; Ge, R.; Lv, Q.; Li, H.; Ge, J. Research on a Small Signal Stability Region Boundary Model of the Interconnected Power System with Large-Scale Wind Power. Energies 2015, 8, 2312-2336. https://doi.org/10.3390/en8042312
Liu W, Ge R, Lv Q, Li H, Ge J. Research on a Small Signal Stability Region Boundary Model of the Interconnected Power System with Large-Scale Wind Power. Energies. 2015; 8(4):2312-2336. https://doi.org/10.3390/en8042312
Chicago/Turabian StyleLiu, Wenying, Rundong Ge, Quancheng Lv, Huiyong Li, and Jiangbei Ge. 2015. "Research on a Small Signal Stability Region Boundary Model of the Interconnected Power System with Large-Scale Wind Power" Energies 8, no. 4: 2312-2336. https://doi.org/10.3390/en8042312
APA StyleLiu, W., Ge, R., Lv, Q., Li, H., & Ge, J. (2015). Research on a Small Signal Stability Region Boundary Model of the Interconnected Power System with Large-Scale Wind Power. Energies, 8(4), 2312-2336. https://doi.org/10.3390/en8042312
