Review of Power Conversion and Conditioning Systems for Stationary Electrochemical Storage
Abstract
:1. Introduction
- ➢
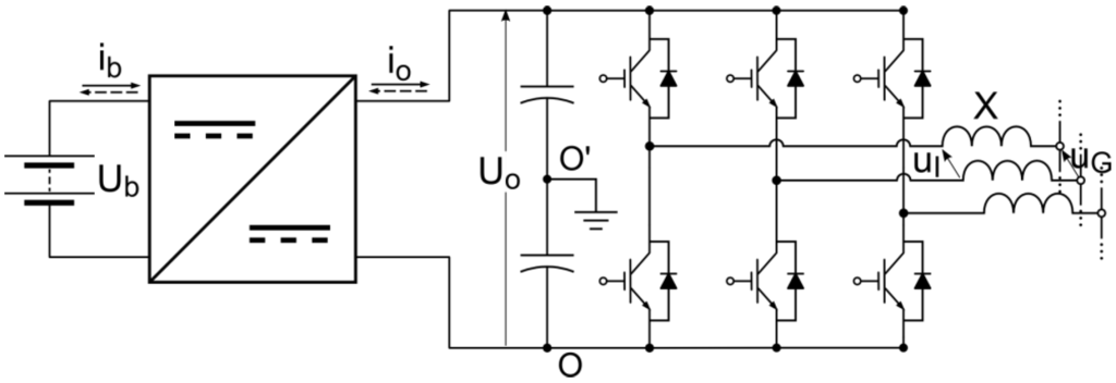
- With a direct inverter−EESSS connection, the EESSS (e.g., a battery) voltage variations would imply a remarkable increase of the harmonic content (h) in the inverter output voltage. This effect is due to the fact that an inverter generally operates according to a PWM switching scheme [7,8] (see Section 3) in which, in order to pilot the inverter switches, a sinusoidal reference signal is compared with a sawtooth signal with higher frequency. The ratio between the reference signal frequency and the sawtooth one is defined by means of mf [8]. The EESSS voltage fluctuations imply the variations of the inverter modulation index (ma) [8], which is the ratio between the reference signal amplitude and the sawtooth one. Consequently, as shown in Table 1, the harmonic content (h) of the inverter voltage increases, so penalizing the inverter output quality.
- ➢
- A Δu% percentage EESSS voltage variation with respect to the rated value requires the inverter component overrating of 1 + Δu% as for both the voltage and the current (maximum current corresponding to minimum battery voltage), resulting in an inverter power oversizing of about 1 + 2Δu%. By hypothesizing a current and voltage variation of 20%, the inverter rated power can be inferred by the following simple relation:P = ΔVmax·ΔImax = Vn(1 + 20%)·In(1 + 20%) ≈ 1.40Pn = Pn + ΔP
| ma = | 0.100 | 0.200 | 0.300 | 0.400 | 0.500 | 0.600 | 0.700 | 0.800 | 0.900 | 1.000 | |
|---|---|---|---|---|---|---|---|---|---|---|---|
| mf | 1.265 | 1.242 | 1.204 | 1.151 | 1.084 | 1.006 | 0.917 | 0.818 | 0.712 | 0.601 | |
| mf ± 2 | 0.004 | 0.016 | 0.035 | 0.061 | 0.093 | 0.131 | 0.174 | 0.220 | 0.268 | 0.318 | |
| mf ± 4 | − | − | − | 0.001 | 0.001 | 0.003 | 0.005 | 0.008 | 0.012 | 0.018 | |
| 2mf ± 1 | 0.099 | 0.190 | 0.268 | 0.326 | 0.361 | 0.370 | 0.354 | 0.314 | 0.255 | 0.181 | |
| 2mf ± 3 | − | 0.003 | 0.011 | 0.024 | 0.044 | 0.071 | 0.103 | 0.139 | 0.177 | 0.212 | |
| 2mf ± 5 | − | − | − | − | 0.001 | 0.003 | 0.007 | 0.013 | 0.021 | 0.033 | |
| 3mf | 0.401 | 0.335 | 0.237 | 0.123 | 0.011 | 0.083 | 0.146 | 0.171 | 0.157 | 0.113 | |
| 3mf ± 2 | 0.012 | 0.044 | 0.089 | 0.139 | 0.180 | 0.203 | 0.203 | 0.176 | 0.127 | 0.062 | |
| 3mf ± 4 | − | 0.001 | 0.004 | 0.012 | 0.026 | 0.047 | 0.074 | 0.105 | 0.134 | 0.158 | |
| 4mf − 5 | − | − | 0.002 | 0.006 | 0.017 | 0.034 | 0.058 | 0.084 | 0.107 | 0.119 | |
| 4mf − 3 | 0.002 | 0.012 | 0.035 | 0.070 | 0.106 | 0.132 | 0.137 | 0.115 | 0.068 | 0.009 | |
| 4mf ± 1 | 0.095 | 0.163 | 0.185 | 0.157 | 0.091 | 0.008 | 0.064 | 0.105 | 0.105 | 0.068 | |
| 4mf + 3 | 0.002 | 0.012 | 0.035 | 0.070 | 0.106 | 0.132 | 0.137 | 0.114 | 0.068 | 0.007 | |
| 4mf + 5 | − | − | 0.002 | 0.006 | 0.017 | 0.034 | 0.057 | 0.082 | 0.101 | 0.105 | |
| 5mf − 4 | − | 0.004 | 0.015 | 0.039 | 0.069 | 0.094 | 0.101 | 0.080 | 0.035 | 0.019 | |
| 5mf − 2 | 0.019 | 0.064 | 0.108 | 0.124 | 0.097 | 0.037 | 0.030 | 0.073 | 0.075 | 0.038 | |
| 5mf | 0.217 | 0.120 | 0.006 | 0.077 | 0.102 | 0.068 | 0.002 | 0.056 | 0.076 | 0.052 | |
| 5mf + 2 | 0.019 | 0.064 | 0.108 | 0.124 | 0.097 | 0.037 | 0.030 | 0.073 | 0.074 | 0.035 | |
| 5mf + 4 | − | 0.004 | 0.015 | 0.039 | 0.069 | 0.095 | 0.102 | 0.084 | 0.044 | − | |
| 6mf − 5 | − | 0.001 | 0.007 | 0.023 | 0.047 | 0.072 | 0.080 | 0.061 | 0.022 | 0.018 | |
| 6mf − 3 | 0.004 | 0.024 | 0.059 | 0.088 | 0.086 | 0.046 | 0.013 | 0.056 | 0.055 | 0.016 | |
| 6mf − 1 | 0.089 | 0.123 | 0.085 | 0.005 | 0.060 | 0.070 | 0.027 | 0.031 | 0.058 | 0.039 | |
| 6mf + 1 | 0.089 | 0.123 | 0.085 | 0.005 | 0.060 | 0.070 | 0.027 | 0.030 | 0.056 | 0.032 | |
| 6mf + 3 | 0.004 | 0.024 | 0.059 | 0.088 | 0.086 | 0.045 | 0.015 | 0.060 | 0.067 | 0.040 | |
| 6mf + 5 | − | 0.001 | 0.007 | 0.023 | 0.047 | 0.069 | 0.070 | 0.039 | 0.021 | 0.082 | |

2. Two-Stage Converter Architecture for EESSS

2.1. EESSS Discharge: Layout 1 vs. Layout 2 Behaviour

2.2. EESSS Charge: Layout 1 vs. Layout 2



3. d.c.-d.c. Converter Control
3.1. d.c.-d.c. Converter Control: Discontinuous Discharge Mode




3.2. d.c.-d.c. Converter Control: Discontinuous Charge Mode



4. Full Bridge Inverter Control
P/Q Control Structures


5. Massive Energy Stationary Storage Experience in Italy

| Quantity | Range |
|---|---|
| Nominal efficiency | ≥95.5% |
| Response time 0 ÷ 100% | ≤80 ms |
| Phase inversion time (−100 ÷ 100%) | ≤100 ms |
| Nominal load current THD | ≤3% |
| Partial load (20%) current THD | ≤5% |
| No-load Voltage THD | ≤3% |
| Voltage regulation accuracy | ±1% |
| Frequency regulation accuracy | ±0.1% |
| Power regulation accuracy | ±2% |
| Availability | ≥99.5% |
6. Discussion and Conclusions
- ➢
- The use of a two-stage converter is more convenient in order to avoid an oversized inverter. The first stage is made by a d.c.-d.c. converter, in order to maintain a constant continuous voltage reference for the inverter d.c. side. The second stage is represented by the d.c.-a.c. inverter itself;
- ➢
- In order to avoid an impulsive behaviour of the battery current, the first stage of the two-stage converter has to be constituted by a layout 1 d.c.-d.c. converter;
- ➢
- If the battery current is too low, the converter could work in discontinuous mode, so that the voltage references for the battery and the inverter cannot be controlled just by means of the converter piloting. Therefore, a feed-back voltage control is necessary to regulate the voltage reference in case of discontinuous mode;
- ➢
- In order to regulate the active and reactive power exchange between the battery and the grid, it is possible to act on the inverter direct and quadrature current components by means of a suitable control system.
List of Symbols
| EESSS | Electrochemical Energy Stationary Storage System; |
| PCS | Power Conversion System; |
| HV | High voltage; |
| MV | Medium voltage; |
| LV | Low voltage; |
| u | voltage instantaneous value; |
| i | current instantaneous value; |
| ux,p | voltage peak value referred to the x component; |
| ix,p | current peak value referred to the x component; |
| Uo | average voltage value referred to the converter output side; |
| Ub | average voltage value referred to the battery output side; |
| Io | average current value referred to the converter output side; |
| Ib. | average current value referred to the battery output side; |
| D1, D2 | d.c.- d.c. converter diodes; |
| iD1, iD2 | d.c.- d.c. converter diode currents; |
| txon | “on state time” of the switch Tx; |
| txoff | “off state time” of the switch Tx; |
| T | whole commutation time of the switch Tx; |
| D | txon/T Duty cycle of the d.c.-d.c. converter; |
| Iq | inverter quadrature current components; |
| Id | inverter direct current components; |
| UI | phasor of the inverter voltage; |
| UG | phasor of the grid voltage; |
| THD | Total Harmonic Distortion; |
| ma | amplitude modulation index; |
| mf | voltage modulation index; |
| PWM | Pulse With Modulation; |
| PLL | Phase Locked Loop device. |
Conflicts of Interest
References
- Andriollo, M.; Benato, R.; Dambone Sessa, S. 34.8 MW di accumulo elettrochimico di tipo ENERGY INTENSIVE mediante celle secondarie sodio-zolfo (Na-S). L'Energia Elettr. 2014, 91, 23–35. (In Italian) [Google Scholar]
- Kawakami, N.; Iijima, Y.; Sakanaka, Y.; Fukuhara, M.; Ogawa, M.K.; Bando, M.; Matsuda, T. Development and field experiences of stabilization system using 34 MW NAS batteries for a 51 MW wind farm. In Proceedings of the 2010 IEEE International Symposium on Industrial Electronics (ISIE), Bari, Italy, 4–7 July 2010. [CrossRef]
- Polgàri, B.; Hartmann, B. Energy storage for Hungary—NaS battery for wind farms energetics (IYCE). In Proceedings of the 2011 3rd International Youth Conference on Energetics (IYCE), Leiria, Portugal, 7–9 July 2011.
- Roberts, B.P. Sodium-Sulfur (NaS) batteries for utility energy storage applications. In Proceedings of the 2008 IEEE Power and Energy Society General Meeting—Conversion and Delivery of Electrical Energy in the 21st Century, Pittsburgh, PA, USA, 20–24 July 2008. [CrossRef]
- Garche, J.; Dyer, C.K.; Moseley, P.T.; Ogumi, Z.; Rand, D.; Scrosati, A.J.B. Preface. Encycl. Electrochem Power Sources 2009. [Google Scholar] [CrossRef]
- Lu, N.; Weimar, M.R.; Makarov, Y.V.; Loutan, C. An evaluation of the NaS battery storage potential for providing regulation service in California. In Proceedings of the 2011 IEEE/PES Power Systems Conference and Exposition, Phoenix, AZ, USA, 20–23 March 2011. [CrossRef]
- Monmasson, E. Power Electronic Converters: PWM Strategies and Current Control Techniques; Wiley-ISTE: West Sussex, UK, 2011. [Google Scholar]
- Dos Santos, E.; da Silva, E.R. Advanced Power Electronics Converters: PWM Converters Processing AC Voltage; Wiley-IEEE Press: Hoboken, NJ, USA, 2014. [Google Scholar]
- Chen, F.; Burgos, R.; Boroyevich, D.; Dong, D. Control loop design of a two-stage bidirectional AC/DC converter for renewable energy systems. In Proceedings of the 2014 Twenty-Ninth Annual IEEE Applied Power Electronics Conference and Exposition (APEC), Fort Worth, TX, USA, 16–20 March 2014. [CrossRef]
- Cavalcanti, M.C.; Bradaschia, F.; Ferraz, P.E.P.; Limongi, L.R. Two-stage converter with remote state pulse width modulation for transformerless photovoltaic systems. Electr. Power Syst. Res. 2014, 108. [Google Scholar] [CrossRef]
- Bnaei, R.M.; Salary, E. Application of multi-stage converter in distributed generation systems. Energy Convers. Manag. 2012, 62. [Google Scholar] [CrossRef]
- Mohan, N.; Undeland, T.; Robbins, M.W.P. Power Electronics: Converters, Applications and Design; John Wiley & Sons Inc.: Hoboken, NJ, USA, 2002; ISBN 0471226939. [Google Scholar]
- Nicastri, A.; Nagliero, A. Comparison and evaluation of the PLL techniques for the design of the grid-connected inverter systems. In Proceedings of the 2010 IEEE International Symposium on Industrial Electronics (ISIE), Bari, Italy, 4–7 July 2010. [CrossRef]
- Benato, R.; Cosciani, N.; Dambone Sessa, S.; Lodi, G.; Parmeggiani, C.; Todeschini, M. La tecnologia sodio-cloruro di nichel (Na-NiCl2) per l'accumulo elettrochimico stazionario sulla rete di trasmissione. L'Energia Elettr. 2014, 91, 71–84. (In Italian) [Google Scholar]
- International Electrotechnical Commission. Photovoltaic (PV) Systems—Characteristics of the Utility Interface, 2.0 ed.; IEC 61727; IEC: Geneva, Switzerland, 14 December 2004. [Google Scholar]
© 2015 by the authors; licensee MDPI, Basel, Switzerland. This article is an open access article distributed under the terms and conditions of the Creative Commons Attribution license (http://creativecommons.org/licenses/by/4.0/).
Share and Cite
Andriollo, M.; Benato, R.; Bressan, M.; Sessa, S.D.; Palone, F.; Polito, R.M. Review of Power Conversion and Conditioning Systems for Stationary Electrochemical Storage. Energies 2015, 8, 960-975. https://doi.org/10.3390/en8020960
Andriollo M, Benato R, Bressan M, Sessa SD, Palone F, Polito RM. Review of Power Conversion and Conditioning Systems for Stationary Electrochemical Storage. Energies. 2015; 8(2):960-975. https://doi.org/10.3390/en8020960
Chicago/Turabian StyleAndriollo, Mauro, Roberto Benato, Michele Bressan, Sebastian Dambone Sessa, Francesco Palone, and Rosario Maria Polito. 2015. "Review of Power Conversion and Conditioning Systems for Stationary Electrochemical Storage" Energies 8, no. 2: 960-975. https://doi.org/10.3390/en8020960
APA StyleAndriollo, M., Benato, R., Bressan, M., Sessa, S. D., Palone, F., & Polito, R. M. (2015). Review of Power Conversion and Conditioning Systems for Stationary Electrochemical Storage. Energies, 8(2), 960-975. https://doi.org/10.3390/en8020960

