Dynamic Fault Recovery Strategy for Active Distribution Networks Based on a Two-Layer Hybrid Algorithm Under Extreme Ice and Snow Conditions
Abstract
1. Introduction
2. Line Fault Rate Model Considering the Thermal Effect of Current Under Extreme Ice and Snow Conditions
2.1. Extreme Ice and Snow Meteorological Model
2.2. Conductor Fault Model
2.2.1. Conductor Ice Growth Rate Model Considering the Thermal Effect of Current
2.2.2. Conductor Ice Accretion Thickness Model
2.2.3. Conductor Fault Rate Model
2.3. Pole–Tower Fault Model
2.3.1. Ice Accretion Load on Pole–Tower
2.3.2. Pole–Tower Fault Rate Model
2.4. Overall Fault Rate of Distribution Lines
2.5. Typical Fault Scenario Screening
3. Distributed Generators and Load Characteristic Models
3.1. Distributed Generators Output Model
3.2. Load Characteristic Model
4. Fault Restoration Model
4.1. Objective Functions
- (1)
- Load Shedding
- (2)
- Number of switch operations
4.2. Island Partitioning and Merging Method
4.3. Constraints
4.3.1. Network Topology Constraints
4.3.2. Load Constraints
4.3.3. Power Flow Constraints
4.3.4. Second-Order Cone Constraints
4.3.5. Tightened Relaxation Constraints
4.3.6. MT Output Constraints
4.3.7. General Constraints
5. Solution Algorithm
5.1. Improved Binary Grey Wolf Optimization
5.1.1. Binary Grey Wolf Optimization
5.1.2. Improvement Strategies
- (1)
- Sobol Sequence
- (2)
- Improved Convergence Factor and Position Update Strategy
- (a)
- Convergence Factor Improvement Strategy
- (b)
- Position Update Improvement Strategy
- (3)
- Lévy Flight
5.2. Two-Layer Hybrid Algorithm
- (1)
- The network parameters for each fault time period are input, and the initial population of the IBGWO is generated based on Sobol sequence mapping;
- (2)
- According to the wolf positions, i.e., the discrete topological decisions, the inner-layer SOCR algorithm is employed to solve the continuous decision variables under each discrete topology;
- (3)
- The fitness values of all candidate solutions are evaluated, and the positions of the , , and wolves, corresponding to the three best solutions, are determined;
- (4)
- The positions of all individuals in the wolf pack are updated to obtain the positions of the wolves, which represent candidate solutions.
- (5)
- The absolute value of the position–distance weighting factor is examined. If , Lévy flight is performed, and the resulting solution is compared with the original one to obtain the optimal candidate solution;
- (6)
- If the maximum number of iterations is reached, the optimal candidate solution is output; otherwise, the algorithm returns to Step 2 and continues the iteration;
- (7)
- The optimal repair strategy for each time period is obtained.
5.3. Fault Restoration Procedure
6. Case Study
6.1. Case Parameters
6.2. Simulation Parameters
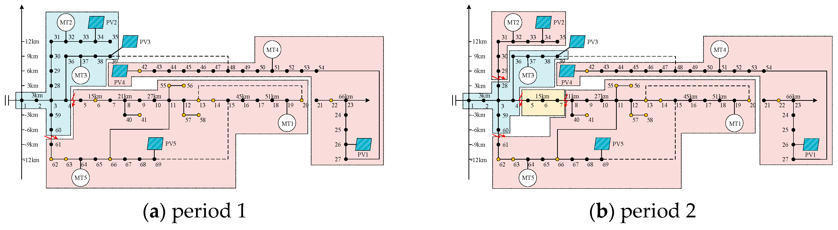
6.3. Analysis of Fault Recovery Results
6.4. Comparative Analysis of Schemes
6.4.1. Scheme Settings
- (1)
- Scheme 1: Solving the model using a single SOCR through the Gurobi commercial solver (Gurobi Optimization, Houston, TX, USA) integrated with MATLAB R2020b.
- (2)
- Scheme 2: Solving the model using a single IBGWO.
- (3)
- Scheme 3: Solving the model using a two-layer hybrid algorithm based on BPSO and SOCR.
- (4)
- Scheme 4: Solving the model using a two-layer hybrid algorithm based on BGWO and SOCR.
- (5)
- Scheme 5: Solving the model using the proposed two-layer hybrid algorithm based on IBGWO and SOCR.
6.4.2. Comparative Analysis of Recovery Results Among Different Schemes
6.4.3. Comparative Analysis of the Economy Among Different Schemes
6.5. Analysis of Recovery Results for the IEEE 123-Bus System
6.5.1. Simulation Parameter Settings
6.5.2. Analysis of Recovery Results
7. Conclusions
- (1)
- Based on the proposed line fault rate model considering the thermal effect of current, the evolution process of distribution line faults over time under extreme ice and snow conditions is accurately depicted. Furthermore, the information entropy-based typical scenario screening method is utilized to screen for typical fault scenarios, which improves the accuracy of identifying fault locations in the distribution network.
- (2)
- By comparatively analyzing the fault recovery results between the single solution algorithm framework and the proposed two-layer hybrid algorithm framework, it is evident that the two-layer hybrid algorithm outperforms the single solution algorithm in terms of overall recovery performance, algorithm solution efficiency and accuracy, and recovery economy. This verifies the effectiveness of the proposed solution framework.
- (3)
- By comparatively analyzing the proposed IBGWO-based solution framework and traditional heuristic algorithm-based solution frameworks, the fault recovery results indicate that the proposed method possesses stronger global search capability and higher solution efficiency, thereby verifying its feasibility and superiority.
Author Contributions
Funding
Data Availability Statement
Conflicts of Interest
Abbreviations
| ADNs | Active distribution networks |
| DGs | Distributed generators |
| RFS | Rapid flood spreading |
| MISOCP | Mixed-integer second-order cone programming |
| SOPs | Soft open points |
| MESSs | Mobile energy storage systems |
| OLTCs | On-load tap changers |
| PV | Photovoltaic |
| PVGs | Photovoltaic generators |
| WTGs | Wind turbine generators |
| MTs | Micro turbines |
| GWO | Grey wolf optimization |
| BGWO | Binary grey wolf optimization |
| IBGWO | Improved binary grey wolf optimization |
| PSO | Particle swarm optimization |
| BPSO | Binary particle swarm optimization |
| SOCR | Second-order cone relaxation |
References
- Kasimalla, S.R.; Park, K.; Zaboli, A.; Hong, Y.; Choi, S.L.; Hong, J. An evaluation of sustainable power system resilience in the face of severe weather conditions and climate changes: A comprehensive review of current advances. Sustainability 2024, 16, 3047. [Google Scholar] [CrossRef]
- Abdelmalak, M.; Benidris, M. Proactive generation redispatch to enhance power system resilience during hurricanes considering unavailability of renewable energy sources. IEEE Trans. Ind. Appl. 2022, 58, 3044–3053. [Google Scholar] [CrossRef]
- Manousakis, N.M.; Kalkanis, K.; Sinioros, D.P.; Kokkosis, A.; Psomopoulos, C.S. Wildfire and smoke effects on power transmission and distribution systems safety: An analytical review. Front. Energy Res. 2026, 14, 1759856. [Google Scholar] [CrossRef]
- Schmitt, K.; Bhatta, R.; Chamana, M.; Murshed, M.; Osman, I.; Bayne, S.; Canha, L. A review on active customers’ participation in smart grids. J. Mod. Power Syst. Clean Energy 2023, 11, 3–16. [Google Scholar] [CrossRef]
- Heidari-Akhijahani, A.; Butler-Purry, K.L. A review on black-start service restoration of active distribution systems and microgrids. Energies 2023, 17, 100. [Google Scholar] [CrossRef]
- Arefifar, S.A.; Alam, M.S.; Hamadi, A. A review on self-healing in modern power distribution systems. J. Mod. Power Syst. Clean Energy 2023, 11, 1719–1733. [Google Scholar] [CrossRef]
- Tang, B.; He, L.; Zhou, L.; Zhao, H.; Wang, K.; Zhang, P. Robust fault recovery strategy for multi-source flexibly interconnected distribution networks in extreme disaster scenarios. Front. Energy Res. 2024, 12, 1345839. [Google Scholar] [CrossRef]
- Liu, X.; Wang, H.; Sun, Q.; Guo, T. Research on fault scenario prediction and resilience enhancement strategy of active distribution network under ice disaster. Int. J. Electr. Power Energy Syst. 2022, 135, 107478. [Google Scholar] [CrossRef]
- Poudel, S.; Dubey, A.; Bose, A. Risk-based probabilistic quantification of power distribution system operational resilience. IEEE Syst. J. 2020, 14, 3527–3538. [Google Scholar] [CrossRef]
- Xu, J.; Zhang, T.; Du, Y.; Zhang, W.; Yang, T.; Qiu, J. Islanding and dynamic reconfiguration for resilience enhancement of active distribution systems. Electr. Power Syst. Res. 2020, 189, 106749. [Google Scholar] [CrossRef]
- Ma, N.; Xu, Z.; Wang, Y.; Liu, G.; Xin, L.; Liu, D.; Liu, Z.; Shi, J.; Chen, C. Strategies for Improving the Resiliency of Distribution Networks in Electric Power Systems during Typhoon and Water-Logging Disasters. Energies 2024, 17, 1165. [Google Scholar] [CrossRef]
- Afzal, S.; Mokhlis, H.; Illias, H.A.; Bajwa, A.A.; Mekhilef, S.; Mubin, M.; Muhammad, M.A.; Shareef, H. Modelling spatiotemporal impact of flash floods on power distribution system and dynamic service restoration with renewable generators considering interdependent critical loads. IET Gener. Transm. Distrib. 2023, 18, 368–387. [Google Scholar] [CrossRef]
- Zhang, L.; Zhang, B.; Tang, W.; Lu, Y.; Zhao, C.; Zhang, Q. A Coordinated Restoration Method of Hybrid AC–DC Distribution Network with Electric Buses Considering Transportation System Influence. IEEE Trans. Ind. Inform. 2022, 18, 8236–8246. [Google Scholar] [CrossRef]
- Zhao, S.; Li, K.; Yin, M.; Yu, J.; Yang, Z.; Li, Y. Transportable energy storage assisted post-disaster restoration of distribution networks with renewable generations. Energy 2024, 295, 131105. [Google Scholar] [CrossRef]
- Tang, W.; Wei, C.; Qian, T.; Huang, Y. A multi-stage coordinated resilience enhancement strategy for distribution networks considering voltage quality. Int. J. Electr. Power Energy Syst. 2025, 172, 111312. [Google Scholar] [CrossRef]
- Panteli, M.; Pickering, C.; Wilkinson, S.; Dawson, R.; Mancarella, P. Power system resilience to extreme weather: Fragility modeling, probabilistic impact assessment, and adaptation measures. IEEE Trans. Power Syst. 2017, 32, 3747–3757. [Google Scholar] [CrossRef]
- Hou, H.; Wang, Y.; Bai, X.; Lv, J.; Cui, R.; Zhang, L.; Li, S.; Li, Z. Modelling icing growth on overhead transmission lines: Current advances and future directions. Energy Convers. Econ. 2024, 5, 343–357. [Google Scholar] [CrossRef]
- Zhang, G.; Zhang, F.; Zhang, X.; Wu, Q.; Meng, K. A multi-disaster-scenario distributionally robust planning model for enhancing the resilience of distribution systems. Int. J. Electr. Power Energy Syst. 2020, 122, 106161. [Google Scholar] [CrossRef]
- Aguila Téllez, A.; Krishnan, N.; García, E.; Carrión, D.; Ruiz, M. A probabilistic framework for reliability assessment of active distribution networks with high renewable penetration under extreme weather conditions. Energies 2025, 18, 6525. [Google Scholar] [CrossRef]
- Yan, M.; Shahidehpour, M.; Paaso, A.; Zhang, L.; Alabdulwahab, A.; Abusorrah, A. Distribution system resilience in ice storms by optimal routing of mobile devices on congested roads. IEEE Trans. Smart Grid 2021, 12, 1314–1328. [Google Scholar] [CrossRef]
- Ma, S.S.; Chen, B.K.; Wang, Z.Y. Resilience enhancement strategy for distribution systems under extreme weather events. IEEE Trans. Smart Grid 2018, 9, 1442–1451. [Google Scholar] [CrossRef]
- Wu, Y.; Lin, Z.; Liu, C.; Huang, T.; Chen, Y.; Ru, Y.; Chen, J. Resilience enhancement for urban distribution network via risk-based emergency response plan amendment for ice disasters. Int. J. Electr. Power Energy Syst. 2022, 141, 108183. [Google Scholar] [CrossRef]
- Sekhavatmanesh, H.; Cherkaoui, R. A multi-step reconfiguration model for active distribution network restoration integrating DG start-up sequences. IEEE Trans. Sustain. Energy 2020, 11, 2879–2888. [Google Scholar] [CrossRef]
- Liu, W.; Xu, Q.; Qin, M.; Yang, Y. A post-disaster fault recovery model for distribution networks considering road damage and dual repair teams. Energies 2024, 17, 5020. [Google Scholar] [CrossRef]
- Guo, X.; Guo, W.; Jiang, X.; Wang, W.; Zhu, J. Recovery strategy of distribution network based on power supply capability assessment of local area configured with energy gateway. Energies 2025, 18, 2215. [Google Scholar] [CrossRef]
- Wang, Y.; Xu, Y.; Li, J.; He, J.; Wang, X. On the radiality constraints for distribution system restoration and reconfiguration problems. IEEE Trans. Power Syst. 2020, 35, 3294–3296. [Google Scholar] [CrossRef]
- Dan, Y.; Zhong, H.; Wang, C.; Wang, J.; Fei, Y.; Yu, L. A graph deep reinforcement learning-based fault restoration method for active distribution networks. Energies 2025, 18, 4420. [Google Scholar] [CrossRef]
- Ding, T.; Li, F.; Li, X.; Sun, H.; Bo, R. Interval radial power flow using extended DistFlow formulation and Krawczyk iteration method with sparse approximate inverse preconditioner. IET Gener. Transm. Distrib. 2015, 9, 1998–2006. [Google Scholar] [CrossRef]
- He, Y.; Li, Y.; Liu, J.; Xiang, X.; Sheng, F.; Zhu, X.; Fang, Y.; Wu, Z. A two-stage fault reconfiguration strategy for distribution networks with high penetration of distributed generators. Electronics 2025, 14, 1872. [Google Scholar] [CrossRef]
- Poudel, S.; Dubey, A.; Schneider, K.P. A generalized framework for service restoration in a resilient power distribution system. IEEE Syst. J. 2021, 15, 252–263. [Google Scholar] [CrossRef]
- Emary, E.; Zawbaa, H.M.; Hassanien, A.E. Binary grey wolf optimization approaches for feature selection. Neurocomputing 2016, 172, 371–381. [Google Scholar] [CrossRef]
- Zhang, C.; Liu, H.; Zhou, Q.; Liu, C. Improved hybrid grey wolf optimization algorithm based on dimension learning-based hunting search strategy. IEEE Access 2023, 11, 13738–13753. [Google Scholar] [CrossRef]
- Liu, J.; Wei, X.; Huang, H. An improved grey wolf optimization algorithm and its application in path planning. IEEE Access 2021, 9, 121944–121956. [Google Scholar] [CrossRef]
- Heidari, A.A.; Pahlavani, P. An efficient modified grey wolf optimizer with Lévy flight for optimization tasks. Appl. Soft Comput. 2017, 60, 115–134. [Google Scholar] [CrossRef]
- Chen, B.; Ye, Z.; Chen, C.; Wang, J. Toward a MILP Modeling Framework for Distribution System Restoration. IEEE Trans. Power Syst. 2019, 34, 1749–1760. [Google Scholar] [CrossRef]
- Schneider, K.P.; Mather, B.A.; Pal, B.C. Analytic Considerations and Design Basis for the IEEE Distribution Test Feeders. IEEE Trans. Power Syst. 2018, 33, 3181–3188. [Google Scholar] [CrossRef]
















| MT Number | Access Points | Capacity/kW |
|---|---|---|
| MT1 | 19 | 550 |
| MT2 | 32 | 55 |
| MT3 | 37 | 70 |
| MT4 | 51 | 1800 |
| MT5 | 64 | 150 |
| Bus Number | Weight Levels |
|---|---|
| 11, 12, 18, 21, 38, 39, 50, 53 | first-loads |
| 7–10, 16, 17, 37, 40, 43, 44, 48, 54–60, 68, 69 | second-loads |
| other | third-loads |
| Bus Number | Load Types |
|---|---|
| 1–6, 9, 10, 24, 26–29, 41–44, 62–63, 68–69 | uncontrollable loads |
| other | controllable loads |
| Fault Time Period | Restored Load/kW | Restoration Rate/% | Restoration Cost/CNY |
|---|---|---|---|
| period 1 | 3606.76 | 94.86 | 1902.52 |
| period 2 | 3575.96 | 94.05 | 1535.16 |
| period 3 | 3559.23 | 93.61 | 2699.08 |
| period 4 | 3564.93 | 93.76 | 3504.52 |
| Fault Restoration Scheme | Restoration Cost/CNY | Restoration Rate of Each Period/% | Solution Time/s | |||
|---|---|---|---|---|---|---|
| Period 1 | Period 2 | Period 3 | Period 4 | |||
| scheme 1 | 11753.86 | 89.04 | 82.11 | 76.60 | 71.98 | 83 |
| scheme 2 | 10759.58 | 92.20 | 88.51 | 85.10 | 85.19 | 101 |
| scheme 3 | 10497.95 | 91.04 | 89.13 | 88.15 | 87.38 | 75 |
| scheme 4 | 10221.38 | 93.16 | 91.81 | 91.25 | 90.86 | 69 |
| scheme 5 | 9541.28 | 94.86 | 94.05 | 93.61 | 93.76 | 51 |
Disclaimer/Publisher’s Note: The statements, opinions and data contained in all publications are solely those of the individual author(s) and contributor(s) and not of MDPI and/or the editor(s). MDPI and/or the editor(s) disclaim responsibility for any injury to people or property resulting from any ideas, methods, instructions or products referred to in the content. |
© 2026 by the authors. Licensee MDPI, Basel, Switzerland. This article is an open access article distributed under the terms and conditions of the Creative Commons Attribution (CC BY) license.
Share and Cite
Yan, F.; Cai, X.; Cao, K.; Xiong, H.; Kang, Y. Dynamic Fault Recovery Strategy for Active Distribution Networks Based on a Two-Layer Hybrid Algorithm Under Extreme Ice and Snow Conditions. Energies 2026, 19, 1784. https://doi.org/10.3390/en19071784
Yan F, Cai X, Cao K, Xiong H, Kang Y. Dynamic Fault Recovery Strategy for Active Distribution Networks Based on a Two-Layer Hybrid Algorithm Under Extreme Ice and Snow Conditions. Energies. 2026; 19(7):1784. https://doi.org/10.3390/en19071784
Chicago/Turabian StyleYan, Fangbin, Xuan Cai, Kan Cao, Haozhe Xiong, and Yiqun Kang. 2026. "Dynamic Fault Recovery Strategy for Active Distribution Networks Based on a Two-Layer Hybrid Algorithm Under Extreme Ice and Snow Conditions" Energies 19, no. 7: 1784. https://doi.org/10.3390/en19071784
APA StyleYan, F., Cai, X., Cao, K., Xiong, H., & Kang, Y. (2026). Dynamic Fault Recovery Strategy for Active Distribution Networks Based on a Two-Layer Hybrid Algorithm Under Extreme Ice and Snow Conditions. Energies, 19(7), 1784. https://doi.org/10.3390/en19071784

