Design and Implementation of Finite-Time Convergent Adaptive ADRC for the Resilient Control of Power Converters
Abstract
1. Introduction
- Critical review of current ADRC frameworks using mathematical and analytical expressions.
- Design of adaptive ESO based on the adaptive error scaling function, achieving faster convergence during the span of large errors.
- Design of a finite-time convergent SMC-based control law using a smoother and customizable switching function.
- Stability proofs of the proposed ESO and the control law using Lyapunov stability theory and its variants, like singular perturbation theory and input-to-state stability theory.
- Applications of the proposed adaptive ADRC framework for moderately to highly nonlinear power converters.
2. Current State-of-the-Art in the Literature
2.1. Stability Determination Methods
2.1.1. Lyapunov Stability Theory (LST)
2.1.2. Singular Perturbation Theory (SPT)
2.1.3. Input-to-State Stability (ISS)
2.2. ADRC Components
2.2.1. Tracking Differentiator (TD)
2.2.2. Extended State Observer (ESO)
2.2.3. Feedback Control Law
3. Methodology—Control System Design
3.1. Proposed Adaptive ADRC Framework and Its Stability Analysis
- ; .
- .
- .
- .
3.1.1. Proposed Adaptive ADRC Framework
3.1.2. Stability Analysis of Control Law
3.1.3. Stability Analysis of Adaptive ESO
3.2. Control System Design for Different Power Converters
3.2.1. Adaptive ADRC Design and Implementation for Buck Converter
3.2.2. Adaptive ADRC Design and Implementation for Boost Converter
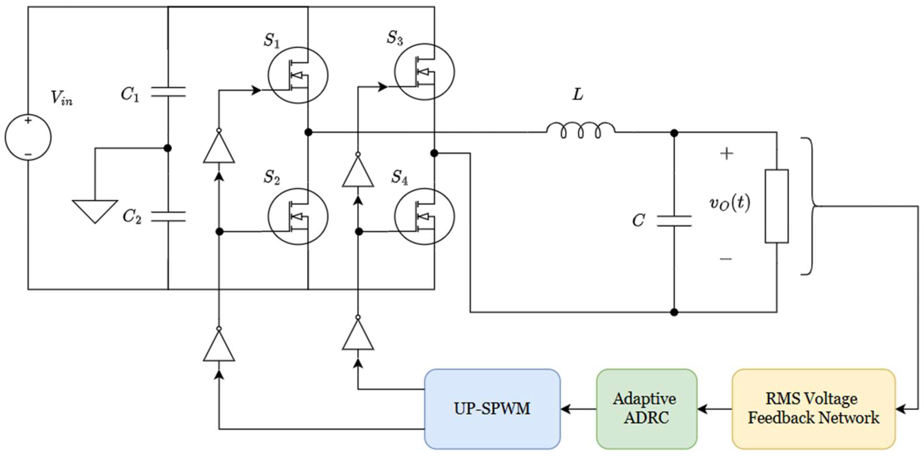
3.2.3. Adaptive ADRC Design and Implementation for Single-Phase Inverter
4. Results and Discussion
4.1. Performance Analysis of Buck Converter
4.2. Performance Analysis of Boost Converter
4.3. Performance Analysis of Single-Phase Inverter
5. Conclusions and Future Recommendations
5.1. Conclusive Remarks
5.2. Future Recommendations
Author Contributions
Funding
Data Availability Statement
Conflicts of Interest
Abbreviations
| ADRC | Active disturbance rejection control |
| AESO | Adaptive extended state observer |
| DC-ESO | Disturbance-compression extended state observer |
| EHGO | Extended high-gain observer |
| ESO | Extended state observer |
| FO-ADRC | Fractional-order active disturbance rejection control |
| FTCL | Finite-time convergent control |
| FTESO | Finite-time extended state observer |
| FXTESO | Fixed-time extended state observer |
| HGESO | High-gain extended state observer |
| INTD | Improved nonlinear tracking differentiator |
| ISS | Input-to-state stability |
| LADRC | Linear active disturbance rejection control |
| LESO | Linear extended state observer |
| LST | Lyapunov stability theory |
| MIMO | Multiple-input multiple-output |
| NESO | Nonlinear extended state observer |
| PI | Proportional–integral |
| PID | Proportional–integral–derivative |
| PR | Proportional–resonant |
| RESO | Reduced-order extended state observer |
| RMS | Root mean square |
| SMC | Sliding-mode control |
| SPT | Singular perturbation theory |
| TD | Tracking differentiator |
| UP-SPWM | Unipolar sinusoidal pulse width modulation |
References
- Hu, J.; Shan, Y.; Cheng, K.W.; Islam, S. Overview of Power Converter Control in Microgrids—Challenges, Advances, and Future Trends. IEEE Trans. Power Electron. 2022, 37, 9907–9922. [Google Scholar] [CrossRef]
- Ghamari, S.M.; Khavari, F.; Mollaee, H. Lyapunov-based adaptive PID controller design for buck converter. Soft Comput. 2023, 27, 5741–5750. [Google Scholar] [CrossRef]
- Xu, L.; Zhuo, S.; Liu, J.; Jin, S.; Huangfu, Y.; Gao, F. Advancement of Active Disturbance Rejection Control and Its Applications in Power Electronics. IEEE Trans. Ind. Appl. 2024, 60, 1680–1694. [Google Scholar] [CrossRef]
- Aliamooei-Lakeh, H.; Aliamooei-Lakeh, S.; Toulabi, M.; Amraee, T. Enhancement in Robust Performance of Boost Converter-Based Distributed Generations Utilizing Active Disturbance Rejection Controller. IEEE Trans. Autom. Sci. Eng. 2024, 21, 6094–6108. [Google Scholar] [CrossRef]
- Herbst, G.; Madonski, R. Active Disturbance Rejection Control; Springer Nature: Cham, Switzerland, 2025. [Google Scholar] [CrossRef]
- Khadraoui, S.; Fareh, R.; Baziyad, M.; Elbeltagy, M.B.; Bettayeb, M. A Comprehensive Review and Applications of Active Disturbance Rejection Control for Unmanned Aerial Vehicles. IEEE Access 2024, 12, 185851–185868. [Google Scholar] [CrossRef]
- Ye, J.; Guo, J.; Hao, F. Stability Analysis of Linear Active Disturbance Rejection Control. In Proceedings of the 2024 IEEE International Conference on Control Science and Systems Engineering, ICCSSE 2024, Beijing, China, 18–20 October 2024; pp. 25–31. [Google Scholar] [CrossRef]
- Marconi, L. Regulation and Tracking of Nonlinear Systems. In Encyclopedia of Systems and Control; Springer: Cham, Switzerland, 2021; pp. 1845–1850. [Google Scholar] [CrossRef]
- Nikiforov, V.; Gerasimov, D. Adaptive Regulation; Springer: Cham, Switzerland, 2022; Volume 491. [Google Scholar] [CrossRef]
- Wang, X.; Yang, J.; Liu, C.; Yan, Y.; Li, S. Safety-Critical Disturbance Rejection Control of Nonlinear Systems with Unmatched Disturbances. IEEE Trans. Automat. Contr. 2025, 70, 2722–2729. [Google Scholar] [CrossRef]
- Li, P.; Duan, G. High-Order Fully Actuated Control Approaches of Flexible Servo Systems Based on Singular Perturbation Theory. IEEE/ASME Trans. Mechatron. 2023, 28, 3386–3397. [Google Scholar] [CrossRef]
- He, K.; Dong, C.; Wang, Q. Active Disturbance Rejection Control for Uncertain Nonlinear Systems with Sporadic Measurements. IEEE/CAA J. Autom. Sin. 2022, 9, 893–906. [Google Scholar] [CrossRef]
- Liu, H.; Liu, W. Active Disturbance Rejection Tajectory Tracking Control of a Delta Robot Based on LMI. In Proceedings of the 2024 International Annual Conference on Complex Systems and Intelligent Science, CSIS-IAC 2024, Guangzhou, China, 20–22 September 2024; pp. 145–150. [Google Scholar] [CrossRef]
- Zhang, X.; Lang, P.H. Tracking Differentiators for Both the Real Time Signals and the Time Delayed Signals. IEEE Access 2024, 12, 113910–113917. [Google Scholar] [CrossRef]
- Yang, X.; Huang, Q.; Jing, S.; Zhang, M.; Zuo, Z.; Wang, S. Servo system control of satcom on the move based on improved ADRC controller. Energy Rep. 2022, 8, 1062–1070. [Google Scholar] [CrossRef]
- Liu, J.; Ni, K.; Shan, H.; Fan, M.; Yang, Y.; Hu, Y. An Improved Sensorless Control Method for PMSMs with High Anti-Disturbance Ability Based on Sliding Mode Observer Super-Twisting Algorithm. In Proceedings of the 2025 IEEE 12th International Symposium on Sensorless Control for Electrical Drives (SLED), Harbin, China, 15–17 August 2025; pp. 1–6. [Google Scholar] [CrossRef]
- Li, J.; Zhuang, S.; Wang, H.; Deng, J.; Mao, Y. Design of Backstepping Control Based on a Softsign Linear–Nonlinear Tracking Differentiator for an Electro-Optical Tracking System. Photonics 2024, 11, 156. [Google Scholar] [CrossRef]
- Kasim, I.; Riyadh, W. On the Improved Nonlinear Tracking Differentiator based Nonlinear PID Controller Design. Int. J. Adv. Comput. Sci. Appl. 2016, 7. [Google Scholar] [CrossRef]
- Hu, K.; Niu, J.; Jiang, Q.; Yang, J.; Zhang, W. Magnetic levitation system control based on a novel tracking differentiator. ISA Trans. 2024, 151, 350–362. [Google Scholar] [CrossRef] [PubMed]
- Marwan, H.; Humaidi, A.J.; Al-Khazraji, H. Active Disturbance Rejection Control for Unmanned Aerial Vehicle. Int. J. Robot. Control. Syst. 2025, 5, 1278–1296. [Google Scholar] [CrossRef]
- Qin, B.; Yan, H.; Wang, M.; Rao, K.; Yang, P. Nolinear tracking differentiator based practical prescribed time tracking control for perturbed wheeled mobile robot. Nonlinear Dyn. 2024, 113, 1389–1400. [Google Scholar] [CrossRef]
- Song, C.; Du, Q.; Yang, S.; Feng, H.; Pang, H.; Li, C. Flexible joint parameters identification method based on improved tracking differentiator and adaptive differential evolution. Rev. Sci. Instrum. 2022, 93, 084706. [Google Scholar] [CrossRef] [PubMed]
- Zhang, J.; Cui, C.; Gu, S.; Wang, T.; Zhao, L. Trajectory Tracking Control of Pneumatic Servo System: A Variable Gain ADRC Approach. IEEE Trans. Cybern. 2023, 53, 6977–6986. [Google Scholar] [CrossRef]
- Abdul-Adheem, W.R.; Ibraheem, I.K.; Humaidi, A.J.; Alkhayyat, A.; Maher, R.A.; Abdulkareem, A.I.; Azar, A.T. Design and Analysis of a Novel Generalized Continuous Tracking Differentiator. Ain Shams Eng. J. 2022, 13, 101656. [Google Scholar] [CrossRef]
- Gong, Y.; Guo, Y.; Li, D.; Ma, G.; Ran, G. Predefined-time tracking control for high-order nonlinear systems with control saturation. Int. J. Robust Nonlinear Control 2022, 32, 6218–6235. [Google Scholar] [CrossRef]
- Stankovic, M.; Ting, H.; Madonski, R. From PID to ADRC and back: Expressing error-based active disturbance rejection control schemes as standard industrial 1DOF and 2DOF controllers. Asian J. Control 2024, 26, 2796–2806. [Google Scholar] [CrossRef]
- Han, J. From PID to Active Disturbance Rejection Control. IEEE Trans. Ind. Electron. 2009, 56, 900–906. [Google Scholar] [CrossRef]
- Du, Y.; Cao, W.; She, J. Analysis and Design of Active Disturbance Rejection Control with an Improved Extended State Observer for Systems with Measurement Noise. IEEE Trans. Ind. Electron. 2023, 70, 855–865. [Google Scholar] [CrossRef]
- Chi, R.; Guo, X.; Lin, N.; Huang, B. Dynamic Linearization and Extended State Observer-Based Data-Driven Adaptive Control. IEEE Trans. Syst. Man Cybern. Syst. 2023, 53, 6805–6814. [Google Scholar] [CrossRef]
- Herbst, G. A Simulative Study on Active Disturbance Rejection Control (ADRC) as a Control Tool for Practitioners. Electronics 2013, 2, 246–279. [Google Scholar] [CrossRef]
- Fu, R. Model-Free Predictive Current and Speed Control with Ultralocal Model for PMSM Drives Using Exponential High-Gain Extended State Observer. IEEE J. Emerg. Sel. Top. Power Electron. 2025, 13, 6099–6108. [Google Scholar] [CrossRef]
- Won, D.; Kim, W.; Tomizuka, M. Nonlinear Control with High-Gain Extended State Observer for Position Tracking of Electro-Hydraulic Systems. IEEE/ASME Trans. Mechatron. 2020, 25, 2610–2621. [Google Scholar] [CrossRef]
- Ji, Y.; Xu, Z.; Liu, J.; Song, Y. Distributed Extended High-Gain Observers for the Generalized Strict-Feedback System. Int. J. Robust Nonlinear Control 2023, 33, 7649–7666. [Google Scholar] [CrossRef]
- Patelski, R.; Pazderski, D.; Patelski, R.; Pazderski, D. Novel Adaptive Extended State Observer for Dynamic Parameter Identification with Asymptotic Convergence. Energies 2022, 15, 3602. [Google Scholar] [CrossRef]
- Liu, W.; Wu, G. Automatic clutch control using ADRC with continuous adaptive extended state observer. Int. J. Robust Nonlinear Control 2025, 35, 82–101. [Google Scholar] [CrossRef]
- Shen, H.; Zhou, X.; Wang, Z.; Wang, J. State of charge estimation for lithium-ion battery using Transformer with immersion and invariance adaptive observer. J. Energy Storage 2022, 45, 103768. [Google Scholar] [CrossRef]
- Zhao, J.; Feng, D.; Cui, J.; Wang, X. Finite-Time Extended State Observer-Based Fixed-Time Attitude Control for Hypersonic Vehicles. Mathematics 2022, 10, 3162. [Google Scholar] [CrossRef]
- Lu, H.; Li, J.; Li, S.; Wang, S.; Xiao, Y. Finite-time extended state observer enhanced nonsingular terminal sliding mode control for buck converters in the presence of disturbances: Design, analysis and experiments. Nonlinear Dyn. 2024, 112, 7113–7127. [Google Scholar] [CrossRef]
- Yang, M.; Wang, Z.; Yu, D.; Wang, Z.; Liu, Y.J. Extended state observer-based non-singular practical fixed-time adaptive consensus control of nonlinear multi-agent systems. Nonlinear Dyn. 2023, 111, 10097–10111. [Google Scholar] [CrossRef]
- Fan, Y.; Qiu, B.; Liu, L.; Yang, Y. Global fixed-time trajectory tracking control of underactuated USV based on fixed-time extended state observer. ISA Trans. 2023, 132, 267–277. [Google Scholar] [CrossRef]
- Deng, J.; Xue, W.; Zhang, L.; Bao, Q.; Mao, Y. Disturbance-Compression Extended State Observer with Noise Insensitivity: Application to Electro-Optical Tracking System. IEEE Trans. Autom. Sci. Eng. 2025, 22, 17761–17777. [Google Scholar] [CrossRef]
- Zhai, J.; Li, S.; Xu, Z.; Zhang, L.; Li, J. Reduced-Order Extended State Observer-Based Sliding Mode Control for All-Clamped Plate Using an Inertial Actuator. Energies 2022, 15, 1780. [Google Scholar] [CrossRef]
- Han, J.; Liu, X.; Wei, X.; Zhu, X. Reduced-Order Observer-Based Finite Time Fault Estimation for Switched Systems with Lager and Fast Time Varying Fault. IEEE Trans. Circuits Syst. II Express Briefs 2024, 71, 350–354. [Google Scholar] [CrossRef]
- Li, S.; Kruszewski, A.; Guerra, T.M.; Nguyen, A.T. Equivalent-Input-Disturbance-Based Dynamic Tracking Control for Soft Robots via Reduced-Order Finite-Element Models. IEEE/ASME Trans. Mechatron. 2022, 27, 4078–4089. [Google Scholar] [CrossRef]
- Wang, S.; Li, B.; Chen, P.; Yu, W.; Peng, Y.; Luo, Y. A fractional-order active disturbance rejection control for permanent magnet synchronous motor position servo system. Asian J. Control 2024, 26, 3137–3147. [Google Scholar] [CrossRef]
- Zhao, M.; Hu, Y.; Song, J. Improved Fractional-Order Extended State Observer-Based Hypersonic Vehicle Active Disturbance Rejection Control. Mathematics 2022, 10, 4414. [Google Scholar] [CrossRef]
- Zhao, J.; Zhao, T.; Liu, N.; Zhao, J.; Zhao, T.; Liu, N. Fractional-Order Active Disturbance Rejection Control with Fuzzy Self-Tuning for Precision Stabilized Platform. Entropy 2022, 24, 1681. [Google Scholar] [CrossRef]
- Li, J.; Zhang, L.; Li, S.; Mao, Q.; Mao, Y. Active Disturbance Rejection Control for Piezoelectric Smart Structures: A Review. Machines 2023, 11, 174. [Google Scholar] [CrossRef]
- Jiang, M.; Liu, J. Active Disturbance Rejection Control of Permanent Magnet Synchronous Motor Speed Control System Based On Improved Fal Function. In Proceedings of the 2024 5th International Conference on Mechatronics Technology and Intelligent Manufacturing, ICMTIM 2024, Nanjing, China, 26–28 April 2024; pp. 219–223. [Google Scholar] [CrossRef]
- Xie, J.; Wei, W.; Liao, P.; Liu, J. Design of ADRC Controller for Induction Motor Based on Improved Fal Function. In Proceedings of the 2022 14th International Conference on Advanced Computational Intelligence, ICACI 2022, Wuhan, China, 15–17 July 2022; pp. 216–220. [Google Scholar] [CrossRef]
- Zhu, L.; Zhang, G.; Jing, R.; Bi, G.; Xiang, R.; Wang, G.; Xu, D. Nonlinear Active Disturbance Rejection Control Strategy for Permanent Magnet Synchronous Motor Drives. IEEE Trans. Energy Convers. 2022, 37, 2119–2129. [Google Scholar] [CrossRef]
- Jin, N.; Zhang, Y.; Lei, Y.; Sun, D. ADRC-IMC Strategy of PMSM Control System Based on Improved Fal Function. Int. J. Electr. Hybrid Veh. 2024, 16, 311–328. [Google Scholar] [CrossRef]
- Yang, Z.; Ji, J.; Sun, X.; Zhu, H.; Zhao, Q. Active Disturbance Rejection Control for Bearingless Induction Motor Based on Hyperbolic Tangent Tracking Differentiator. IEEE J. Emerg. Sel. Top. Power Electron. 2020, 8, 2623–2633. [Google Scholar] [CrossRef]
- Yang, S.; Ma, J.; Zhao, D.; Li, C.; Fang, L. Piecewise Sliding-Mode-Enhanced ADRC for Robust Active Disturbance Rejection Control Against Internal and Measurement Noise. Sensors 2025, 25, 6109. [Google Scholar] [CrossRef]
- Zhang, D.; Wu, T.; Shi, S.; Dong, Z.; Zhang, D.; Wu, T.; Shi, S.; Dong, Z. A Modified Active-Disturbance-Rejection Control with Sliding Modes for an Uncertain System by Using a Novel Reaching Law. Electronics 2022, 11, 2392. [Google Scholar] [CrossRef]
- Jiang, C.; Yin, C.; Gao, J.; Yuan, G. Position Control of Gear Shift based on Sliding Mode Active Disturbance Rejection Control for Small-Sized Tractors. Sci. Prog. 2022, 105, 00368504221081966. [Google Scholar] [CrossRef]
- Zhang, T.; Jiao, X.; Lin, Z. Finite time trajectory tracking control of autonomous agricultural tractor integrated nonsingular fast terminal sliding mode and disturbance observer. Biosyst. Eng. 2022, 219, 153–164. [Google Scholar] [CrossRef]
- Wang, Y.; Fang, S.; Hu, J. Active Disturbance Rejection Control Based on Deep Reinforcement Learning of PMSM for More Electric Aircraft. IEEE Trans. Power Electron. 2023, 38, 406–416. [Google Scholar] [CrossRef]
- Zhao, Y.; Liu, C.; Liu, X.; Wang, H.; Zhou, Y. Adaptive tracking control for stochastic nonlinear systems with unknown virtual control coefficients. Int. J. Robust Nonlinear Control 2022, 32, 1331–1354. [Google Scholar] [CrossRef]
- Seifullaev, R.; Knorn, S.; Ahlén, A. Event-triggered control of systems with sector-bounded nonlinearities and intermittent packet transmissions. Automatica 2022, 146, 110651. [Google Scholar] [CrossRef]
- Ahmed, I.; Rehan, M.; Iqbal, N.; Ahn, C.K. A Novel Event-Triggered Consensus Approach for Generic Linear Multi-Agents Under Heterogeneous Sector-Restricted Input Nonlinearities. IEEE Trans. Netw. Sci. Eng. 2023, 10, 1648–1658. [Google Scholar] [CrossRef]



















| Ref. | Year | TD | ESO | Control Law | Remarks |
|---|---|---|---|---|---|
| [27] | 2009 | Nonlinear based on the sign function as defined in (11). | -function defined in (19). | -function, and some other nonlinear variants. | This is the base work that triggered the research with the notion of active disturbance rejection control. |
| [29] | 2023 | Not implemented. | Linear ESO. | Data-driven control using dynamic disturbances identification. | Most implementations of the control framework are based on linear or linearized models. |
| [30] | 2013 | Not implemented. | Leuenberger-based linear ESO. | Linear PD-inspired control law. | This work inspired the linear implementation of the ADRC framework. |
| [31] | 2025 | Not implemented. | Exponential extended high-gain observer design. | Linear control based on efficiently estimated system states. | Good work, particularly contributing to the novelty in ESO. |
| [34] | 2022 | Not implemented. | Adaptive ESO is implemented as defined in Equations (23)–(26). | Linear control law is implemented. | The parameters of ESO are changed using the inverse-tangent function or tan-hyperbolic function. |
| [38] | 2024 | Not implemented. | Adaptive and finite-time ESO as defined in (27). The adaptiveness and finite-time converging properties are implemented using the product of a sign function and a nonlinear error function. | Sliding-mode-inspired control law based on nonlinear sliding manifolds and sign-switching function. | Great work implementing finite-time convergence and adaptivity using a non-smooth switching function. |
| [40] | 2023 | Fixed-time differentiator. | Implementation of AESO, as implemented in [38], but with more aggressive nonlinear action based on the sign function. | SMC-inspired linear control law based on sign function. | Good work but implemented using aggressive and nonlinear actions. |
| [55] | 2022 | Not implemented. | Linear ESO. | SMC-inspired control law using smooth sign function. | The control framework worked well for the problem at hand, as outlined in the article. |
| [56] | 2023 | Not implemented. | Adaptive ESO whose parameters are adjusted by a deep reinforcement learning agent using deep deterministic policy gradient. | Linear control law where control parameters are adjusted by a deep reinforcement learning agent using deep deterministic policy gradient. | Great work, but computationally complex and demanding higher computational resources and energy. |
| [57] | 2022 | Not implemented. | Adaptive ESO based on a nonlinear sign-function. | Adaptive control using linear sliding surfaces and a sign-function reaching law. | Adaptiveness is embedded in ESO and the control law using a hard-switching sign-function. |
| [28] | 2023 | Not implemented. | Linear ESO, but the extended state is estimated with an additional 1st-order filtering action. | Linear control law. | The inclusion of the filter helps reduce huge spikes in the estimation of the extended state, but at the cost of an additional pole in the system. |
| [58] | 2023 | Han-TD as proposed in [27]. | Han-ESO as proposed in [27]. | Han-nonlinear control law as proposed in [27]. | The researcher has set a deep reinforcement learning network to update the parameters of ADRC components. |
| Parameter | Value | Parameter | Value |
|---|---|---|---|
| Power Rating | 7.5 kW | Switching Frequency | 100 kHz |
| Inductor Current Ripple | <20% | Output Voltage Ripple | <0.5% |
| Diode | IDWD120E120D7 | MOSFET | IMW120R014M1H |
| Buck Converter | Boost Converter | ||
| Input Voltage | 380 V | Input Voltage | 96 V |
| Output Voltage | 96 V | Output Voltage | 380 V |
| Load Current | 80 A | Load Current | 20 A |
| Inductance | 68 µH | Inductance | 120 µH |
| Capacitance | 91 µF | Capacitance | 1800 µF |
Disclaimer/Publisher’s Note: The statements, opinions and data contained in all publications are solely those of the individual author(s) and contributor(s) and not of MDPI and/or the editor(s). MDPI and/or the editor(s) disclaim responsibility for any injury to people or property resulting from any ideas, methods, instructions or products referred to in the content. |
© 2026 by the authors. Licensee MDPI, Basel, Switzerland. This article is an open access article distributed under the terms and conditions of the Creative Commons Attribution (CC BY) license.
Share and Cite
Shabbir, G.; Hasan, A.; Javed, M.Y.; Asghar, A.B.; Mussenbrock, T. Design and Implementation of Finite-Time Convergent Adaptive ADRC for the Resilient Control of Power Converters. Energies 2026, 19, 1653. https://doi.org/10.3390/en19071653
Shabbir G, Hasan A, Javed MY, Asghar AB, Mussenbrock T. Design and Implementation of Finite-Time Convergent Adaptive ADRC for the Resilient Control of Power Converters. Energies. 2026; 19(7):1653. https://doi.org/10.3390/en19071653
Chicago/Turabian StyleShabbir, Ghulam, Ali Hasan, Muhammad Yaqoob Javed, Aamer Bilal Asghar, and Thomas Mussenbrock. 2026. "Design and Implementation of Finite-Time Convergent Adaptive ADRC for the Resilient Control of Power Converters" Energies 19, no. 7: 1653. https://doi.org/10.3390/en19071653
APA StyleShabbir, G., Hasan, A., Javed, M. Y., Asghar, A. B., & Mussenbrock, T. (2026). Design and Implementation of Finite-Time Convergent Adaptive ADRC for the Resilient Control of Power Converters. Energies, 19(7), 1653. https://doi.org/10.3390/en19071653

