Next Article in Journal
Federated Distributed Scheduling for Hydrogen Production Under Renewable Variability: A Safety-Constrained Evaluation of FedAvg, FedProx, Gossip, and Local Control
Previous Article in Journal
Research on Fault Identification of Renewable Energy Plant Outgoing Lines Based on MARS-Net and DT-MobileNetV3
 
 
Font Type:
Arial Georgia Verdana
Font Size:
Aa Aa Aa
Line Spacing:
Column Width:
Background:
Article

A Flexible Voltage-Regulation Method for Distribution Networks Based on Pseudo-Measurement-Assisted State Estimation

1
State Grid Heilongjiang Electric Power Co., Ltd., Suihua Power Supply Company, Suihua 152000, China
2
School of Electrical Engineering, Northeast Electric Power University, Jilin 132013, China
*
Author to whom correspondence should be addressed.
Energies 2026, 19(6), 1405; https://doi.org/10.3390/en19061405
Submission received: 24 January 2026 / Revised: 18 February 2026 / Accepted: 23 February 2026 / Published: 11 March 2026

Abstract

To address the unobservability of distribution networks caused by insufficient coverage of measurement terminals as well as communication failures and missing data, and to cope with operating-state fluctuations induced by distributed generation integration and external environmental disturbances, this paper proposes an integrated state-estimation and voltage-regulation strategy that combines distribution-network-partitioning-based optimal PMU placement with pseudo-measurement construction using power transfer distribution factors (PTDFs). First, nodal reactive-power sensitivity information is derived from the power-flow Jacobian matrix, and an improved modularity function is employed to obtain the optimal partitioning of the distribution network, based on which PMUs are deployed at partition boundary buses. Second, PTDF-based power pseudo-measurements are constructed for unobservable buses and incorporated into the measurement model via a measurement transformation; a weighted least-squares method is then adopted to achieve system-wide state estimation. Finally, the estimated voltage states are fed into flexible voltage-regulation devices to enable fast and continuous voltage adjustment across buses. Case studies on the IEEE 33-bus system demonstrate that the proposed method effectively improves voltage quality.

1. Introduction

Distribution-network state estimation refers to a class of algorithms that infer and solve system state variables based on measurements acquired by phasor measurement units (PMUs). As a core component of state awareness, its objective is to track the real-time operating conditions of distribution networks with high accuracy and fast computational speed [1,2]. However, with the continuously increasing penetration of distributed energy resources, the uncertainty and volatility of distribution-network operation have been markedly intensified. Meanwhile, severe external disturbances such as icing and typhoons may cause deviations in line parameters or even structural changes in network topology, making conventional state-estimation methods less capable of reflecting actual operating conditions. This, in turn, leads to increased computational burden and degraded estimation accuracy and credibility [3,4]. In addition, distribution networks are currently undergoing large-scale renewal of existing assets, where high-performance measurement devices coexist with legacy terminals for extended periods. As a result, the data reported to the dispatch center are heterogeneous, with substantial differences in measurement types and data quality, which further complicates the dispatchers’ ability to form a consistent and accurate understanding of system states. Therefore, in response to the evolving operational characteristics and increasingly complex measurement environments of distribution networks, how to rationally deploy measurement devices and, on this basis, achieve system-wide high-confidence state estimation and improve the reliability of the estimated states has become one of the key problems that must be addressed in building a distribution-network state-awareness framework [5].
High-accuracy, real-time measurements provided by PMUs can substantially improve the accuracy of state estimation. However, due to cost constraints, it is impractical to deploy PMUs at every bus in a distribution network. In recent years, a variety of optimization approaches have been developed for PMU placement. In [6], an error-degree analysis principle was introduced, and an improved hybrid genetic-simulated annealing algorithm was employed to obtain an optimized PMU deployment scheme. In [7], a PMU placement method combining graph theory and the analytic hierarchy process was proposed, which achieves network-wide observability while, to some extent, ensuring measurement redundancy. On the basis of [7], the work in [8] further incorporated contingency-related constraints as secondary optimization objectives to determine PMU locations. With the increasing adoption of renewable generation and demand response, distribution-network topologies are changing more frequently; therefore, the impacts of multiple topology scenarios should be taken into account [9,10].
When PMU deployment is insufficient, pseudo-measurements must be incorporated to enable fast state estimation. In [11], a power-system state-estimation method based on a residual-connection deep neural network and multi-source data fusion was proposed; however, the accuracy of the pseudo-measurements is constrained by prediction performance, and under large operating fluctuations such pseudo-measurement construction cannot adequately capture the system’s dynamic variations. To address insufficient measurement redundancy and the resulting unobservability due to communication failures or missing data, ref. [12] proposed a machine-learning strategy that leverages spatiotemporal correlations and historical distribution data to generate pseudo-measurements. Nevertheless, since the pseudo-measurements are still produced through forecasting, the final state-estimation results may remain vulnerable to deficiencies.
To effectively address voltage-stability issues in distribution networks, both series-connected and shunt-connected voltage-mitigation devices have been developed. Owing to their superior performance, series-connected devices have been deployed on a large scale in practical distribution systems. In [13], decoupled control of the device was implemented to realize grid-connected power regulation and voltage control. In [14], physical switching elements were incorporated into single-phase full-bridge and three-phase half-bridge structures, enabling series/parallel reconfiguration of the device through switch operations. However, these approaches impose stringent requirements on grid-side data acquisition and typically rely on the assumption that the reference voltage on the network side is set to a reasonable value.
In summary, to address the limitations of existing centralized PMU placement schemes, this paper proposes a distribution-network-partitioning-based PMU deployment method. Based on the resulting PMU locations, pseudo-measurement data are constructed for unobservable buses, and a state-estimation algorithm is employed to solve for the distribution-network states. The estimated states are then processed and fed into flexible voltage-regulation devices to regulate voltages and satisfy bus-voltage requirements. Finally, case studies and comparative simulations are conducted to verify the accuracy and feasibility of the proposed distribution-network state-estimation method.

2. Partitioning-Based PMU Placement Method for Distribution Networks

Traditional definitions of electrical distance are typically described based on impedance or network topology, which makes it difficult to comprehensively reflect the coupling strength and mutual influence between buses under practical operating conditions [15]. To this end, this paper derives sensitivity indices to characterize the strength of electrical interactions among buses. By leveraging sensitivity information to capture how disturbances propagate through the network, the coupling relationships between buses can be quantified more accurately, thereby providing a solid basis for the subsequent optimal placement of PMU measurements at partition boundary buses and for state estimation. According to the Jacobian matrix of power-flow equations, the system sensitivity matrix can be expressed as
Δ δ Δ U = S P δ S PU S Q δ S QU Δ P Δ Q
where S and S denote the sensitivities of the bus-voltage phase angle with respect to the injected active and reactive power, respectively, while SPU and SQU represent the sensitivities of the bus-voltage magnitude with respect to the injected active and reactive power, respectively.
Considering the characteristics of distribution networks, the impact of active-power variations on bus voltages is neglected, and clustering is performed only based on reactive-power sensitivities. Building on the concept of modularity, the modularity-based partitioning method is further improved to achieve optimized partitioning for large-scale power networks. To address the clustering problem in complex networks, Girvan et al. proposed the community-detection theory and the notion of modularity [16], which is expressed as
Q = 1 2 m i S j S ( A i j a i a j 2 m ) δ ( i , j )
where Q is the modularity index; Aij denotes the weight of the edge connecting node i and node j; S is the set of all nodes in the system; m is the sum of the weights of all edges in the network; aj is the sum of the weights of all edges incident to node j; and δ(i, j) is a clustering indicator function, where δ(i, j) = 1 if nodes i and j belong to the same cluster, and δ(i, j) = 0 otherwise.
Building on the above reactive-power sensitivity analysis, the improved modularity function for network partitioning is formulated as follows:
Q = 1 2 m Q i = 1 n j = 1 n [ w i j k i k j 2 m Q ] δ ( i , j )
where wij is the entry of the reactive-power sensitivity matrix, i.e., wij = ωij, and ki denotes the sum of all improved edge weights incident to node i, given by k i = j = 1 n ω i j , where mQ denotes the sum of the weights of all edges in the system.
The modularity function Q is computed based on the network topology and is used to obtain an optimal clustering that separates buses with different coupling strengths. A larger Q indicates stronger interconnections between different communities.
For a network with N nodes, the partitioning strategy is summarized as follows:
Step 1: Treat all nodes as a single cluster and compute (3).
Step 2: For node i, randomly select a connected node j from its neighboring nodes and form a candidate new cluster. Compute the corresponding modularity gain ΔQ. If ΔQ > 0, merge nodes i and j into a new cluster; otherwise, keep the original cluster unchanged.
Step 3: Regard each newly formed cluster as an independent super-node and repeat the partitioning procedure in Step 2.
Step 4: Continue until all nodes have been traversed and no further increase in the modularity function Q can be achieved; the resulting partitioning is then output.
Based on the above partitioning framework, the distribution network can be divided into multiple clustered subareas. Considering that boundary buses between adjacent subareas constitute critical measurement points, PMUs—despite their relatively high cost—are installed at all boundary buses.

3. Power Pseudo-Measurement Construction Based on Power Transfer Distribution Factors

In distribution-network state estimation, the limited coverage of measurement terminals and constraints in data acquisition often result in sparsely deployed direct-measurement devices, rendering some buses and lines unobservable. In this section, power pseudo-measurements are constructed based on power transfer distribution factors (PTDFs) to restore observability for unobservable buses.
The measurement model of power-system state estimation can be formulated in terms of the state vector and the measurement vector, expressed as
Z = h ( x ) + ε
where Z is the system measurement vector; h(x) denotes the nonlinear measurement function; x is the system state vector; and ε is the measurement-noise vector assumed to follow a Gaussian distribution, ε~N(0,σ), where σ = diag(σ1,σ2,…,σn).
In power-system state analysis, to simplify pseudo-measurement construction while retaining acceptable accuracy, the following assumptions are adopted: the bus-voltage magnitudes satisfy UiUj ≈ 1 p.u.; the angle difference can be approximated by sin(θiθj) ≈ θiθj, cos(θiθj) ≈ 1. The indirect measurement point connected to a PMU is denoted as bus j, and the pseudo-measurement bus is denoted as bus k. When the active power at directly observed bus i changes, the resulting bus-voltage variations can be derived from the power-flow equations as
Δ U i   = G i i + B i i G i i 1 B i i 1 B i i G i i 1 Δ Q i   + G i i + B i i G i i 1 B i i 1 Δ P i
Δ θ i   = G i i + B i i G i i 1 B i i 1 Δ Q i   G i i + B i i G i i 1 B i i 1 B i i G i i 1 Δ P i
Let Eii = (Gii + Bii G i i 1 Bii)−1, Fii = −(Gii + Bii G i i 1 Bii)−1Bii G i i 1 . Then, the above expression can be simplified as follows:
Δ P i j   = G i j ( E i j E j j ) Δ P j + G i j ( F i j F j j ) Δ Q j   B i j ( F i j F j j ) Δ P j + B i j ( E i j E j j ) Δ Q j
Δ Q i j   = B i j ( E i j E j j ) Δ P j B i j ( F i j F j j ) Δ Q j   G i j ( F i j F j j ) Δ P j + G i j ( E i j E j j ) Δ Q j
From (7) and (8), the injected power at the indirectly observed bus j can be obtained. Using the variation in the injected power at bus j, the corresponding branch power variation associated with the unobservable bus k can be derived as follows:
Δ P j k Δ Q j k = M k j k 1 M k j k 2 M k j k 3 M k j k 4 · M j i j 1 M j i j 2 M j i j 3 M j i j 4 1 Δ P i j Δ Q i j
M j i j 1 = G i j ( E i j E j j ) B i j ( F i j F j j ) M j i j 2 = G i j ( F i j F j j ) + B i j ( E i j E j j ) M j i j 3 = B i j ( E i j E j j ) G i j ( F i j F j j ) M j i j 4 = B i j ( F i j F j j ) + G i j ( E i j E j j )
Ultimately, the power variation of the branch connected to the unobservable bus k can be inferred from the directly observed bus i, thereby improving pseudo-measurement accuracy to a certain extent. By incorporating the resulting pseudo-measurements into the measurement model, network observability can be restored through state estimation.

4. State-Estimation-Based Voltage-Regulation Method Using Flexible Voltage-Control Devices

By feeding the above hybrid measurement model together with the constructed pseudo-measurements into the regional distribution-network state-estimation framework, the system states of the power network can be solved.

4.1. State Estimation Using the Weighted Least-Squares (WLS) Method

For a distribution network with N buses, when the system parameters and network topology are given, the measurement model can be expressed in the form of (4).
With the pseudo-measurements constructed as described above, together with the existing measurements of the network, the measurement vector Z is formed. By minimizing the sum of squared measurement errors ε, the estimate of the system state vector x can be obtained. The objective function is given as follows:
min ( J ( x ) ) = min ( [ z h ( x ) ] T R 1 [ z h ( x ) ] )
where R denotes the covariance matrix of measurement errors and R−1 is the corresponding weighting matrix.
The above objective can be rewritten as
J x = H T ( x ) R 1 [ z h ( x ) ] = 0
where H(x) is the measurement Jacobian matrix that incorporates the pseudo-measurements.
By applying linearization and algebraic rearrangement, the state variables are solved iteratively. The iteration terminates once the estimation accuracy of the state variables reaches the prescribed threshold.

4.2. Flexible Pressure-Regulating Equipment

First, PMUs are deployed based on the distribution-network partitioning results. Next, pseudo-measurement data are constructed. Finally, SCADA measurements, PMU measurements, and pseudo-measurements are integrated, and weighted least-squares (WLS) state estimation is performed to estimate the system states. On this basis, the estimated voltage states can provide decision support for distribution-network voltage regulation and operational control. To overcome the limitations of existing methods for mitigating voltage-limit violations, a voltage-regulation strategy using flexible voltage-regulation devices is proposed based on the state-estimation results.
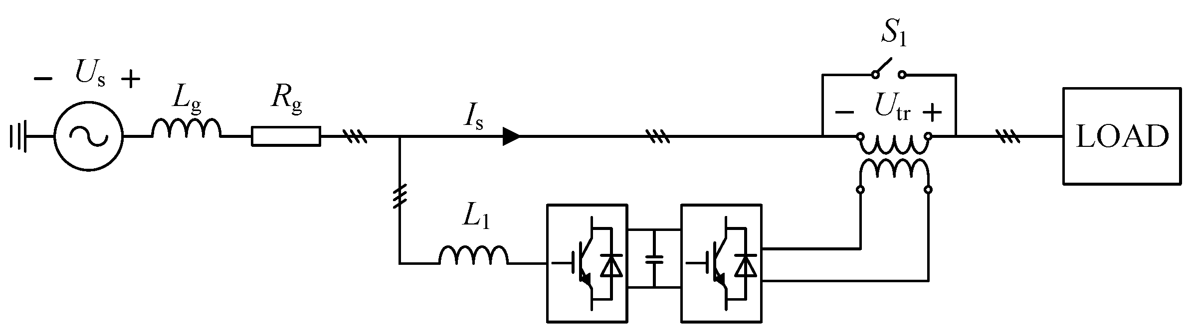
The flexible pressure regulating equipment (FPRE) adopts a series-compensation topology built upon a single-phase AC-DC-AC rectifier inverter unit and employs a dual closed-loop control scheme. As shown in Figure 1. It enables fast and continuous regulation within a voltage-deviation range of −50 V to +66 V, ensuring that the load-side voltage deviation complies with relevant standards. This approach can effectively alleviate overvoltage and undervoltage issues that commonly occur during peak demand periods and at the end of long distribution feeders, thereby improving the voltage compliance rate at feeder terminals.
The output voltage of the series-connected module is given by
U t r = R g I s + L g d I s d t
where Rg and Lg denote the compensation resistance and compensation reactance, respectively.

4.3. Distribution-Network Voltage-Regulation Process

To improve the computational efficiency of system-wide state estimation in distribution networks, the network is divided into multiple subareas according to the aforementioned partitioning strategy, and PMUs are deployed at the boundary buses. Moreover, based on the proposed pseudo-measurement construction method, measurements for indirectly observed buses and unobservable buses can be inferred. By feeding these measurements into the WLS state-estimation model, the system-wide state estimates can be obtained. The detailed procedure is as follows:
Step 1: Acquire and input the network-wide topology, the numbers of branches and buses, raw measurement data, and SCADA-based power-flow results to preliminarily compute the sensitivity-based electrical distance.
Step 2: Partition the distribution-network buses according to the sensitivity-based electrical distance into several subareas (e.g., I, II, III, …) and install PMUs at the boundary buses.
Step 3: For each subarea, based on the PMU measurements at boundary buses, construct power pseudo-measurements for indirectly observed buses and unobservable buses using the proposed method.
Step 4: Perform WLS state estimation using the measurements of each subarea.
Step 5: Feed the state-estimation results into the flexible voltage-regulation devices, which regulate bus voltages according to (13) until the voltages meet the prescribed standards.
The partition will be adjusted only when the following situations occur:
  • If the operation mode/switch status remains unchanged, the existing partition results and sensitivity matrix will be retained, and only the measurements and weights in the rolling estimation will be updated.
  • If a topological change is detected, the network admittance matrix Y will be reconstructed, and the Jacobian matrix and sensitivity (or PTDF) mapping will be updated at the new operating point. Then, the partition and boundary identification/retrieval from the typical topology library will be re-executed to ensure that the observability and control requirements are still met under the new topology. The strategy of only updating when the topology changes is both in line with the actual operation characteristics of the distribution network and can avoid repeating full calculations in each control cycle, ensuring the online calculation efficiency.

5. Case Study

The IEEE 33-bus test system is selected to validate the proposed observability-aware optimal measurement-device deployment method, thereby demonstrating its feasibility and effectiveness. The electrical interconnection of the IEEE 33-bus system is shown in Figure 2. The system has a nominal voltage of 12.66 kV and a total load demand of 3.715 MW and 2.30 Mvar. It consists of 33 buses, 32 feeder branches, and five tie switches. The rated branch parameters of the network are given in [17].
Using the proposed partitioning method, the equivalent electrical distance ω and the modularity value Q of the network are calculated. Based on these results, the IEEE 33-bus system can be partitioned into four subareas, as illustrated in Figure 3. The subarea assignment of each bus is listed in Table 1.
According to Figure 3 and Table 1, the boundary buses between subareas A1 and A2 are buses 5 and 6; those between A2 and A3 are buses 9 and 10; and those between A3 and A4 are buses 11 and 12. These boundary buses are responsible for exchanging electrical parameters and operational information between adjacent subareas. Considering system operational requirements and the interdependence among subareas, PMUs can therefore be installed at bus 5 or 6, bus 9 or 10, and bus 11 or 12.
To further improve the monitoring accuracy of bus voltages and currents within each subarea and to maximize the utilization of PMU measurement capability, the PMUs are placed at the first bus of the subsequent subarea, i.e., buses 2, 6, 10, and 12. This placement provides better coverage of the key buses in each subarea and helps avoid monitoring blind spots. The IEEE 33-bus system with PMUs installed is shown in Figure 4.
Based on the above PMU installation scheme, state estimation is implemented on a MATLAB 2021 simulation platform. The comparison between the estimated bus voltages and the reference values is shown in Figure 5.
The maximum error occurs at bus 18, with a maximum error W of 0.01607 p.u. The mean error Wmean is calculated using the following formula. Based on the WLS state-estimation results under the given PMU placement scheme, the obtained mean error Wmean is 0.0038 p.u.
W mean = 1 n i = 1 n W ( x i )
The results show that the estimated voltages are in good agreement with the reference voltages, indicating that the proposed PMU placement strategy and the corresponding WLS estimation model constructed based on the PMU-installed buses can accurately determine the network states. This validates the effectiveness and applicability of the proposed method.
The above state-estimation results are then fed into the flexible voltage-regulation devices for voltage control, and the resulting voltage adjustment performance is illustrated in Figure 6.
As shown in Figure 6, all bus voltages lie within 0.95–1.00 p.u. Overall, the voltage magnitude exhibits a decreasing trend along the feeder direction, and a noticeable voltage step change appears around the mid-feeder buses. This reflects the impact of the distribution-network topology and variations in branch power-flow distribution on voltage profiles. After introducing the flexible voltage-regulation device, the adjusted-voltage curve shows an overall uplift compared with the benchmark voltage profile, with a pronounced improvement at the feeder-end buses. This effectively mitigates the risk of undervoltage under long feeders and peak-load conditions, thereby enhancing the voltage compliance level across buses.
To quantify the accuracy of the estimation results, the mean absolute error (MAE) is introduced as the performance metric of the proposed algorithm, which is defined as
MAE = 1 n i = 1 n x i x ^ i
where xi denotes the i th component of the true state vector, x ^ i denotes the i th component of the estimated state vector, and n is the dimension of the state vector.
We further compare the proposed pseudo-measurement construction method with PMU measurements, and the results are summarized in Table 2.
As can be seen, the results obtained by the proposed method are close to those using PMU measurements, indicating that the proposed approach can effectively reflect the measurement performance provided by PMUs.
In addition, to evaluate the effectiveness of the proposed state-estimation algorithm and voltage-control strategy in voltage regulation, we conduct comparative experiments with the generalized maximum-likelihood iterative extended Kalman filter (GMIEKF). The results are reported in Table 3.
Compared with GMIEKF, the proposed method reduces the voltage violation duration from 3.054 s to 2.641 s (a reduction of 0.413 s), indicating that the proposed strategy can bring bus voltages back to the permissible range faster and thus improve voltage security. Meanwhile, the convergence time of the proposed method is 1.752 s, which is shorter than that of GMIEKF (1.958 s), i.e., reduced by 0.206 s, demonstrating a faster dynamic response.
Overall, while ensuring estimation accuracy and practical controllability, the proposed method achieves faster convergence and significantly shortens the duration of voltage violations.
A practical distribution feeder in China is shown in Figure 7 with a voltage level of 35 kV. A photovoltaic (PV) plant is installed at bus 8. The maximum PV generation in summer is used as the base value, and the daily PV output is expressed in per-unit form, as shown in Figure 8. Using the proposed method, the above feeder is analyzed.
The distribution network is partitioned using the modularity-based approach. The partitioning result is illustrated in Figure 9, and a PMU is installed at boundary bus 2 to measure the entire network.
The measurement results are shown in Figure 10.
After connecting the FPRE at bus 2, it is only necessary to appropriately boost the voltage during undervoltage periods to bring the end-bus voltages that violate the limits back into the safe range. The bus-voltage distributions are shown in Figure 11 below. It can be observed that, when voltage violations occur at the end buses, the voltage at the bus where the FPRE is installed increases (red region), thereby restoring the end-bus voltages to the normal range.

6. Conclusions

Distribution-network state estimation is a fundamental prerequisite for ensuring the secure, reliable, and stable operation of power systems. Focusing on the siting and installation of measurement devices in distribution networks under complex operating environments, this paper proposes a state-estimation method. Based on theoretical analysis and comparative simulation studies, the following conclusions can be drawn:
(1)
By partitioning the distribution network using the nodal reactive-power sensitivity matrix, a large-scale network can be reasonably divided into several subareas. Deploying PMUs at the interfaces between subareas can, to some extent, alleviate the economic burden associated with system-wide PMU installation.
(2)
A PTDF-based pseudo-measurement construction method is developed to generate pseudo-measurements for PMU-unobservable buses, and WLS state estimation is then performed.
(3)
By appropriately processing the state-estimation results and feeding them into flexible voltage-regulation devices, bus-voltage regulation can be improved. Case studies verify that the proposed method enhances voltage stability while maintaining the computational efficiency of state estimation.
(4)
Subsequently, the PMU life cycle cost model and the estimation accuracy constraints will be combined to construct a “cost-performance” joint optimization method for PMU location/configuration. At the same time, for large-scale distribution networks, the hierarchical and parallel computing strategies for the zones will be further studied to enhance scalability and online application capabilities.

Author Contributions

Conceptualization, J.Q.; funding acquisition, writing, methodology, X.M.; writing—review and editing, B.Z.; methodology, Z.W. All authors have read and agreed to the published version of the manuscript.

Funding

This research was funded by the State Grid Corporation of China’s scientific and technological projects, grant number SGHLSH00XTJS2500311.

Data Availability Statement

The original contributions presented in the study are included in the article, further inquiries can be directed to the corresponding author.

Conflicts of Interest

Authors Jiannan Qu, Xianglong Meng and Bo Zhang were employed by the State Grid Heilongjiang Electric Power Co., Ltd. Suihua Power Supply Company. The authors declare that the research was conducted in the absence of any commercial or financial relationships that could be construed as a potential conflict of interest. The authors declare that this study received funding from State Grid Corporation of China. The funder was not involved in the study design, collection, analysis, interpretation of data, the writing of this article or the decision to submit it for publication.

References

  1. Liu, H.; Chen, R.; Bi, T.; Zhao, D.; Zhang, Y. A DBSCAN-based bad data detection method for distribution network synchronous measurement. Power Syst. Prot. Control 2025, 53, 122–133. [Google Scholar]
  2. Ji, X.; Jiang, H.; Zhang, Y.; Yang, M.; Cai, F.; Wang, C. Combined optimal configuration of μPMU for three-phase unbalanced distribution network considering network reconstruction. Autom. Electr. Power Syst. 2025, 49, 145–155. [Google Scholar]
  3. Tian, S.; Zou, B.; Fu, Y.; Yao, S.; Liu, S. μPMU optimal configuration method of microgrid group considering the observability of frequency out-of-limit risk. Proc. CSEE 2025, 45, 4645–4657. [Google Scholar]
  4. Dai, Y.; Zheng, T.; Lu, X. Adaptive topology identification method of distribution network based on μPMU measurement. Electr. Power Autom. Equip. 2024, 44, 100–108. [Google Scholar]
  5. Xi, W.; Li, P.; Li, P.; Yao, H.; Chen, J.; Yang, J.; Yu, H. Two-stage PMU data compression for edge computing devices of distribution networks. Power Syst. Technol. 2023, 47, 3184–3193. [Google Scholar]
  6. Yuan, P.; Ai, Q.; Zhao, Y. Research on Multi-objective Optimal PMU Placement Based on Error Analysis Theory and Improved GASA. Proc. CSEE 2014, 34, 2178–2187. [Google Scholar]
  7. Ghosh, P.K.; Chatterjee, S.; Saha Roy, B.K. Optimal PMU placement solution: Graph theory and MCDM-based approach. IET Gener. Transm. Distrib. 2017, 11, 3371–3380. [Google Scholar] [CrossRef]
  8. Nikkhah, S.; Aghaei, J.; Safarinejadian, B.; Norouzi, M.A. Contingency constrained phasor measurement units placement with n- k redundancy criterion: A robust optimisation approach. IET Sci. Meas. Technol. 2018, 12, 151–160. [Google Scholar] [CrossRef]
  9. Rahman, N.H.A.; Zobaa, A.F. Optimal PMU placement using topology transformation method in power systems. J. Adv. Res. 2016, 7, 625–634. [Google Scholar] [CrossRef] [PubMed]
  10. Esmaili, M. Inclusive multi-objective PMU placement in power systems considering conventional measurements and contingencies. Int. Trans. Electr. Energy Syst. 2016, 26, 609–626. [Google Scholar] [CrossRef]
  11. Song, L.; Fan, Y.; Liu, M.; Bai, X.; Zhang, X. State estimation method of a new energy power system based on SC-DNN and multi-source data fusion. Power Syst. Prot. Control 2023, 51, 177–187. [Google Scholar]
  12. Dehghanpour, K.; Wang, Z.; Wang, J.; Yuan, Y.; Bu, F. A Survey on State Estimation Techniques and Challenges in Smart Distribution Systems. IEEE Trans. Smart Grid 2019, 10, 2312–2322. [Google Scholar] [CrossRef]
  13. Chunming, T.; Qing, L.; Qi, G.; Jiayuan, G.; Fei, J. Research on series-parallel integrated multifunctional converter with voltage quality adjustment. Trans. China Electrotech. Soc. 2020, 35, 4852–4863. [Google Scholar]
  14. Ye, J.; Gooi, H.B.; Wang, B.; Zhang, X. A new flexible power quality conditioner with model predictive control. IEEE Trans. Ind. Inform. 2019, 15, 2569–2579. [Google Scholar] [CrossRef]
  15. Fei, Y.; Huang, M.; Wei, Z.; Sun, G. Deep-learning-assisting Interval State Estimation of Regional AC/DC Distribution Network. Autom. Electr. Power Syst. 2022, 46, 101–109. [Google Scholar]
  16. Evans, T.S.; Lambiotte, R. Line graphs, link partitions, and overlapping communities. Phys. Rev. E 2009, 80, 016105. [Google Scholar] [CrossRef] [PubMed]
  17. Baran, M.E.; Wu, F.F. Network reconfiguration in distribution systems for loss reduction and load balancing. IEEE Trans. Power Deliv. 1989, 4, 1401–1407. [Google Scholar] [CrossRef]
Figure 1. Schematic diagram of the flexible voltage-regulation device.
Figure 1. Schematic diagram of the flexible voltage-regulation device.
Energies 19 01405 g001
Figure 2. Schematic diagram of the IEEE 33-bus test system.
Figure 2. Schematic diagram of the IEEE 33-bus test system.
Energies 19 01405 g002
Figure 3. Partitioning results of the IEEE 33-bus test system.
Figure 3. Partitioning results of the IEEE 33-bus test system.
Energies 19 01405 g003
Figure 4. Partitioning results and PMU installation buses.
Figure 4. Partitioning results and PMU installation buses.
Energies 19 01405 g004
Figure 5. Comparison between the reference voltages and the estimated voltages.
Figure 5. Comparison between the reference voltages and the estimated voltages.
Energies 19 01405 g005
Figure 6. Voltage regulation results.
Figure 6. Voltage regulation results.
Energies 19 01405 g006
Figure 7. Feeder topology/line topology diagram.
Figure 7. Feeder topology/line topology diagram.
Energies 19 01405 g007
Figure 8. Daily profiles of PV generation and load.
Figure 8. Daily profiles of PV generation and load.
Energies 19 01405 g008
Figure 9. Network partitioning and PMU installation buses.
Figure 9. Network partitioning and PMU installation buses.
Energies 19 01405 g009
Figure 10. Voltage distribution before connecting the voltage-regulation device.
Figure 10. Voltage distribution before connecting the voltage-regulation device.
Energies 19 01405 g010
Figure 11. Voltage distribution after connecting the voltage-regulation device at bus 2.
Figure 11. Voltage distribution after connecting the voltage-regulation device at bus 2.
Energies 19 01405 g011
Table 1. Partitioning results of the IEEE 33-bus test system.
Table 1. Partitioning results of the IEEE 33-bus test system.
PartitionNodes
A12, 3, 4, 5, 19, 20, 21, 22, 23, 24, 25
A26, 7, 8, 9, 26, 27, 28, 29, 30, 31, 32, 33
A310, 11
A412, 13, 14, 15, 16, 17, 18
Table 2. Voltage estimation comparison.
Table 2. Voltage estimation comparison.
Voltage Amplitude (10−4/p.u.)Voltage Phase Angle (10−2/°)
PMU measurement25.68932.985
In this article28.16635.128
Table 3. Comparison of different methods.
Table 3. Comparison of different methods.
MethodDuration of Voltage Limit Violation (s)Convergence Speed (s)
GMIEKF3.0541.958
In this article2.6411.752
Disclaimer/Publisher’s Note: The statements, opinions and data contained in all publications are solely those of the individual author(s) and contributor(s) and not of MDPI and/or the editor(s). MDPI and/or the editor(s) disclaim responsibility for any injury to people or property resulting from any ideas, methods, instructions or products referred to in the content.

Share and Cite

MDPI and ACS Style

Qu, J.; Meng, X.; Zhang, B.; Wang, Z. A Flexible Voltage-Regulation Method for Distribution Networks Based on Pseudo-Measurement-Assisted State Estimation. Energies 2026, 19, 1405. https://doi.org/10.3390/en19061405

AMA Style

Qu J, Meng X, Zhang B, Wang Z. A Flexible Voltage-Regulation Method for Distribution Networks Based on Pseudo-Measurement-Assisted State Estimation. Energies. 2026; 19(6):1405. https://doi.org/10.3390/en19061405

Chicago/Turabian Style

Qu, Jiannan, Xianglong Meng, Bo Zhang, and Zhenhao Wang. 2026. "A Flexible Voltage-Regulation Method for Distribution Networks Based on Pseudo-Measurement-Assisted State Estimation" Energies 19, no. 6: 1405. https://doi.org/10.3390/en19061405

APA Style

Qu, J., Meng, X., Zhang, B., & Wang, Z. (2026). A Flexible Voltage-Regulation Method for Distribution Networks Based on Pseudo-Measurement-Assisted State Estimation. Energies, 19(6), 1405. https://doi.org/10.3390/en19061405

Note that from the first issue of 2016, this journal uses article numbers instead of page numbers. See further details here.

Article Metrics

Back to TopTop