Modeling of Induction Motor Response to Voltage Sags with Re-Acceleration Analysis
Abstract
1. Introduction
2. Nature of Voltage Sags and Their Impact on IMs
3. IM Behavior During Voltage Sags and Re-Acceleration
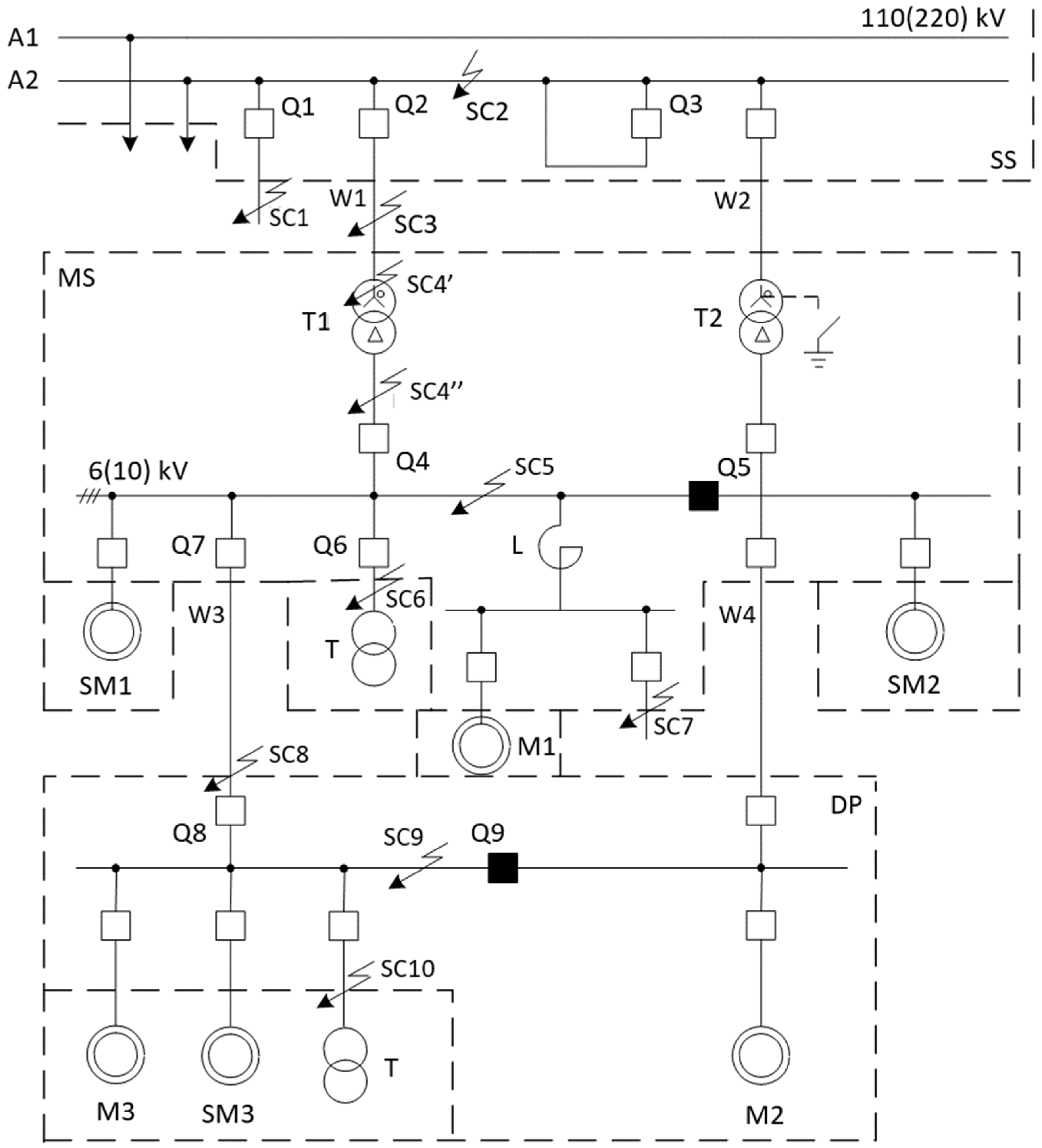
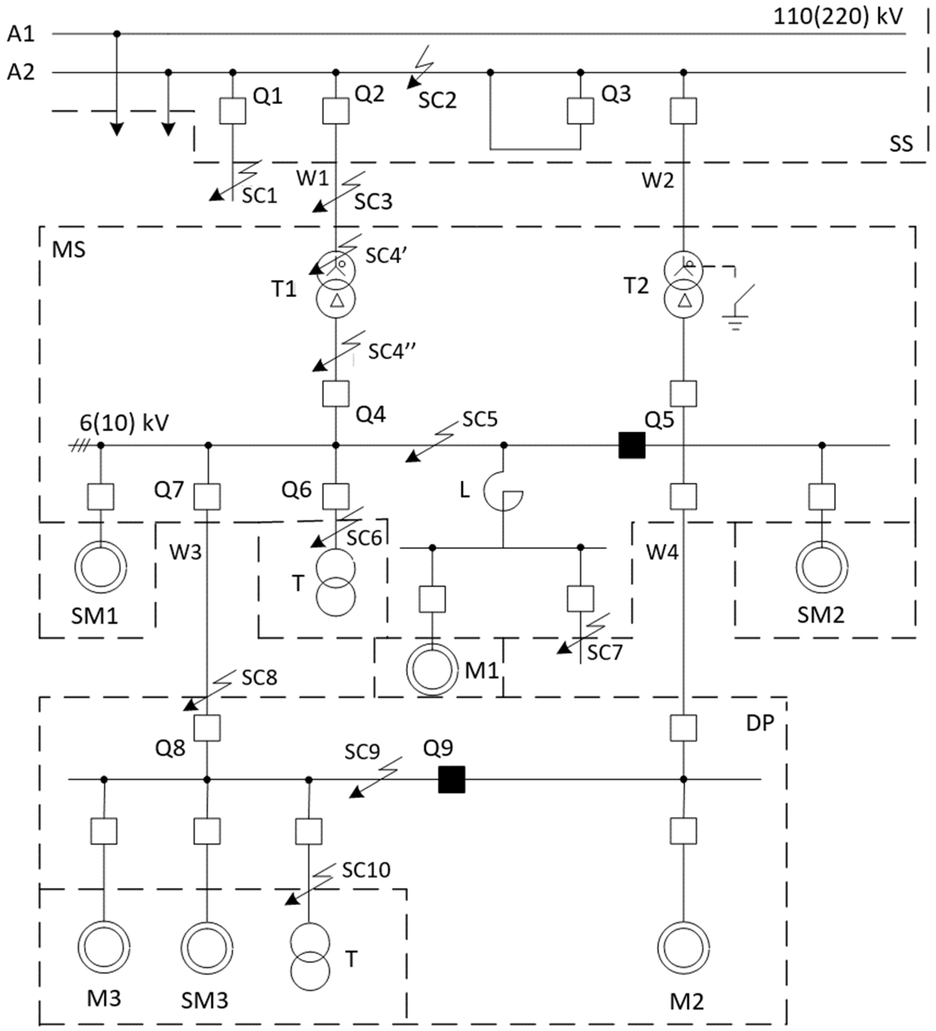
3.1. Re-Acceleration Scenarios and Practical Relevance
- Following short-duration power interruptions, during which motors are completely disconnected and then automatically reconnected via ATS or AR systems [68].
- If the interruption is brief, the motor retains some residual rotational speed at the time of voltage recovery, facilitating a smoother re-acceleration.
- If the interruption is extended, the motor comes to a complete stop, requiring full re-acceleration from standstill.
3.2. Differences Between Re-Acceleration and Controlled Motor Starting
- 1.
- At the time of voltage recovery, most motors retain some residual angular speed. This remaining rotation contributes to a higher initial electromagnetic torque during reacceleration compared to starting from standstill—assuming an identical supply voltage.
- 2.
- Upon disconnection from the power supply, a motor or group of motors may generate a residual electromotive force (EMF) at the substation busbars. When reconnected to the power source, the vector of the transient (periodic) current component is equal to [69]:
- 3.
- Re-acceleration typically occurs when the driven mechanisms are under load, which may result in a longer acceleration time and increased motor winding temperatures due to elevated currents compared to nominal values.
- 4.
- Simultaneous restart of multiple motors imposes a significant load on the power network, resulting in voltage dips at motor terminals and a corresponding decrease in developed torque, which may compromise re-acceleration stability.
3.3. Main Transient Processes During Re-Acceleration
- In the first case, the motor restarts with the mechanical load still applied, which may increase the re-acceleration time and thermal stress on the windings.
- In the second case, the restart occurs with temporary unloading of the mechanism, reducing the torque required during acceleration and improving the chances of a successful restart under reduced voltage.
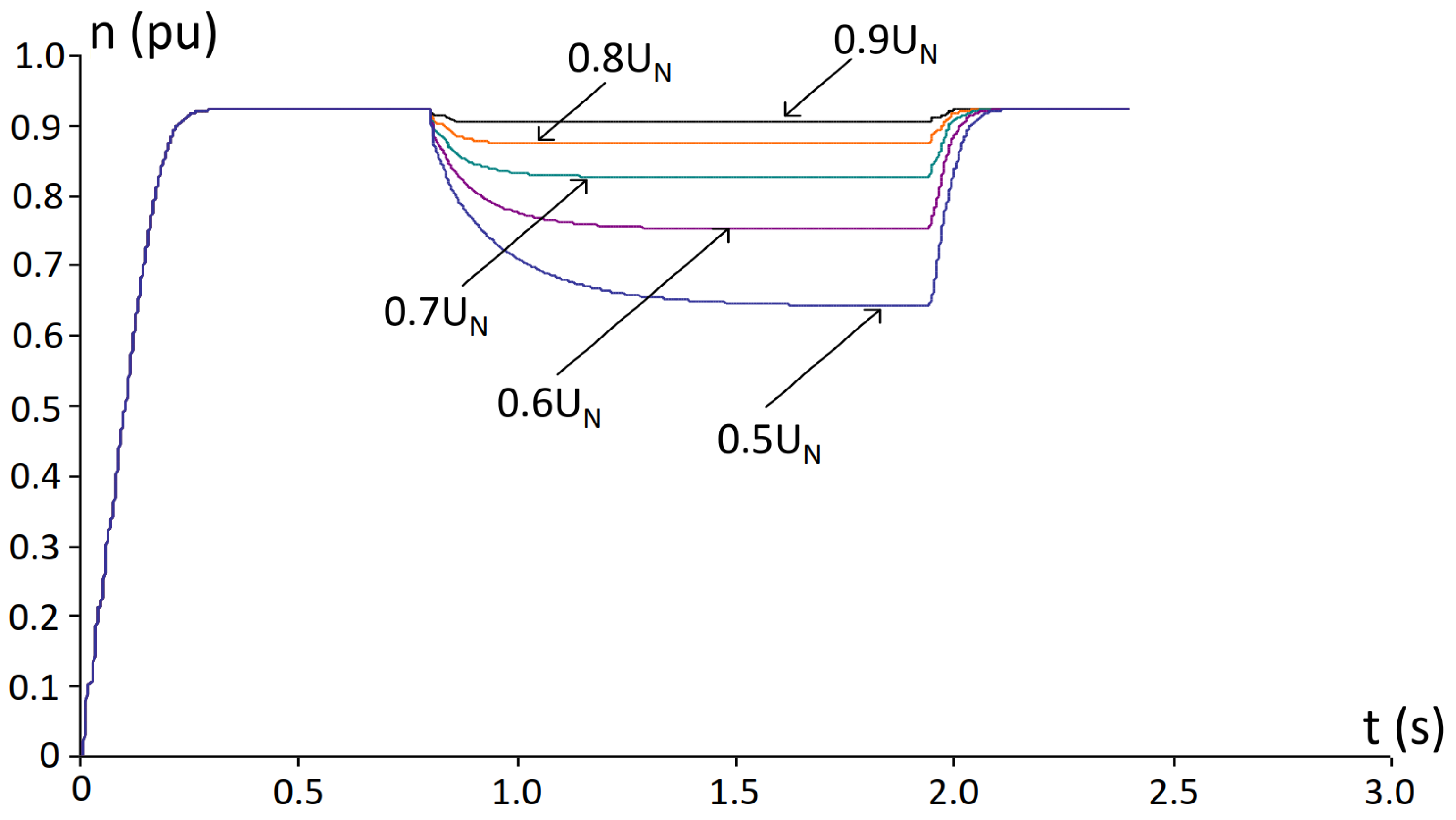
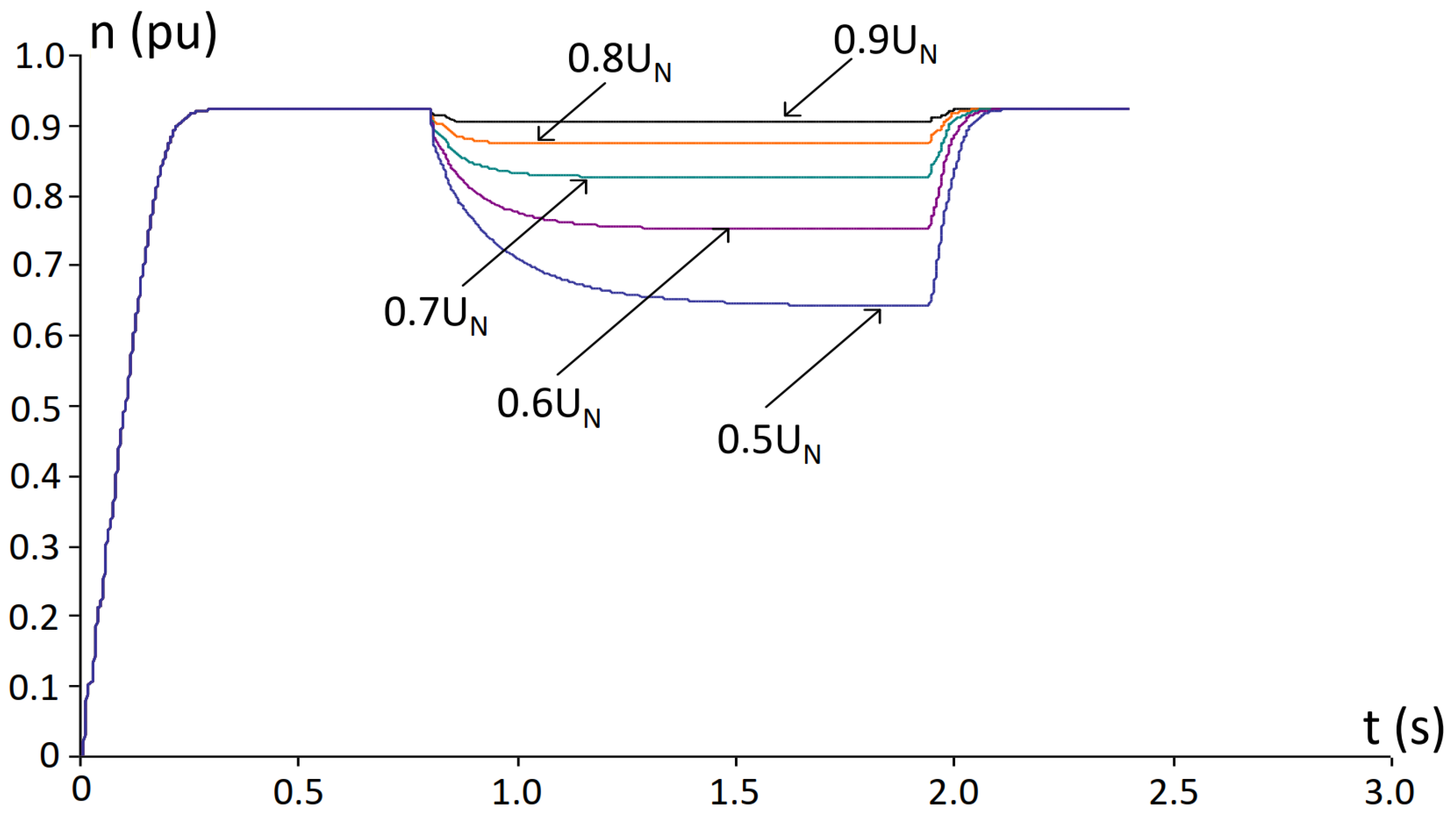
3.4. Speed Characteristics During IM Run-Down
4. Mathematical Model of IM Re-Acceleration
5. Simulation Results and Analysis
6. Conclusions
- The duration of the voltage dip does not significantly affect either the electromagnetic torque or the stator current at the instant of voltage reduction.
- The dip duration has a major impact on the stator current during voltage recovery: shorter interruptions result in lower recovery currents, whereas longer interruptions lead to higher recovery currents.
- An IM operating under constant load torque enters generator mode at a higher remaining voltage level compared to an IM under variable load conditions.
- Threshold conditions for failed re-acceleration and transition into generator mode are identified as functions of voltage dip depth, interruption duration, and load torque characteristics (constant load torque vs. variable load conditions).
Funding
Data Availability Statement
Acknowledgments
Conflicts of Interest
Appendix A
| Parameter | Symbol | Value | Unit |
|---|---|---|---|
| Rated power | 0.75 | kW | |
| Main inductive reactance | 2.6 | pu | |
| Stator winding resistance (active) | 0.12 | pu | |
| Stator winding reactance | 0.052 | pu | |
| Rotor resistance referred to the stator winding (active) | 0.064 | pu | |
| Rotor reactance referred to the stator winding | 0.077 | pu | |
| Synchronous speed | n | 3000 | min−1 |
| Short-circuit resistance (active) | 0.19 | pu | |
| Short-circuit reactance | 0.11 | pu | |
| Starting current | 5.5 | pu | |
| Dynamic moment of inertia | 0.00097 | ||
| Rated torque | 2.4 | ||
| Motor time constant | 39.87 | s | |
| Time constant including the referred mechanism | 82 | s |
| IM Type and Rated Power (kW) | [pu] | s Imax, Te,max (pu) | s Imax, Te,max (pu) | Load Type, |
|---|---|---|---|---|
| 4A71A2U3 (0.75) | variable | |||
| variable | ||||
| variable | ||||
| variable | ||||
| variable | ||||
| constant | ||||
| constant | ||||
| constant | ||||
| constant | ||||
| constant |
| IM Type and (kW) | [pu] | s Imax, Te,max (pu) | s Imax, Te,max (pu) | Load Type, |
|---|---|---|---|---|
| 4A71A2U3 (0.75) | variable | |||
| ; | ; | variable | ||
| variable | ||||
| variable | ||||
| variable | ||||
| constant | ||||
| constant | ||||
| constant | ||||
| constant | ||||
| constant |
References
- Guru, B.S.; Hiziroglu, H.R. Electric Machinery and Transformers; Oxford University Press: New York, NY, USA, 2001; Volume 726. [Google Scholar]
- Sauvey, C.; Schutz, J.; Gillet, Y. Practical Work of Three-Phased Induction Motor Modeling in a Classical Spreadsheet Software. Appl. Sci. 2025, 15, 1015. [Google Scholar] [CrossRef]
- Market.us. Electric Motors Market Size, Share and Growth Report 2024–2033. Available online: https://market.us/report/electric-motors-market/ (accessed on 22 September 2025).
- Paramasivam, A.; Kalaiyarasi, D.; Raja, M.S.; Pavaiyarkarasi, R. An efficient COA approach-based open-end winding induction motor with direct torque control for minimize the power loss. Electr. Eng. 2025, 107, 2073–2087. [Google Scholar] [CrossRef]
- Sheikh, M.A.; Bakhsh, S.T.; Irfan, M.; Nor, N.B.M.; Nowakowski, G. A review to diagnose faults related to three-phase industrial induction motors. J. Fail. Anal. Prev. 2022, 22, 1546–1557. [Google Scholar] [CrossRef]
- Azab, M. A Review of Recent Trends in High-Efficiency Induction Motor Drives. Vehicles 2025, 7, 15. [Google Scholar] [CrossRef]
- Eseosa, O.; Christian, A. Energy Efficiency Optimization of Three Phase Induction Motor Drives for Industrial Applications. Int. J. Eng. Appl. Sci. 2018, 5, 42–49. [Google Scholar] [CrossRef]
- Kumar, P. Transfer Learning for Induction Motor Health Monitoring: A Brief Review. Energies 2025, 18, 3823. [Google Scholar] [CrossRef]
- Sengamalai, U.; Anbazhagan, G.; Thamizh Thentral, T.M.; Vishnuram, P.; Khurshaid, T.; Kamel, S. Three Phase Induction Motor Drive: A Systematic Review on Dynamic Modeling, Parameter Estimation, and Control Schemes. Energies 2022, 15, 8260. [Google Scholar] [CrossRef]
- Konuhova, M.; Bezrukovs, V.; Bezrukovs, V.; Bezrukovs, D.; Buryi, M.; Gorbunovs, N.; Popov, A.I. Numerical Simulations of Scaling of the Chamber Dimensions of the Liquid Piston Compressor for Hydrogen Applications. Technologies 2025, 13, 226. [Google Scholar] [CrossRef]
- Anthony, Z.; Nazir, R.; Hamid, M.I. A Review of Strategies for Improving 3-Phase Induction Motor Performance. Andalasian Int. J. Appl. Sci. Eng. Technol. 2024, 4, 1–12. [Google Scholar] [CrossRef]
- Abdo, A.; Siam, J.; Abdou, A.; Shehadeh, H.; Mustafa, R. Practical Test on the Operation of the Three-Phase Induction Motor under Single-Phasing Fault. Appl. Sci. 2024, 14, 4690. [Google Scholar] [CrossRef]
- Kobayashi, A.; Nakamura, K.; Ono, T. Measuring the Operating Condition of Induction Motor Using High-Sensitivity Magnetic Sensor. Sensors 2025, 25, 4471. [Google Scholar] [CrossRef]
- Aires, F.L.; Galeno, G.D.; Belchior, F.N.; Oliveira, A.M.; Hunt, J.D. Enhancing three-phase induction motor reliability with health index and artificial intelligence-driven predictive maintenance. R. Soc. Open Sci. 2025, 12, 241946. [Google Scholar] [CrossRef] [PubMed]
- Bahgat, B.H.; Elhay, E.A.; Elkholy, M.M. Advanced fault detection technique of three phase induction motor: Comprehensive review. Discov. Electron. 2024, 1, 9. [Google Scholar] [CrossRef]
- Mamchur, D.; Husach, S. An analysis on induction motor reliability and lifetime estimation methods. Prz. Elektrotechniczny 2020, 96, 218–221. [Google Scholar] [CrossRef]
- Cureño-Osornio, J.; Alvarez-Ugalde, C.A.; Zamudio-Ramirez, I.; Osornio-Rios, R.A.; Dunai, L.; Turcanu, D.; Antonino-Daviu, J.A. Start-Up and Steady-State Regimes Automatic Separation in Induction Motors by Means of Short-Time Statistics. Electronics 2024, 13, 3850. [Google Scholar] [CrossRef]
- Paramo-Balsa, P.; Roldan-Fernandez, J.M.; Semião, J.; Burgos-Payan, M. Estimation of Power Output and Efficiency of Induction Motors: A New Non-Intrusive Approach. Sensors 2025, 25, 754. [Google Scholar] [CrossRef]
- Saribulut, L.; Ameen, A. Voltage Sag Detection and Compensation Signal Extraction for Power Quality Mitigation Devices. Energies 2023, 16, 5999. [Google Scholar] [CrossRef]
- Patra, J.; Pal, N. A Mathematical Approach of Voltage Sag Analysis Incorporating Bivariate Probability Distribution in a Meshed System. Energies 2022, 15, 7592. [Google Scholar] [CrossRef]
- Hao, C.; Jin, J. Clustering Analysis of Voltage Sag Events Based on Waveform Matching. Processes 2022, 10, 1337. [Google Scholar] [CrossRef]
- Varetsky, Y.; Gajdzica, M. Power Compatibility of Induction Motors in Industrial Grids Containing Synchronous Generators. Energies 2024, 17, 1066. [Google Scholar] [CrossRef]
- Petronijević, M.; Mitrović, N.; Kostić, V.; Banković, B. An Improved Scheme for Voltage Sag Override in Direct Torque Controlled Induction Motor Drives. Energies 2017, 10, 663. [Google Scholar] [CrossRef]
- Küçük, S.; Fernandez, L.F.; Bayrak, M.; Yılmaz, A.S. Restarting scheme of electrical motors after supply voltage outages in heavily loaded industrial facilities. In Proceedings of the 9th International Conference on Electrical and Electronics Engineering (ELECO), Bursa, Turkey, 26–28 November 2015; pp. 599–603. [Google Scholar] [CrossRef]
- Dinolova, P.; Ruseva, V.; Dinolov, O. Software-based methodology for investigating the performance of an adapted model for improving the energy efficiency of induction motor drives. In E3S Web of Conferences; EDP Sciences: Les Ulis, France, 2025; Volume 638, p. 01007. [Google Scholar] [CrossRef]
- Bollen, M. The influence of motor reacceleration on voltage sags. IEEE Trans. Ind. Appl. 1995, 31, 667–674. [Google Scholar] [CrossRef]
- Nikolaidis, V.C.; Ioannidis, K.Z.; Prousalidis, J.M. Identifying weaknesses in AC shipboard power systems operation during motor starts and reacceleration. Electr. Power Syst. Res. 2021, 197, 107328. [Google Scholar] [CrossRef]
- Wang, Z.; Wang, X. Induction motor interactions after voltage sags. In Proceedings of the 2013 IEEE Electrical Power & Energy Conference, Halifax, NS, Canada, 21–23 August 2013; pp. 1–5. [Google Scholar] [CrossRef]
- Mali, V.P.; Chakrasali, R.L.; Aprameya, K.S. A technical investigation of voltage sag. Am. J. Eng. Res. (AJER) 2015, 4, 60–68. Available online: https://www.ajer.org/papers/v4(10)/J041060068.pdf (accessed on 25 October 2025).
- Han, Y.; Feng, Y.; Yang, P.; Xu, L.; Xu, Y.; Blaabjerg, F. Cause, Classification of Voltage Sag, and Voltage Sag Emulators and Applications: A Comprehensive Overview. IEEE Access 2020, 8, 1922–1934. [Google Scholar] [CrossRef]
- Raghavan, S.; Hall, B.J.; Jagaduri, R.T. Simulation and analysis of voltage sag during transformer energization on an offshore platform. In Proceedings of the 2016 Petroleum and Chemical Industry Technical Conference (PCIC), Philadelphia, PA, USA, 19–22 September 2016; pp. 1–7. [Google Scholar] [CrossRef]
- Veizaga, M.; Delpha, C.; Diallo, D.; Bercu, S.; Bertin, L. Classification of voltage sags causes in industrial power networks using multivariate time-series. IET Gener. Transm. Distrib. 2023, 17, 1568–1584. [Google Scholar] [CrossRef]
- Ma, L.; Li, Y.; Tian, D.; Lou, J.; Chen, Y.; Liu, X. Assessment of voltage sag/swell in the distribution network based on energy index and influence degree function. Electr. Power Syst. Res. 2023, 216, 109072. [Google Scholar] [CrossRef]
- Pires, V.F.; Monteiro, J.; Silva, J.F. Dual 3-Phase Bridge Multilevel Inverters for AC Drives with Voltage Sag Ride-through Capability. Energies 2019, 12, 2324. [Google Scholar] [CrossRef]
- Gonzalez-Abreu, A.-D.; Osornio-Rios, R.-A.; Jaen-Cuellar, A.-Y.; Delgado-Prieto, M.; Antonino-Daviu, J.-A.; Karlis, A. Advances in Power Quality Analysis Techniques for Electrical Machines and Drives: A Review. Energies 2022, 15, 1909. [Google Scholar] [CrossRef]
- Elgammal, M.A.; Abou-Ghazala, A.Y.; Elshennaway, T.I. Effects of Voltage Sags on Induction Motors. Acta Electroteh. 2009, 50, 245–252. Available online: https://ie.utcluj.ro/files/acta/2009/Number4/Paper04_ElGammal.pdf (accessed on 25 October 2025).
- ElShennawy, T.I.; El-Gammal, M.A.; Abou-Ghazala, A.Y. Voltage sag effects on the process continuity of a refinery with induction motors loads. Am. J. Appl. Sci. 2009, 6, 1626–1632. [Google Scholar] [CrossRef]
- Motoki, É.M.; Filho, J.M.d.C.; da Silveira, P.M.; Pereira, N.B.; de Souza, P.V.G. Cost of Industrial Process Shutdowns Due to Voltage Sag and Short Interruption. Energies 2021, 14, 2874. [Google Scholar] [CrossRef]
- Hardi, S.; Hafizi, M.; Isa, M.; Masri, S.; bin Ruslan, M.A.; Hasan, S.; Nisja, I. Effects of Different Voltage Sag Types on Induction Motor. Appl. Mech. Mater. 2015, 793, 262–266. [Google Scholar] [CrossRef]
- Živković, L.; Benšić, T.; Barukčić, M.; Kurtović, G. A Survey on Mission-Profile-Based Stress Testing of Electric Motor Drives. Appl. Sci. 2025, 15, 5082. [Google Scholar] [CrossRef]
- Siregar, Y.; Siahaan, Y.R.O.; Mohamed, N.N.B.; Riawan, D.C.; Yuhendri, M. Design of starting a three phase induction motor using direct on-line, variable frequency drive, soft starting, and auto transformer methods. Indones. J. Electr. Eng. Comput. Sci. 2025, 37, 700–714. [Google Scholar] [CrossRef]
- Knezevic, I.; Calasan, M.; Dlabac, T.; Filipovic, F.; Mitrovic, N. Exact Analytical Solutions for Modelling the Speed-Time Characteristics of Direct-Start Induction Machines under Various Operational Conditions on Ships: Review and Experimental Validation. Elektron. Ir Elektrotechnika 2024, 30, 4–12. [Google Scholar] [CrossRef]
- Mallick, N.; Shiva, C.K.; Sen, S.; Basetti, V.; Mukherjee, V.; Reddy, C.S. Adaptive fuzzy-PI controlled dynamic voltage restorer for mitigating voltage sags. Sci. Rep. 2025, 15, 16817. [Google Scholar] [CrossRef]
- Wang, G.; Xu, Z.; Zhang, Z. Research on Applicability of the Practical Transient Voltage Stability Criterion Based on Voltage Magnitude and Sag Duration. Appl. Sci. 2021, 11, 4569. [Google Scholar] [CrossRef]
- Liubčuk, V.; Radziukynas, V.; Kairaitis, G.; Naujokaitis, D. Power Quality Impact and Its Assessment: A Review and a Survey of Lithuanian Industrial Companies. Inventions 2025, 10, 30. [Google Scholar] [CrossRef]
- Majidov, A.; Hafizov, S.; Zokirov, M.; Abdullozoda, S.; Azimov, A.; Naimov, S. Analysis of the Influence of Electricity Quality Indicators on the Operating Modes of Asynchronous Motors. In Proceedings of the 2022 4th International Youth Conference on Radio Electronics, Electrical and Power Engineering (REEPE), Moscow, Russia, 17–19 March 2022; pp. 1–6. [Google Scholar] [CrossRef]
- Majidov, A.; Kayumov, A.G.; Hafizov, S. Investigation of the Self-Starting Process of a Low-Power Asynchronous Motor. In Proceedings of the 2021 IEEE Conference of Russian Young Researchers in Electrical and Electronic Engineering (ElConRus), St. Petersburg, Moscow, Russia, 26–28 January 2021; pp. 1462–1468. [Google Scholar] [CrossRef]
- Gomez, J.; Morcos, M.; Reineri, C.; Campetelli, G. Behavior of induction motor due to voltage sags and short interruptions. IEEE Trans. Power Deliv. 2002, 17, 434–440. [Google Scholar] [CrossRef]
- Leiria, A.; Nunes, P.; Morched, A.; Correia de Barros, M.T. Induction motor response to voltage dips. Electr. Power Syst. Res. 2006, 76, 676–680. [Google Scholar] [CrossRef]
- Hardi, S.; Sugito, B.; Arif, A.; Sinaga, D.J.; Solihin, M.D.; Isa, M. Induction Motor Performance Under Voltage Sag Type I, Type II, and Type III: Experimental Study. In Proceedings of the 2024 8th International Conference on Electrical, Telecommunication and Computer Engineering (ELTICOM), Medan, Indonesia, 21–22 November 2024; pp. 292–297. [Google Scholar] [CrossRef]
- Alghamdi, B. Distributed consensus-based voltage and frequency control for isolated microgrids with fault-induced delayed voltage recovery mitigation. Front. Energy Res. 2025, 12, 1468496. [Google Scholar] [CrossRef]
- Ferreira, F.J.T.E.; Baoming, G.; de Almeida, A.T. Reliability and Operation of High-Efficiency Induction Motors. IEEE Trans. Ind. Appl. 2016, 52, 4628–4637. [Google Scholar] [CrossRef]
- Beaty, H.W.; Fink, D.G. Standard Handbook for Electrical Engineers; McGraw-Hill: New York, NY, USA, 2013. [Google Scholar]
- Gurevich, Y.E. Calculations of Stability and Emergency Automation in Power Systems; Gurevich, Y.E., Libova, L.E., Okin, A.A., Eds.; Energoatomizdat: Moscow, Russia, 1990; p. 391. [Google Scholar]
- Wang, X.; Du, H.; Liang, Z.; Guo, L.; Gao, J.; Kheshti, M.; Liu, W. Single phase to ground fault location method of overhead line based on magnetic field detection and multi-criteria fusion. Int. J. Electr. Power Energy Syst. 2023, 145, 108699. [Google Scholar] [CrossRef]
- Toader, D.; Vintan, M. Mathematical Models of the Phase Voltages of High-, Medium- and Low-Voltage Busbars in a Substation during a Phase-to-Ground Fault on High-Voltage Busbars. Mathematics 2023, 11, 3032. [Google Scholar] [CrossRef]
- Alipoor, J.; Doroudi, A.; Ghaseminezhad, M. Detection of the critical duration of different types of voltage sags for synchronous machine torque oscillation. Energy Power Eng. 2012, 4, 117–124. [Google Scholar] [CrossRef]
- Kamble, S.; Thorat, C. Voltage sag characterization in a distribution systems: A case study. J. Power Energy Eng. 2014, 2, 546–553. [Google Scholar] [CrossRef]
- Faiz, J.; Heydarabadi, R. Diagnosing power transformers faults. Russ. Electr. Eng. 2014, 85, 785–793. [Google Scholar] [CrossRef]
- Bai, P.; Jia, Y. Simulation analysis of internal and external faults in transformer area. In MATEC Web of Conferences; EDP Sciences: Les Ulis, France, 2023; Volume 382, p. 01041. [Google Scholar] [CrossRef]
- European Network of Transmission System Operators for Electricity. Best Protection Practices for HV and EHV AC-Transmission Systems of ENTSO-E Electrical Grids. Available online: https://eepublicdownloads.entsoe.eu/clean-documents/SOC%20documents/Best_protection_practices_for_HV_EHV_AC_transmission_system.pdf (accessed on 22 September 2025).
- ABB Instrument Transformers | Application Guide, ABB. 2020, p. 55. Available online: https://es.dcsmodule.com/js/htmledit/kindeditor/attached/20210823/20210823153632_48474.pdf (accessed on 22 September 2025).
- Sevov, L.; Allcock, D.; Luna, R.; Bowen, J. Motor Reacceleration to Improve Process Uptime. IEEE Trans. Ind. Appl. 2016, 52, 684–691. [Google Scholar] [CrossRef]
- Gardell, J.; Fredrickson, D. Motor Bus Transfer Applications: Issues and Considerations. J9 Working Group Report to the Rotating Machinery Protection Subcommittee of the IEEE-Power System Relay Committee. May 2012. Available online: https://www.pes-psrc.org/kb/report/025.pdf (accessed on 25 October 2025).
- Bonnett, A.H. Root Cause Failure Analysis for AC Induction Motors in the Petroleum and Chemical Industry. In Proceedings of the 2010 IEEE Industry Applications Society 57th Annual Petroleum and Chemical Industry Conference (PCIC), San Antonio, TX, USA, 20–22 September 2010; pp. 1–13. [Google Scholar]
- Serrano-Fontova, A.; Casals Torrens, P.; Bosch, R. Power Quality Disturbances Assessment during Unintentional Islanding Scenarios. A Contribution to Voltage Sag Studies. Energies 2019, 12, 3198. [Google Scholar] [CrossRef]
- Loaiza-Estrada, S.; Mesa-Beleño, J.P.; Lemmel-Vélez, K.; Estrada-Mesa, S.A.; Valencia-Hernandez, C.A.; Velasco-Méndez, J.R.; Monsalve-Cadavid, M.A. Transient Analysis of Fault-Induced Delayed Voltage Recovery by Mathematical Modeling of a Three-Phase Induction Motor. Electricity 2025, 6, 8. [Google Scholar] [CrossRef]
- Araújo, V.G.d.; Bissiriou, A.O.-S.; Villanueva, J.M.M.; Villarreal, E.R.L.; Salazar, A.O.; Teixeira, R.d.A.; Fonsêca, D.A.d.M. Monitoring and Diagnosing Faults in Induction Motors’ Three-Phase Systems Using NARX Neural Network. Energies 2024, 17, 4609. [Google Scholar] [CrossRef]
- Golodnov, Y.M. Automatic Restart of Electric Motors, 2nd ed.; revised and supplemented; Energoatomizdat: Moscow, Russia, 1985. [Google Scholar]
- Laramore, R.D. An Introduction to Electrical Machines and Transformers; Wiley: Hoboken, NJ, USA, 1990. [Google Scholar]
- Pavlov, V.E.; Peregudova, I.G. Study of Conditions for Group Self- Starting High-Voltage Electric Drives in Turbo Mechanisms. In Proceedings of the 2020 International Ural Conference on Electrical Power Engineering (UralCon), Chelyabinsk, Russia, 22–24 September 2020; pp. 147–152. [Google Scholar] [CrossRef]
- Yalla, M.V.V.S.; Vakili, A.; Beckwith, T.R. Calculation of Transient Torques on Motors During a Residual Voltage Motor Bus Transfer. IEEE Trans. Ind. Appl. 2020, 56, 6104–6116. [Google Scholar] [CrossRef]
- Sattarov, R.R.; Morozov, P.V. Physical approach to analysis of induction motor braking under machinery load. J. Phys. Conf. Ser. 2020, 1661, 012151. [Google Scholar] [CrossRef]
- Konuhova, M. Induction Motor Dynamics Regimes: A Comprehensive Study of Mathematical Models and Validation. Appl. Sci. 2025, 15, 1527. [Google Scholar] [CrossRef]
- Sobolevskaya, A.E.; Shlaf, M.M.; Afonin, V.I.; Sobolevskaya, E.A. Asynchronous Motors of the 4A Series: Handbook; Energoizdat: Moscow, Russia, 1982. [Google Scholar]
- Josiah, C.; Enefiok, E.; Christopher, I. Fault Resistance and Adaptive Analysis of Induction Motors under Voltage Variations in Industrial Applications. J. Eng. Res. Rep. 2024, 26, 231–248. [Google Scholar] [CrossRef]
- Karady, G.G.; Saksena, S.; Shi, B.Z. Effects of Voltage Sags on House Hold Loads. In Proceedings of the IEEE Power Engineering Society General Meeting, San Francisco, CA, USA, 16 June 2005; Volume 3, p. 24562461. [Google Scholar]
- Huchche, V.; Patne, N. Analytical assessment of torque and stator currents of an induction motor due to voltage sags. Int. J. Electr. Comput. Eng. 2023, 13, 3613–3621. Available online: https://ijece.iaescore.com/index.php/IJECE/article/view/28760 (accessed on 25 October 2025). [CrossRef]
- Konuhova, M. Modeling of Induction Motor Direct Starting with and without Considering Current Displacement in Slot. Appl. Sci. 2024, 14, 9230. [Google Scholar] [CrossRef]













Disclaimer/Publisher’s Note: The statements, opinions and data contained in all publications are solely those of the individual author(s) and contributor(s) and not of MDPI and/or the editor(s). MDPI and/or the editor(s) disclaim responsibility for any injury to people or property resulting from any ideas, methods, instructions or products referred to in the content. |
© 2025 by the author. Licensee MDPI, Basel, Switzerland. This article is an open access article distributed under the terms and conditions of the Creative Commons Attribution (CC BY) license (https://creativecommons.org/licenses/by/4.0/).
Share and Cite
Konuhova, M. Modeling of Induction Motor Response to Voltage Sags with Re-Acceleration Analysis. Energies 2025, 18, 5682. https://doi.org/10.3390/en18215682
Konuhova M. Modeling of Induction Motor Response to Voltage Sags with Re-Acceleration Analysis. Energies. 2025; 18(21):5682. https://doi.org/10.3390/en18215682
Chicago/Turabian StyleKonuhova, Marina. 2025. "Modeling of Induction Motor Response to Voltage Sags with Re-Acceleration Analysis" Energies 18, no. 21: 5682. https://doi.org/10.3390/en18215682
APA StyleKonuhova, M. (2025). Modeling of Induction Motor Response to Voltage Sags with Re-Acceleration Analysis. Energies, 18(21), 5682. https://doi.org/10.3390/en18215682
