Analyses of PO-Based Fuzzy Logic-Controlled MPPT and Incremental Conductance MPPT Algorithms in PV Systems
Abstract
1. Introduction
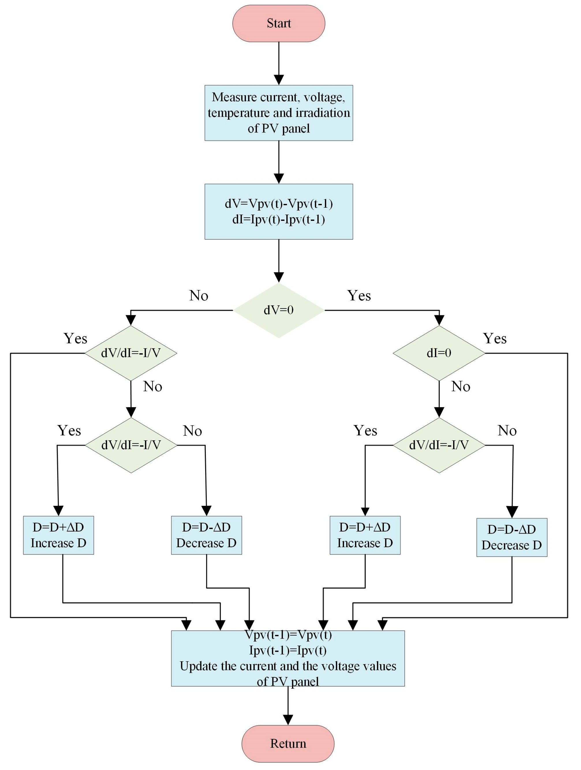
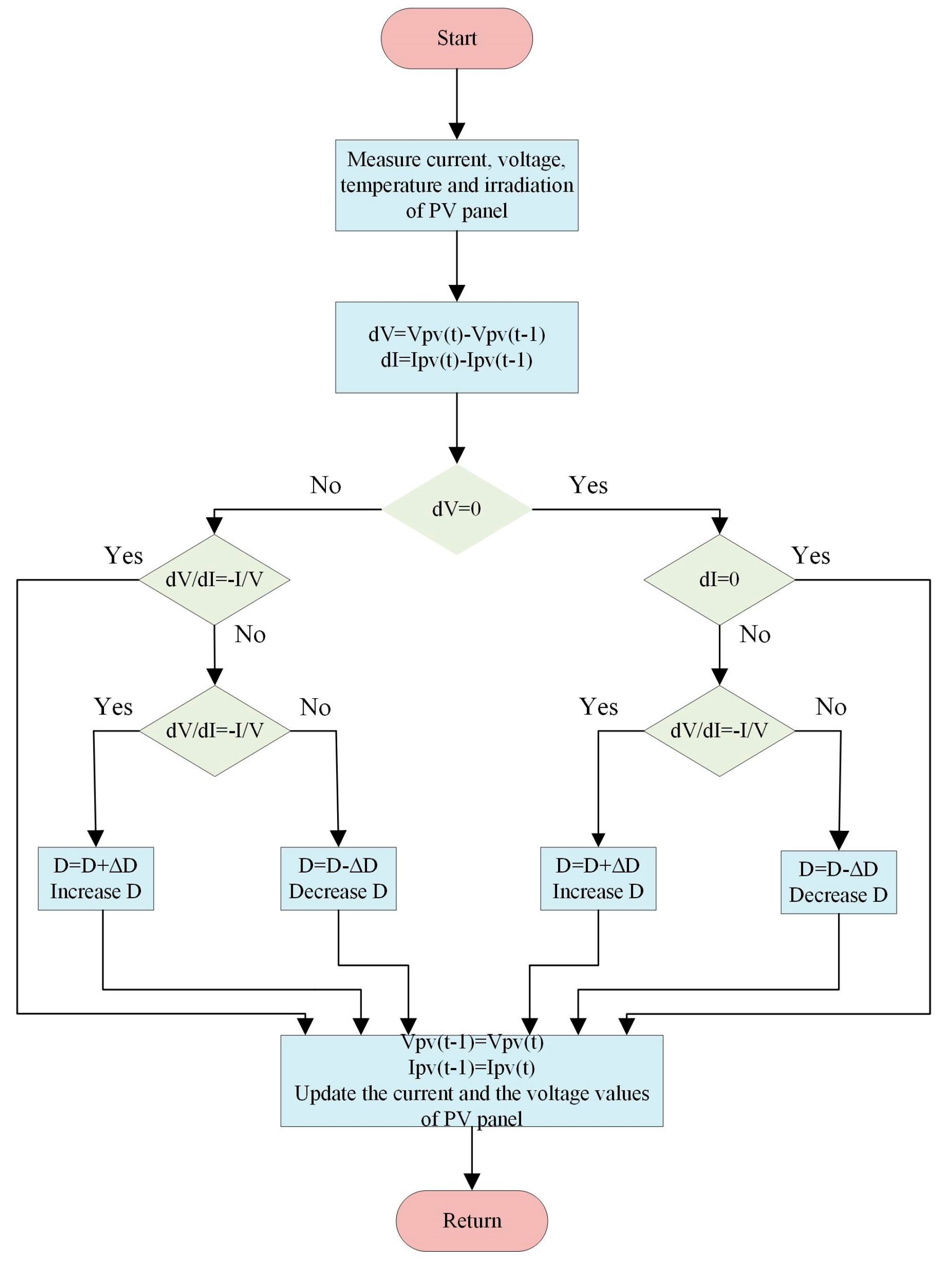
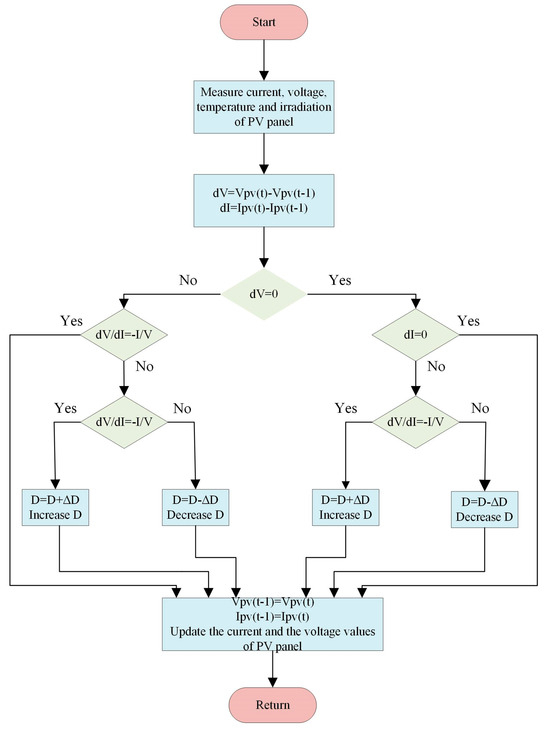
2. IncCon MPPT Methods
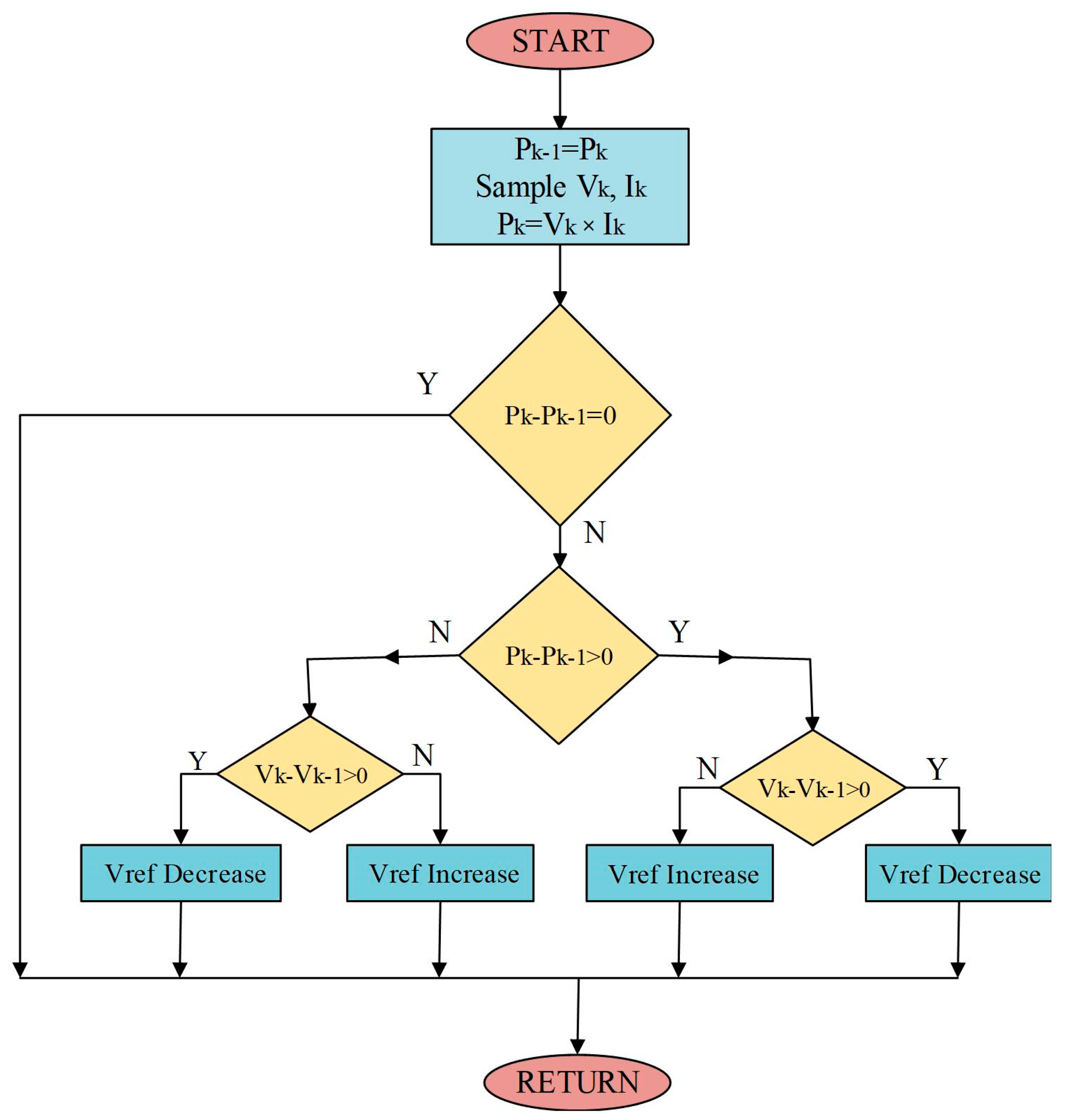
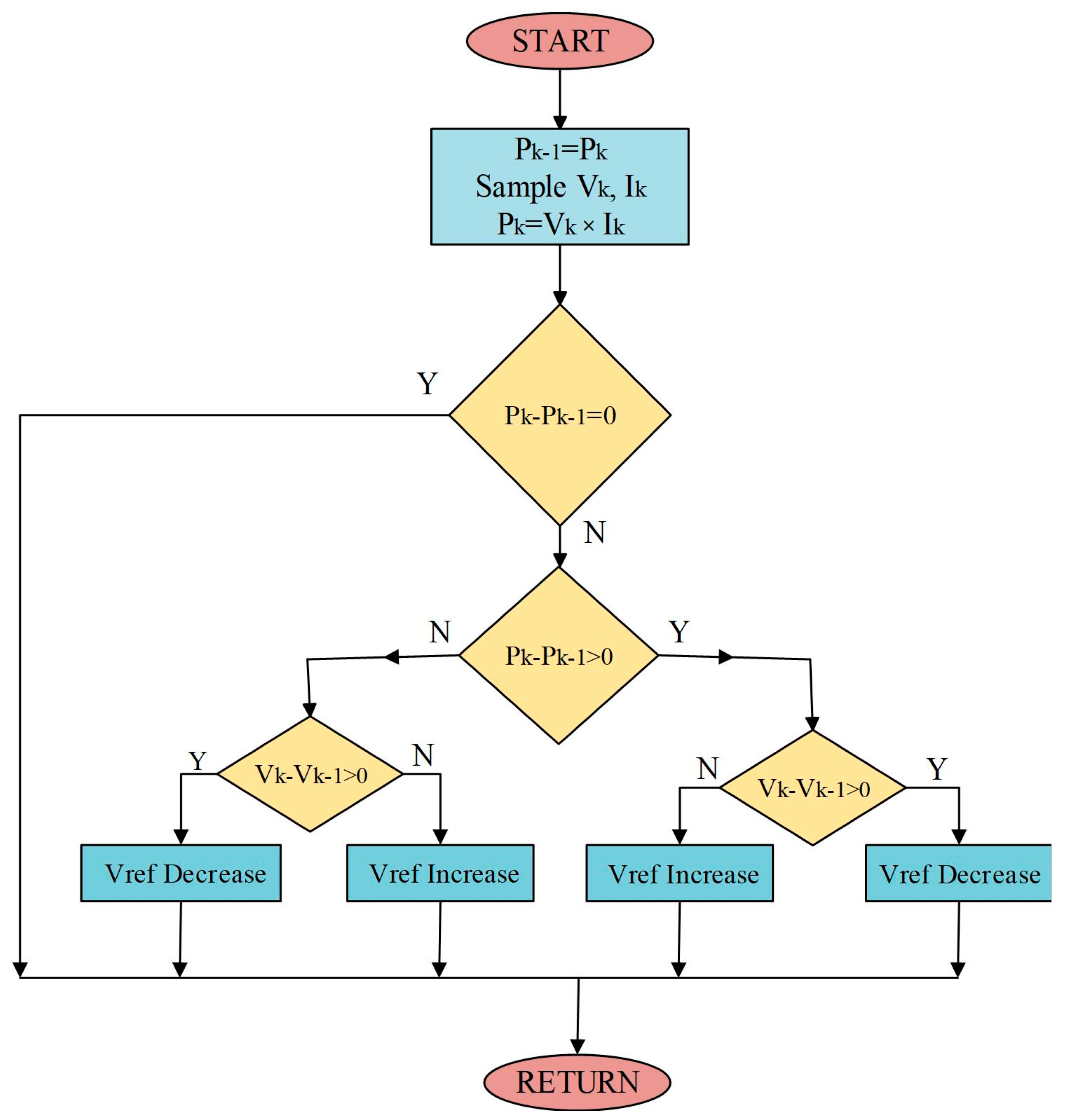
3. PO MPPT Method
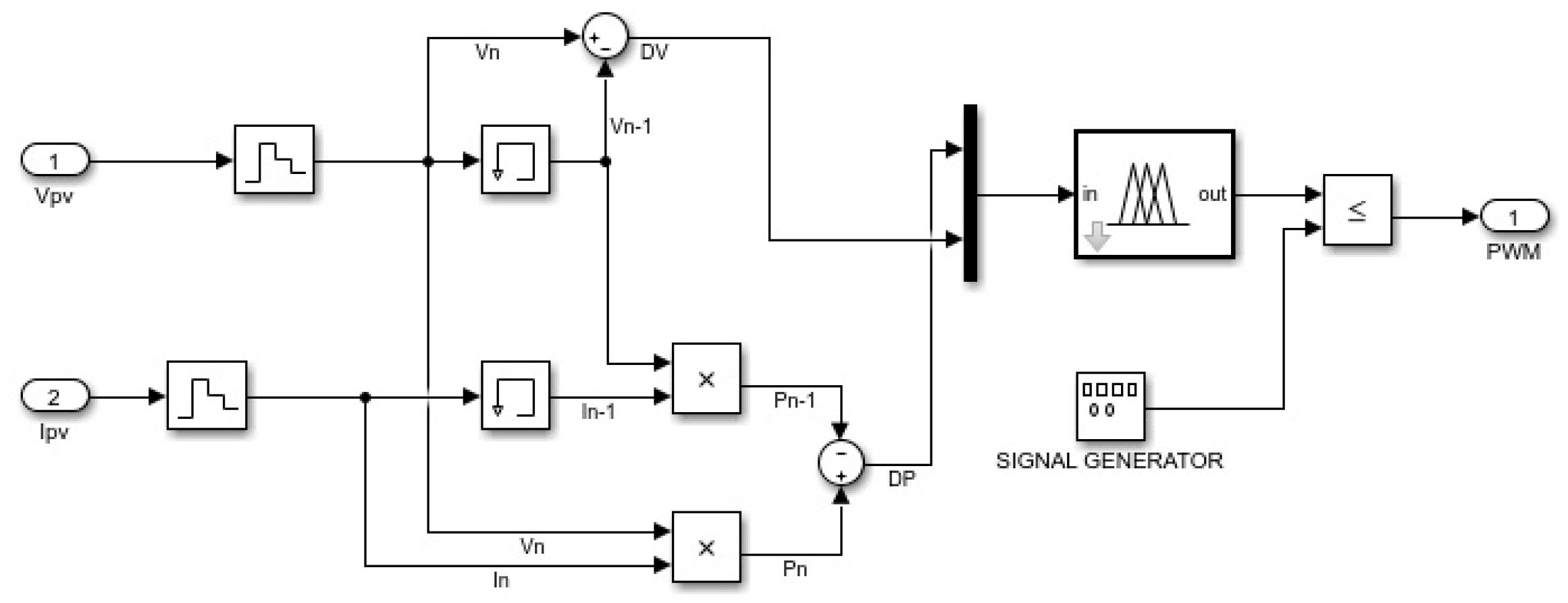
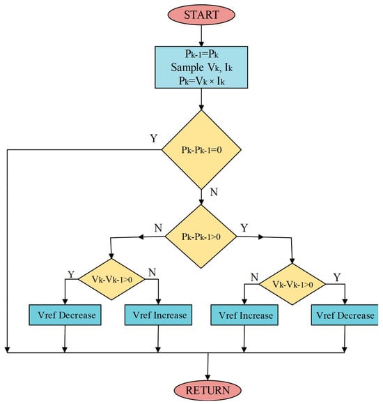
4. Fuzzy Logic-Controlled MPPT Method
4.1. Fuzzification
4.2. Fuzzy Inference Engine
4.3. Fuzzy Rule Table
- Vk: Present measured panel voltage;Vk−1: Previous value of the present measured panel voltage;Pk: Present calculated panel power;Pk−1: Previous value of the present calculated panel power;e(k): Error value;Δe(k): Change in error value.
4.4. Defuzzification Process
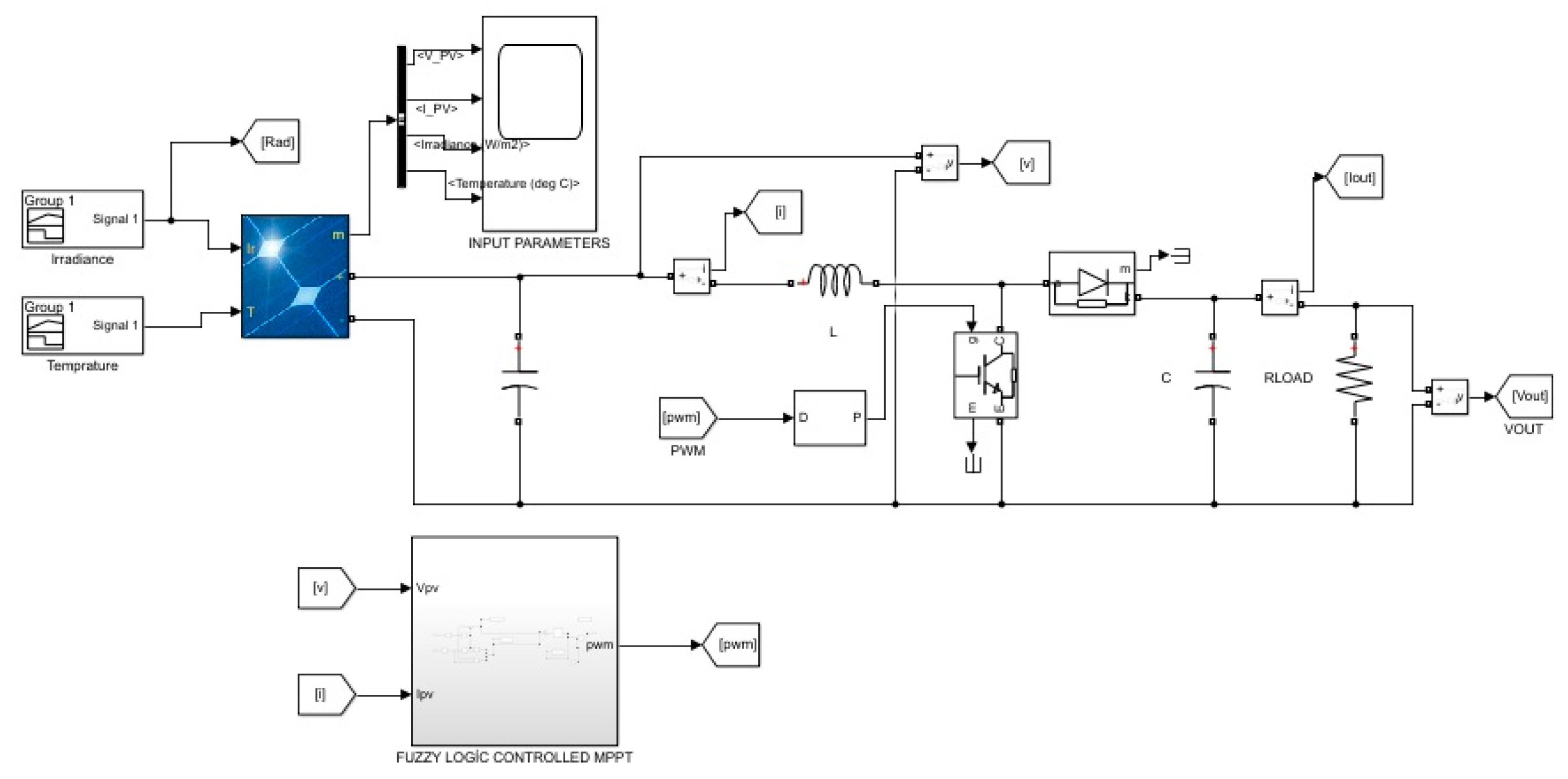
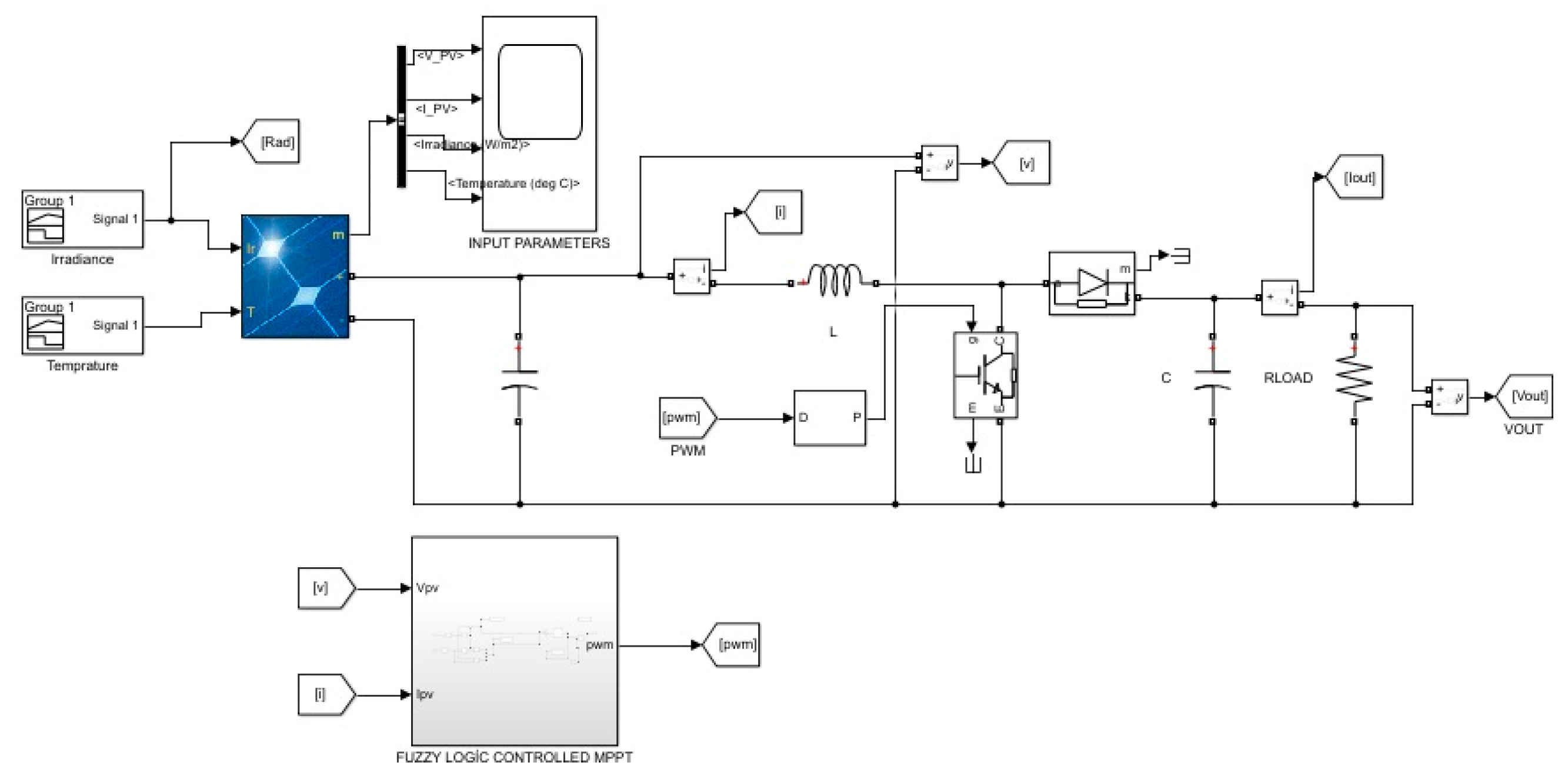
5. Proposed Fuzzy Logic-Controlled MPPT Application
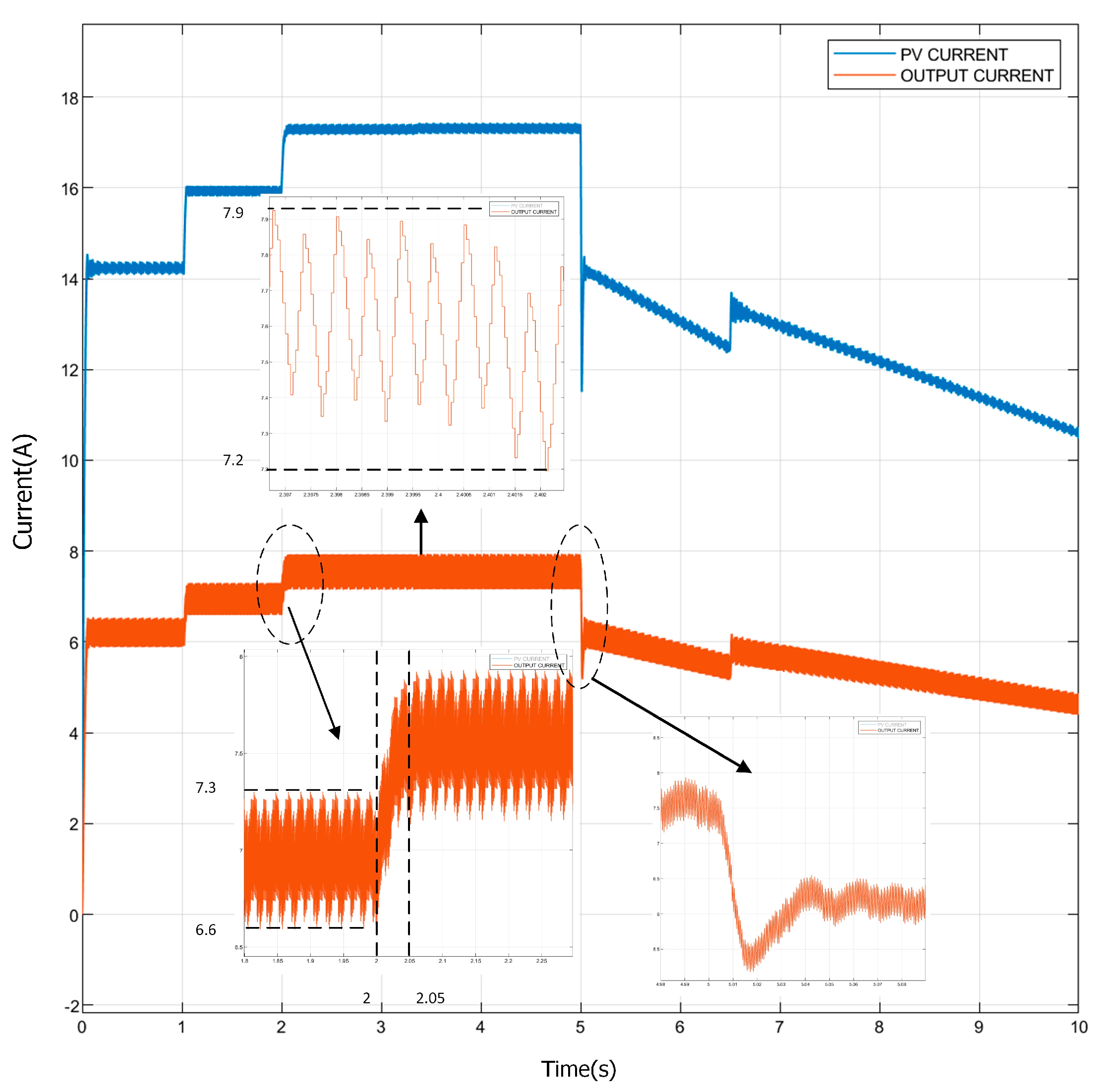
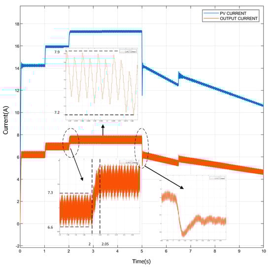
6. Simulation Results and Discussion
7. Conclusions
Author Contributions
Funding
Data Availability Statement
Conflicts of Interest
References
- Shivakumara, A.; Dobbinsb, A.; Fahlb, U.; Singhc, A. Drivers of renewable energy deployment in the EU: An analysis of past trends and projections. Energy Strategy Rev. 2019, 26, 100402. [Google Scholar] [CrossRef]
- Santos, J.L.; Antunes, F.; Chehab, A. A maximum power point tracker for PV systems using a high-performance boost converter. Sol. Energy 2005, 80, 772–778. [Google Scholar] [CrossRef]
- Yu, T.C.; Chien, T.S. Analysis and simulation of characteristics and maximum power point tracking for photovoltaic systems. In Proceedings of the Power Electronics and Drive Systems Conference, Taipei, Taiwan, 2–5 November 2009; pp. 1339–1344. [Google Scholar] [CrossRef]
- Schmalensee, R. The future of solar energy: A personal assessment. Energy Econ. 2015, 52, 142–148. [Google Scholar] [CrossRef]
- Bharti, M.; Kumar, U. Virtualization and sımulatıon of incremental conductance mppt based two-phase interleaved boost converter usıng sımulınk in Matlab. Int. J. Technol. Res. Eng. 2017, 4, 1686–1691. [Google Scholar]
- Esram, T.; Chapman, P.L. Comparison of photovoltaic array maximum power point tracking techniques. IEEE Trans. Energy Convers. 2007, 22, 439–449. [Google Scholar] [CrossRef]
- Cakmak, F.; Aydogmuş, Z.; Tür, M.R. Mppt control for pv systems with analytical analysis fractional open circuit voltage method. In Proceedings of the 2022 Global Energy Conference (GEC), Batman, Turkey, 26–29 October 2022. [Google Scholar] [CrossRef]
- Algarin, C.R.; Cabarcas, J.C.; Llanos, A.P. Low-cost fuzzy logic control for greenhouse environments with web monitoring. Electronics 2017, 6, 71. [Google Scholar] [CrossRef]
- Noman, A.M.; Addoweesh, K.E.; Mashaly, H.M. Fuzzy logic control method for mppt of PV systems. In Proceedings of the 38th Annual Conference on IEEE Industrial Electronics Society (IECON), Montreal, QC, Canada, 25–28 October 2012. [Google Scholar] [CrossRef]
- Hassan, H.H.; Geliel, M.A.; Abu-Zeid, M. A proposed fuzzy controller for mppt of a photovoltaic system. In Proceedings of the 2014 IEEE Conference on Energy Conversion (CENCON), Johor Bahru, Malaysia, 13–14 October 2014. [Google Scholar] [CrossRef]
- Zainuri, M.A.A.M.; Radzi, M.A.M.; Soh, A.C.; Rahim, N.A. Adaptive p&o-fuzzy control mppt for pv boost dc-dc converter. In Proceedings of the IEEE International Conference on Power and Energy (PECon), Kota Kinabalu, Malezya, 2–5 December 2012. [Google Scholar] [CrossRef]
- Algarín, C.R.; Giraldo, J.T.; Álvarez, O.R. Fuzzy logic-based mppt controller for a PV system. Energies 2017, 10, 2036. [Google Scholar] [CrossRef]
- Kumar, R.; Kumar, B.; Swaroop, D. Fuzzy logic-based improved PO mppt technique for partial shading conditions. In Proceedings of the International Conference on Computing, Power and Communication Technologies (GUCON), Greater Noida, India, 28–29 September 2018. [Google Scholar] [CrossRef]
- Wilamowski, B.M.; Li, X. Fuzzy system based maximum power point tracking for PV system. In Proceedings of the 28th Annual Conference in IEEE Industrial Electronics Society, Seville, Spain, 5–8 November 2002. [Google Scholar] [CrossRef]
- Hayder, W.W.; Abid, A.; Sbita, L. Intelligent mppt algorithm for PV system based on fuzzy logic. In Proceedings of the 17th International Multi-Conference on Systems, Signals & Devices (SSD), Monastir, Tunisia, 20–23 July 2020. [Google Scholar] [CrossRef]
- Khan, A.A.; Aqil, M.; Malik, N.; Ullah, F.; Khalid, A. Comparative analysis of mppt techniques for sepic based pv system. Int. J. Eng. Work. 2021, 8, 1–7. [Google Scholar] [CrossRef]
- Nivedha, S.; Vijayalaxmi, M. Performance analysis of fuzzy based hybrid mppt algorithm for photovoltaic system. In Proceedings of the International Conference on Communication, Control and Information Sciences (ICCISc), Idukki, India, 16–18 June 2021. [Google Scholar] [CrossRef]
- Özbay, H. Comparison of sliding mode and fuzzy logic mppt techniques for PV systems. Electron. Lett. Sci. Eng. 2020, 16, 26–35. [Google Scholar]
- Yilmaza, Ü.; Kircaya, A.; Börekçi, S. PV system fuzzy logic mppt method and pi control as a charge controller. Renew. Sustain. Energy Rev. 2018, 81, 994–1001. [Google Scholar] [CrossRef]
- Abdellatif, W.S.E.; Mohamed, M.S.; Barakat, S.; Brisha, A. A Fuzzy Logic Controller Based MPPT Technique for Photovoltaic Generation System. Int. J. Electr. Eng. Inform. 2021, 13, 394–417. [Google Scholar] [CrossRef]
- Ullah, K.; Ishaq, M.; Tchier, F.; Ahmad, H.; Ahmad, Z. Fuzzy-based maximum power point tracking (MPPT) control system for photovoltaic power generation system. Results Eng. 2023, 20, 101466. [Google Scholar] [CrossRef]
- Abdullah, M.Z.; Sudiharto, I.; Eviningsih, R.P. Photovoltaic System MPPT using Fuzzy Logic Controller. In Proceedings of the 2020 International Seminar on Application for Technology of Information and Communication, Semarang, Indonesia, 19–20 September 2020. [Google Scholar] [CrossRef]
- Fayaz, F.; Siddiqui, I. Maximum power point tracking algorithms for photovoltaic applications. Int. J. Res. Appl. Sci. Eng. Technol. (IJRASET) 2019, 7, 141–152. [Google Scholar] [CrossRef]
- Saravanan, S.; Babu, N.R. Maximum Power Point Tracking Algorithms for Photovoltaic System—A Review. Renew. Sustain. Energy Rev. 2016, 57, 192–204. [Google Scholar] [CrossRef]
- Farayola, A.M.; Hasan, A.N.; Ali, A. Efficient photovoltaic MPPT system using coarse Gaussian support vector machine and artificial neural network techniques. Int. J. Innov. Comput. Inf. Control 2018, 14, 323–339. [Google Scholar]
- Assahout, S.; Elaissaoui, H.; El Ougli, A.; Tidhaf, B.; Zrouri, H. A neural network and fuzzy logic based MPPT algorithm for photovoltaic pumping system. Int. J. Power Electron. Drive Syst. (IJPEDS) 2018, 9, 1823–1833. [Google Scholar] [CrossRef]
- Messai, A.; Mellit, A.; Pavan, A.M.; Guessoum, A.; Mekki, H. FPGA-based implementation of a fuzzy controller (MPPT) for the photovoltaic module. Energy Convers. Manag. 2011, 52, 2695–2704. [Google Scholar] [CrossRef]
- Kottas, T.L.; Boutalis, Y.S.; Karlis, A.D. New maximum power point tracker for PV arrays using the fuzzy controller in close cooperation with fuzzy cognitive networks. IEEE Trans. Energy Convers. 2006, 21, 793–803. [Google Scholar] [CrossRef]
- Algazar, M.M.; AL-monier, H.; EL-halim, H.A.; Salem, M.E.E.K. Maximum power point tracking using fuzzy logic control. Electr. Power Energy Syst. 2012, 39, 21–28. [Google Scholar] [CrossRef]
- Koutroulis, E.; Blaabjerg, F. A new technique for tracking the global maximum power point of PV arrays operating under partial shading conditions. IEEE J. Photovolt. 2012, 2, 184–190. [Google Scholar] [CrossRef]
- Cavalcanti, M.C.; Oliveira, K.C.; Azevedo, G.M.; Moreira, D.; Neves, F.A. Maximum power point tracking techniques for photovoltaic systems. Prz. Elektrotechniczny 2006, 82, 49–56. [Google Scholar] [CrossRef]
- Ishaque, K.; Salam, Z. A review of maximum power point tracking techniques of PV system for uniform insolation and partial shading condition. Renew. Sustain. Energy Rev. 2013, 19, 475–488. [Google Scholar] [CrossRef]
- Ahmed, N.A.; Miyatake, M. A novel maximum power point tracking for photovoltaic applications under partially shaded insolation conditions. Electr. Power Syst. Res. 2008, 78, 777–784. [Google Scholar] [CrossRef]
- Femia, N.; Granozio, D.; Petrone, G.; Spagnuolo, G.; Vitelli, M. Predictive adaptive mppt perturb and observe method. IEEE Trans. Aerosp. Electron. Syst. 2007, 43, 934–950. [Google Scholar] [CrossRef]
- Femia, N.; Petrone, G.; Spagnuolo, G.; Vitelli, M. Optimization of perturb and observe maximum power point tracking method. IEEE Trans. Power Electron. 2005, 20, 963–973. [Google Scholar] [CrossRef]
- Tavası, C.T.; Chen, J.Y.; Chu, C.P.; Huang, Y.S. A fast maximum power point tracker for photovoltaic power systems. In Proceedings of the IECON ’99 Pro. 25th Annual Conference of the IEEE Industrial Electronics Society, San Jose, CA, USA, 29 November–3 December 1999. [Google Scholar] [CrossRef]
- Veerachary, M.; Senjyu, T.; Uezato, K. Neural-network-based maximum-power-point tracking of coupled-inductor interleaved-boost converter-supplied PV system using fuzzy controller. IEEE Trans. Ind. Electron. 2003, 50, 749–758. [Google Scholar] [CrossRef]
- Guenounou, O.; Dahhou, B.; Chabourd, F. Adaptive fuzzy controller based MPPT for photovoltaic systems. Energy Convers. Manag. 2014, 78, 843–850. [Google Scholar] [CrossRef]
- Syafaruddin; Karatepe, E.; Hiyama, T. Artificial neural network coordinated fuzzy controller based maximum power point tracking control under partially shaded conditions. IET Renew. Power Gener. 2009, 3, 239–253. [Google Scholar] [CrossRef]
- Sousa, G.C.D.; Bose, B.K. A fuzzy set theory-based control of a phase-controlled converter DC machine drive. IEEE Trans. Ind. Appl. 1994, 30, 34–44. [Google Scholar] [CrossRef]
- Available online: https://ahmetatasoglu98.medium.com/ (accessed on 28 July 2022).
- Ödük, M.N. Bulanık Mantık Yöntemi ve Uygulamaları. Iksad Press: Ankara, Turkey, 2019; pp. 13–19. [Google Scholar]
- Nabulsi, A.A.; Dhaouadi, R. Efficiency optimization of a DSP-based stand-alone pv system using fuzzy logic and dual-mppt control. IEEE Trans. Indus. Inform. 2012, 8, 573–584. [Google Scholar] [CrossRef]
- Rahmani, R.; Seyedmahmoudian, M.M.; Mekhilef, S.; Yusof, R. Implementation of fuzzy logic maximum power point tracking controller for photovoltaic system. Am. J. Appl. Sci. 2013, 10, 209–218. [Google Scholar] [CrossRef]
- Adly, M.; Besheer, A.H. An optimized fuzzy maximum power point tracker for stand-alone photovoltaic systems, ant colony approach. In Proceedings of the Seventh IEEE Conference on Industrial Electronics and Applications (ICIEA), Singapore, 18–20 July 2012; pp. 113–119. [Google Scholar] [CrossRef]
- Blaabjerg, F.; Ionel, D.M. Renewable Energy Devices and Systems with Simulations in Matlab and Ansys; CRC Press, Taylor & Francis Group: Boca Raton, FL, USA, 2017. [Google Scholar]





















| Δe | NB | NK | S | PK | PB | |
|---|---|---|---|---|---|---|
| E | ||||||
| NB | S | S | NB | NB | NB | |
| NK | S | S | NK | NK | NK | |
| S | NK | S | S | S | PK | |
| PK | PK | PK | PK | S | S | |
| PB | PB | PB | PB | S | S | |
| DV | NB | NS | S | PS | PB | |
|---|---|---|---|---|---|---|
| DP | ||||||
| NB | PS | PB | NB | NB | NS | |
| NS | PS | PS | NS | NS | NS | |
| S | S | S | S | S | S | |
| PS | NS | NS | PS | PS | PS | |
| PB | NS | NB | PB | PB | PS | |
| Parameter | Symbol | Value |
|---|---|---|
| Maximum power point | Pmpp | 295.243 W |
| Voltage at MPP | Vmpp | 34.94 V |
| Current at MPP (Imp) | Impp | 8.45 A |
| Open-circuit voltage (Voc) | Voc | 44.7 V |
| Short-circuit current (Isc) | Isc | 8.87 |
| Number of series-connected cells | Ns | 72 |
| Temperature coefficient of Voc | ki | 0.03506 |
| Temperature coefficient of Voc | kv | −0.34 |
| Parameter | Value |
|---|---|
| Cin | 120 µF |
| L | 34.94 mH |
| Co | 220 µF |
| R | 20 Ω |
| Fsw | 5 kHz |
| Irradiance | PV Power | Output Power |
|---|---|---|
| 800 w/m2 (0–1 s) | 790 w | 775 w |
| 900 w/m2 (1–2 s) | 985 w | 968 w |
| 1000 w/m2 (2–5 s) | 1162 w | 1140 w |
| 700 w/m2 (5–6.5 s) | 950–565 w | 850–550 w |
| 700 w/m2 (6.5–10 s) | 900–410 w | 750–385 w |
| Irradiance | PV Power | Output Power |
|---|---|---|
| 800 w/m2 (0–1 s) | 787.5 w (ripple 73 w) | 773.5 w |
| 900 w/m2 (1–2 s) | 986 w (ripple 40 w) | 967.5 w |
| 1000 w/m2(2–5 s) | 1163 w (ripple 17 w) | 1141 w |
| 700 w/m2 (5–6.5 s) | 900–560 w (instantaneous value) (ripple 140 w) | 850–550 w (instantaneous value) |
| 700 w/m2 (6.5–10 s) | 900–415 w (instantaneous value) | 750–390 w (instantaneous value) |
Disclaimer/Publisher’s Note: The statements, opinions and data contained in all publications are solely those of the individual author(s) and contributor(s) and not of MDPI and/or the editor(s). MDPI and/or the editor(s) disclaim responsibility for any injury to people or property resulting from any ideas, methods, instructions or products referred to in the content. |
© 2024 by the authors. Licensee MDPI, Basel, Switzerland. This article is an open access article distributed under the terms and conditions of the Creative Commons Attribution (CC BY) license (https://creativecommons.org/licenses/by/4.0/).
Share and Cite
Çakmak, F.; Aydoğmuş, Z.; Tür, M.R. Analyses of PO-Based Fuzzy Logic-Controlled MPPT and Incremental Conductance MPPT Algorithms in PV Systems. Energies 2025, 18, 233. https://doi.org/10.3390/en18020233
Çakmak F, Aydoğmuş Z, Tür MR. Analyses of PO-Based Fuzzy Logic-Controlled MPPT and Incremental Conductance MPPT Algorithms in PV Systems. Energies. 2025; 18(2):233. https://doi.org/10.3390/en18020233
Chicago/Turabian StyleÇakmak, Fevzi, Zafer Aydoğmuş, and Mehmet Rıda Tür. 2025. "Analyses of PO-Based Fuzzy Logic-Controlled MPPT and Incremental Conductance MPPT Algorithms in PV Systems" Energies 18, no. 2: 233. https://doi.org/10.3390/en18020233
APA StyleÇakmak, F., Aydoğmuş, Z., & Tür, M. R. (2025). Analyses of PO-Based Fuzzy Logic-Controlled MPPT and Incremental Conductance MPPT Algorithms in PV Systems. Energies, 18(2), 233. https://doi.org/10.3390/en18020233

