Abstract
In a large wind power base, it becomes unrealistic to rely only on synchronous generators to resist the uncertainty of wind power. A feasible way is to make wind turbines (WTs) and battery energy storage systems (BESSs) participate in frequency regulation. Taking into account the frequency regulation service of WTs and BESSs, the Coordinated Operation Strategy (COS) of the Wind–BESS–Thermal power model will become difficult to solve due to strong nonlinearity. To cope with this challenge, an improved Primary Frequency Regulation (PFR) model is first established considering the frequency regulation of WTs and BESSs. Based on the improved PFR model, the analytical expression of frequency stability constraints is deduced. Next, in view of the wind power uncertainty, the box-type ensemble robust optimization theory is introduced into the day-ahead optimal scheduling, and a robust COS model considering wind power uncertainty and frequency stability constraints is proposed. Then, a linear equivalent transformation method is designed, based on which the original COS model is transformed into a Mixed Integer Linear Programming (MILP) problem. Finally, a modified IEEE 39-bus system is adopted to test the effectiveness of the proposed method.
1. Introduction
Excessive use of fossil energy will cause climate change and environmental pollution, hindering social development. Replacing fossil energy with new energy is an important way to build a green and sustainable energy structure. As an inexhaustible new energy, wind energy has been widely developed and utilized by various power grids. It is foreseeable that the wind power base scale will continue to increase, and WTs will be the mainstream power source in the future. However, wind power has the characteristics of randomness and volatility; the high penetration rate of wind power will threaten the frequency stability of the power grid [1]. In order to ensure the frequency stability of the wind power high-penetration power grid, the use of BESSs to stabilize the wind power volatility is a very promising technical route [2]. Considering the uncertainty of wind power and frequency stability constraints, the day-ahead scheduling will become more complex. The COS of the Wind–BESS–Thermal Power System, which aims to meet load demands, achieve economic optimization, and ensure that the system does not need to participate in the PFR, arranges the Unit Commitment (UC) and power generation plan for the next day [3]. In a wind power high-penetration power grid, frequency instability is an important factor threatening the safe operation of the system. If the frequency regulation potential of WTs and BESSs is not fully exploited in the COS, there may be serious economic waste or even load shedding [4,5]. Therefore, for wind power high-penetration power grids, the wind power uncertainty and the frequency regulation capability of WTs and BESSs should be fully considered in the COS.
In order to cope with the challenges brought by the wind power uncertainty, a series of COS methods based on stochastic programming, robust programming, chance constraints, or machine learning have been proposed in recent years. A multi-band uncertainty robust optimization method is presented in [6], which can better coordinate the robustness and economy of power system operation. Utilizing historical wind speed data to describe the uncertain set of wind power, Ref. [7] calculates the spinning reserve required to cope with the wind power uncertainty and conducts the day-ahead UC based on the spinning reserve calculation. Considering integrated heat-electricity demand responses, Ref. [8] proposes a two-stage robust scheduling model of multi-energy systems. To make full use of flexible generation resources, Ref. [9] proposes a two-stage distributional robust UC framework, which is solved by a revised integer L-shaped algorithm. Ref. [10] proposes a non-anticipative robust UC model that can accommodate the fact that the wind power uncertainty reduces over time. Considering the steady requirement of power delivery, a risk-averse day-ahead generation scheduling approach is proposed in [11], which can tap the comprehensive potential of large hydro-wind photovoltaic systems. Considering the valuable information hidden in big data, data-driven COS methods have also received extensive attention from scholars in recent years. Ref. [12] uses the robust kernel density estimation method to extract the distribution information of wind and solar energy from big data and then applies it in a robust day-ahead optimal scheduling model. In [13], copula theory is utilized to capture the correlation of multiple wind farms, and the probabilistic distribution function is formulated and applied in the COS. Ref. [14] adopts kernel density estimation to deduce the probability distribution function of wind power forecasting errors and applies the Wasserstein metric to form the ambiguity set. In the above references, conventional units are the main means to resist the uncertainty of wind power.
With the increasing proportion of new energy, the number of conventional units has decreased significantly. For power grids with a high proportion of new energy, it is difficult to resist the uncertainty of new energy only by adjusting the UC of conventional units. In recent years, the use of BESSs to stabilize new energy fluctuations has attracted extensive attention from academia and engineering. Scholars have conducted a lot of research on COS methods for grids with BESSs. Ref. [15] gives an energy storage capacity calculation method, which is applied in the UC model. The capacity credit of renewable energy units and energy storage facilities is studied in [16], and the impacts of unit commitment on capacity credits are investigated. Ref. [17] formulates the BESS model and analyzes the impact of the charging constraints on the unit commitment. In [18], a COS model for an economic and environmentally friendly gravity energy storage and WTs. Considering the participation of BESSs, Ref. [19] treats reserve requirements as chance constraints in the UC. Ref. [20] proposes a new model of operating condition-based security-constrained UC with BESSs, where the binary variables are solved by a convolutional neural network, and the continuous variables are solved by a convex optimization problem. Although the BESS has shown good application prospects, the energy storage technology suitable for large-scale power systems is still immature.
The wind power uncertainty will not only destroy the supply and demand balance but also affect the frequency stability of the system. For a power grid dominated by synchronous generators, the system inertia is large and the PFR reserve is sufficient; there is no need to specifically consider frequency stability constraints in COS. For a power system with a high proportion of wind power, it is necessary to pay special attention to whether the frequency stability constraints can be satisfied. Considering WTs participating in PFR, a UC optimization model is proposed in [21]. In [22], the linearized frequency security margin constraint is formulated and incorporated into the traditional UC model. The frequency dynamics are taken into account in [23], and the impact of plug-in electric vehicles as energy storage is investigated. A frequency-constrained coordination planning model of thermal units, WTs, and BESSs is proposed in [24], and a data-driven method is adopted to linearize the planning model. Ref. [25] presents a generic data-driven framework for frequency-constrained UC under high renewable penetration. In [26], the data-driven classification trees are adopted to extract the frequency constraints for the UC. Ref. [27] establishes a new multi-area frequency response model and formulates the frequency constraints based on the proposed model. A frequency-secured stochastic UC model is proposed in [28] and applied in the Great Britain system. The impact of the failure rates of transmission lines on the frequency security is considered in [29]. Ref. [30] utilizes the separable programming method to incorporate a linearized frequency nadir constraint into the UC model. It can be seen from the above references that the existing frequency stability constraints fail to consider the participation of WTs and BESSs.
In summary, the frequency regulation potential of the WTs has not been fully explored in existing COS models. In power systems with extremely high penetration of wind power, the frequency regulation of the WT is essential. In essence, the participation of WTs in the frequency regulation is to utilize the uncertainty source to resist their own uncertainty, which will change the original scheduling mechanism and increase the nonlinearity of the COS model. To solve this problem, the contributions of this paper are as follows:
- The analytical expressions of frequency stability constraints are derived, which makes up for the disadvantage that existing frequency stability constraints are difficult to accurately describe the transient characteristics.
- A novel scheduling mechanism is established in which the uncertainty is resisted by the uncertainty source itself, and the corresponding COS model is proposed.
- The new scheduling mechanism increases the nonlinearity and the solving difficulty of the COS problem; a linearization technique is proposed to cope with this problem.
The remainder of this paper is organized as follows. In Section 2, the frequency response characteristics of WTs and BESSs are introduced. In Section 3, the PFR model of the power system is established, and the analytical expression of the frequency constraints is derived. In Section 4, the robust COS model is proposed, and the solution method is given. Case studies are carried out in Section 5, and conclusions are drawn in Section 6.
2. Frequency Response Characteristics of WTs and BESSs
2.1. Frequency Response Characteristics of WTs
By controlling the rotor speed and pitch angle of the WT, the WT can operate with reduced load, thereby reserving a certain power to participate in the PFR. In this paper, it is mainly considered that the WT adopts power-frequency droop control. The frequency response characteristics of the WT are shown in (1).
where vw is the wind speed, Δfs is the frequency deviation, Pw,ref is the power reference of the WT, Pw0 is the original power of the WT, PMPPT is the maximum power of the WT, ΔPw,ref is the power deviation versus the frequency deviation. The expression of ΔPw,ref is (2).
where Kw is the droop coefficient of the WT.
For synchronous generators, the governor system works only when the frequency deviation is outside a certain range. If the frequency deviation is too large, the system will take other measures, such as high-frequency unit cutting or low-frequency load shedding, to maintain the system frequency stability, and the synchronous generators will keep the maximum or minimum output power unchanged. Similarly, the same frequency deviation upper limit exists for the WT. When the frequency deviation exceeds Δfth, the WT no longer participates in the PFR and maintains constant power output. Taking the low-frequency problem as an example, when the system frequency is equal to or lower than f0-Δfth, the WT should keep the maximum output power PMPPT unchanged. When the system frequency is greater than f0-Δfth, Equation (2) can be rewritten as (3).
it can be seen from (3) that when the steady-state output power Pw0 of the WT is determined, the droop coefficient Kw is determined accordingly.
2.2. Frequency Response Characteristics of BESSs
Similarly, the frequency response characteristic of BESSs can also be represented by the power-frequency droop characteristic, as shown in (4).
where PBf is the output power of the BESS and Kb is the droop coefficient of the BESS.
When the frequency deviation exceeds Δfth, the BESS should also maintain constant power. Assuming that the maximum charge and discharge power of the BESS is PBmax, the current output power is Pb, the droop coefficient expression of the BESS is (5).
3. Frequency Stability Constraints
This section will provide a concise and precise description of the experimental results, their interpretation, as well as the experimental conclusions that can be drawn.
The frequency stability can usually be measured by three indicators: the Rate of Change in Frequency (RoCoF); the overshoot δ%; and the steady-state frequency deviation Δfst. After an active power disturbance occurs, the schematic diagram of the frequency response is shown in Figure 1. When the frequency stability meets the requirements, the following constraints should be satisfied:
Figure 1.
Schematic diagram of the frequency response.
- When power fluctuations or one fault with high probability occur in the system, the maximum RoCoF vR does not exceed a specified threshold value vRc;
- When power fluctuations or one fault with high probability occur in the system, the overshoot δ% does not exceed a specified threshold value δc%;
- When power fluctuations or one fault with high probability occur in the system, the steady-state frequency deviation Δfst does not exceed a specified threshold value Δfsc.
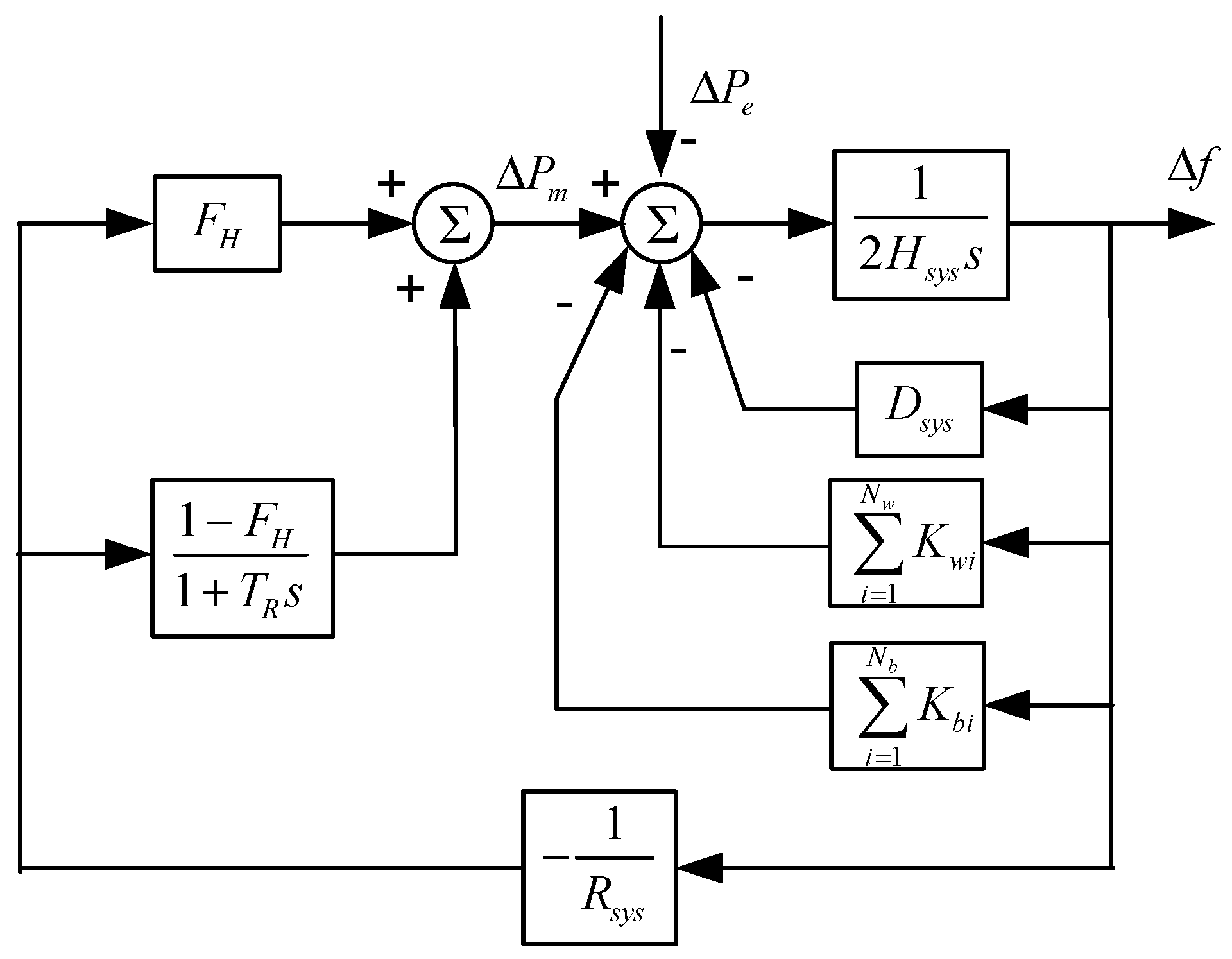
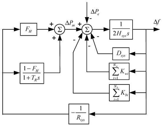
The PFR is a global dynamic process with a long period. Under the time scale of the PFR, the local and interregional oscillations can be considered to have been basically attenuated, all generators in the AC system keep synchronization, and the entire system maintains the same frequency. Therefore, the complex detailed model can be replaced by a simple unified frequency model for simulating the PFR. According to [31], in a power system dominated by reheat steam turbine generators, the reduced-order PFR model shown in Figure 2 can be adopted to simulate the system average frequency response.
Figure 2.
The reduced-order PFR model.
In Figure 2, ΔPe denotes the electromagnetic power variation, ΔPm denotes the mechanical power variation, FH is the fraction of total power generated by the high-pressure turbine, TR is the reheat time constant, Δf is the frequency deviation, Nw is the number of the WTs, Kwi is the droop coefficient of the i-th WT, Nb is the number of the BESS, and KBI is the droop coefficient of the i-th BESS, Hsys is the equivalent inertia constant, Dsys is the equivalent damping factor, Rsys is the equivalent adjustment coefficient, Ng is the number of the synchronous generators, Hi is the inertia time constant of the i-th generator, Di is the damping coefficient of the i-th generator, Ri is the difference adjustment coefficient of the i-th generator, and SBi is the rated capacity of the i-th generator. The expressions of the equivalent parameters are (6)–(8).
The closed-loop transfer function of the transfer block diagram shown in Figure 2 is (9).
where
Dequ is the equivalent damping coefficient after considering the frequency response of WTs and BESSs, as shown in (11).
The RoCoF is related to system inertia and unbalanced power, which can be expressed as follows:
In the case of a certain unbalanced power, the greater the inertia of the system, the smaller the RoCoF, which can reduce the risk of frequency instability.
The synthetic inertia provided by wind turbines and BESS is most effective during the initial seconds following a disturbance, typically within the first few hundred milliseconds to several seconds. This time range is critical for limiting the maximum RoCoF and the initial frequency nadir, which are both explicitly considered in our mathematical model and constraint formulations.
According to (9), the overshoot expression of the frequency response can be obtained from (13).
where
The expression for steady-state frequency deviation is (17).
Generally speaking, the RoCoF, the overshoot, and the steady-state frequency deviation should not exceed allowable values when N-1 faults with high probability occur. If rare N-2 faults or multiple faults occur, the system is allowed to adopt stability control strategies such as load shedding and unit cutting. Therefore, considering that the largest unit or the largest load trips, the constraint (18) should be satisfied.
4. Robust Optimization Model Considering Wind Power Uncertainty
4.1. Wind Power Uncertainty
Wind power has the characteristics of periodicity and randomness. The output power of each WT is an independent and identically distributed random variable. The wind power range can be known according to the forecast. In this paper, the wind power uncertainty is characterized by box ensembles, as (19) shows.
where and are the upper bound and lower bound of the interval. However, the box-type uncertainty set formed by (19) will bring serious conservatism in practical application, and it is unlikely that all predictions reach the boundary at the same time in reality. Therefore, the uncertainty set (20) is adopted instead of (19).
where
rj denotes the interval coefficient of WT j. The larger the interval coefficient is, the larger the tolerance range of the uncertainty is for the robust scheme obtained. Considering that there is no obvious correlation between the output powers of different WTs at the same time, the uncertainty budget Γ of the WTs can be defined as the upper limit value of the sum of the interval coefficients expressed as follows:
obviously, . The robustness of the COS model to the wind power uncertainty can be changed by adjusting the uncertainty budget Γ. The uncertainty budget Γ plays a crucial role in the robust optimization results. If the information about the interval coefficient rj is unknown, the user can directly specify the uncertainty budget according to preference. If the distribution of the interval coefficient rj is known, and it is assumed that the expectation and variance of interval coefficients are μ and d2. According to the Lindeberg–Levy central limit theory, when Nw is large enough, we have the following:
where P(•) denotes the probability of the event and Φ(•) denotes the probability density function of the standard normal distribution.
When the budget constraint is satisfied at least with the confidence probability Φ(α), the uncertainty budget Γ should satisfy (24).
when the equal sign is taken in (24), the probability that the budget constraint is satisfied is Φ(α).
4.2. COS Model Considering Frequency Stability Constraints
By making full use of the frequency regulation ability of the WT and the ability of the BESS to stabilize wind power fluctuations, the system frequency stability can be guaranteed.
COS refers to predetermining the scheduling strategy according to the forecast before the wind power is observed. In the COS, the objective is to minimize the total cost with consideration of the worst-case scenario due to wind power uncertainty. In this paper, Equation (25) is taken as the objective function of unit startup-shutdown cost and wind abandonment penalty.
where yit is the binary decision variable to indicate if generator i is on at time t, yit = 1 if yes and 0 otherwise. ait is the fixed cost if unit i startup. oit is the binary decision variable to indicate if generator i is started up at time t, oit = 1 if yes and 0 otherwise. bit is the startup cost. uit is the binary decision variable to indicate if generator i is shut down at time t, uit =1 if yes and 0 otherwise. cit is the shutdown cost. pgit is the output power of synchronous generators. βit is the fuel cost. pait is the reserve of the wind power. γit is the penalty cost of wind abandonment.
The operation constraints of the power system include the following:
- Power balance constraints
The relationship between the WT output pwit and the reserve power pait is as follows:
- Output constraints of the synchronous generators are as follows:
- Ramp speed constraints of the synchronous generators are as follows:
- Minimum on/off time limits of the synchronous generators are as follows:
- Start-up and shut-down operations constraints of the synchronous generators are as follows:
- Output constraints of the WTs are as follows:
- Power and energy constraints of the BESSs are as follows:
- RoCoF constraints
According to (11) and (17), the RoCoF constraint is as follows:
where CRoCoF is the critical value of the system inertia to ensure that the RoCoF does not exceed the limit.
- The overshoot constraint of the frequency response
Equation (13) is a nonlinear equation about the UC and the wind power. A nonlinear constraint will make it difficult to solve the optimization model, even the optimal solution cannot be found. In power systems, the frequency response damping ratio ζ is small, usually less than 20%. Therefore, the natural exponent term in (13) is a value less than 1 but close to 1, and the overshoot constraint can be approximated as follows:
where Cδ is the maximum allowable overshoot of the frequency response.
Further, constraint (38) can be transformed into a linear form:
- Steady-state frequency deviation constraint
According to (16), the steady-state frequency deviation constraint can be expressed as follows:
where Cst is the critical power-frequency droop coefficient to ensure that the steady-state frequency deviation does not exceed the limit.
- Line overload constraint
To avoid the overload of lines, the constraint is expressed as follows:
where Cline is the critical power to avoid overload and Plinei is the load of the i-th line.
The DC power flow model is adopted to approximately simulate the line active power flow to calculate Plinei. It is derived by making reasonable simplifications of the AC power grid, while the reactive power, voltage amplitude fluctuations, resistance, and node phase angle differences, etc., which are secondary variables, are ignored.
where Pi is the injection of active power at the i-th node, Bi is the i-th node admittance matrix, and δi is the i-th node voltage phase angle vector.
4.3. Wind Power Uncertainty Handling
In (34), the maximum powers of the WTs are uncertain variables, and the uncertain set is (19). To eliminate uncertain variables, substituting (20) and (27) into (34), the following inequality constraint can be obtained:
Under the requirement of robustness, Equation (43) can be rewritten as follows:
The interval coefficient r should satisfy constraints (45).
Utilizing the linear duality theory, the constraints (43) and (45) can be transformed into (46).
By dual transformation and adding auxiliary variables, the interval coefficient r representing the wind power uncertainty is eliminated. Bilinear terms in the dual function of the inner optimization problem Φtλt cause nonconvexity, which are linearized using the big-M method. The continuous variable Φt is transferred to a combination of 0–1 binary variables as follows:
Similarly, the bilinear term in (46) is transferred into linear expression by the big-M method as shown in (48).
Finally, the constraints (26) and (34) related to the wind power uncertainty are transformed into linear constraints (49), and the original COS model considering wind power uncertainty becomes a MILP problem.
4.4. Solution of the Optimization Model
Since the power system is a high-dimensional system, the MILP model contains a large number of binary variables and continuous variables. The Benders decomposition algorithm is proven to be an efficient algorithm for the MILP problem. In this section, the Benders decomposition algorithm is applied to solve the equivalent MILP problem, which is implemented by decomposing the proposed optimization problem as a Master Problem (MP) and a Sub-Problem (SP). The expression of the MILP model can be written in matrix form:
where e is the vector composed of binary variables related to the Synchronous Generator (SGs), including yit, oit, and uit. x is the vector composed of auxiliary variables xit. pg is the vector composed of output powers of the SGs. pa is the vector composed of reserve powers of the WTs. pb is the vector composed of the power of the BESSs. γ1, γ2, η, θ, λ, and ψ are vectors of dual auxiliary variables.
The MILP problem (50) can be decomposed into two problems by the Benders decomposition method. The SP is as follows:
The Dual Problem (DP) of the SP is (52).
Assuming that the DP has np poles and nr polar rays, the i-th pole is represented as (), and the i-th polar ray is represented a s(), then the main problem (MP) can be expressed as follows:
The Benders decomposition method solves the relaxed MP. The constraints in the relaxed MP are a subset of the constraints (53d) and (53e) in the original MP. Initially, there are no constraints in the relaxed MP; constraints (53d) or (53e) are continuously added to the relaxed MP during the solution process. The detailed Benders decomposition algorithm procedure for the equivalent MIP optimization is given in Algorithm 1.
| Algorithm 1. Benders decomposition for the equivalent MILP problem. |
Procedure of Algorithm 1.
|
5. Case Study
The proposed method is tested on a modified 39-bus system and a modified Illinois 200-bus system to demonstrate the efficiency and the feasibility. The simulations are carried out on PSS/E, while the optimization is solved by Gurobi. The studied network is a part of a larger interconnected power system. Specifically, the modified IEEE 39-bus and Illinois 200-bus test systems represent typical bulk power systems with high wind power penetration, and all simulations are performed under grid-connected conditions.
5.1. Modified IEEE 39-Bus System
5.1.1. Test System Description
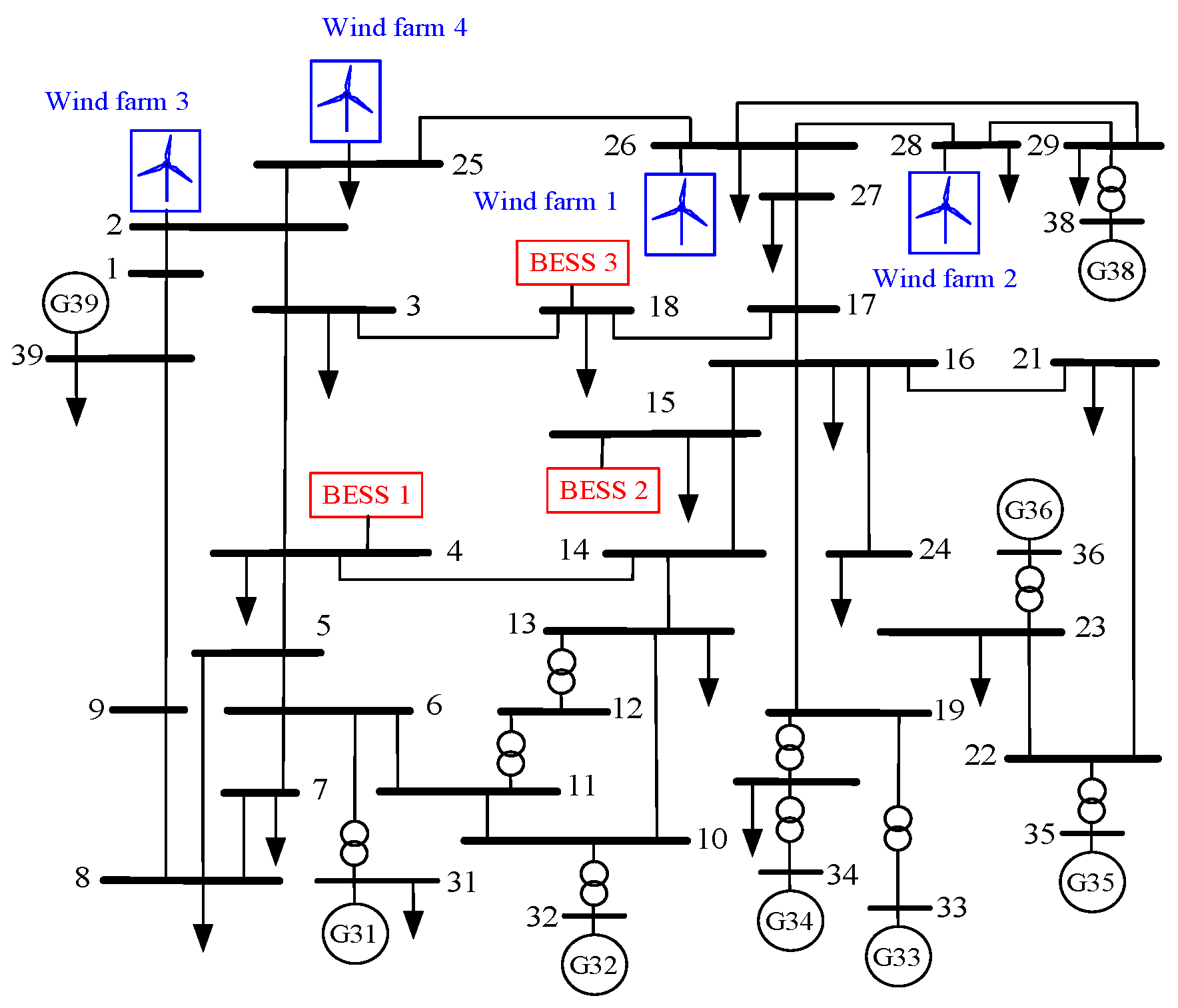
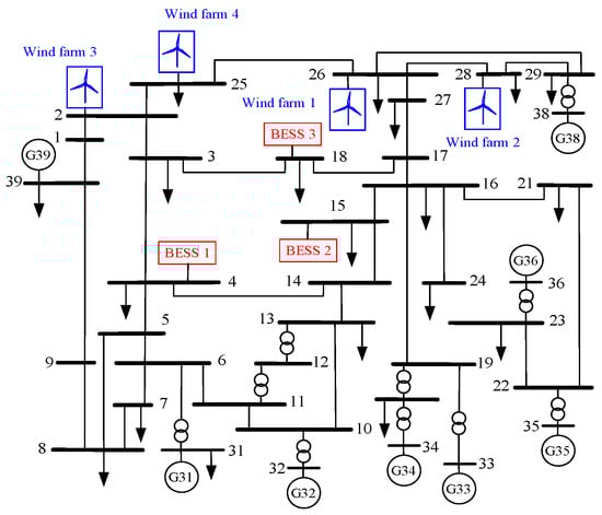
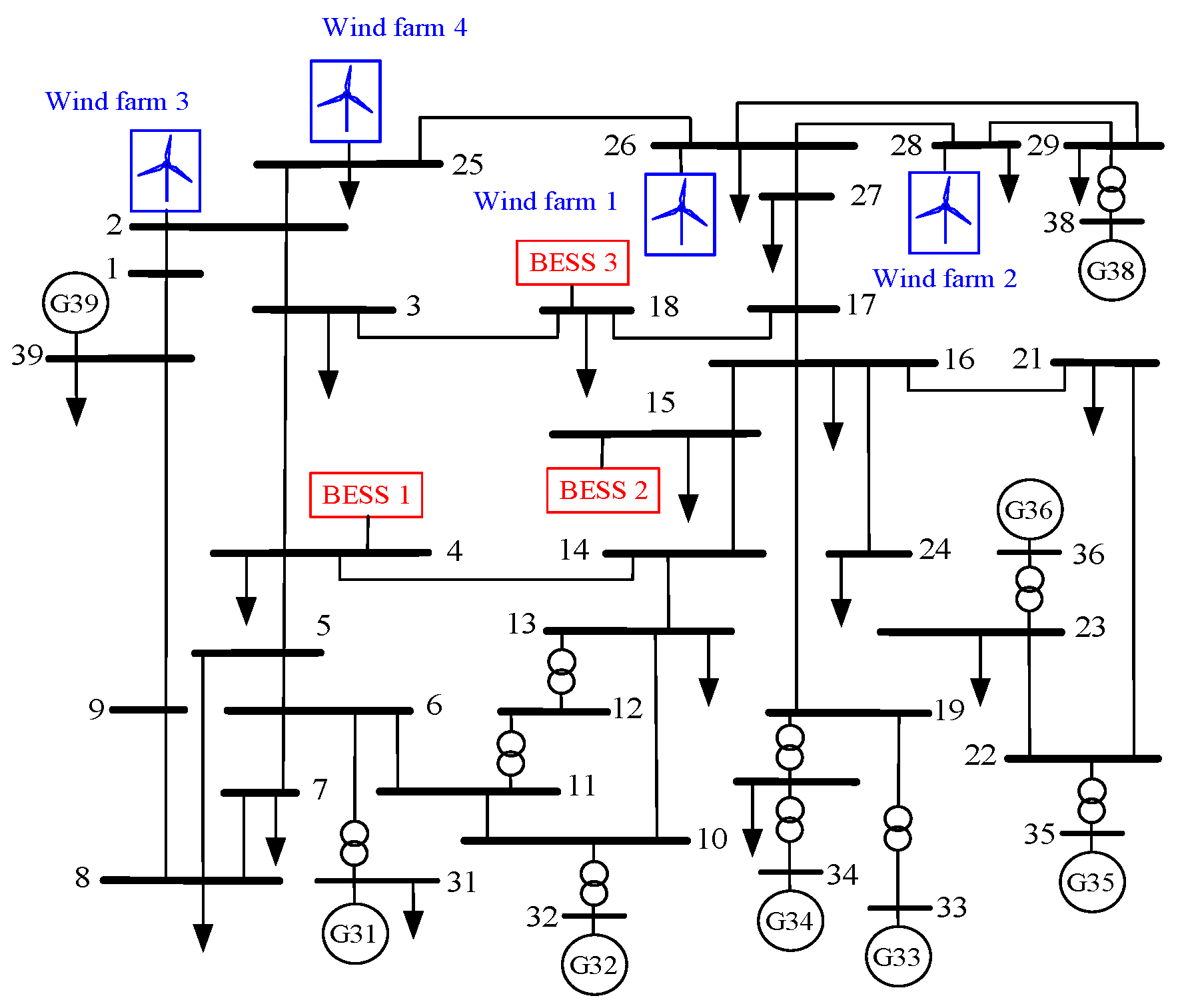
The grid structure of the modified IEEE 39-bus system is shown in Figure 3. Compared with the original IEEE 39-bus system, two generators, G30 and G37, are replaced by WTs, and additional WTs are connected to bus 26 and bus 28. The installed capacity of WTs and SGs accounts for 22% and 78%, respectively. In addition, three BESSs are added at bus 4, bus 15, and bus 18, with the maximum power of 30 MW, 50 MW, and 60 MW, respectively. In order to ensure the balance of supplies and demands, all loads are increased in equal proportion. In this system, the generator model adopts the sixth-order generator model (GENROU). The excitation system model is the fourth-order excitation model (IEEET1). The governor model adopts the model (TGOV1), which represents governor action and the reheater time constant effect for a steam turbine. The load model is the comprehensive distribution network load model (CLODZN), containing various loads such as branch, induction motor, discharge lighting, and constant impedance model. In this work, we mainly consider Doubly Fed Induction Generator (DFIG) wind turbines for modeling and simulation. Specifically, the wind turbine model adopted is the WT3G1 model in PSS/E, which is widely used to represent DFIG-based wind turbines with flexible control capabilities.
Figure 3.
Grid structure of the modified IEEE-39 bus system.
In this paper, the maximum allowable RoCoF is set as 0.2 Hz/s, the maximum allowable steady-state frequency deviation is 0.2 Hz, the allowable frequency nadir is 49.5 Hz, and the maximum overshoot is 150%. The predicted value of wind power at each hour in a day is shown in Figure 4, and the wind power forecast confidence probability Φ(α) is set to 95%.
Figure 4.
Predicted values of wind power at each hour in a day.
5.1.2. Robustness Verification of Optimization Model to Wind Power Uncertainty
After solving the optimization model, the results are obtained as shown in Table 1 and Figure 5. According to the optimization results, all units need to be kept on for 24 h. Among them, the output powers of G31, G34, G35, G36, and G39 remain unchanged, and the output powers are shown in Table 1, while the output powers of G32, G33, and G38 versus time are shown in Figure 5.
Table 1.
Output powers of units with constant power.
Figure 5.
Output powers of units with varying power.
The output powers of the three BESSs at each hour are shown in Figure 6. In this case, the wind power does not need to participate in the PFR; the frequency stability requirements can be satisfied only by SGs and BESSs. Therefore, in the optimization result, the wind power reserve is zero.
Figure 6.
Output powers of the BESSs.
In order to verify the robustness of the optimization results to the wind power uncertainty, the results at 4 a.m. and 11 a.m. are selected for simulation calculation. According to Figure 4 and Figure 5, at 4 a.m., the wind power is at its highest peak in a day. According to (14) and (16), when the prediction error is the largest, the total output of the four WTs is 104 MW less than the expected value, and the simulation is carried out under this condition. The disturbance is selected as a step of 10% of the total load, and the frequency response is obtained as the black curve in Figure 7. Similarly, the wind is at its lowest point in a day at 11 a.m. When the prediction error is the largest, the total output of the four WTs is 27 MW less than the expected value. The simulation is carried out under these conditions, and the frequency response is obtained as the red curve in Figure 7 shows.
Figure 7.
Frequency responses at different moments.
It can be seen from Figure 7 that after considering the wind power uncertainty, the optimization results are robust under different wind power outputs and effectively ensure that the frequency stability constraints are met.
To further verify the superiority of the proposed method in addressing wind power uncertainty, a comparison with existing methods was conducted. Taking a generator shedding as an example, the maximum frequency deviation margin after a disturbance was calculated for various methods, as shown in Table 2. The results in Table 2 indicate that the robustness of the proposed method to wind power uncertainty is superior to that of the existing methods.
Table 2.
Comparison between different methods.
In addition, to further discuss the impact of inertia and damping coefficients on frequency constraints, the maximum frequency deviation margin is calculated under different parameter settings, as shown in Table 3 and Table 4. From Table 3 and Table 4, it can be seen that with the increase in inertia and damping coefficients, the proposed method demonstrates a stronger capability to constrain the maximum frequency deviation. This is because the system’s inherent stability margin is improved.
Table 3.
Influence of inertia on constraints.
Table 4.
Influence of damping ratios on constraints.
5.1.3. Influence of Frequency Stability Constraints
In order to analyze the influence of the frequency stability constraints on the scheduling, the optimization is carried out in the following two schemes: with the frequency stability constraints and without the frequency stability constraints. According to the optimization results, the UC of the two schemes is different, mainly reflected in the startup scheme of unit G35. When considering the frequency stability constraints, all units need to remain on for 24 h. Without the frequency stability constraints, unit G35 only needs to be on for part of the time. Figure 8 shows the startup time of unit G35 under the two schemes.
Figure 8.
Startup time of unit G35 under the two schemes.
The data at 4 a.m. is selected for simulation. The disturbance is chosen as a step of 10% of the total load. The frequency responses under the two schemes of considering frequency stability constraints and without frequency stability constraints are shown in Figure 9. It can be seen from Figure 9 that when the frequency stability constraints are not considered, the steady-state frequency deviation will exceed the limit. Since the frequency stability constraints are not considered, unit G35 is shut down at 4 a.m. to reduce operation cost, which also reduces the system inertia and the adjustment coefficient. As defined in Equation (25), the total operation cost includes the fuel costs, startup/shutdown costs, and wind curtailment penalties. The case study results, particularly in Section 5.1.3, show that when frequency stability constraints are considered, the operating cost increases (from USD 573,150 to USD 577,160 in the modified IEEE 39-bus system). This is primarily due to the need to keep additional units online to enhance inertia and frequency stability, which leads to higher fuel and startup costs, as well as potential curtailment. These results clearly illustrate the trade-off between economic efficiency and system stability: stricter frequency stability requirements improve system security but result in higher operation costs.
Figure 9.
Frequency responses with and without frequency stability constraints.
5.1.4. Smoothing Effect of the BESS on the Wind Power Fluctuations
In this paper, the smoothing effect of the BESS on the wind power fluctuations is considered in the COS model. In the modified IEEE 39-bus system, the wind power fluctuations before and after the BESS are taken into account, as shown in Figure 10. In Figure 10, the black curve is the total wind power of the system versus time, and the red curve is the result of the wind power plus the powers of the three BESSs. It can be seen from the comparison of the two curves that the BESS can effectively cut the peak and fill the valley, smoothing the wind power fluctuation. The SOCs of the three BESSs versus time are shown in Figure 11.
Figure 10.
Wind power fluctuations with and without the smoothing effect of BESSs.
Figure 11.
SOCs of the three BESSs.
5.1.5. Effect of the WTs on Frequency Stability
If the WTs participate in PFR, the WTs cannot operate at the maximum power point, resulting in wind curtailment and increased operation costs. Therefore, it is not expected that the WTs participate in the PFR when conventional means can satisfy the frequency stability. However, as the penetration rate of wind power increases, relying only on SGs will gradually fail to meet the demand for the PFR, and the WTs will become an important participant in the PFR. In a power system with a high proportion of wind power, we hope to reduce the amount of wind curtailment as much as possible on the premise of meeting the frequency stability requirements. On the basis of the system shown in Figure 3, three units (G32, G33, and G36) are further replaced by WTs. The proportion of the WT installed capacity reaches 53%, while the proportion of the SG installed capacity drops to 47%. In this case, relying only on the SGs can no longer satisfy the frequency stability constraints. If the WT does not participate in the PFR, even if all units are turned on, the maximum frequency deviation and the steady-state frequency deviation both exceed the limit under a common load fluctuation. Assuming a step of 10% of the total load occurs in the system, simulations are carried out in PSS/E, and the frequency response is as the black curve in Figure 12. Solving the COS model proposed in this paper, it is calculated that if 750 MW of wind power is reserved, the frequency stability constraints will be satisfied. After the WTs participate in the PFR, the simulation is carried out, and the simulation result is shown as the red curve in Figure 12. Comparing the two curves in Figure 12, it can be seen that in a power system with a high proportion of wind power, it is difficult to ensure frequency stability only by relying on the SGs. The participation of the WTs in the PFR will become an important means to guarantee the frequency stability. Utilizing the proposed COS model, the amount of wind curtailment can be reduced as much as possible on the premise of ensuring frequency stability.
Figure 12.
Frequency responses with and without wind power regulation.
5.2. Modified Illinois 200-Bus System
To enhance the reproducibility of our case study on the modified Illinois 200-bus system, specific parameterization details are provided as follows. In the modified system, seven WTs and five BESSs are integrated. The WTs are connected to buses 10, 24, 53, 76, 101, 143, and 167, with installed capacities of 200 MW, 150 MW, 150 MW, 120 MW, 100 MW, 80 MW, and 50 MW, respectively. The BESSs are connected to buses 5, 38, 69, 122, and 190, with rated power capacities of 50 MW, 40 MW, 40 MW, 30 MW, and 20 MW, respectively. Apart from these modifications, all other system parameters, including generator characteristics, load profiles, dynamic models, transmission line ratings, and control settings, are kept consistent with the original Illinois 200-bus system, which is supported in Supplementary Materials. These detailed descriptions ensure that the test system configuration is transparent and the results of this study can be readily reproduced. According to multiple test results, the average computation time is 4851 s. Since the first stage optimization is performed day-ahead, the computation time is acceptable. The upper bound and the lower bound versus iterations are examined in Figure 13. The results show that the proposed Benders decomposition algorithm obtains the preferred solution within thousands of iterations.
Figure 13.
Upper bound and lower bound versus iterations.
The hourly UC obtained by the proposed COS model is presented in Figure 14 (only units with a capacity greater than 100 MW are shown here). We adjust the PSS/E power flow data according to the optimization results at 12 a.m., and then carry out the simulation. The largest single load in an area is taken as the maximum active power disturbance that may occur in the area. The simulation results are shown in Figure 15. It can be seen that the frequency response satisfies the frequency stability constraints. Therefore, the proposed COS model for power systems with WTs and BESSs is considered to be exact.
Figure 14.
Hourly UC of the modified Illinois 200-bus system.
Figure 15.
Frequency responses under different load fluctuations.
6. Conclusions
This paper presents a novel frequency stability-constrained COS model, which is suitable for power systems with integrated high-penetration wind power and BESSs. The basic idea of the frequency stability constrained COS model is to calculate the power reserve of WTs, the output power of BESSs, and the UC of SGs under the security constraints. By establishing the PFR model, this paper deduces the frequency stability constraint expressions analytically, including the RoCoF, the maximum frequency deviation, and the steady-state frequency deviation. The proposed COS model comprehensively considers the participation of SGs, WTs, and BESSs in PFR, as well as the influence of the wind power uncertainty on the optimization results. In addition, a linearization method is given, which transforms the original COS model into an MILP model, and the Benders decomposition method is utilized to solve it. The optimization results of two test systems, the modified IEEE 39-bus system and the modified Illinois 200-bus system, show that the proposed COS model is robust to the wind power uncertainty. Even if the wind power output prediction deviation is the largest, the optimization results can still meet various constraints. The simulation results in PSS/E show that the results obtained by the proposed COS model can effectively ensure that the ROCOF, maximum frequency deviation, and the steady-state frequency deviation are all within an allowable range. Moreover, the proposed COS model makes full use of the smoothing effect of BESSs on wind power fluctuations, thereby improving the system operation economy.
Supplementary Materials
The following supporting information can be downloaded at https://icseg.iti.illinois.edu/illinois200/ (accessed on 4 July 2025): The original Illinois 200-bus system parameters.
Author Contributions
Conceptualization, H.L. and J.Z.; methodology, J.Z.; software, J.Z.; validation, H.L. and G.W.; formal analysis, H.L. and J.Z.; investigation, H.X.; data curation, J.Z.; writing—original draft preparation, J.Z.; writing—review and editing, J.Z. and G.W.; visualization, Y.H. and G.W.; supervision, Y.H. and G.W.; project administration, Y.H.; funding acquisition, H.L. and H.X. All authors have read and agreed to the published version of the manuscript.
Funding
This research was funded by the Science and Technology Project of China Southern Power Grid Company Limited (China) (Grant number: 000005KC24010027).
Data Availability Statement
The original contributions presented in this study are included in the article and Supplementary Material. Further inquiries can be directed to the corresponding author.
Conflicts of Interest
Authors Hongtao Liu and Huifan Xie were employed by the company China Southern Power Grid Company Limited, with Science and Technology Project of China Southern Power Grid Company Limited (China). (Grant number: 000005KC24010027). The remaining authors declare that the research was conducted in the absence of any commercial or financial relationships that could be construed as a potential conflict of interest.
Abbreviations
The following abbreviations are used in this manuscript:
| WT | Wind Turbine |
| BESS | Battery Energy Storage System |
| COS | Coordinated Operation Strategy |
| PFR | Primary Frequency Regulation |
| MILP | Mixed Integer Linear Programming |
| UC | Unit Commitment |
| RoCoF | Rate of Change in Frequency |
| SOC | State of Charge |
| MP | Master Problem |
| SP | Sub-Problem |
| SG | Synchronous Generator |
| DP | Dual Problem |
| DFIG | Doubly Fed Induction Generator |
References
- Wang, G.; Wang, C.; Hao, Q.; Shahidehpour, M. Load Frequency Control Method for Cyber-Physical Power Systems With 100% Renewable Energy. IEEE Trans. Power Syst. 2024, 39, 4684–4698. [Google Scholar] [CrossRef]
- Li, X.; Hui, D.; Lai, X. Battery energy storage station (BESS)-based smoothing control of photovoltaic (PV) and wind power generation fluctuations. IEEE Trans. Sustain. Energy 2013, 4, 464–473. [Google Scholar] [CrossRef]
- Zhang, Y.; Zhang, R.; Zhang, Z.; Wang, H.; Shao, B. Design and realization of security checking of day-ahead generation schedules in power market. In Proceedings of the International Conference on Power System Technology, Kunming, China, 13–17 October 2002; Volume 4, pp. 2367–2370. [Google Scholar]
- Huang, Y.; Zhang, J.; Wang, G.; Xu, Z. Transient stability analysis and improvement of isolated renewable energy bases with VSC-DC transmission. CSEE J. Power Energy Syst. 2025. [Google Scholar] [CrossRef]
- Xiao, H.; Gan, H.; Yang, P.; Li, L.; Li, D.; Hao, Q.; Huang, Y.; Dai, L.; Liu, Y. Robust Submodule Fault Management in Modular Multilevel Converters With Nearest Level Modulation for Uninterrupted Power Transmission. IEEE Trans. Power Deliv. 2024, 39, 931–946. [Google Scholar] [CrossRef]
- Li, J.; Zhou, S.; Xu, Y.; Zhu, M.; Ye, L. A multi-band uncertainty set robust method for unit commitment with wind power generation. Int. J. Electr. Power Energy Syst. 2021, 131, 107125. [Google Scholar] [CrossRef]
- Dong, J.; Han, S.; Shao, X.; Tang, L.; Chen, R.; Wu, L.; Zheng, C.; Li, Z.; Li, H. Day-ahead wind-thermal unit commitment considering historical virtual wind power data. Energy 2021, 235, 121324. [Google Scholar] [CrossRef]
- Lu, J.; Liu, T.; He, C.; Nan, L.; Hu, X. Robust day-ahead coordinated scheduling of multi-energy systems with integrated heat-electricity demand response and high penetration of renewable energy. Renew. Energy 2021, 178, 466–482. [Google Scholar] [CrossRef]
- Ma, X.; Ning, C.; Li, L.; Qiu, H.; Gu, W.; Dong, Z. Bayesian Nonparametric Two-Stage Distributionally Robust Unit Commitment Optimization: From Global Multimodality to Local Trimming-Wasserstein Ambiguity. IEEE Trans. Power Syst. 2024, 39, 6702–6715. [Google Scholar] [CrossRef]
- Wu, W.; Wang, Z.; Li, X.; Guo, L.; Liu, Y.; Zhai, J.; Wang, C. Physics-Informed Probability Distribution Assessment for Primary Frequency Regulation Capability of Wind Farms Considering Wind Speed Uncertainty. J. Mod. Power Syst. Clean Energy 2025. [Google Scholar] [CrossRef]
- Guo, Y.; Ming, B.; Huang, Q.; Wang, Y.; Zheng, X.; Zhang, W. Risk-averse day-ahead generation scheduling of hydro–wind–photovoltaic complementary systems considering the steady requirement of power delivery. Appl. Energy 2022, 309, 118467. [Google Scholar] [CrossRef]
- Hou, W.; Wei, H. Data-driven robust day-ahead unit commitment model for hydro/thermal/wind/photovoltaic/nuclear power systems. Int. J. Electr. Power Energy Syst. 2021, 125, 106427. [Google Scholar] [CrossRef]
- Lin, Z.; Chen, H.; Wu, Q.; Huang, J.; Li, M.; Ji, T. A data-adaptive robust unit commitment model considering high penetration of wind power generation and its enhanced uncertainty set. Int. J. Electr. Power Energy Syst. 2021, 129, 106797. [Google Scholar] [CrossRef]
- Hou, W.; Hou, L.; Zhao, S.; Liu, W. A hybrid data-driven robust optimization approach for unit commitment considering volatile wind power. Electr. Power Syst. Res. 2022, 205, 107758. [Google Scholar] [CrossRef]
- Guo, Z.; Wei, W.; Chen, L.; Shahidehpour, M.; Mei, S. Economic Value of Energy Storages in Unit Commitment With Renewables and Its Implication on Storage Sizing. IEEE Trans. Sustain. Energy 2021, 12, 2219–2229. [Google Scholar] [CrossRef]
- Wang, S.; Zheng, N.; Bothwell, C.D.; Xu, Q.; Kasina, S.; Hobbs, B.F. Crediting Variable Renewable Energy and Energy Storage in Capacity Markets: Effects of Unit Commitment and Storage Operation. IEEE Trans. Power Syst. 2022, 37, 617–628. [Google Scholar] [CrossRef]
- Chen, Y.; Baldick, R. Battery Storage Formulation and Impact on Day Ahead Security Constrained Unit Commitment. IEEE Trans. Power Syst. 2022, 37, 3995–4005. [Google Scholar] [CrossRef]
- Wu, X.; Li, N.; He, M.; Wang, X.; Ma, S.; Cao, J. Risk-constrained day-ahead scheduling for gravity energy storage system and wind turbine based on IGDT. Renew. Energy 2022, 185, 904–915. [Google Scholar] [CrossRef]
- Hong, Y.-Y.; Apolinario, G.F.D.; Lu, T.-K.; Chu, C.-C. Chance-constrained unit commitment with energy storage systems in electric power systems. Energy Rep. 2022, 8, 1067–1090. [Google Scholar] [CrossRef]
- Wu, T.; Zhang, Y.A.; Wang, S. Deep Learning to Optimize: Security-Constrained Unit Commitment With Uncertain Wind Power Generation and BESSs. IEEE Trans. Sustain. Energy 2022, 13, 231–240. [Google Scholar] [CrossRef]
- Hao, L.; Ji, J.; Xie, D.; Wang, H.; Li, W.; Asaah, P. Scenario-based Unit Commitment Optimization for Power System with Large-scale Wind Power Participating in Primary Frequency Regulation. J. Mod. Power Syst. Clean Energy 2020, 8, 1259–1267. [Google Scholar] [CrossRef]
- Zhang, Z.; Du, E.; Teng, F.; Zhang, N.; Kang, C. Modeling Frequency Dynamics in Unit Commitment With a High Share of Renewable Energy. IEEE Trans. Power Syst. 2020, 35, 4383–4395. [Google Scholar] [CrossRef]
- Mousavi-Taghiabadi, S.M.; Sedighizadeh, M.; Zangiabadi, M.; Fini, A.S. Integration of wind generation uncertainties into frequency dynamic constrained unit commitment considering reserve and plug in electric vehicles. J. Clean. Prod. 2020, 276, 124272. [Google Scholar] [CrossRef]
- Zhang, C.; Liu, L.; Cheng, H.; Liu, D.; Zhang, J.; Li, G. Frequency-constrained Co-planning of Generation and Energy Storage with High-penetration Renewable Energy. J. Mod. Power Syst. Clean Energy 2021, 9, 760–775. [Google Scholar] [CrossRef]
- Zhang, Y.; Cui, H.; Liu, J.; Qiu, F.; Hong, T.; Yao, R.; Li, F. Encoding Frequency Constraints in Preventive Unit Commitment Using Deep Learning with Region-of-Interest Active Sampling. IEEE Trans. Power Syst. 2022, 37, 1942–1955. [Google Scholar] [CrossRef]
- Lagos, D.; Hatziargyriou, N.D. Data-Driven Frequency Dynamic Unit Commitment for Island Systems With High RES Penetration. IEEE Trans. Power Syst. 2021, 36, 4699–4711. [Google Scholar] [CrossRef]
- Oskouee, S.S.; Kamali, S.; Amraee, T. Primary Frequency Support in Unit Commitment Using a Multi-Area Frequency Model With Flywheel Energy Storage. IEEE Trans. Power Syst. 2021, 36, 5105–5119. [Google Scholar] [CrossRef]
- Badesa, L.; Teng, F.; Strbac, G. Conditions for Regional Frequency Stability in Power System Scheduling—Part II: Application to Unit Commitment. IEEE Trans. Power Syst. 2021, 36, 5567–5577. [Google Scholar] [CrossRef]
- Yang, Y.; Peng, J.C.-H.; Ye, C.; Ye, Z.-S.; Ding, Y. A Criterion and Stochastic Unit Commitment Towards Frequency Resilience of Power Systems. IEEE Trans. Power Syst. 2022, 37, 640–652. [Google Scholar] [CrossRef]
- Ferrandon-Cervantes, C.J.; Kazemtabrizi, B.; Troffaes, M.C.M. Inclusion of frequency stability constraints in unit commitment using separable programming. Electr. Power Syst. Res. 2022, 203, 107669. [Google Scholar] [CrossRef]
- Anderson, P.M.; Mirheydar, M. A low-order system frequency response model. IEEE Trans. Power Syst. 1990, 5, 720–729. [Google Scholar] [CrossRef]
Disclaimer/Publisher’s Note: The statements, opinions and data contained in all publications are solely those of the individual author(s) and contributor(s) and not of MDPI and/or the editor(s). MDPI and/or the editor(s) disclaim responsibility for any injury to people or property resulting from any ideas, methods, instructions or products referred to in the content. |
© 2025 by the authors. Licensee MDPI, Basel, Switzerland. This article is an open access article distributed under the terms and conditions of the Creative Commons Attribution (CC BY) license (https://creativecommons.org/licenses/by/4.0/).














