Bi-Level Optimization-Based Bidding Strategy for Energy Storage Using Two-Stage Stochastic Programming
Abstract
1. Introduction
1.1. Related Works
1.2. Our Contributions
- 1
- Based on the day-ahead and real-time market timeline analysis and the types of services provided by energy storage, a trading framework for energy storage to participate in the day-ahead electricity market, day-ahead reserve market and real-time balancing market is established.
- 2
- The uncertainty of wind power output is quantified using output scenarios to establish a two-stage stochastic optimization model. The bi-level model is equivalently transformed into a single-level model through Lagrangian duality and KKT conditions. Nonlinear terms within the model are linearized using binary expansion and the big-M method, thereby reducing the complexity of solving the problem.
- 3
- The proposed method is tested on the modified IEEE RTS-24 and 118-bus systems. The impact of bidding strategies on energy storage market revenue is analyzed. Compared with participating in the market as a price-taker and bidding according to marginal cost, the method proposed in this paper can bring a 16.73% and 13.02% increase in total market revenue, respectively.
2. Market Model
- 1
- The non-convex characteristics of thermal power generators, such as on/off states and fixed costs, are not considered.
- 2
- The costs associated with reserves include reserve allocation costs and utilization costs. In this study, it is assumed that the former is obtained from the reserve balance equation, and the latter is consistent with the clearing price in the real-time stage, which refers to the European spot market reserve pricing scheme [30,31,32].
- 3
- Wind power has no marginal cost. Energy storage charging and discharging efficiencies are consistent, and constraints on the rates of energy storage charging and discharging are not considered.
- 4
- In the market, energy storage can engage in strategic bidding, while other market participants can only bid based on their marginal costs.
2.1. Upper-Level Model
2.2. Lower-Level Model
3. Solution Methodology
3.1. Model Transformation
3.2. Linearization
- (1)
- The nonlinear terms in the objective function.
- (2)
- The nonlinear terms in complementarity constraints.
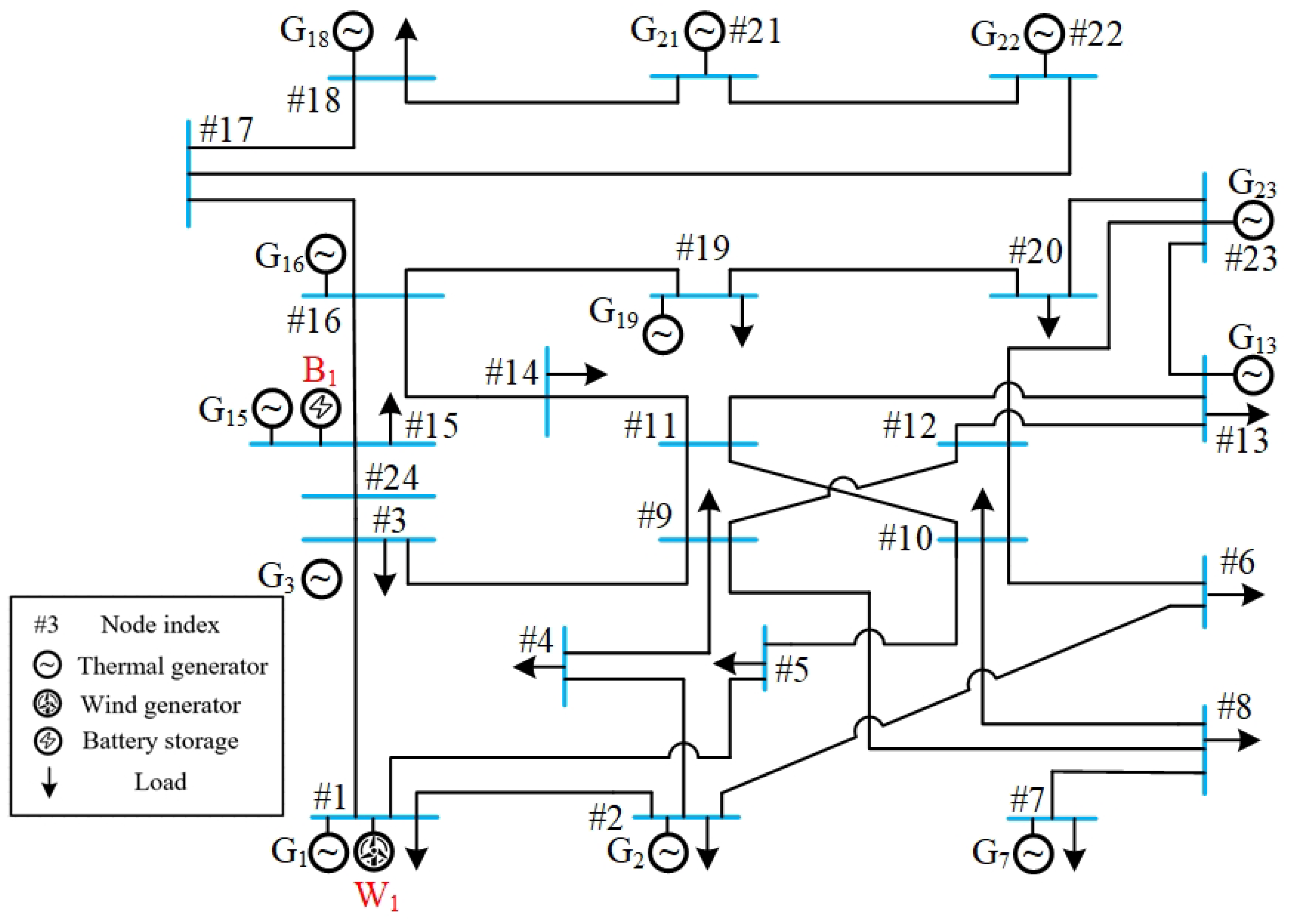
4. Numerical Studies
4.1. System Data
4.2. Analysis of Market Results
4.3. Comparative Analysis of Market Types
4.4. Analysis of the Impact of Bidding Strategies
4.5. Analysis of Model Scalability
- (1)
- Impact of energy storage configuration
- (2)
- Analysis of computation performance
5. Conclusions
Author Contributions
Funding
Data Availability Statement
Conflicts of Interest
Abbreviations
| JPY | Chinese Currency Unit (Yuan) |
| KKT | Karush–Kuhn–Tucker |
| MILP | Mixed Integer Linear Programming |
| SoC | State of Charge |
| RES | Renewable Energy Sources |
| FTR | Financial Transmission Rights |
| Nomenclature | |
| (1) Indices and Sets | |
| Index and set of time periods | |
| Index and set of nodes | |
| Index of wind output scenarios | |
| Index and set of generating units | |
| Index and set of loads | |
| Index and set of wind units | |
| Index and set of battery units | |
| Set of nodes directly connected to node n | |
| Set of generating units located at node n | |
| Set of loads located at node n | |
| Set of wind units located at node n | |
| Set of battery units located at node n | |
| (2) Parameters | |
| Duration of period t (h) | |
| Probability of wind power scenario | |
| Power consumption by load j in period t (MW) | |
| Minimum power output of generating unit i (MW) | |
| Maximum power output of generating unit i (MW) | |
| Transmission capacity of line between node n and m (MW) | |
| Variable energy cost of unit i ($/MWh) | |
| Maximum down-reserve for generating unit i (MW) | |
| Maximum up-reserve for generating unit i (MW) | |
| Ramp down limit of generating unit i (MW) | |
| Ramp up limit of generating unit i (MW) | |
| Maximum power output of wind unit q in time period t (MW) | |
| Realization of wind power output for wind unit q in time period t and scenario (MW) | |
| Susceptance of line between node n and m (per unit) | |
| Upper limit of strategic bidding variable of battery unit b in day-ahead stage | |
| Upper limit of strategic bidding variable of battery unit b in real-time stage | |
| Charge and discharge efficiency of battery unit | |
| Initial power of battery unit b (MWh) | |
| Minimum capacitance of battery unit b (MWh) | |
| Maximum capacitance of battery unit b (MWh) |
| (3) Variables | |
| Clearing price for node n in period t at day-ahead stage (JPY) | |
| Down-reserve clearing price for node n in period t at day-ahead stage (JPY) | |
| Up-reserve clearing price for node n in period t at day-ahead stage (JPY) | |
| Clearing price for node n in period t and scenario at real-time stage (JPY) | |
| Angle of node n in period t at day-ahead stage | |
| Angle of node n in period t and scenario at real-time stage | |
| Power output of generating unit i in period t (MW) | |
| Deployed down-reserve of generating unit i in period t and scenario (MW) | |
| Deployed up-reserve of generating unit i in period t and scenario (MW) | |
| Power scheduled of wind unit q in period t (MW) | |
| Wind power spillage of unit q in period t and scenario (MW) | |
| Charge power of battery unit b in period t (MW) | |
| Discharge power of battery unit b in period t (MW) | |
| Deployed up-reserve of battery unit b in charging status (MW) | |
| Deployed up-reserve of battery unit b in discharging status (MW) | |
| Deployed down-reserve of battery unit b in charging status (MW) | |
| Deployed down-reserve of battery unit b in discharging status (MW) | |
| Dispatched up-reserve of battery unit b in charging status and scenario (MW) | |
| Dispatched up-reserve of battery unit b in discharging status and scenario (MW) | |
| Dispatched down-reserve of battery unit b in charging status and scenario (MW) | |
| Dispatched down-reserve of battery unit b in discharging status and scenario (MW) |
References
- Amir, M.; Deshmukh, R.G.; Khalid, H.M.; Said, Z.; Raza, A.; Muyeen, S.; Nizami, A.S.; Elavarasan, R.M.; Saidur, R.; Sopian, K. Energy storage technologies: An integrated survey of developments, global economical/environmental effects, optimal scheduling model, and sustainable adaption policies. J. Energy Storage 2023, 72, 108694. [Google Scholar] [CrossRef]
- Sakti, A.; Botterud, A.; O’Sullivan, F. Review of wholesale markets and regulations for advanced energy storage services in the United States: Current status and path forward. Energy Policy 2018, 120, 569–579. [Google Scholar] [CrossRef]
- Zhao, C.; Andersen, P.B.; Træholt, C.; Hashemi, S. Grid-connected battery energy storage system: A review on application and integration. Renew. Sustain. Energy Rev. 2023, 182, 113400. [Google Scholar] [CrossRef]
- Tian, K.; Zang, Y.; Wang, J.; Zhang, X. Electricity arbitrage for mobile energy storage in marginal pricing mechanism via bi-level programming. Int. J. Electr. Power Energy Syst. 2024, 162, 110330. [Google Scholar] [CrossRef]
- Wang, D.; Liu, N.; Chen, F.; Wang, Y.; Mao, J. Progress and prospects of energy storage technology research: Based on multidimensional comparison. J. Energy Storage 2024, 75, 109710. [Google Scholar] [CrossRef]
- Gomes, I.; Pousinho, H.; Melício, R.; Mendes, V. Stochastic coordination of joint wind and photovoltaic systems with energy storage in day-ahead market. Energy 2017, 124, 310–320. [Google Scholar] [CrossRef]
- Zheng, N.; Qin, X.; Wu, D.; Murtaugh, G.; Xu, B. Energy Storage State-of-Charge Market Model. IEEE Trans. Energy Mark. Policy Regul. 2023, 1, 11–22. [Google Scholar] [CrossRef]
- Xie, Y.; Guo, W.; Wu, Q.; Wang, K. Robust MPC-based bidding strategy for wind storage systems in real-time energy and regulation markets. Int. J. Electr. Power Energy Syst. 2021, 124, 106361. [Google Scholar] [CrossRef]
- Xu, B.; Zhao, J.; Zheng, T.; Litvinov, E.; Kirschen, D.S. Factoring the Cycle Aging Cost of Batteries Participating in Electricity Markets. IEEE Trans. Power Syst. 2018, 33, 2248–2259. [Google Scholar] [CrossRef]
- Shuai, H.; Fang, J.; Ai, X.; Wen, J.; He, H. Optimal Real-Time Operation Strategy for Microgrid: An ADP-Based Stochastic Nonlinear Optimization Approach. IEEE Trans. Sustain. Energy 2019, 10, 931–942. [Google Scholar] [CrossRef]
- Tang, Q.; Guo, H.; Chen, Q. Multi-Market Bidding Behavior Analysis of Energy Storage System Based on Inverse Reinforcement Learning. IEEE Trans. Power Syst. 2022, 37, 4819–4831. [Google Scholar] [CrossRef]
- Luo, Y.; Gao, Y.; Fan, D. Real-time demand response strategy base on price and incentive considering multi-energy in smart grid: A bi-level optimization method. Int. J. Electr. Power Energy Syst. 2023, 153, 109354. [Google Scholar] [CrossRef]
- Marneris, I.G.; Ntomaris, A.V.; Biskas, P.N.; Baslis, C.G.; Chatzigiannis, D.I.; Demoulias, C.S.; Oureilidis, K.O.; Bakirtzis, A.G. Optimal Participation of RES Aggregators in Energy and Ancillary Services Markets. IEEE Trans. Ind. Appl. 2023, 59, 232–243. [Google Scholar] [CrossRef]
- Mehdipourpicha, H.; Bo, R.; Wang, S. Optimal Offering Strategy of GenCo with Joint Participation in FTR Auction and Day-Ahead Market Considering Virtual Bidding. IEEE Trans. Power Syst. 2023, 38, 2247–2260. [Google Scholar] [CrossRef]
- Nasiri, N.; Zeynali, S.; Ravadanegh, S.N.; Marzband, M. Strategic Participation of Integrated Thermal and Electrical Energy Service Provider in Natural Gas and Wholesale Electricity Markets. IEEE Trans. Ind. Inform. 2023, 19, 5433–5443. [Google Scholar] [CrossRef]
- Zhang, S.; Ma, G.; Chen, S.; Huang, W.; Yang, Y. Hydropower Pricing Options for Cross-Border Electricity Trading in China Based on Bi-Level Optimization. IEEE Access 2022, 10, 83869–83883. [Google Scholar] [CrossRef]
- Pourghaderi, N.; Fotuhi-Firuzabad, M.; Kabirifar, M.; Moeini-Aghtaie, M.; Lehtonen, M.; Wang, F. Reliability-Based Optimal Bidding Strategy of a Technical Virtual Power Plant. IEEE Syst. J. 2022, 16, 1080–1091. [Google Scholar] [CrossRef]
- Infante, W.; Ma, J. Multistakeholder Planning and Operational Strategy for Electric Vehicle Battery Swapping Stations. IEEE Syst. J. 2022, 16, 3543–3553. [Google Scholar] [CrossRef]
- Mehdipourpicha, H.; Wang, S.; Bo, R. Developing Robust Bidding Strategy for Virtual Bidders in Day-Ahead Electricity Markets. IEEE Open Access J. Power Energy 2021, 8, 329–340. [Google Scholar] [CrossRef]
- Wang, X.; Ying, L.; Wen, K.; Lu, S. Bi-level non-convex joint optimization model of energy storage in energy and primary frequency regulation markets. Int. J. Electr. Power Energy Syst. 2022, 134, 107408. [Google Scholar] [CrossRef]
- Yu, W.; Ke, L.; Shuzhen, L.; Xin, M.; Chenghui, Z. A bi-level scheduling strategy for integrated energy systems considering integrated demand response and energy storage co-optimization. J. Energy Storage 2023, 66, 107508. [Google Scholar] [CrossRef]
- Fan, W.; Tan, Q.; Zhang, A.; Ju, L.; Wang, Y.; Yin, Z.; Li, X. A Bi-level optimization model of integrated energy system considering wind power uncertainty. Renew. Energy 2023, 202, 973–991. [Google Scholar] [CrossRef]
- Smets, R.; Bruninx, K.; Bottieau, J.; Toubeau, J.F.; Delarue, E. Strategic Implicit Balancing With Energy Storage Systems via Stochastic Model Predictive Control. IEEE Trans. Energy Mark. Policy Regul. 2023, 1, 373–385. [Google Scholar] [CrossRef]
- Zhang, H.; Li, Z.; Xue, Y.; Chang, X.; Su, J.; Wang, P.; Guo, Q.; Sun, H. A Stochastic Bi-Level Optimal Allocation Approach of Intelligent Buildings Considering Energy Storage Sharing Services. IEEE Trans. Consum. Electron. 2024, 70, 5142–5153. [Google Scholar] [CrossRef]
- Zhang, D.; Li, Y.; Chang, L.; Li, L. Domestic and foreign energy storage participation in electricity market trading: Practical analysis and prospects. In Proceedings of the 2024 IEEE 8th Conference on Energy Internet and Energy System Integration (EI2), Shenyang, China, 29 November–2 December 2024; pp. 4367–4376. [Google Scholar] [CrossRef]
- Nasrolahpour, E.; Kazempour, S.J.; Zareipour, H.; Rosehart, W.D. Strategic Sizing of Energy Storage Facilities in Electricity Markets. IEEE Trans. Sustain. Energy 2016, 7, 1462–1472. [Google Scholar] [CrossRef]
- Mavromatidis, G.; Orehounig, K.; Carmeliet, J. Design of distributed energy systems under uncertainty: A two-stage stochastic programming approach. Appl. Energy 2018, 222, 932–950. [Google Scholar] [CrossRef]
- Vera, E.G.; Cañizares, C.A.; Pirnia, M.; Guedes, T.P.; Trujillo, J.D.M. Two-Stage Stochastic Optimization Model for Multi-Microgrid Planning. IEEE Trans. Smart Grid 2023, 14, 1723–1735. [Google Scholar] [CrossRef]
- Abunima, H.; Park, W.H.; Glick, M.B.; Kim, Y.S. Two-Stage stochastic optimization for operating a Renewable-Based Microgrid. Appl. Energy 2022, 325, 119848. [Google Scholar] [CrossRef]
- Dvorkin, Y.; Fernández-Blanco, R.; Kirschen, D.S.; Pandžić, H.; Watson, J.P.; Silva-Monroy, C.A. Ensuring Profitability of Energy Storage. IEEE Trans. Power Syst. 2017, 32, 611–623. [Google Scholar] [CrossRef]
- Vespermann, N.; Delikaraoglou, S.; Pinson, P. Offering strategy of a price-maker energy storage system in day-ahead and balancing markets. In Proceedings of the 2017 IEEE Manchester PowerTech, Manchester, UK, 18–22 June 2017; pp. 1–6. [Google Scholar] [CrossRef]
- Toubeau, J.F.; Bottieau, J.; De Grève, Z.; Vallée, F.; Bruninx, K. Data-Driven Scheduling of Energy Storage in Day-Ahead Energy and Reserve Markets With Probabilistic Guarantees on Real-Time Delivery. IEEE Trans. Power Syst. 2021, 36, 2815–2828. [Google Scholar] [CrossRef]
- Pereira, M.; Granville, S.; Fampa, M.; Dix, R.; Barroso, L. Strategic bidding under uncertainty: A binary expansion approach. IEEE Trans. Power Syst. 2005, 20, 180–188. [Google Scholar] [CrossRef]
- Barroso, L.; Carneiro, R.; Granville, S.; Pereira, M.; Fampa, M. Nash equilibrium in strategic bidding: A binary expansion approach. IEEE Trans. Power Syst. 2006, 21, 629–638. [Google Scholar] [CrossRef]
- Fortuny-Amat, J.; McCarl, B. A Representation and Economic Interpretation of a Two-Level Programming Problem. J. Oper. Res. Soc. 1981, 32, 783–792. [Google Scholar] [CrossRef] [PubMed]
- Fang, W.; Yang, C.; Liu, D.; Huang, Q.; Ming, B.; Cheng, L.; Wang, L.; Feng, G.; Shang, J. Assessment of Wind and Solar Power Potential and Their Temporal Complementarity in China’s Northwestern Provinces: Insights from ERA5 Reanalysis. Energies 2023, 16, 7109. [Google Scholar] [CrossRef]














| Ref. No. | Market Style | Price Acceptance Method | Uncertainty Consideration | Revenue Sources |
|---|---|---|---|---|
| [6] | Day-ahead | Price-taker | × | Energy |
| [7] | Day-ahead | Price-taker | ✔ | Energy |
| [8] | Day-ahead | Price-taker | × | Energy |
| [9] | Day-ahead | Price-taker | × | Energy&Reserve |
| [10] | Day-ahead&Real-time | Price-taker | × | Energy |
| [22] | Real-time | Price-maker | × | Energy |
| [23] | Day-ahead&Real-time | Price-taker | × | Energy |
| [24] | Day-ahead&Real-time | Price-maker | × | Energy |
| [25] | Day-ahead | Price-maker | ✔ | Energy |
| Our work | Day-ahead&Real-time | Price-maker | ✔ | Energy&Reserve |
| Unit No. | Node No. | (MW) | (MW) | (MW/min) | (MW/min) | (JPY/MW) |
|---|---|---|---|---|---|---|
| P1 | 1 | 62.4 | 192 | 2 | 2 | 278.67 |
| P2 | 2 | 62.4 | 192 | 2 | 2 | 278.67 |
| P3 | 7 | 75 | 300 | 7 | 7 | 305.62 |
| P4 | 13 | 207 | 591 | 3 | 3 | 340.06 |
| P5 | 15 | 66.3 | 215 | 3 | 3 | 173.04 |
| P6 | 16 | 54.3 | 155 | 3 | 3 | 86.73 |
| P7 | 18 | 100 | 400 | 6.67 | 6.67 | 30.94 |
| P8 | 21 | 100 | 400 | 6.67 | 6.67 | 30.94 |
| P9 | 22 | 60 | 300 | 5 | 5 | 0.0007 |
| P10 | 23 | 248.6 | 660 | 3 | 3 | 84.7 |
| Parameter | Value | Parameter | Value | Parameter | Value |
|---|---|---|---|---|---|
| 10 | 120 MW | 100 MW | |||
| 10 | 10 MWh | 50 JPY/MW | |||
| 150 MW | 500 WMh | 0.9 | |||
| 150 MW | 100 MW | K | 60 |
| Case No. | Energy Market Profit (JPY) | Reserve Market Profit (JPY) | Real-Time Market Profit (JPY) | Total Profit (JPY) |
|---|---|---|---|---|
| Case 1 | 2,097,459 | / | / | 2,097,459 |
| Case 2 | 2,176,601 | 872,833 | / | 3,049,424 |
| Case 3 | 1,643,922 | 1,121,841 | 568,953 | 3,334,716 |
| Case No. | Energy Market Profit (JPY) | Reserve Market Profit (JPY) | Real-Time Market Profit (JPY) | Total Profit (JPY) | ||
|---|---|---|---|---|---|---|
| Case 3.1 | / | / | 1,397,494 | 736,113 | 393,981 | 2,527,588 |
| Case 3.2 | 1 | 1 | 1,575,371 | 887,607 | 487,494 | 2,950,472 |
| Case 3.3 | 5.48 | 2.30 | 1,643,922 | 1,121,841 | 568,953 | 3,334,716 |
Disclaimer/Publisher’s Note: The statements, opinions and data contained in all publications are solely those of the individual author(s) and contributor(s) and not of MDPI and/or the editor(s). MDPI and/or the editor(s) disclaim responsibility for any injury to people or property resulting from any ideas, methods, instructions or products referred to in the content. |
© 2025 by the authors. Licensee MDPI, Basel, Switzerland. This article is an open access article distributed under the terms and conditions of the Creative Commons Attribution (CC BY) license (https://creativecommons.org/licenses/by/4.0/).
Share and Cite
Hua, K.; Xu, Q.; Fang, L.; Xu, X. Bi-Level Optimization-Based Bidding Strategy for Energy Storage Using Two-Stage Stochastic Programming. Energies 2025, 18, 4447. https://doi.org/10.3390/en18164447
Hua K, Xu Q, Fang L, Xu X. Bi-Level Optimization-Based Bidding Strategy for Energy Storage Using Two-Stage Stochastic Programming. Energies. 2025; 18(16):4447. https://doi.org/10.3390/en18164447
Chicago/Turabian StyleHua, Kui, Qingshan Xu, Lele Fang, and Xin Xu. 2025. "Bi-Level Optimization-Based Bidding Strategy for Energy Storage Using Two-Stage Stochastic Programming" Energies 18, no. 16: 4447. https://doi.org/10.3390/en18164447
APA StyleHua, K., Xu, Q., Fang, L., & Xu, X. (2025). Bi-Level Optimization-Based Bidding Strategy for Energy Storage Using Two-Stage Stochastic Programming. Energies, 18(16), 4447. https://doi.org/10.3390/en18164447

