Motor Airgap Torque Harmonics Due to Cascaded H-Bridge Inverter Operating with Failed Cells
Abstract
1. Introduction
1.1. Investigated System and Background
1.2. Motivations and Importance of This Work
1.3. State of the Art of Existing Fault-Tolerant Methods
1.4. Major Contributions
- (1)
- The proposed expressions of the motor airgap torque harmonics induced by the CHB inverter’s abnormal modes are ready to use for torsional analysis purposes as required by international standards such as API 617. To the best of authors’ knowledge, such expressions have never been reported in any published paper. They are useful for R&D engineers to build reliable VFDs based on the CHB inverter operating with failed cells, such as those commercialized in [2,11,26,27].
- (2)
- The proposed correlation between the CHB inverter output voltage harmonics and the torque’s components during abnormal modes can be used to implement selective harmonic elimination algorithms.
2. Voltage Harmonics Generated by the CHB Inverter Operating with Failed Cells
2.1. Voltage Harmonics Generated by the CHB Inverter Operating in Normal Mode
2.2. Voltage Harmonics Generated by the CHB Inverter Operating in Failed Mode
- Fundamental, ; , it is the useful component.
- Baseband harmonics, , for the PD-PWM, they are localized at odd multiples of the fundamental frequency as shown in Equation (1b). Their ranks are given in Equation (3):
- iii.
- Carrier harmonics, and , as shown in Equation (1c) they appear at odd multiples of the carrier frequency. Their ranks are given in Equation (5):
- iv.
- Sideband harmonics, and , as shown in Equations (1d)–(1e), they are located around even and odd multiples of the carrier frequency, respectively. Their ranks are given in Equations (6) and (7), respectively.
- a.
- Sideband harmonics around even multiples of carrier frequencyIn the LL voltage and current spectra, they appear as given in Equation (4).
- b.
- Sideband harmonics around odd multiples of carrier frequency
3. Motor Airgap Torque Harmonics Due to the CHB Inverter Operating with Failed Cells
3.1. Generic Expressions of the Airgap Torque Harmonics Due to the Stator’s Unbalanced Voltages
- The natural torque harmonics are defined by Equations (14a) and (14c) [28];
- While those defined by Equations (14b) and (14d) appear only during the abnormal modes.
3.2. Relevant Torque Harmonics Due to the CHB Inverter Operating with Failed Cells
3.2.1. Effects of Voltage and Current Harmonics Localized at the Same Frequency
- In Equation (15a), torque components at two times the frequency of the considered voltage and current harmonics are produced. However, they have low magnitudes when due to “” in their denominator.
- In Equation (15b), the DC component is also created. Its magnitude is proportional to the phase-shift angle between the voltage and current harmonics. Figure 4a shows this interaction for the specific case of and .
3.2.2. Baseband Harmonics of the Motor Torque
- Interaction between the fundamental current and baseband harmonics of voltage
- 2.
- Interaction between the fundamental voltage and baseband harmonics of current
3.2.3. Effects of the Carrier Harmonics of the Voltage and Current
- Interaction between the fundamental current and carrier harmonics of voltages
- 2.
- Interaction between the fundamental voltage and carrier harmonics of current
3.2.4. Sideband Harmonics of the Motor Torque
- Interaction between the fundamental current and sideband harmonics of the voltage
- 2.
- Interaction between the fundamental voltage and sideband harmonics of the current
- ■
- By considering Equation (6) in Equation (23), they appear where even multiples of () are paired with even multiples of (), as given in Equation (24a).
- ■
- The carrier harmonics of the torque are included in (Equation (24a), when ). They appear at even multiples of the carrier frequency ().
- ■
- By considering Equation (7) in Equation (23), the related harmonics appear where odd multiples of () are paired with odd multiples of (), as given in Equation (24b):
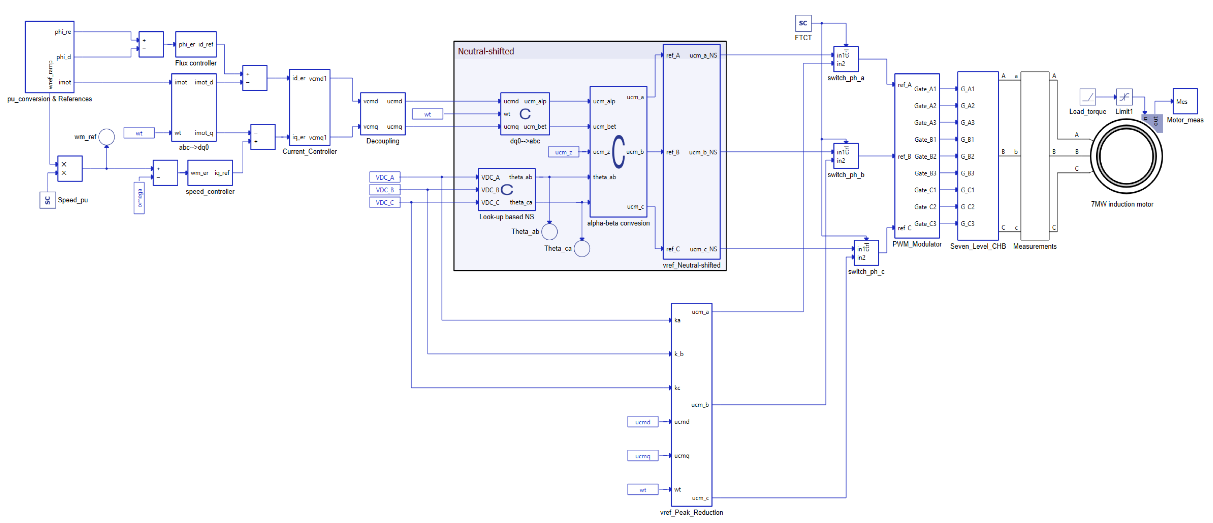
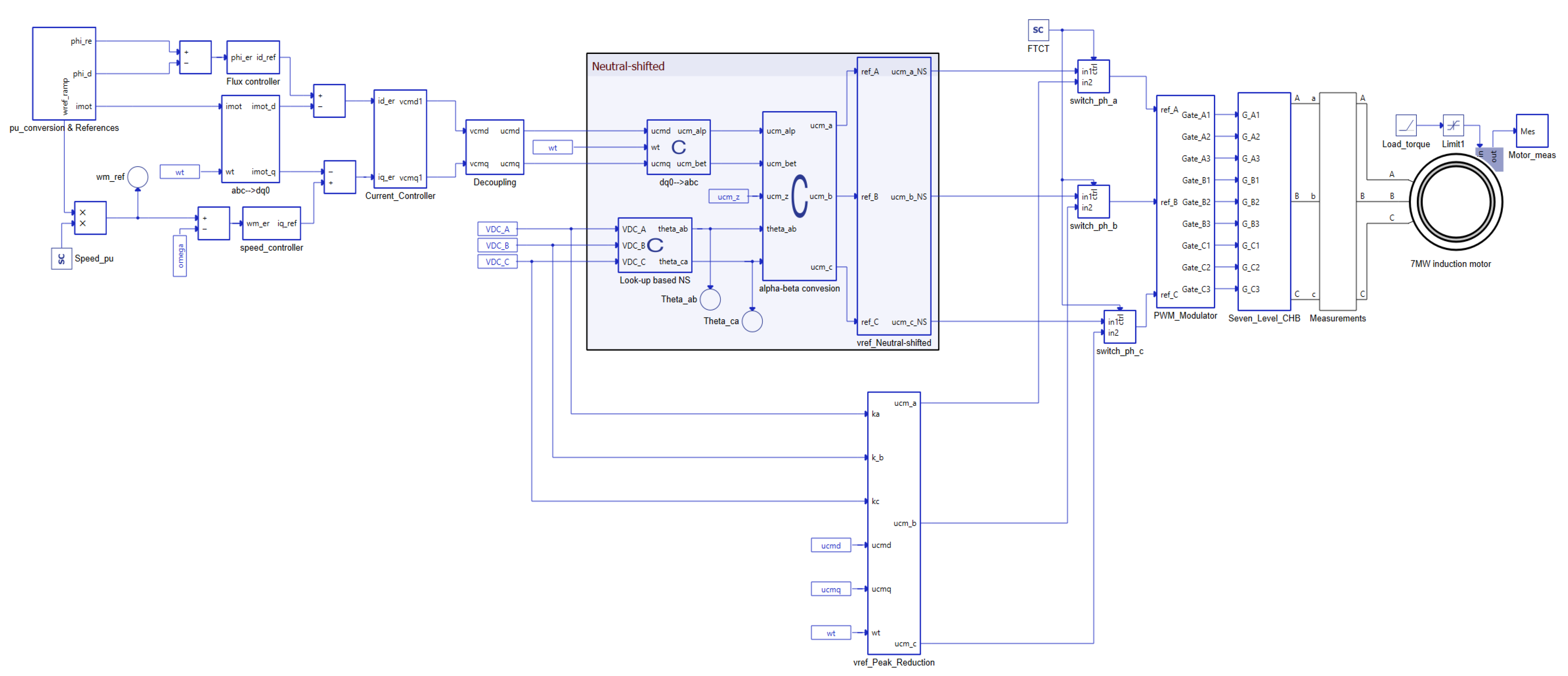
4. Effects of Neutral-Shift and Peak-Reduction Methods on the Motor Torque Spectrum
4.1. Operating Principles of the Neutral-Shifted and Peak-Reduction Methods
4.2. Effects of the Neutral-Shifted and Peak-Reduction Methods on the CHB Inverter Output Voltage Harmonics and Motor Airgap Torque Harmonics
5. Simulation Results and Discussions
5.1. Time Domain Simulation Results for the Normal Condition, Failed Modes, and Corrected Modes (3-3-2)
5.2. Frequency Domain Simulation Results for the Failed and Corrected Modes (3-3-2)
- ■
- Fundamental, = 60 Hz;
- ■
- Baseband harmonics, = 300 Hz, = 420 Hz;
- ■
- Carrier harmonic, = 1000 Hz;
- ■
- Sideband around odd multiples of carrier frequency,: = 760 Hz; = 1240 Hz; = 640 Hz;
- ■
- Sideband around even multiples of carrier frequency,: = 1100 Hz; = 1460 Hz; = 1580 Hz.
- ■
- DC component, 0 Hz.
- ■
- Baseband harmonics, = 120 Hz; = 240 Hz, = 360 Hz. As predicted by Equation (25a), they appear at even multiples of the fundamental frequency.
- ■
- Carrier harmonic, = 2000 Hz. It appears at even multiple of the carrier frequency as predicted by Equation (25b), when .
- ■
- Sideband around odd multiples of the carrier frequency,(): = 20 Hz; = 100 Hz; = 940 Hz. They appear when and are odd numbers, as predicted in Equation (25c).
- ■
- The fundamental of the LL voltages and currents = 60 Hz creates the DC (0 Hz) and = 120 Hz components of torque (green arrows).
- ■
- The baseband harmonic of the LL voltages and currents = 420 Hz creates the torque baseband = 360 Hz and = 480 Hz (turquoise solid lines).
- ■
- The triplen sideband harmonic of the LL voltages and currents (red dashed arrow) produce the torque harmonics = 580 Hz and = 700 Hz.
5.3. Performance Comparisons of the Fault-Tolerant Control Techniques for the CHB Inverter
6. Conclusions
Author Contributions
Funding
Data Availability Statement
Conflicts of Interest
Appendix A
References
- TECOWESTINGHOUSE. Available online: https://www.tecowestinghouse.com/product/versabridge/ (accessed on 24 July 2025).
- INVT. Available online: https://www.invt.com/products/gd5000-l-03-compact-medium-voltage-drive-183 (accessed on 11 February 2025).
- AuCom. Available online: https://www.aucom.com/ (accessed on 11 February 2025).
- Kouro, S.; Malinowski, M.; Gopakumar, K.; Pou, J.; Franquelo, L.G.; Wu, B.; Rodriguez, J.; Pérez, M.A.; Leon, J.I. Recent Advances and Industrial Applications of Multilevel Converters. IEEE Trans. Ind. Electron. 2010, 57, 2553–2580. [Google Scholar] [CrossRef]
- Hamza, H.; Song-Manguelle, J.; Lingom, P.M.; Nyobe-Yome, J.; Doumbia, M.L. A Review of Fault-Tolerant Control Methods for Cascaded H-Bridge Multilevel Inverters. In Proceedings of the 2023 IEEE 14th International Conference on Power Electronics and Drive Systems (PEDS), Montreal, QC, Canada, 7–10 August 2023; pp. 1–7. [Google Scholar] [CrossRef]
- Sochor, P.; Akagi, H. Theoretical and Experimental Comparison Between Phase-Shifted PWM and Level-Shifted PWM in a Modular Multilevel SDBC Inverter for Utility-Scale Photovoltaic Applications. IEEE Trans. Ind. Appl. 2017, 53, 4695–4707. [Google Scholar] [CrossRef]
- Holmes, D.; McGrath, B. Opportunities for Harmonic Cancellation with Carrier-based PWM for a Two-level and Multilevel Cascaded Inverters. IEEE Trans. Ind. Appl. 2001, 37, 574–582. [Google Scholar] [CrossRef]
- Grahame Holmes, D.; Lipo, T.A. Carrier-Based PWM of Multilevel Inverters. In Pulse Width Modulation for Power Converters: Principle and Practice; IEEE Press: Piscataway, NJ, USA, 2003; Series on Power Eng., Wiley Interscience; pp. 453–530. [Google Scholar]
- Lezana, P.; Ortiz, G. Extended Operation of Cascade Multicell Converters Under Fault Condition. IEEE Trans. Ind. Electron. 2009, 56, 2697–2703. [Google Scholar] [CrossRef]
- Lezana, P.; Mora, A.; Juliet, J.; Silva, C. Control of an Induction Machine fed by a Cascade Multicell Converter under Fault. In Proceedings of the 2009 35th Annual Conference of IEEE Industrial Electronics, Porto, Portugal, 3–5 November 2009; pp. 1057–1062. [Google Scholar] [CrossRef]
- BENSHAW. Available online: https://benshaw.com/downloads/brochures/Benshaw-MVH2-Brochure_EN.pdf (accessed on 18 February 2025).
- Hammond, W. Enhancing the Reliability of Modular Medium-Voltage Drives. IEEE Trans. Ind. Electron. 2002, 49, 948–954. [Google Scholar] [CrossRef]
- Rodriguez, J.; Hammond, P.W.; Pontt, J.; Musalem, R.; Lezana, P.; Escobar, M.J. Operation of a Medium-Voltage Drive under Faulty Conditions. IEEE Trans. Ind.L Electron. 2005, 52, 1080–1085. [Google Scholar] [CrossRef]
- Lingom, P.M.; Song-Manguelle, J.; Libouga, I.O.; Doumbia, M.L.; Agamloh, E.B. Graphical Analysis and Control of Cascaded H-Bridge Multilevel Inverter Using Clarke Transformation with Neutral-Shift Strategy Under Nonideal Conditions. IEEE J. Emerg. Sel. Top. Power Electron. 2024, 13, 3311–3323. [Google Scholar] [CrossRef]
- Lingom, P.; Song-Manguelle, J.; Betoka-Onyama, S.P.; Doumbia, M.L.; Nyobe-Yome, J.M.; Jin, T. A Generalized Modulation Strategy for a Cascaded H-Bridge Multilevel Inverter under Unequal DC Sources. In Proceedings of the 2022 IEEE Energy Conversion Congress and Exposition (ECCE), Detroit, MI, USA, 9–13 October 2022; pp. 1–6. [Google Scholar] [CrossRef]
- Cheerangal, M.J.; Jain, A.K.; Das, A. Dynamic Addition of Common Mode Voltage in Post Fault Operation of Cascaded H-Bridge Converter Fed Induction Motor Drive. IEEE Trans. Ind. Electron. 2023, 70, 1261–1269. [Google Scholar] [CrossRef]
- Sharma, R.; Das, A. Postfault Operation of Cascaded H-Bridge Converter for Equal Power Handling by the Healthy Cells. IEEE Trans. Ind. Electron. 2020, 67, 9174–9183. [Google Scholar] [CrossRef]
- Kim, J.; Cho, Y. Neutral Voltage Modulation for Maximizing the Linear Modulation Region and Limp-Home Mode Operation of Multilevel Cascaded Inverters Under DC-Link Imbalance Conditions. IEEE Access 2022, 10, 13515–13524. [Google Scholar] [CrossRef]
- Khan, M.U.; Dordevic, O.; Jones, M. Performance Enhancement of Neutral Voltage Modulation in Cascaded H-Bridge Inverters Under DC-Source Voltage Imbalance Using Modified Level-Shifted PWM. In Proceedings of the 2024 XV International Symposium on Industrial Electronics and Applications (INDEL), Banja Luka, Bosnia and Herzegovina, 6–8 November 2024; pp. 1–6. [Google Scholar] [CrossRef]
- Sornsadaeng, T.; Chanhom, P.; Amorndechaphon, D.; Sirisukprasert, S. A Strategy for Neutral Voltage Modulation Ensuring Fault Tolerance in CHB Multilevel Inverters with Reduced CMV and Unbalanced DC Sources. IEEE Access 2024, 12, 154138–154159. [Google Scholar] [CrossRef]
- Song-Manguelle, J.; Thurnherr, T.; Schröder, S.; Rufer, A.; Nyobe-Yome, J.-M. Re-Generative Asymmetrical Multi-Level Converter for Multi-Megawatt Variable Speed Drives. In Proceedings of the 2010 IEEE Energy Conversion Congress and Exposition, Atlanta, GA, USA, 12–16 September 2010; pp. 3683–3690. [Google Scholar] [CrossRef]
- Donolo, P.; Bossio, G.; De Angelo, C.; García, G.; Donolo, M. Voltage Unbalance and Harmonic Distortion Effects on Induction Motor Power Torque and Vibrations. Electr. Power Syst. Res. 2016, 140, 866–873. [Google Scholar] [CrossRef]
- Donolo, P.; Pezzani, C.; Bossio, G.; de Angelo, C.; Donolo, M. Vibration Magnitude Analysis on Induction Motors of Different Efficiency Classes Due to Voltage Unbalance. IEEE Trans. Ind. Appl. 2023, 59, 2913–2918. [Google Scholar] [CrossRef]
- Lingom, P.; Song-Manguelle, J.; Betoka-Onyama, S.; Nyobe-Yome, J.; Doumbia, M. A Power Quality Assessment of Electric Submersible Pumps Fed by Variable Frequency Drives under Normal and Failure Modes. Energies 2023, 16, 5121. [Google Scholar] [CrossRef]
- Lingom, P.M.; Song-Manguelle, J.; Betoka-Onyama, S.P.; Doumbia, M.L. Variable Frequency Drives-Induced Torsional Stresses in Pumped Hydropower Storage Applications. IEEE Access 2024, 12, 35984–36001. [Google Scholar] [CrossRef]
- Innomotics. Available online: https://www.innomotics.com/hub/en/portfolio/products/medium-voltage-drives/perfect-harmony-gh150 (accessed on 11 February 2025).
- NANCAL. Available online: https://rprorwxhpjnpln5p.leadongcdn.com/Nancal+MV+AC+Drives-aidljBpiKnnlpSRqirlonkkiq.pdf?dp=GvUApKfKKUAU (accessed on 11 February 2025).
- Song-Manguelle, G.; Ekemb, S.; Schröder, T.; Geyer, J.-M.; Wamkeue, R. Analytical Expression of Pulsating Torque Harmonics Due to PWM Drives. In Proceedings of the 2013 IEEE Energy Conversion Congress and Exposition(ECCE), Denver, CO, USA, 16–20 September 2013; pp. 2813–2820. [Google Scholar] [CrossRef]
- Mon-Nzongo, D.L.; Ekemb, G.; Song-Manguelle, J.; Ipoum-Ngome, P.G.; Jin, T.; Doumbia, M.L. LCIs and PWM-VSIs for the Petroleum Industry: A Torque Oriented Evaluation for Torsional Analysis Purposes. IEEE Trans. Power Electron. 2018, 34, 8956–8970. [Google Scholar] [CrossRef]
- Song-Manguelle, J.; Ekemb, G.; Mon-Nzongo, D.L.; Jin, T.; Doumbia, M.L. A Theoretical Analysis of Pulsating Torque Components in AC Machines with Variable Frequency Drives and Dynamic Mechanical Loads. IEEE Trans. Ind. Electron. 2018, 65, 9311–9324. [Google Scholar] [CrossRef]
- Carnielutti, F.; Pinheiro, H.; Rech, C. Generalized Carrier-Based Modulation Strategy for Cascaded Multilevel Converters Operating Under Fault Conditions. IEEE Trans. Ind. Electron. 2012, 59, 679–689. [Google Scholar] [CrossRef]
- Ouni, S.; Schmeisser, A.; Zolghadri, M.; Oraee, H.; Rodriguez, J.; Lezana, P. A Decision Algorithm to Select a Proper Control Method for a Cascaded Multilevel Inverter under Faulty Condition. In Proceedings of the IECON 2015—41st Annual Conference of the IEEE Industrial Electronics Society, Yokohama, Japan, 9–12 November 2015; pp. 004830–004835. [Google Scholar] [CrossRef]
- Fathi, M.; Khajehoddin, S.A. A Fault Compensation Scheme for Cascaded H-Bridge Inverter with Reduced Common Mode Voltage. IEEE Trans. Ind. Electron. 2023, 70, 3257–3267. [Google Scholar] [CrossRef]





















| Voltage/Current Harmonics | Torque Harmonics | |
|---|---|---|
| (0, 1) | ||
| baseband harmonics | ||
| (0, 5) | ||
| (0, 7) | ||
| (0, 3) | ||
| Sideband harmonics around odd multiples of the carrier frequency | ||
| (1, 0) | ||
| (1, −2) | ||
| (1, 2) | ||
| (1, −4) | ||
| (1, 4) | ||
| Sideband harmonics around even multiples of the carrier frequency | ||
| (2, −1) | ||
| (2, 1) | ||
| (2, −3) | ||
| (2, 3) | ||
| Parameters | Values |
|---|---|
| 4.16 kV | |
| Motor poles, p | 4 |
Disclaimer/Publisher’s Note: The statements, opinions and data contained in all publications are solely those of the individual author(s) and contributor(s) and not of MDPI and/or the editor(s). MDPI and/or the editor(s) disclaim responsibility for any injury to people or property resulting from any ideas, methods, instructions or products referred to in the content. |
© 2025 by the authors. Licensee MDPI, Basel, Switzerland. This article is an open access article distributed under the terms and conditions of the Creative Commons Attribution (CC BY) license (https://creativecommons.org/licenses/by/4.0/).
Share and Cite
Hamza, H.; Libouga, I.O.; Lingom, P.M.; Song-Manguelle, J.; Doumbia, M.L. Motor Airgap Torque Harmonics Due to Cascaded H-Bridge Inverter Operating with Failed Cells. Energies 2025, 18, 4286. https://doi.org/10.3390/en18164286
Hamza H, Libouga IO, Lingom PM, Song-Manguelle J, Doumbia ML. Motor Airgap Torque Harmonics Due to Cascaded H-Bridge Inverter Operating with Failed Cells. Energies. 2025; 18(16):4286. https://doi.org/10.3390/en18164286
Chicago/Turabian StyleHamza, Hamid, Ideal Oscar Libouga, Pascal M. Lingom, Joseph Song-Manguelle, and Mamadou Lamine Doumbia. 2025. "Motor Airgap Torque Harmonics Due to Cascaded H-Bridge Inverter Operating with Failed Cells" Energies 18, no. 16: 4286. https://doi.org/10.3390/en18164286
APA StyleHamza, H., Libouga, I. O., Lingom, P. M., Song-Manguelle, J., & Doumbia, M. L. (2025). Motor Airgap Torque Harmonics Due to Cascaded H-Bridge Inverter Operating with Failed Cells. Energies, 18(16), 4286. https://doi.org/10.3390/en18164286

