Modeling and Testing of a Phasor Measurement Unit Under Normal and Abnormal Conditions Using Real-Time Simulator †
Abstract
1. Introduction
2. Overview of Fourier Transforms, Phase Locked Loop, and Phasor Measurement Unit
2.1. Fourier Transform
2.2. Phase-Locked Loop
2.2.1. Phase-Locked Loop Principle
2.2.2. Phase-Locked Loop Modeling in Continuous-Time Domain (S-Time Domain)
2.2.3. Phase-Locked Loop Modeling in Discrete-Time Domain (Z-Time Domain)
2.2.4. The Second-Order Digital PLL Implementation
- Digital controller oscillator (DCO): this is a digitally controlled VCO also known as discrete-time oscillator (DTO). Its transfer function H2(Z) is given in (28)
2.3. PMU Overview
2.3.1. Phasors and Synchrophasors
2.3.2. PMU Description
3. Methodological Approach
4. Proposed Phasor Measurement Unit Model and Test Procedures
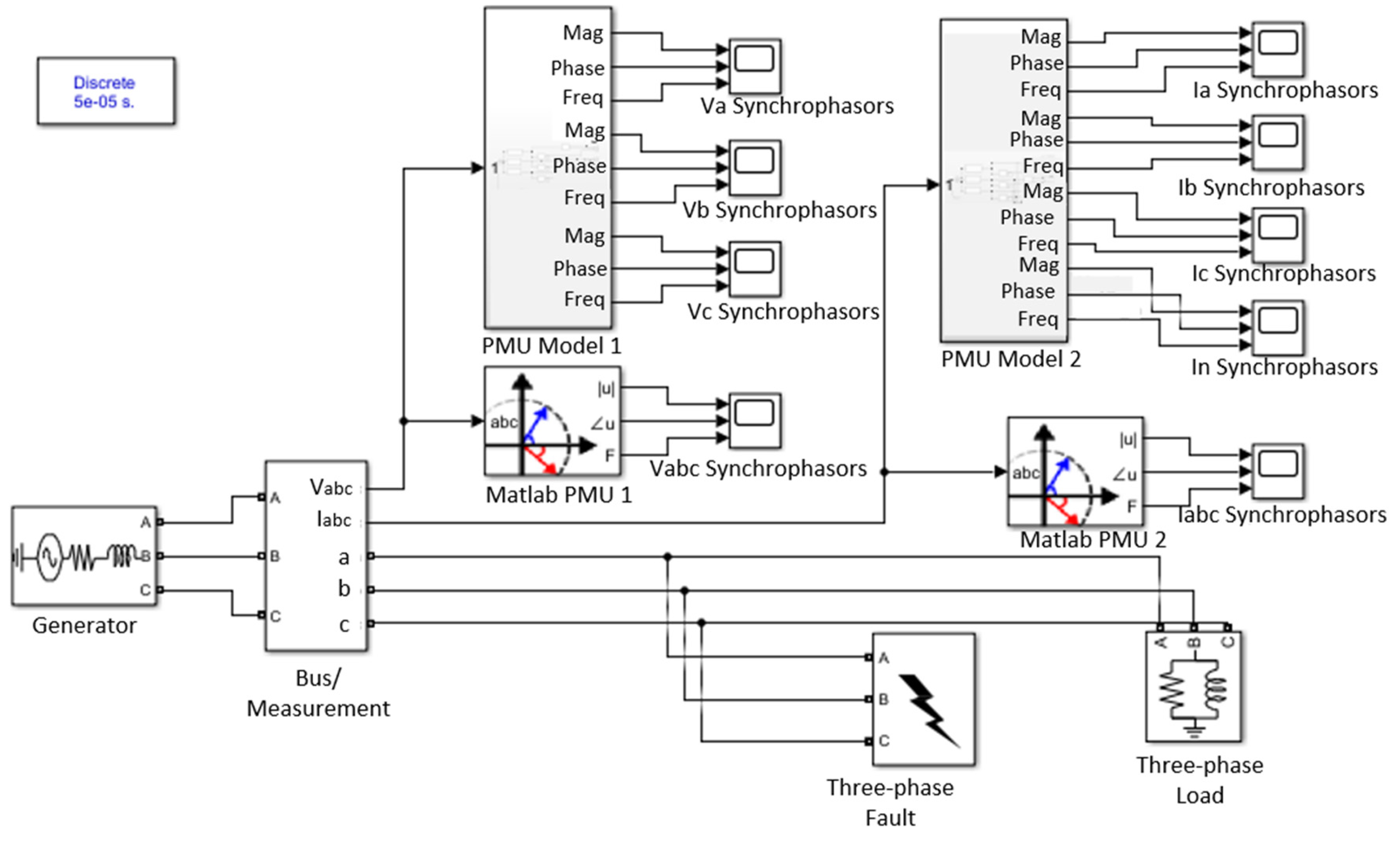
4.1. Proposed Phasor Measurement Unit Model
4.2. Offline Simulation
4.3. Real-Time Simulation
4.4. Controller-Hardware-in-the-Loop (CHIL) Technique
- Modbus TCP/IP inherently supports higher communication rates with reduced latency compared to serial protocols.
- The TCP/IP layer ensures reliable data delivery through acknowledgment and retransmission mechanisms, which minimizes the risk of packet loss affecting system performance.
4.5. Measurements with the Real PMU
5. Tests and Result Comparison
5.1. Test of the PMU Model Under Normal Conditions
5.2. Test of the PMU Model Under Operation with Harmonics
5.3. PMU Tests Under Fault Conditions
5.3.1. Synchrophasor Measurements Provided by the Proposed PMU Model
5.3.2. Synchrophasor Measured by the Matlab PMU Block
5.4. Result Discussion
6. Conclusions
Author Contributions
Funding
Data Availability Statement
Acknowledgments
Conflicts of Interest
References
- Zhang, L.; Lei, Y. Dissemination of the Phasor Method in Electrical Engineering in China. IEEE Trans. Educ. 2014, 57, 20–24. [Google Scholar] [CrossRef]
- Nuqui, R.F. State Estimation and Voltage Security Monitoring Using Synchronized Phasor Measurements. Doctoral Dissertation, Virginia Polytechnic Institute and State University, Blacksburg, VA, USA, 2001. [Google Scholar]
- Phadke, A.G. Synchronized Phasor Measurements—A Historical Overview. In Proceedings of the IEEE/PES Transmission and Distribution Conference and Exhibition, Yokohama, Japan, 6–10 October 2002; Volume 1, pp. 476–479. [Google Scholar] [CrossRef]
- Gopalakrishnan, R.; Pavithra, R.; Vidhya, D.S.; Jaividhya, S.; Sethilvadivu, K. Phasor Measurement Unit Across the World and Variables Influencing the Cost of Installing a Phasor Measurement Unit. In Proceedings of the 2023 International Conference on Sustainable Computing and Data Communication Systems (ICSCDS), Erode, India, 23–25 March 2023; pp. 994–999. [Google Scholar] [CrossRef]
- Pinte, B.; Quinlan, M.; Reinhard, K. Low Voltage Micro-Phasor Measurement Unit (μPMU). In Proceedings of the 2015 IEEE Power and Energy Conference at Illinois (PECI), Champaign, IL, USA, 20–21 February 2015; pp. 1–4. [Google Scholar] [CrossRef]
- Appasani, B.; Mohanta, D.K. A Review on Synchrophasor Communication System: Communication Technologies, Standards and Applications. Prot. Control Mod. Power Syst. 2018, 3, 37. [Google Scholar] [CrossRef]
- Yu, S.S.; Rahman, M.S.; Zhang, G.; Meraj, S.T.; Trinh, H. Comprehensive Review of PMU Applications in Smart Grid: Enhancing Grid Reliability and Efficiency. Chin. J. Electr. Eng. 2025, in press. [Google Scholar] [CrossRef]
- Rahi, A.S.; Motlak, H.J.; Thahab, R.T. Phasor measurement unit application in electrical grids for monitoring and control: A review. In Proceedings of the 3rd International Conference on Advances in Engineering Science and Technology (AEST), Babil, Iraq, 24–25 October 2024; pp. 54–59. [Google Scholar] [CrossRef]
- Pazderin, A.; Zicmane, I.; Senyuk, M.; Gubin, P.; Polyakov, I.; Mukhlynin, N.; Safaraliev, M.; Kamalov, F. Directions of Application of Phasor Measurement Units for Control and Monitoring of Modern Power Systems: A State-of-the-Art Review. Energies 2023, 16, 6203. [Google Scholar] [CrossRef]
- Wadhwa, C.L. Electrical Power Systems, 4th ed.; New Age International Publishers: New Delhi, India, 2005; ISBN 81-224-1722-1. [Google Scholar]
- Gayathri, K.; Jena, M.K.; Moharana, A.K. Impact of Different Penetration Level of Type-IV Renewable Energy Resources on Power System Dynamics. In Proceedings of the 2021 9th IEEE International Conference on Power Systems (ICPS), Online, 14–16 December 2021; IEEE: New York, NY, USA, 2021; pp. 1–6. [Google Scholar] [CrossRef]
- Felipe, V.L.; Arthur, M.; Rafael, O.F.; Felipe, C.N. Real-World Case Studies on Transmission Line Fault Location Feasibility by Using M-Class Phasor Measurement Units. Electr. Power Syst. Res. 2021, 196, 107261. [Google Scholar] [CrossRef]
- Zaidi, M.S.; Negi, S.S.; Chauhan, K.; Singh, A.K. Advancements in Wide-Area Monitoring System for Emerging Distribution Grids. In Proceedings of the 2024 IEEE 4th International Conference on Sustainable Energy and Future Electric Transportation (SEFET), Hyderabad, India, 24–26 January 2024; pp. 1–7. [Google Scholar] [CrossRef]
- Muhayimana, O.; Toman, P.; Vycital, V.; Jurak, V. Design and Verification of a Phasor Measurement Unit Model Using Matlab. In Proceedings of the 2023 23rd International Scientific Conference on Electric Power Engineering (EPE), Brno, Czech Republic, 24–26 May 2023; pp. 1–6. [Google Scholar] [CrossRef]
- Al Qaralleh, A.A.; Alawasa, K.; Al-Odienat, A.I. Optimal Location of PMUs to Enhance State Estimation of Power Systems. In Proceedings of the 2023 IEEE Jordan International Joint Conference on Electrical Engineering and Information Technology (JEEIT), Amman, Jordan, 14–16 May 2023; pp. 38–43. [Google Scholar] [CrossRef]
- Giotopoulos, V.; Korres, G. Implementation of Phasor Measurement Unit Based on Phase-Locked Loop Techniques: A Comprehensive Review. Energies 2023, 16, 1465. [Google Scholar] [CrossRef]
- Zhan, L.; Liu, Y.; Liu, Y. A Clarke Transformation-Based DFT Phasor and Frequency Algorithm for Wide Frequency Range. IEEE Trans. Smart Grid 2018, 9, 67–77. [Google Scholar]
- Krishnan, M.G.; Ashok, S. Implementation of Recursive DFT Algorithm for Phasor Measurement Unit (PMU). In Proceedings of the 2012 IEEE International Conference on Engineering Education: Innovative Practices and Future Trends (AICERA), Kottayam, India, 19–21 July 2012; pp. 1–5. [Google Scholar] [CrossRef]
- Song, J.; Mingotti, A.; Zhang, J.; Peretto, L.; Wen, H. Fast Iterative-Interpolated DFT Phasor Estimator Considering Out-of-Band Interference. IEEE Trans. Instrum. Meas. 2022, 71, 9005814. [Google Scholar] [CrossRef]
- Platas-Garza, M.A.; de La O Serna, J.A. Dynamic Phasor and Frequency Estimates through Maximally Flat Differentiators. IEEE Trans. Instrum. Meas. 2010, 59, 1803–1811. [Google Scholar]
- De la O Serna, J.A.; Rodriguez-Maldonado, J. Instantaneous Oscillating Phasor Estimates with Taylor-K-Kalman Filters. IEEE Trans. Power Syst. 2011, 26, 2336–2344. [Google Scholar]
- Roscoe, A.J.; Abdulhadi, I.F.; Burt, G.M. P and M Class Phasor Measurement Unit Algorithms Using Adaptive Cascaded Filters. IEEE Trans. Power Deliv. 2013, 28, 1447–1459. [Google Scholar]
- Castello, P.; Liu, J.; Muscas, C.; Pegoraro, P.A.; Ponci, F.; Monti, A. A fast and accurate PMU algorithm for P+M class measurement of synchrophasor and frequency. IEEE Trans. Instrum. Meas. 2014, 63, 2837–2845. [Google Scholar]
- Toscani, S.; Muscas, C.; Pegoraro, P.A. Design and performance prediction of space vector-based PMU algorithms. IEEE Trans. Instrum. Meas. 2017, 66, 394–404. [Google Scholar]
- Karimi-Ghartemani, M.; Mojiri, M.; Bakhshai, A.; Jain, P. A phasor measurement algorithm based on phase-locked loop. In Proceedings of the PES T&D 2012, Orlando, FL, USA, 7–10 May 2012; pp. 1–6. [Google Scholar]
- Ferrero, R.; Pegoraro, P.A.; Toscani, S. A space vector phase-locked-loop approach to synchrophasor, frequency and ROCOF estimation. In Proceedings of the 2019 IEEE International Instrumentation and Measurement Technology Conference (I2MTC), Auckland, New Zealand, 20–23 May 2019; pp. 1–6. [Google Scholar]
- Ferrero, R.; Pegoraro, P.A.; Toscani, S. Proposals and analysis of space vector-based phase-locked-loop techniques for synchrophasor, frequency, and ROCOF measurements. IEEE Trans. Instrum. Meas. 2020, 69, 2345–2354. [Google Scholar]
- Carvalho, G.U.; Denardin, G.W.; Cardoso, R.; Grando, F.L. A PID SRF-PLL based algorithm for positive-sequence synchrophasor measurements. Int. Trans. Electr. Energy Syst. 2021, 31, e12777. [Google Scholar] [CrossRef]
- Ali, Z.; Christofides, N.; Hadjidemetriou, L.; Kyriakides, E. Design of an advanced PLL for accurate phase angle extraction under grid voltage HIHs and DC offset. IET Power Electron. 2018, 11, 961–968. [Google Scholar] [CrossRef]
- Aljazaeri, A.; Toman, P.; Klusacek, J. Modelling and testing of phasor measurement unit in PSCAD. In Proceedings of the 2024 24th International Scientific Conference on Electric Power Engineering (EPE), Kouty nad Desnou, Czech Republic, 15–17 May 2024; pp. 1–6. [Google Scholar] [CrossRef]
- Gajjar, K.K.; Chauhan, K.; Kulkarni, A.M. Controller-hardware-in-the-loop simulation setup using a real-time hybrid simulator for testing of wide-area damping controllers. In Proceedings of the 2022 22nd National Power Systems Conference (NPSC), New Delhi, India, 17–19 December 2022; pp. 361–366. [Google Scholar] [CrossRef]
- Kumar, D.; Ghosh, D.; Mohanta, D.K. Simulation of phasor measurement unit (PMU) in MATLAB. In Proceedings of the 2015 International Conference on Signal Processing and Communication Engineering Systems, Vijayawada, India, 2–3 January 2015; pp. 15–18. [Google Scholar]
- Chowdhury, S.; Chowdhury, S.P.; Crossley, P. Microgrids and Active Distribution Networks; The Institution of Engineering and Technology: London, UK, 2009. [Google Scholar]
- Krishnan, A.; Jain, A.K.; Centeno, V.A. Implementation of a phasor measurement unit using LabVIEW. In Proceedings of the 2018 Clemson University Power Systems Conference (PSC), Charleston, SC, USA, 4–7 September 2018; pp. 1–5. [Google Scholar]
- Singhal, A.; Madhu, C.; Kumar, V. Designs of all digital phase locked loop. In Proceedings of the 2014 Recent Advances in Engineering and Computational Sciences (RAECS), Chandigarh, India, 6–8 March 2014; pp. 1–5. [Google Scholar] [CrossRef]
- Chung, Y.-M.; Wei, C.-L. An all-digital phase-locked loop for digital power management integrated chips. In Proceedings of the IEEE International Symposium on Circuits and Systems, Taipei, Taiwan, 24–27 May 2009; pp. 2413–2416. [Google Scholar]
- Li, W.; Meiners, J. Introduction to phase-locked loop system modeling. In Analog Applications Journal; Texas Instruments Incorporated: Dallas, TX, USA, 2000. [Google Scholar]
- Kuo, B.C. Analysis and Design of Automatic Control Systems; Machine Design; Penton Media, Inc.: New York, NY, USA, 1988; Volume 60, ISSN 0024-9114. [Google Scholar]
- Oppenheim, A.V.; Schafer, R.W. Discrete-Time Signal Processing, 3rd ed.; Pearson New International Edition: Harlow, UK, 2013. [Google Scholar]
- C37.118.1-2011 (Revision of IEEE Std C37.118-2005); IEEE Standard for Synchrophasor Measurements for Power Systems. IEEE: New York, NY, USA, 2011; pp. 1–61. [CrossRef]
- C37.118.1a-2014; IEEE Standard for Synchrophasor Measurements for Power Systems—Amendment 1: Modification of Selected Performance Requirements. IEEE: New York, NY, USA, 2014. [CrossRef]
- Aljazaeri, A.; Toman, P.; Muhayimana, O. A comparative study between synchrophasor-measurement-based linear and nonlinear state estimation in power systems. Energies 2025, 18, 983. [Google Scholar] [CrossRef]
- Muhayimana, O.; Toman, P.; Vycital, V.; Tuyishime, S. Test of a phasor measurement unit model in the system fault conditions. In Proceedings of the 2023 IEEE PES/IAS PowerAfrica, Marrakech, Morocco, 6–10 November 2023; pp. 1–5. [Google Scholar] [CrossRef]
- Muhayimana, O.; Laamim, M.; Aljazaeri, A.; Rochd, A.; Toman, P. Comparative study between model-in-the-loop offline and real-time simulations for phasor measurement units. In Proceedings of the 2024 24th International Scientific Conference on Electric Power Engineering (EPE), Kouty nad Desnou, Czech Republic, 15–17 May 2024; pp. 1–6. [Google Scholar] [CrossRef]
- Laamim, M.; El Barkouki, B.; Mahir, O.; Rochd, A.; Benazzouz, A.; Kang, M. Frequency-watt algorithm employment for grid-connected microgrid using PHIL simulation: Case study of the smart grid test lab in Morocco. In Proceedings of the 2023 3rd International Conference on Electrical, Computer, Communications and Mechatronics Engineering (ICECCME), Tenerife, Canary Islands, Spain, 20–21 July 2023; pp. 1–6. [Google Scholar] [CrossRef]

























| Phases | Ph A | Ph B | Ph C | Ph A | Ph B | Ph C |
|---|---|---|---|---|---|---|
| Normal (balanced, with no harmonics) Operation | Operation with 3rd, 5th, and 7th Harmonics | |||||
| V [V] | 10,823 | 10,820 | 10,830 | 8227 | 8238 | 8241 |
| Vangle [°] | −94.2 | 145.8 | 25.8 | −99.7 | 140.2 | 20.2 |
| I [A] | 479 | 479 | 478 | 364 | 364 | 364 |
| I angle [°] | −112.6 | 127.4 | 7.3 | −118.2 | 121.8 | 1.8 |
| f [Hz] | 50 | 50 | 50 | 50 | 50 | 50 |
| Symmetrical Fault | Unsymmetrical Fault | |||||
| V [V] | 28.6 | 28 | 29 | 31 | 10,830 | 10,830 |
| Vangle [°] | −82.1 | 157.9 | 39 | −80.6 | −1247 | 11.3 |
| I [A] | 5871 | 5852 | 5843 | 5843 | 479 | 479 |
| I angle [°] | −82.3 | 157.9 | 39 | −80.8 | −142.9 | 97.1 |
| f [Hz] | 501 | 50.1 | 52.2 | 50.2 | 50 | 50 |
| Operations | PMU Model | Real PMU | Measument Error [%] | IEEE Std Tolerence | |
|---|---|---|---|---|---|
| Normal Operation | V [V] | 10,828 | 10,823 | 0.046 | ±10% |
| I [A] | 478.8 | 479 | −0.042 | ±10% | |
| 3rd, 5th, 7th Harmonics | V [V] | 8057 | 8227 | −2.110 | ±10% |
| I [A] | 356 | 364 | −2.247 | ±10% | |
| Symmetrical fault (3LL) | V [V] | 28.4 | 28 | 1.408 | ±10% |
| I [A] | 5855 | 5871 | −0.273 | ±10% | |
| Unsymmetrical fault (1LG) | V [V] | 30.6 | 30 | 1.961 | ±10% |
| I [A] | 5851 | 5843 | 0.137 | ±10% |
| Type of PMU Model | TVE [%] | FE [Hz] | RFE [Hz/s] |
|---|---|---|---|
| Proposed PMU Model | 0.041 | 0.002 | 0.152 |
| PID DSRF-PLL-based PMU model [28] | 0.09 | 0.00295 | 0.11 |
| EPLL-based PMU algorithm [25] | 0.8 | 0.006 | 0.5 |
| IEEE Std requirements | 1 | 0.005 | 0.4 |
| Model Type | Technology | Dynamic Response | Harmonic Rejection | Compliance with IEEE Std | Observation |
|---|---|---|---|---|---|
| Proposed PMU | DFT and PLL | Fast | Good | Yes | Suitable for applications in EPS under steady-state and dynamic conditions |
| Matlab PMU Block | DFT and PLL | Fast | Good | Yes | Suitable for applications with positive sequence components only |
| PID DSRF-PLL [28] | PLL | Fast | Good | Yes | Low computational burden |
| EPLL [25] | PLL | Fast | Good | Yes | Medium computational burden and minor deviation from IEEE Std |
Disclaimer/Publisher’s Note: The statements, opinions and data contained in all publications are solely those of the individual author(s) and contributor(s) and not of MDPI and/or the editor(s). MDPI and/or the editor(s) disclaim responsibility for any injury to people or property resulting from any ideas, methods, instructions or products referred to in the content. |
© 2025 by the authors. Licensee MDPI, Basel, Switzerland. This article is an open access article distributed under the terms and conditions of the Creative Commons Attribution (CC BY) license (https://creativecommons.org/licenses/by/4.0/).
Share and Cite
Muhayimana, O.; Toman, P.; Aljazaeri, A.; Uwamahoro, J.C.; Lahmer, A.; Laamim, M.; Rochd, A. Modeling and Testing of a Phasor Measurement Unit Under Normal and Abnormal Conditions Using Real-Time Simulator. Energies 2025, 18, 3624. https://doi.org/10.3390/en18143624
Muhayimana O, Toman P, Aljazaeri A, Uwamahoro JC, Lahmer A, Laamim M, Rochd A. Modeling and Testing of a Phasor Measurement Unit Under Normal and Abnormal Conditions Using Real-Time Simulator. Energies. 2025; 18(14):3624. https://doi.org/10.3390/en18143624
Chicago/Turabian StyleMuhayimana, Obed, Petr Toman, Ali Aljazaeri, Jean Claude Uwamahoro, Abir Lahmer, Mohamed Laamim, and Abdelilah Rochd. 2025. "Modeling and Testing of a Phasor Measurement Unit Under Normal and Abnormal Conditions Using Real-Time Simulator" Energies 18, no. 14: 3624. https://doi.org/10.3390/en18143624
APA StyleMuhayimana, O., Toman, P., Aljazaeri, A., Uwamahoro, J. C., Lahmer, A., Laamim, M., & Rochd, A. (2025). Modeling and Testing of a Phasor Measurement Unit Under Normal and Abnormal Conditions Using Real-Time Simulator. Energies, 18(14), 3624. https://doi.org/10.3390/en18143624

