Improved Genetic Algorithm-Based Harmonic Mitigation Control of an Asymmetrical Dual-Source 13-Level Switched-Capacitor Multilevel Inverter
Abstract
1. Introduction
- To present the design and operational principles of the proposed 13-level SC-MLI, detailing the role of asymmetrical DC sources and the SC-based voltage-boosting mechanism.
- To develop and implement an improved GA-optimized SHM control technique that preserves power quality and reduces THD under a range of operating circumstances.
- To conduct thorough simulations and real-time emulation tests in order to verify the suggested inverter’s performance, including an examination of efficiency, switching losses, and harmonic performance.
2. Literature Review
2.1. Existing Multilevel Inverter Topologies
2.2. Harmonic Mitigation and Optimization Techniques in MLIs
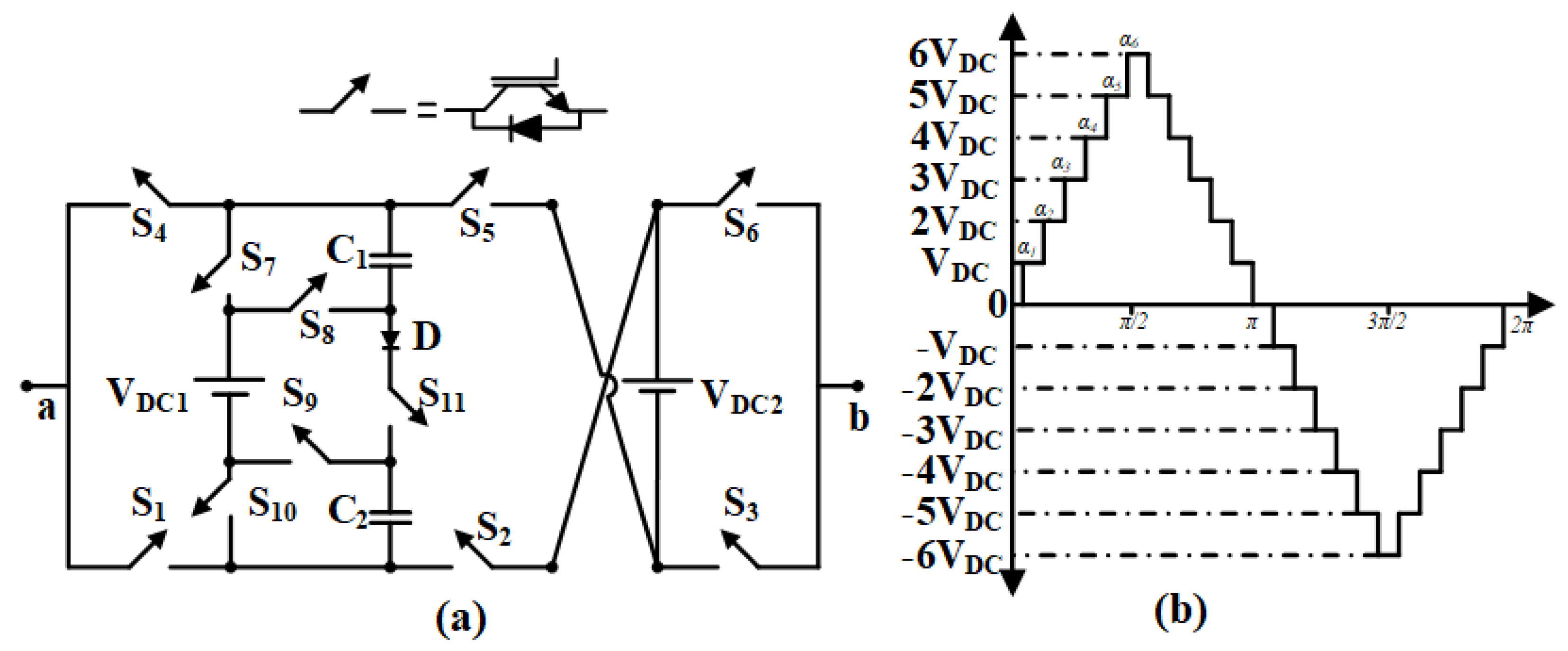
3. Proposed SC-MLI Design
3.1. Architecture of the 13-Level Asymmetrical Dual-Source SC-MLI
3.2. Components and Configuration
Switching States
- State : Switches are ON, generating an output of . No capacitor charging or discharging occurs.
- State : Switches are ON, producing an output of . Capacitor charges while discharges.
- State : Switches are ON, resulting in . charges while remains uncharged.
- State : Switches are ON, generating . No capacitor charging or discharging occurs.
- State : Switches are ON, with an output of . charges while discharges.
- State : Switches are ON, yielding , with both and discharging.
- State : Switches are ON, resulting in zero output voltage, and charges.
- State : Switches are ON, generating . Capacitors remain unchanged.
- State : Switches are ON, yielding . charges, while discharges.
- State : Switches are ON, producing with charging.
- State : Switches are ON, resulting in , with no capacitor change.
- State : Switches are ON, yielding , with charging and discharging.
- State : Switches are ON, resulting in , with both and discharging.
3.3. Self-Voltage Balancing Mechanism for Capacitors
3.4. Comparative Study
4. Control Strategy for Harmonic Mitigation
4.1. Objective of Harmonic Mitigation
- The fundamental component is maintained at a specified reference value ;
- The 3rd, 5th, 7th, 9th, and 11th harmonics are minimized.
4.2. Formulating the Harmonic Equations
- 1.
- Fundamental Component Equation:
- 2.
- Harmonic Component Equations for Mitigation: To minimize the 3rd, 5th, 7th, 9th, and 11th harmonics, we set their components to zero:
4.3. Defining the Cost Function for Harmonic Mitigation
- , and are the amplitudes of the fundamental, 3rd, 5th, 7th, 9th, and 11th harmonics, respectively;
- , and are weighting factors that determine the importance of each harmonic in the cost function.
5. Proposed Improved Genetic Algorithm (GA) for Harmonic Mitigation
5.1. GA Initialization and Setup
- Initialization of the Population: Create a starting population of chromosomes, each of which has six switching angles that indicate potential solutions.
- Population Size: Define the size of the population, typically between 50 and 100, based on computational resources and the desired accuracy.
- Selection Criteria: Select chromosomes based on their fitness, with higher fitness corresponding to lower values of the cost function.
5.2. Fitness Function
5.3. Improved GA Steps
- 1.
- Selection: Using a selection technique such as a roulette wheel or tournament selection, two parents are chosen based on the fitness values of their parent chromosomes. In this art, parents are chosen using a roulette wheel. The solution space is investigated as thoroughly as feasible by choosing parents at random.
- 2.
- Adaptive Crossover and Mutation: Crossover is performed by combining pairs of parent chromosomes to produce offspring as shown in Figure 4a. A single-point crossover may be used, where a crossover point is chosen randomly, and portions of the parents’ chromosomes are swapped to create offspring.For example, given parents:The offspring after crossover could be:Mutation: Random changes are introduced to some chromosomes to maintain diversity, as shown in Figure 4b. For example, a small perturbation might be added to a randomly selected angle in an offspring chromosome. Furthermore, it is prohibited to alter the entire child population.In this adaptive GA approach for selective harmonic mitigation in multilevel inverters, we aim to optimize switching angles to achieve minimal Total Harmonic Distortion (THD). By dynamically adjusting mutation and crossover rates based on population diversity and fitness variance, the GA can effectively navigate the search space and improve convergence. First, an estimate of diversity is computed, typically in the form of average Hamming distance or fitness variance , which returns the spread of the population. We then set the mutation rate adaptively, , based on this measure, allowing for higher mutation rates when the population is less diverse in hope of escaping local optima and promoting exploration.The mutation rate is defined aswhere is the starting diversity and and are the minimum and maximum mutation rates, respectively.To concentrate on fine-tuning, the crossover rate is also decreased over generations, described byThis expression permits high crossover rates initially for broad exploration, tapers down gradually, and emphasizes exploitation as the algorithm converges. By balancing the two adaptive ways, exploration and exploitation, the GA strikes a very effective balance and iteratively modifies the angles for minimum THD. Each generation refines the values of angles that allow a reduction in harmonic distortion, thus providing a robust solution for multilevel inverter applications. It, at the same time, optimizes computational effort while minimizing THD, thus making the approach suitable for real-time harmonic mitigation in a power system.
- 3.
- Evaluation: The cost function is used to determine each new chromosome’s fitness.
- 4.
- Replacement: Replace the old generation with the new generation by replacing chromosomes based on their relative fitness. Repeat until a stopping criterion is reached.
5.4. Solving for Optimal Switching Angles
5.5. Methodology
6. Power Loss Analysis
6.1. Switching Losses
6.2. Conduction Losses
6.3. Capacitor Voltage Ripple Losses
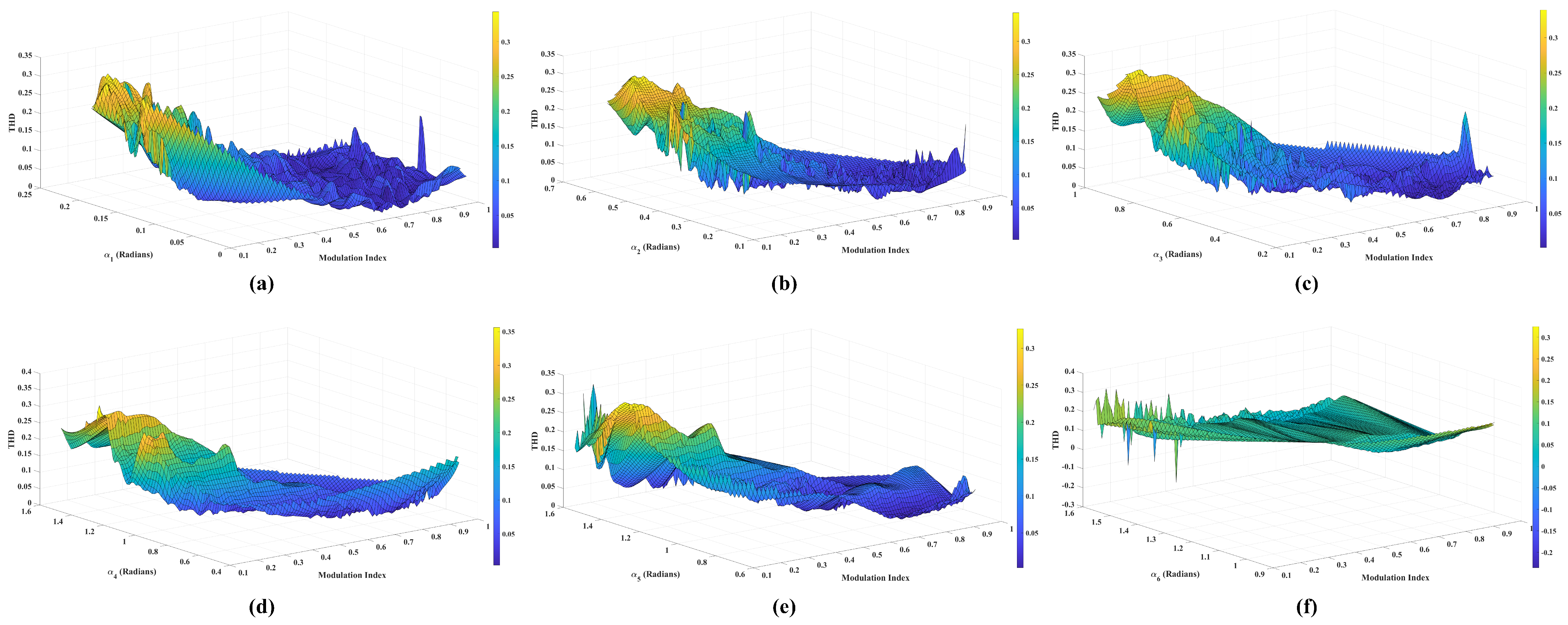
7. Results and Discussion
7.1. Simulation Results
7.2. Real-Time Simulation Results
8. Conclusions
Author Contributions
Funding
Data Availability Statement
Conflicts of Interest
Abbreviations
| AC | Alternating Current |
| CF | Cost Function |
| CHB | Cascaded H-Bridge |
| DC | Direct Current |
| ESR | Equivalent Series Resistance |
| FC | Flying Capacitor |
| FFT | Fast Fourier Transform |
| GA | Genetic Algorithm |
| IGBT | Insulated Gate Bipolar Transistor |
| LP | Linear Programming |
| MMC | Modular Multilevel Converters |
| NLP | Nonlinear Programming |
| NPC | Neutral-Point Clamped |
| PSO | Particle Swarm Optimization |
| RL | Resistive–Inductive (Load) |
| SA | Simulated Annealing |
| SC-MLI | Switched-Capacitor Multilevel Inverter |
| SHM | Selective Harmonic Mitigation |
| THD | Total Harmonic Distortion |
| TSV | Total Standing Voltage |
References
- Anjaneya Vara Prasad, P.; Dhanamjayulu, C. An Overview on Multi-Level Inverter Topologies for Grid-Tied PV System. Int. Trans. Electr. Energy Syst. 2023, 2023, 9690344. [Google Scholar] [CrossRef]
- Han, D.; Peng, F.Z.; Dwari, S. Advanced PWM Techniques for Multi-Level Inverters with a Multi-Level Active CM Noise Filter. IEEE J. Emerg. Sel. Top. Power Electron. 2021, 10, 6865–6879. [Google Scholar] [CrossRef]
- Dhanamjayulu, C.; Sanjeevikumar, P.; Muyeen, S.M. A Structural Overview on Transformer and Transformer-Less Multi-Level Inverters for Renewable Energy Applications. Energy Rep. 2022, 8, 10299–10333. [Google Scholar]
- Hosseinzadeh, M.A.; Sarebanzadeh, M.; Garcia, C.F.; Babaei, E.; Rodriguez, J.; Kennel, R. Reduced Multisource Switched-Capacitor Multilevel Inverter Topologies. IEEE Trans. Power Electron. 2022, 37, 14647–14666. [Google Scholar] [CrossRef]
- Anand, V.; Singh, V. A 13-Level Switched-Capacitor Multilevel Inverter with Single DC Source. IEEE J. Emerg. Sel. Top. Power Electron. 2021, 10, 1575–1586. [Google Scholar] [CrossRef]
- Barzegarkhoo, R.; Forouzesh, M.; Lee, S.S.; Blaabjerg, F.; Siwakoti, Y.P. Switched-Capacitor Multilevel Inverters: A Comprehensive Review. IEEE Trans. Power Electron. 2022, 37, 11209–11243. [Google Scholar] [CrossRef]
- Iqbal, H.; Tariq, M.; Sarfraz, M.; Sarwat, A.I.; Alhosaini, W.; Aldosari, O.; Aziz, A. Selective Harmonic Mitigation Based Two-Scale Frequency Control of Cascaded Modified Packed U-Cell Inverters. Energy Rep. 2022, 8, 1009–1020. [Google Scholar] [CrossRef]
- Iqbal, H.; Tufail, S.; Tariq, M.; Sarwat, A.I.; Sarwar, A. GA-Based Integrated SHM-NLC Control for a Single Sourced Switched Capacitor Multi-Level Inverter with Boosting Capability for Microgrid. In Proceedings of the 2023 IEEE International Conference on Energy Technologies for Future Grids (ETFG), Wollongong, Australia, 3–6 December 2023; pp. 1–6. [Google Scholar]
- Villanueva, E.; Correa, P.; Rodríguez, J.; Pacas, M. Control of a Single-Phase Cascaded H-Bridge Multilevel Inverter for Grid-Connected Photovoltaic Systems. IEEE Trans. Ind. Electron. 2009, 56, 4399–4406. [Google Scholar] [CrossRef]
- Rodriguez, J.; Bernet, S.; Steimer, P.K.; Lizama, I.E. A Survey on Neutral-Point-Clamped Inverters. IEEE Trans. Ind. Electron. 2009, 57, 2219–2230. [Google Scholar] [CrossRef]
- He, L.; Cheng, C. A Flying-Capacitor-Clamped Five-Level Inverter Based on Bridge Modular Switched-Capacitor Topology. IEEE Trans. Ind. Electron. 2016, 63, 7814–7822. [Google Scholar] [CrossRef]
- Perez, M.A.; Ceballos, S.; Konstantinou, G.; Pou, J.; Aguilera, R.P. Modular Multilevel Converters: Recent Achievements and Challenges. IEEE Open J. Ind. Electron. Soc. 2021, 2, 224–239. [Google Scholar] [CrossRef]
- Lingom, P.M.; Song-Manguelle, J.; Nyobe-Yome, J.M.; Doumbia, M.L. A Comprehensive Review of Compensation Control Techniques Suitable for Cascaded H-Bridge Multilevel Inverter Operation with Unequal DC Sources or Faulty Cells. Energies 2024, 17, 722. [Google Scholar] [CrossRef]
- Odeh, C.I.; Lewicki, A.; Morawiec, M.; Jąderko, A. Enhanced Four-Level Active Nested Neutral Point-Clamped Inverter. Energies 2024, 17, 3213. [Google Scholar] [CrossRef]
- Rohner, G.; Huber, J.; Mirić, S.; Kolar, J.W. Comparative Evaluation of Three-Phase Three-Level Flying Capacitor and Stacked Polyphase Bridge GaN Inverter Systems for Integrated Motor Drives. Electronics 2024, 13, 1259. [Google Scholar] [CrossRef]
- Iqbal, H.; Tayyab, M.; Rehman, H.; Sarwar, A.; Hussan, M.R. 13 Level Switched-Capacitor Multilevel Converter with High Gain for Grid Connected Solar Photovoltaic Applications. In Multilevel Converters; Scrivener Publishing LLC: Beverly, MA, USA, 2024; pp. 147–163. [Google Scholar]
- Seifi, A.; Hosseini, S.H.; Tarafdar Hagh, M.; Hosseinpour, M. Capacitor Based Topology of Cross-Square-Switched T-Type Multi-Level Inverter. Sci. Rep. 2024, 14, 3166. [Google Scholar] [CrossRef]
- Srinivasan, G.K.; Rivera, M.; Loganathan, V.; Ravikumar, D.; Mohan, B. Trends and Challenges in Multi-Level Inverter with Reduced Switches. Electronics 2021, 10, 368. [Google Scholar] [CrossRef]
- Bano, K.; Abbas, G.; Hatatah, M.; Touti, E.; Emara, A.; Mercorelli, P. Phase Shift APOD and POD Control Technique in Multi-Level Inverters to Mitigate Total Harmonic Distortion. Mathematics 2024, 12, 656. [Google Scholar] [CrossRef]
- Pan, Q.; Zhang, C.; Guo, S.; Sun, H.; Du, J.; Guo, P. An Interval Multi-Objective Fuzzy-Interval Credibility-Constrained Nonlinear Programming Model for Balancing Agricultural and Ecological Water Management. J. Contam. Hydrol. 2022, 245, 103958. [Google Scholar] [CrossRef]
- Iqbal, H.; Khalid, A.; Riggs, H.; Sarwat, A. Kalman Filter-Based Harmonic Distortion Mitigation Technique for Microgrid Applications; IntechOpen: London, UK, 2024. [Google Scholar]
- Yiğit, H.; Ürgün, S.; Mirjalili, S. Comparison of Recent Metaheuristic Optimization Algorithms to Solve the SHE Optimization Problem in MLI. Neural Comput. Appl. 2023, 35, 7369–7388. [Google Scholar] [CrossRef]
- Katoch, S.; Chauhan, S.S.; Kumar, V. A Review on Genetic Algorithm: Past, Present, and Future. Multimed. Tools Appl. 2021, 80, 8091–8126. [Google Scholar] [CrossRef]
- Saeedian, M.; Hosseini, S.M.; Adabi, J. Step-Up Switched-Capacitor Module for Cascaded MLI Topologies. IET Power Electron. 2018, 11, 1286–1296. [Google Scholar] [CrossRef]
- Iqbal, A.; Siddique, M.D.; Reddy, B.P.; Maroti, P.K.; Alammari, R. A New Family of Step-Up Hybrid Switched-Capacitor Integrated Multilevel Inverter Topologies with Dual Input Voltage Sources. IEEE Access 2020, 9, 4398–4410. [Google Scholar] [CrossRef]
- Roy, T.; Sadhu, P.K. A Step-Up Multilevel Inverter Topology Using Novel Switched Capacitor Converters with Reduced Components. IEEE Trans. Ind. Electron. 2020, 68, 236–247. [Google Scholar] [CrossRef]
- Peng, W.; Ni, Q.; Qiu, X.; Ye, Y. Seven-Level Inverter with Self-Balanced Switched-Capacitor and Its Cascaded Extension. IEEE Trans. Power Electron. 2019, 34, 11889–11896. [Google Scholar] [CrossRef]
- Siddique, M.D.; Mekhilef, S.; Sarwar, A.; Alam, A.; Mohamed Shah, N. Dual Asymmetrical DC Voltage Source Based Switched Capacitor Boost Multilevel Inverter Topology. IET Power Electron. 2020, 13, 1481–1486. [Google Scholar] [CrossRef]
- Ye, Y.; Cheng, K.W.E.; Liu, J.; Ding, K. A Step-Up Switched-Capacitor Multilevel Inverter with Self-Voltage Balancing. IEEE Trans. Ind. Electron. 2014, 61, 6672–6680. [Google Scholar] [CrossRef]
- Ye, Y.; Zhang, G.; Wang, X.; Yi, Y.; Cheng, K.W.E. Self-Balanced Switched-Capacitor Thirteen-Level Inverters with Reduced Capacitors Count. IEEE Trans. Ind. Electron. 2021, 69, 1070–1076. [Google Scholar] [CrossRef]
- Alishah, R.S.; Bertilsson, K.; Blaabjerg, F.; Sathik, M.A.J.; Rezaee, A.Y. New Grid-Connected Multilevel Boost Converter Topology with Inherent Capacitors Voltage Balancing Using Model Predictive Controller. In Proceedings of the 2020 22nd European Conference on Power Electronics and Applications (EPE’20 ECCE Europe), Lyon, France, 7–11 September 2020; pp. 1–7. [Google Scholar]
- Shalchi Alishah, R.; Hosseini, S.H.; Babaei, E.; Sabahi, M.; Zare, A. Extended High Step-Up Structure for Multilevel Converter. IET Power Electron. 2016, 9, 1894–1902. [Google Scholar] [CrossRef]
- Kumari, P.; Singh, A.K.; Kumar, N.; Mandal, R.K. Self-Balanced High Gain Switched-Capacitor Boosting Inverter with Lower Cost Function. Int. J. Electron. 2023, 111, 1301–1318. [Google Scholar] [CrossRef]
- Infineon Technologies. IKW40N65ES5 Discrete IGBT Product Page. Available online: https://www.infineon.com/cms/en/product/power/igbt/igbt-discretes/ikw40n65es5/ (accessed on 14 November 2024).
- IEEE Std 519-2022; IEEE Standard for Harmonic Control in Electric Power Systems. IEEE: Piscataway, NJ, USA, 2022; pp. 1–31. Available online: https://ieeexplore.ieee.org/document/9848440 (accessed on 14 November 2024).













| Level | ||||||||||||||
|---|---|---|---|---|---|---|---|---|---|---|---|---|---|---|
| 0 | 1 | 0 | 1 | 0 | 1 | 1 | 0 | 0 | 1 | 0 | - | - | ||
| 0 | 1 | 0 | 1 | 0 | 1 | 1 | 0 | 1 | 0 | 1 | ↑ | ↓ | ||
| 1 | 1 | 1 | 0 | 0 | 0 | 0 | 1 | 0 | 1 | 1 | - | ↑ | ||
| 0 | 1 | 1 | 1 | 0 | 0 | 1 | 0 | 0 | 1 | 0 | - | - | ||
| 0 | 1 | 1 | 1 | 0 | 0 | 1 | 0 | 1 | 0 | 1 | ↑ | ↓ | ||
| 0 | 1 | 1 | 1 | 0 | 0 | 0 | 1 | 1 | 0 | 0 | ↓ | ↓ | ||
| 1 | 1 | 0 | 0 | 0 | 1 | 0 | 1 | 0 | 1 | 1 | - | ↑ | zero | |
| 1 | 0 | 1 | 0 | 1 | 0 | 1 | 0 | 0 | 1 | 0 | - | - | ||
| 1 | 0 | 1 | 0 | 1 | 0 | 0 | 1 | 0 | 1 | 1 | ↓ | ↑ | ||
| 0 | 0 | 0 | 1 | 1 | 1 | 1 | 0 | 1 | 0 | 1 | ↑ | - | ||
| 1 | 0 | 0 | 0 | 1 | 1 | 1 | 0 | 0 | 1 | 0 | - | - | ||
| 1 | 0 | 0 | 0 | 1 | 1 | 0 | 1 | 0 | 1 | 1 | ↓ | ↑ | ||
| 1 | 0 | 0 | 0 | 1 | 1 | 0 | 1 | 1 | 0 | 0 | ↓ | ↓ |
| Topology | CF | |||||||||||
|---|---|---|---|---|---|---|---|---|---|---|---|---|
| [8] | 13 | 14 | 0.93 | 0.07 | 3 | 6 | 6 | 1 | 14 | 1 | 5.66 | 2.67 |
| [24] | 13 | 18 | 0.72 | 0.07 | 6 | 2 | 4 | 6 | 9 | 3 | 8.00 | 3.58 |
| [25] | 13 | 13 | 1.00 | 0.07 | 2 | 1.5 | 6 | 0 | 9 | 2 | 5.66 | 4.77 |
| [26] | 13 | 14 | 0.93 | 0.07 | 4 | 3 | 6 | 2 | 14 | 2 | 5.66 | 7.81 |
| [27] | 13 | 16 | 0.81 | 0.07 | 4 | 3 | 4 | 4 | 8 | 2 | 9.00 | 5.38 |
| [28] | 13 | 10 | 1.30 | 0.07 | 1 | 2 | 6 | 1 | 9 | 2 | 6.50 | 4.57 |
| [29] | 13 | 10 | 1.30 | 0.07 | 5 | 6 | 6 | 10 | 10 | 1 | 5.66 | 5.82 |
| [30] | 13 | 12 | 1.08 | 0.07 | 3 | 6 | 6 | 4 | 13 | 1 | 6.00 | 2.83 |
| [31] | 13 | 11 | 1.18 | 0.07 | 4 | 2 | 4 | 4 | 11 | 2 | 8.00 | 5.85 |
| [32] | 13 | 13 | 1.00 | 0.07 | 4 | 1.25 | 6 | 4 | 13 | 2 | 5.33 | 7.20 |
| P | 13 | 11 | 1.18 | 0.07 | 2 | 1.5 | 6 | 1 | 11 | 2 | 5.16 | 4.55 |
| Parameters | Values |
|---|---|
| and | 50 V, 150 V |
| Capacitors | 2200 F, 200 V; 2200 F, 200 V |
| Resistance at load | 40 , 50 |
| Inductance at load | 80 mH |
| Frequency | 60 Hz |
| M variation | 1.0 to 0.8 to 0.5 |
Disclaimer/Publisher’s Note: The statements, opinions and data contained in all publications are solely those of the individual author(s) and contributor(s) and not of MDPI and/or the editor(s). MDPI and/or the editor(s) disclaim responsibility for any injury to people or property resulting from any ideas, methods, instructions or products referred to in the content. |
© 2024 by the authors. Licensee MDPI, Basel, Switzerland. This article is an open access article distributed under the terms and conditions of the Creative Commons Attribution (CC BY) license (https://creativecommons.org/licenses/by/4.0/).
Share and Cite
Iqbal, H.; Sarwat, A. Improved Genetic Algorithm-Based Harmonic Mitigation Control of an Asymmetrical Dual-Source 13-Level Switched-Capacitor Multilevel Inverter. Energies 2025, 18, 35. https://doi.org/10.3390/en18010035
Iqbal H, Sarwat A. Improved Genetic Algorithm-Based Harmonic Mitigation Control of an Asymmetrical Dual-Source 13-Level Switched-Capacitor Multilevel Inverter. Energies. 2025; 18(1):35. https://doi.org/10.3390/en18010035
Chicago/Turabian StyleIqbal, Hasan, and Arif Sarwat. 2025. "Improved Genetic Algorithm-Based Harmonic Mitigation Control of an Asymmetrical Dual-Source 13-Level Switched-Capacitor Multilevel Inverter" Energies 18, no. 1: 35. https://doi.org/10.3390/en18010035
APA StyleIqbal, H., & Sarwat, A. (2025). Improved Genetic Algorithm-Based Harmonic Mitigation Control of an Asymmetrical Dual-Source 13-Level Switched-Capacitor Multilevel Inverter. Energies, 18(1), 35. https://doi.org/10.3390/en18010035

