High-Performance Hydrogen-Fueled Internal Combustion Engines: Feasibility Study and Optimization via 1D-CFD Modeling
Abstract
1. Introduction and Background
2. Present Work
3. Methodology and Case Studies
3.1. Numerical Approach
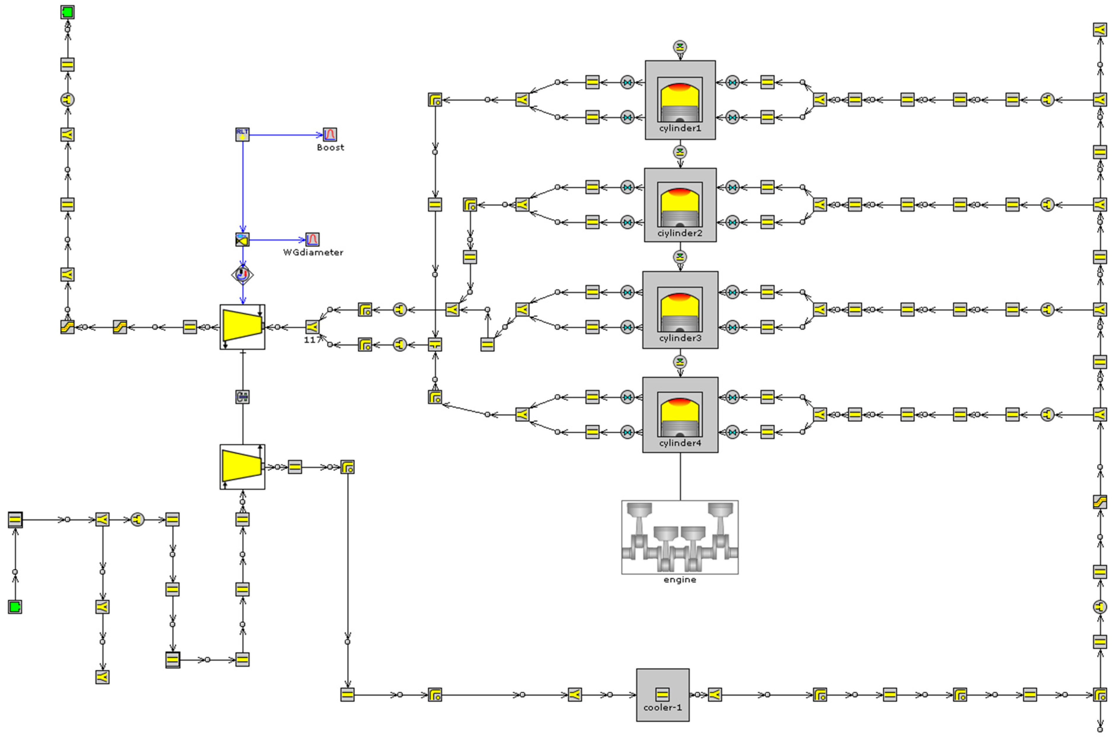
3.2. Part 1: 2000cc 4-Cylinder Engine Model
- The Wiebe function was used to model the combustion. The MFB50 position was identified as the most relevant combustion parameter, affecting peak firing pressure, torque and bsfc. The MFB50 was hence used as a parameter in the considered investigation, whereas the Wiebe exponent and the combustion duration were maintained at 2 and 30 deg CA, respectively.
- The turbocharger was not included in the model, but the pressure at the model input was imposed so as to reproduce the effect of a compressor. At the same time, the backpressure imposed by the turbine was taken to be the same as the imposed boost pressure. This choice was motivated by the opportunity to maximize the model flexibility by highlighting the ideal requirements to the turbocharger device rather than suffering from any limitation coming from it.
3.3. Part 2: Full Turbocharged Engine with VVA and Direct Gas Injection
4. Engine 1 Results and Discussion
4.1. Baseline CNG Engine Definition
4.2. Full-Load Curve under H2 Fueling
5. Engine 2 Results and Discussion
5.1. Engine Model Calibration under CNG Fueling
- TPA analysis [32] of the experimental in-cylinder pressure traces for each cylinder;
- extraction of the Wiebe parameters which suit the diagnosed heat-release profiles;
- evaluation of cylinder-averaged values for the parameters;
- Slight adjustment of the latter values in order to improve the fit with experimental results. In this phase, the value of the Wiebe exponent was fixed at 1.5 for all the operating points.
5.2. Performance Estimation under Hydrogen Fueling
5.2.1. 2000 rpm, Full Load
- 1.
- Definition of the best trade-off between three control parameters: IVC timing, boost pressure and MFB50 angle imposed by the Wiebe function. The presence of MultiAir VVA allowed to change the lift timing of the intake valves, defined by a nominal closure value. In this regard, simulations with variable boost with given IVC showed a maximum achievable pressure at around 2 bar, pointing out a limitation coming from the turbocharger operation. Figure 13 reports a boost sweep from 1.5 bar to 2.5 bar at the indicated operating conditions. Table 7 reports the main results obtained in this analysis.
- 2.
- The turbine size was fictitiously decreased through the introduction of a mass-flow multiplier (MFM) of 0.8 so as to increase the turbine backpressure and, in turn, the work exploitable from it. Results of a new target boost pressure sweep are shown in Figure 14 for the same engine operation parameters as Figure 13. The results testify that the target boost is successfully reached without the need of a complete closure of the wastegate valve.
- 3.
- Starting from the result of step 2, an optimization of the three parameters has been carried out. The boost and the MFB50 angle showed the same behavior as in Section 3, and no significant benefit could be obtained by changing the IVC timing. In fact, the actuated intake valve lift had already been optimized in the calibration phase of the methane engine as the best compromise between intake duration and backflow occurrence. Table 8 shows the results of this optimization process: it has to be noted that the boost target is not reached, but the effective boost pressure is limited to 2.66 bar. The final bmep is 16.2 bar, with a decrease from the baseline methane engine limited to 7% and a comparable bsec value. At the same time, PFP is maintained just below the 110 bar limit, and the turbine inlet temperature is far from the limit. These results indicate that the considered engine can be successfully converted to lean hydrogen operation, as a fully decarbonized tank-to-wheel operation has been achieved, with limited penalty in the rated torque and nearly constant energy consumption.
- -
- the high CR of the engine, which limits the maximum achievable boost for both the baseline and the H2 engine;
- -
- the early IVC adopted at full load combined with late direct injection, which nearly eliminate any volumetric effect induced by the low hydrogen density;
- -
- the consideration of a real engine turbocharging system, rather than an ideal one, has mitigated the effect on the bmep.
5.2.2. 4000 rpm, Full Load
6. Conclusions
- In the presence of a fixed PFP limit, the ideal boost level had to be reduced for the H2 fueling by around 15%. This requirement is particularly strict if the original NG calibration presents extremely large boost level and is one of the reasons behind the detriment in the bmep output.
- In the presence of an ideal supercharging device in both the NG and the H2 engines, the hydrogen-powered one showed a bmep reduction by around 35% over the entire full-load curve, which is due to both the reduction in the boost level and the decision to run lean. This result was influenced by the absence of turbocharger limitations, which has led to an optimistic bmep curve for the NG engine. However, the absolute value of the H2 engine bmep, 20 bar, represents a very good result. The better combustion phasing also contributes to an improvement of the specific energy consumption by around 10–15%.
- The results from Engine #2 pointed out a decrease in the achievable bmep by around 7%, which is lower than in Engine #1. The main reasons are (i) a more realistic boost modeling approach, (ii) the high CR of the engine, which limits the maximum achievable boost for both the baseline and the H2 engine, and (iii) the early IVC adopted at full load combined with late direct injection, which nearly remove the detriments induced by the low hydrogen density.
- A reduction in the turbine size by around 20% was shown to be beneficial in order to maximize the performance at 2000 rpm. The final results from Engine #2 indicate that the lean-burn H2 engine with smaller turbine can guarantee a bmep output of 16.2 bar, which is in line with the predictions from Engine #1 and indicates promising ground for further optimization of the turbocharger optimization.
- At 4000 rpm, the smaller-size turbine can provide a bmep of 13.8 bar, which is 4% lower than in the case of the original turbine.
Author Contributions
Funding
Data Availability Statement
Acknowledgments
Conflicts of Interest
Abbreviations
| BEV | Battery Electric Vehicle |
| BMEP | Brake Mean Effective Pressure |
| BSEC | Brake Specific Energy Consumption |
| BSFC | Brake Specific Fuel Consumption |
| CR | Compression Ratio |
| DI | Direct Injection |
| EOI | End Of Injection |
| FC | Fuel Cell |
| IVC | Intake Valve Closure |
| LHV | Lower Heating Value |
| MBT | Maximum Braking Torque |
| MFB50 | Mass Burned Fraction at 50% |
| MFM | Mass-Flow Multiplier |
| NG | Natural Gas |
| PFP | Peak Firing Pressure |
| PFI | Port Fuel Injection |
| RES | Renewable Energy Sources |
| SI | Spark Ignition |
| TCO | Total Cost of Ownership |
| TIT | Turbine Inlet Temperature |
| TPA | Three Pressure Analysis |
| VVA | Variable Valve Actuation |
| Symbols | |
| λ | Air–fuel equivalence ratio |
| CH4 | Methane |
| H2 | Hydrogen |
References
- IPCC. Climate Change 2023: Synthesis Report; IPCC: Geneva, Switzerland, 2023. [Google Scholar]
- IEA. World Energy Outlook 2023; IEA: Paris, France, 2023. [Google Scholar]
- IEA. Energy Technology Perspectives 2023; IEA: Paris, France, 2023. [Google Scholar]
- Verhelst, S.; Wallner, T. Hydrogen-Fueled Internal Combustion Engines. Prog. Energy Combust. Sci. 2009, 35, 490–527. [Google Scholar] [CrossRef]
- Maggio, G.; Nicita, A.; Squadrito, G. How the Hydrogen Production from RES Could Change Energy and Fuel Markets: A Review of Recent Literature. Int. J. Hydrogen Energy 2019, 44, 11371–11384. [Google Scholar] [CrossRef]
- Sens, M.; Danzer, C.; von Essen, C.; Brauer, M.; Wascheck, R.; Seebode, J.; Kratzsch, M. Hydrogen Powertrains in Competition to Fossil Fuel Based Internal Combustion Engines and Battery Electric Powertrains. In Proceedings of the 42nd International Vienna Motor Symposium 2021, Virtual, 29–30 April 2021. [Google Scholar]
- Onorati, A.; Payri, R.; Vaglieco, B.M.; Agarwal, A.K.; Bae, C.; Bruneaux, G.; Canakci, M.; Gavaises, M.; Günthner, M.; Hasse, C.; et al. The Role of Hydrogen for Future Internal Combustion Engines. Int. J. Engine Res. 2022, 23, 529–540. [Google Scholar] [CrossRef]
- Exxon Mobil. The Outlook for Energy: A View to 2040; ExxonMobil: Spring, TX, USA, 2016. [Google Scholar]
- Handwerker, M.; Wellnitz, J.; Marzbani, H. Comparison of Hydrogen Powertrains with the Battery Powered Electric Vehicle and Investigation of Small-Scale Local Hydrogen Production Using Renewable Energy. Hydrogen 2021, 2, 76–100. [Google Scholar] [CrossRef]
- Misul, D.; Baratta, M.; Xu, J.; Fuerhapter, A.; Heindl, R. Experimental and CFD Investigation of Fuel Mixing in an Optical-Access Direct-Injection NG Engine and Correlation with Test Rig Combustion and Performance Data. Energies 2023, 16, 3004. [Google Scholar] [CrossRef]
- Sevik, J.; Pamminger, M.; Wallner, T.; Scarcelli, R.; Reese, R.; Iqbal, A.; Boyer, B.; Wooldridge, S.; Hall, C.; Miers, S. Performance, Efficiency and Emissions Assessment of Natural Gas Direct Injection Compared to Gasoline and Natural Gas Port-Fuel Injection in an Automotive Engine. SAE Int. J. Engines 2016, 9, 1130–1142. [Google Scholar] [CrossRef]
- Verhelst, S. Recent Progress in the Use of Hydrogen as a Fuel for Internal Combustion Engines. Int. J. Hydrogen Energy 2014, 39, 1071–1085. [Google Scholar] [CrossRef]
- Hosseini, S.E.; Butler, B. An Overview of Development and Challenges in Hydrogen Powered Vehicles. Int. J. Green. Energy 2020, 17, 13–37. [Google Scholar] [CrossRef]
- Stępień, Z. A Comprehensive Overview of Hydrogen-Fueled Internal Combustion Engines: Achievements and Future Challenges. Energies 2021, 14, 6504. [Google Scholar] [CrossRef]
- Jilakara, S.; Vaithianathan, J.V.; Natarajan, S.; Ramakrishnan, V.R.; Subash, G.; Abraham, M.; Krishnan Unni, J.; Das, L.M. An Experimental Study of Turbocharged Hydrogen Fuelled Internal Combustion Engine. SAE Int. J. Engines 2015, 8, 314–325. [Google Scholar] [CrossRef]
- Sopena, C.; Diéguez, P.M.; Sáinz, D.; Urroz, J.C.; Guelbenzu, E.; Gandía, L.M. Conversion of a Commercial Spark Ignition Engine to Run on Hydrogen: Performance Comparison Using Hydrogen and Gasoline. Int. J. Hydrogen Energy 2010, 35, 1420–1429. [Google Scholar] [CrossRef]
- Bao, L.-Z.; Sun, B.-G.; Luo, Q.-H.; Li, J.-C.; Qian, D.-C.; Ma, H.-Y.; Guo, Y.-J. Development of a Turbocharged Direct-Injection Hydrogen Engine to Achieve Clean, Efficient, and High-Power Performance. Fuel 2022, 324, 124713. [Google Scholar] [CrossRef]
- Zhao, H. Advanced Direct Injection Combustion Engine Technologies and Development; Woodhead Publishing: Sawston, UK, 2010; Volume 1. [Google Scholar]
- Douailler, B.; Ravet, F.; Delpech, V.; Soleri, D.; Reveille, B.; Kumar, R. Direct Injection of CNG on High Compression Ratio Spark Ignition Engine: Numerical and Experimental Investigation. In Proceedings of the SAE 2011 World Congress & Exhibition, Detroit, MI, USA, 12–14 April 2011. [Google Scholar]
- Adlercreutz, L.; Cronhjort, A.; Andersen, J.; Ogink, R. Optimizing the Natural Gas Engine for CO2 Reduction. In Proceedings of the SAE 2016 World Congress and Exhibition, Detroit, MI, USA, 12–14 April 2016. [Google Scholar]
- Baratta, M.; Misul, D. Development of a Method for the Estimation of the Behavior of a CNG Engine over the NEDC Cycle and Its Application to Quantify for the Effect of Hydrogen Addition to Methane Operations. Fuel 2015, 140, 237–249. [Google Scholar] [CrossRef]
- Kim, J.; Chun, K.M.; Song, S.; Baek, H.K.; Lee, S.W. The Effects of Hydrogen on the Combustion, Performance and Emissions of a Turbo Gasoline Direct-Injection Engine with Exhaust Gas Recirculation. Int. J. Hydrogen Energy 2017, 42, 25074–25087. [Google Scholar] [CrossRef]
- Baratta, M.; Chiriches, S.; Goel, P.; Misul, D. CFD Modelling of Natural Gas Combustion in IC Engines under Different EGR Dilution and H2-Doping Conditions. Transp. Eng. 2020, 2, 100018. [Google Scholar] [CrossRef]
- Kalam, M.A.; Masjuki, H.H. An Experimental Investigation of High Performance Natural Gas Engine with Direct Injection. Energy 2011, 36, 3563–3571. [Google Scholar] [CrossRef]
- Baratta, M.; Misul, D.; Xu, J.; Fuerhapter, A.; Heindl, R.; Peletto, C.; Preuhs, J.; Salemi, P. Development of a High Performance Natural Gas Engine with Direct Gas Injection and Variable Valve Actuation. SAE Int. J. Engines 2017, 10, 2535–2551. [Google Scholar] [CrossRef]
- Krishnan Unni, J.; Bhatia, D.; Dutta, V.; Das, L.M.; Jilakara, S.; Subash, G. Development of Hydrogen Fuelled Low NOx Engine with Exhaust Gas Recirculation and Exhaust after Treatment. SAE Int. J. Engines 2017, 10, 46–54. [Google Scholar] [CrossRef]
- Mohammadi, A.; Shioji, M.; Nakai, Y.; Ishikura, W.; Tabo, E. Performance and Combustion Characteristics of a Direct Injection SI Hydrogen Engine. Int. J. Hydrogen Energy 2007, 32, 296–304. [Google Scholar] [CrossRef]
- Verhelst, S.; Maesschalck, P.; Rombaut, N.; Sierens, R. Increasing the Power Output of Hydrogen Internal Combustion Engines by Means of Supercharging and Exhaust Gas Recirculation. Int. J. Hydrogen Energy 2009, 34, 4406–4412. [Google Scholar] [CrossRef]
- Rezaei, R.; Kovacs, D.; Hayduk, C.; Mennig, M.; Delebinski, T. Euro VII and Beyond with Hydrogen Combustion for Commercial Vehicle Applications: From Concept to Series Development. SAE Int. J. Adv. Curr. Pract. Mobil. 2021, 4, 559–569. [Google Scholar] [CrossRef]
- Bulgarini, M.; Della Torre, A.; Barillari, L.; Montenegro, G.; Onorati, A.; Gullino, F.; Tonelli, R. Towards H2 High-Performance IC Engines: Strategies for Control and Abatement of Pollutant Emissions. In Proceedings of the 16th International Conference on Engines & Vehicles, Naples, Italy, 28 August 2023. [Google Scholar]
- Wallner, T.; Matthias, N.S.; Scarcelli, R.; Kwon, J.C. Evaluation of the Efficiency and the Drive Cycle Emissions for a Hydrogen Direct-Injection Engine. Proc. Inst. Mech. Eng. Part D: J. Automob. Eng. 2013, 227, 99–109. [Google Scholar] [CrossRef]
- Gamma Technologies. GT-Suite Engine Performance Application Manual; Gamma Technologies: Westmont, IL, USA, 2022. [Google Scholar]
- Gamma Technologies. GT-Suite Flow Theory Manual; Gamma Technologies: Westmont, IL, USA, 2022. [Google Scholar]
- Heywood, J.B. Internal Combustion Engine Fundamentals, 2nd ed.; McGraw-Hill: New York, NY, USA, 2019. [Google Scholar]















| Displaced volume | 2000cc |
| Compression ratio | 9.5–11.5 |
| Number of valves per cylinder | 4 |
| Valve lift | Fixed |
| Fuel injection | PFI (NG) DI (H2) |
| Lambda | 1 (NG) 2 (H2) |
| Turbocharger modeling strategy | ‘Imposed boost’ with ptrb,in ≈ pboost |
| Displaced volume | 1368cc |
| Compression ratio | 13 |
| Number of valves per cylinder | 4 |
| Valve lift | Hydraulic VVA system (MultiAir) |
| Fuel injection | DI |
| Lambda | 1 (NG) 1-2 (H2) |
| Turbocharger modeling strategy | Full turbocharger model included |
| NG Engine | H2 Engine | |
|---|---|---|
| Lambda | 1 | 2 |
| Fuel injection strategy | PFI | DI |
| EOI timing [deg CA] | −180 | −70 |
| MFB50 timing, boost pressure | Adjusted so as to maximize performance and comply with the p and T limits | |
| Working Point # | Speed [rpm] | Load [bar] | EOI [°CA] | Exp MFB50 [°CA] |
|---|---|---|---|---|
| (1) | 2000 | 4 | 331 | 7.4 |
| (2) | 2000 | 8 | 326 | 7.5 |
| (3) | 2500 | 13 | 102 | 7.9 |
| (4) | 3000 | 3 | 221 | 7.3 |
| (5) | 4000 | 5 | 101 | 7.6 |
| (6) | 2000 | 17 (Full load) | 122 | 11.3 |
| NG Engine | H2 Engine | |
|---|---|---|
| Lambda | 1 | 1–2 |
| MFB50 timing, boost pressure, intake valves lift | Adjusted so as to maximize performance and comply with the p and T limits | |
| Average PFP | bmep | bsec | Effective Boost Pressure | Air Mass Flow Rate | Turbine Inlet Temperature | Turbine Inlet Pressure | |
|---|---|---|---|---|---|---|---|
| bar | bar | MJ/kWh | bar | g/s | K | bar | |
| CH4 | 108.9 | 17.4 | 9.7 | 1.7 | 36.7 | 1007 | 1.6 |
| H2 - λ = 1 | 132.5 | 20.0 | 10.1 | 1.7 | 36.4 | 1067 | 1.6 |
| H2 - λ = 2 | 75.3 | 8.2 | 9.9 | 1.4 | 29.3 | 807 | 1.4 |
| MFB50 = 32.6 °CA Nominal Lift = 520 °CA | ||||||
|---|---|---|---|---|---|---|
| Target Boost Pressure [bar] | 1.5 | 1.7 | 1.9 | 2.1 | 2.3 | 2.5 |
| Average PFP [bar] | 58.1 | 66.4 | 74.7 | 77.7 | 77.8 | 77.8 |
| bmep [bar] | 7.7 | 9.0 | 10.3 | 10.8 | 10.8 | 10.8 |
| bsec [MJ/kWh] | 11.3 | 11.1 | 10.9 | 10.9 | 10.9 | 10.9 |
| Effective boost pressure [bar] | 1.50 | 1.70 | 1.90 | 1.97 | 1.97 | 1.97 |
| Air mass flow rate [g/s] | 31.4 | 36.0 | 40.4 | 42.1 | 42.1 | 42.1 |
| Turbine inlet temperature [K] | 915 | 922 | 928 | 930 | 930 | 930 |
| Turbine inlet pressure [bar] | 1.46 | 1.61 | 1.77 | 1.83 | 1.83 | 1.83 |
| Parameters | Average PFP | bmep | bsec | Effective Boost Pressure | Air-Mass Flow Rate | Turbine Inlet Temperature | Turbine Inlet Pressure |
|---|---|---|---|---|---|---|---|
| bar | bar | MJ/kWh | bar | g/s | K | bar | |
| Original turbine MFB50 = 32.6 °CA; nominal lift = 520 °CA target boost = 2.1 bar | 77.7 | 10.8 | 10.9 | 1.97 | 42.1 | 930 | 1.83 |
| Turbine MFM = 0.8 MFB50 = 32.6 °CA; nominal lift = 520 °CA target boost = 2.5 bar | 99.5 | 13.6 | 10.8 | 2.52 | 53.0 | 951 | 2.48 |
| Turbine MFM = 0.8 MFB50 = 32.6 °CA; nominal lift = 520 °CA target boost = 2.7 bar | 106 | 16.2 | 9.7 | 2.66 | 56.5 | 902 | 2.67 |
| MFB50 = 17.9 °CA Nominal Lift = 490 °CA Target Boost = 2.3 bar | Average PFP | bmep | bsec | Boost Pressure | Air Mass Flow Rate | Turbine Inlet Temperature | Turbine Inlet Pressure | Turbine Speed |
|---|---|---|---|---|---|---|---|---|
| bar | bar | MJ/kWh | bar | g/s | K | bar | kRPM | |
| Original turbine | 109.0 | 14.4 | 10.3 | 2.30 | 106.5 | 939 | 3.06 | 265 |
| Turbine MFM = 0.8 | 107.9 | 13.8 | 10.6 | 2.30 | 104.6 | 946 | 3.42 | 262 |
| Difference | −1% | −4% | +3% | 0% | −2% | +1% | +12% | −1% |
Disclaimer/Publisher’s Note: The statements, opinions and data contained in all publications are solely those of the individual author(s) and contributor(s) and not of MDPI and/or the editor(s). MDPI and/or the editor(s) disclaim responsibility for any injury to people or property resulting from any ideas, methods, instructions or products referred to in the content. |
© 2024 by the authors. Licensee MDPI, Basel, Switzerland. This article is an open access article distributed under the terms and conditions of the Creative Commons Attribution (CC BY) license (https://creativecommons.org/licenses/by/4.0/).
Share and Cite
Misul, D.A.; Scopelliti, A.; Baratta, M. High-Performance Hydrogen-Fueled Internal Combustion Engines: Feasibility Study and Optimization via 1D-CFD Modeling. Energies 2024, 17, 1593. https://doi.org/10.3390/en17071593
Misul DA, Scopelliti A, Baratta M. High-Performance Hydrogen-Fueled Internal Combustion Engines: Feasibility Study and Optimization via 1D-CFD Modeling. Energies. 2024; 17(7):1593. https://doi.org/10.3390/en17071593
Chicago/Turabian StyleMisul, Daniela A., Alex Scopelliti, and Mirko Baratta. 2024. "High-Performance Hydrogen-Fueled Internal Combustion Engines: Feasibility Study and Optimization via 1D-CFD Modeling" Energies 17, no. 7: 1593. https://doi.org/10.3390/en17071593
APA StyleMisul, D. A., Scopelliti, A., & Baratta, M. (2024). High-Performance Hydrogen-Fueled Internal Combustion Engines: Feasibility Study and Optimization via 1D-CFD Modeling. Energies, 17(7), 1593. https://doi.org/10.3390/en17071593

