Iterative Fast Super-Twisting Flux Sliding Mode Observer for SPMSM with Tangent Quadrature Phase-Locked Loop
Abstract
1. Introduction
2. Preliminaries
2.1. Mathematical Model and Extended State Equation of SPMSM
2.2. Control Logic of Traditional FSMO
2.3. Control Logic of Traditional QPLL
3. FSMO-BASED IFST and TQPLL
3.1. Improvement of Super-Twisting Algorithm
3.2. Control Logic of Proposed IFST-FSMO
3.3. Stability Analysis of Proposed Fast STA
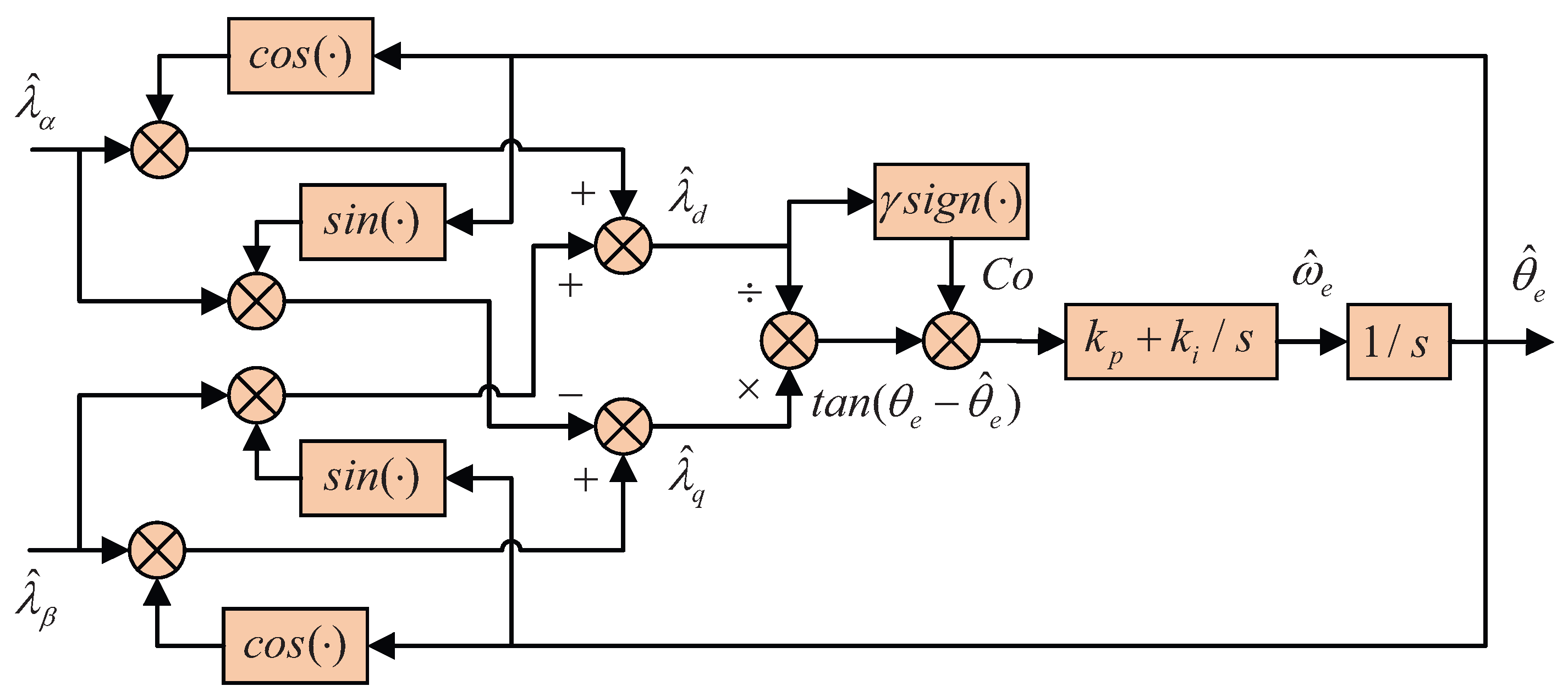
3.4. Control Logic of Proposed TQPLL
4. Performance Testing and Evaluation
4.1. Test Platform and Control System Description
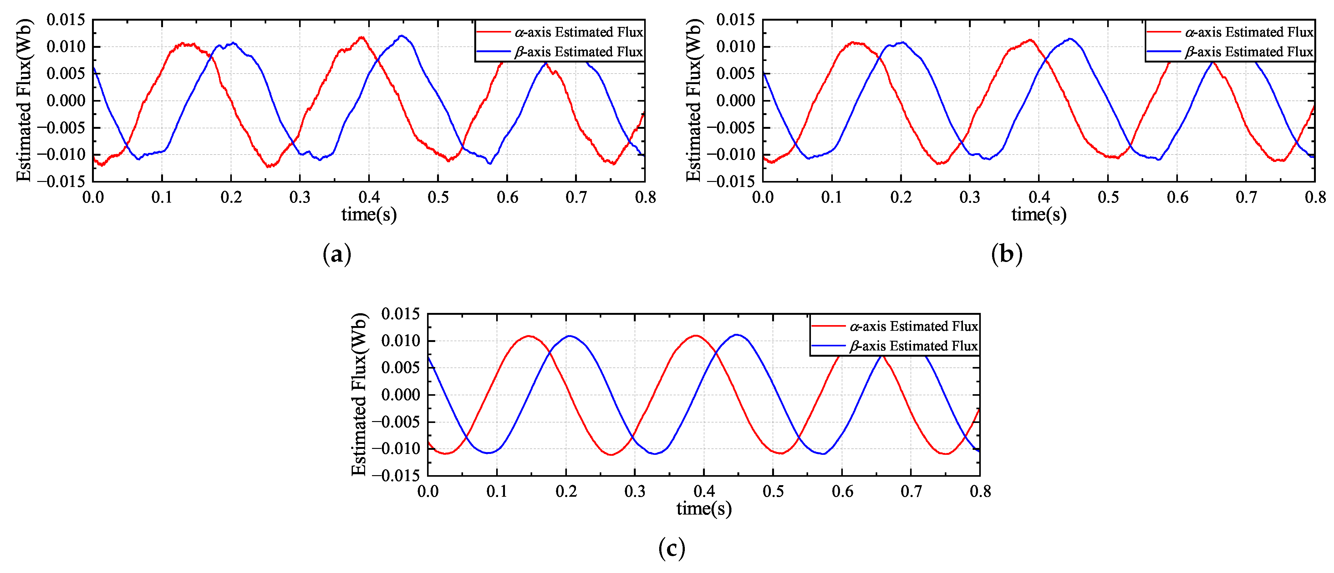
4.2. Steady-State Performance
4.3. Dynamic Response
4.4. Speed Reversal Response
5. Conclusions
Author Contributions
Funding
Data Availability Statement
Conflicts of Interest
References
- Shen, J.; Wang, X.; Xiao, D.; Wang, Z.; Mao, Y.; He, M. Online Switching Strategy Between Dual Three-Phase PMSM and Open-Winding PMSM. IEEE Trans. Transp. Electrif. 2024, 10, 1519–1529. [Google Scholar] [CrossRef]
- Wang, Q.; Zhao, X.; Yang, P.; Hua, W.; Buja, G. Effects of Triangular Wave Injection and Current Differential Terms on Multiparameter Identification for PMSM. IEEE Trans. Power Electron. 2024, 39, 2943–2947. [Google Scholar] [CrossRef]
- Tian, B.; Molinas, M.; An, Q.; Zhou, B.; Wei, J. Freewheeling Current-Based Sensorless Field-Oriented Control of Five-Phase Permanent Magnet Synchronous Motors Under Insulated Gate Bipolar Transistor Failures of a Single Phase. IEEE Trans. Ind. Electron. 2022, 69, 213–224. [Google Scholar] [CrossRef]
- Chen, Z.; Shi, T.; Lin, Z.; Wang, Z.; Gu, X. Analysis and Control of Current Harmonic in IPMSM Field-Oriented Control System. IEEE Trans. Power Electron. 2022, 37, 9571–9585. [Google Scholar] [CrossRef]
- Bi, G.; Zhang, G.; Wang, Q.; Ding, D.; Li, B.; Wang, G.; Xu, D. High-Frequency Injection Angle Self-Adjustment Based Online Position Error Suppression Method for Sensorless PMSM Drives. IEEE Trans. Power Electron. 2023, 38, 1412–1417. [Google Scholar] [CrossRef]
- Ge, Y.; Song, W.; Yang, Y.; Wheeler, P. A Polar-Coordinate-Multisignal-Flux-Observer-Based PMSM Non-PLL Sensorless Control. IEEE Trans. Power Electron. 2023, 38, 10579–10583. [Google Scholar] [CrossRef]
- Xu, W.; Qu, S.; Zhao, J.; Zhang, H.; Du, X. An Improved Full-Order Sliding-Mode Observer for Rotor Position and Speed Estimation of SPMSM. IEEE Access 2021, 9, 15099–15109. [Google Scholar] [CrossRef]
- Yin, Z.; Zhang, Y.; Cao, X.; Yuan, D.; Liu, J. Estimated Position Error Suppression Using Novel PLL for IPMSM Sensorless Drives Based on Full-Order SMO. IEEE Trans. Power Electron. 2022, 37, 4463–4474. [Google Scholar] [CrossRef]
- Niedermayr, P.; Alberti, L.; Bolognani, S.; Abl, R. Implementation and Experimental Validation of Ultrahigh-Speed PMSM Sensorless Control by Means of Extended Kalman Filter. IEEE J. Emerging Sel. Top. Power Electron. 2022, 10, 3337–3344. [Google Scholar] [CrossRef]
- Yang, H.; Yang, R.; Hu, W.; Huang, Z. FPGA-Based Sensorless Speed Control of PMSM Using Enhanced Performance Controller Based on the Reduced-Order EKF. IEEE J. Emerging Sel. Top. Power Electron. 2021, 9, 289–301. [Google Scholar] [CrossRef]
- Kashif, M.; Singh, B. Modified Active-Power MRAS Based Adaptive Control With Reduced Sensors for PMSM Operated Solar Water Pump. IEEE Trans. Energy Convers. 2023, 38, 38–52. [Google Scholar] [CrossRef]
- Liu, Z.H.; Nie, J.; Wei, H.L.; Chen, L.; Li, X.H.; Lv, M.Y. Switched PI Control Based MRAS for Sensorless Control of PMSM Drives Using Fuzzy-Logic-Controller. IEEE Open J. Power Electron. 2022, 3, 368–381. [Google Scholar] [CrossRef]
- Bernard, P.; Praly, L. Estimation of Position and Resistance of a Sensorless PMSM: A Nonlinear Luenberger Approach for a Nonobservable System. IEEE Trans. Autom. Control 2021, 66, 481–496. [Google Scholar] [CrossRef]
- Zuo, Y.; Lai, C.; Iyer, L.V. Improved Single Current Sensor Based PMSM Control under Low Frequency Ratio Using Discrete-Time Adaptive Luenberger Observer. IEEE Trans. Ind. Electron. 2024, 71, 10297–10308. [Google Scholar] [CrossRef]
- Ye, S.; Yao, X. An Enhanced SMO-Based Permanent-Magnet Synchronous Machine Sensorless Drive Scheme With Current Measurement Error Compensation. IEEE J. Emerging Sel. Top. Power Electron. 2021, 9, 4407–4419. [Google Scholar] [CrossRef]
- Farahat, A.; Liu, Z.; Liu, G.; Chen, Q. Speed and Position Estimation for 5-ph PMSM Using SOGI Based on SMO Considering Short-Circuit Fault. IEEE Access 2024, 12, 57315–57325. [Google Scholar] [CrossRef]
- Wu, X.; Qi, P.; Yu, X.; Wu, T.; Huang, S.; Cui, H. Multiple Discrete Adaptive Filter Based Position Error Reduction for Sensorless IPMSM Drives. IEEE Trans. Ind. Electron. 2024, 71, 3342–3350. [Google Scholar] [CrossRef]
- Ye, S. A novel fuzzy flux sliding-mode observer for the sensorless speed and position tracking of PMSMs. Optik 2018, 171, 319–325. [Google Scholar] [CrossRef]
- Ye, S.; Yao, X. A Modified Flux Sliding-Mode Observer for the Sensorless Control of PMSMs With Online Stator Resistance and Inductance Estimation. IEEE Trans. Power Electron. 2020, 35, 8652–8662. [Google Scholar] [CrossRef]
- Wang, G.; Zhang, H. A new speed adaptive estimation method based on an improved flux sliding-mode observer for the sensorless control of PMSM drives. ISA Trans. 2022, 128, 675–685. [Google Scholar] [CrossRef]
- Ye, S. Design and performance analysis of an iterative flux sliding-mode observer for the sensorless control of PMSM drives. ISA Trans. 2019, 94, 255–264. [Google Scholar] [CrossRef] [PubMed]
- Wang, C.; Gou, L.; Dong, S.; Zhou, M.; You, X. Sensorless Control of IPMSM Based on Super-Twisting Sliding Mode Observer With CVGI Considering Flying Start. IEEE Trans. Transp. Electrif. 2022, 8, 2106–2117. [Google Scholar] [CrossRef]
- Hou, Q.; Ding, S. Finite-Time Extended State Observer-Based Super-Twisting Sliding Mode Controller for PMSM Drives With Inertia Identification. IEEE Trans. Transp. Electrif. 2022, 8, 1918–1929. [Google Scholar] [CrossRef]
- Wu, X.; Hu, X.; Yu, X.; Feng, Y.; Wu, T.; Huang, S. Improved Super-Twisting Flux Sliding-Mode Observer for Sensorless IPMSM Drives with FFPS-PLL. IEEE Trans. Transp. Electrif. 2024, 1. [Google Scholar] [CrossRef]
- Chen, S.; Ding, W.; Hu, R.; Wu, X.; Shi, S. Sensorless Control of PMSM Drives Using Reduced Order Quasi Resonant-Based ESO and Newton–Raphson Method-Based PLL. IEEE Trans. Power Electron. 2023, 38, 229–244. [Google Scholar] [CrossRef]
- Wu, T.; Wu, X.; Huang, S.; Lu, K.; Cui, H. An Optimized PLL With Time Delay and Harmonic Suppression for Improved Position Estimation Accuracy of PMSM Based on Levenberg–Marquardt. IEEE Trans. Ind. Electron. 2023, 70, 9847–9858. [Google Scholar] [CrossRef]
- Novak, Z.; Novak, M. Adaptive PLL-Based Sensorless Control for Improved Dynamics of High-Speed PMSM. IEEE Trans. Power Electron. 2022, 37, 10154–10165. [Google Scholar] [CrossRef]
- Liu, G.; Zhang, H.; Song, X. Position-Estimation Deviation-Suppression Technology of PMSM Combining Phase Self-Compensation SMO and Feed-Forward PLL. IEEE J. Emerging Sel. Top. Power Electron. 2021, 9, 335–344. [Google Scholar] [CrossRef]
- Yang, X.; Yao, J.; Deng, W. Output feedback adaptive super-twisting sliding mode control of hydraulic systems with disturbance compensation. ISA Trans. 2021, 109, 175–185. [Google Scholar] [CrossRef]
- Kommuri, S.K.; Han, S.; Lee, S. External Torque Estimation Using Higher Order Sliding-Mode Observer for Robot Manipulators. IEEE/ASME Trans. Mechatron. 2022, 27, 513–523. [Google Scholar] [CrossRef]
- Long, S.; Dang, X.; Sun, S. An Improved Adaptive Super-Twisting Momentum Observer to Estimate External Torque for a Robot Manipulator. J. Intell. Rob. Syst. 2023, 107, 25. [Google Scholar] [CrossRef]















| Parameter Index | Experiment Value |
|---|---|
| Rated power | 200 W |
| Rated Speed | 1600 r/min |
| Rated voltage | 24 V |
| Rated current | 12.5 A |
| Rated torque | 1.27 N·m |
| Pole pairs | 5 |
| Stator resistance | 0.175 |
| Stator inductance | 0.195 mH |
| Permanent magnet flux | 0.0109 Wb |
| Rotational inertia J | kg·m² |
| Method Comparison | Item | Maximum Deviation (400 rpm) | Maximum Deviation (1200 rpm) |
|---|---|---|---|
| Traditional FSMO with QPLL | Speed | 23.3 rpm | 20.1 rpm |
| Position | 4.7° | 3.0° | |
| The proposed IFST-FSMO with QPLL | Speed | 14.6 rpm | 10.4 rpm |
| Position | 3.4° | 2.6° | |
| The proposed IFST-FSMO with TQPLL | Speed | 15.2 rpm | 10.5 rpm |
| Position | 3.5° | 2.7° |
| Method Comparison | Item | Step Acceleration | Step Deceleration | ||
|---|---|---|---|---|---|
| Maximum Deviation | Convergence Time | Maximum Deviation | Convergence Time | ||
| Traditional FSMO with QPLL | Speed | 52.9 rpm | 0.15 s | 97.7 rpm | 0.14 s |
| Position | 22.7° | 0.07 s | 28.5° | 0.055 s | |
| Improved ST-FSMO with QPLL | Speed | 33.5 rpm | 0.145 s | 55.5 rpm | 0.135 s |
| Position | 17.5° | 0.065 s | 27.5° | 0.055 s | |
| The proposed IFST-FSMO with QPLL | Speed | 22.1 rpm | 0.14 s | 41.2 rpm | 0.13 s |
| Position | 16.3° | 0.06 s | 26.5° | 0.05 s | |
| The proposed IFST-FSMO with TQPLL | Speed | 22.9 rpm | 0.125 s | 43.1 rpm | 0.12 s |
| Position | 10.5° | 0.045 s | 16.5° | 0.045 s | |
| Method Comparison | Item | Step Loading | Step Unloading | ||
|---|---|---|---|---|---|
| Maximum Deviation | Convergence Time | Maximum Deviation | Convergence Time | ||
| Traditional FSMO with QPLL | Speed | 212 rpm | 0.13 s | 200 rpm | 0.15 s |
| Position | 10.2° | 0.09 s | 7.7° | 0.13 s | |
| Improved ST-FSMO with QPLL | Speed | 168.5 rpm | 0.125 s | 168 rpm | 0.145 s |
| Position | 7.3° | 0.09 s | 5.1° | 0.125 s | |
| The proposed IFST-FSMO with QPLL | Speed | 150.5 rpm | 0.125 s | 147 rpm | 0.14 s |
| Position | 6.8° | 0.04 s | 4.6° | 0.075 s | |
| The proposed IFST-FSMO with TQPLL | Speed | 138 rpm | 0.12 s | 146 rpm | 0.125 s |
| Position | 4.8° | 0.035 s | 3.0° | 0.065 s | |
Disclaimer/Publisher’s Note: The statements, opinions and data contained in all publications are solely those of the individual author(s) and contributor(s) and not of MDPI and/or the editor(s). MDPI and/or the editor(s) disclaim responsibility for any injury to people or property resulting from any ideas, methods, instructions or products referred to in the content. |
© 2024 by the authors. Licensee MDPI, Basel, Switzerland. This article is an open access article distributed under the terms and conditions of the Creative Commons Attribution (CC BY) license (https://creativecommons.org/licenses/by/4.0/).
Share and Cite
Zhao, F.; Xie, Y.; Mao, J.; Xu, Y.; Li, G.; Jia, R.; Wang, W. Iterative Fast Super-Twisting Flux Sliding Mode Observer for SPMSM with Tangent Quadrature Phase-Locked Loop. Energies 2024, 17, 6427. https://doi.org/10.3390/en17246427
Zhao F, Xie Y, Mao J, Xu Y, Li G, Jia R, Wang W. Iterative Fast Super-Twisting Flux Sliding Mode Observer for SPMSM with Tangent Quadrature Phase-Locked Loop. Energies. 2024; 17(24):6427. https://doi.org/10.3390/en17246427
Chicago/Turabian StyleZhao, Fujiong, Yunxia Xie, Jianfeng Mao, Yingjie Xu, Gaosheng Li, Rongsheng Jia, and Weigang Wang. 2024. "Iterative Fast Super-Twisting Flux Sliding Mode Observer for SPMSM with Tangent Quadrature Phase-Locked Loop" Energies 17, no. 24: 6427. https://doi.org/10.3390/en17246427
APA StyleZhao, F., Xie, Y., Mao, J., Xu, Y., Li, G., Jia, R., & Wang, W. (2024). Iterative Fast Super-Twisting Flux Sliding Mode Observer for SPMSM with Tangent Quadrature Phase-Locked Loop. Energies, 17(24), 6427. https://doi.org/10.3390/en17246427

