Next Article in Journal
A Scoping Review of Energy-Efficient Driving Behaviors and Applied State-of-the-Art AI Methods
Next Article in Special Issue
Sustainable Smart City Technologies and Their Impact on Users’ Energy Consumption Behaviour
Previous Article in Journal
A Wide-Output-Range DC-DC Converter and Minimum Loss Collaborative Control Strategy
 
 
Font Type:
Arial Georgia Verdana
Font Size:
Aa Aa Aa
Line Spacing:
Column Width:
Background:
Review

The Application of Pyrolysis Biochar Obtained from Waste Rapeseed Cake to Remove Copper from Industrial Wastewater: An Overview

by
Krzysztof Mazurek
*,
Sebastian Drużyński
,
Urszula Kiełkowska
,
Adriana Wróbel-Kaszanek
,
Bartłomiej Igliński
* and
Marcin Cichosz
Faculty of Chemistry, Nicolaus Copernicus University in Toruń, Gagarina 7, 87-100 Toruń, Poland
*
Authors to whom correspondence should be addressed.
Energies 2024, 17(2), 498; https://doi.org/10.3390/en17020498
Submission received: 19 December 2023 / Revised: 5 January 2024 / Accepted: 18 January 2024 / Published: 19 January 2024

Abstract

Pyrolysis is a thermochemical technology for converting biomass into energy and chemical products consisting of bio-gas, bio-oil, and biochar. Several parameters influence the process efficiency and properties of pyrolysis products. These include the type of biomass, biomass preliminary preparation, gaseous atmosphere, final temperature, heating rate, and process time. This manuscript provides a general summary of the properties of the pyrolytic products of waste rapeseed cake, with particular emphasis on the sorption properties of biochar. Biochar, produced by the pyrolysis process of biomass, is emerging as a powerful tool for carbon sequestration, reducing greenhouse gas emissions, and purifying water from contaminants such as potentially toxic elements and antibiotics. The review found that the biochar obtained as a result of pyrolysis of chemically modified waste rapeseed cake is characterised by its excellent sorption properties. The obtained sorbents are characterised by sorption capacity relative to the copper(II) ion, ranging from 40 mg·g−1 to 100 mg·g−1, according to the pyrolysis conditions and chemical modification method. The purified pyrolysis gas obtained in the high-temperature process can be used to generate heat and energy. Bio-oil, with its significant combustion heat of 36 MJ·kg−1, can be a source of environmentally friendly green biofuel.

1. Introduction

Industrial activities are closely related to waste generation, which has a negative impact on the natural environment. The negative impact of anthropogenic pressure is intensified by demographic growth and rapid civilisation development. Therefore, among the main goals of all policy areas of European Union countries, as expressed in Directive 2008/98/EC, are activities favouring technological and equipment solutions aiming to reduce the amount of waste that is generated and regulate the waste management system [1,2,3,4,5,6,7,8].
The volume of the industrial production of sulphuric(VI) acid worldwide has been increasing for years. It is estimated that a total of approximately 279 million metric tons of monohydrate will be produced in 2024. This will constitute an increase of approximately 13% in the production volume in 2015 [9]. In Poland, the annual production of sulphuric(VI) acid has been fluctuating at around 1.5–2.0 million metric tons of monohydrate for many years. H2SO4 is produced in three types of industrial plants: metallurgical plants, sulphur plants, and wet catalysis plants. The type of installation determines the amount and type of waste that is generated [10,11,12,13].
Waste wash acids are produced in metallurgical installations. They are created at the purification stage of the process gas that is sent to sulphuric acid factories directly from the metallurgical unit. Process gas purification aims to remove impurities that may be harmful at further stages of sulphuric(VI) acid production using the contact method. The amount and chemical composition of the wash acids that are produced depends on many factors. In the metallurgical unit, waste electrolytic acids are produced as a result of the electrolysis process. Waste electrolytic acids are characterised by a much higher acid concentration than wash acids. Table 1 shows sample concentrations of agents contaminating the acids in question [10,11,12,13,14,15].
A commonly used method for managing and utilising waste acids is the process of chemical stabilisation of the contaminants contained in them, which involves their precipitation in the form of sparingly soluble compounds. The precipitated sediments can be deposited or recycled. However, this technological process poses many difficulties, primarily due to the diverse composition and variable properties of the waste. Therefore, attempts are being made to develop new, more technologically advantageous ways of separating valuable components from the wastewater in question [10,11,12,13,14,15].
The adsorption process is a well-known and widely used method in chemical technology. It is characterised by high universality, mainly due to the high adsorption capacity of the sorbents used, the simplicity of the technological process and its high neutrality to the natural environment [16,17,18,19,20]. Activated carbons are the most frequently used adsorbents in the treatment of industrial wastewater containing potentially toxic elements [21,22,23,24,25,26,27]. However, this type of commercial adsorbent is expensive, which limits their use in many industrial processes. The development of a cheap and effective sorbent for the adsorption of ions of potentially toxic elements may be an attractive solution for industry, but it constitutes a serious challenge for materials engineering. Biochar offers great promise in this aspect. It is characterised by a specific, well-developed surface and porous structure with many different functional groups and mineral components. It has a porous structure that is similar to the structure of activated carbon, thanks to which it can become an effective adsorbent for the removal of both inorganic and organic contaminants from water. Additionally, unlike activated carbon, biochar is a new type of adsorbent, with low cost and high efficiency. The technology used to produce activated carbon requires a relatively higher process temperature and an additional activation process. Biochar, on the other hand, is cheaper to produce and uses less energy. It can be obtained from waste biomass. Therefore, biochar is a renewable resource, and ideal for water purification technologies due to its economic and environmental benefits [28,29,30,31,32,33,34,35,36].
One of the types of biomass that can be used in this way is waste rapeseed cake. It is obtained in the oil production process by pressing and extracting rapeseed seeds. Rapeseed is one of the most important oil plants [37,38,39,40]. The total production of rapeseed in the world has been increasing for many years, reaching nearly 90 million metric tons in 2022 [41,42,43]. The world leaders in rapeseed production are the European Union (19.5 million metric tons), Canada (19 million metric tons), and China (14.7 million metric tons) [43]. The world production of rapeseed oil in 2022 was approximately 32 million metric tons [43]. The increase in rapeseed oil production is accompanied by a proportional increase in waste, and in the case of meal, annual global production reached 71 million metric tons [44]. Rapeseed is also widely used as a source of protein for food and industrial applications, in the pharmaceutical industry and as an ornament, owing to the variety of flower colours [45,46,47].
The properties and composition of waste rapeseed cake depend on the rapeseed species and the technology and process conditions used. It is a form of organic waste rich in carbon and oxygen. It is characterised by its relatively low nitrogen and hydrogen content and trace sulphur content. Currently, this waste is most often used as an animal feed additive.
This article summarises and compares the methods used to modify waste rapeseed cake and the properties of the carbon materials obtained from it, with particular emphasis on sorption and separation properties relative to the copper(II) ion [48,49,50]. The importance and purposefulness of this study are justified by the fact that copper deposits are being depleted in the world, and the demand for this metal is increasing. The demand for copper is estimated to double in the next 20–30 years [51,52].

2. Methods of Modification of Waste Rapeseed Cake

The waste rapeseed cake used in this study came from Prem-Vit Sp. J. Inowrocław, Poland. The authors’ preliminary study has shown that the pyrolysate obtained from waste rapeseed cake is characterised by unsatisfactory physicochemical and adsorption properties. The material obtained in the pyrolysis process at a temperature of 700 °C proved to be non-porous, with a specific surface area of 0.35 m2·g−1. There are few functional groups on its surface, which is why it has relatively weak adsorption properties [48,49,50].
Therefore, in the process of obtaining biochar from waste rapeseed cake, it is necessary to chemically modify the charge for the pyrolysis furnace to improve the effectiveness of the stage of creating a porous structure. For this purpose, before undergoing pyrolysis, raw rapeseed cake was subjected to modification processes:
Biochar 1—rapeseed cake was impregnated with a 40% solution of ammonium peroxydisulfate [48].
Biochar 2—rapeseed cake was impregnated with a mixture of magnesium chloride and ammonium peroxydisulfate [49].
Biochar 3—rapeseed cake was impregnated with 3M potassium silicate solution [50].
The mixtures were then left for 72 h at room temperature so that excess water could evaporate. The raw materials prepared in this way were subjected to pyrolysis at a temperature of 700 °C. The detailed procedure for preparing the charge for the pyrolysis furnace is described in [48,49,50].

3. Characteristics of the Obtained Products

The experiments carried out on unimpregnated rapeseed cake showed that the temperature of the pyrolysis process affects the amount of gaseous, liquid, and solid products obtained in the process. The process temperature had the smallest effect on the amount of gas that was released. The efficiency of gas production ranged from 11% to 16% (m/m) in the temperature range from 300 °C to 700 °C. An analysis of the chemical composition of the pyrolysis gas showed that an increase in the process temperature reduces the amount of carbon oxide that is emitted, particularly carbon(IV) oxide. At the same time, as the temperature of the pyrolysis process increased, the amount of energetically valuable methane significantly increased [48,49,50].
During the pyrolysis process that occurred at 700 °C, a gas sample with a density of 1.499 kg·m−3 was obtained. The gas mixture was then subjected to quantitative analysis in the Orsat apparatus. The main component of the obtained gas is carbon(IV) oxide—56.7% (v/v). The remaining components are as follows: methane—34.4% (v/v); unsaturated hydrocarbons—1.8% (v/v); and carbon(II) oxide—0.4% (v/v). In the resulting gas mixture, no hydrogen was observed. The main reason for the formation of such significant amounts of carbon oxides in the gas mixture is the oxidation of organic substances such as cellulose, hemicellulose, and lignin [48,49,50].
Similar results were obtained by Ucar and Ozkan [53], who determined the composition of the pyrolysis gas obtained at 500 °C using gas chromatography. They determined the CO2 content in the tested mixture to be 69% (m/m). In addition to carbon(IV) oxide, the main components of the gas they obtained were carbon(II) oxide, C1, C2–C7, and some hydrogen sulphide. According to the authors, the formation of the H2S was derived from the nature of rapeseed oil cake since it contained 0.88% (m/m) sulphur.
Considering the chemical composition of the gas, its combustion heat was calculated to be 1708 kJ·m−3. This value is low and cannot be compared with nitrogenous natural gas, whose calorific value is 28,000 kJ·m−3. The combustion heat of the obtained gas increases to 12,702 kJ·m−3 if carbon dioxide is excluded from the calculations. This value allows for the product to be used for energy purposes, but the obtained pyrolysis gas must be cleaned of carbon dioxide.
Biogas is purified and modified depending on its use. Typically, biogas is focused on producing heat and steam, generating electricity, vehicle fuel production, chemical production, and the injection of biogas into natural gas transmission networks. Most biogas purification technologies were adapted from known technologies for natural gas refinement. Currently, several basic methods are used for biogas treatment. These include the following technologies: physical absorption in water or solvents, chemical absorption, pressure absorption, membrane separation, and biological conversion [54,55,56,57,58].
The liquid phase production efficiency for the tested process ranged from 50% to 59% (m/m), depending on the temperature used. Ozcimen and Karaosmanoglu [59], who examined the liquid fraction obtained from the pyrolysis of waste rapeseed cake in detail, have shown that the bio-oil obtained in this fraction is a fuel with a density of 993 kg·m−3, which has a high heat combustion value of 36 MJ·kg−1 and is rich in carbon and oxygen. Additionally, the liquid fraction is characterised by low nitrogen, sulphur, and ash contents. According to the authors, the bio-oil obtained in the pyrolysis of waste rapeseed cake can be used as a raw material in the fractional distillation process to obtain gasoline, diesel oil or alternative products to fuel oil. The fuels produced in this way could be used, either directly or indirectly, as an addition to the conventional fuels obtained from crude oil.
The efficiency of obtaining biochar decreases with an increase in the temperature of the pyrolysis process and does not exceed 40% [48,49,50].

4. Physicochemical Characteristics of the Obtained Biochars

The results of the Brunauer–Emmett–Teller analysis of the specific surface area of the studied biochars are presented in Table 2 [48,49,50]. The presented data show that all the obtained sorbents belong to porous materials and are characterised by their relatively small specific surface area. Their pores have a small volume and relatively large diameters. While Biochar 1 has the largest specific surface area (167 m2·g−1), Biochar 2 has the smallest (11.4 m2·g−1). It should be emphasised, however, that the surface area of all three biochars is significantly larger than the surface area of the carbon material obtained from pure cake, which was 0.35 m2·g−1. This means that attempts to modify the surface result in the creation of a porous structure in the pyrolysis of waste rapeseed cake. The substances that are used can dehydrate carbohydrate polymers, accelerating the release of volatile substances and creating open pores upon heating. The small specific surface area of Biochar 2 compared to the other two biochars is the result of the pores being blocked by the magnesium oxide crystals located on the surface [60,61,62,63,64,65]. These observations were previously reported by Li et al. [66]. The researchers obtained MgO-modified biochar from sugar cane harvest residues. They discovered that the coal’s specific surface area decreased from 118 m2·g−1 to 27 m2·g−1 as the MgO content increased from 2% to 20%. Additionally, the diameter, volume, and sorption capacity of pores significantly increased.
The biochars produced by modifying rapeseed cake have a comparable surface area to other carbon materials of this type that are described in the literature. For comparison, the specific surface areas of biochars obtained by Wang et al. [67] at temperatures of 300–700 °C from different precursors (peanut husk, mud, bamboo reed, etc.) ranged from 3.75 to 54.05 m2·g−1.
Table 3 shows the results of the elemental analysis of carbon, hydrogen, and nitrogen in the obtained sorbents. The carbon content does not exceed 73%, and the nitrogen content is relatively high, above 4% [48,49,50]. The degree of charring, expressed as the hydrogen/carbon (H/C) molar ratio, according to the data in Table 3, indicates that the method used to modify waste rapeseed cake significantly affects its value. The observed H/C coefficients of 0.28 (Biochar 1) and 0.33 (Biochar 2) are similar to those obtained for commercially activated carbon. The low H/C molar ratios indicate that the biochars are highly carbonised and lack the typical organic residues found in rapeseed, such as proteins or lignocellulosic fibres [68]. They are also characterised by a relatively high nitrogen content (4.5–5.6%). The presence of nitrogen has a positive effect on the adsorption properties of biochars. It can form highly polar functional groups on the surface of biochar, making the surface more hydrophilic.
The thermogravimetric analysis and differential thermal analysis of biochar samples were carried out in an air atmosphere at a flow of 100 cm3·min−1, with a heating rate of 5 °C·min−1. The results are summarised in Table 4 [48,49,50]. The tested samples were decomposed in three or four stages. In the first endothermic stage, the samples lost adsorption moisture. In the second stage, the least stable oxygen groups, i.e., carboxyl, hydroxyl, and lactone groups, decomposed, and this was accompanied by the further loss of adsorption water. At the third stage of exothermic decomposition, nitrogen-containing groups decomposed due to the destruction of the carbon skeleton of the sample. In the fourth step, the most thermally stable sulphur groups decomposed.
The scanning electron microscope images in Figure 1 show that the sorption materials that were obtained consist of irregularly shaped particles and grains of varying sizes that tend to agglomerate. There are also deep cracks or pores on the outer surface of the obtained biochar, which may be formed as a result of the removal of volatile organic matter during pyrolysis [48,49,50].
Quantitative and qualitative analyses of the elemental composition of the obtained biochars conducted by the authors showed that these materials do not contain potentially toxic elements. This is extremely important in the context of their subsequent use in water purification processes. In addition to typical elements, such as C, N, O, and H, the authors only identified the presence of sodium, potassium, calcium, magnesium, aluminium, silicon, sulphur, phosphorus, chlorine, and iron. The content of the mentioned elements in unmodified biochar ranged from 0.3 to 3% [48,49,50].

5. Sorption Properties of the Obtained Biochars

The study showed that the carbon materials that are discussed in this paper have a relatively high affinity for copper(II) ion. The adsorption process for the proposed sorbents mainly depended on the contact time between the adsorbent and the adsorbate, the copper(II) cation concentration, the adsorption process temperature, the aqueous solution’s pH, and the ratio of the solid phase to the liquid phase.
Figure 2 presents the results of tests focusing on how the pH of the solution affects the efficiency of the copper(II) ion adsorption process for the studied biochars. This parameter is crucial in ion adsorption processes with a solid adsorbent, including the proposed technological solution.
Figure 2 presents experimental data indicating that the adsorption of copper(II) ions is less effective in strongly acidic environments compared to solutions with higher pH levels. At a low pH, functional groups on the sorbent surface become protonated, which reduces the adsorption of copper ions due to electrostatic repulsion between the cation and the positively charged sorbent surface. An increase in pH results in a change in the charge of the sorbent surface, leading to the generation of more negatively charged groups. In addition to the surface charge, the quality and quantity of ionic species present in the tested solution also influence the pH dependence of adsorption. It is important to remember that, at a pH of 5 or lower, copper(II) ion is present in the solution as Cu2+. When the pH of the solution increases above 5, copper(II) hydroxo complexes—Cu(OH)+ are formed. Cu(OH)2 may be precipitated when the pH of the solution is above 6, dominating adsorption at a sufficiently high pH [69,70]. The described relationships are consistent with the results presented for other biochars [71,72,73]. Unlike the other two tested materials, Biochar 3 shows relatively good sorption properties in a low-pH environment. The cause of this phenomenon is attributed to the sorbent preparation method. As previously mentioned, the material underwent hydrothermal modification in a concentrated potassium hydroxide solution after the pyrolysis process. It can be assumed that the protons in the hydroxyl groups on the sorbent’s surface were fully exchanged for potassium ions. The resulting bond between oxygen and the potassium ion is ionic and, therefore, when the Cu2+ ion solution is in contact with Biochar 3, the potassium ion is preferentially replaced by the Cu2+ ion.
The efficiency of the adsorption process is also influenced by the ratio of the solid phase to the liquid phase (S:L). This parameter determines the capacity of the adsorbent for the initial ion concentration in the solution. The experimental data presented in Figure 3 clearly indicate that a higher S:L ratio (g·dm−3) increases the obtained process efficiency. An increase in the mass of the adsorbent that was used provides more active sites for capturing or binding the copper ion. At the same time, the probability of collisions between the adsorbent and Cu2+ increases, improving the efficiency of cation removal from the tested solution [74].
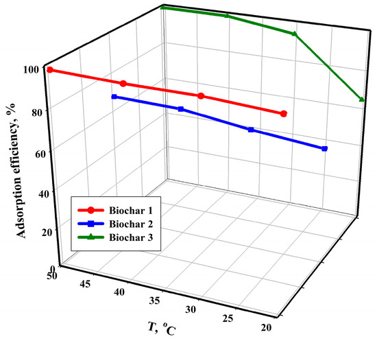
An analysis of the data presented in Figure 4 indicates that the efficiency of the adsorption process is also influenced by the increase in temperature. For all the tested sorbents, the lowest efficiency values were obtained at a temperature of 20 °C, while the highest were obtained at the highest tested temperature, i.e., 50 °C. The course of the points also shows that temperature affects the sorption on Biochar 3 to a much greater extent than it affects the other two sorbents. The temperature-dependent increase in process efficiency indicates that the adsorption process of the copper(II) cation is endothermic. An increase in process temperature leads to greater pore penetration by the studied cation and the creation of new active sites. Additionally, the higher temperature affects the kinetic energy of Cu2+, resulting in increased mobility and spontaneous adsorption. A higher temperature reduces the viscosity of the solution, which, in turn, increases the diffusion rates and adsorption efficiency [75,76,77].
The experimental data in Figure 5 show that the efficiency of the copper(II) cation adsorption process increases the most during the first two hours of contact between the adsorbent and the adsorbate for all studied sorbents. The equilibrium state in the tested systems is achieved relatively slowly. It is important to note that the time taken to reach equilibrium in the tested systems is not surprising. Previous research has shown that the adsorption of metal ions on carbon sorbents is slower than that on inorganic, hybrid or ion-exchange resins in terms of kinetics [78,79,80,81]. The initial increase in the efficiency of the copper(II) ion adsorption process can be attributed to the presence of numerous unsaturated adsorption sites and functional groups on the sorbent surface. As a result, there are more collisions on the surface of the studied sorbents between the Cu2+ cation and the active sites. The subsequent slow sorption is the result of the lower number of free sites and functional groups. The adsorption of Cu2+ cation on the studied sorbents is limited by two stages: mass transport and diffusion into the pores.
The kinetic models used during the study to describe the processes occurring on the surface of the tested sorbents showed that their nature is best described by a pseudo-second-order kinetic model [82,83]. On this basis, it should be assumed that the described adsorption processes are dominated by chemisorption, and limited by valent and covalent interactions. Based on the obtained values of k constants for the pseudo-second-order model—Table 5, it should be concluded that the adsorption process of the copper(II) ion with a concentration of 100 mg·dm−3 was the fastest on Biochar 3 and the slowest on Biochar 2.
Isotherm models were used to assess the adsorption capacity of adsorbents and determine sorption mechanisms. The Langmuir isotherm was found to provide the best description of the sorption mechanism on all studied sorbents. Langmuir’s theory proposes that the adsorbate can form a monolayer of molecules that interact with adsorption sites through ‘vertical’ interactions, while not interacting or only weakly interacting with each other through ‘horizontal’ interactions. Adsorbate molecules in the liquid phase collide with the surface, and their probability of adsorption increases with the available free surface [84,85]. The data presented in Table 6 indicate that the studied sorbents have different surface structures. During the adsorption process, reactions mainly occur in the monolayer, without any other interactions that could cause multilayer adsorption effects.
The maximum sorption capacity, calculated based on the Langmuir isotherm, reached the highest value for Biochar 2: 90.4 mg·g−1. Biochar 3 had the lowest sorption capacity: 37.7 mg·g−1. This means that the modification of biochar with magnesium and sulphur oxides has a positive effect on the sorption properties of the material. The biochar surface contains sulphur, resulting in the formation of several functional groups, such as sulphate and bisulphate. These groups have a positive impact on the Cu2+ cation sorption process occurring on the surface. The presence of Mg(OH)2 or MgO also has a positive impact on the adsorption process. The magnesium compounds have the ability to exchange or precipitate the copper(II) ion, thereby reducing its availability in waste acids. It is important to assume that the cation exchange mechanism plays a significant role in the adsorption processes on biochars [86,87].
It should be emphasised, however, that the sorption capacities of all the discussed sorbents was comparable to or much higher than those of similar materials of this type. Table 7 provides a summary of the maximum adsorption capacities obtained for the studied biochars in relation to the Cu2+ cation and the results obtained by other authors for various types of carbon sorbents.
Figure 6 represents a conceptual process flow sheet for the recovery of copper(II) from waste acidic liquids using a carbon sorbent obtained during the pyrolysis of waste rapeseed cake. It should be emphasised that the technological solution for waste rapeseed cake management proposed in the flow sheet eliminates potential threats related to the storage of the increasing amount of generated waste of this type and, above all, constitutes an alternative proposal for its management. The production of biochar from waste rapeseed cake in the pyrolysis process allows for liquid and gaseous fuels to be obtained for energy production, and the resulting biochar is a valuable carbon material for use in the recovery of valuable metals, such as copper, from technological streams. The saturated sorbent can be directed back to the metallurgical process as the equivalent of a part of coke being used together with copper concentrate as kiln input to the shaft furnace. This will also reduce the demand for coke used in the process. The proposed solution is attractive because the nearest prospects predict a further increase in copper demand in industry and the need to intensify recycling and recovery methods. It should also be emphasised that sustainable waste utilisation, including waste acids, is considered a preferred option to dumping or disposing of it untreated, in view of its potential economic and environmental benefits. Alternatively, the obtained biochar can be successfully used in agriculture and environmental protection. The application of biochar to agriculture may have a significant effect, reducing global warming through the reduction in greenhouse gas emissions. It may also have a significant effect on improving soil health and fertility. At the same time, biochar can help to sequester atmospheric carbon and purify drinking water [99,100].

6. Conclusions

This article describes the products and compares the sorption materials obtained from waste rapeseed cake through various modifications of the substrate. The study has shown that waste rapeseed cake can become a valuable raw material for obtaining highly efficient carbon sorbents for technological applications. The liquid and gaseous products obtained in the pyrolysis process can be successfully used in energy processes.
The presented results have proven that the waste modification method plays an important role in the sorption properties. The obtained sorbents are characterised by their high sorption capacity relative to the copper(II) ion, ranging from 40 mg·g−1 to 100 mg·g−1. Therefore, they can be successfully used for copper separation in the process of purifying waste technological acids. Moreover, owing to its relatively high combustion heat, the saturated sorbent can be used as a substitute for metallurgical coke.
The bio-gas derived from rapeseed cake primarily consists of carbon oxides, methane, and some volatile organic compounds. The concentration of carbon oxides in the gas decreases as the temperature increases, while the amount of methane that is produced increases. The gas obtained under high-temperature conditions, after the purification process, can be effectively used to generate heat or energy.
The bio-oil yield is relatively high and ranged around 55%. The analysis of bio-oil indicates that it is a carbon-rich oxy-fuel containing small amounts of nitrogen and sulphur. Bio-oil, with a significant combustion heat of 36 MJ·kg−1, can provide a source of environmentally friendly green biofuel. Gasoline, diesel fuel, or alternative fractional products can be obtained through distillation or various processes, such as Fischer–Tropsch synthesis, cracking, and hydrogeneration. These products can be used alone or blended with other conventional fuels.

Author Contributions

Conceptualization, K.M. and S.D.; methodology, K.M. and S.D.; validation, K.M., U.K. and B.I.; formal analysis, B.I., M.C. and A.W.-K.; investigation, K.M., A.W.-K. and S.D.; resources, U.K. and M.C.; data curation, K.M.; writing—original draft preparation, K.M.; writing—review and editing, S.D., U.K., M.C. and B.I.; visualization, K.M.; supervision, U.K.; project administration, K.M.; funding acquisition, U.K. All authors have read and agreed to the published version of the manuscript.

Funding

Nicolaus Copernicus University in Toruń.

Data Availability Statement

The authors confirm that the data supporting the findings of this study are available within the article.

Conflicts of Interest

Authors declare that they have no actual or potential conflicts of interest, including any financial, personal, or other relationships with other people or organisations, which could inappropriately influence their work.

References

  1. Rico De La Hera, C. Special Issue on Biowaste Treatment and Valorization. Appl. Sci. 2022, 12, 11217. [Google Scholar] [CrossRef]
  2. Ibanez, J.; Martel Martín, S.; Baldino, S.; Prandi, C.; Mannu, A. European Union Legislation Overview about Used Vegetable Oils Recycling: The Spanish and Italian Case Studies. Processes 2020, 8, 798. [Google Scholar] [CrossRef]
  3. Montanarella, L.; Lugato, E. The Application of Biochar in the EU: Challenges and Opportunities. Agronomy 2013, 3, 462–473. [Google Scholar] [CrossRef]
  4. Gonçalves, R.M.; Martinho, A.; Oliveira, J.P. Recycling of Reinforced Glass Fibers Waste: Current Status. Materials 2022, 15, 1596. [Google Scholar] [CrossRef]
  5. Leppänen, T.; Mustonen, E.; Saarela, H.; Kuokkanen, M.; Tervonen, P. Productization of Industrial Side Streams into By-Products—Case: Fiber Sludge from Pulp and Paper Industry. J. Open Innov. Technol. Mark. Complex. 2020, 6, 185. [Google Scholar] [CrossRef]
  6. Fan, Y.; Wu, S.; Lu, Y.; Zhao, Y. Study on the effect of the environmental protection industry and investment for the national economy: An input-output perspective. J. Clean. Prod. 2019, 227, 1093–1106. [Google Scholar] [CrossRef]
  7. Kavanagh, J. Environmental protection and waste minimization: A case study. J. Clean. Prod. 1994, 2, 91–94. [Google Scholar] [CrossRef]
  8. Fugiel, A.; Burchart-Korol, D.; Czaplicka-Kolarz, K.; Smoliński, A. Environmental impact and damage categories caused by air pollution emissions from mining and quarrying sectors of European countries. J. Clean. Prod. 2017, 143, 159–168. [Google Scholar] [CrossRef]
  9. Statista. Available online: https://www.statista.com/statistics/1245226/sulfuric-acid-market-volume-worldwide/ (accessed on 11 December 2023).
  10. Grzesiak, P.; Grobela, M.; Motała, R. Ecological aspects and development strategies of sulfuric acid industry. Przem. Chem. 2013, 92, 1759–1764. [Google Scholar]
  11. Grzesiak, P.; Grobela, M.; Motała, R.; Łukaszyk, J.; Schroeder, G.; Cichy, B. Strategy for dealing with waste materials in the production of sulfuric acid. Przem. Chem. 2011, 90, 1000–1004. [Google Scholar]
  12. Grzesiak, P. Trend of sulfuric acid production in metallurgical installations. Chemik 2010, 64, 462–469. [Google Scholar]
  13. Mazurek, K. Extraction of vanadium and potassium compounds from the spent vanadium catalyst from the metallurgical plant. Pol. J. Chem. Technol. 2012, 14, 49–53. [Google Scholar] [CrossRef]
  14. King, M.J.; Davenport, W.G.; Moats, M.S. Sulfuric Acid Manufacture, 2nd ed.; Elsevier: Amsterdam, The Netherlands, 2013. [Google Scholar]
  15. Grzesiak, P. Development of Sulfuric Acid Production in Poland; IOR: Poznań, Poland, 2004. [Google Scholar]
  16. Rápó, E.; Tonk, S. Factors Affecting Synthetic Dye Adsorption; Desorption Studies: A Review of Results from the Last Five Years (2017–2021). Molecules 2021, 26, 5419. [Google Scholar] [CrossRef] [PubMed]
  17. Younas, F.; Mustafa, A.; Farooqi, Z.U.R.; Wang, X.; Younas, S.; Mohy-Ud-Din, W.; Ashir Hameed, M.; Mohsin Abrar, M.; Maitlo, A.A.; Noreen, S.; et al. Current and Emerging Adsorbent Technologies for Wastewater Treatment: Trends, Limitations, and Environmental Implications. Water 2021, 13, 215. [Google Scholar] [CrossRef]
  18. Quansah, J.O.; Hlaing, T.; Lyonga, F.N.; Kyi, P.P.; Hong, S.-H.; Lee, C.-G.; Park, S.-J. Nascent Rice Husk as an Adsorbent for Removing Cationic Dyes from Textile Wastewater. Appl. Sci. 2020, 10, 3437. [Google Scholar] [CrossRef]
  19. Yousef, R.; Qiblawey, H.; El-Naas, M.H. Adsorption as a Process for Produced Water Treatment: A Review. Processes 2020, 8, 1657. [Google Scholar] [CrossRef]
  20. Zaimee, M.Z.A.; Sarjadi, M.S.; Rahman, M.L. Heavy Metals Removal from Water by Efficient Adsorbents. Water 2021, 13, 2659. [Google Scholar] [CrossRef]
  21. Serban, G.V.; Iancu, V.I.; Dinu, C.; Tenea, A.; Vasilache, N.; Cristea, I.; Niculescu, M.; Ionescu, I.; Chiriac, F.L. Removal Efficiency and Adsorption Kinetics of Methyl Orange from Wastewater by Commercial Activated Carbon. Sustainability 2023, 15, 12939. [Google Scholar] [CrossRef]
  22. Kuang, Y.; Zhang, X.; Zhou, S. Adsorption of Methylene Blue in Water onto Activated Carbon by Surfactant Modification. Water 2020, 12, 587. [Google Scholar] [CrossRef]
  23. Xie, B.; Qin, J.; Wang, S.; Li, X.; Sun, H.; Chen, W. Adsorption of Phenol on Commercial Activated Carbons: Modelling and Interpretation. Int. J. Environ. Res. Public Health 2020, 17, 789. [Google Scholar] [CrossRef]
  24. Okoniewska, E. Removal of Selected Dyes on Activated Carbons. Sustainability 2021, 13, 4300. [Google Scholar] [CrossRef]
  25. Lach, J.; Ociepa-Kubicka, A.; Mrowiec, M. Oxytetracycline Adsorption from Aqueous Solutions on Commercial and High-Temperature Modified Activated Carbons. Energies 2021, 14, 3481. [Google Scholar] [CrossRef]
  26. Rivera-Utrilla, J.; Sánchez-Polo, M.; Gómez-Serrano, V.; Álvarez, P.M.; Alvim-Ferraz, M.C.M.; Dias, J.M. Activated carbon modifications to enhance its water treatment applications. An overview. J. Hazard. Mater. 2011, 187, 1–23. [Google Scholar] [CrossRef] [PubMed]
  27. Tauetsile, P.J.; Oraby, E.A.; Eksteen, J.J. Adsorption behaviour of copper and gold Glycinates in alkaline media onto activated carbon. Part 2: Kinetics. Hydrometallurgy 2018, 178, 195–201. [Google Scholar] [CrossRef]
  28. Foong, S.Y.; Liew, R.K.; Yang, Y.; Cheng, Y.W.; Wan Mahari, W.A.; Peng, W.; Lam, S.S. Valorization of biomass waste to engineered activated biochar by microwave pyrolysis: Progress, challenges, and future directions. Chem. Eng. J. 2020, 389, 124401. [Google Scholar] [CrossRef]
  29. Nie, T.; Yang, X.; Chen, H.; Muller, K.; Shaheen, S.M.; Rinklebe, J.; Song, H.; Xu, S.; Wu, F.; Wang, H. Effect of biochar aging and co-existence of diethyl phthalate on the mono-sorption of cadmium and zinc to biochar-treated soils. J. Hazard. Mater. 2021, 408, 124850. [Google Scholar] [CrossRef]
  30. Wang, J.; Wang, S. Preparation, modification and environmental application of biochar: A review. J. Clean. Prod. 2021, 227, 1002–1022. [Google Scholar] [CrossRef]
  31. Kang, Z.; Jia, X.; Zhang, Y.; Kang, X.; Ge, M.; Liu, D.; Wang, C.; He, Z. A Review on Application of Biochar in the Removal of Pharmaceutical Pollutants through Adsorption and Persulfate-Based AOPs. Sustainability 2022, 14, 10128. [Google Scholar] [CrossRef]
  32. Sun, Y.; Yu, F.; Han, C.; Houda, C.; Hao, M.; Wang, Q. Research Progress on Adsorption of Arsenic from Water by Modified Biochar and Its Mechanism: A Review. Water 2022, 14, 1691. [Google Scholar] [CrossRef]
  33. Shi, Z.; Ma, A.; Chen, Y.; Zhang, M.; Zhang, Y.; Zhou, N.; Fan, S.; Wang, Y. The Removal of Tetracycline from Aqueous Solutions Using Peanut Shell Biochars Prepared at Different Pyrolysis Temperatures. Sustainability 2023, 15, 874. [Google Scholar] [CrossRef]
  34. Wang, C.; Wang, X.; Li, N.; Tao, J.; Yan, B.; Cui, X.; Chen, G. Adsorption of Lead from Aqueous Solution by Biochar: A Review. Clean Technol. 2022, 4, 629–652. [Google Scholar] [CrossRef]
  35. Chatzimichailidou, S.; Xanthopoulou, M.; Tolkou, A.K.; Katsoyiannis, I.A. Biochar Derived from Rice by-Products for Arsenic and Chromium Removal by Adsorption: A Review. J. Compos. Sci. 2023, 7, 59. [Google Scholar] [CrossRef]
  36. Wang, Y.; Li, H.; Lin, S. Advances in the Study of Heavy Metal Adsorption from Water and Soil by Modified Biochar. Water 2022, 14, 3894. [Google Scholar] [CrossRef]
  37. Dygas, D.; Liszkowska, W.; Steglińska, A.; Sulyok, M.; Kręgiel, D.; Berłowska, J. Rapeseed Meal Waste Biomass as a Single-Cell Protein Substrate for Nutritionally-Enhanced Feed Components. Processes 2023, 11, 1556. [Google Scholar] [CrossRef]
  38. Rakita, S.; Kokić, B.; Manoni, M.; Mazzoleni, S.; Lin, P.; Luciano, A.; Ottoboni, M.; Cheli, F.; Pinotti, L. Cold-Pressed Oilseed Cakes as Alternative and Sustainable Feed Ingredients: A Review. Foods 2023, 12, 432. [Google Scholar] [CrossRef] [PubMed]
  39. Paciorek-Sadowska, J.; Borowicz, M.; Isbrandt, M.; Czupryński, B.; Apiecionek, Ł. The Use of Waste from the Production of Rapeseed Oil for Obtaining of New Polyurethane Composites. Polymers 2019, 11, 1431. [Google Scholar] [CrossRef] [PubMed]
  40. Di Lena, G.; Sanchez del Pulgar, J.; Lucarini, M.; Durazzo, A.; Ondrejíčková, P.; Oancea, F.; Frincu, R.-M.; Aguzzi, A.; Ferrari Nicoli, S.; Casini, I.; et al. Valorization Potentials of Rapeseed Meal in a Biorefinery Perspective: Focus on Nutritional and Bioactive Components. Molecules 2021, 26, 6787. [Google Scholar] [CrossRef]
  41. Zheng, Q.; Liu, K. Worldwide rapeseed (Brassica napus L.) research: A bibliometric analysis during 2011–2021. Oil Crop Sci. 2021, 7, 157–165. [Google Scholar] [CrossRef]
  42. Jannat, A.; Ishikawa-Ishiwata, Y.; Furuya, J. Does Climate Change Affect Rapeseed Production in Exporting and Importing Countries? Evidence from Market Dynamics Syntheses. Sustainability 2022, 14, 6051. [Google Scholar] [CrossRef]
  43. Statista. Available online: https://www.statista.com/statistics/263930/worldwide-production-of-rapeseed-by-country/ (accessed on 11 December 2023).
  44. Gallorini, R.; Aquilia, S.; Bello, C.; Ciardelli, F.; Pinna, M.; Papini, A.; Rosi, L. Pyrolysis of spent rapeseed meal: A circular economy example for waste valorization. J. Anal. Appl. Pyrolysis 2023, 174, 106138. [Google Scholar] [CrossRef]
  45. Raboanatahiry, N.; Li, H.; Yu, L.; Li, M. Rapeseed (Brassica napus): Processing, Utilization, and Genetic Improvement. Agronomy 2021, 11, 1776. [Google Scholar] [CrossRef]
  46. So, K.K.Y.; Duncan, R.W. Breeding Canola (Brassica napus L.) for Protein in Feed and Food. Plants 2021, 10, 2220. [Google Scholar] [CrossRef] [PubMed]
  47. Tileuberdi, N.; Turgumbayeva, A.; Yeskaliyeva, B.; Sarsenova, L.; Issayeva, R. Extraction, Isolation of Bioactive Compounds and Therapeutic Potential of Rapeseed (Brassica napus L.). Molecules 2022, 27, 8824. [Google Scholar] [CrossRef] [PubMed]
  48. Mazurek, K.; Drużyński, S.; Kiełkowska, U.; Szłyk, E. New separation material obtained from waste rapeseed cake for copper(II) and zinc(II) removal from the industrial wastewater. Materials 2021, 14, 2566. [Google Scholar] [CrossRef]
  49. Mazurek, K.; Drużyński, S.; Kiełkowska, U.; Bielicka, A.; Gluzińska, J. Application of sulphate and magnesium enriched waste rapeseed cake biochar for recovery of Cu(II) and Zn(II) from industrial wastewater generated in sulphuric acid plants. Hydrometallurgy 2023, 216, 106014. [Google Scholar] [CrossRef]
  50. Drużyński, S.; Mazurek, K.; Kiełkowska, U.; Wróbel-Kaszanek, A.; Igliński, B. Physicochemical Properties and Application of Silica-Doped Biochar Composites as Efficient Sorbents of Copper from Tap Water. Materials 2023, 16, 2794. [Google Scholar] [CrossRef]
  51. Singer, D.A. Future copper resources. Ore Geol. Rev. 2017, 86, 271–279. [Google Scholar] [CrossRef]
  52. Kuipers, K.; van Oers, L.; Verboon, M.; van der Voet, E. Assessing environmental implications associated with global copper demand and supply scenarios from 2010 to 2050. Glob. Environ. Chang. 2018, 49, 106–115. [Google Scholar] [CrossRef]
  53. Ucar, S.; Ozkan, A. Characterization of products from the pyrolysis of rapeseed oil cake. Bioresour. Technol. 2008, 99, 8771–8776. [Google Scholar] [CrossRef]
  54. Atelge, M.R.; Senol, H.; Djaafri, M.; Hansu, T.A.; Krisa, D.; Atabani, A.; Eskicioglu, C.; Muratçobanoğlu, H.; Unalan, S.; Kalloum, S.; et al. A Critical Overview of the State-of-the-Art Methods for Biogas Purification and Utilization Processes. Sustainability 2021, 13, 11515. [Google Scholar] [CrossRef]
  55. Adnan, A.I.; Ong, M.Y.; Nomanbhay, S.; Chew, K.W.; Show, P.L. Technologies for Biogas Upgrading to Biomethane: A Review. Bioengineering 2019, 6, 92. [Google Scholar] [CrossRef]
  56. Papurello, D.; Gandiglio, M.; Kafashan, J.; Lanzini, A. Biogas Purification: A Comparison of Adsorption Performance in D4 Siloxane Removal Between Commercial Activated Carbons and Waste Wood-Derived Char Using Isotherm Equations. Processes 2019, 7, 774. [Google Scholar] [CrossRef]
  57. Guo, P.; Zhang, Y.; Zhao, Y. Biocapture of CO2 by Different Microalgal-Based Technologies for Biogas Upgrading and Simultaneous Biogas Slurry Purification under Various Light Intensities and Photoperiods. Int. J. Environ. Res. Public Health 2018, 15, 528. [Google Scholar] [CrossRef]
  58. Sethupathi, S.; Zhang, M.; Rajapaksha, A.U.; Lee, S.R.; Mohamad Nor, N.; Mohamed, A.R.; Al-Wabel, M.; Lee, S.S.; Ok, Y.S. Biochars as Potential Adsorbers of CH4, CO2 and H2S. Sustainability 2017, 9, 121. [Google Scholar] [CrossRef]
  59. Ozcimen, D.; Karaosmanoglu, F. Production and characterization of bio-oil and biochar from rapeseed cake. Renew. Energy 2004, 29, 779–787. [Google Scholar] [CrossRef]
  60. Shang, H.; Li, Y.; Liu, J.; Wan, Y.; Yu, Y.L. Preparation of nitrogen doped magnesium oxide modified biochar and its sorption efficiency of lead ions in aqueous solution. Bioresour. Technol. 2020, 314, 123708. [Google Scholar] [CrossRef]
  61. Ling, L.L.; Liu, W.J.; Zhang, S.; Hong, J. Magnesium oxide embedded nitrogen self-doped biochar composites: Fast and high-efficiency adsorption of heavy metals in an aqueous solution. Environ. Sci. Technol. 2017, 51, 10081–10089. [Google Scholar] [CrossRef]
  62. Jellali, S.; Diamantopoulos, E.; Haddad, K.; Anane, M.; Durner, W.; Mlayah, A. Lead removal from aqueous solutions by raw sawdust and magnesium pretreated biochar: Experimental investigations and numerical modelling. J. Environ. Manag. 2016, 180, 439–449. [Google Scholar] [CrossRef]
  63. Yin, G.; Tao, L.; Chen, X.; Bolan, N.S.; Sarkar, B.; Lin, Q.; Wang, H. Quantitative analysis on the mechanism of Cd2+ removal by MgCl2-modified biochar in aqueous solutions. J. Hazard. Mater. 2021, 420, 126487. [Google Scholar] [CrossRef]
  64. Zhang, J.; Hou, D.; Shen, Z.; Jin, F.; O’Connor, D.; Pan, S.; Ok, Y.S.; Tsang, D.; Bolan, N.S.; Alessi, D.S. Effects of excessive impregnation, magnesium content, and pyrolysis temperature on MgO-coated watermelon rind biochar and its lead removal capacity. Environ. Res. 2020, 183, 109152. [Google Scholar] [CrossRef]
  65. Cheng, S.; Zhao, S.; Guo, H.; Xing, B.; Liu, Y.; Zhang, C.; Ma, M. High-efficiency removal of lead/cadmium from wastewater by MgO modified biochar derived from crofton weed. Bioresour. Technol. 2022, 343, 126081. [Google Scholar] [CrossRef]
  66. Li, R.; Wang, J.J.; Zhou, B.; Awasthi, M.K.; Ali, A.; Zhang, Z.; Lahori, A.H.; Mahar, A. Recovery of phosphate from aqueous solution by magnesium oxide decorated magnetic biochar and its potential as phosphate-based fertilizer substitute. Bioresour. Technol. 2016, 215, 209–214. [Google Scholar] [CrossRef]
  67. Wang, P.; Zhan, S.; Yu, H.; Xue, X.; Hong, N. The effects of temperature and catalysts on the pyrolysis of industrial wastes (herb residue). Bioresour. Technol. 2018, 101, 3236–3241. [Google Scholar] [CrossRef]
  68. Lee, M.-E.; Park, J.H.; Chung, J.W. Adsorption of Pb(II) and Cu(II) by Ginkgo-Leaf-Derived Biochar Produced under Various Carbonization Temperatures and Times. Int. J. Environ. Res. Public Health 2017, 14, 1528. [Google Scholar] [CrossRef]
  69. Kim, B.S.; Lee, H.W.; Park, S.H.; Baek, K.; Jeon, J.; Cho, H.J.; Jung, S.; Kim, S.C.; Park, Y. Removal of Cu2+ by biochars derived from green macroalgae. Environ. Sci. Pollut. Res. 2016, 23, 985–994. [Google Scholar] [CrossRef]
  70. Khandaker, S.; Hossain, T.; Saha, P.; Rayhan, U.; Islam, A.; Choudhury, T.; Awual, M.R. Functionalized layered double hydroxides composite bio-adsorbent for efficient copper(II) ion encapsulation from wastewater. J. Environ. Manag. 2021, 300, 113782. [Google Scholar] [CrossRef]
  71. Zhang, P.; Zhang, X.; Yuan, X.; Xie, R.; Han, L. Characteristics, adsorption behaviors, Cu(II) adsorption mechanisms by cow manure biochar derived at various pyrolysis temperatures. Bioresour. Technol. 2021, 331, 125013. [Google Scholar] [CrossRef]
  72. Katiyar, R.; Patel, A.K.; Nguyen, T.; Singhania, R.R.; Chen, C.; Dong, C. Adsorption of copper(II) in aqueous solution using biochars derived from Ascophyllum nodosum seaweed. Bioresour. Technol. 2021, 328, 124829. [Google Scholar] [CrossRef]
  73. Chen, Y.; Li, M.; Li, Y.; Liu, Y.; Chen, Y.; Li, H.; Li, L.; Xu, F.; Jiang, H.; Chen, L. Hydroxyapatite modified sludge-based biochar for the adsorption of Cu2+ and Cd2+: Adsorption behavior and mechanisms. Bioresour. Technol. 2021, 321, 124413. [Google Scholar] [CrossRef]
  74. Znad, H.; Awual, M.R.; Martini, S. The Utilization of Algae and Seaweed Biomass for Bioremediation of Heavy Metal-Contaminated Wastewater. Molecules 2022, 27, 1275. [Google Scholar] [CrossRef]
  75. Liu, Z.; Zhang, F. Removal of lead from water using biochars prepared from hydrothermalliquefaction of biomass. J. Hazard. Mater. 2009, 167, 933–939. [Google Scholar] [CrossRef]
  76. Meng, J.; Feng, X.; Dai, Z.; Liu, X.; Wu, J.; Xu, J. Adsorption characteristics of Cu(II) from aqueous solution onto biochar derived from swine manure. Environ. Sci. Pollut. Res. 2014, 21, 7035–7046. [Google Scholar] [CrossRef]
  77. Mazurek, K.; Weidner, E.; Drużyński, S.; Ciesielczyk, F.; Kiełkowska, U.; Wróbel-Kaszanek, A.; Jesionowski, T. Lanthanum enriched TiO2-ZrO2 hybrid material with tailored physicochemical properties dedicated to separation of lithium and cobalt(II) raising from the hydrometallurgical stage of the recycling process of lithium ion batteries. Hydrometallurgy 2020, 197, 105448. [Google Scholar] [CrossRef]
  78. Li, Q.; Fu, L.; Wang, Z.; Li, A.; Shuang, C.; Gao, C. Synthesis and characterization of a novel magnetic cation exchange resin and its application for efficient removal of Cu2+ and Ni2+ from aqueous solutions. J. Clean. Prod. 2017, 165, 801–810. [Google Scholar] [CrossRef]
  79. Maleki, A.; Hajizadeh, Z.; Sharifi, V.; Embadi, Z. A green, porous and eco-friendly magnetic geopolymer adsorbent for heavy metals removal from aqueous solutions. J. Clean. Prod. 2019, 215, 1233–1245. [Google Scholar] [CrossRef]
  80. Awual, M.R.; Yaita, T.; Okamoto, Y. A novel ligand based dual conjugate adsorbent for cobalt(II) and copper(II) ions capturing from water. Sens. Actuators B 2014, 203, 71–80. [Google Scholar] [CrossRef]
  81. Bouhamed, F.; Elouear, Z.; Bouzid, J.; Ouddane, B. Multi-component adsorption of copper, nickel and zinc from aqueous solutions onto activated carbon prepared from date stones. Environ. Sci. Pollut. Res. 2015, 23, 15801–15806. [Google Scholar] [CrossRef]
  82. Ho, Y.S.; McKay, G. Pseudo-second order model for sorption processes. Process Biochem. 1999, 34, 451–465. [Google Scholar] [CrossRef]
  83. Nyamunda, B.C.; Chivhanga, T.; Guyo, U.; Chigondo, F. Removal of Zn(II) and Cu(II) Ions from Industrial Wastewaters Using Magnetic Biochar Derived from Water Hyacinth. J. Eng. 2019, 2019, 5656983. [Google Scholar] [CrossRef]
  84. Chen, X. Modeling of Experimental Adsorption Isotherm Data. Information 2015, 6, 14–22. [Google Scholar] [CrossRef]
  85. Sulaiman, N.S.; Mohamad Amini, M.H.; Danish, M.; Sulaiman, O.; Hashim, R. Kinetics, Thermodynamics, and Isotherms of Methylene Blue Adsorption Study onto Cassava Stem Activated Carbon. Water 2021, 13, 2936. [Google Scholar] [CrossRef]
  86. Park, J.H.; Wang, J.J.; Kim, S.H.; Cho, J.S.; Kang, S.W.; Delaune, R.D.; Han, K.J.; Seo, D.C. Recycling of rice straw through pyrolysis and its adsorption behaviors for Cu and Zn ions in aqueous solution. Colloids Surf. A 2017, 533, 330–337. [Google Scholar] [CrossRef]
  87. Lu, H.; Zhang, W.; Yang, Y.; Huang, X.; Wang, S.; Qiu, R. Relative distribution of Pb2+ sorption mechanisms by sludge-derived biochar. Water Res. 2012, 46, 854–862. [Google Scholar] [CrossRef]
  88. Semercioz, A.S.; Gogus, F.; Celekli, A.; Bozkurt, H. Development of carbonaceous material from grapefruit peel with microwave implemented-low temperature hydrothermal carbonization technique for the adsorption of Cu(II). J. Clean. Prod. 2017, 165, 599–610. [Google Scholar] [CrossRef]
  89. Idrees, M.; Batool, S.; Kalsoom, T.; Yasmeen, S.; Kalsoom, A.; Raina, S.; Zhuang, Q.; Kong, J. Animal manure-derived biochars produced via fast pyrolysis for the removal of divalent copper from aqueous media. J. Environ. Manag. 2018, 213, 109–118. [Google Scholar] [CrossRef]
  90. Qiao, K.; Yu, J.; Zhu, B.; Chi, C.; Di, C.; Cheng, Y.; Shang, M.; Li, C. Oxygen-Rich Activated Carbon Fibers with Exceptional Cu(II) Adsorptivity and Recycling Performance. Ind. Eng. Chem. Res. 2020, 59, 13088–13094. [Google Scholar] [CrossRef]
  91. Mazurek, K.; Drużyński, S.; Kiełkowska, U.; Węgrzynowicz, A.; Nowak, A.K.; Wzorek, Z.; Wróbel-Kaszanek, A. Municipal Sewage Sludge as a Source for Obtaining Efficient Biosorbents: Analysis of Pyrolysis Products and Adsorption Tests. Materials 2023, 16, 2648. [Google Scholar] [CrossRef]
  92. Cen, Y.; Li, Y.; Deng, H.; Ding, H.; Tang, S.; Yu, X.; Xu, F.; Zhu, Z.; Zhu, Y. Removal of Copper (II) from Aqueous Solution by a Hierarchical Porous Hydroxylapatite-Biochar Composite Prepared with Sugarcane Top Internode Biotemplate. Water 2022, 14, 839. [Google Scholar] [CrossRef]
  93. Cibati, A.; Foereid, B.; Bissessur, A.; Hapca, S. Assessment of Miscanthus × Giganteus Derived Biochar as Copper and Zinc adsorbent: Study of the Effect of Pyrolysis Temperature, pH and Hydrogen Peroxide Modification. J. Clean. Prod. 2017, 162, 1285–1296. [Google Scholar] [CrossRef]
  94. Tofan, L.; Paduraru, C.; Volf, I.; Toma, O. Waste of Rapeseed from Biodiesel Production as a Potential Biosorbent for Heavy Metal Ions. BioResorces 2011, 6, 3727–3741. [Google Scholar] [CrossRef]
  95. Tomczyk, A.; Sokołowska, Z.; Boguta, P. Biomass type effect on biochar surface characteristic and adsorption capacity relative to silver and copper. Fuel 2020, 278, 118168. [Google Scholar] [CrossRef]
  96. Zhao, S.; Ta, N.; Wang, X. Absorption of Cu(II) and Zn(II) from Aqueous Solutions onto Biochars Derived from Apple Tree Branches. Energies 2020, 13, 3498. [Google Scholar] [CrossRef]
  97. Wijeyawardana, P.; Nanayakkara, N.; Gunasekara, C.; Karunarathna, A.; Law, D.; Pramanik, B. Removal of Cu, Pb and Zn from stormwater using an industrially manufactured sawdust and paddy husk derived biochar. Environ. Technol. Innov. 2022, 28, 102640. [Google Scholar] [CrossRef]
  98. Jiang, S.; Huang, L.; Nguyen, T.A.; Ok, Y.S.; Rudolph, V.; Yang, H.; Zhang, D. Copper and Zinc Adsorption by Softwood and Hardwood Biochars under Elevated Sulphate-Induced Salinity and Acidic pH Conditions. Chemosphere 2016, 142, 64–71. [Google Scholar] [CrossRef]
  99. Li, X.; Huang, Z.; Shao, S.; Cai, Y. Machine learning prediction of physical properties and nitrogen content of porous carbon from agricultural wastes: Effects of activation and doping process. Fuel 2024, 356, 129623. [Google Scholar] [CrossRef]
  100. Shao, S.; Wang, Y.; Ma, L.; Huang, Z.; Li, X. Sustainable preparation of hierarchical porous carbon from discarded shells of crustaceans for efficient CO2 capture. Fuel 2024, 355, 129287. [Google Scholar] [CrossRef]
Figure 1. SEM images of obtained biochars: (A)—biochar 1; (B)—biochar 2; (C)—biochar 3.
Figure 1. SEM images of obtained biochars: (A)—biochar 1; (B)—biochar 2; (C)—biochar 3.
Energies 17 00498 g001
Figure 2. The adsorption process efficiency as a function of the aqueous solution pH (T = 25 °C (B1), 30 °C (B2&B3); t = 240 (B1&B2), 120 (B3) min; c = 100 (B1), 200 (B2), 180 (B3) mg∙dm−3; mass of adsorbent = 3.33 (B1), 1.67 (B2), 4 (B3) g∙dm−3) [48,49,50].
Figure 2. The adsorption process efficiency as a function of the aqueous solution pH (T = 25 °C (B1), 30 °C (B2&B3); t = 240 (B1&B2), 120 (B3) min; c = 100 (B1), 200 (B2), 180 (B3) mg∙dm−3; mass of adsorbent = 3.33 (B1), 1.67 (B2), 4 (B3) g∙dm−3) [48,49,50].
Energies 17 00498 g002
Figure 3. The adsorption process efficiency as a function of the solid-to-liquid ratio (g·dm−3) (T = 25 °C (B1), 30 °C (B2), 20 °C (B3); t = 240 (B1&B2), 120 (B3) min; c = 100 (B1&B3), 200 (B2) mg∙dm−3; pH = 5) [48,49,50].
Figure 3. The adsorption process efficiency as a function of the solid-to-liquid ratio (g·dm−3) (T = 25 °C (B1), 30 °C (B2), 20 °C (B3); t = 240 (B1&B2), 120 (B3) min; c = 100 (B1&B3), 200 (B2) mg∙dm−3; pH = 5) [48,49,50].
Energies 17 00498 g003
Figure 4. The influence of the temperature of the adsorption process on its efficiency (t = 240 (B1&B2), 120 (B3) min; c = 100 (B1), 200 (B2), 140 (B3) mg∙dm−3; mass of adsorbent = 3.33 (B1), 1.67 (B2), 4 (B3) g∙dm−3; pH = 5) [48,49,50].
Figure 4. The influence of the temperature of the adsorption process on its efficiency (t = 240 (B1&B2), 120 (B3) min; c = 100 (B1), 200 (B2), 140 (B3) mg∙dm−3; mass of adsorbent = 3.33 (B1), 1.67 (B2), 4 (B3) g∙dm−3; pH = 5) [48,49,50].
Energies 17 00498 g004
Figure 5. The influence of the contact time between the adsorbent and the adsorbate on the efficiency of the adsorption process (T = 30 °C (B1&B2), 20 °C (B3); c = 100 (B1), 200 (B2), 50 (B3) mg∙dm−3; mass of adsorbent = 3.33 (B1), 1.67 (B2), 6 (B3) g∙dm−3; pH = 5) [48,49,50].
Figure 5. The influence of the contact time between the adsorbent and the adsorbate on the efficiency of the adsorption process (T = 30 °C (B1&B2), 20 °C (B3); c = 100 (B1), 200 (B2), 50 (B3) mg∙dm−3; mass of adsorbent = 3.33 (B1), 1.67 (B2), 6 (B3) g∙dm−3; pH = 5) [48,49,50].
Energies 17 00498 g005
Figure 6. A conceptual flow diagram of the technological process of using biochar obtained from waste rapeseed cake for the recovery of copper(II) from technological streams.
Figure 6. A conceptual flow diagram of the technological process of using biochar obtained from waste rapeseed cake for the recovery of copper(II) from technological streams.
Energies 17 00498 g006
Table 1. Characterisation of waste acids from the non-ferrous metals industry [11,15].
Table 1. Characterisation of waste acids from the non-ferrous metals industry [11,15].
CompoundContent, ppm
Cu1–300
Zn2–100
As2–1000
Fe10–100
Table 2. The surface area and pore properties of the studied biochars [48,49,50].
Table 2. The surface area and pore properties of the studied biochars [48,49,50].
MaterialABET, m2·g−1Pore Size, nmPore Volume, cm3·g−1
Biochar 1167.01.90.08
Biochar 211.42.00.04
Biochar 3150.113.40.50
Table 3. Biochars CHN elemental analysis results [48,49,50].
Table 3. Biochars CHN elemental analysis results [48,49,50].
MaterialC, %H, %N, %C/H
Biochar 163.31.55.60.28
Biochar 258.71.65.20.33
Biochar 372.62.64.50.43
Table 4. TGA-DTA analysis results of biochars [48,49,50].
Table 4. TGA-DTA analysis results of biochars [48,49,50].
StepMass Loss, %Energy EffectTemperature Range, °C
Biochar 1
13.2Endothermic31–48
27.3Endothermic48–196
359.1Exothermic196–519
412.5Exothermic519–1000
Biochar 2
13.9Endothermic23–120
29.7Endothermic120–173
337.4Exothermic173–559
43.8Exothermic559–698
Biochar 3
13.2Endothermic22–30
24.1Endothermic30–177
380.4Exothermic177–607
Table 5. Parameters for the adsorption of copper(II) ion on the studied biochars using the pseudo-second-order model [48,49,50].
Table 5. Parameters for the adsorption of copper(II) ion on the studied biochars using the pseudo-second-order model [48,49,50].
ParameterBiochar 1Biochar 2Biochar 3
qe exp., mg∙g−129.255.417.0
qe cal., mg∙g−129.658.317.2
k, g∙mg−1∙min−10.00500.00080.0414
R20.9990.9990.999
Table 6. Calculated parameters of the Langmuir isotherm for the adsorption process of copper(II) ions on the studied biochars [48,49,50].
Table 6. Calculated parameters of the Langmuir isotherm for the adsorption process of copper(II) ions on the studied biochars [48,49,50].
ParameterBiochar 1Biochar 2Biochar 3
qm, mg∙g−152.290.437.7
K, dm3∙mg−10.3600.1490.382
R20.9990.9990.999
Table 7. The capacity of various adsorbents to remove Cu2+ cation from aqueous solutions.
Table 7. The capacity of various adsorbents to remove Cu2+ cation from aqueous solutions.
Adsorbentqm (mg·g−1)Reference
Biochar 290.4[49]
Biochar 152.2[48]
Hydrochar48.2[88]
Manure biochar44.5[89]
Biochar 337.7[50]
Activated carbon fibers36.6[90]
Sewage sludge biochar25.6[91]
Manure biochar21.9[76]
Hydroxylapatite–biochar19.8[92]
Miscanthus × Giganteus biochar15.7[93]
Rapeseed waste15.4[94]
Sunflowers husk biochar13.2[95]
Apple tree branches biochar11.4[96]
Paddy husk biochar10.3[97]
Hardwood biochar4.39[98]
Disclaimer/Publisher’s Note: The statements, opinions and data contained in all publications are solely those of the individual author(s) and contributor(s) and not of MDPI and/or the editor(s). MDPI and/or the editor(s) disclaim responsibility for any injury to people or property resulting from any ideas, methods, instructions or products referred to in the content.

Share and Cite

MDPI and ACS Style

Mazurek, K.; Drużyński, S.; Kiełkowska, U.; Wróbel-Kaszanek, A.; Igliński, B.; Cichosz, M. The Application of Pyrolysis Biochar Obtained from Waste Rapeseed Cake to Remove Copper from Industrial Wastewater: An Overview. Energies 2024, 17, 498. https://doi.org/10.3390/en17020498

AMA Style

Mazurek K, Drużyński S, Kiełkowska U, Wróbel-Kaszanek A, Igliński B, Cichosz M. The Application of Pyrolysis Biochar Obtained from Waste Rapeseed Cake to Remove Copper from Industrial Wastewater: An Overview. Energies. 2024; 17(2):498. https://doi.org/10.3390/en17020498

Chicago/Turabian Style

Mazurek, Krzysztof, Sebastian Drużyński, Urszula Kiełkowska, Adriana Wróbel-Kaszanek, Bartłomiej Igliński, and Marcin Cichosz. 2024. "The Application of Pyrolysis Biochar Obtained from Waste Rapeseed Cake to Remove Copper from Industrial Wastewater: An Overview" Energies 17, no. 2: 498. https://doi.org/10.3390/en17020498

APA Style

Mazurek, K., Drużyński, S., Kiełkowska, U., Wróbel-Kaszanek, A., Igliński, B., & Cichosz, M. (2024). The Application of Pyrolysis Biochar Obtained from Waste Rapeseed Cake to Remove Copper from Industrial Wastewater: An Overview. Energies, 17(2), 498. https://doi.org/10.3390/en17020498

Note that from the first issue of 2016, this journal uses article numbers instead of page numbers. See further details here.

Article Metrics

Back to TopTop