Review on Short-Circuit Protection Methods for SiC MOSFETs
Abstract
:1. Introduction
2. Analysis of Short-Circuit Types
2.1. HSF-Type Fault
2.2. FUL-Type Fault
3. SC Withstand Time Limits with the Usage of SiC MOSFETs
4. Challenges in Short-Circuit Protection of SiC MOSFETs
4.1. Device Structure of SiC MOSFET
4.2. Switching Speed of SiC MOSFETs
5. Short-Circuit Detection Methods
5.1. SC Detection Method Based on VDS Monitoring
5.2. SC Detection Method Based on IDS Monitoring
5.3. SC Detection Method Based on Gate Charge Monitoring
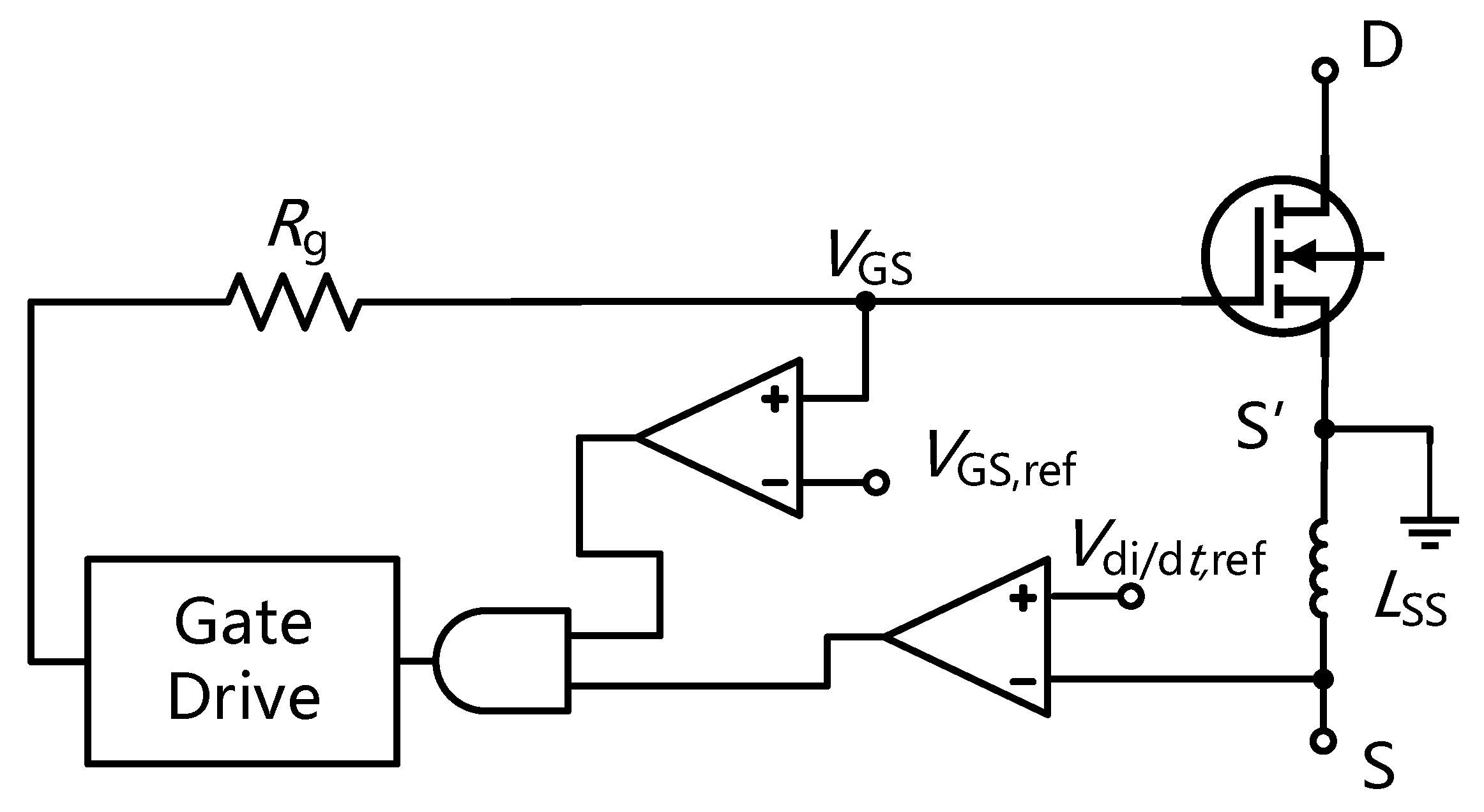
5.4. Two-Dimensional SC Detection Method
6. Soft Turn-Off Strategy for SiC MOSFETs during SC
6.1. Soft Slope Turn-Off Method
6.2. Two-Step Turn-Off Method
6.3. Multi-Step Turn-Off Method
7. Conclusions
Author Contributions
Funding
Conflicts of Interest
References
- Wang, J.; Jiang, X. Review and Analysis of SiC MOSFETs’ Ruggedness and Reliability. IET Power Electron. 2020, 13, 445–455. [Google Scholar] [CrossRef]
- Tawfik, M.A.; Ehab, M.; Ahmed, A.; Park, J.H. Single-Stage Isolated DC/AC Converter with Continuous Dynamic Model and Controller Design. IEEE Trans. Ind. Electron. 2023, 70, 5971–5981. [Google Scholar] [CrossRef]
- Ehab, M.; Tawfik, M.A.; Munir, M.U.; Ahmed, A.; Park, J.H. ISM-Band Frequency Transformer Modeling for Isolated High-Power Conversions. IEEE Trans. Instrum. Meas. 2023, 72, 8002111. [Google Scholar] [CrossRef]
- Umegami, H.; Harada, T.; Nakahara, K. Performance Comparison of Si IGBT and SiC MOSFET Power Module Driving IPMSM or IM under WLTC. World Electr. Veh. J. 2023, 14, 112. [Google Scholar] [CrossRef]
- Fuentes, C.D.; Müller, M.; Bernet, S.; Kouro, S. SiC-Mosfet or Si-IGBT: Comparison of Design and Key Characteristics of a 690 V Grid-Tied Industrial Two-Level Voltage Source Converter. Energies 2021, 14, 3054. [Google Scholar] [CrossRef]
- Sun, J.; Yang, S.; Xu, H.; Zhang, L.; Wu, X.; Sheng, K.; Chen, K.J. High-Temperature Characterization of a 1.2-KV SiC MOSFET Using Dynamic Short-Circuit Measurement Technique. IEEE J. Emerg. Sel. Top. Power Electron. 2020, 8, 215–222. [Google Scholar] [CrossRef]
- Maheri, H.M.; Babaei, E.; Sabahi, M.; Hosseini, S.H. High Step-Up DC-DC Converter with Minimum Output Voltage Ripple. IEEE Trans. Ind. Electron. 2017, 64, 3568–3575. [Google Scholar] [CrossRef]
- Tawfik, M.A.; Munir, M.U.; Fayyaz, S.; Ahmed, A.; Park, J.H. Design, Optimization, and Control of an Isolated Single-Stage Fixed-Frequency Resonant DC/AC Converter. IEEE J. Emerg. Sel. Top. Power Electron. 2024, 12, 2500–2516. [Google Scholar] [CrossRef]
- Shi, B.; Ramones, A.I.; Liu, Y.; Wang, H.; Li, Y.; Pischinger, S.; Andert, J. A Review of Silicon Carbide MOSFETs in Electrified Vehicles: Application, Challenges, and Future Development. IET Power Electron. 2023, 16, 2103–2120. [Google Scholar] [CrossRef]
- Wu, Y.; Li, C.; Zheng, Z.; Wang, L.; Zhao, W.; Zou, Q. A Behavior Model of SiC DMOSFET Considering Thermal-Runaway Failures in Short-Circuit and Avalanche Breakdown Faults. Electronics 2024, 13, 996. [Google Scholar] [CrossRef]
- Unger, C.; Pfost, M. Particularities of the Short-Circuit Operation and Failure Modes of SiC-MOSFETs. IEEE J. Emerg. Sel. Top. Power Electron. 2021, 9, 6432–6440. [Google Scholar] [CrossRef]
- Zhou, Y.; Liu, H.; Mu, S.; Chen, Z.; Wang, B. Short-Circuit Failure Model of SiC MOSFET Including the Interface Trapped Charges. IEEE J. Emerg. Sel. Top. Power Electron. 2020, 8, 90–98. [Google Scholar] [CrossRef]
- Barazi, Y.; Richardeau, F.; Jouha, W.; Reynes, J.M. Vds and Vgs Depolarization Effect on Sic Mosfet Short-Circuit Withstand Capability Considering Partial Safe Failure-Mode. Energies 2021, 14, 7960. [Google Scholar] [CrossRef]
- Wu, R.; Mendy, S.; Agbo, N.; Gonzalez, J.O.; Jahdi, S.; Alatise, O. Performance of Parallel Connected Sic Mosfets under Short Circuits Conditions. Energies 2021, 14, 6834. [Google Scholar] [CrossRef]
- IEEE Power Electronics Society; IEEE Electron Devices Society; Power Sources Manufacturers Association; Institute of Electrical and Electronics Engineers. Isolated active-clamped SEPIC PFC converter based on SiC devices and integrated magnetics. In Proceedings of the WiPDA 2019: 7th Annual IEEE Workshop, Wide Bandgap Power Devices & Applications, Raleigh, NC, USA, 29–31 October 2019; ISBN 9781728137612. [Google Scholar]
- Agarwal, A.; Baliga, B.J. Performance Enhancement of 2.3 KV 4H-SiC Planar-Gate MOSFETs Using Reduced Gate Oxide Thickness. IEEE Trans. Electron. Devices 2021, 68, 5029–5033. [Google Scholar] [CrossRef]
- Romano, G.; Fayyaz, A.; Riccio, M.; Maresca, L.; Breglio, G.; Castellazzi, A.; Irace, A. A Comprehensive Study of Short-Circuit Ruggedness of Silicon Carbide Power MOSFETs. IEEE J. Emerg. Sel. Top. Power Electron. 2016, 4, 978–987. [Google Scholar] [CrossRef]
- Reigosa, P.D.; Iannuzzo, F.; Luo, H.; Blaabjerg, F. A Short-Circuit Safe Operation Area Identification Criterion for SiC MOSFET Power Modules. IEEE Trans. Ind. Appl. 2017, 53, 2880–2887. [Google Scholar] [CrossRef]
- Qu, X.; Wang, H.; Zhan, X.; Blaabjerg, F.; Chung, H.S.H. A Lifetime Prediction Method for LEDs Considering Mission Profiles. In Proceedings of the 2016 IEEE Applied Power Electronics Conference and Exposition (APEC), Long Beach, CA, USA, 20–24 March 2016; IEEE: Piscataway, NJ, USA, 2016. ISBN 9781467395502. [Google Scholar]
- IEEE Power Electronics Society; IEEE Electron Devices Society; Power Sources Manufacturers Association; Institute of Electrical and Electronics Engineers. Loss Characterization and Analysis of High Voltage E-mode GaN HEMT in Soft-switching Application. In Proceedings of the WiPDA 2018: 6th Annual IEEE Workshop on Wide Bandgap Power Devices & Applications, Atlanta, Georgia, 31 October–2 November 2018; ISBN 9781538659090. [Google Scholar]
- Institute of Electrical and Electronics Engineers; IEEE Electron Devices Society; IEEE Industry Applications Society; IEEE Power Electronics Society. Artificial Neural Network-Based (ANN) Approach for Characteristics Modeling and Prediction in GaN-on-Si Power Devices. In Proceedings of the 2020 32nd International Symposium on Power Semiconductor Devices and ICs (ISPSD), Virtual, 13–18 September 2020; ISBN 9781728148366. [Google Scholar]
- Unger, C.; Pfost, M. Thermal Stability of SiC-MOSFETs at High Temperatures. IEEE Trans. Electron. Devices 2019, 66, 4666–4672. [Google Scholar] [CrossRef]
- Yu, R.; Jahdi, S.; Alatise, O.; Ortiz-Gonzalez, J.; Munagala, S.P.; Simpson, N.; Mellor, P. Measurements and Review of Failure Mechanisms and Reliability Constraints of 4H-SiC Power MOSFETs Under Short Circuit Events. IEEE Trans. Device Mater. Reliab. 2023, 23, 544–563. [Google Scholar] [CrossRef]
- Chen, X.; Chen, H.; Shi, B.; Wang, Y.; Li, X.; Zhou, C.; Li, C.; Deng, X.; Luo, H.; Wu, Y.; et al. Investigation on Short-Circuit Characterization and Optimization of 3.3-KV SiC MOSFETs. IEEE Trans. Electron. Devices 2021, 68, 184–191. [Google Scholar] [CrossRef]
- Li, F.; Jennings, M. Main Differences in Processing Si and SiC Devices. In Disruptive Wide Bandgap Semiconductors, Related Technologies, and Their Applications; InTech: Rijeka, Croatia, 2018. [Google Scholar]
- Cui, H.; Li, B.; Kong, H.; Yang, F.; Wang, F.; Wang, L.; Gao, K. Understanding the Thermal Characteristics of SiC Power MOSFET Device for Power Modules Design. In Proceedings of the PEDG 2023–2023 IEEE 14th International Symposium on Power Electronics for Distributed Generation Systems, Shanghai, China, 9–12 June 2023; Institute of Electrical and Electronics Engineers Inc.: Piscataway, NJ, USA, 2023; pp. 1088–1095. [Google Scholar]
- Xu, Y. Applications and Challenges of Silicon Carbide (SiC) MOSFET Technology in Electric Vehicle Propulsion Systems: A Review. Appl. Comput. Eng. 2024, 40, 180–186. [Google Scholar] [CrossRef]
- Wileman, A.J.; Aslam, S.; Perinpanayagam, S. A Road Map for Reliable Power Electronics for More Electric Aircraft. Prog. Aerosp. Sci. 2021, 127, 100739. [Google Scholar] [CrossRef]
- Shoji, T.; Kuwahara, M.; Usui, M. Dependence of Short-Circuit Withstand Capability of SiC MOSFETs on Short-Circuit Failure Time. IEEE Trans. Power Electron. 2021, 36, 11739–11747. [Google Scholar] [CrossRef]
- Awwad, A.E.; Dieckerhoff, S. Short-Circuit Evaluation and Overcurrent Protection for SiC Power MOSFETs. In Proceedings of the 2015 17th European Conference on Power Electronics and Applications, Geneva, Switzerland, 8–10 September 2015. [Google Scholar]
- Xue, J.; Xin, Z.; Wang, H.; Loh, P.C.; Blaabjerg, F. An Improved Di/Dt-RCD Detection for Short-Circuit Protection of SiC Mosfet. IEEE Trans. Power Electron. 2021, 36, 12–17. [Google Scholar] [CrossRef]
- Barazi, Y.; Boige, F.; Rouger, N.C.; Blaquiere, J.-M.; Richardeau, F.; Rouger, N.; Richardeau, F. “ig,Vgs” Monitoring for Fast and Robust SiC MOSFET Short-Circuit Protection with High Integration Capability Monitoring for Fast and Robust SiC MOSFET Short-Circuit Protection with High Integration Capability “Ig,Vgs” Monitoring for Fast and Robust SiC MOSFET Short-Circuit Protection with High Integration Capability Acknowledgements. In Proceedings of the 2020 22nd European Conference on Power Electronics and Applications (EPE’20 ECCE Europe), Lyon, France, 7–11 September 2020; p. 10. [Google Scholar] [CrossRef]
- Hofstetter, P.; Bakran, M.M. The Two-Dimensional Short-Circuit Detection Protection for SiC MOSFETs in Urban Rail Transit Application. IEEE Trans. Power Electron. 2020, 35, 5692–5701. [Google Scholar] [CrossRef]
- Ouyang, W.; Sun, P.; Xie, M.; Luo, Q.; Du, X. A Fast Short-Circuit Protection Method for SiC MOSFET Based on Indirect Power Dissipation Level. IEEE Trans. Power Electron. 2022, 37, 8825–8829. [Google Scholar] [CrossRef]
- Rafiq, A.; Pramanick, S. Ultrafast Protection of Discrete SiC MOSFETs with PCB Coil-Based Current Sensors. IEEE Trans. Power Electron. 2023, 38, 1860–1870. [Google Scholar] [CrossRef]
- Zhang, J.; Wu, H.; Zhang, Y.; Zhao, J. Turn-off Modes of Silicon Carbide MOSFETs for Short-Circuit Fault Protection. J. Power Electron. 2021, 21, 475–482. [Google Scholar] [CrossRef]
- Dhanasekaran, S.; Miryala, V.K.; Hatua, K. Adaptive Digital Technique Assisted Hard Switching Fault Detection for SiC MOSFETs. In Proceedings of the IEEE Workshop on Wide Bandgap Power Devices and Applications in Asia, WiPDA Asia 2021, Wuhan, China, 25–27 August 2021; Institute of Electrical and Electronics Engineers Inc.: Piscataway, NJ, USA, 2021; pp. 338–343. [Google Scholar]
- Wang, Q.; Zhang, J.; Iannuzzo, F.; Jiang, Y.; Zhang, W.; He, F. Short-Circuit Fault Adaptive Analysis and Protection for SiC MOSFETs. IEEE J. Emerg. Sel. Top. Power Electron. 2023, 11, 4867–4881. [Google Scholar] [CrossRef]
- Cui, M.; Li, J.; Du, Y.; Zhao, Z. Behavior of SiC MOSFET under Short-Circuit during the On-State. IOP Conf. Ser. Mater. Sci. Eng. 2018, 439, 022026. [Google Scholar] [CrossRef]
- Liao, X.; Shen, Q.; Hu, Y.; Yang, C.; Chen, X.; Li, H. Fault Protection for a SiC MOSFET Based on Gate Voltage Subjected to Short Circuit Type II. Microelectron. Reliab. 2020, 107, 113624. [Google Scholar] [CrossRef]
- Reigosa, D.; Fernandez, D.; Gonzalez, C.; Lee, S.B.; Briz, F. Permanent magnet synchronous machine drive control using analog hall-effect sensors. In Proceedings of the ECCE: 2017 IEEE Energy Conversion Congress and Exposition, Cincinnati, OH, USA, 1–5 October 2017; IEEE: Piscataway, NJ, USA, 2017. ISBN 9781509029983. [Google Scholar]
- Liu, Y.; Peng, F.Z. A four-level modular multilevel converter with self voltage balancing and extremely small DC capacitor. In Proceedings of the APEC 2019: Thirty-Fourth Annual IEEE Applied Power Electronics Conference and Exposition, Anaheim, CA, USA, 17–21 March 2019; IEEE: Piscataway, NJ, USA, 2019. ISBN 9781538683309. [Google Scholar]
- Wang, Z.; Shi, X.; Tolbert, L.M.; Wang, F.; Liang, Z.; Costinett, D.; Blalock, B.J. Temperature-Dependent Short-Circuit Capability of Silicon Carbide Power MOSFETs. IEEE Trans. Power Electron. 2016, 31, 1555–1566. [Google Scholar] [CrossRef]
- Verband der Elektrotechnik Elektronik Informationstechnik; Institute of Electrical and Electronics Engineers. PCIM Europe 2015; International Exhibition and Conference for Power Electronics, Intelligent Motion, Renewable Energy and Energy Management; Proceedings of: Date 19–20 May 2015; IEEE: Piscataway, NJ, USA, 2015; ISBN 9783800739240. [Google Scholar]
- Li, H.; Wang, J.; Ren, N.; Xu, H.; Sheng, K. Investigation of 1200 V SiC MOSFETs’ Surge Reliability. Micromachines 2019, 10, 485. [Google Scholar] [CrossRef] [PubMed]
- Liu, H.; Wei, J.; Wei, Z.; Liu, S.; Shi, L. Experimental Comparison of a New 1.2 KV 4H-SiC Split-Gate MOSFET with Conventional SiC MOSFETs in Terms of Reliability Robustness. Electronics 2023, 12, 2551. [Google Scholar] [CrossRef]
- Xu, H.; Wang, B.; Ren, N.; Long, H.; Huang, K.; Sheng, K. Influence of JFET Width on Short-Circuit Robustness of 1200 V SiC Power MOSFETs. Electronics 2023, 12, 4849. [Google Scholar] [CrossRef]
- Kanale, A.; Baliga, B.J. Theoretical Optimization of the Si GSS-DMM Device in the BaSIC Topology for SiC Power MOSFET Short-Circuit Capability Improvement. IEEE Access 2021, 9, 70039–70047. [Google Scholar] [CrossRef]
- Uhnevionak, V.; Burenkov, A.; Strenger, C.; Ortiz, G.; Bedel-Pereira, E.; Mortet, V.; Cristiano, F.; Bauer, A.J.; Pichler, P. Comprehensive Study of the Electron Scattering Mechanisms in 4H-SiC MOSFETs. IEEE Trans. Electron. Devices 2015, 62, 2562–2570. [Google Scholar] [CrossRef]
- Noborio, M.; Kanzaki, Y.; Suda, J.; Kimoto, T. Experimental and Theoretical Investigations on Short-Channel Effects in 4H-SiC MOSFETs. IEEE Trans. Electron. Devices 2005, 52, 1954–1962. [Google Scholar] [CrossRef]
- Tachiki, K.; Ono, T.; Kobayashi, T.; Kimoto, T. Short-Channel Effects in SiC MOSFETs Based on Analyses of Saturation Drain Current. IEEE Trans. Electron. Devices 2021, 68, 1382–1384. [Google Scholar] [CrossRef]
- Available online: https://assets.wolfspeed.com/uploads/2024/01/Wolfspeed_C2M0040120D_data_sheet.pdf (accessed on 7 August 2024).
- Tsibizov, A.; Kovačevic-Badstübner, I.; Kakarla, B.; Grossner, U. Accurate Temperature Estimation of SiC Power Mosfets under Extreme Operating Conditions. IEEE Trans. Power Electron. 2019, 35, 1855–1865. [Google Scholar] [CrossRef]
- Ding, X.; Peng, L.; Zhao, Y.; Yang, K.; Cui, H.; Shan, Z.; Yang, Y.; Lyu, G. Short-Circuit Characteristics of Asymmetry Trench (AT) MOSFET and Associative Failure Mechanisms over Wide Ambient Temperature. In Proceedings of the International Symposium on Power Semiconductor Devices and ICs, Bremen, Germany, 2–6 June 2024; Institute of Electrical and Electronics Engineers Inc.: Piscataway, NJ, USA, 2024; pp. 216–219. [Google Scholar]
- Kumar, A.; Moradpour, M.; Losito, M.; Franke, W.T.; Ramasamy, S.; Baccoli, R.; Gatto, G. Wide Band Gap Devices and Their Application in Power Electronics. Energies 2022, 15, 9172. [Google Scholar] [CrossRef]
- Wang, Y.; Ding, Y.; Yin, Y. Reliability of Wide Band Gap Power Electronic Semiconductor and Packaging: A Review. Energies 2022, 15, 6670. [Google Scholar] [CrossRef]
- Fiorenza, P.; Giannazzo, F.; Roccaforte, F. Characterization of SiO2/4H-SiC Interfaces in 4H-SiC MOSFETs: A Review. Energies 2019, 12, 2310. [Google Scholar] [CrossRef]
- Tan, J.; Zhou, Z. An Optimized Switching Strategy Based on Gate Drivers with Variable Voltage to Improve the Switching Performance of SiC MOSFET Modules. Energies 2023, 16, 5984. [Google Scholar] [CrossRef]
- Prado, E.O.; Bolsi, P.C.; Sartori, H.C.; Pinheiro, J.R. An Overview about Si, Superjunction, SiC and GaN Power MOSFET Technologies in Power Electronics Applications. Energies 2022, 15, 5244. [Google Scholar] [CrossRef]
- Cha, K.; Kim, K. Asymmetric Split-Gate 4H-SiC MOSFET with Embedded Schottky Barrier Diode for High-Frequency Applications. Energies 2021, 14, 7305. [Google Scholar] [CrossRef]
- Barbagallo, C.; Agatino Rizzo, S.; Scelba, G.; Scarcella, G.; Cacciato, M. On the lifetime estimation of SiC power MOSFETs for motor drive applications. Electronics 2021, 10, 324. [Google Scholar] [CrossRef]
- La Via, F.; Alquier, D.; Giannazzo, F.; Kimoto, T.; Neudeck, P.; Ou, H.; Roncaglia, A.; Saddow, S.E.; Tudisco, S. Emerging SiC Applications beyond Power Electronic Devices. Micromachines 2023, 14, 1200. [Google Scholar] [CrossRef]
- Chen, J.; Du, X.; Luo, Q.; Zhang, X.; Sun, P.; Zhou, L. A Review of Switching Oscillations of Wide Bandgap Semiconductor Devices. IEEE Trans. Power Electron. 2020, 35, 13182–13199. [Google Scholar] [CrossRef]
- Wang, J.; Chung, H.S.H.; Li, R.T.H. Characterization and Experimental Assessment of the Effects of Parasitic Elements on the MOSFET Switching Performance. IEEE Trans. Power Electron. 2013, 28, 573–590. [Google Scholar] [CrossRef]
- Zhou, B.; Han, D.; Peng, F.Z.; Dwari, S. Improved De-Saturation Protection Circuits for Silicon Carbide MOSFET Gate Drivers. In Proceedings of the 2021 IEEE Applied Power Electronics Conference and Exposition (APEC), Phoenix, AZ, USA, 14–17 June 2021; Institute of Electrical and Electronics Engineers Inc.: Piscataway, NJ, USA, 2021; pp. 2544–2548. [Google Scholar]
- Verband der Elektrotechnik Elektronik Informationstechnik; Institute of Electrical and Electronics Engineers. PCIM Europe 2017; International Exhibition and Conference for Power Electronics, Intelligent Motion, Renewable Energy and Energy Management: 16–18 May 2017; IEEE: Piscataway, NJ, USA, 2017; ISBN 9783800744244. [Google Scholar]
- Mesago Messe Frankfurt GmbH; Institute of Electrical and Electronics Engineers. PCIM Europe 2018; International Exhibition and Conference for Power Electronics, Intelligent Motion, Renewable Energy and Energy Management: 5–7 June 2018; IEEE: Piscataway, NJ, USA, 2018; ISBN 9783800746460. [Google Scholar]
- Guo, Z.; Li, H. Dv/Dt Sensing-Based Short-Circuit Protection for Medium-Voltage SiC Mosfets. IEEE Trans. Power Electron. 2023, 38, 10554–10558. [Google Scholar] [CrossRef]
- Li, H.; Wang, Y.; Qiu, Z.; Wang, Z.; Hu, X.; Zhao, J. Short-Circuit Protection Circuit of SiC MOSFET Based on Drain-Source Voltage Integral. In Proceedings of the IEEE Workshop on Wide Bandgap Power Devices and Applications in Asia, WiPDA Asia 2021, Wuhan, China, 25–27 August 2021; Institute of Electrical and Electronics Engineers Inc.: Piscataway, NJ, USA, 2021; pp. 344–349. [Google Scholar]
- IEEE Power Electronics Society; IEEE Industry Applications Society; Institute of Electrical and Electronics Engineers. ECCE 2016: IEEE Energy Conversion Congress & Expo: Proceedings: Milwaukee, WI, USA, 18–22 September 2016; IEEE: Piscataway, NJ, USA, 2016; ISBN 9781509007370. [Google Scholar]
- Xu, Y.; Bu, X.; Hao, Y.; Xiang, P.; Li, W.; Hao, R. A Novel Short-Circuit Protect Method for SiC MOSFET Module Based on Simplified Rogowski Coil Current Sensor. In Proceedings of the 2019 4th IEEE Workshop on the Electronic Grid (eGRID), Xiamen, China, 11–14 November 2019. [Google Scholar]
- Lee, J.A.; Ann, S.; Sim, D.H.; Lee, B.K. Design Guideline and Practical Solution of PCB-Type Rogowski Current Sensor for SiC MOSFET Short-Circuit Protection Based on Frequency Analysis. In Proceedings of the IEEE Applied Power Electronics Conference and Exposition (APEC), Long Beach, CA, USA, 19–23 March 2023; Institute of Electrical and Electronics Engineers Inc.: Piscataway, NJ, USA, 2022; pp. 1352–1357. [Google Scholar]
- Feng, Y.; Shao, S.; Du, J.; Chen, Q.; Zhang, J.; Wu, X. Short-Circuit and Over-Current Fault Detection for SiC MOSFET Modules Based on Tunnel Magnetoresistance with Predictive Capabilities. IEEE Trans. Power Electron. 2022, 37, 3719–3723. [Google Scholar] [CrossRef]
- Du, H.; Bayarsaikhan, Y.; Omura, I. Short-Circuit Protection Scheme with Efficient Soft Turn-off for Power Modules. Microelectron. Reliab. 2023, 150, 115078. [Google Scholar] [CrossRef]
- Tsukuda, M.; Koga, M.; Nakashima, K.; Omura, I. Micro PCB Rogowski Coil for Current Monitoring and Protection of High Voltage Power Modules. Microelectron. Reliab. 2016, 64, 479–483. [Google Scholar] [CrossRef]
- Stecca, M.; Tiftikidis, P.; Soeiro, T.B.; Bauer, P. Gate Driver Design for 1.2 KV SiC Module with PCB Integrated Rogowski Coil Protection Circuit. In Proceedings of the 2021 IEEE Energy Conversion Congress and Exposition (ECCE), Vancouver, BC, Canada, 10–14 October 2021; Institute of Electrical and Electronics Engineers Inc.: Piscataway, NJ, USA, 2021; pp. 5723–5728. [Google Scholar]
- Sharifi, S.; Kamel, T.; Tricoli, P. Investigating the best topology for Traction Power Substations (TPSs) in a Medium Voltage DC (MVDC) railway electrification system. In Proceedings of the 2021 23rd European Conference on Power Electronics and Applications (EPE’21 ECCE Europe), Ghent, Belgium, 6–10 September 2021; IEEE: Piscataway, NJ, USA, 2021. ISBN 9789075815375. [Google Scholar]
- Runninger, A.; Granger, M. Design and Testing of a Hard-Fault Protection Circuit for a 1 KV SiC MOSFET Inverter. In Proceedings of the 2023 IEEE Energy Conversion Congress and Exposition (ECCE 2023), Nashville, TN, USA, 29 October–2 November 2023; Institute of Electrical and Electronics Engineers Inc.: Piscataway, NJ, USA, 2023; pp. 5716–5719. [Google Scholar]
- Acuna, J.; Walter, J.; Kallfass, I. Very Fast Short Circuit Protection for Gallium-Nitride Power Transistors Based on Printed Circuit Board Integrated Current Sensor. In Proceedings of the 2018 20th European Conference on Power Electronics and Applications (EPE’18 ECCE Europe), Riga, Latvia, 17–21 September 2018. [Google Scholar]
- Karakaya, F.; Alemdar, O.S.; Keysan, O. Layout-Based Ultrafast Short-Circuit Protection Technique for Parallel-Connected GaN HEMTs. IEEE J. Emerg. Sel. Top. Power Electron. 2021, 9, 6385–6395. [Google Scholar] [CrossRef]
- Lee, S.; Kim, K.; Shim, M.; Nam, I. A Digital Signal Processing Based Detection Circuit for Short-Circuit Protection of SiC MOSFET. IEEE Trans Power. Electron. 2021, 36, 13379–13382. [Google Scholar] [CrossRef]
- Sun, K.; Wang, J.; Burgos, R.; Boroyevich, D. Design, Analysis, and Discussion of Short Circuit and Overload Gate-Driver Dual-Protection Scheme for 1.2-KV, 400-A SiC MOSFET Modules. IEEE Trans. Power Electron. 2020, 35, 3054–3068. [Google Scholar] [CrossRef]
- Suzuki, H.; Funaki, T. Fast Short-Circuit Protection under Current Imbalance Condition for Multi-Paralleled SiC-MOSFETs. Electr. Eng. Jpn. 2023, 216, 35–45. [Google Scholar] [CrossRef]
- Li, Q.; Yang, Y.; Wen, Y.; Tian, X.; Li, Y.; Xiang, W. A Fast Overcurrent Protection IC for SiC MOSFET Based on Current Detection. IEEE Trans. Power Electron. 2024, 39, 4986–4990. [Google Scholar] [CrossRef]
- Du, J.; Feng, Y.; Chen, Q.; Shao, S. Tunnel Magnetoresistance-Based Short-Circuit Protection for SiC MOSFET in HybridPACKTM Drive Package. In Proceedings of the IECON 2022–48th Annual Conference of the IEEE Industrial Electronics Society, Brussels, Belgium, 17–20 October 2022; IEEE Computer Society: Piscataway, NJ, USA, 2022. [Google Scholar]
- Ke, Z.; Wang, J.; Hu, B.; Song, X.; Peng, Z.; Dai, Y.; Shen, Z.J. An Ultrafast Universal Short-Circuit Protection Technique Based on Gate Current Detection for SiC MOSFET. IEEE Trans. Power Electron. 2024, 39, 11931–11936. [Google Scholar] [CrossRef]
- Picot-Digoix, M.; Richardeau, F.; Blaquiere, J.M.; Vinnac, S.; Azzopardi, S.; Le, T.L. Quasi-Flying Gate Concept Used for Short-Circuit Detection on SiC Power MOSFETs Based on a Dual-Port Gate Driver. IEEE Trans. Power Electron. 2023, 38, 6934–6938. [Google Scholar] [CrossRef]
- Verband der Elektrotechnik Elektronik Informationstechnik; Institute of Electrical and Electronics Engineers. PCIM Europe 2019; International Exhibition and Conference for Power Electronics, Intelligent Motion, Renewable Energy and Energy Management; IEEE: Piscataway, NJ, USA, 2019; ISBN 9783800749386. [Google Scholar]
- Horiguchi, T.; Kinouchi, S.; Nakayama, Y.; Akagi, H. A Fast Short-Circuit Protection Method Using Gate Charge Characteristics of SiC MOSFETs. In Proceedings of the 2015 IEEE Energy Conversion Congress and Exposition (ECCE), Montreal, QC, Canada, 20–24 September 2015; IEEE: Piscataway, NJ, USA, 2015; pp. 4759–4764. [Google Scholar] [CrossRef]
- Hu, B.; Ke, Z.; He, M.; Zhang, C.; Liu, Z.; Wang, J. A Gate Current Detection for Short-Circuit Protection of SiC MOSFET. In Proceedings of the 2023 IEEE 4th China International Youth Conference on Electrical Engineering (CIYCEE 2023), Chengdu, China, 8–10 December 2023; Institute of Electrical and Electronics Engineers Inc.: Piscataway, NJ, USA, 2023. [Google Scholar]
- Xing, D.; Lyu, X.; Liu, J.; Xie, C.; Agarwal, A.; Wang, J. 3300-V SiC MOSFET Short-Circuit Reliability and Protection. In Proceedings of the IEEE Applied Power Electronics Conference and Exposition (APEC), Virtual, 14–17 June 2021; Institute of Electrical and Electronics Engineers Inc.: Piscataway, NJ, USA, 2021; pp. 1262–1266. [Google Scholar]
- Li, Z.; Wei, J.; Chen, H. An Augmented Short Circuit Detection Method for SiC MOSFETs. In Proceedings of the 11th International Conference on Power Electronics, Machines and Drives (PEMD 2022), Newcastle, UK, 21–23 June 2022. [Google Scholar]
- Mesago Messe Frankfurt GmbH; Institute of Electrical and Electronics Engineers. PCIM Europe 2016; International Exhibition and Conference for Power Electronics, Intelligent Motion, Renewable Energy and Energy Management: Date, 10–12 May 2016; IEEE: Piscataway, NJ, USA, 2016; ISBN 9783800741861. [Google Scholar]
- Sadik, D.P.; Colmenares, J.; Tolstoy, G.; Peftitsis, D.; Bakowski, M.; Rabkowski, J.; Nee, H.P. Short-Circuit Protection Circuits for Silicon-Carbide Power Transistors. IEEE Trans. Ind. Electron. 2016, 63, 1995–2004. [Google Scholar] [CrossRef]
- Lyu, X.; Li, H.; Abdullah, Y.; Wang, K.; Hu, B.; Yang, Z.; Liu, J.; Wang, J.; Liu, L.; Bala, S. A Reliable Ultrafast Short-Circuit Protection Method for E-Mode GaN HEMT. IEEE Trans. Power Electron. 2020, 35, 8926–8933. [Google Scholar] [CrossRef]
- Ji, S.; Laitinen, M.; Huang, X.; Sun, J.; Giewont, W.; Wang, F.; Tolbert, L.M. Short-Circuit Characterization and Protection of 10-KV SiC Mosfet. IEEE Trans. Power Electron. 2019, 34, 1755–1764. [Google Scholar] [CrossRef]
- IEEE Power Electronics Society; IEEE Microwave Theory and Techniques Society; Institute of Electrical and Electronics Engineers; Wireless Power Week. Proceedings of the 2020 IEEE PELS Workshop on Emerging Technologies: Wireless Power Transfer (Wow), Seoul, Republic of Korea, 15–19 November 2020; IEEE: Piscataway, NJ, USA, 2020. ISBN 9781728137469.
- Yin, S.; Wu, Y.; Liu, Y.; Pan, X. Comparative Design of Gate Drivers with Short-Circuit Protection Scheme for SiC MOSFET and Si IGBT. Energies 2019, 12, 4546. [Google Scholar] [CrossRef]
- Liu, C.; Zhang, Z.; Liu, Y.; Si, Y.; Wang, M.; Lei, Q. A Comprehensive Short-Circuit Protection Scheme for Series-Connected SiC MOSFETs. IEEE Open J. Power Electron. 2022, 3, 115–130. [Google Scholar] [CrossRef]
- IEEE Industry Applications Society; Institute of Electrical and Electronics Engineers. An Improved-Precision Voice Coil Motor Drive Method Utilizing Additional Current Feedback. In Proceedings of the 2019 22nd International Conference on Electrical Machines and Systems (ICEMS), Harbin, China, 11–14 August 2019; IEEE: Piscataway, NJ, USA, 2019. ISBN 9781728133980. [Google Scholar]
- Qin, H.; Yang, Y.; Xie, S.; Peng, J.; Hu, H.; Bu, F. Analysis of Short-Circuit Characteristics and the Design of a Novel Protection Circuit for SiC MOSFETs. In Proceedings of the 2022 International Conference on Power Energy Systems and Applications (ICoPESA 2022), Virtual, 25–27 February 2022; Institute of Electrical and Electronics Engineers Inc.: Piscataway, NJ, USA, 2022; pp. 60–67. [Google Scholar]
- Liu, J.; Wang, H. A Robust Design Method of Desaturation Protection Circuit for Silicon Carbide Power MOSFETs. In Proceedings of the 2023 IEEE Energy Conversion Congress and Exposition (ECCE 2023), Nashville, TN, USA, 29 October–2 November 2023; Institute of Electrical and Electronics Engineers Inc.: Piscataway, NJ, USA, 2023; pp. 5433–5440. [Google Scholar]
- Liu, T.; Quan, Y.; Zhou, X.; Tian, Y.; Cheng, X.; Huang, X. A Short Circuit Protection Circuit for SiC MOSFET with Self-Adjustive Blanking Time. IEICE Electron. Express 2021, 18, 20210345. [Google Scholar] [CrossRef]
- Yu, H.; Shi, L.; Bhattacharya, M.; Jin, M.; Qian, J.; Agarwal, A.K. SiC Trench MOSFET with Depletion-Mode PMOS for Enhanced Short-Circuit Capability and Switching Performance. Electronics 2023, 12, 4764. [Google Scholar] [CrossRef]
- Xin, Z.; Li, H.; Liu, Q.; Loh, P.C. A Review of Megahertz Current Sensors for Megahertz Power Converters. IEEE Trans. Power Electron. 2022, 37, 6720–6738. [Google Scholar] [CrossRef]
- Ziegler, S.; Woodward, R.C.; Iu, H.H.C.; Borle, L.J. Current Sensing Techniques: A Review. IEEE Sens. J. 2009, 9, 354–376. [Google Scholar] [CrossRef]
- Patel, A.; Ferdowsi, M. Current Sensing for Automotive Electronics—A Survey. IEEE Trans. Veh. Technol. 2009, 58, 4108–4119. [Google Scholar] [CrossRef]
- Crescentini, M.; Syeda, S.F.; Gibiino, G.P. Hall-Effect Current Sensors: Principles of Operation and Implementation Techniques. IEEE Sens. J. 2022, 22, 10137–10151. [Google Scholar] [CrossRef]
- Ferreira, J.A.; Cronje, W.A.; Relihan, W.A. Integration of High Frequency Current Shunts in Power Electronic Circuits. IEEE Trans. Power Electron. 1995, 10, 32–37. [Google Scholar] [CrossRef]
- IEEE Power Electronics Society; IEEE Industry Applications Society; Institute of Electrical and Electronics Engineers. ECCE 2015: IEEE Energy Conversion Congress & Expo: Montreal, Canada, 20–24 September 2015; IEEE: Piscataway, NJ, USA, 2015; ISBN 9781467371513. [Google Scholar]
- Shim, M.; Lee, K.; Kim, J.; Kim, K. Multistep Soft Turn-Off Time Control to Suppress the Overvoltage of SiC MOSFETs in Short-Circuit State. IEEE Access 2022, 10, 46408–46417. [Google Scholar] [CrossRef]



















| SiC MOSFETs (1.2 kV) | Temperature/DC Bus Voltage | SCWT |
|---|---|---|
| CREE 1G | 25 °C/600 V | 12 µs |
| 200 °C/600 V | 11 µs | |
| 200 °C/750 V | 7 µs | |
| CREE 2G | 25 °C/600 V | 8 µs |
| 200 °C/600 V | 8 µs | |
| 200 °C/750 V | 5 µs | |
| ROHM | 25 °C/600 V | 17 µs |
| 200 °C/600 V | 13 µs | |
| 200 °C/750 V | 11 µs |
| Parameters | Methods | Detectable Faults | Ref. |
|---|---|---|---|
| VDS | VDS | HSF and FUL | [30,65,66,67] |
| dVDS/dt | HSF | [68] | |
| HSF and FUL | [69] | ||
| ID | Rogowski coil | HSF and FUL | [35,70,71,72,73,74,75,76,77,78] |
| dIDS/dt | HSF and FUL | [30,79,80,81,82,83,84] | |
| TMR sensor | HSF and FUL | [73,85] | |
| Gate | QG | HSF | [86,87,88,89] |
| Gate leakage current | HSF and FUL | [32,86,90] | |
| Combined | VGS and dIDS/dt | HSF and FUL | [33,91,92,93] |
| VDS and ID | HSF and FUL | [34] |
| Parameters | Methods | Noise Immunity | Temp. Effect | Cost/Complexity | Response Time | Ref. | |
|---|---|---|---|---|---|---|---|
| HSF | FUL | ||||||
| VDS | VDS | Low | High | Low/simple | 450 ns~1.5 µs | 1.5 µs | [30,65,66,67] |
| dVDS/dt | Low | High | Low/moderate | 250 ns | - | [68] | |
| Low | High | Low/moderate | 700 ns | 1.5 µs | [69] | ||
| ID | Rogowski coil | High | Low | High/complex | <100 ns | <100 ns | [35,70,71,72,73,74,75,76,77,78,90] |
| dIDS/dt | Moderate | Low | Moderate/moderate | <100 ns | <100 ns | [30,79,80,81,82,83,84] | |
| TMR sensor | High | Low | High/complex | <100 ns | <100 ns | [73,85] | |
| Gate | QG | Low | High | Moderate/moderate | 173 ns | - | [86,87,88,110] |
| Gate leakage current | Low | High | Moderate/complex | 137 ns | 86 ns | [90] | |
| Combined | VGS and dIDS/dt | Moderate | Moderate | High/complex | <50 ns | <100 ns | [33,91,92,93] |
| VDS and ID | Moderate | Low | High/complex | - | 170 ns | [34] | |
| STO Methods | Advantages | Disadvantages | Delay Time |
|---|---|---|---|
| SOFT-SLOPE STO |
|
|
|
| TWO-STEP STO |
|
|
|
| MULTI-STEP STO |
|
|
|
Disclaimer/Publisher’s Note: The statements, opinions and data contained in all publications are solely those of the individual author(s) and contributor(s) and not of MDPI and/or the editor(s). MDPI and/or the editor(s) disclaim responsibility for any injury to people or property resulting from any ideas, methods, instructions or products referred to in the content. |
© 2024 by the authors. Licensee MDPI, Basel, Switzerland. This article is an open access article distributed under the terms and conditions of the Creative Commons Attribution (CC BY) license (https://creativecommons.org/licenses/by/4.0/).
Share and Cite
Lyu, G.; Ali, H.; Tan, H.; Peng, L.; Ding, X. Review on Short-Circuit Protection Methods for SiC MOSFETs. Energies 2024, 17, 4523. https://doi.org/10.3390/en17174523
Lyu G, Ali H, Tan H, Peng L, Ding X. Review on Short-Circuit Protection Methods for SiC MOSFETs. Energies. 2024; 17(17):4523. https://doi.org/10.3390/en17174523
Chicago/Turabian StyleLyu, Gang, Hamid Ali, Hongrui Tan, Lyuzhang Peng, and Xiaofeng Ding. 2024. "Review on Short-Circuit Protection Methods for SiC MOSFETs" Energies 17, no. 17: 4523. https://doi.org/10.3390/en17174523
APA StyleLyu, G., Ali, H., Tan, H., Peng, L., & Ding, X. (2024). Review on Short-Circuit Protection Methods for SiC MOSFETs. Energies, 17(17), 4523. https://doi.org/10.3390/en17174523

