Assessment of Single-Axis Solar Tracking System Efficiency in Equatorial Regions: A Case Study of Manta, Ecuador
Abstract
1. Introduction
2. Solar Tracking Classification
3. System Realization and Experimentation
3.1. Automatic Weather Station
3.2. Fix-Tilt Solar System
3.3. Single-Axis Tracking System Structure
3.4. Single-Axis Tracking System Based on LDRs
3.5. Single-Axis Tracking System Based on Astronomical Programming
3.6. Sensing System
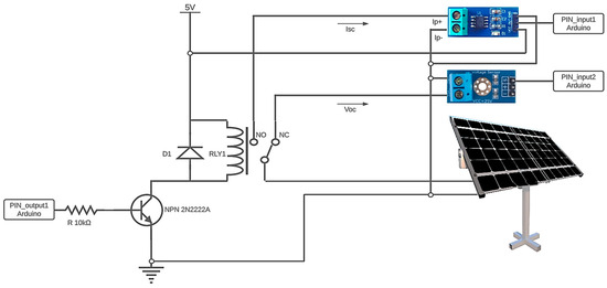
- Current and voltage sensing system: To measure voltage and current values, a set of relays was employed to control the acquisition of short-circuit current (I_Sc) and open-circuit voltage (V_oc) data for each solar system (see Figure 9). Voltage is measured using the FZ0430 circuit module [47]. This circuit is a straightforward voltage divider with values of 30 kΩ and 7.5 kΩ. Essentially, it implies that when the maximum input voltage is attained, the voltage sensed by the module is divided by a factor of five. The maximum resolution acquired is 4.89 mV (5 V/1023) since the Arduino Mega ADC has a 10-bit resolution. For current detection, the ACS712ELC 20 A module was employed [48]. This sensor produces an analog voltage output signal that changes proportionally with the detected current, whether it is alternating or continuous, up to 20 A. The sensor is composed of a precise, low-offset, linear Hall-effect sensor circuit featuring a copper conduction path (internal resistance 1.2 mΩ) situated close to the die’s surface. It operates at 5 VDC, (66 mV/A) centered at 2.5 V (Vcc/2), exhibiting a typical error of 1.5%.
- Temperature sensing system: One of the most relevant factors that affect the efficiency of the solar panel is the operating temperature. As the temperature increases, the efficiency decreases due to the negative temperature coefficient of power in PV modules. The standard testing condition (STC) temperature is 25 °C, and deviations from this temperature impact the output power. Specifically, when the temperature exceeds 25 °C, the output power is lower than the maximum value specified by the manufacturer, while temperatures below 25 °C can lead to increased power output [49,50]. To verify and compare the working temperature of the solar panels, three LM35 sensors were used on each of the solar panels. This sensor is a highly accurate integrated circuit with an output voltage that linearly corresponds to the instantaneous temperature in Celsius degrees. Its temperature range spans from −55 °C to +150 °C, and it operates with a scale factor of 10 mV/C.
4. Result and Discussion
4.1. Systems Comparison Performance
4.2. Comparative Analysis: Two-Axis vs. Single-Axis Solar Tracking Systems
5. Conclusions
Author Contributions
Funding
Data Availability Statement
Conflicts of Interest
References
- Saymbetov, A.; Mekhilef, S.; Kuttybay, N.; Nurgaliyev, M.; Tukymbekov, D.; Meiirkhanov, A.; Dosymbetova, G.; Svanbayev, Y. Dual-axis schedule tracker with an adaptive algorithm for a strong scattering of Sunbeam. Sol. Energy 2021, 224, 285–297. [Google Scholar] [CrossRef]
- Kuttybay, N.; Mekhilef, S.; Koshkarbay, N.; Saymbetov, A.; Nurgaliyev, M.; Dosymbetova, G.; Orynbassar, S.; Yershov, E.; Kapparova, A.; Zholamanov, B.; et al. Assessment of solar tracking systems: A comprehensive review. Sustain. Energy Technol. Assess. 2024, 68, 103879. [Google Scholar] [CrossRef]
- Satria, H.; Syah, R.B.Y.; Silviana, N.A.; Syafii, S. Design of actuator motor acceleration model in dual axis tracker movement for stand-alone PV system. Int. J. Power Electron. Drive Syst. (IJPEDS) 2024, 15, 1137. [Google Scholar] [CrossRef]
- Refaey, H.A.; Abdelrahman, M.A.; Alharthi, M.A.; Bendoukha, S.; Khan, S.G.; Emam, M. Passive cooling of highly-concentrator triple-junction solar cell using a straight-finned heat sink: An experimental investigation. Case Stud. Therm. Eng. 2022, 40, 102521. [Google Scholar] [CrossRef]
- Alomar, O.R.; Ali, O.M.; Ali, B.M.; Qader, V.S.; Ali, O.M. Energy, exergy, economical and environmental analysis of photovoltaic solar panel for fixed, single and dual axis tracking systems: An experimental and theoretical study. Case Stud. Therm. Eng. 2023, 51, 103635. [Google Scholar] [CrossRef]
- Refaey, H.A.; Alharthi, M.A.; Bendoukha, S.; Khan, S.G.; Emam, M.; Abdelrahman, M.A. An experimental investigation on passive cooling of a triple-junction solar cell at high concentrations using various straight-finned heat sink configurations. Case Stud. Therm. Eng. 2023, 51, 103626. [Google Scholar] [CrossRef]
- Anshory, I.; Jamaaluddin, J.; Fahruddin, A.; Fudholi, A.; Radiansah, Y.; Subagio, D.G.; Utomo, Y.S.; Saepudin, A.; Rosyid, O.A.; Sopian, K. Monitoring solar heat intensity of dual axis solar tracker control system: New approach. Case Stud. Therm. Eng. 2024, 53, 103791. [Google Scholar] [CrossRef]
- Cevallos-Sierra, J.; Ramos-Martin, J. Spatial assessment of the potential of renewable energy: The case of Ecuador. Renew. Sustain. Energy Rev. 2018, 81, 1154–1165. [Google Scholar] [CrossRef]
- Gómez-Navarro, T.; Ribó-Pérez, D. Assessing the obstacles to the participation of renewable energy sources in the electricity market of Colombia. Renew. Sustain. Energy Rev. 2018, 90, 131–141. [Google Scholar] [CrossRef]
- Vieira, R.G.; Guerra, F.K.O.M.V.; Vale, M.R.B.G.; Araújo, M.M. Comparative performance analysis between static solar panels and single-axis tracking system on a hot climate region near to the equator. Renew. Sustain. Energy Rev. 2016, 64, 672–681. [Google Scholar] [CrossRef]
- Sampaio, P.G.V.; González, M.O.A. Photovoltaic solar energy: Conceptual framework. Renew. Sustain. Energy Rev. 2017, 74, 590–601. [Google Scholar] [CrossRef]
- Dobrotkova, Z.; Surana, K.; Audinet, P. The price of solar energy: Comparing competitive auctions for utility-scale solar PV in developing countries. Energy Policy 2018, 118, 133–148. [Google Scholar] [CrossRef]
- Lee, C.Y.; Lee, M.K.; Yoo, S.H. Willingness to pay for replacing traditional energies with renewable energy in South Korea. Energy 2017, 128, 284–290. [Google Scholar] [CrossRef]
- National Renewable Energy Laboratory (NREL)—National Center for Photovoltaics. Research Cell Efficiency Records. Available online: https://energy.gov/eere/solar/photovoltaics-research-and-development (accessed on 5 July 2021).
- Jean, J.; Brown, P.R.; Jaffe, R.L.; Buonassisi, T.; Bulović, V. Pathways for solar photovoltaics. Energy Environ. Sci. 2015, 8, 1200–1219. [Google Scholar] [CrossRef]
- Lee, C.Y.; Chou, P.C.; Chiang, C.M.; Lin, C.F. Sun tracking systems: A review. Sensors 2009, 9, 3875–3890. [Google Scholar] [CrossRef] [PubMed]
- Racharla, S.; Rajan, K. Solar tracking system—A review. Int. J. Sustain. Eng. 2017, 10, 72–81. [Google Scholar] [CrossRef]
- Ponce-Jara, M.A.; Velásquez-Figueroa, C.; Reyes-Mero, M.; Rus-Casas, C. Performance Comparison between Fixed and Dual-Axis Sun-Tracking Photovoltaic Panels with an IoT Monitoring System in the Coastal Region of Ecuador. Sustainability 2022, 14, 1696. [Google Scholar] [CrossRef]
- Sharma, P.; Malhotra, N. Solar Tracking System Using Microcontroller. In Proceedings of the 2014 1st International Conference on Non Conventional Energy (ICONCE 2014), Kalyani, India, 16–17 January 2014; pp. 77–79. [Google Scholar] [CrossRef]
- GAISMA. Sun Path Diagram—Manta, Ecuador. Available online: https://www.gaisma.com/en/location/manta.html (accessed on 5 October 2021).
- Ordonez, F.; Morales, C.; Lopez-Villada, J.; Vaca, S. Assessment of the energy gain of photovoltaic systems by using solar tracking in equatorial regions. J. Sol. Energy Eng. Trans. ASME 2018, 140, 031003. [Google Scholar] [CrossRef]
- Abdelaal, A.K.; Alhamahmy, A.I.A.; Attia, H.E.D.; El-Fergany, A.A. Maximizing solar radiations of PV panels using artificial gorilla troops reinforced by experimental investigations. Sci. Rep. 2024, 14, 3562. [Google Scholar] [CrossRef] [PubMed]
- Periola, A.A.; Alonge, A.A.; Ogudo, K.A. Cloud Resolution and Solar Location Diversity. In Proceedings of the 2024 32nd Southern African Universities Power Engineering Conference (SAUPEC), Stellenbosch, South Africa, 24–25 January 2024; pp. 1–6. [Google Scholar] [CrossRef]
- Alblawi, A.; Talaat, M. Experimental and Simulation Study Investigating the Effect of a Transparent Pyramidal Cover on PV Cell Performance. Sustainability 2022, 14, 2599. [Google Scholar] [CrossRef]
- Rus-Casas, C.; Aguilar, J.D.; Rodrigo, P.; Almonacid, F.; Pérez-Higueras, P.J. Classification of methods for annual energy harvesting calculations of photovoltaic generators. Energy Convers. Manag. 2014, 78, 527–536. [Google Scholar] [CrossRef]
- AL-Rousan, N.; Isa, N.A.M.; Desa, M.K.M. Advances in Solar Photovoltaic Tracking Systems: A Review. Renew. Sustain. Energy Rev. 2018, 82, 2548–2569. [Google Scholar] [CrossRef]
- Seme, S.; Štumberger, B.; Hadžiselimović, M.; Sredenšek, K. Solar photovoltaic tracking systems for electricity generation: A review. Energies 2020, 13, 4224. [Google Scholar] [CrossRef]
- Seme, S.; Sredenšek, K.; Štumberger, B.; Hadžiselimović, M. Analysis of the performance of photovoltaic systems in Slovenia. Sol. Energy 2019, 180, 550–558. [Google Scholar] [CrossRef]
- Awasthi, A.; Shukla, A.K.; Murali Manohar, S.R.; Dondariya, C.; Shukla, K.N.; Porwal, D.; Richhariya, G. Review on sun Tracking Technology in Solar PV System. Energy Rep. 2020, 6, 392–405. [Google Scholar] [CrossRef]
- Gönül, Ö.; Yazar, F.; Duman, A.C.; Güler, Ö. A comparative techno-economic assessment of manually adjustable tilt mechanisms and automatic solar trackers for behind-the-meter PV applications. Renew. Sustain. Energy Rev. 2022, 168, 112770. [Google Scholar] [CrossRef]
- Hammad, B.; Al-Sardeah, A.; Al-Abed, M.; Nijmeh, S.; Al-Ghandoor, A. Performance and economic comparison of fixed and tracking photovoltaic systems in Jordan. Renew. Sustain. Energy Rev. 2017, 80, 827–839. [Google Scholar] [CrossRef]
- Okoye, C.O.; Bahrami, A.; Atikol, U. Evaluating the solar resource potential on different tracking surfaces in Nigeria. Renew. Sustain. Energy Rev. 2018, 81, 1569–1581. [Google Scholar] [CrossRef]
- Praliyev, N.; Zhunis, K.; Kalel, Y.; Dikhanbayeva, D.; Rojas-Solórzano, L. Impact of One- and Two-axis Solar Tracking on Techno-Economic Viability of On-Grid PV Systems: Case of Burnoye-1, Kazakhstan. Int. J. Sustain. Energy Plan. Manag. 2020, 29, 79–90. [Google Scholar]
- Zaghba, L.; Benbitour, M.K.; Fezzani, A.; Borni, A. Simulation and experimental study of grid-connected photovoltaic power plants in a hot desert climate with fixed and dual-axis tracking. Smart Sci. 2024, 1–16. [Google Scholar] [CrossRef]
- Safan, Y.M.; Shaaban, S.; El-Sebah, M.I.A. Performance evaluation of a multi-degree of freedom hybrid controlled dual axis solar tracking system. Sol. Energy 2018, 170, 576–585. [Google Scholar] [CrossRef]
- Ismail, M.A.; Ramanathan, K.A.; Idris, M.H.; Ananda-Rao, K.; Mazlan, M.; Fairuz, N. Improving the performance of solar panels by the used of dual axis solar tracking system with mirror reflection. J. Phys. Conf. Ser. 2020, 1432, 012060. [Google Scholar] [CrossRef]
- Yadav, M.N.; Bhatia, S.; Tyagi, M.; Kumar, R.; Kumar, A. Dual Axis Solar Panel Weather Monitoring System. Int. J. Res. Appl. Sci. Eng. Technol. 2022, 10, 1397–1402. [Google Scholar] [CrossRef]
- Vaca-Jiménez, S.; Morales, C.; Ordóñez, F. Improvements of photovoltaic systems by using solar tracking in equatorial regions. In Proceedings of the 33rd European Photovoltaic Solar Energy Conference and Exhibition, EUPVSEC, Amsterdam, The Netherlands, 25–29 September 2017; pp. 2352–2357. [Google Scholar] [CrossRef]
- Ponce-Jara, M.; Talavera, A.; Velásquez, C.; Peralta, D.T. Prediction of Solar Radiation Using Neural Networks Forecasting. In Information Management and Big Data, Proceedings of the SIMBig 2020, Lima, Peru, 1–3 October 2020; Lossio-Ventura, J.A., Valverde-Rebaza, J.C., Díaz, E., Alatrista-Salas, H., Eds.; Communications in Computer and Information Science; Springer: Cham, Switzerland, 2020; Volume 1410. [Google Scholar] [CrossRef]
- PROSTAR. PMS120W Energía del sol Placas Solares 120w 12v Monocristalino. Available online: https://mega.nz/file/2mwgmCTR#W11FkXOMfkyDdkOpesGl6b7FD2o8dq-6AFKB_Jd6FEc (accessed on 7 October 2021).
- NEMA. Stepper Motor Nema 23. Available online: https://components101.com/sites/default/files/component_datasheet/NEMA23 Stepper Motor.pdf (accessed on 7 October 2021).
- SOROTEC. Stepper Motor Driver TB6600. Available online: https://components101.com/sites/default/files/component_datasheet/TB6600-Datasheet.pdf (accessed on 7 October 2021).
- HelioEsfera. Coordenadas y Carta Solar. Available online: https://www.helioesfera.com/coordenadas-y-carta-solar/ (accessed on 16 November 2023).
- SunEarthTols. Sun Position. Available online: https://www.sunearthtools.com/dp/tools/pos_sun.php?lang=es#txtEarth_2 (accessed on 16 November 2023).
- Almonacid, F.; Rus, C.; Pérez-Higueras, P.; Hontoria, L. Calculation of the energy provided by a PV generator. Comparative study: Conventional methods vs. artificial neural networks. Energy 2011, 36, 375–384. [Google Scholar] [CrossRef]
- Araujo, G.L.; Sánchez, E. Analytical expressions for the determination of the maximum power point and the fill factor of a solar cell. Sol. Cells 1982, 5, 377–386. [Google Scholar] [CrossRef]
- Altronics Voltage Sensor for Arduino FZ0430. Available online: https://altronics.cl/sensor-voltaje-fz0430 (accessed on 9 October 2021).
- Allegro. ACS712 Current Sensor. Available online: https://pdf1.alldatasheet.com/datasheet-pdf/view/168326/ALLEGRO/ACS712.html (accessed on 9 October 2021).
- Adeeb, J.; Farhan, A.; Al-Salaymeh, A. Temperature effect on performance of different solar cell technologies. J. Ecol. Eng. 2019, 20, 249–254. [Google Scholar] [CrossRef] [PubMed]
- Kandeal, A.; Thakur, A.K.; Elkadeem, M.; Elmorshedy, M.F.; Ullah, Z.; Sathyamurthy, R.; Sharshir, S.W. Photovoltaics Performance Improvement Using Different Cooling Methodologies: A State-of-Art Review; Elsevier Ltd.: Amsterdam, The Netherlands, 2020. [Google Scholar] [CrossRef]
















| Methodology | Study | Key Findings | Location |
|---|---|---|---|
| Simulated | [30] | 30.4–34.6% efficiency improvement in the dual-axis tracking PV system compared to simulations on a fixed PV system. | Turkey |
| [31] | 31.29% efficiency improvement in the dual-axis tracking PV system compared to simulations on a fixed PV system. | Jordan | |
| [32] | 1.86–31.52% efficiency improvement in the two-axis tracking PV system compared to simulations on an optimally tilted PV system | Nigeria | |
| [10,21] | 27.3–30% and 31.2–34.32% efficiency improvement in the single-axis and dual-axis tracking PV system, respectively, compared to simulations on a fixed PV system | Ecuador | |
| [33] | 28.91% and 33.11% efficiency improvement in the single-axis and dual-axis tracking PV system, respectively, compared to simulations on a fixed PV system | Kazakhstan | |
| [34] | 9.16–34.6% efficiency improvement in the dual-axis tracking PV system compared to simulations on a fixed PV system. | Malaysia | |
| Experimental Prototype | [1] | The performance of advanced dual-axis solar trackers is 41% superior to that of traditional two-axis trackers. | Almaty—Kazakhstan |
| [10] | 11% range on cloudy days vs. fixed 20% on sunny days based on photovoltaic cell material. | Brazil | |
| [18] | 19.62% comparison fixed between fixed and dual-axis sun tracking | Ecuador | |
| [19] | Controlled by a microcontroller and LDR, is 13% more efficient than fixed panels. | India | |
| [35] | Comparison: the hybrid-controlled dual-axis solar tracking system is 23.3% more efficient than fixed solar systems. | Egypt | |
| [36] | A dual-axis solar tracking system with mirror reflection boosts performance by 108.36% compared to stationary panels. | Malaysia | |
| [37] | 25% improvement with respect to the single-axis of 40% in comparison to fixed solar panels | India |
| Time of the Day | Summer Solstice | Winter Solstice | Spring Equinox | Autumn Equinox | Average Angle |
|---|---|---|---|---|---|
| 6:00 | −4.4° | −6.1° | −3.8° | −7.7° | −5.5° |
| 7:00 | 9.5° | 7.8° | 11.2° | 7.5° | 9.0° |
| 8:00 | 23.1° | 21.4° | 26.2° | 22.4° | 23.3° |
| 9:00 | 36.5° | 34.7° | 41.2° | 37.4° | 37.5° |
| 10:00 | 49.1° | 47.2° | 56.2° | 52.4° | 51.2° |
| 11:00 | 60.2° | 58.1° | 71.2° | 67.4° | 64.2° |
| 12:00 | 67° | 64.9° | 86.1° | 82.4° | 75.1° |
| 13:00 | 65.6° | 64.1° | 78.8° | 82.5° | 72.8° |
| 14:00 | 57.1° | 56.4° | 63.8° | 67.4° | 61.2° |
| 15:00 | 45.4° | 45.1° | 48.8° | 52.6° | 48.0° |
| 16:00 | 32.5° | 32.4° | 33.8° | 37.6° | 34.1° |
| 17:00 | 19° | 19° | 18.8° | 22.6° | 19.9° |
| 18:00 | 5.4° | 5.4° | 4° | 7.7° | 5.6° |
| S-A_TPV1 * | S-A_TPV2 ** | S PV *** | S PV vs. S-A_TPV1 | S PV vs. S-A_TPV2 | |||||||
|---|---|---|---|---|---|---|---|---|---|---|---|
| Day | Energy (Wh) | Temp (°C) | Energy (Wh) | Temp (°C) | Energy (Wh) | Temp (°C) | Gain1 (%) | Gain2 (%) | Radiation Wh/m2 | Classification | |
| 1 | 463.5 | 29.9 | 491.5 | 31.2 | 373.6 | 29.5 | 24.1 | 31.6 | 3462.6 | Medium radiation | |
| 2 | 573.2 | 29.4 | 592.1 | 30.9 | 421.3 | 30.0 | 36.1 | 40,6 | 3378.6 | Medium radiation | |
| 3 | 173.0 | 24.3 | 182.4 | 24.4 | 172.7 | 23.3 | 0.2 | 5.7 | 1182.2 | Low radiation | |
| 4 | 628.1 | 30.1 | 649.7 | 30.8 | 524.0 | 28.5 | 19.9 | 24.0 | 2729.0 | Medium radiation | |
| 5 | 283.3 | 28.7 | 292.4 | 28.5 | 239.9 | 27.9 | 18.1 | 21.9 | 2040.8 | Low radiation | |
| 6 | 487.4 | 32.7 | 516.2 | 37.8 | 347.4 | 26.7 | 40.3 | 48.6 | 3054.1 | Medium radiation | |
| 7 | 434.6 | 30.3 | 455.8 | 32.5 | 353.7 | 27.1 | 22.9 | 28.9 | 2756.0 | Medium radiation | |
| 8 | 451.0 | 30.8 | 480.6 | 31.5 | 382.3 | 29.1 | 18.2 | 25.7 | 2625.3 | Medium radiation | |
| 9 | 334.6 | 28.6 | 350.4 | 29.0 | 284.0 | 27.3 | 17.8 | 23.4 | 2634.0 | Medium radiation | |
| 10 | 370.6 | 29.1 | 393.2 | 29.9 | 298.8 | 27.4 | 24.0 | 31.6 | 2798.7 | Medium radiation | |
| 11 | 641.7 | 31.2 | 667.8 | 32.2 | 494.1 | 29.2 | 29.9 | 35.2 | 5074.6 | High radiation | |
| 12 | 875.0 | 32.7 | 901.7 | 34.1 | 620.8 | 30.3 | 41.0 | 45.3 | 2967.3 | Medium radiation | |
| 13 | 474.7 | 29.5 | 495.4 | 30.3 | 391.9 | 27.6 | 21.1 | 26.4 | 3242.4 | Medium radiation | |
| 14 | 686.4 | 32.3 | 711.0 | 33.2 | 500.6 | 30.3 | 37.1 | 42.0 | 4407.7 | High radiation | |
| 15 | 672.4 | 32.0 | 708.8 | 33.4 | 499.7 | 29.7 | 34.6 | 41.8 | 3252.4 | Medium radiation | |
| 16 | 430.34 | 30.0 | 440.4 | 30.9 | 358.0 | 28.1 | 20.2 | 23.0 | 3252.4 | Medium radiation | |
| 17 | 106.8 | 32.1 | 1082.8 | 32.7 | 703.7 | 30.4 | 51.2 | 53. 9 | 4919.8 | High radiation | |
| 18 | 471.4 | 29.3 | 488.8 | 31.2 | 294.0 | 26.3 | 60.4 | 66.3 | 2625.3 | Medium radiation | |
| 19 | 401.8 | 30.6 | 421.5 | 32.9 | 313.7 | 27.2 | 28.1 | 34.4 | 3990.9 | Medium radiation | |
| 20 | 611.1 | 31.3 | 638.4 | 32.3 | 464.1 | 29.2 | 31.7 | 37.6 | 2040.8 | Low radiation | |
| 21 | 407.1 | 29.9 | 428.9 | 30.1 | 340.0 | 27.8 | 19.7 | 26.2 | 5374.8 | High radiation | |
| 22 | 807.5 | 32.1 | 834.2 | 33.1 | 568.0 | 30.1 | 42.2 | 46.9 | 6055.9 | High radiation | |
| 23 | 308.3 | 27.7 | 328.0 | 28.6 | 258.5 | 25.8 | 19.3 | 26.9 | 4676.4 | High radiation | |
| 24 | 352.2 | 28.7 | 375.4 | 29.5 | 315.5 | 26.9 | 11.8 | 19.0 | 3120.0 | Medium radiation | |
| 25 | 1062.6 | 33.1 | 1077.4 | 34.6 | 694.0 | 30.6 | 53.1 | 55.3 | 6055.9 | High radiation | |
| 26 | 1100.7 | 32.8 | 1116.1 | 34.5 | 694.2 | 30.2 | 58.6 | 60.8 | 5502.0 | High radiation | |
| 27 | 1016.1 | 32.8 | 1029.9 | 33.4 | 695.2 | 31.2 | 46.2 | 48.1 | 5115.2 | High radiation | |
| 28 | 819.3 | 30.9 | 849.6 | 31.6 | 627.4 | 29.1 | 30.6 | 35.4 | 4048.6 | Medium radiation | |
| 29 | 843.6 | 32.9 | 857.4 | 34.0 | 532.7 | 30.8 | 58.4 | 61.0 | 4393.9 | High radiation | |
| 30 | 980.0 | 32.3 | 999.6 | 32.9 | 700.1 | 30.7 | 40.0 | 42.8 | 5077.2 | High radiation | |
| Average | 607.2 | 30.6 | 628.6 | 31.8 | 448.8 | 28.6 | 31.9 | 37.0 | - | ||
| Name | Consumption (W) | Usage Time (h) | Energy (Wh) |
|---|---|---|---|
| Arduino Mega + RTC | 1.2 | 24 | 28.8 |
| LDR sensor | 0.1 | 12 | 1.2 |
| S-A_TPV1: Stepper motor + TB6600 Controller | 0.3 | 12 | 3.4 |
| S-A_TPV2: Stepper motor + TB6600 Controller | 2.4 | 12 | 33.2 |
| Name | Gain (%) | Energy Losses (Wh) | Losses (%) | Total Gain (%) |
|---|---|---|---|---|
| Energy S-A_TPV1 | 31.9 | 32.2 | 6.5 | 25.4 |
| Energy S-A_TPV2 | 37.0 | 63.2 | 12.8 | 24.2 |
| Aspect | Simulated Single-Axis System [10,21] | Single-Axis System (LDR-Based) | Single-Axis System (Astronomical Programming) |
|---|---|---|---|
| Location | Quito, Ecuador | Manta, Ecuador | Manta, Ecuador |
| Tracking System Type | Single-axis | Single-axis | Single-axis |
| Monitoring System | Simulated | Real-time IoT-based | Real-time IoT-based |
| Tracking Mechanism | Astronomical solar tracking algorithm | Mechanical and electronic closed loop based on LDRs | Mechanical and electronic open loop based on astronomical programming |
| Energy Efficiency Enhancement | Average: 27.3–30% | Average: 37.0% | Average: 31.9% |
| Energy Consumption | N/A | 63.18 Wh | 32.16 Wh |
| Complexity | Lower | Lower | Lower |
| Weather Condition Sensitivity | N/A | Stable operation, less affected by weather conditions | Stable operation, less affected by weather conditions |
| Potential for Further Improvement | N/A | Moderate | Significant |
| Applicability in Equatorial Regions | Highly suitable, notable efficiency gains | Highly suitable, notable efficiency gains | Highly suitable, notable efficiency gains |
| Overall Performance | Good | Good, with the potential for further enhancements | Excellent, with potential for further enhancements |
Disclaimer/Publisher’s Note: The statements, opinions and data contained in all publications are solely those of the individual author(s) and contributor(s) and not of MDPI and/or the editor(s). MDPI and/or the editor(s) disclaim responsibility for any injury to people or property resulting from any ideas, methods, instructions or products referred to in the content. |
© 2024 by the authors. Licensee MDPI, Basel, Switzerland. This article is an open access article distributed under the terms and conditions of the Creative Commons Attribution (CC BY) license (https://creativecommons.org/licenses/by/4.0/).
Share and Cite
Ponce-Jara, M.A.; Pazmino, I.; Moreira-Espinoza, Á.; Gunsha-Morales, A.; Rus-Casas, C. Assessment of Single-Axis Solar Tracking System Efficiency in Equatorial Regions: A Case Study of Manta, Ecuador. Energies 2024, 17, 3946. https://doi.org/10.3390/en17163946
Ponce-Jara MA, Pazmino I, Moreira-Espinoza Á, Gunsha-Morales A, Rus-Casas C. Assessment of Single-Axis Solar Tracking System Efficiency in Equatorial Regions: A Case Study of Manta, Ecuador. Energies. 2024; 17(16):3946. https://doi.org/10.3390/en17163946
Chicago/Turabian StylePonce-Jara, Marcos A., Ivan Pazmino, Ángelo Moreira-Espinoza, Alfonso Gunsha-Morales, and Catalina Rus-Casas. 2024. "Assessment of Single-Axis Solar Tracking System Efficiency in Equatorial Regions: A Case Study of Manta, Ecuador" Energies 17, no. 16: 3946. https://doi.org/10.3390/en17163946
APA StylePonce-Jara, M. A., Pazmino, I., Moreira-Espinoza, Á., Gunsha-Morales, A., & Rus-Casas, C. (2024). Assessment of Single-Axis Solar Tracking System Efficiency in Equatorial Regions: A Case Study of Manta, Ecuador. Energies, 17(16), 3946. https://doi.org/10.3390/en17163946

