Model Predictive Control of a Modular Multilevel Converter with Reduced Computational Burden †
Abstract
1. Introduction
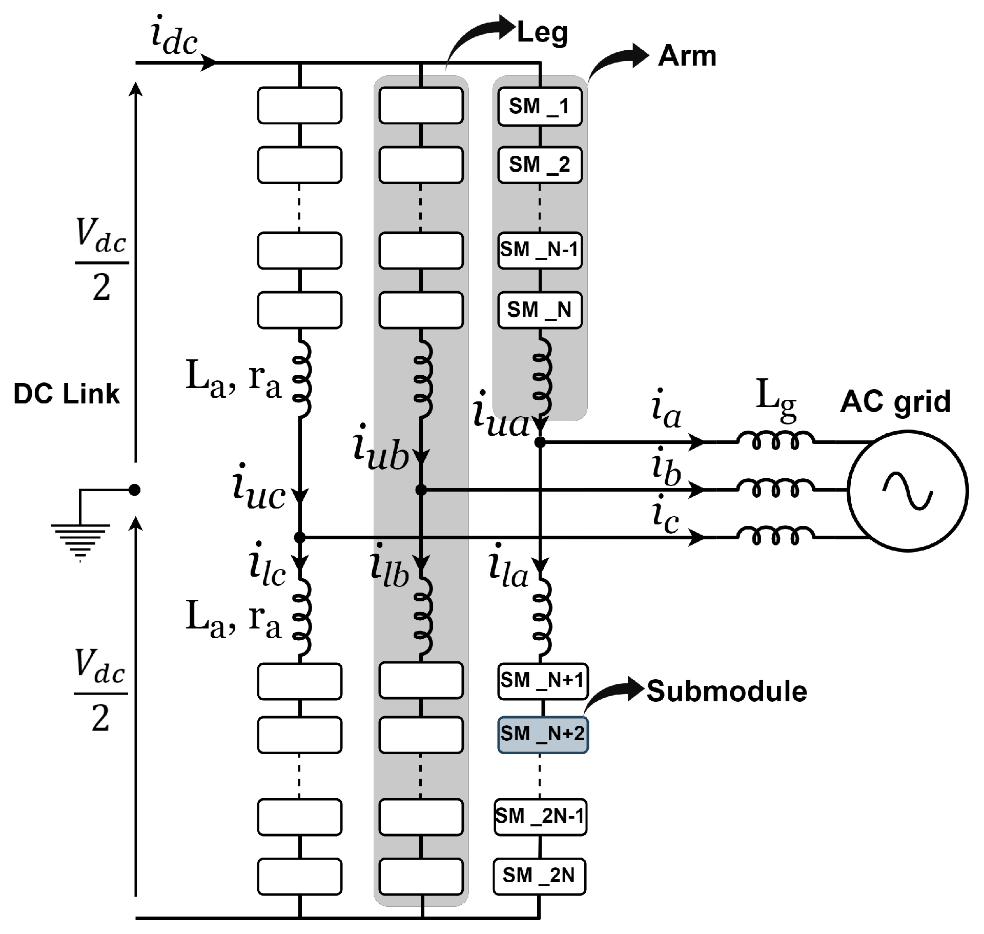
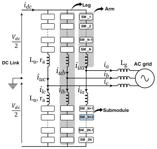
2. Modelling of MMC
3. Conventional MPC
- Extrapolation of reference currents from the to the sampling instant;
- Predictive model to calculate future control objectives across all feasible switching states;
- Cost function to evaluate predictions and select optimal gating signals.
4. Proposed Folding MPC
5. HIL Setup
6. Simulation Results
6.1. Steady-State Response
6.2. Dynamic Response
6.3. Harmonic Content in AC Grid
7. HIL Results
7.1. Steady-State Performance
7.2. Dynamic Response
7.3. Harmonics Content in the AC Grid
8. Conclusions
Author Contributions
Funding
Data Availability Statement
Conflicts of Interest
Abbreviations
| MPC | Model Predictive Control |
| MMC | Modular Multilevel Converter |
| FMPC | Folding Model Predictive Control |
| AC | Alternative Current |
| DC | Direct Current |
| HIL | Hardware-in-the-Loop |
| THD | Total Harmonics Distortion |
| SM(s) | Submodule(s) |
| HVDC | High-Voltage Direct Current |
| PWM | Pulse-Width Modulation |
| CCS-MPC | Continuous Control Set MPC |
| FCS-MPC | Finite Control Set MPC |
| PS-MPC | Sequential Phase-Shift Model Predictive Control |
| PS-PWM | Phase-Shift Pulse-Width Modulation |
| CMPCC | Compensatory Model Predictive Current Control |
| FFS-MPC | Fast Finite Level State MPC |
| MF-AC | Model-Free Adaptive Control |
| DD-PCC | Data-Driven-Based Predictive Current Control |
| FCS-MPC | Finite Control Set Model Predictive Control |
| CCS | Code Composer Studio |
| TI | Texas Instrument |
| MCU | Microcontroller |
References
- Poblete, P.; Neira, S.; Aguilera, R.P.; Pereda, J.; Pou, J. Sequential Phase-Shifted Model Predictive Control for Modular Multilevel Converters. IEEE Trans. Energy Convers. 2021, 36, 2691–2702. [Google Scholar] [CrossRef]
- Gong, Z.; Dai, P.; Yuan, X.; Wu, X.; Guo, G. Design and Experimental Evaluation of Fast Model Predictive Control for Modular Multilevel Converters. IEEE Trans. Ind. Electron. 2016, 63, 3845–3856. [Google Scholar] [CrossRef]
- Wang, Y.; Cong, W.; Li, M.; Li, N.; Cao, M.; Lei, W. Model predictive control of modular multilevel converter with reduced computational load. In Proceedings of the 2014 IEEE Applied Power Electronics Conference and Exposition—APEC 2014, Fort Worth, TX, USA, 16–20 March 2014; pp. 1776–1779. [Google Scholar] [CrossRef]
- Wang, J.; Tang, Y.; Lin, P.; Liu, X.; Pou, J. Deadbeat Predictive Current Control for Modular Multilevel Converters with Enhanced Steady-State Performance and Stability. IEEE Trans. Power Electron. 2020, 35, 6878–6894. [Google Scholar] [CrossRef]
- Dekka, A.; Wu, B.; Yaramasu, V.; Fuentes, R.L.; Zargari, N.R. Model Predictive Control of High-Power Modular Multilevel Converters—An Overview. IEEE J. Emerg. Sel. Top. Power Electron. 2019, 7, 168–183. [Google Scholar] [CrossRef]
- Böcker, J.; Freudenberg, B.; The, A.; Dieckerhoff, S. Experimental Comparison of Model Predictive Control and Cascaded Control of the Modular Multilevel Converter. IEEE Trans. Power Electron. 2015, 30, 422–430. [Google Scholar] [CrossRef]
- Nguyen, M.H.; Kwak, S. Simplified Indirect Model Predictive Control Method for a Modular Multilevel Converter. IEEE Access 2018, 6, 62405–62418. [Google Scholar] [CrossRef]
- Gutierrez, B.; Kwak, S.-S. Modular Multilevel Converters (MMCs) Controlled by Model Predictive Control with Reduced Calculation Burden. IEEE Trans. Power Electron. 2018, 33, 9176–9187. [Google Scholar] [CrossRef]
- Vatani, M.; Bahrani, B.; Saeedifard, M.; Hovd, M. Indirect Finite Control Set Model Predictive Control of Modular Multilevel Converters. IEEE Trans. Smart Grid 2015, 6, 1520–1529. [Google Scholar] [CrossRef]
- Wang, J.; Liu, X.; Xiao, Q.; Zhou, D.; Qiu, H.; Tang, Y. Modulated Model Predictive Control for Modular Multilevel Converters with Easy Implementation and Enhanced Steady-State Performance. IEEE Trans. Power Electron. 2020, 35, 9107–9118. [Google Scholar] [CrossRef]
- Zhang, F.; Li, W.; Joós, G. A Voltage-Level-Based Model Predictive Control of Modular Multilevel Converter. IEEE Trans. Ind. Electron. 2016, 63, 5301–5312. [Google Scholar] [CrossRef]
- Gong, Z.; Wu, X.; Dai, P.; Zhu, R. Modulated Model Predictive Control for MMC-Based Active Front-End Rectifiers Under Unbalanced Grid Conditions. IEEE Trans. Ind. Electron. 2019, 66, 2398–2409. [Google Scholar] [CrossRef]
- Zhou, D.; Yang, S.; Tang, Y. Model-Predictive Current Control of Modular Multilevel Converters with Phase-Shifted Pulsewidth Modulation. IEEE Trans. Ind. Electron. 2019, 66, 4368–4378. [Google Scholar] [CrossRef]
- Gao, X.; Pang, Y.; Xia, J.; Chai, N.; Tian, W.; Rodriguez, J.; Kennel, R. Modulated Model Predictive Control of Modular Multilevel Converters Operating in a Wide Frequency Range. IEEE Trans. Ind. Electron. 2023, 70, 4380–4391. [Google Scholar] [CrossRef]
- Wang, Z.; Yin, X.; Chen, Y. Model Predictive Arm Current Control for Modular Multilevel Converter. IEEE Access 2021, 9, 54700–54709. [Google Scholar] [CrossRef]
- Martin, S.P.; Li, H.; Anubi, O.M. Modulated MPC for Arm Inductor-Less MVDC MMC with Reduced Computational Burden. IEEE Trans. Energy Convers. 2021, 36, 1776–1786. [Google Scholar] [CrossRef]
- Martin, S.P.; Dong, X.; Li, H. Model Development and Predictive Control of a Low-Inertia DC Solid-State Transformer (SST). IEEE J. Emerg. Sel. Top. Power Electron. 2022, 10, 6482–6494. [Google Scholar] [CrossRef]
- Arias-Esquivel, Y.; Cárdenas, R.; Urrutia, M.; Diaz, M.; Tarisciotti, L.; Clare, J.C. Continuous Control Set Model Predictive Control of a Modular Multilevel Converter for Drive Applications. IEEE Trans. Ind. Electron. 2023, 70, 8723–8733. [Google Scholar] [CrossRef]
- Guo, P.; Xu, Q.; Yue, Y.; He, Z.; Xiao, M.; Ouyang, H.; Guerrero, J.M. Hybrid Model Predictive Control for Modified Modular Multilevel Switch-Mode Power Amplifier. IEEE Trans. Power Electron. 2021, 36, 5302–5322. [Google Scholar] [CrossRef]
- Yin, J.; Leon, J.I.; Perez, M.A.; Franquelo, L.G.; Marquez, A.; Vazquez, S. Model Predictive Control of Modular Multilevel Converters Using Quadratic Programming. IEEE Trans. Power Electron. 2021, 36, 7012–7025. [Google Scholar] [CrossRef]
- Chai, N.; Tian, W.; Gao, X.; Rodríguez, J.; Heldwein, M.L.; Kennel, R. Three-Phase Model-Based Predictive Control Methods with Reduced Calculation Burden for Modular Multilevel Converters. IEEE J. Emerg. Sel. Top. Power Electron. 2022, 10, 7037–7048. [Google Scholar] [CrossRef]
- Zhang, W.; Tan, G.; Zhang, X.; Wang, Q.; Zhang, J. Optimal Switching Sequence Model Predictive Control for Modular Multilevel Converter. IEEE Trans. Ind. Electron. 2023, 70, 5474–5483. [Google Scholar] [CrossRef]
- Liu, P.; Wang, Y.; Cong, W.; Lei, W. Grouping-sorting-optimized model predictive control for modular multilevel converter with reduced computational load. IEEE Trans. Power Electron. 2016, 31, 1896–1907. [Google Scholar] [CrossRef]
- Guo, P.; He, Z.; Yue, Y.; Xu, Q.; Huang, X.; Chen, Y.; Luo, A. A novel two-stage model predictive control for modular multilevel converter with reduced computation. IEEE Trans. Ind. Electron. 2019, 66, 2410–2422. [Google Scholar] [CrossRef]
- Ma, W.; Gong, D.; Guan, Z.; Li, W.; Meng, F.; Liu, X.; Wang, Y. Compensatory Model Predictive Current Control for Modular Multilevel Converter with Reduced Computational Complexity. IEEE Access 2022, 10, 106859–106872. [Google Scholar] [CrossRef]
- Liu, X.; Qiu, L.; Ma, J.; Fang, Y.; Wu, W.; Peng, Z.; Wang, D. A Fast Finite-Level-State Model Predictive Control Strategy for Sensorless Modular Multilevel Converter. IEEE J. Emerg. Sel. Top. Power Electron. 2021, 9, 3570–3581. [Google Scholar] [CrossRef]
- Wu, W.; Qiu, L.; Rodriguez, J.; Liu, X.; Ma, J.; Fang, Y. Data-Driven Finite Control-Set Model Predictive Control for Modular Multilevel Converter. IEEE J. Emerg. Sel. Top. Power Electron. 2023, 11, 523–531. [Google Scholar] [CrossRef]
- Liu, X.; Qiu, L.; Wu, W.; Ma, J.; Fang, Y.; Peng, Z.; Wang, D. Neural Predictor-Based Low Switching Frequency FCS-MPC for MMC with Online Weighting Factors Tuning. IEEE Trans. Power Electron. 2022, 37, 4065–4079. [Google Scholar] [CrossRef]
- Wang, S.; Dragicevic, T.; Gao, Y.; Teodorescu, R. Neural Network Based Model Predictive Controllers for Modular Multilevel Converters. IEEE Trans. Energy Convers. 2021, 36, 1562–1571. [Google Scholar] [CrossRef]
- Liu, X.; Qiu, L.; Wu, W.; Ma, J.; Fang, Y.; Peng, Z.; Wang, D. Event-Triggered Neural-Predictor-Based FCS-MPC for MMC. IEEE Trans. Ind. Electron. 2022, 69, 6433–6440. [Google Scholar] [CrossRef]
- Lesnicar, A.; Marquardt, R.; Lesnicar, A.; Marquardt, R. A New Modular Voltage Source Inverter Topology an Innovative Modular Multilevel Converter Topology Suitable for a Wide Power Range. 2003. Available online: https://www.researchgate.net/publication/205337714 (accessed on 5 April 2022).
- Imdadullah; Alamri, B.; Hossain, M.A.; Asghar, M.S.J. Electric Power Network Interconnection: A Review on Current Status, Future Prospects and Research Direction. Electronics 2021, 10, 2179. [Google Scholar] [CrossRef]
- HVDC Centre. HVDC Technology Capability (Version B). 2022. Available online: https://www.hvdccentre.com/wp-content/uploads/2022/04/SR-NET-HVDC-001-HVDC-Technology-Capability-vB.pdf (accessed on 5 May 2024).
- Siemens Energy Global GmbH & Co. KG. HVDC PLUS—The Decisive Step Ahead; References Erlangen, Germany. 2021. Available online: https://www.siemens-energy.com/global/en/home/products-services/product/hvdc-plus.html#Downloads-tab-3 (accessed on 5 March 2024).
- Pipelzadeh, Y.; Chaudhuri, B.; Green, T.; Wu, Y.; Pang, H.; Cao, J. Modelling and Dynamic Operation of the Zhoushan DC Grid: Worlds First Five-Terminal VSC-HVDC Project. In Proceedings of the International High Voltage Direct Current 2015 Conference, Seoul, Republic of Korea, 18–22 October 2015. [Google Scholar] [CrossRef]
- Rao, H. Architecture of Nan’ao multi-terminal VSC-HVDC system and its multi-functional control. CSEE J. Power Energy Syst. 2015, 1, 9–18. [Google Scholar] [CrossRef]
- Li, C.; Hu, X.; Guo, J.; Liang, J. The DC grid reliability and cost evaluation with Zhoushan five-terminal HVDC case study. In Proceedings of the 2015 50th International Universities Power Engineering Conference (UPEC), Stoke on Trent, UK, 1–4 September 2015; pp. 1–6. [Google Scholar] [CrossRef]
- National Research & Exploration Consortium. World’s First 5-Terminal VSC-HVDC Links. Available online: https://www.nrec.com/en/web/upload/2019/05/13/15577104617777z7mzh.pdf (accessed on 6 May 2024).
- Francos, P.L.; Verdugo, S.S.; Álvarez, H.F.; Guyomarch, S.; Loncle, J. INELFE—Europe’s first integrated onshore HVDC interconnection. In Proceedings of the 2012 IEEE Power and Energy Society General Meeting, San Diego, CA, USA, 22–26 July 2012; pp. 1–8. [Google Scholar] [CrossRef]
- Interconexion Electrica France España. Baixas—Santa Llogaia. INELFE. Available online: https://www.inelfe.eu/en/projects/baixas-santa-llogaia (accessed on 6 May 2024).
- Gu, X.; Liu, Y.; Xu, Y.; Yan, Y.; Cong, Y.; Xie, S.; Zhang, H. Development and qualification of the extruded cable system for Xiamen ±320 kV VSC-HVDC project. In Proceedings of the CIGRE, 08, Paris, France, 26–31 August 2018; pp. 1–10. [Google Scholar]
- Chandio, R.H.; Chachar, F.A.; Soomro, J.B.; Ansari, J.A.; Munir, H.M.; Zawbaa, H.M.; Kamel, S. Control and protection of MMC-based HVDC systems: A review. Energy Rep. 2023, 9, 1571–1588. [Google Scholar] [CrossRef]
- Tourgoutian, B.; Alefragkis, A. Design considerations for the COBRAcable HVDC interconnector. In Proceedings of the IET International Conference on Resilience of Transmission and Distribution Networks (RTDN 2017), Birmingham, UK, 26–28 September 2017; pp. 1–7. [Google Scholar] [CrossRef]
- Offshore Energy. Siemens Secures Order for COBRA HVDC Link. Available online: https://www.offshore-energy.biz/siemens-secures-order-for-cobra-hvdc-link/ (accessed on 6 May 2024).
- Ryndzionek, R.; Sienkiewicz, Ł. Evolution of the HVDC Link Connecting Offshore Wind Farms to Onshore Power Systems. Energies 2020, 13, 1914. [Google Scholar] [CrossRef]
- Planning and Implementation of an HVDC Link Embedded in a Low Fault Level AC System with High Penetration of Wind Generation. CIGRÈ Paris 2020. B4-16. Available online: https://api.semanticscholar.org/CorpusID:232374759 (accessed on 6 May 2024).
- Sennewald, T.; Linke, F.; Sass, F.; Westermann, D. Curative Actions by embedded bipolar HVDC-interconnections. In Proceedings of the International ETG-Congress 2019, ETG Symposium, Esslingen, Germany, 8–9 May 2019; pp. 1–6. [Google Scholar]
- NS Energy Business. Zhangbei VSC-HVDC Power Transmission Project. Available online: https://www.nsenergybusiness.com/projects/zhangbei-vsc-hvdc-power-transmission-project/# (accessed on 6 May 2024).
- Zhang, Y.; Wang, S.; Liu, T.; Zhang, S.; Lu, Q. A traveling wave-based protection scheme for the bipolar voltage source converter based high voltage direct current (VSC-HVDC) transmission lines in renewable energy integration. Energy 2021, 216, 119312. [Google Scholar] [CrossRef]
- NS Energy Business. North Sea Link Interconnector Project. Available online: https://www.nsenergybusiness.com/projects/north-sea-link-interconnector-project/# (accessed on 6 May 2024).
- Saeedifard, M.; Iravani, R. Dynamic performance of a modular multilevel back-to-back HVDC system. IEEE Trans. Power Deliv. 2010, 25, 2903–2912. [Google Scholar] [CrossRef]
- Isik, S.; Alharbi, M.; Bhattacharya, S. An Optimized Circulating Current Control Method Based on PR and PI Controller for MMC Applications. IEEE Trans. Ind. Appl. 2021, 57, 5074–5085. [Google Scholar] [CrossRef]
- Yaramasu, V.; Wu, B. Mapping of Continuous-Time Models. In Model Predictive Control of Wind Energy Conversion Systems; IEEE: Piscataway, NJ, USA, 2017; pp. 207–234. [Google Scholar] [CrossRef]
- Kadhum, H.T.; Alan, W.; Marco, R.; Pericle, Z.; Patrick, W. Model predictive control with reduced computational burden of modular multilevel converter. In Proceedings of the IET Conference Proceedings, Institution of Engineering and Technology, Brussels, Belgium, 23–24 October 2023; pp. 357–364. [Google Scholar] [CrossRef]




























| Project | Rated Power (MW) | Rated DC Voltage (±kV) | Distance (km) | Technique | Company | Authorising Year |
|---|---|---|---|---|---|---|
| Trans Bay Cable (USA) | 400 | 200 | 85 | 2 terminals | Siemens | 2010 [32,34] |
| Nanhui, China | 18 | 30 | 8.4 | 2 terminals | SGCC | 2011 [35] |
| Nan’ao, China | 200/100/50 | 160 | 41 | 2 terminals (in stage II it will be 4 terminals) | CSG | 2013 [36] |
| Zhoushan, China | 400/300/100/ 100/100 | 200 | 140 | 5 terminals | C-EPRI | 2014 [35,37,38] |
| INELFE between France and Spain | 2 × 1000 | 320 | 65 | This is Europe’s first DC onshore interconnection with the AC grid | Siemens | 2014 [39,40] |
| Xiamen, China | 1000 | 320 | 10.7 | 2 terminalsd | SGCC | 2015 [41] |
| Chongqing Hubei, China | 2500 | 420 | Back-to-Back | 2 terminals | C-EPRI | 2018 [42] |
| COBRA cable (Netherlands–Denmark) | 700 | 320 | 325 | 2 terminals | Siemens | 2019 [43,44] |
| Caithness–Moray Link (Scotland) | 1200/800/600/ in future 800 | 320 | 70 | 3 terminals | ABB | 2019 [45,46] |
| ULTRANET (Germany) | 2000 | 380 | 340 | 2 terminals | Siemens | 2019 [47] |
| Zhangbei, China | 3000/3000/ 1500/1500 | 500 | 638 | 4 terminals | SGCC | 2020 [42,48,49] |
| North Sea Link, UK between Norway and the United Kingdom (UK) | 1400 | 525 | 720 | 2 terminals | ABB | 2021 [42,50] |
| Upper arm | ||||||||||
| 2913.73 | 2916.23 | 2924.61 | 2915.87 | 2926.49 | 2928.71 | 2919.24 | 2912.19 | 2915.1 | 2850.73 | |
| Lower arm | ||||||||||
| 3226.52 | 3211.37 | 3211.67 | 3210 | 3202.99 | 3195.15 | 3176.05 | 3178.58 | 3168.67 | 3169.36 |
| Parameter | No. of Signals |
|---|---|
| Grid voltage | 3 |
| DC current | 1 |
| Upper arm current | 3 |
| Lower arm current | 3 |
| Capacitor voltages | 24 |
| Total analog signals | 34 |
| Parameters | Values |
|---|---|
| Nominal power | 22.5 MW |
| DC voltage | 30 kV |
| No. of SMs per arm | 10 |
| Peak value of AC current | 1000 A |
| Active power | 22.5 MW |
| 0.1 ms |
| Without Harmonics | 5th and 7th Harmonics | ||
|---|---|---|---|
| AC current THD% | Arm current THD% | AC current THD% | Arm current THD% |
| 1.01 | 3.26 | 2.2 | 4 |
| Parameters | Values |
|---|---|
| Nominal power | 22.5 MW |
| DC voltage | 30 kV |
| No. of SMs per arm | 4 |
| Peak value of AC current | 1000 A |
| Active power | 22.5 MW |
| 0.1 ms |
| Without Harmonics | 5th and 7th Harmonics | ||
|---|---|---|---|
| AC current THD% | Arm current THD% | AC current THD% | Arm current THD% |
| 2.6 | 5.6 | 3.2 | 7.5 |
Disclaimer/Publisher’s Note: The statements, opinions and data contained in all publications are solely those of the individual author(s) and contributor(s) and not of MDPI and/or the editor(s). MDPI and/or the editor(s) disclaim responsibility for any injury to people or property resulting from any ideas, methods, instructions or products referred to in the content. |
© 2024 by the authors. Licensee MDPI, Basel, Switzerland. This article is an open access article distributed under the terms and conditions of the Creative Commons Attribution (CC BY) license (https://creativecommons.org/licenses/by/4.0/).
Share and Cite
Kadhum, H.; Watson, A.J.; Rivera, M.; Zanchetta, P.; Wheeler, P. Model Predictive Control of a Modular Multilevel Converter with Reduced Computational Burden. Energies 2024, 17, 2519. https://doi.org/10.3390/en17112519
Kadhum H, Watson AJ, Rivera M, Zanchetta P, Wheeler P. Model Predictive Control of a Modular Multilevel Converter with Reduced Computational Burden. Energies. 2024; 17(11):2519. https://doi.org/10.3390/en17112519
Chicago/Turabian StyleKadhum, Hussein, Alan J. Watson, Marco Rivera, Pericle Zanchetta, and Patrick Wheeler. 2024. "Model Predictive Control of a Modular Multilevel Converter with Reduced Computational Burden" Energies 17, no. 11: 2519. https://doi.org/10.3390/en17112519
APA StyleKadhum, H., Watson, A. J., Rivera, M., Zanchetta, P., & Wheeler, P. (2024). Model Predictive Control of a Modular Multilevel Converter with Reduced Computational Burden. Energies, 17(11), 2519. https://doi.org/10.3390/en17112519

