Aspen Simulation Study of Dual-Fluidized Bed Biomass Gasification
Abstract
1. Introduction
2. Materials and Methods
2.1. Experimental Device
2.2. Physical Model
2.3. Aspen Plus Dual-Fluidized Bed Gasification Model
- (1)
- The tar components are complex and have a low target yield, so the influence of tar is ignored in the simulation;
- (2)
- All components of the biomass, except for char (fixed carbon and ash), are converted into gas;
- (3)
- Char consists only of fixed carbon and ash;
- (4)
- The ash is an inert component that does not participate in the reaction, and it is assumed that all the ash is contained in the char in the solid products [15];
- (5)
- The heat loss of the entire system is a fixed value independent of the amount of feedstock added;
- (6)
- The cycled ash entering the gasifier is defined as the tearing stream (Tear).
3. Results and Discussion
3.1. Comparison of Numerical Simulation and Experimental Data
3.2. Simulation Results and Analysis under Different Influencing Factors
3.2.1. The Impact of Biomass Feed Rate
3.2.2. The Impact of Circulating Bed Material Flow Rate
3.2.3. The Impact of Air-to-Fuel Equivalent Ratio (ER)
3.2.4. The Impact of Steam-to-Biomass Ratio (S/B)
3.2.5. The Impact of Adding a Catalyst
4. Conclusions
Author Contributions
Funding
Data Availability Statement
Acknowledgments
Conflicts of Interest
References
- Song, G.; Lv, Q.; Liu, Q. Experimental Research on Coal Gasification Characteristics in Single and Dual Circulating Fluidized Beds. Proc. CSEE 2009, 29, 24–29. [Google Scholar]
- Abuelgasim, S.; Wang, W.; Abdalazeez, A.A. brief review for chemical looping combustion as a promising CO2 capture technology: Fundamentals and progress. Sci. Total Environ. 2021, 764, 142892. [Google Scholar] [CrossRef] [PubMed]
- Alalwan, H.A.; Alminshid, A.H. CO2 capturing methods: Chemical looping combustion (CLC) as a promising technique. Sci. Total Environ. 2021, 788, 147850. [Google Scholar] [CrossRef] [PubMed]
- Nguyen, N.M.; Alobaid, F.; Dieringer, P. Biomass-based chemical looping gasification: Overview and recent developments. Appl. Sci. 2021, 11, 7069. [Google Scholar] [CrossRef]
- Lin, Y.; Wang, H.; Wang, Y. Review of biomass chemical looping gasification in China. Energy Fuels 2020, 34, 7847–7862. [Google Scholar] [CrossRef]
- Goel, A.; Moghaddam, E.M.; Liu, W. Biomass chemical looping gasification for high-quality syngas: A critical review and technological outlooks. Energy Convers. Manag. 2022, 268, 116020. [Google Scholar] [CrossRef]
- Samprón, I.; de Diego, L.F.; García-Labiano, F. Biomass Chemical Looping Gasification of pine wood using a synthetic Fe2O3/Al2O3 oxygen carrier in a continuous unit. Bioresour. Technol. 2020, 316, 123908. [Google Scholar] [CrossRef] [PubMed]
- Hu, Q.; Shen, Y.; Chew, J.W. Chemical looping gasification of biomass with Fe2O3/CaO as the oxygen carrier for hydrogen-enriched syngas production. Chem. Eng. J. 2020, 379, 122346. [Google Scholar] [CrossRef]
- Bassano, C.; Deiana, P.; Pacetti, L. Integration of SNG plants with carbon capture and storage technologies modeling. Fuel 2015, 161, 355–363. [Google Scholar] [CrossRef]
- Yu, B.; Chien, I. Design and economic evaluation of a coal-based polygeneration process to coproduce synthetic natural gas and ammonia. Ind. Eng. Chem. Res. 2015, 54, 10073–10087. [Google Scholar] [CrossRef]
- Ye, C.; Zheng, Y.; Xu, Y. Energy and exergy analysis of poly-generation system of hydrogen and electricity via coal partial gasification. Comput. Chem. Eng. 2020, 141, 106911. [Google Scholar] [CrossRef]
- Guan, H.; Fan, X.; Zhao, B. An experimental investigation on biogases production from Chinese herb residues based on dual circulating flfluidized bed. Int. Hydrog. Energy 2018, 43, 12618–12626. [Google Scholar] [CrossRef]
- Zhou, X.; Yang, L.; Fan, X. Experimental Study on the Preparation of Hydrogen Rich Gas by Gasifying of Traditional Chinese Medicine Residue in a Dual Fluidized Bed Based on Calcium Looping. Energies 2023, 16, 4434. [Google Scholar] [CrossRef]
- Aspen Plus. Getting Started Modeling Processes with Solids[R/OL]; Aspen Technology: Cambridge, UK, 2000. [Google Scholar]
- Wright, M.; Satrio, J.; Brown, R. Techno-Economic Analysis of Biomass Fast Pyrolysis to Transportation Fuels; NREL/TP-6A20-46586[R]; US Department of Energy Office of Scientific and Technical Information: Oak Ridge, TN, USA, 2010. [Google Scholar]
- Hu, J.; Zeng, D.; Cui, D. Simulation of Lignite Chemical-looping Gasification Using Combined Fe-Cu Oxides as Oxygen Carrier. Ind. Control Comput. 2020, 33, 94–96. [Google Scholar]
- Jin, Z.; Jin, B. Numerical Simulation of Chemical Chain Combustion Based on Aspen Plus. Ind. Control Comput. 2019, 32, 116–117. [Google Scholar]
- Wang, L.; Song, T.; Zhang, J. Simulation of chemical looping gasification of high-sulfur petroleum coke for syngas production coupled with recycling sulfur in 10 MWth system. CIESC J. 2019, 70, 2279–2288. [Google Scholar]
- Kathe, M.V.; Empfield, A.; Na, J.; Blair, E.; Fan, L.S. Hydrogen production from natural gas using an iron-based chemical looping technology: Thermodynamic simulations and process system analysis. Appl. Energy 2016, 165, 183–201. [Google Scholar] [CrossRef]
- Rosario, P.; Graeme, W.; Raffaella, O. Techno-economic investigation of a chemical looping combustion based power plant. Faraday Discuss. 2016, 192, 437–457. [Google Scholar]
- Fan, J. Assessment Method and Study of Life-Cycle Assessment of Fossil Fuel Driven Chemical Looping Combustion Energy System; University of Chinese Academy of Sciences (Institute of Engineering Thermophysics, Chinese Academy of Sciences): Beijing, China, 2019. [Google Scholar]
- Rupesh, S.; Muraleedharan, P. ASPEN plus modelling of air–steam gasification of biomass with sorbent enabled CO2 capture. Resour.-Effic. Technol. 2016, 2, 94–103. [Google Scholar]
- Ammr, M.; Ahmad, A.; Abdul, G. Conversion of Vacuum Residue from Refinery Waste to Cleaner Fuel: Technical and Economic Assessment. Sustainability 2023, 15, 15362. [Google Scholar]
- Ahmad, N.; Ahmad, N.; Ahmed, U. Process design and techno-economic evaluation for the production of platform chemical for hydrocarbon fuels from lignocellulosic biomass using biomass-derived γ-valerolactone. Renew. Energy 2020, 161, 750–755. [Google Scholar] [CrossRef]




























| Ultimate Analysis (wt%) | Proximate Analysis (wt%) | LHV (kJ/kg) | |||||||
|---|---|---|---|---|---|---|---|---|---|
| C | H | N | S | O | M | A | V | Fc | 15,300 |
| 42.31 | 6.01 | 3.23 | 0.25 | 32.61 | 5.45 | 10.14 | 67.34 | 17.07 | |
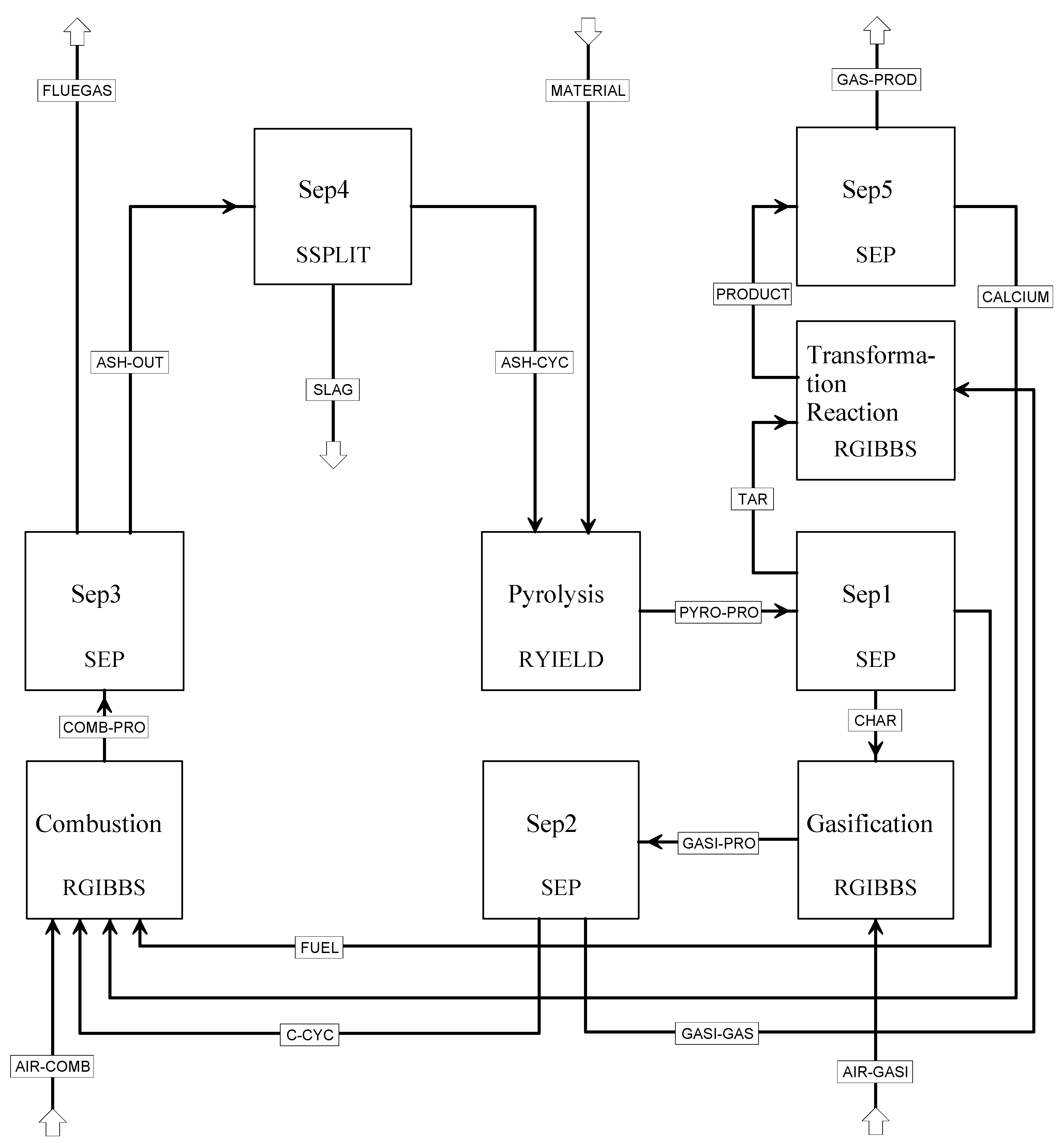
| Module Name | Corresponding Module | Main Functions |
|---|---|---|
| Pyrolysis Module | Ryield | Converting unconventional components in biomass into conventional simple components and semi-coke. |
| Transformation Reaction Module | Rgibbs | The components such as C, H2, O2, N2, S, and CaO from the pyrolysis module and CO, CO2, H2O, H2, and N2 from the semi-coke gasification module are converted, based on the principle of minimizing Gibbs free energy, into compounds including CO, CO2, CH4, H2, N2, H2O, H2S, and CaCO3. Tar components are not considered. |
| Semi-coke Gasification Module | Rgibbs | The semi-coke from the pyrolysis module is reacted with air or steam, etc., according to the principle of minimizing Gibbs free energy, to produce CO, H2, etc. The bed material also includes SiO2. |
| Combustion Module | Rgibbs | The semi-coke from the semi-coke gasification module and certain components such as C, H2, O2, N2, and S from the pyrolysis module are mixed with air and reacted according to the principle of minimizing Gibbs free energy, releasing heat to heat the circulating bed material. Calcium carbonate (CaCO3) from Sep5 also decomposes into CaO and CO2 under high-temperature conditions. |
| Separation Module Sep1 | Sep2 | The simple components such as C, H2, O2, N2, S, etc. from the pyrolysis module and the semi-coke are separated, and a portion of these components, including C, H2, O2, N2, S, etc., is transported to the combustion module for reaction according to the Fortran subroutine. |
| Separation Module Sep2 | Sep2 | The separation of the gaseous and solid products from the semi-coke gasification module is achieved. |
| Separation Module Sep3 | Sep2 | The separation of the gaseous and solid products from the combustion module is achieved. |
| Separation Module Sep4 | Ssplit | The real-time slag disposal function is implemented. According to Fortran subroutine, the circulating bed material from separation module 3 is separated, with a portion being discharged as slag and another portion being recycled back to the pyrolysis module to provide energy for the thermal decomposition of biomass feedstock. |
| Separation Module Sep5 | Sep2 | The gas is separated from CaO and CaCO3. CaO and CaCO3 are transported to the combustion module for reaction. |
| Parameter | Numerical | Unit | Variable Adjustment Range for Sensitivity Analysis |
|---|---|---|---|
| Biomass Feed Rate | 8 | kg/h | 4~20 |
| Circulating Bed Material Flow Rate | 1800 | kg/h | 300~2900 |
| ER | 0.1 | / | 0.02~0.32 |
| S/B | 0 | / | 0~0.28 |
| MATERIAL | CALCIUM | C-CYC | GAS-PROD | ||
|---|---|---|---|---|---|
| Material Mass Flow | kg/h | 8.00 | - | - | - |
| H2O | mol/h | - | - | - | 6.43 |
| CO | mol/h | - | - | - | 20.52 |
| CO2 | mol/h | - | - | - | 4.72 |
| N2 | mol/h | - | - | - | 3.21 |
| H2 | mol/h | - | - | - | 75.02 |
| CH4 | mol/h | - | - | - | 6.24 |
| Total Mole Flow | mol/h | - | 4223.05 | 21.42 | 116.14 |
| Total Mass Flow | kg/h | 8.00 | 237.42 | 0.26 | - |
| CaO | mol/h | - | 4201.95 | - | - |
| CaCO3 | mol/h | - | 21.11 | - | - |
| C | mol/h | - | - | 21.42 | - |
Disclaimer/Publisher’s Note: The statements, opinions and data contained in all publications are solely those of the individual author(s) and contributor(s) and not of MDPI and/or the editor(s). MDPI and/or the editor(s) disclaim responsibility for any injury to people or property resulting from any ideas, methods, instructions or products referred to in the content. |
© 2024 by the authors. Licensee MDPI, Basel, Switzerland. This article is an open access article distributed under the terms and conditions of the Creative Commons Attribution (CC BY) license (https://creativecommons.org/licenses/by/4.0/).
Share and Cite
Zhang, J.; Yang, L. Aspen Simulation Study of Dual-Fluidized Bed Biomass Gasification. Energies 2024, 17, 2381. https://doi.org/10.3390/en17102381
Zhang J, Yang L. Aspen Simulation Study of Dual-Fluidized Bed Biomass Gasification. Energies. 2024; 17(10):2381. https://doi.org/10.3390/en17102381
Chicago/Turabian StyleZhang, Jida, and Liguo Yang. 2024. "Aspen Simulation Study of Dual-Fluidized Bed Biomass Gasification" Energies 17, no. 10: 2381. https://doi.org/10.3390/en17102381
APA StyleZhang, J., & Yang, L. (2024). Aspen Simulation Study of Dual-Fluidized Bed Biomass Gasification. Energies, 17(10), 2381. https://doi.org/10.3390/en17102381
