Piezoelectric Sensors Pressed by Human Footsteps for Energy Harvesting
Abstract
1. Introduction
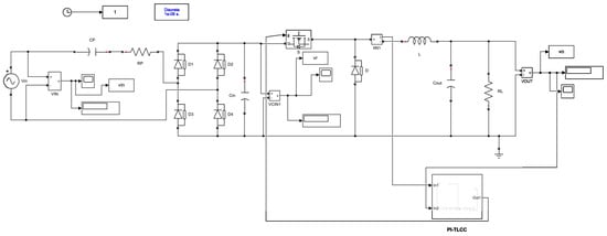
2. Design and Experimental Validation
Parameters of the Buck Converter
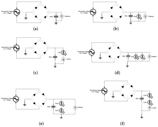
3. Results and Discussion
4. Conclusions
Author Contributions
Funding
Data Availability Statement
Conflicts of Interest
References
- Hwang, S.J.; Jung, H.; Kim, J.; Ahn, J.; Song, D.; Song, Y.; Lee, H.; Moon, S.; Park, H.; Sung, T. Designing and manufacturing a piezoelectric tile for harvesting energy from footsteps. Curr. Appl. Phys. 2015, 15, 669–674. [Google Scholar] [CrossRef]
- El-Etriby, A.E.; Abdel-Meguid, M.E.; Hatem, T.M.; Bahei-El-Din, Y.A. A multiscale-based approach for composite materials with embedded PZT filaments for energy harvesting. In Behavior and Mechanics of Multifunctional Materials and Composites; SPIE: Bellingham, WA, USA, 2014; Volume 9058, pp. 294–305. [Google Scholar]
- Kim, K.-B.; Cho, J.Y.; Jabbar, H.; Ahn, J.; Hong, S.; Woo, S.B.; Sung, T. Optimized composite piezoelectric energy harvesting floor tile for smart home energy management. Energy Convers. Manag. 2018, 171, 31–37. [Google Scholar] [CrossRef]
- Panthongsy, P.; Isarakorn, D.; Janphuang, P.; Hamamoto, K. Fabrication and evaluation of energy harvesting floor using piezoelectric frequency up-converting mechanism. Sens. Actuators A Phys. 2018, 279, 321–330. [Google Scholar] [CrossRef]
- Panthongsy, P.; Isarakorn, D.; Hamamoto, K.; Janphuang, P. Performance and behavior analysis of piezoelectric energy harvesting floor tiles. In Proceedings of the 2019 5th International Conference on Engineering, Applied Sciences and Technology (ICEAST), Luang Prabang, Laos, 2–5 July 2019; pp. 1–4. [Google Scholar]
- Isarakorn, D.; Jayasvasti, S.; Panthongsy, P.; Janphuang, P.; Hamamoto, K. Design and evaluation of double-stage energy harvesting floor tile. Sustainability 2019, 11, 5582. [Google Scholar] [CrossRef]
- Jabbar, H.; Hong, S.D.; Hong, S.K.; Yang, C.H.; Jeong, S.Y.; Sung, T.H. Sustainable micro-power circuit for piezoelectric energy harvesting tile. Integr. Ferroelectr. 2017, 183, 193–209. [Google Scholar] [CrossRef]
- Jhun, J.P.; Hong, S.D.; Jeon, D.H.; Sung, T.H. The effectiveness of different width piezoelectric energy harvester in the pedestrian floor tile energy harvesting system for internet of things sensors. J. Korean Phys. Soc. 2021, 78, 81–88. [Google Scholar] [CrossRef]
- Liu, Z.; Ding, G.; Wang, J.; Cai, G.; Qin, X.; Shi, K. Fabrication and performance of Tile transducers for piezoelectric energy harvesting. AIP Adv. 2020, 10, 045326. [Google Scholar] [CrossRef]
- Kathpalia, B.; Tan, D.; Stern, I.; Valdes, F.; Kim, S.; Erturk, A. Modeling and characterization of a curved piezoelectric energy harvester for smart paver tiles. Procedia Comput. Sci. 2017, 109, 1060–1066. [Google Scholar] [CrossRef]
- Wang, J.; Cai, Y.; Liu, Z.; Ding, G.; Cai, G.; Fu, H. Preparation and performance study of a new type of Tile transducer for roadway applications. J. Intell. Mater. Syst. Struct. 2020, 31, 2020–2028. [Google Scholar] [CrossRef]
- Kamal, P.N.M.; Buniyamin, N. Using piezoelectric elements as footsteps energy harvester: An investigation. In Proceedings of the 2018 IEEE 8th International Conference on System Engineering and Technology (ICSET), Bandung, Indonesia, 15–16 October 2018; pp. 1–6. [Google Scholar]
- Puscasu, O.; Counsell, N.; Herfatmanesh, M.R.; Peace, R.; Patsavellas, J.; Day, R. Powering Lights with Piezoelectric Energy-Harvesting Floors. Energy Technol. 2018, 6, 906–916. [Google Scholar] [CrossRef]
- Abadi, P.B.; Darlis, D.; Suraatmadja, M.S. Green energy harvesting from human footsteps. MATEC Web Conf. 2018, 197, 11015. [Google Scholar] [CrossRef]
- Cascetta, F.; Schiavo, A.L.; Minardo, A.; Musto, M.; Rotondo, G.; Calcagni, A. Analysis of the energy extracted by a harvester based on a piezoelectric tile. Curr. Appl. Phys. 2018, 18, 905–911. [Google Scholar] [CrossRef]
- Saifan, R.; Ali, L.A.; Shreikh, A.A.; Alnabelsi, S.H. Smart walk: Case studies on hybrid power generation system of piezoelectricity and solar power. In Proceedings of the 2019 International Conference on Electrical and Computing Technologies and Applications (ICECTA), Ras Al Khaimah, United Arab Emirates, 19–21 November 2019; pp. 1–6. [Google Scholar]
- Covaci, C.; Porobic, I.; Gontean, A. Setup for Piezoelectric Energy Harvesting System. In Proceedings of the 2019 IEEE 25th International Symposium for Design and Technology in Electronic Packaging (SIITME), Cluj-Napoca, Romania, 23–26 October 2019; pp. 78–81. [Google Scholar]
- Ruman, M.R.; Das, M.; Mahmud, S.I. Human footsteps for energy generation by using piezoelectric tiles. In Proceedings of the 2019 Innovations in Power and Advanced Computing Technologies (i-PACT), Vellore, India, 22–23 March 2019; Volume 1, pp. 1–6. [Google Scholar]
- Ahmed, S.U.; Sabir, A.; Ashraf, T.; Ali Haider, M.; Perveen, F.; Farooqui, Z.; Uddin, R. Energy Harvesting through Floor Tiles. In Proceedings of the 2019 International Conference on Innovative Computing (ICIC), Lahore, Pakistan, 1–2 November 2019; pp. 1–6. [Google Scholar]
- Selim, K.K.; Haggag, A.; Amer, F.A.; Rady, W.; El-Garhy, A.M. A proposed technique for power extraction from acoustic energy scavenging. Int. J. Electron. 2018, 105, 1236–1247. [Google Scholar] [CrossRef]
- Selim, K.K.; Haggag, A.; Yehia, H.; Amer, F.Z. Acoustic energy conversion into useful electric energy from Disk Jockey by using piezoelectric transducers. In Proceedings of the 2016 Eighteenth International Middle East Power Systems Conference (MEPCON), Cairo, Egypt, 27–29 December 2016; pp. 871–876. [Google Scholar]
- Selim, K.K.; Yehia, H.M.; Abdalfatah, S. Human footsteps-based energy harvesting using piezoelectric elements. In Proceedings of the 2023 International Telecommunications Conference (ITC-Egypt), Alexandria, Egypt, 18–20 July 2023. [Google Scholar]
- Sharma, S.; Kiran, R.; Azad, P.; Vaish, R. A review of piezoelectric energy harvesting tiles: Available designs and future perspective. Energy Convers. Manag. 2022, 254, 115272. [Google Scholar] [CrossRef]
- Chew, Z.J.; Zhu, M. Adaptive self-configurable rectifier for extended operating range of piezoelectric energy harvesting. IEEE Trans. Ind. Electron. 2019, 67, 3267–3276. [Google Scholar] [CrossRef]
- Lefeuvre, E.; Badel, A.; Richard, C.; Guyomar, D. Piezoelectric energy harvesting device optimization by synchronous electric charge extraction. J. Intell. Mater. Syst. Struct. 2005, 16, 865–876. [Google Scholar] [CrossRef]
- Jiang, H.; Wang, Y.; Wu, G.; Li, B.; Li, X. A novel control method of electric charge extraction circuit for piezoelectric energy harvesters. Ferroelectrics 2022, 599, 58–71. [Google Scholar] [CrossRef]
- Fu, H.; Xu, R.; Seto, K.; Yeatman, E.; Kim, S. Energy harvesting from human motion using footstep-induced airflow. J. Phys. Conf. Ser. 2015, 660, 012060. [Google Scholar] [CrossRef]
- Yingyong, P.; Thainiramit, P.; Jayasvasti, S.; Thanach-Issarasak, N.; Isarakorn, D. Evaluation of harvesting energy from pedestrians using piezoelectric floor tile energy harvester. Sens. Actuators A Phys. 2021, 331, 113035. [Google Scholar] [CrossRef]
- Abidin, N.A.K.Z.; Nayan, N.M.; Ali, A.; Azli, N.; Nordin, N. Analysis of AC-DC Converter Circuit Performance with Difference Piezoelectric Transducer Array Connection. Int. J. Integr. Eng. 2020, 12, 20–27. [Google Scholar]
- Chand, A.A.; Arefin, A.S.M.S.; Islam, F.; Prasad, K.; Singh, S.; Cirrincione, M.; Mamun, K. Design simulation of a novel fluid based footstep energy harvesting system. Sustain. Energy Technol. Assess. 2020, 39, 100708. [Google Scholar] [CrossRef]
- Jeong, S.Y.; Cho, J.Y.; Hong, S.D.; Hwang, W.; Jabbar, H.; Ahn, J.H.; Jhun, J.P.; Sung, T.H. Self-powered operational amplifying system with a bipolar voltage generator using a piezoelectric energy harvester. Electronics 2019, 9, 41. [Google Scholar] [CrossRef]
- Galeano, N.M.; Lezama, J.M.L.; Quintero, J.B.C. A Methodology for Tunning Cascade PI Controllers for Power Electronics Converters. Int. J. Eng. Res. Technol. 2020, 13, 3997–4003. [Google Scholar] [CrossRef]
- Azarastemal, S.; Hejri, M. Cascade Control System Design and Stability Analysis for a DC–DC Boost Converter with Proportional Integral and Sliding Mode Controllers and Using Singular Perturbation Theory. Iran. J. Sci. Technol. Trans. Electr. Eng. 2021, 45, 1445–1462. [Google Scholar] [CrossRef]
- Mohanty, P.R.; Panda, A.K. Fixed-frequency sliding-mode control scheme based on current control manifold for improved dynamic performance of boost PFC converter. IEEE J. Emerg. Sel. Top. Power Electron. 2016, 5, 576–586. [Google Scholar] [CrossRef]












| Symbol | Parameter | Condition | Value | Unit | |
|---|---|---|---|---|---|
| Typ. | Max. | ||||
| VRRM | Repetitive Peak Reverse Voltage | − | 45 | − | V |
| Forward Continuous Current | = 25 C | 50 | − | mA | |
| Forward Voltage | = 1 mA | 0.24 | 0.5 | V | |
| Reverse Current | = 15 V | 5 | 10 | A | |
| Junction Capacitance | = 10 V & F = 1 MHz | 6 | − | pF | |
| Circuit Test Condition | Quantity | Measured | Unit |
|---|---|---|---|
| Open loop condition | Output Voltage | 33.7 | V |
| 1 LED as a load | Output Voltage | 2.4 | V |
| 1 LED as a load | Output Current | 0.079 | A |
| 2 series LEDs as a load | Output Voltage | 4.8 | V |
| 2 parallel LEDs as a load | Output Voltage | 2.4 | V |
| Parameter | Value |
|---|---|
| 10 V and 20 V | |
| L | 740 µH |
| C | 100 µF |
| 100:200 | |
| 5 V | |
| Switching Frequency | 40 kHz |
| Piezoelectric excitation frequency | 10 Hz |
| Reference | Harvester Type | Tile Size (mm) | Power Produced (mW) |
|---|---|---|---|
| [14] | Piezoelectric | 300 × 4300 | 6.04 |
| [3] | PZN 0.5C Thick Film Cantilever | 200 × 200 | 12 |
| [4] | PZT Cantilever | 430 × 430 | 1.24 |
| [28] | PZT Cantilever | 450 × 450 | 35 |
| Proposed work | Piezoelectric Ceramic Diaphragm | 455 × 405 | 249.6 |
Disclaimer/Publisher’s Note: The statements, opinions and data contained in all publications are solely those of the individual author(s) and contributor(s) and not of MDPI and/or the editor(s). MDPI and/or the editor(s) disclaim responsibility for any injury to people or property resulting from any ideas, methods, instructions or products referred to in the content. |
© 2024 by the authors. Licensee MDPI, Basel, Switzerland. This article is an open access article distributed under the terms and conditions of the Creative Commons Attribution (CC BY) license (https://creativecommons.org/licenses/by/4.0/).
Share and Cite
Selim, K.K.; Smaili, I.H.; Yehia, H.M.; Ahmed, M.M.R.; Saleeb, D.A. Piezoelectric Sensors Pressed by Human Footsteps for Energy Harvesting. Energies 2024, 17, 2297. https://doi.org/10.3390/en17102297
Selim KK, Smaili IH, Yehia HM, Ahmed MMR, Saleeb DA. Piezoelectric Sensors Pressed by Human Footsteps for Energy Harvesting. Energies. 2024; 17(10):2297. https://doi.org/10.3390/en17102297
Chicago/Turabian StyleSelim, Kyrillos K., Idris H. Smaili, Hossam M. Yehia, M. M. R. Ahmed, and Demyana A. Saleeb. 2024. "Piezoelectric Sensors Pressed by Human Footsteps for Energy Harvesting" Energies 17, no. 10: 2297. https://doi.org/10.3390/en17102297
APA StyleSelim, K. K., Smaili, I. H., Yehia, H. M., Ahmed, M. M. R., & Saleeb, D. A. (2024). Piezoelectric Sensors Pressed by Human Footsteps for Energy Harvesting. Energies, 17(10), 2297. https://doi.org/10.3390/en17102297

