Optimal Planning of PV Sources and D-STATCOM Devices with Network Reconfiguration Employing Modified Ant Lion Optimizer
Abstract
1. Introduction
- (i)
- The three objectives considered are (a) the minimization of total power loss, (b) voltage magnitude profile enhancement, and (c) overall operating cost reduction during network reconfiguration achieved by simultaneously installing distributed PV sources and DSTATCOM devices.
- (ii)
- Three operational scenarios considered are (a) a network without reconfiguration and additional distributed PV sources/DSTATCOM devices, (b) network reconfiguration without additional distributed PV sources/DSTATCOM devices, and (c) a combined assignment of DSTATCOM device and distributed PV source allocation with network reconfiguration considering penetration levels 0.25, 0.5, 0.75, and 1.0 in radial distribution topology using the MALO and BAT method.
- (iii)
- An evaluation of the positioning and capacity of the distributed PV sources, DSTATCOM devices, and network reconfiguration, considering the influence of load models and PV penetration levels, is conducted.
- (iv)
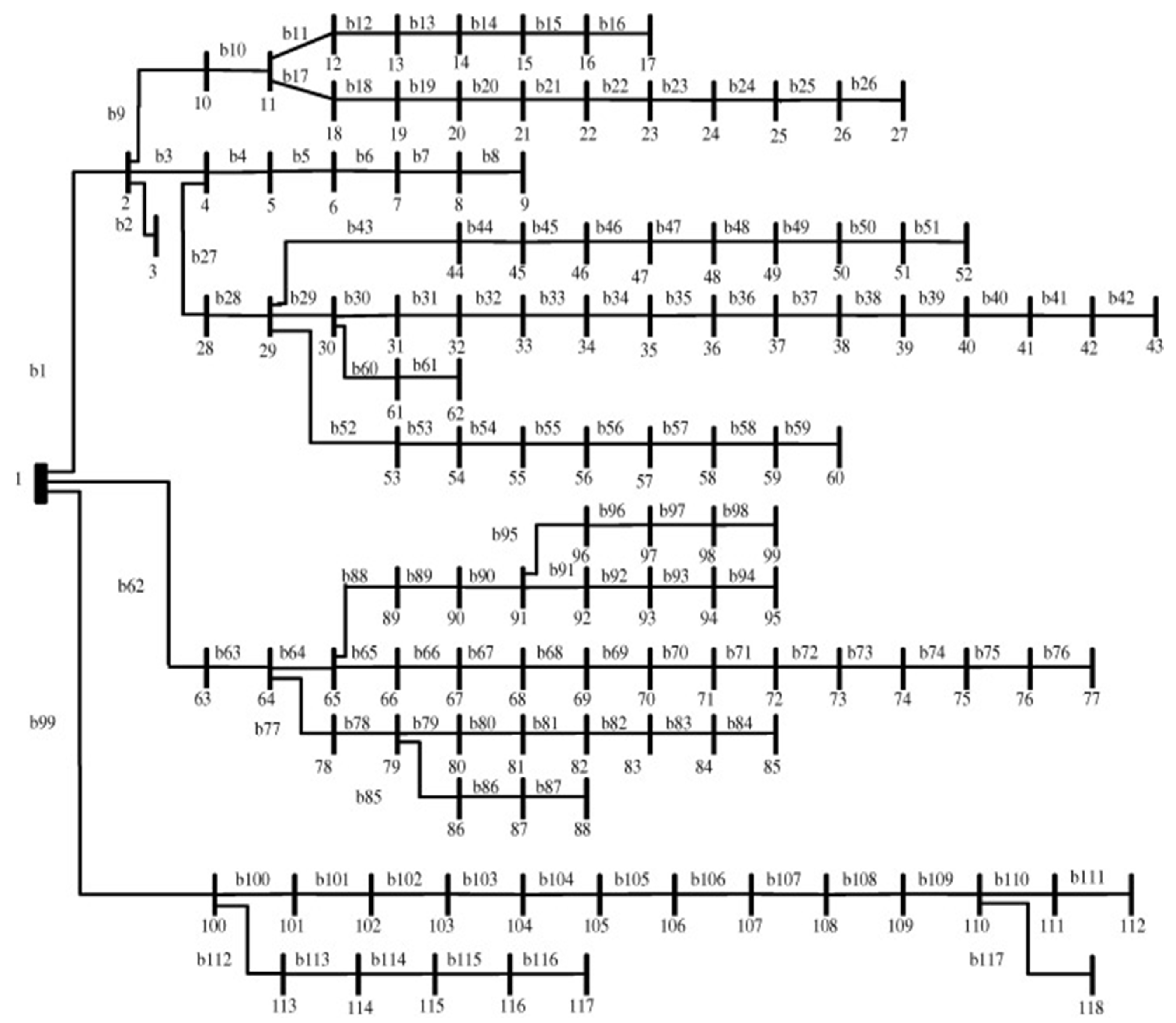
- The recommended MALO method is well tried on standard IEEE 118-node test systems.
- (v)
- The real-time data of State Utility 317 nodes in the rural BESCOM radial distribution scheme are also considered for testing by utilizing MALO and BAT. The investigations were carried out to assess the total power losses, voltage profile, capacity, and positioning of PV sources and DSTATCOM devices along with network reconfiguration in rural feeder BESCOM for high-voltage (22 kV) distribution systems under Deendayal Upadhyaya Gram Jyoti Yojana (DDUGJY) launched by the Government of India for planning network.
2. Problem Formulation
2.1. Power Flow Study for Distribution Network
2.2. Network Reconfiguration
2.3. DSTATCOM Modeling
2.4. PV Modeling
2.5. Total Operating Cost Minimization
2.6. Objective Function
2.6.1. Equality Constraints
2.6.2. Inequality Constraints
- 1.
- Node voltage limit
- 2.
- Feeder capacity limits
- 3.
- DG constraints
- 4.
- DSTATCOM constraints
- 5.
- Rule to retain the radial topology
3. Load Model
3.1. Polynomial (ZIP) Load Model
3.2. Load Growth Model
4. MALO Algorithm
| Algorithm 1: Pseudo code of checking system radiality [42] |
| Input: a candidate configuration with set of open branches Output: a candidate configuration is a radial configuration or not Determine connection matrix A for the network, which involves initial open branches. Remove the first column of matrix A Remove the rows of matrix A corresponding to open branches in candidate configuration If (matrix A is a square matrix) Calculate determinant of square matrix A If (determinant of square matrix A = 1 or −1) Output: = a candidate configuration is a radial configuration Else Output: = a candidate configuration is not a radial configuration End if Else Output: = a candidate configuration is not a radial configuration End if |
- Initially conduct a thorough analysis of the existing power distribution system (before reconfiguration) to understand the load requirements, voltage profiles, and power flow patterns.
- Collect the PV data, load profiles, and other parameters that affect the power system.
- Reconfigure the system, which involves changing the topology of the distribution network, which in this process are the input data, comprising the network configuration, the row and line data, and the parameter setting of the MALO.
- To find the number of dimensions (dn), use the number of dimensions found from the closure of entire interconnection switches existing in the distribution system. The number of meshes created via the closing of switches will be equivalent to the number of dimensions.
- To determine the search space for every dimension: Close all interconnecting switches creating meshes; branches not part of the mesh are less important. The search space of every dimension will contain the branches that fit into the mesh that signifies it; branches belonging to more than single mesh must form part of a single dimension. This selection is completed randomly at every iteration.
- This could include changing the status of switches, re-routing power flows, and optimizing the placement of DSTATCOM and PV units.
- The modified ant lion optimizer applies the objective function to minimize power losses, improving voltage stability to integrate the DSTATCOM and PV into the system for optimal placement and sizing.
5. Results
Limitation of Current Approach
- Complexity due to the dynamic nature of the distribution system and the interdependencies between PV sources, DSTATCOM devices, and network reconfiguration, so optimizing these operations can be challenging.
- Reliable information on solar radiation, load profiles, weather patterns, system topology, and other aspects is required for efficient planning.
- It is critical to carefully weigh the initial costs of installing DSTATCOM equipment and PV sources against the continuing costs of maintenance and operation. PV generation is prone to variability and sporadic power outages.
6. Conclusions
Author Contributions
Funding
Data Availability Statement
Acknowledgments
Conflicts of Interest
Abbreviations
| ALO | Ant Lion Optimizer |
| BIBC | Bus Injected to Branch Current Matrix |
| CP | Constant Power |
| CGSA | Chaotic Search Group algorithm |
| DDUGJY | Deendayal Upadhyaya Gram Jyoti Yojana |
| DG | Distributed Generation |
| DSTATCOM | Distributed Static Compensator |
| GA | Genetic Algorithm |
| LFD | Levy Flight Distribution |
| MALO | Modified Ant Lion Optimizer |
| MMPO | Modified Marine Predators Optimizer |
| PV-DG | Photovoltaic Distributed Generation |
| PV | Photovoltaic |
| SNR | Simultaneous Network Reconfiguration |
| TOC | Total Operating Cost |
Symbol
| kV | Kilovolt |
| kW | Kilowatt |
| kVAr | Kilovolt–Ampere Reactive |
| Power Loss | |
| Pu | Per Unit |
| Real Power Injection | |
| Reactive Power Injection | |
| Voltage at the bus | |
| Voltage Minimum | |
| Voltage Maximum | |
| Angle at the Bus |
References
- Sambaiah, K.S.; Jayabharathi, T. Optimal reconfiguration of Distribution Network in presence of D-STATCOM and Pho-tovoltaic array using Metaheuristic algorithm. Eur. J. Electr. Eng. Comput. Sci. 2020, 4. [Google Scholar]
- Prakash, R.; Sujatha, B. Optimal placement and sizing of DG for power loss minimization and VSI improvement using BAT algorithm. In Proceedings of the IEEE Conference NPSC 2016, IIT Bhubaneshwar, Bhubaneshwar, India, 19–21 December 2016; pp. 1–6. [Google Scholar]
- Moura, A.; Salvadorinho, J.; Soares, B.; Cordeiro, J. Comparative study of distribution networks reconfiguration problem approaches. RAIRO Oper. Res. 2021, 55, 2083–2124. [Google Scholar] [CrossRef]
- Ben Hamida, I.; Salah, S.B.; Msahli, F.; Mimouni, M.F. Optimal network reconfiguration and renewable DG integration considering time sequence variation in load and DGs. Renew. Energy 2018, 121, 66–80. [Google Scholar] [CrossRef]
- Shuaibu Hassan, A.; Sun, Y.; Wang, Z. Optimization techniques applied for optimal planning and integration of renewable energy sources based on distributed generation: Recent trends. Cogent Eng. 2020, 3, 1766394. [Google Scholar] [CrossRef]
- Shaheen, A.; Elsayed, A.; El-Sehiemy, R.A.; Abdelaziz, A.Y. Equilibrium optimization algorithm for network reconfiguration and distributed generation allocation in power systems. Appl. Soft Comput. 2021, 98, 106867. [Google Scholar] [CrossRef]
- Thunuguntla, V.K.; Injeti, S.K. Butterfly optimizer assisted Max–Min based multi-objective approach for optimal connection of DGs and optimal network reconfiguration of distribution networks. J. Electr. Syst. Inf. Technol. 2022, 9, 1–25. [Google Scholar] [CrossRef]
- Devi, S.; Geethanjali, M. Optimal location and sizing determination of Distributed Generation and DSTATCOM using Particle Swarm Optimization algorithm. Int. J. Electr. Power Energy Syst. 2014, 62, 562–570. [Google Scholar] [CrossRef]
- Tolabi, H.B.; Ali, M.H.; Rizwan, M. Simultaneousreconfiguration, optimal placement of DSTATCOM, and photovoltaic array in a distribution system based on fuzzy-ACO approach. IEEE Trans. Sustain. Energy 2015, 6, 210–218. [Google Scholar] [CrossRef]
- Devabalaji, K.; Ravi, K. Optimal size and siting of multiple DG and DSTATCOM in radial distribution system using Bacterial Foraging Optimization Algorithm. Ain Shams Eng. J. 2016, 7, 959–971. [Google Scholar] [CrossRef]
- Yuvaraj, T.; Ravi, K. Multi-objective simultaneous DG and DSTATCOM allocation in radial distribution networks using Cuckoo Searching Algorithm. Alex. Eng. J. 2018, 57, 2729–2742. [Google Scholar] [CrossRef]
- El-Ela, A.A.A.; El-Sehiemy, R.A.; Abbas, A.S. Optimal Placement and Sizing of Distributed Generation and Capacitor Banks in Distribution Systems Using Water Cycle Algorithm. IEEE Syst. J. 2018, 12, 3629–3636. [Google Scholar] [CrossRef]
- Ganesh, S.; Kanimozhi, R. Meta-heuristic technique for network reconfiguration in distribution system with photovoltaic and D-STATCOM. IET Gener. Transm. Distrib. 2018, 12, 4524–4535. [Google Scholar] [CrossRef]
- Zellagui, M.; Lasmari, A.; Settoul, S.; El-Sehiemy, R.A.; El-Bayeh, C.Z.; Chenni, R. Simultaneous allocation of photovoltaic DG and DSTATCOM for echno-economic and environmental benefits in electrical distribution systems at different loading conditions using novel hybrid optimization algorithms. Int. Trans. Electr. Energy Syst. 2021, 31, 12992. [Google Scholar] [CrossRef]
- Chinnaraj, S.G.R.; Kuppan, R. Optimal sizing and placement of multiple renewable distribution generation and DSTATCOM in radial distribution systems using hybrid lightning search algorithm-simplex method optimization algorithm. Comput. Intell. 2021, 37, 1673–1690. [Google Scholar] [CrossRef]
- He, P.; Dong, J.; Wu, X.; Yun, L.; Yang, H. Photovoltaic power prediction based on improved grey wolf algorithm optimized back propagation. Arch. Electr. Eng. 2023, 72, 613–628. [Google Scholar]
- Eid, A.; Kamel, S.; Zawbaa, H.M.; Dardeer, M. Improvement of active distribution systems with high penetration capacities of shunt reactive compensators and distributed generators using Bald Eagle Search. Ain Shams Eng. J. 2022, 13, 101792. [Google Scholar] [CrossRef]
- Nguyen, T.T.; Nguyen, T.T.; Nguyen, N.A.; Duong, T.L. A novel method based on coyote algorithm for simultaneous network reconfiguration and distribution generation placement. Ain Shams Eng. J. 2021, 12, 665–676. [Google Scholar] [CrossRef]
- Shaheen, A.M.; Elsayed, A.M.; El-Sehiemy, R.A.; Kamel, S.; Ghoneim, S.S.M. A modified marine predators optimization algorithm for simultaneous network reconfiguration and distributed generator allocation in distribution systems under different loading conditions. Eng. Optim. 2020, 54, 687–708. [Google Scholar] [CrossRef]
- Huy, T.H.B.; Van Tran, T.; Vo, D.N.; Nguyen, H.T.T. An improved metaheuristic method for simultaneous network reconfiguration and distributed generation allocation. Alex. Eng. J. 2022, 61, 8069–8088. [Google Scholar] [CrossRef]
- Janamala, V.; Radha Rani, K. Optimal allocation of solar photovoltaic distributed generation in electrical distribution networks using Archimeds optimization algorithm. Clean Energy 2022, 6, 271–287. [Google Scholar] [CrossRef]
- Yang, X.S.; He, X. Bat algorithm: Literature review and applications. Int. J. Bio-Inspired Comput. 2013, 5, 141. [Google Scholar] [CrossRef]
- Shehab, M.; Abu-Hashem, M.A.; Shambour, M.K.Y.; Alsalibi, A.I.; Alomari, O.A.; Gupta, J.N.D.; Alsoud, A.R.; Abuhaija, B.; Abualigah, L. A Comprehensive Review of Bat Inspired Algorithm: Variants, Applications, and Hybridization. Arch. Comput. Methods Eng. 2023, 30, 765–797. [Google Scholar] [CrossRef]
- Jayabarathi, T.; Raghunathan, T.; Gandomi, A.H. The Bat Algorithm, Variants and Some Practical Engineering Applications: A Review. In Nature-Inspired Algorithms and Applied Optimization, Studies in Computational Intelligence; Springer: Berlin/Heidelberg, Germany, 2017; Volume 744. [Google Scholar]
- Alyasseri, Z.A.A.; Alomari, O.A.; Al-Betar, M.A.; Makhadmeh, S.N.; Abu Doush, I.; Awadallah, M.A.; Abasi, A.K.; Elnagar, A. Recent advances of bat-inspired algorithm, its versions and applications. Neural Comput. Appl. 2022, 34, 16387–16422. [Google Scholar] [CrossRef]
- Mirjalili, S. The ant lion optimizer. Adv. Eng. Softw. 2015, 83, 80–98. [Google Scholar] [CrossRef]
- Heidari, A.A.; Faris, H.; Mirjalili, S.; Aljarah, I.; Mafarja, M. Ant lion optimizer: Theory, literature review, and application in multi-layer perceptron neural networks. In Nature-Inspired Optimizers; Springer: Berlin/Heidelberg, Germany, 2020; pp. 23–46. [Google Scholar]
- Assiri, A.S.; Hussien, A.G.; Amin, M. Ant lion optimization:Variants, hybrids, and applications. IEEE Access 2020, 8, 77746–77764. [Google Scholar] [CrossRef]
- Wang, M.; Wu, C.; Wang, L.; Xiang, D.; Huang, X. A feature selection approach for hyperspectral image based on modified ant lion optimizer. Knowledge-Based Syst. 2019, 168, 39–48. [Google Scholar] [CrossRef]
- Dinkar, S.K.; Deepa, K. An efficient opposition based Lévy flight antlion optimizer for optimization problems. J. Comput. Sci. 2018, 29, 119–141. [Google Scholar] [CrossRef]
- Barshandeh, S.; Haghzadeh, M. A new hybrid chaotic atom search optimization based on tree-seed algorithm and Levy flight for solving optimization problems. Eng. Comput. 2020, 37, 3079–3122. [Google Scholar] [CrossRef]
- Zhao, R.; Wang, Y.; Liu, C.; Hu, P.; Li, Y.; Li, H.; Yuan, C. Selfish herd optimizer with levy-flight distribution strategy for global optimization problem. Phys. A Stat. Mech. Appl. 2020, 538, 122687. [Google Scholar] [CrossRef]
- Liu, Y.; Cao, B. A Novel Ant Colony Optimization Algorithm With Levy Flight. IEEE Access 2020, 8, 67205–67213. [Google Scholar] [CrossRef]
- Oda, E.S.; Abd El Hamed, A.M.; Ali, A.; Elbaset, A.A.; Abd El Sattar, M.; Ebeed, M. Stochastic optimal planning of distribution system considering integrated photovoltaic-based DG and DSTATCOM under uncertainties of loads and solar irradiance. IEEE Access 2021, 9, 26541–26555. [Google Scholar] [CrossRef]
- Teng, J.-H. A direct approach for distribution system load flow solutions. IEEE Trans. Power Deliv. 2003, 18, 882–887. [Google Scholar] [CrossRef]
- Yuvaraj, T.; Devabalaji, K.R.; Prabaharan, N.; Alhelou, H.H.; Manju, A.; Pal, P.; Siano, P. Optimal Integration of Capacitor and Distributed Generation in Distribution System Considering Load Variation Using Bat Optimization Algorithm. Energies 2021, 14, 3548. [Google Scholar] [CrossRef]
- Yuvaraj, T.; Devabalaji, K.R.; Ravi, K. Optimal placement and sizing of STATCOM using harmony search algorithm. Energy Procedia 2015, 79, 759–765. [Google Scholar] [CrossRef]
- Bhumkittipich, K.; Phuangpornpitak, W. Optimal placement and sizing of distributed Generation for power loss redution using Particle Swarm Optimization. Energy Procedia 2013, 34, 307–317. [Google Scholar] [CrossRef]
- Gupta, A.R.; Kumar, A. Energy saving using D-STATCOM placement in radial distribution system under reconfigured network. Energy Procedia 2015, 90, 124–136. [Google Scholar] [CrossRef]
- Pegado, R.; Naupari, Z.; Molina, Y.; Castillo, C. Radial distribution network reconfiguration for power losses reduction based on improved selective BPSO. Electr. Power Syst. Res. 2019, 169, 206–213. [Google Scholar] [CrossRef]
- Gupta, A.R.; Kumar, A. Impact of various load models on D-STATCOM allocation in DNO operated distribution network. Procedia Comput. Sci. 2018, 125, 862–870. [Google Scholar] [CrossRef]
- Nguyen, T.T.; Truong, A.V.; Phung, T.A. A novel method based on adaptive cuckoo search for optimal network reconfiguration and distributed generation allocation in distribution network. Electr. Power and Energy Syst. 2016, 78, 801–815. [Google Scholar] [CrossRef]
- Zhang, D.; Fu, Z.; Zhang, L. An improved TS algorithm for loss-minimum reconfiguration in large-scale distribution systems, Electr. Power Syst. Res. 2007, 77, 685–694. [Google Scholar] [CrossRef]















| Parameters | MALO |
|---|---|
| Number of populations | 10 |
| Number of Iterations | 10 |
| A min | 0.4 |
| A max | 0.85 |
| Spiral shape = b | 0.3 |
| Cost of DSTATCOM | 70 $/kVAr |
| Cost of PV DG | 60 $/kW |
| Cost of Energy | 0.05 $/kWh |
| MODEL | Constant Power Model | ZIP Load Model | ||||||||
|---|---|---|---|---|---|---|---|---|---|---|
| Cases | Base Case | Recon BAT | Reconfig MALO | DG + DSTAT + Reconfig BAT | DG + DSTAT + Reconfig MALO | Base Case | Reconfig BAT | Reconfig MALO | DG + DSTAT + Reconfig BAT | DG + DSTAT + Reconfig MALO |
| Real power losses kW | 1298.14 | 935.48 | 800.62 | 871.34 | 759.75 | 2631.08 | 1611.99 | 1603.08 | 1447.85 | 1500.13 |
| Reactive power loss kVAr | 978.70 | 1054.14 | 925.50 | 887.01 | 856.01 | 1979.25 | 1385.87 | 1162.50 | 1393.75 | 1145.64 |
| PV size and location | - | - | - | 871 (81), 1014 (72) 1193 (3) | 1993 (65), 604 (84), 621 (102) | - | - | - | 1336 (90), 984 (41), 1418 (76) | 2000 (111), 2000 (118), 1858 (118) |
| DSTATCOM size and location | - | - | - | 274 (26), 1864 (84) | 382 (106), 1317 (47) | - | - | - | 1367 (101), 1463 (27) | 1900 (118),1900 (118) |
| Total operating cost ($) | - | - | - | 334,383.5 | 312,047.98 | - | - | - | 422,452.3 | 617,555 |
| Vmin @bus | 0.86 (77) | 0.95 (40) | 0.95 (33) | 0.95 (40) | 0.95 (48) | 0.811 (77) | 0.95 (22) | 0.95 (42) | 0.95 (22) | 0.95 (42) |
| %Loss reduction | - | 27.93 | 38.32 | 32.87 | 41.47 | - | 38.73 | 39.07 | 37.36 | 42.98 |
| Execution time in seconds | 0.0471 | 1.19 | 1.38 | 0.78 | 0.70 | 0.027 | 0.71 | 0.72 | 0.62 | 0.457 |
| Model | CP Model | CP Model | CP Model | CP Model | |
|---|---|---|---|---|---|
| Scenario-1 | Parameter quantity | MO-MFPA (Ganesh and (Kanimozhi, 2018) | Grass Optimising Algorithm (Sambaiah and Jayabharathi 2020) | Proposed BAT (three distributed PV sources with 25% penetration and two DSTATCOMs) | Proposed MALO (three distributed PV sources with 25% penetration and two DSTATCOMs) |
| Scenario-2 | Open switches | 42, 25, 22, 121, 50, 58, 39, 95, 71, 74, 97, 129, 130, 109, 34 | 25, 23, 39, 43, 34, 58, 124, 95, 71, 97, 74, 129, 130, 109, 5 | 130, 122, 128, 101, 131, 21, 47, 126, 125, 132, 123, 119, 124, 118, 127 | 132, 120, 128, 124, 121, 102, 126, 51, 118, 55, 125, 127, 129, 119 |
| P Loss (kW) | 854 | 878.57 | 935.48 | 800.62 | |
| % Loss reduction | 32.90 | 31.94 | 27.93 | 38.32 | |
| Vmin (p.u.) | 0.9310 | 0.9394 (74) | 0.95 (40) | 0.95 (33) | |
| Scenario-3 | Open switches | 42, 25, 21, 121, 48, 60, 39, 125, 126, 68, 76, 129, 130, 109, 33 | 16, 21, 39, 43, 32, 58, 124, 125, 71, 97, 128, 85, 130, 108, 132 | 130, 122, 128, 101, 131, 21, 47, 126, 125, 132, 123, 119, 124, 118, 127 | 132, 120, 128, 124, 121, 102, 126, 51, 118, 55, 125, 127, 129, 119 |
| P Loss (kW) | 544 | 435.39 | 871.34 | 759.75 | |
| % Loss reduction | 57.2 | 66.27 | 32.87 | 41.47 | |
| Vmin (p.u.) | 0.9654 | 0.9459 (71) | 0.95 (40) | 0.95 (48) | |
| DSTATCOM size and location (kVAr) | 1568 (97) | 1868.7 (50), 1269.47 (75), 1104.7 (111) | 274 (26), 1864 (84) | 382 (106), 1317 (47) | |
| PV DG size and location(kW) | 1656 (109) | 1743.96 (51), 1989.9 (92), 1919.6 (109) | 871 (81), 1014 (72), 1193 (3) | 1993 (65), 604 (84), 621 (102) |
| MODEL | Constant Power Model | ZIP Load Model | ||||||||
|---|---|---|---|---|---|---|---|---|---|---|
| Cases | Base Case | BAT Reconfig | MALO Reconfig | BAT DG + DSTAT + Reconfig | MALO DG + DSTAT + Reconfig | Base Case | BAT Reconfig | MALO Reconfig | BAT DG + DSTAT + Reconfig | MALO DG + DSTAT + Reconfig |
| Real power losses, kW | 3.5 × 105 | 3.1 × 105 | 3.25 × 105 | 2.57 × 105 | 1.75 × 105 | 3.05 × 105 | 2.83 × 105 | 2.68 × 105 | 1.10 × 105 | 1.24 × 105 |
| Reactive power loss, kVAr | 2.0 × 105 | 1.77 × 105 | 1.83 × 105 | 1.40 × 105 | 0.95 × 105 | 1.78 × 105 | 1.60 × 105 | 1.51 × 105 | 0.54 × 105 | 1.770.67 × 105 |
| PV size and location | - | - | - | 2013 (117), 2113 (76), 1021 (23) | 2142 (258), 3022 (27), 2568 (317) | - | - | - | 3033 (294), 3432 (6) 378 (229) | 5000 (294), 5000 (317), 5000 (317) |
| DSTATCOM size and location | - | - | - | 6765 (122) 2000 (192) | 5355 (190) 8878 (101) | - | - | - | 9173 (136) 7979 (85) | 10,000 (97) 10,000 (317) |
| Total operating cost (USD) | - | - | - | 935,220 | 1,468,980 | - | - | - | 1,616,720 | 2,306,200 |
| Vmin @bus | 0.95 (12) | 0.95 (15) | 0.95 (14) | 0.95 (10) | 0.95 (10) | 0.95 (12) | 0.95 (12) | 0.95 (12) | 0.95 (11) | 0.95 (12) |
| % loss reduction | - | 9.65 | 7.11 | 26.56 | 49.77 | - | 7.36 | 12.30 | 63.78 | 59.34 |
| Execution time in seconds | 0.23 | 20.53 | 20.73 | 7.06 | 6.42 | 0.19 | 6.65 | 29.52 | 6.27 | 6.51 |
| MODEL | Constant Power Model | ZIP Load Model | ||||||||
|---|---|---|---|---|---|---|---|---|---|---|
| Cases | Base Case | BAT Reconfig | MALO Reconfig | BAT DG + DSTAT + Reconfig | MALO DG + DSTAT + Reconfig | Base Case | BAT Reconfig | MALO Reconfig | BAT DG + DSTAT + Reconfig | MALO DG + DSTAT + Reconfig |
| Real power losses kW | 2.21 × 105 | 2.38 × 105 | 2.08 × 105 | 0.99 × 105 | 1.067 × 105 | 1.65 × 105 | 1.75 × 105 | 1.46 × 105 | 1.02 × 105 | 0.73 × 105 |
| Reactive power loss kVAr | 1.29 × 105 | 1.29 × 105 | 1.22 × 105 | 0.51 × 105 | 0.61 × 105 | 0.97 × 105 | 0.98 × 105 | 0.85 × 105 | 0.57 × 105 | 0.40 × 105 |
| PV size and location | - | - | - | 1654 (305), 4775 (207), 1967 (219) | 4647 (35), 2888 (166), 1212 (212) | - | - | - | 253 (115), 923 (170), 4847 (133) | 5000 (317), 5000 (249), 5000 (228) |
| DSTATCOM size and location | - | - | - | 9752 (149) 8864 (604) | 6922 (42) 8166 (216) | - | - | - | 3534 (19) 6231 (242) | 10,000 (202) 4719 (317) |
| Total operating Cost ($) | - | - | - | 1,905,880 | 1,586,315 | - | - | - | 1,110,030 | 1,933,980 |
| Vmin @bus | 0.95 (16) | 0.95 (11) | 0.95 (16) | 0.95 (12) | 0.95 (16) | 0.95 (16) | 0.95 (12) | 0.95 (12) | 0.95 (12) | 0.95 (12) |
| %Loss reduction | - | −8.08 | 5.58 | 55.21 | 51.69 | - | −5.64 | 11.50 | 38.42 | 55.75 |
| Execution time in seconds | 0.222 | 30.11 | 29.80 | 6.24 | 2.52 | 0.1946 | 3.28 | 28.0 | 2.31 | 4.76 |
Disclaimer/Publisher’s Note: The statements, opinions and data contained in all publications are solely those of the individual author(s) and contributor(s) and not of MDPI and/or the editor(s). MDPI and/or the editor(s) disclaim responsibility for any injury to people or property resulting from any ideas, methods, instructions or products referred to in the content. |
© 2024 by the authors. Licensee MDPI, Basel, Switzerland. This article is an open access article distributed under the terms and conditions of the Creative Commons Attribution (CC BY) license (https://creativecommons.org/licenses/by/4.0/).
Share and Cite
B. C., S.; A., U.; R. S., G. Optimal Planning of PV Sources and D-STATCOM Devices with Network Reconfiguration Employing Modified Ant Lion Optimizer. Energies 2024, 17, 2238. https://doi.org/10.3390/en17102238
B. C. S, A. U, R. S. G. Optimal Planning of PV Sources and D-STATCOM Devices with Network Reconfiguration Employing Modified Ant Lion Optimizer. Energies. 2024; 17(10):2238. https://doi.org/10.3390/en17102238
Chicago/Turabian StyleB. C., Sujatha, Usha A., and Geetha R. S. 2024. "Optimal Planning of PV Sources and D-STATCOM Devices with Network Reconfiguration Employing Modified Ant Lion Optimizer" Energies 17, no. 10: 2238. https://doi.org/10.3390/en17102238
APA StyleB. C., S., A., U., & R. S., G. (2024). Optimal Planning of PV Sources and D-STATCOM Devices with Network Reconfiguration Employing Modified Ant Lion Optimizer. Energies, 17(10), 2238. https://doi.org/10.3390/en17102238

