An Energy-Feed Type Split-Capacitor Three-Phase Four-Wire Power Electronic Load Compatible with Various Load Demands
Abstract
:1. Introduction
2. Materials and Methods
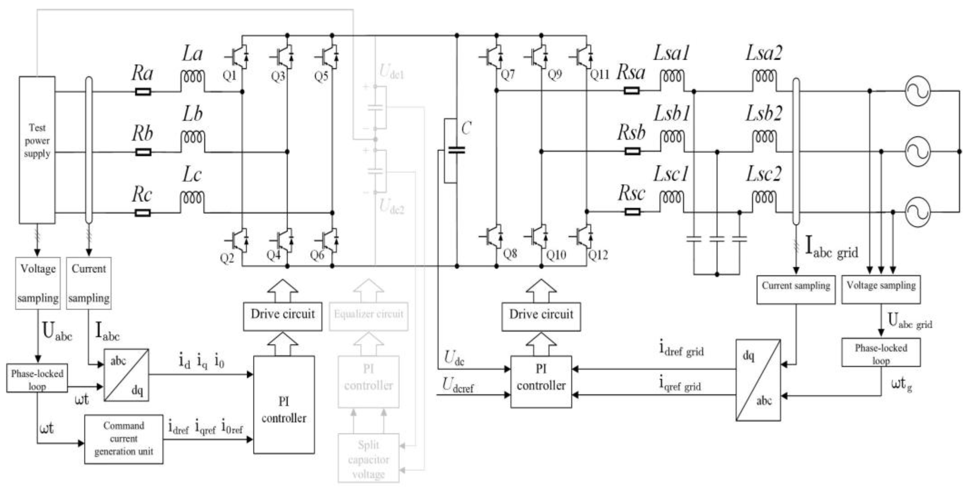
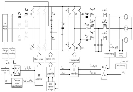
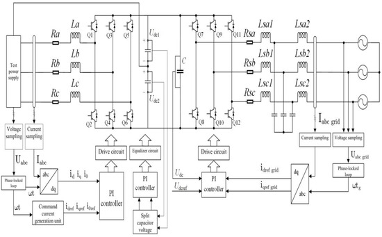
2.1. Topological Structure of Three-Phase Four-Wire Split Capacitor Power Electronic Load
- (1)
- Electronic Load Simulation Part: Essentially a three-phase PWM rectifier, it employs a current direct control method to precisely track the commanded current, ensuring that the power supply output current satisfies the corresponding load relationship with the power supply voltage. This achieves the goal of simulating the load. The testing power supply is a three-phase balanced power supply with an effective value of 220 V. Three-phase inductors (La, Lb, Lc) act as harmonic filters, enabling the three-phase current to meet grid requirements. Q1~Q6 are power switch devices (IGBTs) chosen to handle the high line current and voltage levels of the entire system. Two split capacitors maintain the stability of the DC bus voltage under conditions of unbalanced three-phase loads and nonlinear loads. The capacitor values are set to typical DC bus capacitance values, and a flyback equalization strategy is employed, with two IGBTs and a set of transformers connected in parallel at both ends of the split capacitors to equalize the voltage.
- (2)
- Energy Feedback Part: Essentially a three-phase PWM inverter, it utilizes a control method with DC voltage as the outer loop and current as the inner loop. The energy stored in the capacitors is converted into AC and fed back into the grid through the inverter, regulating the grid current power factor to achieve grid energy quality regulation and energy feedback goals. Q7~Q12 use IGBTs as power switch devices, and a classical LCL filter is selected for effective filtering.
2.2. The Analysis of the Operational States of the Three-Phase Four-Wire Split-Capacitor Power Electronic Load
2.2.1. Simulation of Three-Phase Balanced Loads
- (1)
- Phase-Locked Loop (PLL): This module is employed to detect the phase of the power source voltage. The detected phase is utilized in the instruction current generation unit and the coordinate transformation stage. Serving as the foundation of the entire control section, the PLL ensures that the instruction current generation unit produces the requisite three-phase balanced currents to emulate a three-phase balanced load. Moreover, it ensures that the grid side achieves a unity power factor for grid connection.
- (2)
- Command current generation circuit: Utilizing the previously acquired power source voltage phase, this circuit generates specified currents necessary for simulating a three-phase balanced load.
- (3)
- Drive circuit: Through coordinate transformation techniques, the currents in the abc coordinate system are converted to the dq0 coordinate system. The PI controller and Space Vector Pulse Width Modulation (SPWM) control generate switch signals for the circuit, which are then delivered to six IGBTs. These signals control the IGBTs’ conduction and switching, enabling the actual current in the circuit to closely approximate the instruction current.
2.2.2. Simulation of Three-Phase Unbalanced Loads and Non-Linear Loads
2.2.3. Simulation of Single-Phase Loads
3. Results
3.1. Results of the Simulation of Three-Phase Balanced Loads
3.2. Results of the Simulation of Three-Phase Unbalanced Loads
3.3. Results of the Simulation of Single-Phase Loads
3.4. Results of the Simulation of Non-Linear Loads
3.5. Results of the Simulation of Wide-Input Range Loads
3.6. Results of Actual Test
- Three-phase programmable AC power supply;
- Current probe;
- Oscilloscope;
- Electronic load;
- Power load;
- Inductance;
- DC-Link Capacitance;
- Electronic load simulation part;
- DC power supply;
- DSP;
- Upper control computer.
4. Discussion
- (1)
- Constructing a prototype of a lower power rating to further validate the reliability of the circuit structure. The current study relied on Matlab/Simulink for simulation experiments; thus, creating a physical prototype involves calculating suitable device parameters, selecting components such as IGBTs, capacitors, and inductors, drawing schematic and PCB diagrams in Altium Designer, and designing protection circuits for devices like IGBTs. The operational results of the prototype will serve to validate the feasibility of the circuit structure and guide further optimizations based on practical issues.
- (2)
- Further optimizing the circuit structure: The prevalent structures of three-phase four-wire power electronic loads primarily involve either the split-capacitor structure described in this article or an alternative structure employing an additional set of IGBTs as the fourth bridge arm. Future research will experimentally and analytically investigate the structure utilizing IGBTs as the fourth bridge arm, comparing its advantages and disadvantages with the proposed split-capacitor structure in terms of control modes, circuit topology, simulation effects, and harmonic content within the circuit. This comparative analysis aims to identify the optimal design solution for the circuit.
5. Conclusions
Author Contributions
Funding
Data Availability Statement
Conflicts of Interest
Abbreviations
| Abbreviations | Full Name |
| IEEE | Institute of Electrical and Electronics Engineers |
| IEEC | International Electrotechnical Commission |
| UPS | Uninterruptible Power Supply |
| LSC | Load Simulation Converter |
| DBT | Devices Be Test |
| EFC | Energy Feedback Converter |
| PWM | Pulse Width Modulation |
| SPWM | Sine Pulse Width Modulation |
| AC | Alternating Current |
| DC | Direct Current |
| IGBT | Insulated Gate Bipolar Transistor |
| THD | Total Harmonic Distortion |
| PCB | Printed Circuit Board |
| PI | Proportional Integral |
| PLL | Phase-Locked Loop |
| LCL | Inductance–Capacitance–Inductance |
References
- Li, K. Research on High Power Supply Quality Control Scheme for Distribution Room. Electromech. Inf. 2023, 12–16. [Google Scholar]
- An, J.; Liu, X. Research on Energy Feedback AC Electronic Load for Power Supply Testing. New Technol. Electr. Energy 2021, 40, 66–72. [Google Scholar]
- Wu, C.; Zhu, Y.; Li, Y. Design of Grid Connected Circuit for Electronic Load. Ind. Control Comput. 2022, 35, 143–144+147. [Google Scholar]
- Liu, H.; Cai, H.; Liao, D.; Zhou, J. Passive backstepping control of AC electronic loads under unbalanced power grid. Power Electron. Technol. 2023, 57, 79–82+102. [Google Scholar]
- Chen, W.; Zeng, J. Research on Active Disturbance Rejection Control of Power Electronic Load Based on Improved LESO. Electr. Meas. Instrum. 2023, 1–15. [Google Scholar]
- Wu, J.; Zeng, Z.; Wu, X. Design of Energy Feedback Power Factor Adjustable Single Phase AC Electronic Load. Mod. Electron. Technol. 2023, 46, 160–166. [Google Scholar] [CrossRef]
- Pan, S.; Zhao, J.; Wang, X. Research on high-power AC electronic loads. Power Electron. Technol. 2006, 40, 97–100. [Google Scholar]
- Liu, C.; Ye, C.; Xu, Y.; Wu, J.; Zhao, W. Simulation Research on Energy Feedback Electronic Load Applied in Power Supply Testing. Power Technol. 2012, 10, 1546–1548. [Google Scholar]
- Wang, C.; Zou, X.; Xu, Y.; Zou, Y.; Zhang, Y.; Chen, W.; She, X.; Li, F. High power electronic loads using improved repetitive control. Chin. J. Electr. Eng. 2009, 12, 1–9. [Google Scholar]
- Cai, H.; Chen, L.; Wei, M.; Wei, D. An energy fed electronic load for testing the characteristics of photovoltaic power generation systems. J. Sol. Energy 2021. [Google Scholar] [CrossRef]
- Li, X. Research on Energy Feedback Electronic Load and Its Dynamic Characteristics. Master’s Thesis, Nanjing University of Aeronautics and Astronautics, Nanjing, China, 2023. [Google Scholar]
- Gupta, S.; Ruth, R. Load Bank Elimination for UPS Testing. In Proceedings of the IEEE Industry Applications Society Annual Meeting, Seattle, WA, USA, 7–12 October 1990. [Google Scholar]
- Chu, C.L.; Chen, J.F. Self-Load Bank for UPS Testing by Circulating Current Method. IEEE Proc. Electr. Power Appl. 1994, 141, 191–196. [Google Scholar] [CrossRef]
- O’Sullivan, G. A Power Supply Testing with the Power Recycler. IEEE Trans. Power Convers. 1992, 92, 228–235. [Google Scholar]
- Ayres, C.A.; Barbi, I. A family of converters for UPs production burn-in energy recovery. IEEE Trans. Power Electron. 1997, 12, 615–622. [Google Scholar] [CrossRef]
- Bonaldo, J.P.; Pomilio, J.A.; Vendrusculo, E.A. Power Equalization Techniques for Three-Phase VSI-Driven Single-Phase Ozone Generators. Ozone Sci. Eng. J. Int. Ozone Assoc. 2015, 37, 9–21. [Google Scholar] [CrossRef]
- Xu, L.; Fang, Y.; Liu, Y. Research on three-phase energy fed AC electronic loads based on dual PWM converters. Comput. Digit. Eng. 2020, 10, 2512–2518. [Google Scholar]
- Cai, H.; Mei, J.; Liao, D.; Tong, Y. Research on AC Energy Feedback DC Electronic Load. J. Cent. North Univ. Nat. Sci. Ed. 2017, 38, 364–372. [Google Scholar]
- Cao, Y. Research on the Control Scheme of Single-Phase Energy Feedback AC Electronic Load. Master’s Thesis, Shanghai Jiao Tong University, Shanghai, China, 2020. [Google Scholar]
- Deng, T. Design of Energy Feedback DC Electronic Load with Harmonic Compensation. Master’s Thesis, South China University of Technology, Guangzhou, China, 2020. [Google Scholar] [CrossRef]
- Heerdt, J.A.; Coutinho, D.F.; Mussa, S.A.; Heldwein, M.L. Control Strategy for Current Harmonic Programmed AC Active Electronic Power Loads. IEEE Trans. Ind. Electron. 2014, 61, 3810–3822. [Google Scholar] [CrossRef]
- Wu, Z.; Zou, X.; Huang, Q.; Zhang, Z.; Zou, Y. Research on three-phase power electronic load grid connected converter. Chin. J. Electr. Eng. 2010, 1–7. [Google Scholar] [CrossRef]

















| Parameter | Unit | Value |
|---|---|---|
| RMS voltage of the power source | V | 220 |
| Rectification side filter inductance | H | 700 × 10−6 |
| DC bus voltage | V | 1000 |
| DC bus capacitor | F | 10 × 10−3 |
| Inverter side filter inductance | H | 500 × 10−6 |
| Grid-connected side filter inductance | H | 250 × 10−6 |
| LCL damping resistor | R | 0.4 |
| Frequency of the grid | Hz | 50 |
| Peak value of three-phase balanced current | A | 200 |
| Parameter | Unit | Value |
|---|---|---|
| RMS voltage of the power source | V | 220 |
| Rectification side filter inductance | H | 700 × 10−6 |
| DC bus voltage | V | 1000 |
| DC bus capacitor | F | 10 × 10−3 |
| Inverter side filter inductance | H | 500 × 10−6 |
| Grid-connected side filter inductance | H | 250 × 10−6 |
| LCL damping resistor | R | 0.4 |
| Frequency of the grid | Hz | 50 |
| Peak value of Phase A | A | 700 |
| Peak value of Phase B | A | 500 |
| Peak value of Phase C | A | 200 |
| Parameter | Unit | Value |
|---|---|---|
| RMS voltage of the power source | V | 220 |
| Rectification side filter inductance | H | 700 × 10−6 |
| DC bus voltage | V | 1000 |
| DC bus capacitor | F | 10 × 10−3 |
| Inverter side filter inductance | H | 500 × 10−6 |
| Grid-connected side filter inductance | H | 250 × 10−6 |
| LCL damping resistor | R | 0.4 |
| Frequency of the grid | Hz | 50 |
| Peak value of Phase A | A | 1500 |
| Parameter | Unit | Value |
|---|---|---|
| RMS voltage of the power source | V | 220 |
| Rectification side filter inductance | H | 700 × 10−6 |
| DC bus voltage | V | 1000 |
| DC bus capacitor | F | 10 × 10−3 |
| Inverter side filter inductance | H | 500 × 10−6 |
| Grid-connected side filter inductance | H | 250 × 10−6 |
| LCL damping resistor | R | 0.4 |
| Frequency of the grid | Hz | 50 |
| Peak value of Phase A | A | 700 |
| Peak value of Phase B | A | 500 |
| Peak value of Phase C | A | 200 |
| The voltage variation range | V | 70–370 |
Disclaimer/Publisher’s Note: The statements, opinions and data contained in all publications are solely those of the individual author(s) and contributor(s) and not of MDPI and/or the editor(s). MDPI and/or the editor(s) disclaim responsibility for any injury to people or property resulting from any ideas, methods, instructions or products referred to in the content. |
© 2023 by the authors. Licensee MDPI, Basel, Switzerland. This article is an open access article distributed under the terms and conditions of the Creative Commons Attribution (CC BY) license (https://creativecommons.org/licenses/by/4.0/).
Share and Cite
Sun, S.; Huang, Q.; Luo, B.; Lu, J.; Luo, J.; Ma, Z.; Zhu, G. An Energy-Feed Type Split-Capacitor Three-Phase Four-Wire Power Electronic Load Compatible with Various Load Demands. Energies 2024, 17, 119. https://doi.org/10.3390/en17010119
Sun S, Huang Q, Luo B, Lu J, Luo J, Ma Z, Zhu G. An Energy-Feed Type Split-Capacitor Three-Phase Four-Wire Power Electronic Load Compatible with Various Load Demands. Energies. 2024; 17(1):119. https://doi.org/10.3390/en17010119
Chicago/Turabian StyleSun, Shiyi, Qingjun Huang, Bingyang Luo, Jianghua Lu, Jiapeng Luo, Zexu Ma, and Guorong Zhu. 2024. "An Energy-Feed Type Split-Capacitor Three-Phase Four-Wire Power Electronic Load Compatible with Various Load Demands" Energies 17, no. 1: 119. https://doi.org/10.3390/en17010119
APA StyleSun, S., Huang, Q., Luo, B., Lu, J., Luo, J., Ma, Z., & Zhu, G. (2024). An Energy-Feed Type Split-Capacitor Three-Phase Four-Wire Power Electronic Load Compatible with Various Load Demands. Energies, 17(1), 119. https://doi.org/10.3390/en17010119
