Next Article in Journal
Characterization of the Hydropower Inlet Effect on the Electric Network Frequency
Previous Article in Journal
Bubbling Phenomena in Liquid-Filled Transformers: Background and Assessment
 
 
Font Type:
Arial Georgia Verdana
Font Size:
Aa Aa Aa
Line Spacing:
Column Width:
Background:
Article

Improving the Accuracy of Digital Unbalanced Impedance Bridges

Institute of Metrology, Electronics and Computer Science, University of Zielona Góra, 65-417 Zielona Góra, Poland
*
Author to whom correspondence should be addressed.
Energies 2023, 16(9), 3833; https://doi.org/10.3390/en16093833
Submission received: 14 March 2023 / Revised: 18 April 2023 / Accepted: 28 April 2023 / Published: 29 April 2023

Abstract

This article presents an automatic digital unbalanced impedance bridge for comparing two-port impedances: R-R, R-C and C-C. The bridge consists of a two-channel digital source of voltage sinusoidal waveforms supplying the bridge arms and a three-channel precise digitizer, by means of which the complex ratio of the source output voltages and the relative bridge unbalanced voltage are determined. The hardware implementation of the bridge is based on a relatively inexpensive universal data acquisition (DAQ) card by National Instruments, USB-6281, which contains, among others, a multi-channel 18-bit analog-to-digital converter (ADC) and two 16-bit digital-to-analog converters (DAC). Thanks to the new approach to the bridge operation algorithm, consisting in the use of the interpolation method in the comparison process, the influence of the accuracy of the measurement of the bridge unbalanced voltage and some bridge parasitic admittances on the uncertainty of the impedance comparison were minimized. This simplifies the measurement procedure and shortens its execution time. The obtained results confirmed that a relatively simple digital unbalanced bridge can compare impedance standards with an uncertainty of less than 10−5. By reducing the requirements regarding the uncertainty of the measurement, and thus its execution time, the presented bridge supplemented with impedance sensors can be used in many areas of industry.

1. Introduction

The basic circuits used in impedance measurements are ac bridges. In a classical impedance bridge, composed of two voltage sources and two compared impedances, the impedance ratio is directly determined by the ratio of the voltages across the source terminals. For many years, the aim of electronic bridge development has been to replace the previously used systems—which reproduced the ratio of two sinusoidal voltages based on elements with strong magnetic coupling, such as measuring transformers and inductive voltage dividers—with a system of two electronic voltage sources. This allows the simplification of the construction of the bridge and the comparison of impedances of any kind and facilitates the automation of the bridge balancing process.
Real progress in the development of bridges with electronic voltage sources became possible when the method of digital frequency synthesis was used to generate sinusoidal signals. Such digital sources of sine wave voltages were characterized by, among others, precise and largely frequency-independent amplitude and phase adjustment, as well as very good amplitude, phase and frequency stability. This allowed the construction of fully digital automatic impedance bridges with increasingly better metrological properties. The first bridge with digital sine wave voltage sources, devoid of elements with strong magnetic coupling, is presented in [1]. In the following years, new digital bridge solutions were presented, with the main trend being related to the construction of bridges for accurate impedance measurements and developed mainly by the National Metrological Institutes (NMI) or in cooperation with them [2,3,4,5,6,7,8,9,10,11,12,13,14].
Currently, automatic fully digital bridges allow comparisons of impedance standards with an uncertainty of 10−6–10−5 in the audio frequency range [15,16,17,18,19,20,21]. Achieving such measurement uncertainties requires the use of systems based on DAC and ADC converters with extremely high resolutions and appropriate, often advanced, digital signal processing algorithms. The fully digital bridges developed so far can be classified according to various criteria, due to the possibility of comparing impedance elements with different terminal layouts, e.g., three-terminal, two-port coaxial and four-port coaxial [22]. Considering the issues presented in [18], the division of bridges is important due to the method of determining the reference voltage ratio, which determines the ratio of the compared impedances. The first group is sourcing bridges (generating or DAC-based), in which the reference voltage ratio is determined by the amplitude and phase settings of digital voltage sources. The second group is digitizing bridges (sampling or ADC-based), in which the reference voltage ratio is determined by measurement (sampling method) of the output voltages of digital sources. In both cases, the reference voltage ratio is determined in the equilibrium state of the bridge. The bridges mentioned above, used in impedance standard comparisons, are relatively complex solutions that use commercial lock-in amplifiers as zero detectors. In addition, the bridge-balancing process requires multiple measurements of the low-level unbalanced signal, which significantly increases the total measurement time.
Impedance measurements play an important role not only in the above-mentioned area related to standard comparisons, but also in many fields of science, technology and industry. In many applications, there is often less demand for measurement accuracy. What is important, however, is a less complicated, and thus more economical, construction and a relatively short measurement time. These advantages allow the use of these types of bridges as measurement circuits combined with accurate capacitive and resistance sensors. They can also be used in electrochemical impedance spectroscopy [23,24,25,26]. One of the possible ways to develop systems that meet such requirements may be based on the use of experience and research results on the automatic digital balanced bridges discussed above. Such a possibility is provided by the construction of unbalanced bridges, which the authors have been researching for a long time [27]. In an unbalanced bridge, it is advantageous to bring it to a state close to equilibrium. In this state, the unbalanced voltage is measured, so it is not necessary to use sources with precise adjustment of the amplitude and phase of the output voltages. This greatly simplifies the design of the bridge. The digital unbalanced bridge is a bridge in which the ratio of the compared impedances is determined by measuring the ratio of the output voltages of the sine wave sources relative to the unbalanced voltage in a state close to equilibrium using digital signal processing methods.
The metrological properties of the digital automatic unbalanced bridge were presented by the authors in [28]. It was shown there that parasitic admittances occurring in the branch of the zero detector have a significant impact on the achieved measurement uncertainty. The effective method of minimizing this impact presented there requires prior measurement of the parasitic admittances, which was a certain disadvantage of this solution. The article presents a concept eliminating this disadvantage by using the interpolation method in an unbalanced bridge. This work is also an extension of the research described in reference [29], mainly in the part concerning the assessment of the uncertainty of impedance measurement and the experimental verification of the applied measurement method, which was carried out using impedance standards with much better metrological properties.

2. Measurement Method

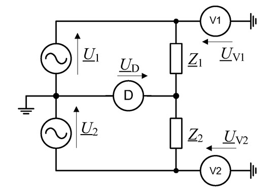
In the unbalanced digital impedance bridge (Figure 1), by means of which elements with impedances Z1 and Z2 are compared, a state close to equilibrium is achieved by adjusting the amplitude and phase of voltages U1 and U2 generated by digital sources of sinusoidal voltages. The system measures the unbalanced voltage UD with the use of the zero indicator D and the voltage ratio U1/U2 with the use of an appropriate measuring circuit that enables the measurement of the complex voltage ratio; most often it is a multichannel sampling system usually called a digitizer. In Figure 1, this system is represented by voltmeters V1 and V2.
The ratio of the compared impedances Z1 and Z2 is given by the relation:
K _ Z = K _ UV U _ D , r 1 + U _ D , r ,
where K _ Z = Z _ 1 / Z _ 2 is the ratio of the compared impedances, K _ UV = U _ V 1 / U _ V 2 is the ratio of the output voltages of digital voltage sources measured with a digitizer, and U _ D , r = U _ D / U _ V 2 is the relative unbalanced voltage of the bridge. From the measurement of the real component A and the imaginary component B of the voltage ratio K _ UV = A + j B and the real component U D , r S and the imaginary component U D , r Q , respectively, of the relative unbalanced voltage U _ D , r = U D , r S + j U D , r Q , the impedance ratio can be represented as
Z _ 1 Z _ 2 = A + j B U D , r S + j U D , r Q 1 + U D , r S + j U D , r Q .    
If we mark the real and imaginary components of the impedance ratio KZ by E and F, respectively, then the relations (3) and (4) are obtained, which allow the determination of the ratio of the dominant and residual impedance components for comparisons of any kind of impedances (such as R-C or L-C):
E = A 1 + U D , r S U D , r S 1 + U D , r S + U D , r Q B U D , r Q 1 + U D , r S 2 + U D , r Q 2 ,
F = B 1 + U D , r S U D , r S 1 + A 1 + U D , r S 2 + U D , r Q 2 .
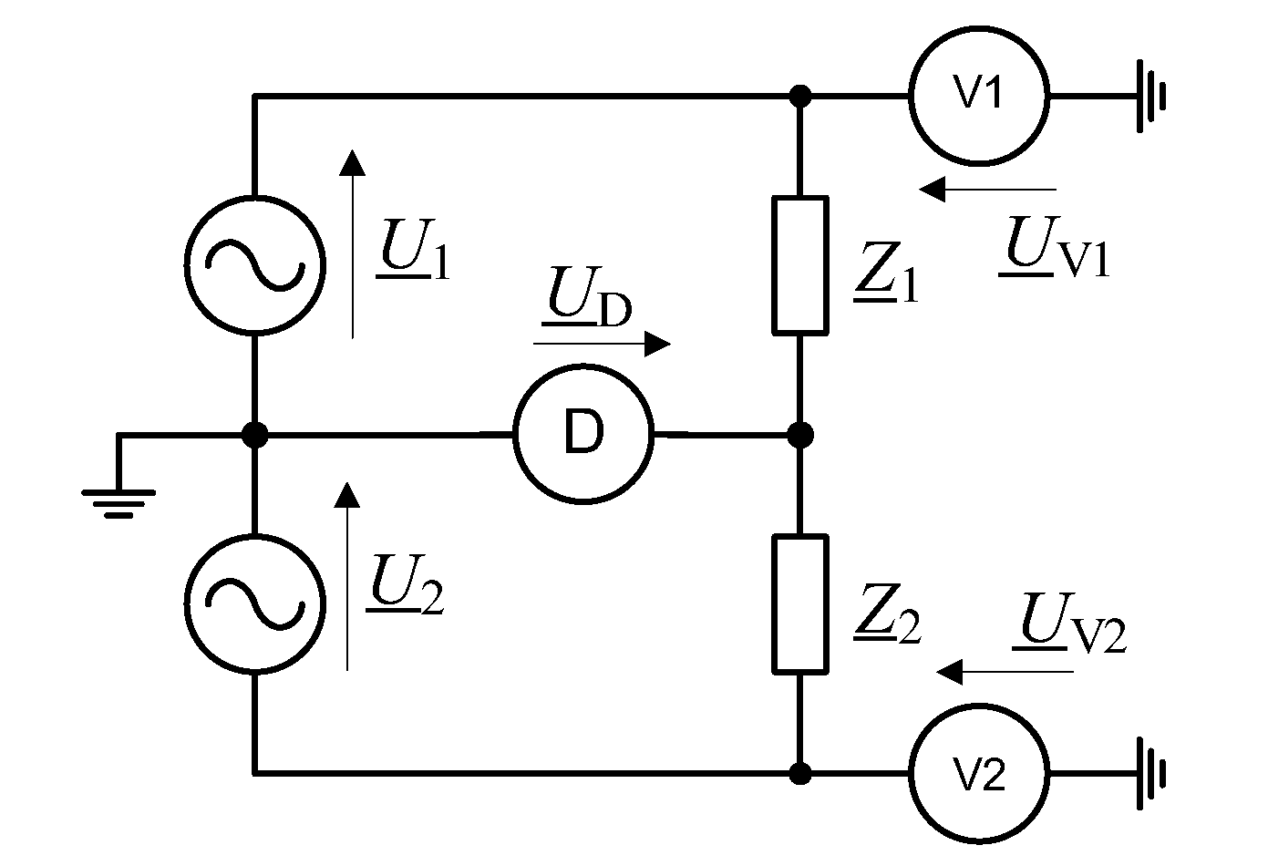
In Reference [29], it was shown, among others, that to obtain a sufficiently low value of the uncertainty of the impedance comparison, it is necessary to consider the parasitic admittances of individual elements of the measurement circuit. In order to explain the limitations related to the influence of parasitic admittances occurring in the real measurement system, the equivalent diagram of the bridge is presented in Figure 2, which includes the most important of the mentioned quantities.
In the schematic diagram shown in Figure 2, ZS1 and ZS2 represent the output impedances of digital voltage sources; YV1, YV2 and YD represent, respectively, the input admittances of the U1 and U2 voltage measuring system and the input admittance of the zero detector; and YH1, YL1, YH2 and YL2 represent, respectively, the parasitic admittances associated with the compared impedance elements Z1 and Z2.
In Reference [28] it was shown that the input admittance of the zero detector YD and the parasitic admittances of the compared impedances YL1 and YL2 have the most significant impact on the result of the impedance comparison, which together can be presented as equivalent impedance YE = YD + YL1 + YL2. If this admittance is included in (1), then the following relation is obtained:
K _ Z = K _ UV U _ D , r 1 + U _ D , r 1 + Z _ 2 Y _ E   .
The method of measuring impedance using an unbalanced bridge, presented in [28], requires knowledge of the admittance YE, the value of which was determined by measurement. Including it in the mathematical model of the bridge significantly minimized the impedance comparison error caused by the influence of the YE admittance. It was also shown that the measurement uncertainty of YE admittance was significant for the effectiveness of minimizing this impact.
The interpolation method proposed in the article eliminates this inconvenience. The concept of the interpolation method presented here in relation to the unbalanced bridge consists in performing a double measurement of the ratio of the voltages KUV and the unbalanced voltage UD,r for two different voltage settings of the bridge sources, whose settings are selected so that the value of the unbalanced voltages is close to zero. To explain this concept, Equation (5) is presented in the form:
k _ r U _ D , r = K _ Z K _ UV ,
where
k _ r = K _ Z 1 + Z _ 2 Y _ E + 1
is a quantity independent of the voltages present in the bridge, and which will be referred to as the unbalanced voltage coefficient. The value of the coefficient kr depends on the values of the compared impedances and the parasitic admittance in the measurement diagonal of the bridge and has a constant value for a specific measurement frequency. If the results of measurements made for the above-mentioned two states of bridge unbalance are considered, then a system of equations is obtained:
k _ r U _ D , r = K _ Z K _ UV ,
k _ r U _ D , r ′′ = K _ Z K _ UV ′′ .
Solving the system of Equations (8) and (9), one obtains the relation:
K _ Z = K _ UV + U _ D , r K _ UV ′′ K _ UV U _ D , r U _ D , r ′′ .
Equation (10) shows that the sought impedance ratio KZ can be determined from the results of two measurements of the ratio of voltages K _ UV and K _ UV ′′ reproduced by digital voltage sources and unbalanced voltages U _ D , r and U _ D , r ′′ respectively. Knowledge of the admittance value YE is not required to determine the ratio of the compared impedances. It should be noted that the denominator of the fraction in expression (10) could theoretically take a value approaching zero if the measurements of the offset voltage were made for two identical values of the digital settings of the voltage sources, which, however, is contrary to the interpolation method presented here.
Moreover, it can be added that, in the presented method, it is advantageous to choose the values of K _ UV and K _ UV ′′ for which the condition U _ D , r = U _ D , r ′′ is met, which will be discussed later in the paper. It can also be shown that, in this case, the systematic errors of the unbalanced voltage measurement from the use of a digitizer are eliminated, which is another advantage of the proposed measurement method.

3. Measurement Uncertainty

The aim of the considerations is to determine the measurement uncertainty of the real component E and the imaginary component F of the ratio of the compared impedances KZ. First, the measurement error of the impedance ratio ΔKZ is determined. It can be shown, based on Equation (10), that this error is given by the following relation:
Δ K _ Z = 1 2 Δ K _ UV + Δ K _ UV ′′ + k _ r 2 Δ U _ D , r + Δ U _ D , r ′′ + 1 2 U _ D , r ′′ + U _ D , r U _ D , r ′′ U _ D , r Δ K _ UV Δ K _ UV ′′ k _ r Δ U _ D , r ′′ Δ U _ D , r ,
which considers the measurement errors of the ratios of the voltages Δ K _ UV and Δ K _ UV ′′ and the unbalanced voltages Δ U _ D , r and Δ U _ D , r ′′ , respectively.
If the settings of the digital voltage sources in both measurements are selected so that the aforementioned condition is met:
U _ D , r = U _ D , r ′′ ,
then expression (11) takes the form:
Δ K _ Z = 1 2 Δ K _ UV + Δ K _ UV ′′ + 1 2 k _ r Δ U _ D , r + Δ U _ D , r ′′ .
Considering that
k _ r = K _ UV ′′ K _ UV U _ D , r U _ D , r ′′ ,
finally, the following relation is obtained, defining the measurement error of the impedance ratio in an unbalanced bridge using the interpolation method:
Δ K _ Z = 1 2 Δ K _ UV + Δ K _ UV ′′ + 1 2 K _ UV ′′ K _ UV U _ D , r U _ D , r ′′ Δ U _ D , r + Δ U _ D , r ′′ .
To determine the measurement errors of the real part E and the imaginary part F of the impedance ratio, the complex errors occurring in relation (15)—the impedance ratio (16), the ratio of the measured voltages reproduced by digital voltage sources (17–18) and the unbalanced voltages (19–20)—are presented in the form of the sum of their real and imaginary parts:
Δ K _ Z = Δ E + j Δ F ,
Δ K _ UV = Δ K UV S + j Δ K UV Q   ,
Δ K _ UV ′′ = Δ K UV S ′′ + j Δ K UV Q ′′ ,
Δ U _ D , r = Δ U D , r S + j Δ U D , r Q ,
Δ U _ D , r ′′ = Δ U D , r S ′′ + j Δ U D , r Q ′′ .
Considering the relations (16–20) in (15), the following form of the expressions defining the measurement error, respectively, of the real and imaginary parts of the ratio of the compared impedances Z1 and Z2 are obtained:
Δ E = 1 2 Δ K UV S + Δ K UV S ′′ 1 2 Re K _ UV ′′ K _ UV U _ D , r U _ D , r ′′ Δ U D , r S + Δ U D , r S ′′ + 1 2 Im K _ UV ′′ K _ UV U _ D , r U _ D , r ′′ Δ U D , r Q + U D , r Q ′′ ,
Δ F = 1 2 Δ K UV Q + Δ K UV Q ′′ 1 2 Re K _ UV ′′ K _ UV U _ D , r U _ D , r ′′ Δ U _ D , r Q + U _ D , r Q ′′ 1 2 Im K _ UV ′′ K _ UV U _ D , r U _ D , r ′′ Δ U _ D , r S + Δ U _ D , r S ′′ .
Assuming that the individual values of errors occurring in (21) and (22) are statistically independent, we can proceed to the measurement uncertainty [30] of the ratio of the compared impedances Z1 and Z2 and present them in the following form:
u E = 1 2 u K UV S 2 + u K UV S ′′ 2 + Re K _ UV ′′ K _ UV U _ D , r U _ D , r ′′ 2 u U D , r S 2 + u U D , r S ′′ 2 + Im K _ UV ′′ K _ UV U _ D , r U _ D , r ′′ 2 u U D , r Q 2 + u U D , r Q ′′ 2   ,
u F = 1 2 u K UV Q 2 + u K UV Q ′′ 2 + Re K _ UV ′′ K _ UV U _ D , r U _ D , r ′′ 2 u U D , r Q 2 + u U D , r Q ′′ 2 + Im K _ UV ′′ K _ UV U _ D , r U _ D , r ′′ 2 u U D , r S 2 + u U D , r S ′′ 2   .
The analysis of dependencies (23), (24) shows that the contribution of the measurement uncertainty of the unbalanced voltage components to the value of the combined standard uncertainty of the measurement of the real component E and the imaginary component F of the ratio of the compared impedances KZ (third and fourth components of the expression under the square root) can be minimized by appropriate selection in the process of measuring the values of K _ UV and K _ UV ′′ as well as U _ D , r and U _ D , r ′′ , which was mentioned in Section 3 and which is consistent with the assumptions of the interpolation method presented here.

4. Settings of Digital Voltage Sources in the Interpolation Method

In Section 2, it was mentioned that, in order to eliminate systematic errors in the measurement of unbalanced voltages using a digitizer, it is beneficial to select the settings of digital voltage sine wave sources in such a way as to reproduce the ratio of the voltages K _ U and K _ U   ′′ , so that, in both cases, the unbalanced voltages U _ D , r and U _ D , r ′′ are obtained, which have the same modulus value and differ in an argument by 180 degrees (Equation (12)). It is therefore assumed that the voltage ratio reproduced in both cases should have the same modulus value and the opposite sign. It is assumed that, in both cases, the unbalanced voltage has a relatively small value, i.e., the bridge is slightly unbalanced. Based on the assumptions given above, the procedure for selecting the settings of the digital voltage sine wave source (DVSS) can be presented as follows. Assuming that the ratio of the compared impedances KZ is known, the ratio of the reproduced voltages KU is also known for which the bridge is close to equilibrium. Therefore, it is assumed that, in the first and second cases, the value of KU is changed to obtain K _ U and K _ U   ′′ values with the same modulus value and opposite phase. This procedure can be written as follows:
K _ U = 1 + j α K _ Z ,
K _ U ′′ = 1 j α K _ Z ,
where α is a positive real number of relatively small value, in practice not exceeding a few percent. Taking into account (25) and (26) in relations (8) and (9), we obtain:
U _ D , r = j α K _ Z k _ r ,               U _ D , r ′′ = j α K _ Z k _ r   .
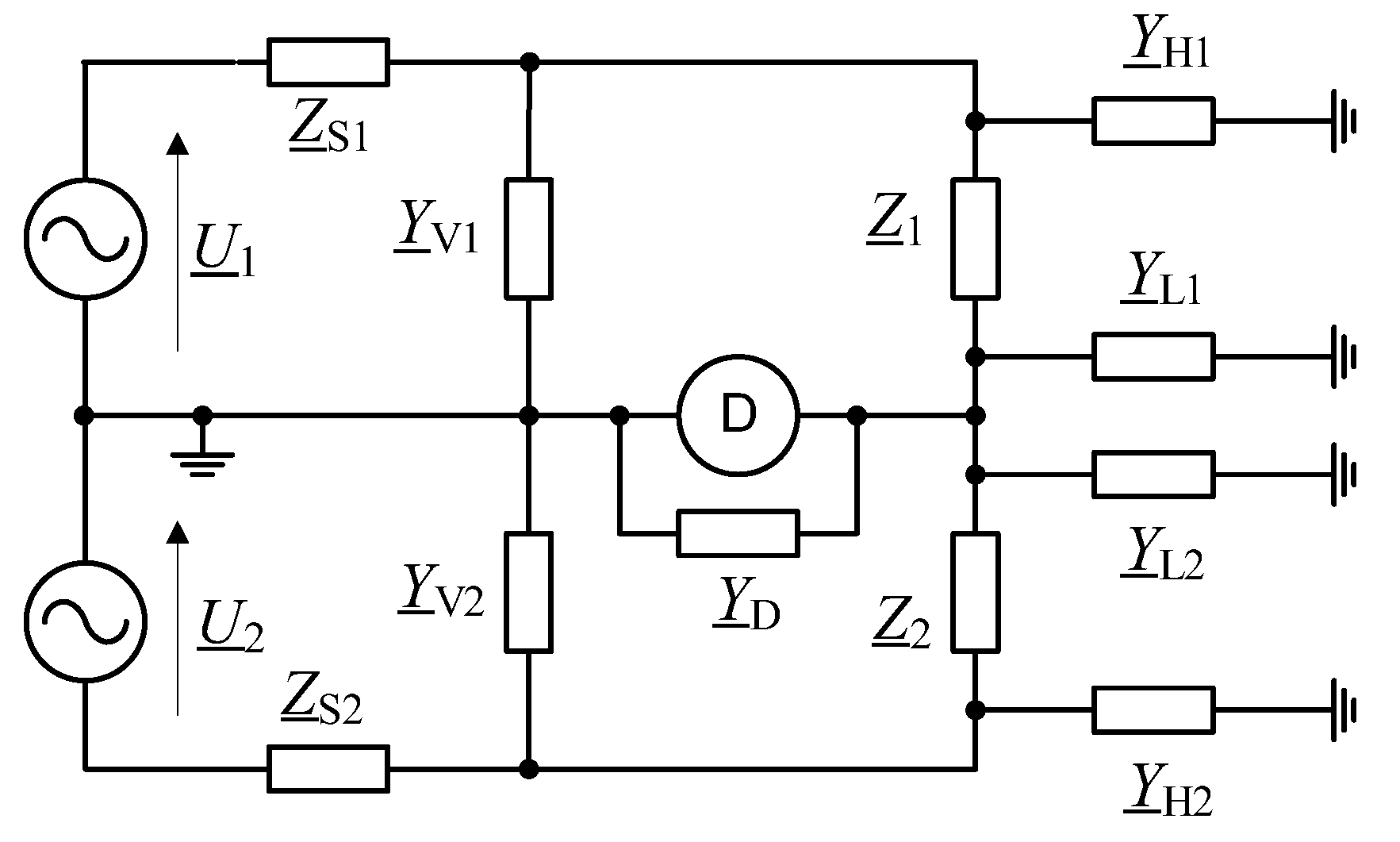
The procedure related to the selection of DVSS settings in the proposed interpolation method can be illustrated graphically. For this purpose, it is assumed that the nominal value of the ratio of the compared impedances KZN is known, which differs from the correct value KZ by a certain value of the error of the real part ΔEN and the imaginary part ΔFN (cf. (16)), which can be expressed by the relation:
K _ Z = K _ ZN + Δ E N + j Δ F N .
Figure 3 shows a graphical interpretation of the selection of DVSS settings in the interpolation method for R-R and C-C comparisons, for which it can be assumed that the ratio of the compared impedances is equal to the real part of KZ.
The presented considerations show that the smaller the difference between the nominal KZN value and the correct KZ value of the ratio of the compared impedances (respectively, small ΔEN and ΔFN values), the more effective will be the elimination of systematic unbalanced voltage measurement errors, and thus the lower the uncertainty of the impedance comparison.

5. Experimental Setup and Results

5.1. Experimental Setup

Figure 4 shows an experimental setup of a digital unbalanced impedance bridge, which uses a National Instruments DAQ (Digital Acquisition) board NI-6281 [31], to measure the complex ratio of the voltages supplying the bridge branches, to measure the relative unbalanced voltage (digitizer function) and to reproduce sinusoidal signals supplying the bridge branches (DVSS function).
The experimental setup is based on the idea presented in [28,29]. Two 16-bit digital-to-analog converters, DAC1 and DAC2, create a two-channel DVSS operating on the basis of digital frequency synthesis. Selective measurement of all necessary voltages in the unbalanced bridge is performed by an 18-bit SAR-type analog-to-digital converter (ADC) based on the sampling method and processing in the digital domain using the DFT algorithm. The complete digitizer circuit consists of DAQ internal blocks (ADC, low-pass filter (LPF), analog multiplexer (MUX)) and an external home-made ac buffer (AC BUF), which works in the configuration of a voltage follower with capacitive coupling. The measurement card uses the same clock source for voltage generation and sampling, which allows for their full synchronization. In Figure 4, the output voltages of the generators supplying the bridge branches are marked with the symbols US1 and US2. The voltages subject to sampling (complex voltage ratio measurement and unbalanced voltage measurement) are marked with the symbols UD, UV1 and UV2, respectively. Impedance standards are placed in a thermostat that maintains a temperature of 23 °C with an accuracy of ±0.1 °C. All cables (coaxial) and system components (including coaxial tee, marked T in Figure 4)) are shielded. The DAQ card is connected to a PC via the USB bus. The software of the unbalanced impedance bridge was implemented entirely in the LabWindows/CVI environment in the form of a virtual measuring instrument.

5.2. Results

Experimental tests of the bridge were carried out using impedance standards, the list of which is presented in Table 1.
To compare the results of measurements obtained using the tested unbalanced bridge, in which the interpolation method was used, with the results obtained using a balanced bridge, measurements were made in each case in a system with the same hardware configuration but operating in both bridge modes: unbalanced and balanced.
The applied reference resistors and capacitors worked in a two-port coaxial connection circuit and, during the comparisons, they were placed in a thermostat in which the temperature of (23 ± 0.1) °C was maintained. A list of sample comparisons is presented in Table 2.
Table 3 shows the values of the real part Re and the imaginary part Im of the ratio of the compared impedances KZ determined from the measurements made using the interpolation method. For R-R comparisons, the component Re(KZ) refers to the ratio of the resistances of the compared standards, while the imaginary component Im(KZ) represents the phase angle equal to the difference of the arguments of the compared impedances. Similarly, in the case of C-C comparisons, the imaginary component represents the capacitance ratio, and the imaginary component the difference in phase angles of the compared capacitance standards. For the R-C comparison, the imaginary component refers to the dominant impedance components, while the imaginary component represents the difference of the residual components of the standards, i.e., the time constant of the resistance standard or the dielectric loss factor of the capacitance standard. In Table 3, there are also the differences Δbal. given between the experimentally determined real components Re(KZ) in the case of R-R and C-C comparisons and the imaginary Im(KZ) in the case of the R-C comparison in the interpolated bridge and the balanced bridge. Similarly, Δcal. means the differences between the above-mentioned impedance components determined using the interpolation method and the values determined on the basis of calibration certificates of impedance standards and the results of measurements made at the Polish NMI Central Office of Measures (GUM, Warsaw, Poland). Data from standards calibration certificates and data from measurements made at the GUM are referred to in the rest of this article as the data of standards calibration.
Figure 5 presents the results of comparisons of the dominant impedance components of the impedance standards listed in Table 2. For clarity, the deviation of the experimentally determined ratio of the dominant components from their nominal value is given for each comparison (column 4 in Table 2). The analysis of the presented results of impedance comparisons made in the interpolated bridge and balanced bridge shows that they are all consistent within the estimated uncertainties. However, when analyzing the results of the measurements using the interpolated bridge with the data of standards calibration, one should notice a very good agreement in the case of comparisons no. 3, 4 and 5, and a relatively small discrepancy in the case of comparisons no. 1 and 2.
The comparisons mentioned above were made in the frequency range of 400 Hz–10 kHz. Figure 6 and Figure 7 show, as examples, the results of comparisons of capacitance standards with nominal values of 100 pF and 1nF (item 2 in Table 2) and the results of comparisons of resistance standards with nominal values of 10 kΩ and 100 kΩ (item 3 in Table 2) performed in a balanced bridge and in an unbalanced bridge, in the whole range of measurement frequencies.
From the analysis of measurement uncertainty of the real E and imaginary F components of the impedance ratio KZ, presented in Section 3, i.e., u(E) and u(F), respectively, the value of the complex uncertainty is determined by the uncertainty of measurements (made with a digitizer) of the components of the voltage ratio KUV, respectively u K UV S and u K UV Q , and the components of the relative unbalanced voltage UD,r, respectively u U D , r S and u U D , r Q . As was shown in Reference [29], the quantization and linearity errors of the digitizer have a decisive impact on the value of these uncertainties. For example, for the comparison Z 10 k A / Z 100 k A , presented earlier, for the frequency of 1 kHz, the values of the listed uncertainties (type B) are at the level of 1.6 × 10−6. The type A uncertainty (series of six measurements) is 0.1 × 10−6. Hence, based on Equation (23), the complex standard uncertainty u(E) is approximately equal to 1.6 × 10−6 and the expanded uncertainty (k = 2) equals 3.2 × 10−6 (cf. Figure 4 and Figure 5). The uncertainty for the remaining comparisons of impedance standards was similarly estimated.
Comparisons of impedance standards, the results of which are presented above, were carried out assuming that the nominal values of the compared standards were known, and using the selection of DVSS settings in accordance with the procedure described in Section 4. With these assumptions, the time necessary to determine the ratio of compared impedances was approximately 6.5 s. This value consists of the time for changing the DVSS amplitude settings twice (approximately 2 s), the time for double measurement of the DVSS output voltages and double measurement of the bridge unbalanced voltages (approximately 4.5 s in total). It was experimentally determined that, to obtain the value of type A uncertainty below 1 ppm, a series of six consecutive measurements should be performed. The total time necessary to perform one series of comparisons was about 40 s.

6. Conclusions

This paper presents an automatic digital unbalanced impedance bridge designed for comparing two-port impedance elements in the audio frequency range. The interpolation method used in the bridge allows the determination of the ratio of the compared impedances based on only two measurements of the ratio of the output voltages of the sources and the bridge unbalanced voltages. It has been shown that, thanks to the interpolation method, it is possible to significantly reduce the influence of some parasitic admittances on the measurement result, without the need to determine their values. It should be added that, in the balanced bridge in the equilibrium state, this influence is negligibly small, while in the unbalanced bridge previously developed by the authors, it was necessary to experimentally determine the above-mentioned admittances and programmatically correct their impact on the measurement result [28]. The measurement method described in this article has been experimentally verified by performing a series of comparisons of selected kind impedance standards (R-R, R-C and C-C), in the bridge circuit based on a universal commercial data acquisition card. It is confirmed that, in this relatively simple digital unbalanced bridge, which is based on the interpolation method, it is possible to compare impedance standards with an uncertainty of 10−5 and less.
The analyses and verification experiments presented in this article were aimed at determining the operating conditions of the bridge, allowing the achievement of the lowest possible uncertainty of measurement, and thus concerned only the comparison of impedance standards. However, taking into account the simplicity of the topology of the bridge circuit presented here, it is possible to build, based on relatively cheap commercial data acquisition cards and application software, a measurement system with good metrological properties, allowing for the measurement of impedance components in the band from 20 Hz to 10 kHz with an uncertainty of level 10−5 ÷ 10−4. Such a system can be used both in industrial measurements and for research purposes. Further works carried out by the authors in this field include expanding the application area of the bridge as a measuring system combined with accurate impedance sensors, including primarily capacitive and resistive ones. Since the proposed bridge allows accurate measurements of impedance values above 1 kΩ, it limits the possibility of cooperation with inductive sensors, which usually have lower impedance values. The authors, using their previous experience in this field [32], are working on a bridge circuit modification that will enable the measurement of low impedances, including those below 1 Ω. It is also planned to use the modified bridge in electrochemical impedance spectroscopy (EIS) [33], especially for battery research, where EIS is one of the basic methods of studying phenomena occurring in electrochemical dc voltage sources.

Author Contributions

Conceptualization: K.K. and R.R.; methodology: R.R., K.K. and J.K.; software: K.K.; validation: R.R., K.K. and J.K.; formal analysis: R.R., K.K. and J.K.; investigation: K.K. and R.R.; resources: R.R. and J.K.; data curation: K.K. and R.R.; writing—original draft preparation: R.R., J.K. and K.K.; reviewing and editing: J.K. and R.R.; visualization: R.R., J.K. and K.K.; supervision: R.R. All authors have read and agreed to the published version of the manuscript.

Funding

This research received no external funding.

Data Availability Statement

Not applicable.

Conflicts of Interest

The authors declare no conflict of interest.

References

  1. Trenkler, G. Digitalmessbrücke zum Vergleich von Wirk- und Blindwiderständen. Technische Messen 1978, 9, 313–322. [Google Scholar] [CrossRef]
  2. Bachmair, H.; Vollmert, R. Comparison of admittances by means of a digital double-sinewave generator. IEEE Trans. Instrum. Meas. 1980, 29, 370–372. [Google Scholar] [CrossRef]
  3. Helbach, W.; Marczinowski, P.; Trenkler, G. High-precision automatic digital ac bridge. IEEE Trans. Instrum. Meas. 1983, 32, 159–162. [Google Scholar] [CrossRef]
  4. Cabiati, F.; Bosco, G.C. LC comparison system based on a two-phase generator. IEEE Trans. Instrum. Meas. 1985, 34, 344–349. [Google Scholar] [CrossRef]
  5. Dutta, M.; Rakshit, A.; Bhattacharyya, S.N.; Choudhury, J.K. An application of an LMS adaptive algorithm for a digital AC bridge. IEEE Trans. Instrum. Meas. 1987, 36, 894–897. [Google Scholar] [CrossRef]
  6. Waltrip, B.C.; Oldham, N.M. Digital impedance bridge. IEEE Trans. Instrum. Meas. 1995, 44, 436–439. [Google Scholar] [CrossRef]
  7. Ramm, G.; Moser, H. From the calculable AC resistor to capacitor dissipation factor determination on the basis of the time constants. IEEE Trans. Instrum. Meas. 2001, 50, 286–289. [Google Scholar] [CrossRef]
  8. Rybski, R. Impedance comparison in a circuit with two digital sinewave generators. Metrol. Meas. Syst. 2004, 11, 131–145. [Google Scholar]
  9. Ramm, G.; Moser, H. New multi-frequency method for the determination of the dissipation of capacitors and of the time constant of resistors. IEEE Trans. Instrum. Meas. 2005, 54, 521–524. [Google Scholar] [CrossRef]
  10. Overney, F.; Jeanneret, B. Realization of an inductance scale traceable to the quantum Hall effect using an automated synchronous sampling system. Metrologia 2010, 49, 690–698. [Google Scholar] [CrossRef]
  11. Overney, F.; Jeanneret, B. RLC bridge based on an automated synchronous sampling system. IEEE Trans. Instrum. Meas. 2011, 60, 2393–2398. [Google Scholar] [CrossRef]
  12. Lan, J.; Zhang, Z.; Li, Z.; He, Q.; Zhao, J.; Lu, Z. A digital compensation bridge for R−C comparisons. Metrologia 2012, 49, 266–272. [Google Scholar] [CrossRef]
  13. Callegaro, L.; D’Elia, V.; Kampik, M.; Kim, D.B.; Ortolano, M.; Pourdanesh, F. Experiences with a two-terminal-pair digital impedance bridge. IEEE Trans. Instrum. Meas. 2015, 64, 1460–1465. [Google Scholar] [CrossRef]
  14. Kaczmarek, J.; Ortolano, M.; Power, O.; Kučera, J.; Callegaro, L.; D’Elia, V.; Marzano, M.; Walsh, R.; Kozioł, M.; Rybski, R. Virtual Training Laboratory for Primary Impedance Metrology. IEEE Trans. Instrum. Meas. 2023, 72, 1001312. [Google Scholar] [CrossRef]
  15. Kučera, J.; Kováč, J. A reconfigurable four terminal-pair digitally assisted and fully digital impedance ratio bridge. IEEE Trans. Instrum. Meas. 2018, 67, 1199–1206. [Google Scholar] [CrossRef]
  16. Overney, F.; Jeanneret, B. Impedance bridges: From Wheatstone to Josephson. Metrologia 2018, 55, 119–134. [Google Scholar] [CrossRef]
  17. Mašlán, S.; Šíra, M.; Skalická, T.; Bergsten, T. Four-Terminal Pair Digital Sampling Impedance Bridge up to 1MHz. IEEE Trans. Instrum. Meas. 2019, 68, 1860–1869. [Google Scholar] [CrossRef]
  18. Ortolano, M.; Marzano, M.; D’Elia, V.; Tran, N.T.; Rybski, R.; Kaczmarek, J.; Kozioł, M.; Musioł, K.; Christensen, A.E.; Callegaro, L.; et al. A comprehensive analysis of error sources in electronic fully-digital impedance bridges. IEEE Trans. Instrum. Meas. 2021, 70, 1500914. [Google Scholar] [CrossRef]
  19. Feige, M.; Schlamminger, S.; Koffman, A.D.; Jarrett, D.G.; Payagala, S.; Panna, A.; Waltrip, B.C.; Berilla, M.; Seifert, F.; Wang, Y. Comparison of a 100-pF Capacitor With a 12 906-Resistor Using a Digital Impedance Bridge. IEEE Trans. Instrum. Meas. 2022, 71, 1500407. [Google Scholar] [CrossRef]
  20. Musioł, K.; Kampik, M.; Ziółek, A.; Jursza, J. Experiences with a new sampling-based four-terminal-pair digital impedance bridge. Measurement 2022, 205, 112159. [Google Scholar] [CrossRef]
  21. Musioł, K. Experimental Study of Digitizers Used in High-Precision Impedance Measurements. Energies 2022, 15, 4051. [Google Scholar] [CrossRef]
  22. Callegaro, L. Electrical Impedance—Principles, Measurement and Applications, 1st ed.; CRC Press: Boca Raton, FL, USA, 2013. [Google Scholar]
  23. Islam, T. Advanced Interfacing Techniques for the Capacitive Sensors. In Advanced Interfacing Techniques for Sensors, 1st ed.; George, B., Roy, Y.K., Kumar, V.J., Mukhopadhyay, S.C., Eds.; Springer: Berlin/Heidelberg, Germany, 2017; Volume 25, pp. 73–109. [Google Scholar]
  24. Vooka, P.; George, B. A direct digital readout circuit for impedance sensors. IEEE Trans. Instrum. Meas. 2015, 64, 902–912. [Google Scholar] [CrossRef]
  25. Islam, T.; Khan, S.A.; Md. Khan, F.A.; Mukhopadhyay, S.C. A relaxation oscillator-based transformer ratio arm bridge circuit for capacitive humidity sensor. IEEE Trans. Instrum. Meas. 2015, 64, 3414–3422. [Google Scholar] [CrossRef]
  26. Fanghao Lu, Zhang Cao, Yixin Xie, Lijun Xu, Precise wide-band electrical impedance spectroscopy measurement via an ADC operated below the Nyquist sampling rate. Measurement 2021, 174, 108995.
  27. Rybski, R.; Kaczmarek, J. The precise unbalanced AC bridge for capacitance measurements. In Proceedings of the XIV IMEKO World Congress, Tampere, Finland, 2–6 June 1997. [Google Scholar]
  28. Rybski, R.; Kaczmarek, J.; Kontorski, K. Impedance comparison using unbalance bridge with digital sinewave voltage sources. IEEE Trans. Instr. Meas. 2015, 64, 3380–3386. [Google Scholar] [CrossRef]
  29. Kontorski, K. Interpolation in a digital unbalanced impedance comparator. In Proceedings of the XXI IMEKO World Congress Measurement in Research and Industry, Prague, Czech Republic, 30 August–4 September 2015. [Google Scholar]
  30. B.I.P.M.; I.E.C.; I.F.C.C.; I.L.A.C.; I.S.O.; I.U.P.A.C.; I.U.P.A.P.; O.I.M.L. Evaluation of Measurement Data—Guide to the Expression of Uncertainty in Measurement JCGM 100:2008 (GUM 1995 with Minor Corrections), 1st ed.; BIPM Joint Committee for Guides in Metrology: Paris, France, 2008. [Google Scholar]
  31. PCI/PXI/USB-6281 Specifications. Available online: https://www.ni.com/docs/en-US/bundle/pci-pxi-usb-6281-specs/page/specs.html (accessed on 10 March 2023).
  32. Rybski, R.; Kaczmarek, J.; Kozioł, M. A PXI-based calibration system for low-value AC resistors. IEEE Trans. Instrum. Meas. 2018, 67, 905–911. [Google Scholar] [CrossRef]
  33. Rybski, R.; Macioszek, Ł. Temperature influence on impedance of premium summer diesel fuel measured with the use of impedance spectroscopy. In Impedance Spectroscopy: Battery Research, Bioimpedance, System Design, 1st ed.; Kanoun, O., Ed.; De Gruyter: Berlin, Germany, 2018. [Google Scholar]
Figure 1. Simplified diagram of a digital unbalanced impedance bridge.
Figure 1. Simplified diagram of a digital unbalanced impedance bridge.
Energies 16 03833 g001
Figure 2. Equivalent schematic diagram of the bridge considering admittances and parasitic impedances.
Figure 2. Equivalent schematic diagram of the bridge considering admittances and parasitic impedances.
Energies 16 03833 g002
Figure 3. A graphical interpretation of the selection of DVSS settings reproducing the voltages ratios K _ U and K _ U   ′′ in an unbalanced bridge with interpolation.
Figure 3. A graphical interpretation of the selection of DVSS settings reproducing the voltages ratios K _ U and K _ U   ′′ in an unbalanced bridge with interpolation.
Energies 16 03833 g003
Figure 4. Experimental setup of an unbalanced bridge based on a universal DAQ board with a USB interface.
Figure 4. Experimental setup of an unbalanced bridge based on a universal DAQ board with a USB interface.
Energies 16 03833 g004
Figure 5. Results of impedance standard comparisons (Table 2, rows 1–5); bars correspond to expanded uncertainty (k = 2).
Figure 5. Results of impedance standard comparisons (Table 2, rows 1–5); bars correspond to expanded uncertainty (k = 2).
Energies 16 03833 g005
Figure 6. Comparison of Z C 100 p / Z C 1 n A ; bars correspond to expanded uncertainty (k = 2).
Figure 6. Comparison of Z C 100 p / Z C 1 n A ; bars correspond to expanded uncertainty (k = 2).
Energies 16 03833 g006
Figure 7. Comparison of Z 10 k A / Z 100 k A ; bars correspond to expanded uncertainty (k = 2).
Figure 7. Comparison of Z 10 k A / Z 100 k A ; bars correspond to expanded uncertainty (k = 2).
Energies 16 03833 g007
Table 1. List of the impedance standards used in the experiments.
Table 1. List of the impedance standards used in the experiments.
NameTypeNominal Value
1 Z 10 k A Tinsley 5685B10 kΩ
2 Z 10 k B Tinsley 5685B10 kΩ
3 Z 100 k A Vishay S104D 1100 kΩ
4 Z 100 k B Vishay S104D 1100 kΩ
5 Z C 1 n A IET Labs 1404-A1 nF
6 Z C 1 n B IET Labs 1404-A1 nF
7 Z C 100 p IET Labs 1404-B100 pF
1 The two-port resistance standards were designed and made by the authors on the basis of Vishay S104D resistors.
Table 2. List of examples of impedance standard comparisons (f = 1000 Hz).
Table 2. List of examples of impedance standard comparisons (f = 1000 Hz).
Z1Z2(Z1/Z2)Nominal
1 Z 10 k B Z 10 k A 1 + j 0
2 Z C 100 p Z C 1 n A 0.1 + j 0
3 Z 10 k A Z 100 k A 0.1 + j 0
4 Z 100 k A Z 100 k B 1 + j 0
5 Z 100 k B Z C 1 n B 0 + j 0.628318
Table 3. Experimental results of verification of the interpolation method in an unbalanced bridge (f = 1000 Hz).
Table 3. Experimental results of verification of the interpolation method in an unbalanced bridge (f = 1000 Hz).
Re (KZ)Im (KZ)Δbal. × 10−6Δcal. × 10−6
11.00000751.96 × 10−50.113.2
20.10000883.76 × 10−60.78.8
30.1000052−2.12 × 10−50.7−2.8
40.999908−1.80 × 10−7−0.5−0.2
51.30 × 10−40.6283325−1.9−0.6
Disclaimer/Publisher’s Note: The statements, opinions and data contained in all publications are solely those of the individual author(s) and contributor(s) and not of MDPI and/or the editor(s). MDPI and/or the editor(s) disclaim responsibility for any injury to people or property resulting from any ideas, methods, instructions or products referred to in the content.

Share and Cite

MDPI and ACS Style

Kontorski, K.; Rybski, R.; Kaczmarek, J. Improving the Accuracy of Digital Unbalanced Impedance Bridges. Energies 2023, 16, 3833. https://doi.org/10.3390/en16093833

AMA Style

Kontorski K, Rybski R, Kaczmarek J. Improving the Accuracy of Digital Unbalanced Impedance Bridges. Energies. 2023; 16(9):3833. https://doi.org/10.3390/en16093833

Chicago/Turabian Style

Kontorski, Kamil, Ryszard Rybski, and Janusz Kaczmarek. 2023. "Improving the Accuracy of Digital Unbalanced Impedance Bridges" Energies 16, no. 9: 3833. https://doi.org/10.3390/en16093833

APA Style

Kontorski, K., Rybski, R., & Kaczmarek, J. (2023). Improving the Accuracy of Digital Unbalanced Impedance Bridges. Energies, 16(9), 3833. https://doi.org/10.3390/en16093833

Note that from the first issue of 2016, this journal uses article numbers instead of page numbers. See further details here.

Article Metrics

Back to TopTop