Design and Optimization of Photovoltaic System in Full-Chain Ground-Based Validation System of Space Solar Power Station
Abstract
1. Introduction
2. Optimization of Photovoltaic Array Structure
3. Study of the Maximum Power of Photovoltaic System under Non-Uniform Light
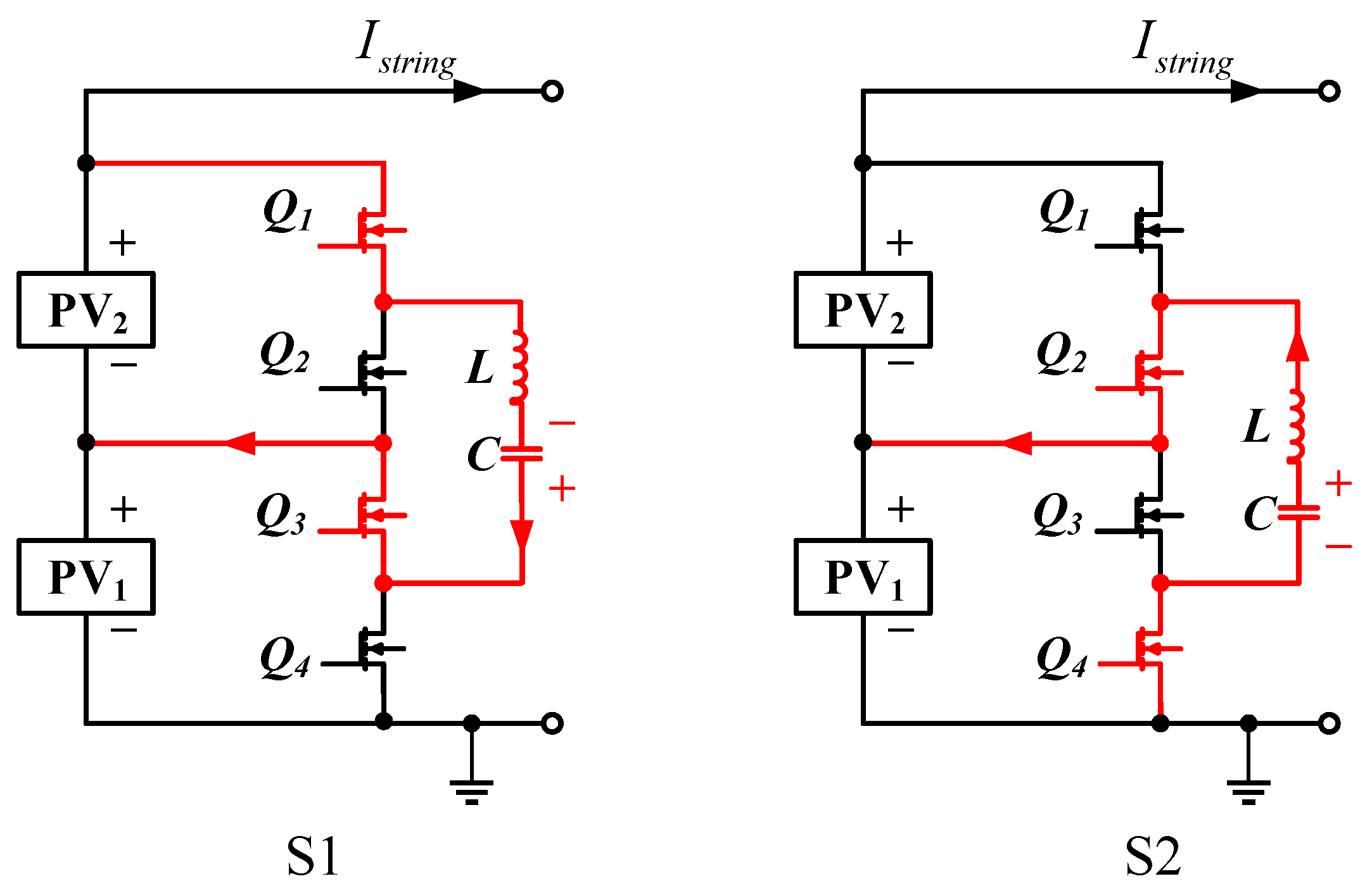
3.1. Differential Power Processing Converter
3.1.1. Analysis of Current
3.1.2. Analysis of Voltage
3.1.3. Analysis of Power Losses
- (1)
- The switching power losses can be expressed as
- (2)
- The energy storage device losses can be expressed as
3.2. Maximum Power Point Tracking
4. Simulation Verification of Differential Power Processing Photovoltaic System
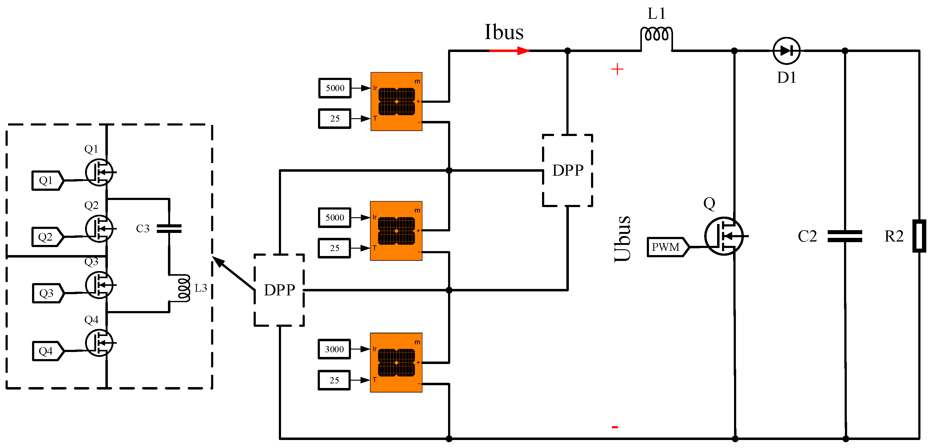
4.1. System Overall Design
4.2. The Construction of Simulation Circuit
4.3. Analysis of Simulation Results
4.3.1. Analysis of Current
4.3.2. Analysis of Voltage
4.3.3. Analysis of Power
- (1)
- Influence of the distribution of non-uniform light on output power
- (2)
- Influence of the degree of non-uniform light on the output power
4.3.4. Boost of Power
- (1)
- Elimination of multimodal phenomena
- (2)
- Increase in output power
5. Verification by Experiment
5.1. Layout Rate
5.2. Photoelectric Conversion Efficiency
6. Conclusions
- i.
- The PV array structure designed in this paper greatly improves the layout rate, which is about 12.40% higher than the original photovoltaic array, and reduces the impact of non-uniform light on the PV array performance.
- ii.
- The SCL topology can compensate for the branch currents and recover part of the power losses. In the experiment in this paper, it was increased to 18.6%.
- iii.
- The DPP converter, MPP controller and corresponding control algorithm designed in this paper can increase the output power of series PV modules under non-uniform light density distribution and improve the photoelectric conversion efficiency.
Author Contributions
Funding
Data Availability Statement
Acknowledgments
Conflicts of Interest
References
- Michael, S. Global Market Outlook for Solar Power 2016–2020; Solar Power Europe: Brussels, Belgium, 2015. [Google Scholar]
- PraveenKumar, S.; Agyekum, E.B.; Kumar, A.; Velkin, V.I. Thermo-enviro-economic analysis of solar photovoltaic/thermal system incorporated with u-shaped grid copper pipe, thermal electric generators and nanofluids: An experimental investigation. J. Energy Storage 2023, 60, 106611. [Google Scholar] [CrossRef]
- Nguyen, H.P.; Le, P.Q.H.; Pham, V.V.; Nguyen, X.P.; Balasubramaniam, D.; Hoang, A.-T. Application of the Internet of Things in 3E (efficiency, economy, and environment) factor-based energy management as smart and sustainable strategy. Energy Sources A Recover. Util. Environ. Eff. 2021. [Google Scholar] [CrossRef]
- PraveenKumar, S.; Agyekum, E.B.; Kumar, A.; Velkin, V.I. Performance evaluation with low-cost aluminum reflectors and phase change material integrated to solar PV modules using natural air convection: An experimental investigation. Energy 2023, 266, 126415. [Google Scholar] [CrossRef]
- Chawla, R.; Singhal, P.; Garg, A.K. Photovoltaic Review of all Generations: Environmental Impact and Its Market Potential. Trans. Electr. Electron. Mater. 2020, 21, 456–476. [Google Scholar] [CrossRef]
- Dhaundiyal, A.; Atsu, D. Energy assessment of photovoltaic modules. Sol. Energy 2021, 218, 337–345. [Google Scholar] [CrossRef]
- Al-Smadi, M.K.; Mahmoud, Y.; Xiao, W. A fast and accurate approach for power losses quantification of photovoltaic power systems under partial-shading conditions. IET Renew. Power Gener. 2021, 15, 939–951. [Google Scholar] [CrossRef]
- Dolara, A.; Lazaroiu, G.C.; Leva, S.; Manzolini, G. Experimental investigation of partial shading scenarios on PV (photovoltaic) modules. Energy 2013, 55, 466–475. [Google Scholar] [CrossRef]
- Duan, B.Y. The main aspects of the theory and key technologies about Space Solar Power Satellite. Sci. Sin. Technol. 2018, 48, 1207–1218. (In Chinese) [Google Scholar] [CrossRef]
- Ruud, C.J.; Gordon, J.M.; McCarthy, R.F.; Giebink, N.C. Sine-limiting microcell solar concentrators for space. Opt. Express 2022, 30, 40328–40336. [Google Scholar] [CrossRef]
- Yang, Y.; Duan, B.; Huang, J.; Li, X.; Zhang, Y.; Fan, J. SSPS-OMEGA: A New Concentrator System for SSPS. Chin. Space Sci. Technol. 2014, 34, 18–23. [Google Scholar]
- Kim, K.A.; Krein, P.T. Reexamination of Photovoltaic Hot Spotting to Show Inadequacy of the Bypass Diode. IEEE J. Photovolt. 2015, 5, 1435–1441. [Google Scholar] [CrossRef]
- Alhabib, A.; Itako, K.; Kudoh, T. Development of Real-Time Hotspot Detection System Utilizing Artificial Intelligence in PV Generation System. J. Adv. Sci. 2020, 32, 32103. [Google Scholar] [CrossRef]
- Niazi, K.A.K.; Akhtar, W.; Khan, H.A.; Yang, Y.; Athar, S. Hotspot diagnosis for solar photovoltaic modules using a Naive Bayes classifier. Sol. Energy 2019, 190, 34–43. [Google Scholar] [CrossRef]
- Satpathy, P.R.; Babu, T.S.; Shanmugam, S.K.; Popavath, L.N.; Alhelou, H.H. Impact of Uneven Shading by Neighboring Buildings and Clouds on the Conventional and Hybrid Configurations of Roof-Top PV Arrays. IEEE Access 2021, 9, 139059–139073. [Google Scholar] [CrossRef]
- Ahsan, S.M.; Khan, H.A. Performance comparison of CdTe thin film modules with c-Si modules under low irradiance. IET Renew. Power Gener. 2019, 13, 1920–1926. [Google Scholar] [CrossRef]
- Yang, Y.; Zhang, Y.; Duan, B.; Wang, D.; Li, X. A novel design project for space solar power station (SSPS-OMEGA). Acta Astronaut. 2016, 121, 51–58. [Google Scholar] [CrossRef]
- Veerachary, M.; Senjyu, T.; Uezato, K. Neural network-based feedforward maximum power point tracking control for IDB converter-supplied PV system. Int. J. Electron. 2002, 89, 403–420. [Google Scholar] [CrossRef]
- Zhou, T.; Sun, W. Study on maximum power point tracking of photovoltaic array in irregular shadow. Int. J. Electr. Power Energy Syst. 2015, 66, 227–234. [Google Scholar] [CrossRef]
- Jeong, H.; Lee, H.; Liu, Y.C.; Kim, K.A. Review of Differential Power Processing Converter Techniques for Photovoltaic Applications. IEEE Trans. Energy Convers. 2019, 34, 351–360. [Google Scholar] [CrossRef]
- Gokdag, M.; Akbaba, M.; Gulbudak, O. Switched-capacitor converter for PV modules under partial shading and mismatch conditions. Sol. Energy 2018, 170, 723–731. [Google Scholar] [CrossRef]
- Uno, M.; Yamamoto, M.; Sato, H.; Oyama, S. Modularized differential power processing architecture based on switched capacitor converter to virtually unify mismatched photovoltaic panel characteristics. IEEE Trans. Power Electron. 2020, 35, 1563–1575. [Google Scholar] [CrossRef]
- Blumenfeld, A.; Cervera, A.; Peretz, M.M. Enhanced Differential Power Processor for PV Systems: Resonant Switched-Capacitor Gyrator Converter with Local MPPT. IEEE J. Emerg. Sel. Top. Power Electron. 2014, 2, 2972–2979. [Google Scholar]
- Niazi, K.A.K.; Yang, Y.; Kerekes, T.; Sera, D. A Simple Mismatch Mitigating Partial Power Processing Converter for Solar PV Modules. Energies 2021, 14, 2308. [Google Scholar] [CrossRef]
- da Luz, C.M.A.; Ribeiro, E.R.; Tofoli, F.L. Analysis of the PV-to-PV architecture with a bidirectional Buck-Boost converter under shading conditions. Sol. Energy 2022, 232, 102–119. [Google Scholar] [CrossRef]
- Tlili, F.; Kadri, A.; Bacha, F. Advanced control strategy for bidirectional three phase AC/DC converter. Electr. Power Syst. Res. 2020, 179, 106078. [Google Scholar] [CrossRef]
- Yi, W.; Ma, H.; Peng, S.; Liu, D.; Ali, Z.M.; Dampage, U.; Hajjiah, A. Analysis and implementation of multi-port bidirectional converter for hybrid energy systems. Energy Rep. 2022, 8, 1538–1549. [Google Scholar] [CrossRef]

























| PV3 | PV2 | PV1 | |
|---|---|---|---|
| mismatch case 1 | 5000 | 5000 | 3000 |
| mismatch case 2 | 5000 | 3000 | 5000 |
| mismatch case 3 | 3000 | 5000 | 5000 |
| mismatch case 4 | 5000 | 3000 | 3000 |
| T2 | Rectangular PV Cell J | Special-Shaped PV Cells Y | Area of Battery/mm2 | Area of Substrate /mm2 | Layout Rate | |||
|---|---|---|---|---|---|---|---|---|
| line | high | number | wide | the upper bottom | the lower bottom | 237,526.1 | 261,395.8 | 90.87% |
| 1 | 72.1498 | 3 | 85.9751 | 73.2717 | 99.0498 | |||
| 2 | 63.1355 | 3 | 95.9585 | 84.7589 | 107.3163 | |||
| 3 | 76.8983 | 5 | 75.6065 | 61.9826 | 89.4573 | |||
| 4 | 75.6179 | 6 | 73.321 | 58.7275 | 85.7447 | |||
| 5 | 74.1389 | 7 | 71.5783 | 55.3956 | 81.8844 | |||
| 6 | 65.1868 | 7 | 77.0752 | 63.3227 | 86.6130 | |||
| Battery String | Intensity of Light (W/m2) | Battery String Area (mm2) | Maximum Power without DPP (W) | Photoelectric Conversion Efficiency η1 | Maximum Power with DPP (W) | Photoelectric Conversion Efficiency η2 |
|---|---|---|---|---|---|---|
| 2-1 | 581 | 48,195 | 4.228 | 15.0% | 4.907 | 17.41% |
| 2-2 | 653 | 53,865 | 6.401 | 18.2% | 6.564 | 18.92% |
| 2-3 | 666 | 68,089 | 7.028 | 15.5% | 8.229 | 18.15% |
| 2-4 | 653 | 68,371 | 8.174 | 18.3% | 8.630 | 19.32% |
Disclaimer/Publisher’s Note: The statements, opinions and data contained in all publications are solely those of the individual author(s) and contributor(s) and not of MDPI and/or the editor(s). MDPI and/or the editor(s) disclaim responsibility for any injury to people or property resulting from any ideas, methods, instructions or products referred to in the content. |
© 2023 by the authors. Licensee MDPI, Basel, Switzerland. This article is an open access article distributed under the terms and conditions of the Creative Commons Attribution (CC BY) license (https://creativecommons.org/licenses/by/4.0/).
Share and Cite
Mi, J.; Du, J.; Liu, C.; Li, X.; Zhang, Y.; Fan, G. Design and Optimization of Photovoltaic System in Full-Chain Ground-Based Validation System of Space Solar Power Station. Energies 2023, 16, 3247. https://doi.org/10.3390/en16073247
Mi J, Du J, Liu C, Li X, Zhang Y, Fan G. Design and Optimization of Photovoltaic System in Full-Chain Ground-Based Validation System of Space Solar Power Station. Energies. 2023; 16(7):3247. https://doi.org/10.3390/en16073247
Chicago/Turabian StyleMi, Jianwei, Jie Du, Chengjian Liu, Xintong Li, Yiqun Zhang, and Guanheng Fan. 2023. "Design and Optimization of Photovoltaic System in Full-Chain Ground-Based Validation System of Space Solar Power Station" Energies 16, no. 7: 3247. https://doi.org/10.3390/en16073247
APA StyleMi, J., Du, J., Liu, C., Li, X., Zhang, Y., & Fan, G. (2023). Design and Optimization of Photovoltaic System in Full-Chain Ground-Based Validation System of Space Solar Power Station. Energies, 16(7), 3247. https://doi.org/10.3390/en16073247

