Double Dual High Step-Up Power Converter with Reduced Stored Energy
Abstract
1. Introduction
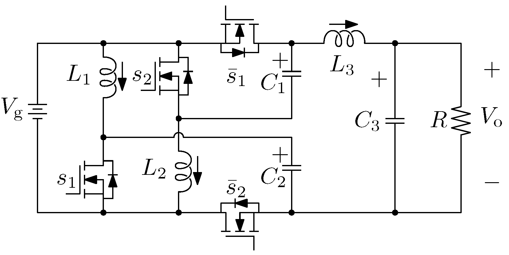
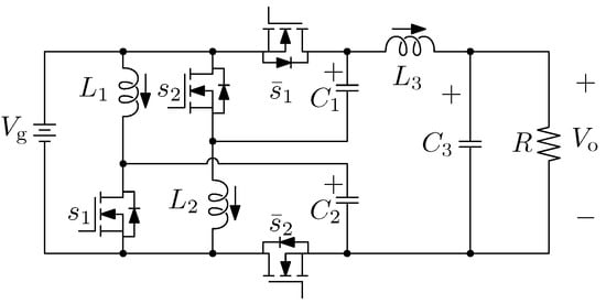
- A new dual-switch high step-up power converter is proposed. It is identified as the “Double Dual Super Boost”, featuring high step-up voltage gain;
- When compared to the conventional boost and HSU power converters, its cumulative stored energy over its inductors is significantly less;
- Lastly, the DDSB power converter outperforms the conventional boost and HSU power converters featuring significantly less voltage stress over the active switches;
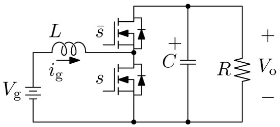
2. Modeling
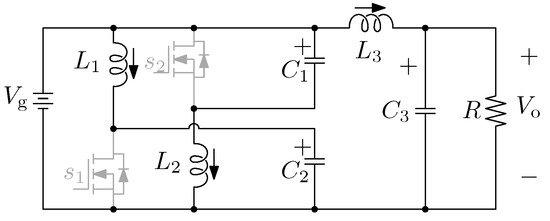
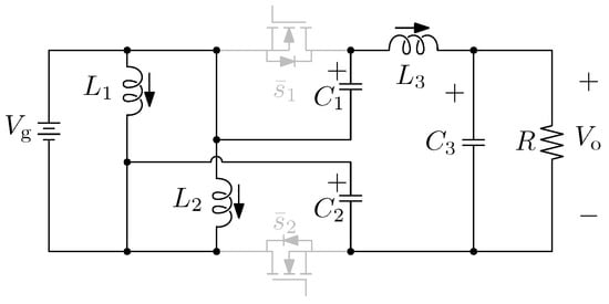
2.1. Mathematical Model of the Proposed DDSB Converter
2.2. DC Components of State Equations or Equilibrium Operating Point
2.3. Selection of Components
2.4. Stored Energy in Inductors
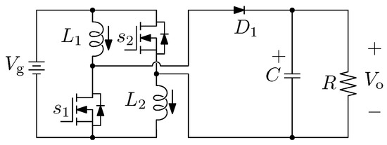
3. Comparative Evaluation
3.1. Considerations
3.2. Design Parameters
3.3. Steady-State Time Comparison
3.4. Output Voltage Comparison
3.5. Gain Ratio
3.6. Stored Energy over Inductors
3.7. Efficiency
4. Experimental Results
4.1. Validation of Input Variables
4.2. Validation of Output Variables
4.3. Validation of Inductor Currents and
5. Conclusions
6. Future Work
Author Contributions
Funding
Data Availability Statement
Acknowledgments
Conflicts of Interest
Abbreviations
| HSU | high step-up |
| DDSB | double dual super boost |
| CCM | continuous conduction mode |
References
- Forouzesh, M.; Shen, Y.; Yari, K.; Siwakoti, Y.P.; Blaabjerg, F. High–Efficiency High Step–Up DC–DC Converter with Dual Coupled Inductors for Grid–Connected Photovoltaic Systems. IEEE Trans. Power Electron. 2018, 33, 5967–5982. [Google Scholar] [CrossRef]
- Blaabjerg, F.; Chen, Z.; Kjaer, S. Power electronics as efficient interface in dispersed power generation systems. IEEE Trans. Power Electron. 2004, 19, 1184–1194. [Google Scholar] [CrossRef]
- Forouzesh, M.; Siwakoti, Y.P.; Gorji, S.A.; Blaabjerg, F.; Lehman, B. Step–Up DC–DC Converters: A Comprehensive Review of Voltage–Boosting Techniques, Topologies, and Applications. IEEE Trans. Power Electron. 2017, 32, 9143–9178. [Google Scholar] [CrossRef]
- Mohan, N. Power Electronics: A First Course; John Wiley & Sons: Hoboken, NJ, USA, 2012; pp. 1–270. [Google Scholar]
- Walczak, M.; Bychto, L. Influence of Parasitic Resistances on the Input Resistance of Buck and Boost Converters in Maximum Power Point Tracking (MPPT) Systems. Electronics 2021, 10, 1464. [Google Scholar] [CrossRef]
- Janke, W.; Baczek, M.; Kraśniewski, J.; Walczak, M. Large–signal input characteristics of selected DC–DC switching converters Part I. Continuous conduction mode. Arch. Electr. Eng. 2020, 69, 739–750. [Google Scholar]
- Hassan, W.; Lu, D.D.; Xiao, W. Single–Switch High Step–Up DC–DC Converter with Low and Steady Switch Voltage Stress. IEEE Trans. Ind. Electron. 2019, 66, 9326–9338. [Google Scholar] [CrossRef]
- Hsieh, Y.; Chen, J.; Liang, T.; Yang, L. Analysis and implementation of a novel single–switch high step–up DC–DC converter. IET Power Electron. 2012, 5, 11–21. [Google Scholar] [CrossRef]
- Mumtaz, F.; Yahaya, N.Z.; Meraj, S.T.; Singh, N.S.S.; Abro, G.E.M. A Novel Non-Isolated High-Gain Non-Inverting Interleaved DC-DC Converter. Micromachines 2023, 14, 585. [Google Scholar] [CrossRef] [PubMed]
- Solis-Rodriguez, J.; Rosas-Caro, J.C.; Alejo-Reyes, A.; Valdez-Resendiz, J.E. Optimal Selection of Capacitors for a Low Energy Storage Quadratic Boost Converter (LES–QBC). Energies 2023, 16, 2510. [Google Scholar] [CrossRef]
- Alejo-Reyes, A.; Rodríguez, A.; Mendoza, A.; Rosas-Caro, J.C. Numerical Optimization of the Capacitors Selection in the MSBA Converter to Reduce the Output Voltage Ripple. Symmetry 2022, 14, 2383. [Google Scholar] [CrossRef]
- López–Santos, O.; Varón, N.L.; Rosas–Caro, J.C.; Mayo–Maldonado, J.C.; Valdez–Reséndiz, J.E. Detailed Modeling of the Low Energy Storage Quadratic Boost Converter. IEEE Trans. Power Electron. 2022, 37, 1885–1904. [Google Scholar]
- Loera-Palomo, R.; Morales-Saldaña, J.A.; Rivero, M.; Álvarez-Macías, C.; Hernández-Jacobo, C.A. Noncascading Quadratic Buck–Boost Converter for Photovoltaic Applications. Micromachines 2021, 12, 984. [Google Scholar] [CrossRef] [PubMed]
- Meraj, M.; Bhaskar, M.S.; Iqbal, A.; Al–Emadi, N.; Rahman, S. Interleaved Multilevel Boost Converter with Minimal Voltage Multiplier Components for High–Voltage Step–Up Applications. IEEE Trans. Power Electron. 2020, 35, 12816–12833. [Google Scholar] [CrossRef]
- Dalla Vecchia, M.; Van den Broeck, G.; Ravyts, S.; Driesen, J. Novel Step–Down DC–DC Converters Based on the Inductor–Diode and Inductor–Capacitor–Diode Structures in a Two–Stage Buck Converter. Energies 2019, 12, 1131. [Google Scholar] [CrossRef]
- Rosas–Caro, J.C.; Mayo–Maldonado, J.C.; Valdez–Resendiz, J.E.; Alejo–Reyes, A.; Beltran–Carbajal, F.; López–Santos, O. An Overview of Non–Isolated Hybrid Switched–Capacitor Step-Up DC–DC Converters. Appl. Sci. 2022, 12, 8854. [Google Scholar] [CrossRef]
- Yang, L.; Liang, T.; Chen, J. Transformerless DC–DC Converters with High Step–Up Voltage Gain. IEEE Trans. Ind. Electron. 2009, 56, 3144–3152. [Google Scholar] [CrossRef]
- Erickson, R.W.; Maksimović, D. Fundamentals of Power Electronics, 2nd ed.; Kluwer: Boston, MA, USA, 2004. [Google Scholar]
- Simscape Toolbox Release R2022b. In Matlab; The MathWorks Inc.: Natick, MA, USA, 2023.
- Electrical Engineering Software R4.6.8. In PLECs; PLEXIM Inc.: Zürich, Switzerland, 2023.


















| Input voltage | 20 | V | |
| Output voltage | 100 | V | |
| Input current ripple | 4.2 | A | |
| Output voltage ripple | 0.8 | V | |
| Transistors TP65H070L (GaN) | 85 | m | |
| Switching frequency | 50 | kHz |
| Inductor | L | 74.82 | H |
| ESR | 25 | m | |
| Capacitor | C | 20 | F |
| ESR | 5 | m |
| Inductor | 250 | H | |
| ESR | 25 | m | |
| Capacitor | C | 10 | F |
| ESR | 5 | m |
| Inductors | , , | 250 | H |
| ESR | 27 | m | |
| Capacitors | , , | 10 | F |
| ESR | 5 | m |
| Converter | Overshoot Value (V) | Settling Time (ms) |
|---|---|---|
| DDSB | 149.012 | 5.66 |
| Conventional Boost | 157.025 | 5.15 |
| HSU | 165.009 | 7.25 |
Disclaimer/Publisher’s Note: The statements, opinions and data contained in all publications are solely those of the individual author(s) and contributor(s) and not of MDPI and/or the editor(s). MDPI and/or the editor(s) disclaim responsibility for any injury to people or property resulting from any ideas, methods, instructions or products referred to in the content. |
© 2023 by the authors. Licensee MDPI, Basel, Switzerland. This article is an open access article distributed under the terms and conditions of the Creative Commons Attribution (CC BY) license (https://creativecommons.org/licenses/by/4.0/).
Share and Cite
Robles-Campos, H.R.; Valderrabano-Gonzalez, A.; Rosas-Caro, J.C.; Gabbar, H.A.; Babaiahgari, B. Double Dual High Step-Up Power Converter with Reduced Stored Energy. Energies 2023, 16, 3194. https://doi.org/10.3390/en16073194
Robles-Campos HR, Valderrabano-Gonzalez A, Rosas-Caro JC, Gabbar HA, Babaiahgari B. Double Dual High Step-Up Power Converter with Reduced Stored Energy. Energies. 2023; 16(7):3194. https://doi.org/10.3390/en16073194
Chicago/Turabian StyleRobles-Campos, Hector R., Antonio Valderrabano-Gonzalez, Julio C. Rosas-Caro, Hossam A. Gabbar, and Bhanu Babaiahgari. 2023. "Double Dual High Step-Up Power Converter with Reduced Stored Energy" Energies 16, no. 7: 3194. https://doi.org/10.3390/en16073194
APA StyleRobles-Campos, H. R., Valderrabano-Gonzalez, A., Rosas-Caro, J. C., Gabbar, H. A., & Babaiahgari, B. (2023). Double Dual High Step-Up Power Converter with Reduced Stored Energy. Energies, 16(7), 3194. https://doi.org/10.3390/en16073194

