Improving the Energy Efficiency of a Ship’s Power Plant by Using an Autonomous Hybrid System with a PMSG
Abstract
1. Introduction
- Sea voyage of a ship—short-term (about a dozen or so minutes, 3 times a day) dynamic load change. This occurs when a large load (e.g., start-up air compressor) is turned on. When the load of one generating set is high (e.g., 70%), in commonly used solutions, the second generating set is switched on for parallel operation.
- Sea voyage of the ship—stable load of the power plant. This is the period that lasts the longest during the ship’s contract. One DG generating set is in operation.
- Ship’s sea voyage—stable power plant load and battery charging (if necessary).
- Stopover in the port. DG’s generating sets are switched off in order to reduce the emission of air pollutants. Electricity is provided by the battery system.
2. Methods
- Lighter than lead-acid batteries,
- High performance,
- Long cycle life,
- High energy density,
- High power density.
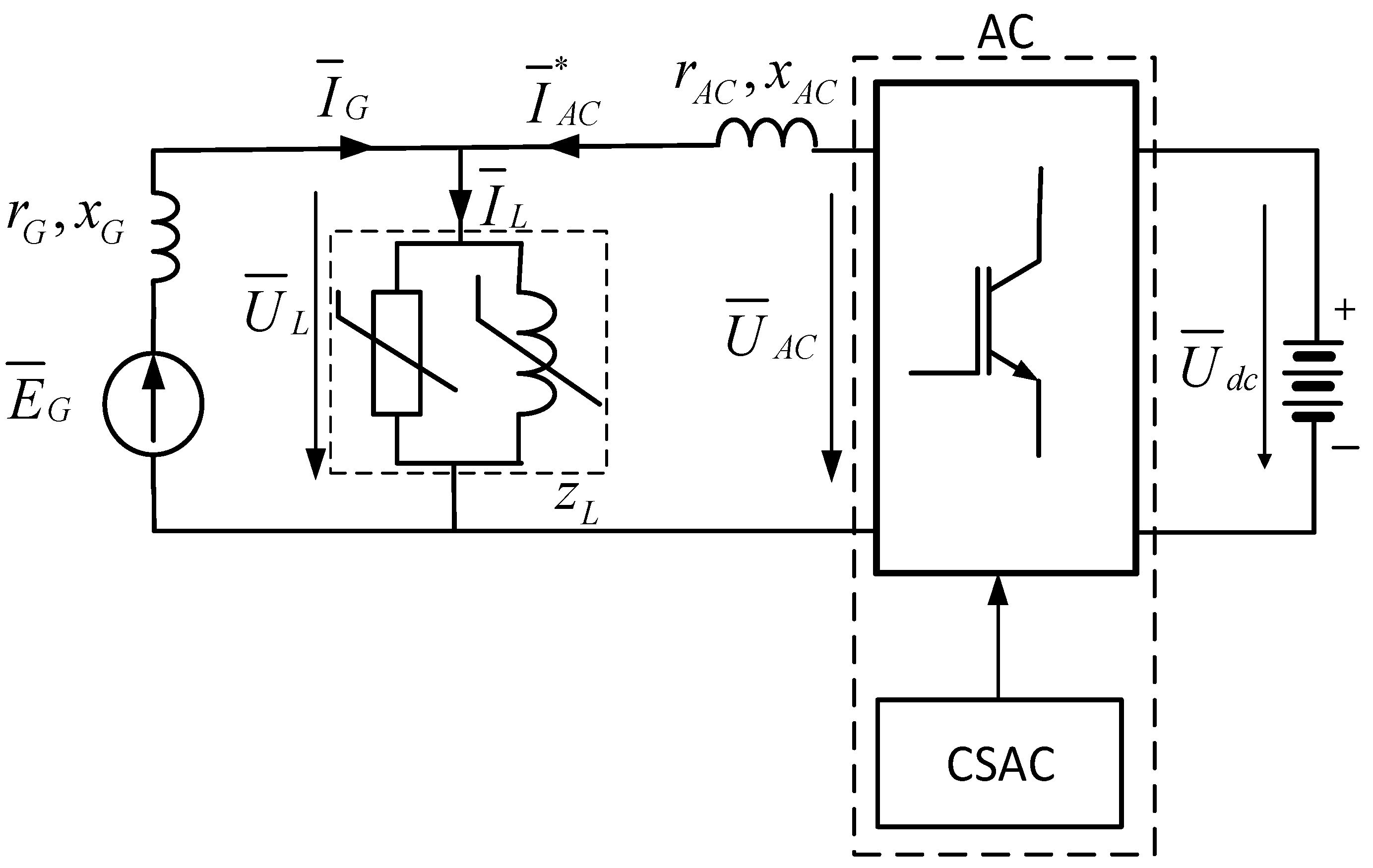
- —space vector (resultant) EMF of the generator stator windings;
- —resultant vector of the load voltage;
- —the resultant vector of the current in the armature of the PMSG;
- —the resultant vector of the first harmonic of the current generated by the AC;
- —the resultant vector of the current in the load;
- = wLG—reactance of the PMSG;
- —resistance of the PMSG.
3. Results
3.1. Results of Analytical Studies
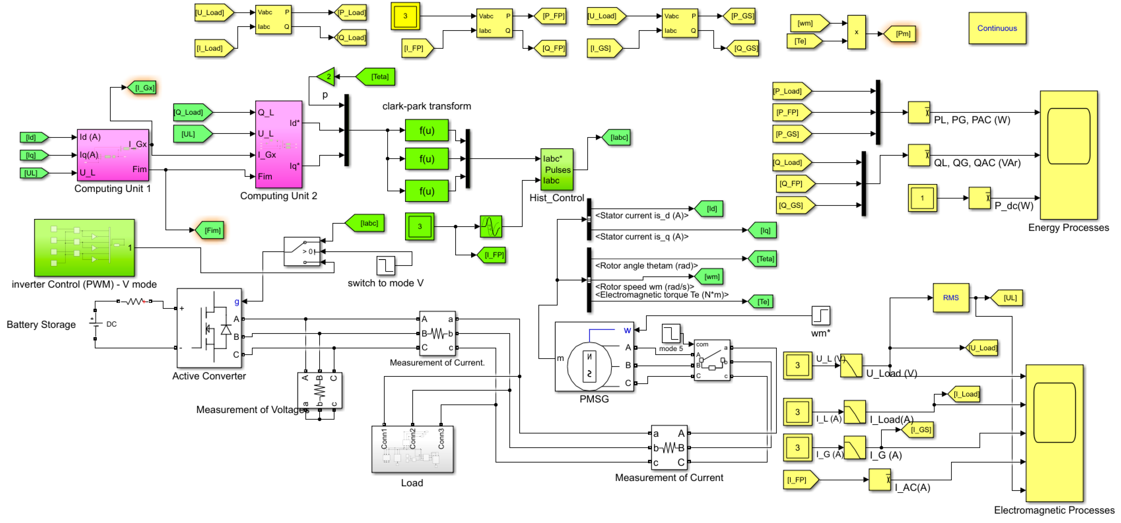
3.2. Simulation Tests Results
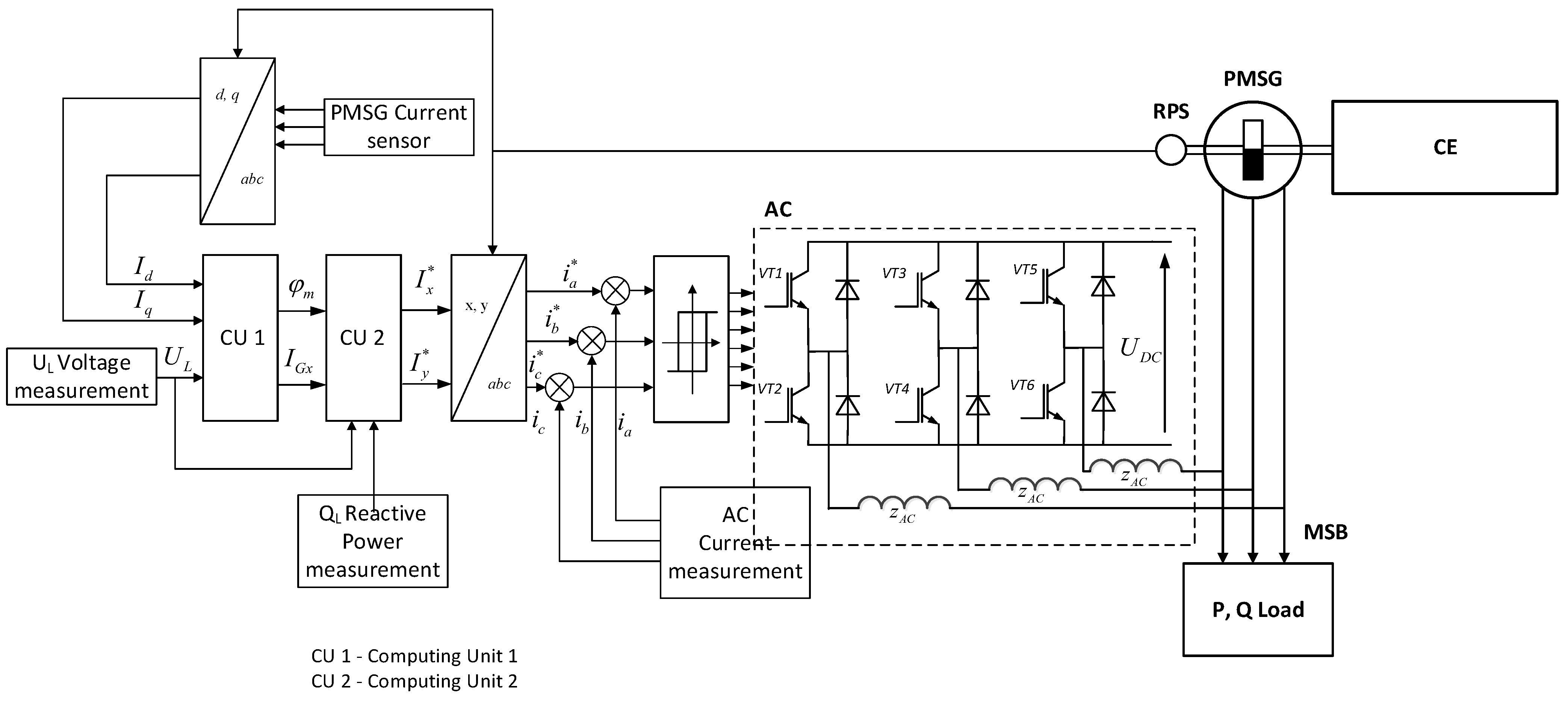
- CE—combustion engine with speed regulator,
- PMSG—rare-earth magnet synchronous generator on the rotor,
- AC—active convertor,
- RPS—rotor position sensor,
- P,Q Load—variable load,
- CU 1—computer unit in which is determined,
- CU 2—computer unit in which is determined,
- MSB—main switch board.
- Ship Maneuvers. The D-PMSG generating set provides active power PG and additionally, active power PAC is transferred through the electricity storage to the ship network. D-PMSG works at optimal load. The QAC reactive power is transferred via AC from the electricity storage to the grid and to the PMSG to stabilize the grid’s constant voltage UL (QAC = QL + QG).
- Ship sea voyage—short-term dynamic load increase. The D-PMSG generating set provides active power PG and additionally increased active power PAC is transferred through the electricity storage to the ship network. The QAC reactive power is transferred via AC from the electricity storage to the grid and to the PMSG to stabilize the grid’s DC voltage UL (QAC = QL + QG).
- Sea voyage of the ship—stable load of the power plant. The D-PMSG generating set gives PG active power to the ship’s grid (PG = PL). The energy store is not discharged (PAC = 0). The QAC reactive power is transferred via AC from the electricity storage to the grid and to the PMSG to stabilize the grid’s DC voltage UL (QAC = QL + QG).
- Ship’s sea voyage—stable power plant load and battery charging (if necessary). The D-PMSG generating set gives PG active power to the grid and to the electricity storage, charging the batteries (PG = PL + PAC). Reactive power QAC via AC from the electricity storage is transferred from the AC to the grid and to the PMSG to stabilize the DC voltage of the grid UL (QAC = QL + QG).
- Stay in port—D-PMSG power generator is switched off. Active power PAC and reactive power QAC is transferred via AC from the electricity storage (PAC = PL, QAC = QL).
4. Discussion and Conclusions
- In the analyzed power plant system, replacing the commonly used EESG generator with the PMSG generator increases the efficiency of the power plant system (especially for small loads), which is a result of the properties of the PMSG. The innovative algorithm of decoupled AC power control enables voltage stabilization in the ship power grid in all power plant operating modes.
- The use of the proposed hybrid ship power plant system in comparison with the classic (serial topology) power plant system with the PMSG increases the reliability of the power plant system. The proposed parallel topology of the hybrid marine power plant system (Figure 2) allows, in the event of a converter failure, operation by the ship’s crew by enabling uninterrupted switching to the second generating set, which is impossible in commonly used series systems (Figure 1).
- Decoupled active and reactive power flow control (PAC and QAC) ensures the implementation of the system operating modes presented in the article, improving the energy efficiency of the power plant system:
- -
- Mode I: in classic solutions, two D-G units work in parallel, symmetrically with a low unit load (high specific fuel consumption coefficient (ke)) [34]. In the proposed solution, the D-PMSG unit is optimally loaded (ke is minimal).
- -
- Mode II: in classic solutions, for the power demand, the second D-G generating set is switched on for parallel operation. In the proposed solution, one D-G unit and an electricity storage facility operate in this mode of operation.
- The proposed hybrid system of the ship’s power plant enables switching off the generating sets during a stay in the port and using the electricity storage installed in the system (V mode). It is an alternative system to the universal “Shore To Ship” system, which is not always available at the port. The proposed system can also be used as a universal “Shore To Ship” system, i.e., connection of shore power supply, regardless of the voltage level and frequency, by connecting the power supply through a matching transformer and an active rectifier to the AC intermediary circuit.
5. Patents
Author Contributions
Funding
Data Availability Statement
Conflicts of Interest
References
- Nicewicz, G.; Sosinski, M.; Tarnapowicz, D. Identification of Power Factor in Marine Electrical Grid. In Proceedings of the 14th International Multidisciplinary Scientific Geoconference (SGEM), Albena, Bulgaria, 17–26 June 2014; pp. 391–398, ISBN 978-619-7105-16-2. [Google Scholar]
- Polakis, M.; Zachariadis, P.; Kat, J.O. The Energy Efficiency Design Index (EEDI). In Sustainable Shipping; Springer: New York, NY, USA, 2019; pp. 93–135. [Google Scholar] [CrossRef]
- International Maritime Organization. IMO Train the Trainer (TTT) Course on Energy Efficiency Ship Operation. Module 2—Ship Energy Efficiency Regulations and Related Guidelines; International Maritime Organization: London, UK, 2016; Available online: https://www.cdn.imo.org/localresources/en/OurWork/Environment/Documents/Air%20polltion/TTT%20trainers%20manual%20final2.pdf (accessed on 5 May 2022).
- The Switch. Yaskawa Company. Available online: https://theswitch.com/marine/ (accessed on 1 October 2022).
- ABB. Permanent Magnet Shaft Generators Improve Vessel Energy Efficiency. Available online: https://new.abb.com/news/detail/96712/permanent-magnet-shaft-generators-improve-vessel-energy-efficiency-inside-marine-article (accessed on 1 October 2022).
- Cheng, H.; Chen, H.; Wang, Q. An Integrated Drive Power Converter Topology for Plug-in Hybrid Electric Vehicle with G2V, V2G and V2H Functions. In Proceedings of the 2019 22nd International Conference on Electrical Machines and Systems (ICEMS), Harbin, China, 11–14 August 2019; pp. 1–6. [Google Scholar] [CrossRef]
- Jindo, S.; Kondo, K.; Kondo, M.; Yokouchi, T. Power Generation Control Method of Parallel Resonant PMSG System for Series Hybrid Vehicle. In Proceedings of the 2022 International Power Electronics Conference (IPEC-Himeji 2022-ECCE Asia), Himeji, Japan, 15–19 May 2022; pp. 1878–1884. [Google Scholar] [CrossRef]
- Chauhan, A.K.; Vakacharla, V.R.; Verma, A.K.; Singh, S.K. Multiple PMSG fed Non-Inverting Buck-Boost Converter for HEVs. In Proceedings of the 2016 IEEE 6th International Conference on Power Systems (ICPS), New Delhi, India, 4–6 March 2016; pp. 1–6. [Google Scholar] [CrossRef]
- Hassan, S.Z.; Li, H.; Kamal, T.; Awais, M. Stand-Alone/Grid-Tied Wind Power System with Battery/Supercapacitor Hybrid Energy Storage. In Proceedings of the 2015 International Conference on Emerging Technologies (ICET), Peshawar, Pakistan, 19–20 December 2015; pp. 1–6. [Google Scholar] [CrossRef]
- Wei, J.; Wang, Y.; Wen, X.; Li, H.; Zhang, Y.; Li, K. A New Control Method for Microturbine-generation based Series Hybrid Power System. In Proceedings of the 2019 22nd International Conference on Electrical Machines and Systems (ICEMS), Harbin, China, 11–14 August 2019; pp. 1–5. [Google Scholar] [CrossRef]
- Nayak, S.K.; Vinod, H. Performance Study of Common DC Link Connected Wind and PV Hybrid System. In Proceedings of the 2016 IEEE 7th Power India International Conference (PIICON), Bikaner, India, 25–27 November 2016; pp. 1–5. [Google Scholar] [CrossRef]
- Giangrande, P.; Madonna, V.; Sala, G.; Kladas, A.; Gerada, C.; Galea, M. Design and Testing of PMSM for Aerospace EMA Applications. In Proceedings of the IECON 2018—44th Annual Conference of the IEEE Industrial Electronics Society, Washington, DC, USA, 20–23 October 2018; pp. 2038–2043. [Google Scholar] [CrossRef]
- Wang, C.; Yang, T.; Hussaini, H.; Huang, Z.; Bozhko, S. Power Quality Improvement Using an Active Power Sharing Scheme in More Electric Aircraft. IEEE Trans. Ind. Electron. 2022, 69, 3588–3598. [Google Scholar] [CrossRef]
- Lucjan, S.; Rafał, K. The Study of Permanent Magnets Synchronous Machine (PMSM) of the Autonomous Electric Power Supply System (ASE), Compatible with the Concept of a More Electric Aircraft (MEA). In Proceedings of the International Conference on Applied Mathematics, Computational Science and Systems Engineering, TM Web of Conferences, Athens, Greece, 6–8 October 2017; Volume 16. [Google Scholar]
- Sarigiannidis, A.G.; Chatzinikolaou, E.; Patsios, C.; Kladas, A.G. Shaft Generator System Design and Ship Operation Improvement Involving SFOC Minimization, Electric Grid Conditioning, and Auxiliary Propulsion. IEEE Trans. Transp. Electrif. 2016, 2, 558–569. [Google Scholar] [CrossRef]
- Accetta, A.; Pucci, M. Energy Management System in DC Micro-Grids of Smart Ships: Main Gen-Set Fuel Consumption Minimization and Fault Compensation. IEEE Trans. Ind. Appl. 2019, 55, 3097–3113. [Google Scholar] [CrossRef]
- German-Galkin, S.; Tarnapowicz, D.; Matuszak, Z.; Jaskiewicz, M. Optimization to Limit the Effects of Underloaded Generator Sets in Stand-Alone Hybrid Ship Grids. Energies 2020, 13, 708. [Google Scholar] [CrossRef]
- German-Galkin, S.; Tarnapowicz, D. Energy Optimization of the ‘Shore to Ship’ System-A Universal Power System for Ships at Berth in a Port. Sensors 2020, 20, 3815. [Google Scholar] [CrossRef] [PubMed]
- Singaravel, M.M.R.; Daniel, S.A. MPPT With Single DC–DC Converter and Inverter for Grid-Connected Hybrid Wind-Driven PMSG–PV System. IEEE Trans. Ind. Electron. 2015, 62, 4849–4857. [Google Scholar] [CrossRef]
- Singh, B.; Niwas, R.; Dube, S.K. Load Leveling and Voltage Control of Permanent Magnet Synchronous Generator-Based DG Set for Standalone Supply System. IEEE Trans. Ind. Inform. 2014, 10, 2034–2043. [Google Scholar] [CrossRef]
- Jain, A.; Saravanakumar, R. Comparative Analysis of DSOGI-PLL& Adaptive Frequency Loop-PLL for Voltage and Frequency Control of PMSG-BESS based Hybrid Standalone WECS. In Proceedings of the 2018 8th International Conference on Power and Energy Systems (ICPES), Colombo, Sri Lanka, 21–22 December 2018; pp. 234–239. [Google Scholar] [CrossRef]
- Sharma, P.; Sharma, C. Automatic Reactive Power Compensation of an Isolated Wind-Diesel Hybrid Grid. In Proceedings of the 2018 IEEE International Conference on Industrial Technology (ICIT), Lyon, France, 19–22 February 2018; pp. 1171–1176. [Google Scholar] [CrossRef]
- Singh, B.; Niwas, K. Power Quality Improvement of PMSG based DG Set Feeding 3-Phase 3-Wire Load. In Proceedings of the 2014 IEEE International Conference on Power Electronics, Drives and Energy Systems (PEDES), Mumbai, India, 16–19 December 2014; pp. 1–6. [Google Scholar] [CrossRef]
- German-Galkin, S.; Tarnapowicz, D. Method and System of Stabilizing the Frequency and Voltage of Autonomous Power Generating. Units. Patent PL241441, 10 March 2020. [Google Scholar]
- Yang, X.; Bai, G.; Schmidhalter, R. Shore to Ship Converter System for Energy Saving and Emission Reduction. In Proceedings of the8th International Conference on Power Electronics—ECCE Asia, Jeju, Republic of Korea, 30 May–3 June 2011; pp. 2081–2086. [Google Scholar] [CrossRef]
- Tarnapowicz, D. Load Analysis of Ship Generating Sets During the Maneuvers of the Vessel. In Current Methods of Construction Design, Proceedings of the 59th International Conference of Machine Design Departments (ICMD), Demanovska Dolina, Slovakia, 11–14 September 2018; Springer: Cham, Switzerland, 2018; pp. 399–407. [Google Scholar] [CrossRef]
- Patel, D.K.; Singh, D.; Singh, B. Impact assessment of distributed generations with electric vehicles planning: A review. J. Energy Storage 2021, 43, 103092. [Google Scholar] [CrossRef]
- Patel, D.K.; Singh, D.; Singh, B. Genetic algorithm-based multi-objective optimization for distributed generations planning in distribution systems with constant impedance, constant current, constant power load models. Int. Trans. Electr. Energy Syst. 2020, 30, e12576. [Google Scholar] [CrossRef]
- Singh, B.; Sharma, J. A review on distributed generation planning. Renew. Sustain. Energy Rev. 2017, 76, 529–544. [Google Scholar] [CrossRef]
- Singh, B.; Pal, C.; Mukherjee, V.; Tiwari, P.; Yadav, M.K. Distributed generation planning from power system performances viewpoints: A taxonomical survey. Renew. Sustain. Energy Rev. 2017, 75, 1472–1492. [Google Scholar] [CrossRef]
- Borkar, P.; Kumar, N.; Choudhary, D. Active Power Rescheduling of Generator for Congestion Management using Whale Optimization Technique. In Proceedings of the 2018 International Conference on Smart Electric Drives and Power System (ICSEDPS), Nagpur, India, 12–13 June 2018; pp. 142–146. [Google Scholar] [CrossRef]
- Gad, Y.; Diab, H.; Abdelsalam, M.; Galal, Y. Smart Energy Management System of Environmentally Friendly Microgrid Based on Grasshopper Optimization Technique. Energies 2020, 13, 5000. [Google Scholar] [CrossRef]
- Shahzad, M.; Akram, W.; Arif, M.; Khan, U.; Ullah, B. Optimal Siting and Sizing of Distributed Generators by Strawberry Plant Propagation Algorithm. Energies 2021, 14, 1744. [Google Scholar] [CrossRef]
- Cuculic, A.; Vucetic, D.; Prenc, R.; Celic, J. Analysis of Energy Storage Implementation on Dynamically Positioned Vessels. Energies 2019, 12, 444. [Google Scholar] [CrossRef]
- MAN. Batteries on Board Ocean-Going Vessels. Available online: https://www.man-es.com/docs/default-source/marine/tools/batteries-on-board-ocean-going-vessels.pdf?sfvrsn=deaa76b8_14 (accessed on 1 October 2022).
- German-Galkin, S. MATLAB School: Lesson 24. In Mechatronic System with Magnetoelectric Generator and Active Semiconductor Rectifier; Magazine “Power Electronics” No.1(70); Power-e: St-Petersburg, Russia, 2018; pp. 6–13. [Google Scholar]
- Brodsky, V.N.; Ivanov, E.S. Frequency-Controlled Drives; Energy: Moscow, Russia, 1974; p. 168. [Google Scholar]
- Rozanov, Y.K.; Ryabchiiskii, M.V.; Kvasyuk, A.A. Power Electronics; MPEI Publishing House: Moscow, Russia, 2007; p. 632. [Google Scholar]
- Gorev, A. Transient Processes of Synchronous Machine; State Energy Publishing House (Gosenergoizdat): Leningrad, Russia, 1950. [Google Scholar]
- Park, R.H. Two-reaction theory of synchronous machines-II. Trans. Am. Inst. Electr. Eng. 1933, 52, 352–354. [Google Scholar] [CrossRef]
- Jayasinghe, S.G.; Suryawanshi, U.; Sheikh, A.; Alahakoon, S. Fuel Saving with a Hybrid Power System for an Electric Ferry. In Proceedings of the 2019 14th Conference on Industrial and Information Systems (ICIIS), Kandy, Sri Lanka, 18–20 December 2019; pp. 255–259. [Google Scholar] [CrossRef]
- Yang, R.; Jiang, L.; Du, K.; Zhang, Y.; Wang, L.; Li, K. Research and Experimentation on Energy Management System for Inland Diesel-Electric Hybrid Power Ships. In Proceedings of the 2020 IEEE 8th International Conference on Computer Science and Network Technology (ICCSNT), Dalian, China, 20–22 November 2020; pp. 102–106. [Google Scholar] [CrossRef]
- Zwierzewicz, Z.; Tarnapowicz, D.; German-Galkin, S.; Jaskiewicz, M. Optimal Control of the Diesel–Electric Propulsion in a Ship with PMSM. Energies 2022, 15, 9390. [Google Scholar] [CrossRef]
- Speedgoat. Rapid Control Prototyping. Available online: https://www.speedgoat.com/solutions/testing-workflows/rapid-control-prototyping (accessed on 12 December 2022).















| Vessel Type | Bulk | Bulk | RoRo | Container |
|---|---|---|---|---|
| Size [DWT] | 30 k | 80 k | 20 k | 50 |
| Duration [h] | 12 | 12 | 10 | 10 |
| Power [kW] | 180 | 250 | 1000 k | 2000 k |
| Energy consumption [MWh] | 2.1 | 3 | 10 | 20 |
| Battery weight (Cell level) [T] | 12.6 | 18 | 60 | 120 |
| PG | UN | n | rG | LG | p | m | |
|---|---|---|---|---|---|---|---|
| MW | V | RPM | Ω | H | Vc | - | - |
| 2 | 230 | 1500 | 0.0002 | 0.0000635 | 1.045 | 2 | 3 |
Disclaimer/Publisher’s Note: The statements, opinions and data contained in all publications are solely those of the individual author(s) and contributor(s) and not of MDPI and/or the editor(s). MDPI and/or the editor(s) disclaim responsibility for any injury to people or property resulting from any ideas, methods, instructions or products referred to in the content. |
© 2023 by the authors. Licensee MDPI, Basel, Switzerland. This article is an open access article distributed under the terms and conditions of the Creative Commons Attribution (CC BY) license (https://creativecommons.org/licenses/by/4.0/).
Share and Cite
Tarnapowicz, D.; German-Galkin, S.; Nerc, A.; Jaskiewicz, M. Improving the Energy Efficiency of a Ship’s Power Plant by Using an Autonomous Hybrid System with a PMSG. Energies 2023, 16, 3158. https://doi.org/10.3390/en16073158
Tarnapowicz D, German-Galkin S, Nerc A, Jaskiewicz M. Improving the Energy Efficiency of a Ship’s Power Plant by Using an Autonomous Hybrid System with a PMSG. Energies. 2023; 16(7):3158. https://doi.org/10.3390/en16073158
Chicago/Turabian StyleTarnapowicz, Dariusz, Sergey German-Galkin, Arkadiusz Nerc, and Marek Jaskiewicz. 2023. "Improving the Energy Efficiency of a Ship’s Power Plant by Using an Autonomous Hybrid System with a PMSG" Energies 16, no. 7: 3158. https://doi.org/10.3390/en16073158
APA StyleTarnapowicz, D., German-Galkin, S., Nerc, A., & Jaskiewicz, M. (2023). Improving the Energy Efficiency of a Ship’s Power Plant by Using an Autonomous Hybrid System with a PMSG. Energies, 16(7), 3158. https://doi.org/10.3390/en16073158

