Applications of Electric Vehicles in Instant Deliveries
Abstract
1. Introduction
2. The Delivery-Route Problem
3. Refreshers on E-Bike Components and Functioning
3.1. E-Bike Dynamics
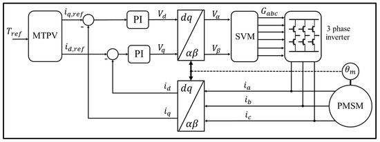
3.2. Permanent Magnet Synchronous Machine (PMSM) and Field Oriented Control (FOC)
3.3. Dynamic Model of the Battery
4. Optimal Delivery Route Solutions
4.1. Previous Algorithm Model: Distance Optimization
4.2. Actual Algorithm Proposal: Energy Optimization
5. Simulation Results
5.1. E-Bike Simulations Using Matlab®-Simulink®
5.2. E-VAN Simulation Using CarSim®
6. Discussion
7. Conclusions
Author Contributions
Funding
Data Availability Statement
Conflicts of Interest
Abbreviations
| CO | Carbon dioxide |
| CV | Commercial vehicles |
| DEM | Digital elevation model |
| EV | Electric vehicle |
| FOC | Field-oriented control |
| GHG | Greenhouse gases |
| IEA | International Energy Agency |
| MTPV | Maximum torque per volt |
| NOAA | National Oceanic and Atmospheric Administration |
| PI | Proportional-integral |
| PM | Permanent magnet |
| PMSM | Permanent magnet synchronous machine |
| SEMOVI | Secretaría de Movilidad |
| SDGs | Sustainable Development Goals |
| SVM | Space-vector modulation |
| ZMVM | Zona Metropolitana del Valle de México |
| v | Velocity |
| Traction force | |
| Aerodynamics force | |
| Rolling resistance force | |
| Road slop force | |
| Area of the frontal section of the bike | |
| Drag coefficient | |
| Air density | |
| Rolling resistance coefficient | |
| g | Gravity acceleration |
| Road slope | |
| Torque given by the electric motor | |
| External torque from the driver | |
| Wheel angular velocity | |
| r | Wheel radius |
| Mechanical power to the wheels | |
| Direct voltage | |
| Quadrature voltage | |
| Direct current | |
| Quadrature current | |
| Direct inductance | |
| Quadrature inductance | |
| p | Pole pairs |
| R | Phase resistance |
| Flux linkage of the rotor of the PMs | |
| Rotor angular speed of the motor | |
| Angle of the rotor | |
| Battery voltage | |
| Battery constant voltage | |
| K | Polarization constant or resistance |
| Q | Battery capacity |
| Actual battery charge | |
| A | The exponential zone amplitude |
| B | The exponential time constant inverse |
| R | Internal resistance |
| i | Battery current |
| The filtered current | |
| Longitudinal velocity | |
| Road slope | |
| Power to the wheels | |
| Energy consumption |
References
- Anderson, T.R.; Hawkins, E.; Jones, P.D. CO2, the greenhouse effect and global warming: From the pioneering work of Arrhenius and Calendar to today’s Earth System Models. Endeavour 2016, 40, 178–187. [Google Scholar] [CrossRef] [PubMed]
- Intergovernmental Panel on Climate Change (IPCC). Climate Change 2021: The Physical Science Basis. In Synthesis Report. Contribution of Working Group I to the Sixth Assessment Report of the Intergovernmental Panel on Climate Change; Approved Version; IPCC: Paris, France, 2021; Available online: https://www.ipcc.ch/site/assets/uploads/2018/02/SYR_AR5_FINAL_full.pdf (accessed on 10 January 2023).
- Ullah, I.; Liu, K.; Yamamoto, T.; Zahid, M.; Jamal, A. Modeling of machine learning with SHAP approach for electric vehicle charging station choice behavior prediction. Travel Behav. Soc. 2023, 31, 78–92. [Google Scholar] [CrossRef]
- Li, G.; Luo, T.; Song, Y. Climate change mitigation efficiency of electric vehicle charging infrastructure in China: From the perspective of energy transition and circular economy. Resour. Conserv. Recycl. 2022, 179, 106048. [Google Scholar] [CrossRef]
- Ullah, I.; Liu, K.; Yamamoto, T.; Shafiullah, M.; Jamal, A. Grey wolf optimizer-based machine learning algorithm to predict electric vehicle charging duration time. Transp. Lett. 2022, 1–18. [Google Scholar] [CrossRef]
- Li, C. Hidden Benefits of Electric Vehicles for Addressing Climate Change. Sci. Rep. 2015, 5, 9213. [Google Scholar] [CrossRef]
- Ullah, I.; Liu, K.; Yamamoto, T.; Zahid, M.; Jamal, A. Prediction of electric vehicle charging duration time using ensemble machine learning algorithm and Shapley additive explanations. Int. J. Energy Res. 2022, 46, 15211–15230. [Google Scholar] [CrossRef]
- Cerruti, G.; Chiola, M.; Bianco, V.; Scarpa, F. Impact of electric cars deployment on the Italian energy system. Energy Clim. Chang. 2023, 4, 100095. [Google Scholar] [CrossRef]
- United Nations Environment Programme (UNEP). Emissions Gap Report 2021: The Heat Is On—A World of Climate Promises Not Yet Delivered; United Nations Environment Programme & UNEP DTU Partnership: Nairobi, Kenya, 2021; Available online: https://wedocs.unep.org/bitstream/handle/20.500.11822/36990/EGR21.pdf (accessed on 10 January 2023).
- Myhre, G.; Shindell, D.; Bréon, F.M.; Collins, W.; Fuglestvedt, J.; Huang, J.; Koch, D.; Lamarque, J.F.; Lee, D.; Mendoza, B.; et al. Anthropogenic and Natural Radiative Forcing. In Climate Change 2013: The Physical Science Basis. Contribution of Working Group I to the Fifth Assessment Report of the Intergovernmental Panel on Climate Change; IPCC: Paris, France, 2013; Available online: https://www.ipcc.ch/site/assets/uploads/2018/02/WG1AR5_Chapter08_FINAL.pdf (accessed on 10 January 2023).
- Oficina de la Presidencia del Gobierno México & 2030 Agenda Initiative Project of Deutsche Gesellschaft für Internationale Zusammenarbeit (GIZ) GmbH. Crunching Numbers: Quantifying the Sustainable Development Co-Benefits of Mexico’s Climate Commitments. Deutsche Gesellschaft für Internationale Zusammenarbeit (GIZ) GmbH. 2019. Available online: https://www.gob.mx/cms/uploads/attachment/file/513402/Crunching_Numbers_cobenefits_vf_reduc.pdf (accessed on 10 January 2023).
- United Nations (UN). Country Classification; World Economic Situation and Prospects 2014; Department of Economic and Social Affairs, UN: Harare, Zimbabwe, 2014; Available online: https://www.worldbank.org/en/country/mexico (accessed on 10 January 2023).
- World Bank (WB). The World Bank in Mexico; The World Bank: Washington, DC, USA, 2021; Available online: https://www.worldbank.org/en/country/mexico (accessed on 10 January 2023).
- Secretaría de Energía (SENER). Balance Nacional de Energía 2018; SENER: Mexico City, Mexico, 2019; Available online: https://www.gob.mx/sener/documentos/balance-nacional-de-energia-2018 (accessed on 10 January 2023).
- Secretaría de Medio Ambiente y Recursos Naturales (SEMARNAT). Inventario Nacional de Emisiones de Gases y Compuestos de Efecto Invernadero (INEGyCEI); SEMARNAT/INECC: Mexico City, Mexico, 2018; Available online: https://datos.abiertos.inecc.gob.mx/Datos_abiertos_INECC/Inventario_Nacional_de_Gases_de_Efecto_Invernadero/INEGyCEI_2017/INEGyCEI_1990-2017_IPCC_2006.xlsx (accessed on 10 January 2023).
- Abu-Eisheh, S.; Kuckshinrichs, W.; Dwaikat, A. Strategic planning for sustainable transportation in developing countries: The role of vehicles. Transp. Res. Procedia 2020, 48, 3019–3036. [Google Scholar] [CrossRef]
- Chatziioannou, I.; Alvarez-Icaza, L.; Bakogiannis, E.; Kyriakidis, C.; Chias-Becerril, L. A structural analysis for the categorization of the negative externalities of transport and the hierarchical organization of sustainable mobility’s strategies. Sustainability 2020, 12, 6011. [Google Scholar] [CrossRef]
- United Nations (UN). World Urbanization Prospects: The 2018 Revision; Department of Economic and Social Affairs, Population Division, UN: Harare, Zimbabwe, 2019; Available online: https://population.un.org/wup/Publications/Files/WUP2018-Report.pdf (accessed on 10 January 2023).
- Secretaría del Medio Ambiente de la Ciudad de México (SEDEMA). Inventario de Emisiones de la Zona Metropolitana del Valle de México 2018. Contaminantes Criterio, Tóxicos y Gases y Compuestos de Efecto Invernadero de Efecto Invernadero; Dirección General de Calidad del Aire, Dirección de Proyectos de Calidad del Aire, Secretaría del Medio Ambiente de la Ciudad de México: Mexico City, Mexico, 2021; Available online: http://www.sadsma.cdmx.gob.mx:9000/datos/storage/app/media/docpub/sedema/InventarioDeEmisionesZMVM2018.pdf (accessed on 10 January 2023).
- Petrauskiene, K.; Dvarioniene, J.; Kaveckis, G.; Kliaugaite, D.; Chenadec, J.; Hehn, L.; Pérez, B.; Bordi, C.; Scavino, G.; Vignoli, A.; et al. Situation Analysis of Policies for Electric Mobility Development: Experience from Five European Regions. Sustainability 2020, 12, 2935. [Google Scholar] [CrossRef]
- Bouton, S.; Hannon, E.; Haydamous, L.; Heid, B.; Knupfer, S.; Naucler, T.; Florian, N.; Nijssen, J.T.; Ramanathan, S. An Integrated Perspective on the Future of Mobility, Part 2: Transforming Urban Delivery; McKinsey Center for Business and Environment, McKinsey & Company: Sydney, Australia, 2017. [Google Scholar]
- Schneider, M.; Stenger, A.; Goeke, D. The electric vehicle-routing problem with time windows and recharging stations. Transp. Sci. 2014, 48, 500–520. [Google Scholar] [CrossRef]
- Felipe, A.; Ortuño, M.; Righini, G.; Tirado, G. A heuristic approach for the green vehicle routing problem with multiple technologies and partial recharges. Transp. Res. Part E Logist. Transp. Rev. 2014, 71, 111–128. [Google Scholar] [CrossRef]
- Keskin, M.; Çatay, B. Partial recharge strategies for the electric vehicle routing problem with time windows. Transp. Res. Part C Emerg. Technol. 2016, 65, 111–127. [Google Scholar] [CrossRef]
- Keskin, M.; Çatay, B.; Laporte, G. A simulation-based heuristic for the electric vehicle routing problem with time windows and stochastic waiting times at recharging stations. Comput. Oper. Res. 2021, 125, 105060. [Google Scholar] [CrossRef]
- Desaulniers, G.; Errico, F.; Irnich, S.; Schneider, M. Exact algorithms for electric vehicle-routing problems with time windows. Oper. Res. 2016, 64, 1388–1405. [Google Scholar] [CrossRef]
- Montoya, A.; Guéret, C.; Mendoza, J.E.; Villegas, J.G. The electric vehicle routing problem with nonlinear charging function. Transp. Res. Part B Methodol. 2017, 103, 87–110. [Google Scholar] [CrossRef]
- Zhang, S.; Gajpal, Y.; Appadoo, S.S.; Abdulkader, M.M.S. Electric vehicle routing problem with recharging stations for minimizing energy consumption. Int. J. Prod. Econ. 2018, 203, 404–413. [Google Scholar] [CrossRef]
- Afroditi, A.; Boile, M.; Theofanis, S.; Sdoukopoulos, E.; Margaritis, D. Electric vehicle routing problem with industry constraints: Trends and insights for future research. Transp. Res. Procedia 2014, 3, 452–459. [Google Scholar] [CrossRef]
- Goeke, D.; Schneider, M. Routing a mixed fleet of electric and conventional vehicles. Eur. J. Oper. Res. 2015, 245, 81–99. [Google Scholar] [CrossRef]
- Lin, J.; Zhou, W.; Wolfson, O. Electric Vehicle Routing Problem. Transp. Res. Procedia 2016, 12, 508–521. [Google Scholar] [CrossRef]
- Jie, W.; Yang, J.; Zhang, M.; Huang, Y. The two-echelon capacitated electric vehicle routing problem with battery swapping stations: Formulation and efficient methodology. Eur. J. Oper. Res. 2019, 272, 879–904. [Google Scholar] [CrossRef]
- Buldeo Rai, H.; Verlinde, S.; Macharis, C. Shipping outside the box. Environmental impact and stakeholder analysis of a crowd logistics platform in Belgium. J. Clean. Prod. 2018, 202, 806–816. [Google Scholar] [CrossRef]
- Pourrahmani, E.; Jaller, M. Crowdshipping in last mile deliveries: Operational challenges and research opportunities. Socio-Econ. Plan. Sci. 2021, 78, 101063. [Google Scholar] [CrossRef]
- Alharbi, A.; Cantarelli, C.; Brint, A. Crowd models for last mile delivery in an emerging economy. Sustainability 2022, 14, 1401. [Google Scholar] [CrossRef]
- Galindo-Muro, A.B.; Mora-Vargas, J.; Cedillo-Campos, M.G.; Regis-Hernández, F. A genetic algorithm approach for a truck and trailer routing problem in a loading/unloading bays application. In Advances in Soft Computing; Lecture Notes in Computer Science; Springer International Publishing: Cham, Switzerland, 2020; pp. 296–310. [Google Scholar]
- Thejasree, G.; Maniyeri, R. E-Bike System Modeling and Simulation. In Proceedings of the 2019 IEEE International Conference on Intelligent Systems and Green Technology (ICISGT), Visakhapatnam, India, 29–30 June 2019; pp. 9–95. [Google Scholar]
- Abagnale, C.; Cardone, M.; Iodice, P.; Strano, S.; Terzo, M.; Vorraro, G. Model-based Control for an Innovative Power-assisted Bicycle. Energy Procedia 2015, 81, 606–617. [Google Scholar] [CrossRef]
- Soong, W.L.; Miller, T.J.E. Field-weakening performance of brushless synchronous AC motor drives. IEE Proc.-Electr. Power Appl. 1994, 141, 331–340. [Google Scholar] [CrossRef]
- Cespi, R.; Galluzzi, R.; Ramirez-Mendoza, R.A.; Di Gennaro, S. Artificial Intelligence for Stability Control of Actuated In–Wheel Electric Vehicles with CarSim® Validation. Mathematics 2021, 9, 3120. [Google Scholar] [CrossRef]
- Basso, R.; Kulcsár, B.; Egardt, B.; Lindroth, P.; Sanchez-Diaz, I. Energy consumption estimation integrated into the electric vehicle routing problem. Transp. Res. Part D Transp. Environ. 2019, 69, 141–167. [Google Scholar] [CrossRef]
- Kara, I.; Kara, B.Y.; Yetis, M.K. Energy minimizing vehicle routing problem. In Proceedings of the International Conference on Combinatorial Optimization and Applications, Xi’an, China, 14–16 August 2007; Springer: Berlin/Heidelberg, Germany, 2007; pp. 62–71. [Google Scholar]
- Wang, S.; Liu, X. Energy minimization vehicle routing problem with heterogeneous vehicles. In Proceedings of the 2016 13th IEEE International Conference on Service Systems and Service Management (ICSSSM), Kunming, China, 24–26 June 2016; pp. 1–5. [Google Scholar]
- Wang, S.; Liu, M.; Chu, F. Approximate and exact algorithms for an energy minimization traveling salesman problem. J. Clean. Prod. 2020, 249, 119433. [Google Scholar] [CrossRef]









| Symbol | Value | Unit | Symbol | Value | Unit | Symbol | Value | Unit |
|---|---|---|---|---|---|---|---|---|
| m | 90 | kg | p | 4 | – | 0.08 | ||
| 1.2 | 0.2205 | 5.42 | Ah | |||||
| 0.509 | R | 0.02 | 0.29 | Ah | ||||
| 0.76 | – | A | 4 | V | ||||
| 0.0025 | – | B | 10.18 | |||||
| g | 9.81 | 55.87 | V | K | 0.04 | |||
| n | 1/10 | – | 51.85 | V | 52.1 | V | ||
| r | 33 | cm | 2.6 | A |
| Previous Version | Actual Proposal | ||||
|---|---|---|---|---|---|
| Departure Node | Haversine Distance [m] | Euclidean Distance [m] | Google API Distance [m] | Energy [Wh] | Time [s] |
| 1 | 3724.6 | 3720.0 | 6565 | 34.0 | 1362 |
| 2 | 2789.2 | 2784.4 | 4443 | 27.3 | 1008 |
| 3 | 4216.4 | 4209.3 | 7638 | 38.1 | 2080 |
| 4 | 2962.4 | 2956.7 | 4340 | 26.3 | 1048 |
| Arrival Node | Haversine Distance [m] | Euclidean Distance [m] | Google API Distance [m] | Energy [Wh] | Time [s] |
| 1 | 3724.6 | 3720.0 | 6115 | 37.9 | 1453 |
| 2 | 2789.2 | 2784.4 | 5283 | 27.3 | 1330 |
| 3 | 4216.4 | 4209.3 | 6715 | 38.1 | 1482 |
| 4 | 2962.4 | 2956.7 | 4873 | 22.5 | 1233 |
| Previous Version | Actual Proposal | ||||
|---|---|---|---|---|---|
| Routes | Haversine Distance [m] | Euclidean Distance [m] | Google API Distance [m] | Energy [Wh] | Time [s] |
| D-1 | 3677.9 | 3680.5 | 5293 | 1645.1 | 994 |
| D-2 | 3413.2 | 3413.4 | 6371 | 366.5 | 964 |
| D-3 | 2688.6 | 2684.8 | 5926 | 364.9 | 895 |
| D-4 | 2719.9 | 2721.3 | 4950 | 270.9 | 871 |
| 1-D | 3677.9 | 3680.5 | 7508 | 441.1 | 836 |
| 2-D | 3413.2 | 3413.4 | 4070 | 67.5 | 672 |
| 3-D | 2688.6 | 2684.8 | 3919 | 180.1 | 672 |
| 4-D | 2719.9 | 2721.3 | 3842 | 100.8 | 701 |
Disclaimer/Publisher’s Note: The statements, opinions and data contained in all publications are solely those of the individual author(s) and contributor(s) and not of MDPI and/or the editor(s). MDPI and/or the editor(s) disclaim responsibility for any injury to people or property resulting from any ideas, methods, instructions or products referred to in the content. |
© 2023 by the authors. Licensee MDPI, Basel, Switzerland. This article is an open access article distributed under the terms and conditions of the Creative Commons Attribution (CC BY) license (https://creativecommons.org/licenses/by/4.0/).
Share and Cite
Galindo-Muro, A.B.; Cespi, R.; Vallarta-Serrano, S.I. Applications of Electric Vehicles in Instant Deliveries. Energies 2023, 16, 1967. https://doi.org/10.3390/en16041967
Galindo-Muro AB, Cespi R, Vallarta-Serrano SI. Applications of Electric Vehicles in Instant Deliveries. Energies. 2023; 16(4):1967. https://doi.org/10.3390/en16041967
Chicago/Turabian StyleGalindo-Muro, Ana Bricia, Riccardo Cespi, and Stephany Isabel Vallarta-Serrano. 2023. "Applications of Electric Vehicles in Instant Deliveries" Energies 16, no. 4: 1967. https://doi.org/10.3390/en16041967
APA StyleGalindo-Muro, A. B., Cespi, R., & Vallarta-Serrano, S. I. (2023). Applications of Electric Vehicles in Instant Deliveries. Energies, 16(4), 1967. https://doi.org/10.3390/en16041967

