Next Article in Journal
A Model Predictive Control Based Optimal Task Allocation among Multiple Energy Storage Systems for Secondary Frequency Regulation Service Provision
Previous Article in Journal
Thermodynamic Feasibility of the Black Sea CH4 Hydrate Replacement by CO2 Hydrate
 
 
Font Type:
Arial Georgia Verdana
Font Size:
Aa Aa Aa
Line Spacing:
Column Width:
Background:
Article

Energy Efficiency Optimization of Collaborative Power Supply System with Supercapacitor Storages

1
College of Electrical Engineering, Zhejiang University, Hangzhou 310027, China
2
Zhejiang University–University of Illinois at Urbana–Champaign Institute, Zhejiang University, Hangzhou 310027, China
3
Ningbo CRRC New Energy Technology Co., Ltd., Ningbo 315112, China
*
Author to whom correspondence should be addressed.
Energies 2023, 16(3), 1227; https://doi.org/10.3390/en16031227
Submission received: 10 December 2022 / Revised: 13 January 2023 / Accepted: 20 January 2023 / Published: 23 January 2023

Abstract

:
To solve the challenge of low efficiency and high operation cost caused by intermittent high-power charging in an energy storage tram, this work presents a collaborative power supply system with supercapacitor energy storage. The scheme can reduce the peak power of the transformer, therefore reducing the grid-side capacity and improving the efficiency. However, there is a lack of quantitative analysis on the performance improvement of the solution. The energy efficiency models of critical components are proposed to evaluate the efficiency of the system, and energy efficiency optimization is conducted. Taking an operational tram line as an example, the improved charging efficiency and reduced operating costs are derived. Further, the ground energy storage capacity is designed and implemented. The measured data demonstrates that the energy efficiency of the optimized charging system is improved, which proves its effectiveness and practicability.

1. Introduction

With the continuous advancement of urbanization and the sharp increase in urban population, urban road congestion has become increasingly severe, causing great challenges for citizens to travel. There is ever-increasing demand for trams in urban areas. Meanwhile, to realize the carbon neutrality goals, green transportation is among the critical solutions [1,2,3,4]. Compared with the traditional overhead catenary-powered trams, the energy storage tram has the following advantages: (1) more than 85% braking energy recovery rate and low operational energy consumption; (2) only the platform area is equipped with a charging rail, without any overhead line visual pollution and transmission loss; (3) no need for backflow through the running track, no electrical corrosion to the underground pipe network; (4) punctuality and fast speed [5,6,7,8]. At present, energy storage trams have been successively deployed in commercial operations in China, Spain, and Germany, such as Guangzhou Haizhu, Jiangsu Huaian, Shenzhen Longhua, Wuhan Dahanyang, Seville,Zaragoza, and Mannheim [8,9,10,11]. To realize a short time (≤30 s) electric energy replenishment of the energy-storage tram, an MW-level high-power charging system is required to ensure uninterrupted operation of the vehicle.
Supercapacitors have a series of benefits including high power density (2~15 kW/kg), long cycle life (105 to 106 times), wide operating temperature window (−40~+70 °C), and high energy conversion efficiency (≥90%) [3]. Therefore, supercapacitors have been utilized as the power supply for energy storage trams, the ground energy storage system for regenerative braking energy, and the auxiliary starting device for internal combustion engines.
A series of high-power charging system schemes for supercapacitors have been proposed in recent years [12,13,14,15,16,17,18]. The priority is to focus on the optimal design of safety, stability, efficiency, and ripple of the charging system. In [19], the two-stage conversion of the PWM rectifier and BUCK converter are used to realize the design of a 2 MW charging device in a parallel connection. In [20], a two-stage circuit topology is proposed, in which the front-stage DC/DC converter is boosted and the back-stage DC/DC converter is stepped down. The power feedforward of the post-stage converter is controlled to the pre-stage converter to stabilize the DC bus voltage. Thus, the obtained voltage range can meet the charging requirements of the supercapacitor. In [21], a zero-voltage switching (ZVS) phase-shifted full-bridge module with multiple parallel isolation topologies is proposed. It has the advantages of good security, great output voltage stability, high charging efficiency, and a small ripple coefficient.
Moreover, the optimal design of the power supply system and on-board supercapacitors are drawing attention. The power supply system of the supercapacitor energy storage tram is further analyzed from the external power supply, traction load characteristics, main wiring form, and operation mode [22]. In addition, the design scheme of the off-grid power supply system is obtained. It mainly includes three types: single-unit one-to-one type, single-unit one-to-many type, and double-unit one-to-many type.
However, the platform power supply system of the energy storage tram is still connected by high voltage, and then the vehicle is charged through voltage step-down transformer and rectification stage. The drawbacks of the solution include the large connection capacity (based on peak power), high no-load loss, and high grid current distortion. Moreover, when the power distribution network is in fault or disconnected, the power supply will be terminated, resulting in operation failure. In order to increase the service life of trams, reduce the capacity dependence on the power grid, and reduce operation cost, it is necessary to further upgrade the power supply architecture. It has been studied and discussed separately in existing works about the power supply equipment of the energy storage tram, the charging equipment, and the vehicle operation configuration. However, further insight into the energy efficiency optimization of charging facilities is still missing [23,24,25,26,27].
In this paper, we proposed an energy efficiency optimization design scheme for a collaborative power supply system with supercapacitor energy storage, which is embodied as follows:
(1)
The system architecture and efficiency flow block diagram of the collaborative energy storage charging system is proposed;
(2)
Based on the main parameters of the on-board supercapacitor, the efficiency of the two charging forms is calculated and analyzed. It can be concluded that the energy storage synergy is feasible to improve energy efficiency;
(3)
Finally, the configuration scheme of the supercapacitor energy storage system is implemented and demonstrated in real operation.

2. Module Charging System Architecture

The conventional charging system (i.e., direct charging system) refers to directly charging the vehicles after they enter the stations, and its characteristics of short-time pulse (within 30 s) and high power cause a large no-load loss of the transformer. With the introduction of supercapacitors, the energy storage collaborative charging system can reduce the no-load loss of the transformer and improve the utilization of the transformer capacity. However, the introduction of supercapacitors increases the energy conversion link of the entire charging system. Therefore, it is necessary to study the overall performance. On the basis of satisfying the functional requirements, it is of significance to optimize the efficiency of each link, and ultimately improve the overall efficiency of the charging system.

2.1. Topology of Power Supply System

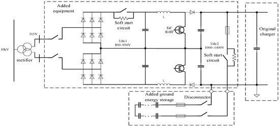
The topologies of the direct charging system and collaborative energy storage charging system are shown in Figure 1. The direct charging system mainly includes 10 kV distribution network, transformers, rectifiers, step-down DC/DC converters, isolation switches, power supply rails, and connecting cables. Compared with direct charging system, the collaborative energy storage charging system has a boost DC/DC converter and supercapacitor energy storage devices. In Figure 1a, the transformer parameters are AC 10 kV/900 V 800 kVA; in Figure 1b the transformer parameters are AC 10 kV/400 V 125 kVA. As shown in Figure 2, the main improvements of the collaborative energy storage charging system are as follows:
(1)
The grid voltage of the distribution network is lowered; 10 kV or 0.4 kV power supply can be used for access.
(2)
Transformer capacity is reduced. During the operation period, the transformer is able to work under rated conditions, regardless of whether the vehicles are charged or not.
(3)
The supercapacitor-based energy storage system supplies power to vehicles when they enter the station, and vice versa.
(4)
During the load, power is flattened by energy storage; the boosted DC/DC can work stably under the rated operating conditions, regardless of whether vehicles are charging in the station.

2.2. Efficiency Chain Model of the Charging System

The efficiency flow of the direct charging system is shown in Figure 3, where ηt0, ηr0, and ηbk0 represent the transformer efficiency, rectifier efficiency, and step-down DC/DC efficiency of the direct charging system during charging period, respectively. The efficiency flow of the collaborative energy storage charging system during idle period is shown in Figure 4. In Figure 4a, ηt1, ηr1, ηbt1, ηc1, and ηbk1 represent the transformer efficiency, rectifier efficiency, boost DC/DC efficiency, energy storage system charging efficiency, and step-down DC/DC efficiency, respectively. In Figure 4b, ηt2, ηr2, ηbt2, ηc2, and ηbk2 represent the transformer efficiency, rectifier efficiency, boost DC/DC efficiency, energy storage system discharge efficiency, and step-down DC/DC efficiency of the collaborative energy storage charging system during charging period, respectively. In Figure 3 and Figure 4, ηline and ηOESS indicate the efficiency of distribution network and on-board energy storage system, respectively. Due to the same charging power and time between the direct charging system and collaborative energy storage charging system, ηbk0 = ηbk2 and ηbk1 = 1. Since the same working states of the transformer, boost DC/DC, and rectifier during the charging and discharging process are present, ηt1 = ηt2 and ηr1 = ηr2. In analysis, for the sake of simplicity, a fixed efficiency is utilized for loss evaluation of rectifiers, buck DC/DC, and boost DC/DC [28].

2.3. Load Characteristics Analysis of Charging System

Typically, a charging strategy of “a constant current first and then a constant voltage” is adopted, to complete the charging process in a short time (≤30 s). The main parameters of the on-board supercapacitor energy storage system are shown in Table 1 [29,30].
The traction load characteristics are shown in Figure 5. The vehicle charging time tcharge is t2t1, and the charging interval time tinterval is t3t2. The variation of voltage and current with time during supercapacitor charging is shown in Figure 6.

3. Case Analysis

The system is calculated according to a station in the previous literature [8,9]. The main technical parameters are shown in Table 2. The transformer is 10 kV/0.4 kV 125 kVA; the efficiency of the diode rectifier is 99% (including line loss); and the efficiency of the boost DC/DC converter is 99.2%.

3.1. Calculation of Power System Efficiency

The operating energy consumption of a train station is different in four seasons, with the lowest in winter, medium in spring and autumn, and the highest in summer. Table 3 shows the energy consumption demands of station charging in four seasons of the Haizhu Line.
The charging power is directly related to the SOC of the returning train and the charging time. It is calculated according to the sequential charging principle. The stop time of each train is 30 s, and the available charging time is 25 s (excluding the response time). The constant power of 504 kW can meet the requirements. The number of departure pairs is determined as follows: the average daily number on working days is 80, while the average daily total number on rest days is 89.

3.1.1. Direct Charging

In the power supply chain of direct charging, the total efficiency of the 12-pulse diode rectifier and the cables in the station is 99%. The efficiency of the step-down DC/DC module is 98.5%. The no-load loss and load loss are 1.877 kW and 7.946 kW, respectively.
Combined with the demand for charging energy consumption in different seasons and the driving plan of the line, the loss calculation of each link in the constant power charging is shown in Table 4.
The weekly average of the daily power supply efficiency is considered in summer and autumn. It can be calculated that the weekly average power supply efficiency in summer is 89.05%, and the average weekly power supply efficiency in autumn is 83.22%. Then the average charging efficiency is 86.14%.

3.1.2. Energy Storage Synergy

For the collaborative energy storage power supply system, the energy efficiency of the supercapacitor is assumed to be η. Combined with the charging energy consumption demand in each season and the driving plan of the line, the loss of each link in constant power (Pch) charging is calculated in the following. The devices parameters of the charging system shown in Table 5 [9,28].
The single charge loss of step-down DC/DC is
E loss , dd = E op 0.985 × ( 1 0.985 )
Eop is the charging quantity of on-board energy storage system of each pair of vehicles.
The output of the transformer is at specified load in this case, and the load efficiency is 98.68%. Then the loss of a single synergistic power supply is
E loss , Tv = 125 kVA × E op P ch × ( 1 0.9868 )
The loss of the rectifier is
E loss , Rv = 125 kVA × E op P ch × 0.9868 × ( 1 0.99 )
The loss of boost DC/DC is
E loss , ddv = 125 kVA × E op P ch × 0.9868 × ( 1 0.992 )
The loss of ground energy storage device is
E loss , sc = ( E op 0.985 125 kVA × E op P ch × 0.9868 × 0.99 × 0.992 ) η × ( 1 η )
The energy consumption of the ground energy storage device during a single charge is
E ch = ( E op 0.985 125 kVA × E op P ch × 0.9868 × 0.99 × 0.992 ) η
The loss of boost DC/DC during a single charge is
E loss , ddc = E ch 0.992 × ( 1 0.992 )
The loss of the rectifier during a single charge is
E loss , Rc = E ch 0.992 × 0.99 × ( 1 0.99 )
The charge time of a single cycle of the transformer is
T rech = 1 D peak E op P ch
A load of charge during a single cycle is
E ch 0.992 × 0.99 × T rech
The loading efficiency of the transformer during charge is
η Tch = E ch 0.992 × 0.99 × T rech E ch 0.992 × 0.99 × T rech + 0.14 + ( E ch 0.992 × 0.99 × T rech × 125 kVA ) 2 × 1.53
The loss of the transformer during a single charge is
E loss , Tc = E ch 0.992 × 0.99 × η Tch × ( 1 η Tch )
The no-load loss of the transformer is
E loss , Tul = 0.14 kW × ( 24 h 1 D peak × N day )
The Nday is the total number of daily departure pairs. In summary, the total daily loss of each link is:
{ E loss , dd , day = E loss , dd × N day E loss , sc , day = E loss , sc × N day E loss , boost , day = ( E loss , ddv + E loss , ddc ) × N day E loss , R , day = ( E loss , Rv + E loss , Rc ) × N day E loss , T , day = E loss , Tul + ( E loss , Tc + E loss , Tv ) × N day
Eloss,dd,day, Eloss,sc,day, Eloss,boost,day, Eloss,R,day and Eloss,dd,day, are the total daily loss of step-down DC/DC, ground energy storage device, boost DC/DC, rectifier, and transformer, respectively;
The total daily loss is:
E loss , day = E loss , dd , day + E loss , bc , day + E loss , boost , day + E loss , R , day + E loss , T , day
The efficiency of the daily average power supply is
η stop = N day × E op E loss , day + N day × E op
According to the above formula, the weekly average power supply efficiency in summer and autumn is
{ η sum , week = E op , sum × ( N wd × 5 + N wd × 2 ) E op , sum × ( N wd × 5 + N wd × 2 ) + E loss , wd , sum × 5 + E loss , wk , sum × 2 η aut , week = E op , aut × ( N wd × 5 + N wd × 2 ) E op , aut × ( N wd × 5 + N wd × 2 ) + E loss , wd , aut × 5 + E loss , wk , aut × 2
Nwd and Nwk are the daily total number of departure pairs on working days and rest days, respectively; Eop,sum and Eop,aut are the charging energy consumption per pair in summer and autumn, respectively; Eloss,wd,sum and Eloss,wk,aut are the total daily loss of summer working days and rest days, respectively; Eloss,wd,aut and Eloss,wk,aut are the total daily loss of autumn working days and rest days, respectively.
To meet the design goal (increase the power supply efficiency by 5%), it can be reversed that the energy efficiency of the ground energy storage device is at least 93.48% (which can be easily achieved considering the charge power of 504 kW,). Table 6 shows the average power supply efficiency of the energy storage power supply system in each season.

3.2. Design of Ground Energy Storage Device

During working hours, the ground energy storage device outputs high-power electric energy stored when the train enters the station to meet the demands for fast charge. After the train leaves the station, the energy storage device is charged by boosted DC/DC with low power until fully charged. Therefore, the no-load loss of grid side transformer is reduced when the train is withdrawn from operation at night.

3.2.1. Capacity Configuration

A 60,000 F capacitive monomer is used. The main parameters are as follows: the voltage working range is 2.4~3.5 V, the maximum working current is 100 A (10 C), the energy density is 40 Wh/kg, the power density is 2314 W/kg, the internal resistance is 0.3 mΩ (30 °C), and the cycle lifetime is 30,000 times. To evaluate the efficiency of the capacitive monomer in actual working conditions, the energy efficiency at different discharge currents is tested as follows:
(1)
Charged to 3.45 V at 35 A and discharged at 110 A for 50 s, energy efficiency averaged 96.60%;
(2)
Charged to 3.45 V at 35 A and discharged at 140A for 50 s, energy efficiency averaged 96.20%;
(3)
Charged to 3.45 V at 35 A and discharged at 170 A for 50 s, energy efficiency averaged 95.50%;
(4)
Fully charged and fully discharged at 100 A, energy efficiency averaged 94.33%.
According to the results of the efficiency experiments, the pre-configured battery capacitor scheme is shown in Table 7.
Based on the performance of the 60,000 F monomer: the standard charge and discharge current is 100 A, the maximum working current is 200 A under forced heat dissipation conditions, and the pulse current is 300 A (30 s). If the 2-parallel scheme is configured, the discharge current of the monomer is close to 200 A or even exceeds 200 A. Then the operation target can only be met under the forced heat dissipation condition. Therefore, considering the system efficiency and system heat dissipation requirement after the capacitive monomers are assembled, the 1200 V/348S3P is finally selected. This configuration not only achieves the goal of improving efficiency, but also maintains considerable capacity retention and energy efficiency after a long-term decline.

3.2.2. Circuit Configuration

The ground energy storage device is mainly composed of energy storage cabinets (2 sets are connected in series by cables), modules (58 sets), voltage equalization unit, main control unit, control and protection circuit, heat dissipation system, etc. The voltage equalization unit and the main control unit constitute the CMS. The main parameters are shown in Table 8.
The supercapacitor module is composed of monomers in series and parallel (6S3P). In addition, the module is mainly composed of 18 supercapacitor monomers, circuits for balancing, and structural parts. The balancing circuit monitors the information such as the voltage of each parallel node and the temperature of the module, and reports it to the main control system through the communication bus. Then the main control system processes the data and issues corresponding action commands. In addition, the circuit board can equalize the voltage of multiple monomers at the same time, which can effectively reduce the voltage difference between cells and improve capacity utilization.

3.2.3. Control Strategy

The capacitor management system (CMS) is mainly used to monitor the supercapacitor energy storage system, with functions such as system current acquisition, total voltage acquisition, and leakage detection. When the energy storage system is in fault, it will alarm and notify the upper-level management system. Then the system can reduce power or stop running to ensure safety, more specifically:
(1)
System current: the bus current sensed by the Hall sensor. The discharge direction of the system denotes a positive value, and the charging direction denotes a negative value.
(2)
System voltage: the total system voltage collected through the high-voltage sample line in the bus, different from the accumulated voltage obtained by monitoring the monomer. When the high-voltage sample line in a bus is recognized as invalid, the system will switch to show the accumulated voltage of the monomers and report the fault.
(3)
The highest voltage of a single cell: the highest parallel node voltage in the energy storage system, which determines the charging limit of the system.
(4)
The maximum temperature of the module: the highest temperature displayed by all temperature sensors of the energy storage system. When the temperature is too high, the system will alarm to prevent thermal failure.

3.3. Working Mode

The working mode of the collaborative energy storage power supply is as follows:
Step1:
Read the voltage value (U) of the current power supply rail through the voltage sensor for status judgment;
Step2:
If U = 0, charge the energy storage device at a preset low power by a boost DC/DC converter; if U ≠ 0, check whether the disconnector of the current power supply system is closed;
Step3:
If the disconnector is closed, continue to perform step 2; if not, then close the disconnector of the power supply rail currently connected to the vehicle to be charged;
Step4:
Collect the electric energy from the boost DC/DC converter and the energy storage device through a step-down DC/DC converter and transfer the obtained energy to the vehicle;
Step5:
Check through the voltage sensor whether the current voltage at the supply rail reaches the full voltage;
Step6:
If yes, disconnect the disconnector at the power supply rail.

3.4. Energy Efficiency Analysis before and after Upgrade

Combined with recent operation data, upgrading the power supply system put forward performance requirements of crucial equipment in the line. Calculation analysis shows a 5.26% expected increase in power supply efficiency. By collecting the input energy consumption of the transformer and the output energy consumption of the buck DC/DC, the effectiveness of the efficiency improvement of the power supply system is verified. The comparison results are shown in Table 9.
After the upgrade, the energy consumption of the system is reduced, and the energy efficiency is increased by 5.26%, which meets the design requirements. The supercapacitor storages and efficiency test equipment is shown in Figure 7.

4. Conclusions

To realize an efficient, reliable and economical power supply system of energy storage tram based on supercapacitors, this paper designs an energy storage collaborative power supply system and conducts practical verification on a line in field operation.
(1)
The charging topology and main parameters of the collaborative energy storage system are designed, and the efficiency chain model and load characteristics of the charging system are analyzed. The power supply topology of the ground energy storage system is designed based on the supercapacitor and the boost DC/DC converter, which have good flexibility to realize the upgrade of the existing power supply system.
(2)
The proposed system effectively reduces the transformer capacity requirement, the no-load loss, and load loss. After adding supercapacitor energy storage, the transformer can charge the supercapacitor when the vehicle enters the station; after the vehicle enters the station, the transformer maintains the same charge power with the ground supercapacitor providing additional power.
(3)
Based on the system power flow transfer, the system efficiency expression is obtained, and the topology performance is theoretically analyzed. Calculation of energy consumption data demonstrates that the energy efficiency of the energy storage collaborative power supply system has been significantly improved by 5%.
(4)
The proposed topology can also reduce the exclusive requirements for front-end grid power supply, suitable for some areas without 10 kV dedicated lines or scenarios for new energy power supply. Meanwhile, it provides a reference for subsequent research, such as on canceling the rectifier and charging the energy storage system on the ground directly through AC/DC.

Author Contributions

Conceptualization, Y.D. (Yibo Deng) and C.L. (Chengmin Li).; methodology, Y.D. (Yibo Deng) and Y.D. (Yan Deng); software, Y.D. (Yibo Deng) and Y.C.; validation, Y.D. (Yibo Deng) and T.C.; formal analysis, Y.D. (Yibo Deng) and C.L. (Chengmin Li).; investigation, Y.D. (Yibo Deng) and S.F.; resources, C.L. (Chushan Li) and Y.D. (Yan Deng); data curation, Y.D. (Yibo Deng), T.C. and C.L. (Chengmin Li); writing—original draft preparation, Y.D. (Yibo Deng) and S.F.; writing—review and editing, C.L. (Chengmin Li), C.L. (Chushan Li) and Y.D. (Yan Deng); visualization, Y.D. (Yibo Deng) and S.F.; supervision, C.L. (Chengmin Li), C.L. (Chushan Li) and Y.D. (Yan Deng); project administration, Y.D. (Yibo Deng), T.C. and C.L. (Chengmin Li); funding acquisition, Y.D. (Yibo Deng) and C.L. (Chushan Li). All authors have read and agreed to the published version of the manuscript.

Funding

This research was funded by the National Key R&D Program of China, grant number 2017YFB1201004.

Data Availability Statement

The data presented in this study are available on request from the corresponding author.

Conflicts of Interest

The authors declare no conflict of interest.

Nomenclature

DpeakNumber of departures per hour
EchEnergy consumption of ground energy storage during each charging in case of coordinated power supply by supercapacitor
EopCharging quantity of on-board energy storage system of each pair of vehicles
Eloss,ddEnergy loss of step-down DC/DC during each charging in case of coordinated power supply by supercapacitor
Eloss,TvEnergy loss of transformer during each charging in case of coordinated power supply by supercapacitor
Eloss,RvEnergy loss of rectifier during each charging in case of coordinated power supply by supercapacitor
Eloss,ddvEnergy loss of boost DC/DC during each charging in case of coordinated power supply by supercapacitor
Eloss,scEnergy loss of ground energy storage during each charging in case of coordinated power supply by supercapacitor
Eloss,ddcEvery time the ground energy storage system is replenished, the energy loss of the boost DC/DC
Eloss,RcEvery time the ground energy storage system is replenished, the energy loss of the rectifier
Eloss,TcEvery time the ground energy storage system is replenished, the energy loss of the transformer
Eloss,TulNo-load loss of transformer
Eloss,dd,dayTotal daily loss of step-down DC/DC
Eloss,sc,dayTotal daily loss of ground energy storage system
Eloss,boost,dayTotal daily loss of boost DC/DC
Eloss,R,dayTotal daily loss of rectifier
Eloss,T,dayvTotal daily loss of transformer
Eloss,wd,sumTotal daily loss of summer working days
Eloss,wk,autTotal daily loss of summer rest days
Eloss,wd,autTotal daily loss of autumn working days
Eloss,wk,autTotal daily loss of autumn rest days
Eloss,dayTotal daily loss
Eop,sumCharging energy consumption per pair in summer
Eop,autCharging energy consumption per pair in autumn
NdayTotal number of daily departures
NwdDaily total number of departure pairs on working days
NwkDaily total number of departure pairs on rest days
PchRated power of charger
TrechThe charge time of a single cycle of the transformer
tchargeCharging time
tintervalCharging interval time
ηThe supercapacitor energy efficiency of the collaborative energy storage power charging system
ηlineThe distribution network efficiency
ηOESSThe on-board energy storage system efficiency
ηt0The transformer efficiency when the direct charging system during charging period
ηr0The rectifier efficiency when the direct charging system during charging period
ηbk0The step-down DC/DC efficiency when the direct charging system during charging period
ηt1The transformer efficiency when the collaborative energy storage charging system during idle period
ηr1The rectifier efficiency when the collaborative energy storage charging system during idle period
ηbt1The boost DC/DC efficiency when the collaborative energy storage charging system during idle period
ηc1The energy storage system charging efficiency when the collaborative energy storage charging system during idle period
ηbk1The step-down DC/DC efficiency when the collaborative energy storage charging system during idle period
ηt2The transformer efficiency when the collaborative energy storage charging system during charging period
ηr2The rectifier efficiency when the collaborative energy storage charging system during charging period
ηbt2The boost DC/DC efficiency when the collaborative energy storage charging system during charging period
ηc2The energy storage system discharge efficiency when the collaborative energy storage charging system during charging period
ηbk2The step-down DC/DC efficiency when the collaborative energy storage charging system during charging period
ηTchEfficiency of a single cycle of the transformer
ηstopDaily average power supply efficiency
ηsum,weekAverage weekly power supply efficiency in summer
ηaut,weekAverage weekly power supply efficiency in autumn

References

  1. Yang, Y.; Chen, Z.J. Research and Development of Energy Storage Electric Traction Light Rail Transport. Electr. Locomot. Mass Transit Veh. 2012, 35, 5–10+20. [Google Scholar]
  2. Tian, W.; Chang, P.; Lin, C. Analysis of Tram Charging Device under Different Power Supply Networks. Mod. Urban Transit 2018, 8, 13–15. [Google Scholar]
  3. Radaš, I.; Župan, I.; Šunde, V.; Ban, Ž. Route Profile Dependent Tram Regenerative Braking Algorithm with Reduced Impact on the Supply Network. Energies 2021, 14, 2411–2432. [Google Scholar] [CrossRef]
  4. He, Z.; Zhao, Y.; Zhu, D.; Su, X. Research on the Charging Device of Energy-storage Tram for Parking-lot. Electr. Drive 2018, 48, 70–74. [Google Scholar]
  5. Zhang, G.; Li, Q.; Chen, W.; Meng, X.; Deng, H. A coupled power-voltage equilibrium strategy based on droop control for fuel cell/battery/supercapacitor hybrid tramway. Int. J. Hydrog. Energy 2019, 44, 19370–19383. [Google Scholar] [CrossRef]
  6. Yang, J.; Xu, X.; Peng, Y.; Zhang, J.; Song, P. Modeling and optimal energy management strategy for a catenary-battery-ultracapacitor based hybrid tramway. Energy 2019, 183, 1123–1135. [Google Scholar] [CrossRef]
  7. Wei, S.; Murgovski, N.; Jiang, J.; Hu, X.; Zhang, W.; Zhang, C. Stochastic optimization of a stationary energy storage system for a catenary-free tramline. Appl. Energy 2020, 280, 115711. [Google Scholar] [CrossRef]
  8. Oukkacha, I.; Sarr, C.T.; Camara, M.B.; Dakyo, B.; Parédé, J.Y. Energetic Performances Booster for Electric Vehicle Applications Using Transient Power Control and Supercapacitors-Batteries/Fuel Cell. Energies 2021, 14, 2251–2272. [Google Scholar] [CrossRef]
  9. Wei, S.; Jiang, J.; Cheng, L. Optimal Sizing Model of the Energy Storage Type Tramway Considering the Integration of on-Board Energy Storage and off-Board Energy Supply. Trans. China Electrotech. Soc. 2019, 34, 229–238. [Google Scholar]
  10. Wang, B.; Yang, Z.; Lin, F.; Zhao, W. Study on Optimization of Capacity Configuration of Stationary Super Capacitor Storage System for Improving Energy Efficiency and Voltage Profile. J. China Railw. Soc. 2016, 38, 45–52. [Google Scholar]
  11. Su, X.; Zhu, L.; Tian, W. Research on Control for Tram Charging Device Based on Super-capacitor. Power Electron. 2016, 50, 60–62. [Google Scholar]
  12. Di Noia, L.P.; Genduso, F.; Miceli, R.; Rizzo, R. Optimal integration of hybrid supercapacitor and IPT system for a free-catenary tramway. IEEE Trans. Ind. Appl. 2018, 55, 794–801. [Google Scholar] [CrossRef]
  13. Li, H.; Peng, J.; He, J.; Zhou, R.; Huang, Z.; Pan, J. A cooperative charging protocol for onboard supercapacitors of catenary-free trams. IEEE Trans. Control Syst. Technol. 2017, 26, 1219–1232. [Google Scholar] [CrossRef]
  14. Şahin, M.E.; Blaabjerg, F.; Sangwongwanich, A. A comprehensive review on supercapacitor applications and developments. Energies 2022, 15, 674–699. [Google Scholar] [CrossRef]
  15. Guo, C.; Zhang, A.; Zhang, H. Model Predictive Control for Tram Charging and its Semi-physical Experimental Platform Design. J. Power Electron. 2018, 18, 1771–1779. [Google Scholar]
  16. Herrera, V.; Milo, A.; Gaztañaga, H.; Etxeberria-Otadui, I.; Villarreal, I.; Camblong, H. Adaptive energy management strategy and optimal sizing applied on a battery-supercapacitor based tramway. Appl. Energy 2016, 169, 831–845. [Google Scholar] [CrossRef]
  17. Chang, P.; Tian, W.; Lin, C. Research on Energy Storage Type Charging Devices for Modern Trams. Electr. Autom. 2019, 41, 102–104. [Google Scholar]
  18. Xie, Y.; Bai, Y. Overall Capacity Allocation of Energy Storage Tram with Ground Charging Piles. Energy Storage Sci. Technol. 2021, 10, 1388–1399. [Google Scholar]
  19. Wu, W.; Hu, J.; Yang, H.; Feng, A. Research on a 2 MW Timcar Charqlng Device. Electr. Veh. Technol. 2020, 42, 47–49+101. [Google Scholar]
  20. Rong, L.; Tian, W.; Sun, Z. Research on Charging Device of Super Capacitor Tram. Power Electron. 2020, 54, 11–14. [Google Scholar]
  21. Zahng, W.; Tao, Z.; Luo, Q.; Zheng, R. Development of an Isolated Charing Device for Energy-storage Trams. Power Electron. 2021, 55, 34–36+48. [Google Scholar]
  22. Jin, X.; Chen, Y. Study on Optimization Design of Fast Energy Storage in the Charging Device of the Tram. Comput. Simul. 2017, 34, 151–155+225. [Google Scholar]
  23. Yang, J.B.; Xu, X.H.; Peng, Y.Q. Optimal Parameter Matching of Hybrid Energy Storage System Based on NSGA-Ⅱ Algorithm for Energy Storage Type Tram. J. Mech. Eng. 2020, 56, 181–189. [Google Scholar]
  24. Ciccarelli, F.; Iannuzzi, D.; Kondo, K.; Fratelli, L. Line-voltage control based on wayside energy storage systems for tramway networks. IEEE Trans. Power Electron. 2015, 31, 884–899. [Google Scholar] [CrossRef]
  25. Zhou, Y.; Zhang, L.; Xiu, S.; Hao, W. Design and Analysis of Platform Shielding for Wireless Charging Tram. IEEE Access 2019, 7, 129443–129451. [Google Scholar] [CrossRef]
  26. Yan, Y.; Li, Q.; Chen, W.; Su, B.; Liu, J.; Ma, L. Optimal energy management and control in multimode equivalent energy consumption of fuel cell/supercapacitor of hybrid electric tram. IEEE Trans. Ind. Electron. 2018, 66, 6065–6076. [Google Scholar] [CrossRef]
  27. Qiu, L.; Wang, X.; Tao, Z. Analysis and Protection of Output Over-voltage for Energy Storage Tram Charging Device. Urban Mass Transit 2020, 23, 72–74. [Google Scholar]
  28. Yang, L.; Wei, S. Improvement of Ground Power Supply Scheme for Energy Storage Tram. Electr. Locomot. Mass Transit Veh. 2020, 43, 56–60+64. [Google Scholar]
  29. Zhang, W.; Wen, W. Ground Charging System for Energy Storage Modern Tram. Electr. Locomot. Mass Transit Veh. 2015, 38, 30–32. [Google Scholar]
  30. Chen, W.; Shi, F.; Dai, C.; An, Q.; Liu, Y.; Liu, Y. Energy Management Strategy of Hybrid Tram Based on Dynamic Degree of Hybrid. J. Southwest Jiaotong Univ. 2020, 55, 409–416. [Google Scholar]
Figure 1. The topology of the charging system. (a) Direct charging system. (b) Collaborative energy storage system.
Figure 1. The topology of the charging system. (a) Direct charging system. (b) Collaborative energy storage system.
Energies 16 01227 g001
Figure 2. Co-charging topology for supercapacitor energy storage.
Figure 2. Co-charging topology for supercapacitor energy storage.
Energies 16 01227 g002
Figure 3. Efficiency flow block diagram of the direct charging system.
Figure 3. Efficiency flow block diagram of the direct charging system.
Energies 16 01227 g003
Figure 4. Efficiency flow block diagram of collaborative energy storage charging system. (a) Energy storage system charging process. (b) Collaborative energy storage system discharge process.
Figure 4. Efficiency flow block diagram of collaborative energy storage charging system. (a) Energy storage system charging process. (b) Collaborative energy storage system discharge process.
Energies 16 01227 g004
Figure 5. Traction load characteristics.
Figure 5. Traction load characteristics.
Energies 16 01227 g005
Figure 6. Supercapacitor charging curve.
Figure 6. Supercapacitor charging curve.
Energies 16 01227 g006
Figure 7. Efficiency test of supercapacitor storage. (a) Supercapacitor storage. (b) Efficiency test equipment.
Figure 7. Efficiency test of supercapacitor storage. (a) Supercapacitor storage. (b) Efficiency test equipment.
Energies 16 01227 g007
Table 1. Main technical parameters of on-board supercapacitors.
Table 1. Main technical parameters of on-board supercapacitors.
ParameterValue
Vehicle marshaling (Car)4
Capacity (F)130
Rated voltage (V)750
Voltage range (V)500~900
Charging current (A)1800
Current collection modeStation stationary charging
Table 2. The main technical parameters.
Table 2. The main technical parameters.
DeviceParameter
Input voltageThree-phase AC 10 kV (−15~+7%)
Input voltage harmonics≤3% (31 times or less)
Input power factorSpecified load ≥ 0.95, No load ≥ 0.90
Transformer rated power125 kVA
Charging methodConstant current, limited voltage, and constant power
Output charging voltage500~900 V
Output powerTotal output power ≤ 700 kW and the current can be adjusted according to the operating conditions
Working formContinuous uninterrupted work
Table 3. The energy consumption demands of station charging in four seasons.
Table 3. The energy consumption demands of station charging in four seasons.
SeasonSummerAutumn
Traction energy consumption (kWh)3.03.0
Auxiliary energy consumption (kWh)3.02.0
Charging energy consumption (kWh)6.05.0
Table 4. The loss calculation results.
Table 4. The loss calculation results.
SeasonWorkdayRest Day
Sum.Fal.Sum.Fal.
DC/DC daily loss (kWh)7.314.268.134.74
Rectifier daily loss (kWh)4.922.875.483.19
Transformer daily loss (kWh)48.2146.8948.5647.10
Total daily loss (kWh)60.4454.0362.1755.04
Average daily power supply efficiency (%)88.8283.8389.5784.98
Table 5. The devices parameters of the charging system.
Table 5. The devices parameters of the charging system.
ParameterValue
Full load power of transformer (kW)125
No-load loss power of transformer (kW)0.14
Load loss power of transformer (kW)1.53
Step-down DC/DC charging efficiency0.985
Transformer load efficiency0.9868
Full load efficiency of rectifier0.99
Boost DC/DC efficiency0.992
Table 6. The comparison of average power supply efficiency.
Table 6. The comparison of average power supply efficiency.
Average Power Supply EfficiencyOriginal Power Supply System (%)Energy Storage Power Supply System (%)Growth Rate (%)
Summer89.0592.984.41
Autumn83.2287.925.65
Daily86.1490.455.00
Table 7. The battery capacitor configuration scheme.
Table 7. The battery capacitor configuration scheme.
Parallel ConnectionSeries
Connection
Voltage (V)Monomer Charge–Discharge Current (A)Monomer
Discharge Energy (Wh)
Voltage Test
24081400<55.14010.42 (3.185~3.45 V)Satisfied
3841300<55.15111.07 (3.180~3.45 V)Satisfied
3481200<55.16312.22 (2.816~3.45 V)Not satisfied
324110055.17813.12 (2.764~3.45 V)Not satisfied
34081400<35.936.95 (3.214~3.45 V)Satisfied
3841300<35.1007.38 (3.211~3.45 V)Satisfied
3481200<35.1088.15 (3.205~3.45 V)Satisfied
324110035.1188.75 (3.199~3.45 V)Satisfied
Table 8. The system parameters of the ground energy storage device.
Table 8. The system parameters of the ground energy storage device.
ParameterValue
Monomer3.6 V/60,000 F
Total system power (kWh)52.2
Rated voltage (VDC)1252.8
Optimal working voltage (VDC)835.3~1218
Standard charge–discharge current (A)300
Pulse current@30 s (A)900
Table 9. The AC and DC power before and after upgrade.
Table 9. The AC and DC power before and after upgrade.
Electricity Consumption (6 Months)BeforeAfter
AC (kWh)85,20077,910
DC (kWh)73,63371,429
Average AC/DC conversion rate (%)86.4291.68
Disclaimer/Publisher’s Note: The statements, opinions and data contained in all publications are solely those of the individual author(s) and contributor(s) and not of MDPI and/or the editor(s). MDPI and/or the editor(s) disclaim responsibility for any injury to people or property resulting from any ideas, methods, instructions or products referred to in the content.

Share and Cite

MDPI and ACS Style

Deng, Y.; Li, C.; Deng, Y.; Chen, T.; Feng, S.; Chu, Y.; Li, C. Energy Efficiency Optimization of Collaborative Power Supply System with Supercapacitor Storages. Energies 2023, 16, 1227. https://doi.org/10.3390/en16031227

AMA Style

Deng Y, Li C, Deng Y, Chen T, Feng S, Chu Y, Li C. Energy Efficiency Optimization of Collaborative Power Supply System with Supercapacitor Storages. Energies. 2023; 16(3):1227. https://doi.org/10.3390/en16031227

Chicago/Turabian Style

Deng, Yibo, Chushan Li, Yan Deng, Ting Chen, Shaoyu Feng, Yujie Chu, and Chengmin Li. 2023. "Energy Efficiency Optimization of Collaborative Power Supply System with Supercapacitor Storages" Energies 16, no. 3: 1227. https://doi.org/10.3390/en16031227

APA Style

Deng, Y., Li, C., Deng, Y., Chen, T., Feng, S., Chu, Y., & Li, C. (2023). Energy Efficiency Optimization of Collaborative Power Supply System with Supercapacitor Storages. Energies, 16(3), 1227. https://doi.org/10.3390/en16031227

Note that from the first issue of 2016, this journal uses article numbers instead of page numbers. See further details here.

Article Metrics

Back to TopTop