A Study on Performance and Characteristic Analysis According to the Operating Point of IPMSM Drive
Abstract
1. Introduction
2. Pulse-Width Modulation Method
2.1. Sinusoidal Pulse-Width Modulation
2.2. Third-Harmonic Pulse-Width Modulation
2.3. Space Vector Pulse-Width Modulation
2.4. Discontinuous Pulse-Width Modulation
3. The Offset Voltage Injection Method
3.1. SPWM and THPWM
3.2. Space Vector Pulse-Width Modulation
3.3. Sixty-Degrees Discontinuous Pulse-Width Modulation
3.4. Other Discontinuous Pulse-Width Modulations
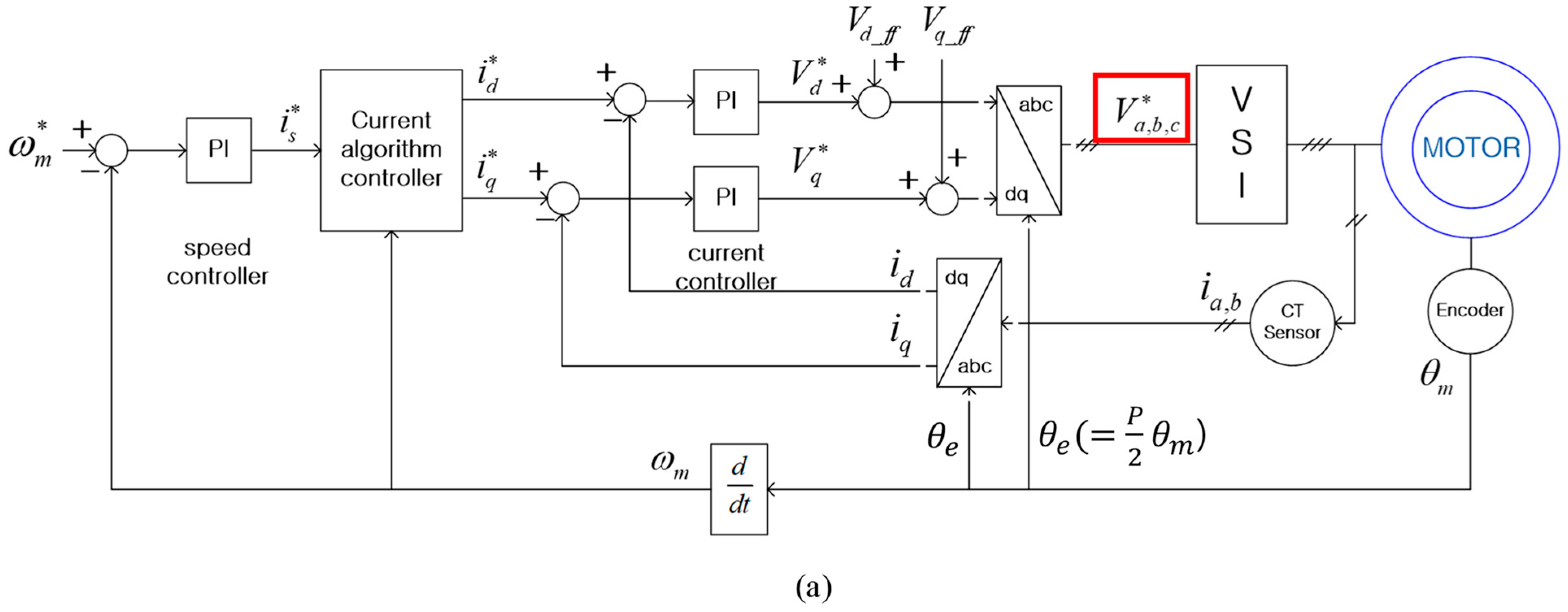
4. Test Results of the IPMSM
4.1. Simulation Results
4.2. Experimental Results
5. Conclusions
Author Contributions
Funding
Data Availability Statement
Conflicts of Interest
References
- Ferreira, F.; Baoming, G.; Almeida, A. Reliability and Operation of High-Efficiency Induction Motors. IEEE Trans. Ind. Appl. 2016, 52, 4628–4637. [Google Scholar] [CrossRef]
- Vratislav, M. Three-Level PWM Floating H-Bridge Sinewave Power Inverter for High-Voltage and High-Efficiency Applications. IEEE Trans. Pow. Electron. 2016, 31, 4065–4074. [Google Scholar]
- Khan, A.A.; Cha, H. Dual-Buck-Structured High-Reliability and High Efficiency Single-Stage Buck–Boost Inverters. IEEE Trans. Ind. Electron. 2018, 65, 3176–3187. [Google Scholar] [CrossRef]
- Chun, T.W.; Ahn, J.R.; Lee, H.H.; Kim, H.G.; Nho, E.C. A Novel Strategy of Efficiency Control for a Linear Compressor System Driven by a PWM Inverter. IEEE Trans. Ind. Electron. 2008, 55, 296–301. [Google Scholar] [CrossRef]
- Jun, H.W.; Lee, J.; Lee, H.W.; Kim, W.H. Study on the Optimal Rotor Retaining Sleeve Structure for the Reduction of Eddy-Current Loss in High-Speed SPMSM. IEEE Trans. Magn. 2015, 51, 1–4. [Google Scholar] [CrossRef]
- Tabora, J.; Tostes, M.; Bezerra, U.; Matos, E.; Filho, C.; Soares, T.; Rodrigues, C. Assessing Energy Efficiency and Power Quality Impacts Due to High-Efficiency Motors Operating Under Nonideal Energy Supply. IEEE Access 2021, 9, 121871–121882. [Google Scholar] [CrossRef]
- Dementyev, Y.; Bragin, A.; Kojain, N.; Udut, L. Control System with Sinusoidal PWM Three-Phase Inverter with a Frequency Scalar Control of Induction Motor. In Proceedings of the 2015 International Siberian Conference on Control and Communications, Omsk, Russia, 21–23 May 2015. [Google Scholar]
- Hari, V.; Narayanan, G. Space-Vector-Based Hybrid PWM Technique to Reduce Peak-to-Peak Torque Ripple in Induction Motor Drives. IEEE Trans. Ind. Appl. 2016, 52, 1489–1499. [Google Scholar]
- Reddy, N.; Reddy, T.; SubbaRayudu, D. Space Vector Based Minimum Switching Loss PWM Algorithms for Vector Controlled Induction Motor Drives. In Proceedings of the 2010 Joint International Conference on Power Electronics, Drives and Energy Systems & 2010 Power India, New Delhi, India, 20–23 December 2010. [Google Scholar]
- Pinto, J.; Bose, B.; Silva, L.; Kazmierkowski, M. A Neural-Network-Based Space-Vector PWM Controller for Voltage-Fed Inverter Induction Motor Drive. IEEE Trans. Ind. Appl. 2000, 36, 1628–1636. [Google Scholar]
- Hari, V.; Narayanan, G. Theoretical and Experimental Evaluation of Pulsating Torque Produced by Induction Motor Drives Controlled With Advanced Bus-Clamping Pulsewidth Modulation. IEEE Trans. Ind. Electron. 2016, 63, 1404–1413. [Google Scholar] [CrossRef]
- Holtz, J. Pulsewidth modulation-a survey. IEEE Trans. Ind. Electron. 1992, 39, 410–420. [Google Scholar] [CrossRef]
- Holtz, J. Pulsewidth modulation for electronic power conversion. Proc. IEEE 1994, 82, 1194–1214. [Google Scholar] [CrossRef]
- Krah, J.-O.; Holtz, J. High-performance current regulation and efficient PWM implementation for low-inductance servo motors. IEEE Trans. Ind. Appl. 1999, 35, 1039–1049. [Google Scholar] [CrossRef]
- Qu., L.; Qu, L.; Qiao, W.; Zhang, Z. Zero Voltage Vector Selection in a Saturation Controller-Based Direct Torque Control for Permanent-Magnet Synchronous Motors. In Proceedings of the 2019 IEEE Energy Conversion Congress and Exposition, Baltimore, MD, USA, 29 September–3 October 2019. [Google Scholar]
- Bhavani, J.; Amarnath, J.; Rayudu, D. Generalized PWM algorithm for VSI fed Induction Motor Drives Using the only Sampled Reference Phase Voltages. In Proceedings of the 2012 IEEE 5th India International Conference on Power Electronics, Delhi, India, 6–8 December 2012. [Google Scholar]
- Perron, M.; Le-Huy, H. Full Load Range Neural Network Efficiency Optimization of an Induction Motor with Vector Control using Discontinuous PWM. In Proceedings of the 2006 IEEE International Symposium on Industrial Electronics, Montreal, QC, Canada, 9–13 July 2006. [Google Scholar]
- Sun, Y.; Li, S.; Fu, X.; Dong, W.; Ramezani, M.; Balasubramanian, B. Approximate Dynamic Programming Vector Controllers for Operation of IPM Motors in Linear and Overmodulation Regions. IEEE Trans. Tran. Electron. 2021, 7, 659–670. [Google Scholar] [CrossRef]
- Mohan, P.; Reddy, T.; Kumar, M. A High-Performance PWM Algorithm for Vector Controlled Induction Motor Drive for Reduced Current Ripple. In Proceedings of the IEEE International Conference on Recent Advances and Innovations in Engineering, Jaipur, India, 9–11 May 2014. [Google Scholar]
- Grandi, G.; Loncarski, J.; Srndovic, M. Analysis and Minimization of Output Current Ripple for Discontinuous Pulse-Width Modulation Techniques in Three-Phase Inverters. Energies 2016, 9, 380. [Google Scholar] [CrossRef]
- Tcai, A.; Shin, H.U.; Lee, K.B. DC-Link Capacitor-Current Ripple Reduction in DPWM-Based Back-to-Back Converters. IEEE Trans. Ind. Electron. 2018, 65, 1897–1907. [Google Scholar] [CrossRef]
- Marouani, K.; Khaldi, M.; Khoucha, F.; Kheloui, A. Switching Losses and Harmonic Currents Evaluation of PWM Tech-niques for VSI-Fed Dual Stator Induction Motor Drive. In Proceedings of the 17th Mediterranean Conference on Control & Au-Tomation, Thessaloniki, Greece, 24–26 June 2009. [Google Scholar]
- Un, E.; Hava, A. A Near-State PWM Method With Reduced Switching Losses and Reduced Common-Mode Voltage for Three-Phase Voltage Source Inverters. IEEE Trans. Ind. Appl. 2009, 45, 782–793. [Google Scholar] [CrossRef]
- Wu, Y.; Shafi, M.; Knight, A.; McMahon, R. Comparison of the Effects of Continuous and Discontinuous PWM Schemes on Power Losses of Voltage-Sourced Inverters for Induction Motor Drives. IEEE Trans. Pow. Electron. 2011, 26, 182–191. [Google Scholar] [CrossRef]
- Zhang, G.; Wan, Y.; Wang, Z.; Gao, L.; Zhou, Z.; Geng, Q. Discontinuous Space Vector PWM Strategy for Three-Phase Three-Level Electric Vehicle Traction Inverter Fed Two-Phase Load. World Electr. Veh. J. 2020, 11, 27. [Google Scholar] [CrossRef]
- Piazza, M.; Pucci, M.; Vitale, G. Benchmarking of PWM Techniques Effects on Efficiency, Power Quality and EMI in DC-supplied Induction Motor Drives. In Proceedings of the 2013 IEEE Energy Conversion Congress and Exposition, Denver, CO, USA, 15–19 September 2013. [Google Scholar]
- Albatran, S.; Allabadi, A.; Khalaileh, A.; Fu, Y. Improving the Performance of a Two-Level Voltage Source Inverter in the Overmodulation Region Using Adaptive Optimal Third Harmonic Injection Pulsewidth Modulation Schemes. IEEE Trans. Pow. Electron. 2021, 36, 1092–1103. [Google Scholar] [CrossRef]
- Schoonhoven, G.; Uddin, M. Harmonic Injection-Based Adaptive Control of IPMSM Motor Drive for Reduced Motor Current THD. IEEE Trans. Ind. Appl. 2017, 53, 483–491. [Google Scholar] [CrossRef]
- Choi, J.-Y.; Park, Y.-S.; Jang, S.-M. Experimental Verification and Electromagnetic Analysis for Performance of Interior PM Motor According to Slot/Pole Number Combination. IEEE Trans. Magn. 2012, 48, 987–990. [Google Scholar] [CrossRef]
- Hava, A.M.; Kerkman, R.J.; Lopo, T.A. A High-Performance Generalized Discontinuous PWM Algorithm. IEEE Trans. Ind. Appl. 1998, 34, 1059–1071. [Google Scholar] [CrossRef]






















| Variables | Value | Unit |
|---|---|---|
| Resistance | 2.85 | Ohm |
| Rated speed | 1250 | rpm |
| DC Supply Voltage | 100 | V |
| Rated current | 3.25 | A |
| Number of Poles | 8 | - |
| d-axis inductance | 20.26 | mH |
| q-axis inductance | 22.67 | mH |
Disclaimer/Publisher’s Note: The statements, opinions and data contained in all publications are solely those of the individual author(s) and contributor(s) and not of MDPI and/or the editor(s). MDPI and/or the editor(s) disclaim responsibility for any injury to people or property resulting from any ideas, methods, instructions or products referred to in the content. |
© 2023 by the authors. Licensee MDPI, Basel, Switzerland. This article is an open access article distributed under the terms and conditions of the Creative Commons Attribution (CC BY) license (https://creativecommons.org/licenses/by/4.0/).
Share and Cite
Park, H.-J.; Ahn, H.-W.; Go, S.-C. A Study on Performance and Characteristic Analysis According to the Operating Point of IPMSM Drive. Energies 2023, 16, 1219. https://doi.org/10.3390/en16031219
Park H-J, Ahn H-W, Go S-C. A Study on Performance and Characteristic Analysis According to the Operating Point of IPMSM Drive. Energies. 2023; 16(3):1219. https://doi.org/10.3390/en16031219
Chicago/Turabian StylePark, Hyun-Jong, Han-Woong Ahn, and Sung-Chul Go. 2023. "A Study on Performance and Characteristic Analysis According to the Operating Point of IPMSM Drive" Energies 16, no. 3: 1219. https://doi.org/10.3390/en16031219
APA StylePark, H.-J., Ahn, H.-W., & Go, S.-C. (2023). A Study on Performance and Characteristic Analysis According to the Operating Point of IPMSM Drive. Energies, 16(3), 1219. https://doi.org/10.3390/en16031219

