A Virtual Impedance-Based Flying Start Considering Transient Characteristics for Permanent Magnet Synchronous Machine Drive Systems
Abstract
1. Introduction
2. Review of Conventional Flying Start Based on VR
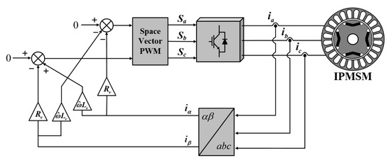
2.1. Concept and Implementaion of VR
2.2. Design of the Position/Speed Estimator
2.3. The Range of VR Considering the Stability and Estimation Control System
2.4. Assumption Error of the Conventional Flying Start Based on VR
3. Proposed Flying Start Method Based on Virtual Impedance
3.1. Implementation of Virtual Impedance
3.2. Proposed Estimation Current Regulator with Virtual Impedance
3.3. Discrete-Time System Model of the Proposed Flying Start
3.4. Implementation of the Virtual Impedance-Based Flying Start Method
4. Simulation Results
5. Experimental Results
6. Conclusions
Author Contributions
Funding
Data Availability Statement
Conflicts of Interest
References
- Kim, S.M.; Yoon, Y.D.; Sul, S.K.; Ide, K. Maximum torque per ampere (MTPA) control of an IPM machine based on signal injection considering inductance saturation. IEEE Trans. Power Electron. 2013, 28, 488–497. [Google Scholar] [CrossRef]
- Lee, Y.; Sul, S.K. Position-sensorless MTPA control of IPMSM based on high-frequency signal injection. In Proceedings of the 2019 10th International Conference on Power Electronics and ECCE Asia (ICPE 2019—ECCE Asia), Busan, Republic of Korea, 27–30 May 2019; pp. 2562–2567. [Google Scholar]
- Wang, H.; Li, C.; Zhang, G.; Geng, Q.; Shi, T. Maximum torque per ampere (MTPA) control of IPMSM systems based on controller parameters self-modification. IEEE Trans. Veh. Technol. 2020, 69, 2613–2620. [Google Scholar] [CrossRef]
- Mohd Zaihidee, F.; Mekhilef, S.; Mubin, M. Robust Speed Control of PMSM Using Sliding Mode Control (SMC)—A Review. Energies 2019, 12, 1669. [Google Scholar] [CrossRef]
- Nicola, M.; Nicola, C.-I.; Selișteanu, D. Improvement of PMSM Sensorless Control Based on Synergetic and Sliding Mode Controllers Using a Reinforcement Learning Deep Deterministic Policy Gradient Agent. Energies 2022, 15, 2208. [Google Scholar] [CrossRef]
- Zoghlami, M.; Kadri, A.; Bacha, F. Analysis and Application of the Sliding Mode Control Approach in the Variable-Wind Speed Conversion System for the Utility of Grid Connection. Energies 2018, 11, 720. [Google Scholar] [CrossRef]
- Wang, M.-S.; Tsai, T.-M. Sliding Mode and Neural Network Control of Sensorless PMSM Controlled System for Power Consumption and Performance Improvement. Energies 2017, 10, 1780. [Google Scholar] [CrossRef]
- Lyu, M.; Wu, G.; Luo, D.; Rong, F.; Huang, S. Robust Nonlinear Predictive Current Control Techniques for PMSM. Energies 2019, 12, 443. [Google Scholar] [CrossRef]
- Tang, M.; Zhuang, S. On Speed Control of a Permanent Magnet Synchronous Motor with Current Predictive Compensation. Energies 2019, 12, 65. [Google Scholar] [CrossRef]
- Scicluna, K.; Staines, C.S.; Raute, R. Sensorless Low/Zero Speed Estimation for Permanent Magnet Synchronous Machine Using a Search-Based Real-Time Commissioning Method. IEEE Trans. Ind. Electron. 2020, 67, 6010–6018. [Google Scholar] [CrossRef]
- Mstsuo, T.; Blasko, V.; Moreira, J.C.; Lipo, T.A. Field oriented control of induction machines employing rotor end ring current detection. IEEE Trans. on Power Electron. 1994, 9, 638–645. [Google Scholar] [CrossRef]
- Assoun, I.; Idkhajine, L.; Nahid-Mobarakeh, B.; Meibody-Tabar, F.; Monmasson, E.; Pacault, N. Wide-Speed Range Sensorless Control of Five-Phase PMSM Drive under Healthy and Open Phase Fault Conditions for Aerospace Applications. Energies 2023, 16, 279. [Google Scholar] [CrossRef]
- Benevieri, A.; Carbone, L.; Cosso, S.; Kumar, K.; Marchesoni, M.; Passalacqua, M.; Vaccaro, L. Surface Permanent Magnet Synchronous Motors’ Passive Sensorless Control: A Review. Energies 2022, 15, 7747. [Google Scholar] [CrossRef]
- Xie, G.; Lu, K.; Dwivedi, S.K.; Rosholm, J.R.; Blaabjerg, F. Minimum-voltage vector injection method for sensorless control of PMSM for low-speed operations. IEEE Trans. Power Electron. 2016, 31, 1785–1794. [Google Scholar] [CrossRef]
- Quang, N.K.; Hieu, N.T.; Ha, Q.P. FPGA-based sensorless PMSM speed control using reduced-order extended kalman filters. IEEE Trans. Ind. Electron. 2014, 61, 6574–6582. [Google Scholar] [CrossRef]
- Tomei, P.; Verrelli, C.M. Observer-based speed tracking control for sensorless permanent magnet synchronous motors with unknown load torque. IEEE Trans. Autom. Control 2011, 56, 1484–1488. [Google Scholar] [CrossRef]
- Hanamoto, T.; Yamada, H.; Okuyama, Y. Position sensorless start-up method of surface permanent magnet synchronous motor using nonlinear rotor position observer. In Proceedings of the 2014 International Power Electronics Conference (IPEC-Hiroshima 2014—ECCE ASIA), Hiroshima, Japan, 18–21 May 2014; pp. 1811–1815. [Google Scholar]
- Bariša, T.; Sumina, D.; Pravica, L.; Čolović, I. Flying start and sensorless control of permanent magnet wind power generator using induced voltage measurement and phase-locked loop. Elect. Power Syst. Res. 2017, 152, 457–465. [Google Scholar] [CrossRef]
- Lin, T.C.; Zhu, Z.Q. Sensorless operation capability of surfacemounted permanent-magnet machine based on high-frequency signal injection methods. IEEE Trans. Ind. Appl. 2015, 51, 2161–2171. [Google Scholar] [CrossRef]
- Xu, P.L.; Zhu, Z.Q. Novel square-wave signal injection method using zero-sequence voltage for sensorless control of PMSM drives. IEEE Trans. Ind. Electron. 2016, 65, 7444–7454. [Google Scholar] [CrossRef]
- Hua, Y.; Sumner, M.; Asher, G.; Gao, Q.; Saleh, K. Improved sensorless control of a permanent magnet machine using fundamental pulse width modulation excitation. IET Elect. Power Appl. 2011, 5, 359–370. [Google Scholar] [CrossRef]
- Tuovinen, T.; Hinkkanen, M. Signal-injection-assisted full-order observer with parameter adaptation for synchronous reluctance motor drives. IEEE Trans. Ind. Appl. 2014, 50, 3392–3402. [Google Scholar] [CrossRef]
- Pan, P.; Liu, T.; Madawala, U.K. Adaptive controller with an improved high-frequency injection technique for sensorless synchronous reluctance drive systems. IET Elect. Power Appl. 2016, 10, 240–250. [Google Scholar] [CrossRef]
- Taniguchi, S.; Mochiduki, S.; Yamakawa, T.; Wakao, K.; Kondo, K.; Yoneyama, T. Starting procedure of rotational sensorless PMSM in the rotating condition. IEEE Trans. Ind. Appl. 2019, 45, 194–202. [Google Scholar] [CrossRef]
- Lee, K.; Ahmed, S.; Lukic, S.M. Universal restart strategy for high inertia scalar-controlled PMSM drives. IEEE Trans. Ind. Appl. 2016, 52, 4001–4009. [Google Scholar] [CrossRef]
- Seo, D.; Bak, Y.; Lee, K. An improved rotating restart method for a sensorless permanent magnet synchronous motor drive system using repetitive zero voltage vectors. IEEE Trans. Ind. Electron. 2020, 67, 3496–3504. [Google Scholar] [CrossRef]
- Pravica, L.; Sumina, D.; Bariša, T.; Kovačić, M.; Čolović, I. Flying start of a permanent magnet wind power generator based on a discontinuous converter operation mode and a phase-locked loop. IEEE Trans. Ind. Electron 2018, 65, 1097–1106. [Google Scholar] [CrossRef]
- Choo, K.; Won, C. Flying start of permanent-magnet-synchronous-machine drives based on a variable virtual resistance. IEEE Trans. Ind. Electron. 2021, 68, 9218–9228. [Google Scholar] [CrossRef]
- Bosio, F.; Ribeiro, L.A.d.S.; Freijedo, F.D.; Pastorelli, M.; Guerrero, J.M. Discrete-Time Domain Modeling of Voltage Source Inverters in Standalone Applications: Enhancement of Regulators Performance by Means of Smith Predictor. IEEE Trans. Power Electron. 2017, 32, 8100–8114. [Google Scholar] [CrossRef]
- He, J.; Li, Y.W. Analysis, design, and implementation of virtual impedance for power electronics interfaced distributed generation. IEEE Trans. Ind. Appl. 2011, 47, 2525–2538. [Google Scholar] [CrossRef]
- Guerrero, J.M.; Vicuna, L.G.; Matas, J.; Castilla, M.; Miret, J. Output impedance design of parallel-connected UPS inverters with wireless load-sharing control. IEEE Trans. Ind. Electron. 2005, 52, 1126–1135. [Google Scholar] [CrossRef]
- Wang, X.; Li, Y.W.; Blaabjerg, F.; Loh, P.C. Virtual-impedance-based control for voltage-source and current-source converters. IEEE Trans. Power Electron. 2015, 30, 7019–7037. [Google Scholar] [CrossRef]
- Lee, Y.-S.; Jeong, W.-S.; Yi, J.; Won, C.-Y. Accurate Estimation of Rotating Rotor Position Based on Virtual Resistance with Cross-coupling Feedback. In Proceedings of the 2022 25th International Conference on Electrical Machines and Systems (ICEMS), Chiang Mai, Thailand, 29 November–2 December 2022; pp. 1–5. [Google Scholar]
- Morimoto, S.; Kawamoto, K.; Sanada, M.; Takeda, Y. Sensorless control strategy for salient-pole PMSM based on extended EMF in rotating reference frame. IEEE Trans. Ind. Appl. 2002, 38, 1054–1061. [Google Scholar] [CrossRef]





















| Parameter | Value | Unit |
|---|---|---|
| DC-link voltage | 200 | V |
| Rated power | 2.5 | kW |
| Rated speed | 1800 | rpm |
| Rated current | 13 | A |
| Stator resistance | 0.22 | Ω |
| d-axis nominal inductance | 2.2 | mH |
| q-axis nominal inductance | 5.9 | mH |
| Number of poles | 4 | - |
| Peak line-to-line back EMF constant | 56.7 | V/krpm |
Disclaimer/Publisher’s Note: The statements, opinions and data contained in all publications are solely those of the individual author(s) and contributor(s) and not of MDPI and/or the editor(s). MDPI and/or the editor(s) disclaim responsibility for any injury to people or property resulting from any ideas, methods, instructions or products referred to in the content. |
© 2023 by the authors. Licensee MDPI, Basel, Switzerland. This article is an open access article distributed under the terms and conditions of the Creative Commons Attribution (CC BY) license (https://creativecommons.org/licenses/by/4.0/).
Share and Cite
Lee, Y.-S.; Choo, K.-M.; Jeong, W.-S.; Lee, C.-H.; Yi, J.; Won, C.-Y. A Virtual Impedance-Based Flying Start Considering Transient Characteristics for Permanent Magnet Synchronous Machine Drive Systems. Energies 2023, 16, 1172. https://doi.org/10.3390/en16031172
Lee Y-S, Choo K-M, Jeong W-S, Lee C-H, Yi J, Won C-Y. A Virtual Impedance-Based Flying Start Considering Transient Characteristics for Permanent Magnet Synchronous Machine Drive Systems. Energies. 2023; 16(3):1172. https://doi.org/10.3390/en16031172
Chicago/Turabian StyleLee, Yoon-Seong, Kyoung-Min Choo, Won-Sang Jeong, Chang-Hee Lee, Junsin Yi, and Chung-Yuen Won. 2023. "A Virtual Impedance-Based Flying Start Considering Transient Characteristics for Permanent Magnet Synchronous Machine Drive Systems" Energies 16, no. 3: 1172. https://doi.org/10.3390/en16031172
APA StyleLee, Y.-S., Choo, K.-M., Jeong, W.-S., Lee, C.-H., Yi, J., & Won, C.-Y. (2023). A Virtual Impedance-Based Flying Start Considering Transient Characteristics for Permanent Magnet Synchronous Machine Drive Systems. Energies, 16(3), 1172. https://doi.org/10.3390/en16031172

