Next Article in Journal
A Data-Driven Architecture for Smart Renewable Energy Microgrids in Non-Interconnected Zones: A Colombian Case Study
Previous Article in Journal
Review of Hot Topics in the Sustainable Development of Energy, Water, and Environment Systems Conference in 2022
 
 
Font Type:
Arial Georgia Verdana
Font Size:
Aa Aa Aa
Line Spacing:
Column Width:
Background:
Article

Study on the Effect of Parameter Sensitivity on Engine Optimization Results

1
Marine Engineering College, Dalian Maritime University, Dalian 116026, China
2
Dalian Maritime University Smart Ship Limited Company, Dalian 116026, China
3
National Engineering Research Center of Ship & Shipping Control System, Shanghai 200100, China
*
Author to whom correspondence should be addressed.
Energies 2023, 16(23), 7899; https://doi.org/10.3390/en16237899
Submission received: 13 September 2023 / Revised: 16 October 2023 / Accepted: 25 November 2023 / Published: 4 December 2023
(This article belongs to the Section I2: Energy and Combustion Science)

Abstract

:
The effects of six control parameters, intake valve opening timing (IVO), exhaust valve opening timing (EVO), compression ratio (CR), engine speed, intake temperature, and intake pressure on engine output power, indicated specific fuel consumption (ISFC), and nitrogen oxides (NOx) emissions, are analyzed through engine simulation. The six parameters were categorized into two groups based on the degree of influence: high influence (EVO, speed and intake pressure) and low influence (CR, IVO and intake temperature). The relationship between these two groups of parameters and power, ISFC and NOx emissions was explored. Optimization was carried out for each of the two groups of parameters, and the optimization of the high impact parameters resulted in a higher diversity and wider distribution of the solution set. On the other hand, the optimization of the low-impact parameters resulted in a more concentrated distribution of the solution set, while better reflecting the trade-off between the optimization objectives. For the optimal solutions for both sets of parameters, the high-impact parameters provided significant optimization performance compared to the standard operating conditions. Although power and ISFC were optimized, the optimal solution for the low-impact parameter performed poorly with a significant increase in NOx emissions. Therefore, the parameters should be evaluated for optimization using high impact parameters to improve engine performance.

1. Introduction

As the International Maritime Organization imposes increasingly stringent limits on pollutant emissions and carbon emissions from ships, it is increasingly important to improve the performance of marine engines and reduce pollutant emissions [1]. Traditional marine engines are mainly diesel engines, whose high NOx and particulate emissions are not only harmful to human health, but also difficult to adapt to the increasingly stringent regulatory requirements [2]. Natural gas, as a clean energy source with high calorific value, low sulfur emissions and low particulate emissions, has become an alternative fuel choice with significant advantages [3]. Understanding how to improve engine performance and reduce pollutant emissions has become a research focus.
Many studies have been conducted on the impact of the combustion process on natural gas engines performance and emission performance [4]. Kahila et al. [5] simulated the ignition and combustion process of a diesel pilot-ignited natural gas–air mixture using large eddy simulation and classified the combustion process into five phases. Khatamne et al. [6] investigated the in-cylinder pressure variations with different loads, different natural gas premixing ratios and heat release rate variations. The lower reactivity of the natural gas causes a delay in the start of combustion at high natural gas premix ratios. Kozarac et al. [7] investigated the effect of load and injection timing on hydrocarbon emissions. The fuel-rich zone under low load conditions produced higher hydrocarbon emissions, and the increase in turbulence intensity in the combustion chamber after increasing the load resulted in lower hydrocarbon emissions. Poorghasemi et al. [8] explored the effect of injection cone angle on pollutant generation. Increasing the injection cone angle resulted in a more complete combustion of the mixture and a reduction in the generated carbon monoxide emissions. You et al. [9] investigated the effect of an excess air ratio on NOx emissions. Increasing the excess air ratio can inhibit the production of NOx. Yang et al. [10] studied the particulate emissions in the exhaust gas of a natural gas engine. The main particulate emissions were all large particles. Based on these studies, changes in engine operating conditions lead to changes in combustion processes, which in turn lead to changes in engine performance and pollutant emissions. Therefore, optimization of engine operating conditions is necessary [11].
Traditional engine optimization is based on a large number of experiments, and although the results are accurate, the experimental process of the engine optimization takes a lot of time and is costly. Therefore, the current research and optimization of engines are mainly carried out by means of simulation [12]. Through a small amount of experimental data obtained from experiments to establish the engine simulation model, the combination of simulation and statistics and machine learning methods has become the mainstream of the current research [13]. It has good engine prediction accuracy, and a well-trained model can reduce the time required to calculate the engine performance under different operating conditions under the premise of ensuring accuracy [14]. Combining the prediction model with the optimization algorithm can quickly find the parameter settings with the best performance for the engine [15].
Most of the optimization studies for engines first select the control parameters to be optimized and then select the optimization objectives. Liu et al. [16] selected ISFC, NOx emission and methane escape as the optimization objectives, and optimized the shape of the combustion chamber and the injection parameters of the engine through a computational fluid dynamics simulation combined with genetic algorithms. The optimization results demonstrated the trade-off relationship between the optimization objectives, and the improved combustion chamber shape could reduce the NOx emission but would sacrifice the other two optimization objectives. Ma et al. [17] optimized the parameters of a natural gas/diesel engine, and innovatively introduced decision preference in the optimization process. The decision preference controlled the direction of population development in the optimization algorithm, which made the final optimization results more in line with the expected goals. Park et al. [18] established a one-dimensional simulation model of a natural gas engine, selected the experimental points using Latin hypercube sampling, and investigated the effect of natural gas substitution fractions on the performance and emissions of the engine by using RSM. Finally, the engine torque, fuel consumption rate and emission parameters were optimized. Stoumpos et al. [19] simulated and optimized the exhaust gas recirculation and air bypass system of a natural gas/diesel dual-fuel engine. The optimized dual-fuel engine was able to meet the International Maritime Organization’s “Tier III” standard for NOx emissions in diesel-only operation. Roy et al. [20] innovatively combined a meta-model with a genetic algorithm. The meta-model developed has reliable accuracy and the engine performance after optimization using genetic algorithm achieves the expected results. Motlagh et al. [21] optimized seven injection parameters of a natural gas/diesel engine based on the OpenFOAM software and explored the effect of injection parameters on combustion and pollutant generation processes.
In summary, the current optimization research methods for natural gas engines are mainly as follows: firstly, selecting the engine control parameters for the study, then exploring the effects of the control parameters on engine performance and emissions and finally optimizing the control parameters. However, due to the different mechanisms of the control parameters for the combustion and pollutant generation process, the different control parameter changes impact the engine performance and emission indexes to different degrees. Studying the engine using simulation modeling has the advantage of reducing the research cost, and engine simulation is chosen as the research method in this paper. This paper first evaluates the degree of influence of control parameters on performance and emission parameters, then classifies the control parameters according to the degree of influence, and explores the differences in the results of optimizing two groups of parameters with high and low degrees of influence, respectively.

2. Methodology

2.1. Research Framework

Figure 1 shows the research framework of this paper, including the following steps: (1) model building, (2) parameter sensitivity analysis, (3) parameter classification and (4) optimization comparison.

2.2. Engine Simulation Model Building

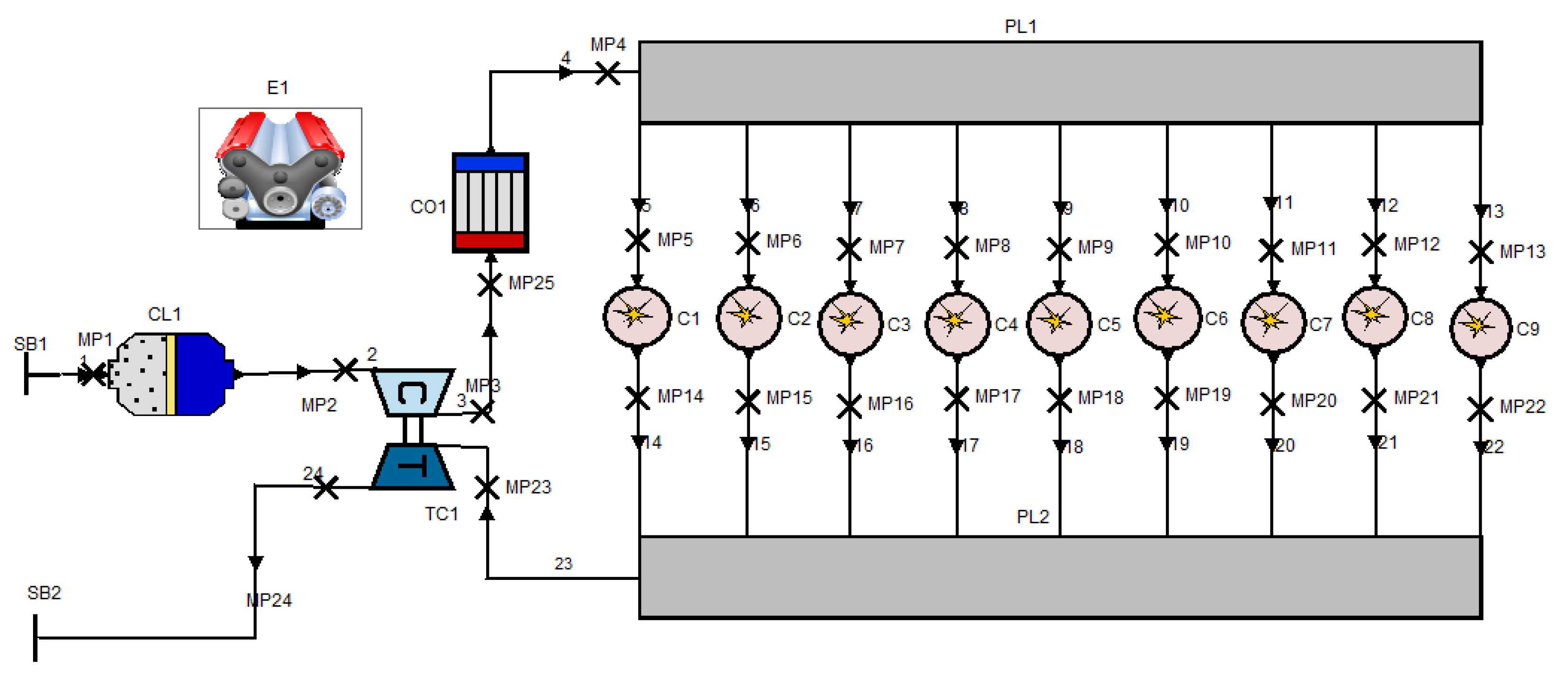
AVL-BOOST is an engine simulation software focused on engine simulation. The target engine is the Wärtsilä 9L34DF engine. The target engine is designed by Wärtsilä Group of Finland and manufactured by CSSC Power (Group) Corporation Limited. The main engine parameters are shown in Table 1. As a marine dual-fuel engine, it has both diesel and dual-fuel modes. The diesel mode is the same as the compression ignition diesel engine. In dual-fuel mode, natural gas is used as the main energy source and a small amount of diesel fuel is used as pilot fuel. The engine simulation software built in AVL-BOOST R2019.2 is shown in Figure 2.
The validity of the simulation model established in AVL-BOOST under different load conditions is verified using test data. The performance and emission data of the engine under different operating conditions were obtained from the engine performance test at the shipyard. The engine simulation model was constructed based on the experimental data from the shipyard, and the diesel condition and natural gas condition were verified. Comparison of test and simulation data for engine power, brake mean effective pressure (BMEP), indicated specific fuel consumption and NOx emissions under diesel operating conditions are shown in Figure 3.
Comparison of experimental and simulation data under natural gas conditions is shown in Figure 4. The target accuracy error under both conditions is less than 3%, which proves the reliability of the modeling.

2.3. Experimental Design and Response Surface Methodology

Box–Behnken design (BBD) is a type of response surface design for efficient estimation of first and second order coefficients. The number of experiments (N) for BBD is defined as N = 2k (k − 1) + c where k is the number of design variables and c is the number of centroids. All the levels of the design variables were categorized into three levels (−1, 0, 1) with equal intervals between the levels. The coded values of the BBD for the three-variable condition are shown in Table 2.
Response surface methodology (RSM) is used to obtain mathematical relationships between response parameters and design variables. As a statistical method, RSM is widely used in internal combustion engine calibration [22]. Application of the BBD method allows RSM to obtain accurate predictive performance with a reduced number of experiments [13]. Equation (1) shows the fitted general second-order polynomial response surface mathematical model.
y = β 0 + i = 1 m a i x i + i < j m b i x i x j + i = 1 m c i x i 2
where y is the response parameter; xi is the value of the design variable; m is the number of design variables; β0 is the constant term; ai is the coefficient of the primary term; bi is the coefficient of the cross term; and ci is the coefficient of the quadratic term.
In order to evaluate the fitting accuracy of RSM, R2, R2adj and R2pred were introduced to assess the fitting accuracy of the equation. The closer R2, R2adj and R2pred converge to 1, the higher the accuracy [23]. R2 describes the extent to which the input variables explain the output variables.
R 2 = 1 S S r e s i d u a l S S r e s i d u a l + S S mod e l
where, SSresidual is the residual sum of squares; SSmodel is the regression sum of squares. R2adj offsets the effect of sample size on R2 and responds only to the goodness of fit of the regression equation.
R a d j 2 = 1 ( 1 R 2 ) ( n 1 ) n p 1
where n is the number of samples and p is the number of design variables. R2pred determines the predictive superiority of the regression equation.
R p r e d 2 = 1 P R E S S S S r e s i d u a l + S S mod e l
where PRESS is the sum of squared prediction residual errors.

2.4. Sobol Method

Sensitivity analysis is an analytical method used to determine the key factors affecting the performance of a system. The Sobol method is a sensitivity analysis method based on variance decomposition. This method quantifies the variance of each input variable and considers the interactions between the variables [24]. The first order sensitivity index Si is a measure of the effect of individual parameters on the output. The total order sensitivity index STi is a measure of the contribution of the combined effect of a single parameter and other parameters to the output, including its first order effects (inputs varying individually) and all higher order interactions. The formulae for Si and STi are as follows:
S i = D i ( Y ) V a r ( Y )
S T i = 1 D i ( Y ) V a r ( Y )
where Var(Y) represents the total variance of the objective function and Di(Y) represents the first-order variance of the parameters. Di(Y) represents the interaction of all parameter variations excluding the objective parameter.

2.5. Optimization Method

The multi-objective particle swarm optimization (MOPSO) algorithm is a commonly used heuristic algorithm for dealing with multi-objective optimization problems. Combining particle swarm algorithms and multi-objective optimization techniques can find optimal solutions in different objective functions [25]. By simulating the social cooperation and individual competition behaviors of bird flocks and fish schools and guiding the particle swarm to evolve to the global optimum based on the currently searched optimal solution, it has a very fast convergence speed. Jin et al. [26] and Cong et al. [27] both optimized the engine using MOPSO and obtained good optimization results. Figure 5 shows the computational flow of the MOPSO algorithm.
The RSM is combined with MOPSO so that the mathematical relationships between the response parameters fitted in the RSM and the design variables are brought into the optimization algorithm to achieve the optimization of the engine.

3. Results and Discussion

3.1. Sensitivity Analysis

Figure 6 illustrates the first-order and total-order sensitivity indices to power for the six parameters evaluated by applying the Sobol method. The parameter with the largest effect on power is the engine speed. The first- and total-order sensitivity indices are 81.55% and 81.56%, respectively. The next most influential parameter is EVO with first- and total-order sensitivity indices of 13.35% and 13.28%, respectively. All other parameters have first-order and total-order sensitivity indices of less than 5% and have relatively little effect.
The first-order and total-order sensitivity indices of the six parameters of ISFC are shown in Figure 7. EVO is the most important parameter with first-order and total-order sensitivity indices of 55.28% and 55.81%, respectively. Next, engine speed also has a significant effect. Both the first- and total-order sensitivity indices of CR and intake pressure are also greater than 5%, again possessing a non-negligible influence effect.
The first-order and total-order sensitivity indices of the parameters for NOx are shown in Figure 8. The engine speed has the largest influence, with first-order and total-order sensitivity indices of 46.31% and 46.35%, while the difference between the sensitivity indices of intake pressure and engine speed is only less than 10%, and the first-order and total-order sensitivity indices of intake pressure are 38.56% and 39.08%, respectively. The relative influence of intake air temperature and CR is limited, while that of EVO and IVO is almost negligible.
The degree of influence of different control parameters on the performance parameters varies considerably. The six control parameters are divided into two groups, one for the parameters with high influence (Case1) and one for the parameters with low influence (Case2). The parameters selected for Case1 are engine speed, EVO and intake pressure, while the parameters selected for Case2 are IVO, CR and intake temperature. The range of parameter variation is shown in Table 3.

3.2. RSM Results

Based on the BBD method, the experimental design was carried out for Case1 and Case2, respectively, and numerical simulation tests were conducted using AVL-BOOST. The response surface functions for Power, ISFC and NOx were obtained by analyzing the experimental results. The response surface functions obtained for Case1 based on the coding factors are shown in Equations (7)–(9), where A, B and C represent EVO, rotational speed and inlet pressure, respectively. The response surface functions obtained for Case2 are shown in Equations (10)–(12), where E, F and G represent IVO, CR and inlet temperature, respectively.
P o w e r = 4206.21 + 170.38 · A + 411.39 · B + 65.87 · C + 5.06 · A · B + 4.71 · A · C 1.56 · B · C 106.84 · A 2 16.01 · B 2 4.41 · C 2
I S F C = + 153.92 5.93 · A + 4.62 · B 2.12 · C + 0.33 · A · B + 0.011 · A · C + 0.48 · B · C + 3.97 · A 2 + 0.15 · B 2 + 0.030 · C 2
N O x = + 3377.81 99.72 · A + 1007.31 · B 779.08 · C 231.24 · A · B + 8.22 · A · C 246.52 · B · C + 127.27 · A 2 + 229.14 · B 2 + 28.72 · C 2
P o w e r = + 4443.91 + 19.46 · E + 80.34 · F 13.05 · G 0.23 · E · F + 3.88 · E · G 1.22 · F · G + 3.43 · E 2 10.13 · F 2 0.41 · G 2
I S F C = + 154.92 0.58 · E 2.42 · F + 0.30 · G + 0.010 · E · F 0.099 · E · G + 0.21 · F · G 0.015 · E 2 + 0.27 · F 2 0.092 · G 2
N O x = + 4235.99 65.39 · E + 447.66 · F + 290.12 · G + 11.52 · E · F + 1.22 · E · G + 8.95 · F · G 28.05 · E 2 53.15 · F 2 + 5.92 · G 2
In order to demonstrate the effectiveness of the combined RSM and MOPSO optimization method, the constructed response surface functions were evaluated. Table 4 shows that R2 is very high (R2 > 0.99), which indicates that the input data is effectively used to fit the response surface function. The value of R2adj is somewhat reduced compared to R2. This is because whenever more variables are added, whether or not there is a relationship between the added variables and the output variables, then R2 either remains constant or increases. R2adj counteracts the effect of the number of samples on R2 and therefore reflects the significance of the eigenvalues [28]. R2pred represents the magnitude of the response surface function’s predictive ability with respect to the data [29]. The fact that the R2, R2adj, and R2pred for Case1 and Case2 are all greater than 0.9 proves that the response surface function has good predictive ability. Figure 8 and Figure 9 show the response surface plots for Case1 and Case2, respectively.
As shown in Figure 8, with the increase in engine speed, the engine output power increases significantly; this is because the engine cycle injection volume and gas supply are certain, and the increase in speed makes the number of engine cycles per unit time increase, resulting in a significant increase in engine output power. The early EVO (100–110° CA) causes the high pressure gas in the combustion chamber to be released into the exhaust pipe in advance, resulting in an insufficient release of gas energy, and therefore lower engine power. Appropriately delayed EVO (110–130° CA) allows the gas energy in the combustion chamber to be fully utilized to push the piston to do work. However, excessively late EVO (130–150° CA) has a low effect on power because the gas energy in the combustion chamber has been fully utilized and there is little gas energy left before EVO to provide more output energy. Increasing the intake pressure increases the in-cylinder pressure during combustion, increasing the work capacity of the gas in the cylinder, so output power is increased.
As shown in Figure 9, mechanical losses due to friction losses increase at high engine speeds, and therefore ISFC increases. The effect of EVO on ISFC is due to the same reason as that on power. Excessive early opening of the exhaust valve results in insufficient utilization of gas energy, which increases ISFC. Delaying EVO resulted in full gas energy release and reduced ISFC, while the increase in inlet pressure increased the oxygen content in the combustion chamber, which facilitated the rapid development of oxidative reactions in the combustion process. The rapid oxidation reaction reduces the combustion loss; therefore, the increased intake pressure can reduce the ISFC [30].
As shown in Figure 9, the increase in engine speed leads to a significant increase in NOx emissions. This is because the increase in rotational speed leads to an increase in the in-cylinder temperature increase rate and drastic temperature changes. The maximum in-cylinder temperature during combustion is increased. The NOx generation is mainly affected by the in-cylinder temperature, and the NOx emission increases exponentially as the in-cylinder temperature increases [31]. Therefore, increasing the engine speed leads to a significant increase in NOx emissions [32]. Delaying EVO allows a small amount of in-cylinder gas to remain in the combustion chamber, reducing the efficiency of the air exchange. The reduction in the amount of fresh air results in a lower maximum in-cylinder temperature for the combustion process, which results in lower NOx emissions [33]. The increase in intake pressure leads to an increase in the mass of the in-cylinder mass, which increases the total heat capacity of the in-cylinder mass. After the exothermic combustion of the fuel, the increase in the total heat capacity leads to a decrease in the in-cylinder temperature, which destroys the main conditions for the generation of NOx and reduces NOx emissions.
As shown in Figure 10, the increase in CR is accompanied by a significant increase in output power. The high compression ratio implies a reduction in the volume of the combustion chamber, which allows the combustion process to develop rapidly, increasing the in-cylinder burst pressure and thus increasing the output power. Although high CR increases the output power, the rapid development of the combustion process increases the in-cylinder pressure on one hand and the in-cylinder temperature on the other hand, which leads to a surge in NOx emissions [34]. ISFC increases under low CR conditions. This is because the output power obtained by consuming the same mass of fuel is lower under low CR conditions, which leads to the output of the same power at the cost of more fuel under low CR conditions.
In the image on IVO in Figure 10, it can be seen that delayed IVO increases the output power, but the increase is limited. Delayed IVO improves the in-cylinder excess air mass, which allows the natural gas to be burned under lean conditions and improves the fuel combustion conditions to some extent [35]. Therefore, delayed IVO can increase the power output while ISFC is reduced by a small amount. NOx production depends on the temperature of the combustion process and the oxygen concentration in the combustion chamber. The delayed IVO increases the oxygen concentration in the combustion chamber, but the total heat capacity of the cylinder increases at the same time. In this case, the increased total heat capacity of the cylinder reduces the temperature of the cylinder. At this time, the degree of influence of the in-cylinder temperature on NOx generation is higher than the degree of influence of oxygen concentration on NOx generation [36]. Therefore, the delayed IVO reduces NOx emissions.
From Figure 10 it can be seen that the output power varies inversely with the intake air temperature. High intake temperature leads to lower output power, which increases ISFC and reduces fuel economy. For NOx emissions, the increase in intake air temperature raises the in-cylinder temperature and promotes NOx production. Therefore, NOx emissions are proportional to the intake air temperature.
The extent of the effects of EVO, IVO, CR, engine speed, intake temperature and intake pressure on power, ISFC and NOx emissions in Figure 9 and Figure 10 are consistent with the conclusions obtained in the sensitivity analysis. The feasibility of the Sobol sensitivity analysis method is verified.

3.3. Optimization Results

Based on the Case1 and Case2 response functions obtained in RSM, the optimization was performed using the MOPSO algorithm. The MOPSO algorithm developed in the Matlab environment minimizes the optimization objectives of ISFC and NOx emissions. The optimization objective power function is solved for the maximum value. The number of individuals for the population is set to 100 and the number of iterations is 100.
The Case1 optimization results based on engine speed, EVO and intake pressure decision variables are shown in Figure 11a. The optimization results of Case2 based on IVO, CR and intake temperature decision variables are shown in Figure 11b. The optimized solution sets of Case1 have good diversity and are evenly distributed. The distribution ranges of the optimized solution sets of Case1 and Case2 are shown in Table 5. The optimized solution sets of Case1 have a better breadth and a larger coverage of the solution sets compared to Case2. The optimization results of Case2, on the other hand, more clearly reflect the trade-off relationship between the optimization objectives, but lack diversity and have a poor degree of uniform distribution. There is a linear relationship between power and ISFC, with a decrease in ISFC, an increase in fuel economy and an increase in fuel work capacity. The trade-off relationship between ISFC and NOx is in line with the results of Liu et al. [37].
The set of optimization solutions obtained using the MOPSO algorithm demonstrates the trade-offs between the optimization objectives and provides diverse solutions. However, there is a non-dominated relationship between the solutions, so it is difficult to select the best solution from them. The solution with higher power in the non-dominated solution set is preferred due to economic considerations when sailing the ship. The optimal solution for Case1 was selected to have an EVO of 146.2° CA, a rotational speed of 800 r/min and an intake pressure of 5.5 MPa, which resulted in an engine power of 4734.4 kW, an ISFC of 155.2 g/kWh and NOx emissions of 3435 g/h. For Case2, the optimal solution had an IVO of 300° CA, a CR of 15 and an inlet temperature of 315 K. The optimal solution was selected to have a power of 4734.4 kW, an ISFC of 155.2 g/kWh and emissions of 3435 g/h. At an intake temperature of 315 K, the engine output is 4546.8 kW, ISFC is 151.7 g/kWh and NOx emissions are 4254 g/h.
As shown in Table 6, Case1 optimization resulted in a significant increase in output power and a slight decrease in ISFC, while NOx emissions were significantly reduced. Case2 optimization increased output power to some extent, but NOx emissions were significantly increased, while ISFC was reduced a little.
Therefore, the selection of optimization parameters during engine optimization has a significant impact on the final optimization results. Selecting parameters that have a high impact on the optimization objective can lead to better performance in the final optimization results. On the other hand, the selection of parameters that have little influence on the optimization objective not only does not lead to better optimization results, but also worsens the performance and emission performance of the engine.

4. Conclusions

Six control parameters of the engine were evaluated and optimized based on Sobol sensitivity analysis and the MOPSO algorithm. The main conclusions obtained are as follows:
  • The application of the Sobol method can evaluate the degree of influence of engine control parameters on engine performance parameters. The BBD method can help to reduce the number of experiments required by the Sobol method.
  • EVO, engine speed and intake pressure are the three parameters that have the most significant effect on engine power, ISFC and NOx emissions. IVO, CR and intake temperature have a relatively small effect.
  • The relationship between the effects of the two groups of parameters on the three parameters of engine power, ISFC and NOx emissions was analyzed, and the degree of parameter influence is consistent with the results of Sobol sensitivity analysis.
  • Two groups of control parameters with high and low impact levels were optimized using RSM and MOPSO, and two sets of non-dominated solution sets were obtained. The optimized solution sets of high impact control parameters have better diversity and breadth of distribution.
  • The optimal solutions for the control parameters with a high degree of are optimized to a higher degree, and the optimization effect is better. The optimal solutions for low impact control parameters are less optimized and show deterioration in NOx emissions.
  • For the determined engine optimization objectives, the selection of control parameters has a non-negligible impact on the final optimization results. Therefore, suitable control parameters should be selected for optimization in the engine design process.

Author Contributions

Conceptualization, K.J. and H.Z.; methodology, K.J.; software, K.J.; validation, K.J., H.Z. and Z.W.; formal analysis, K.J.; investigation, Z.W.; resources, H.Z. and B.H.; data curation, J.S.; writing—original draft preparation, K.J.; writing—review and editing, K.J.; visualization, C.C.; supervision, H.Z.; project administration, H.Z.; funding acquisition, H.Z. and B.H. All authors have read and agreed to the published version of the manuscript.

Funding

This research was funded by the High Technology Ship Research and Development Program, grant number CJ02N20. We would like to thank the Liaoning Provincial Department of Natural Resources for funding the project “Development of Ship Operation Condition Monitoring and Simulation Platform”, Project No. 1638882993269. Thanks to the Liaoning Provincial Department of Science and Technology for funding the project “Research and Application of Smart Ship Digital Twin Information Platform”, Project No. 2022JH1/10800097.

Data Availability Statement

Data are contained within the article.

Acknowledgments

We are grateful for the coauthors and the comments and suggestions from the editor and anonymous reviewers who helped improve the paper. We are very grateful to Yishuo Jiang of the University of Illinois Urbana-Champaign for his valuable comments on the writing.

Conflicts of Interest

Author Hong Zeng was employed by the Dalian Maritime University Smart Ship Limited Company. The remaining authors declare that the research was conducted in the absence of any commercial or financial relationships that could be construed as a potential conflict of interest.

Nomenclature

IVOintake valve opening timing
EVOexhaust valve opening timing
CRcompression ratio
ISFCindicated specific fuel consumption
NOxnitrogen oxides
BMEPbrake mean effective pressure
BBDBox–Behnken design
RSMResponse surface methodology
MOPSOmulti-objective particle swarm optimization
° CACrank angle

References

  1. Bayraktar, M.; Yuksel, O. A scenario-based assessment of the energy efficiency existing ship index (EEXI) and carbon intensity indicator (CII) regulations. Ocean. Eng. 2023, 278, 114295. [Google Scholar] [CrossRef]
  2. Czermanski, E.; Oniszczuk-Jastrzabek, A.; Spangenberg, E.F.; Kozlowski, L.; Adamowicz, M.; Jankiewicz, J.; Cirella, G.T. Implementation of the Energy Efficiency Existing Ship Index: An important but costly step towards ocean protection. Mar. Policy 2022, 145, 105259. [Google Scholar] [CrossRef]
  3. Wei, L.J.; Geng, P. A review on natural gas/diesel dual fuel combustion, emissions and performance. Fuel Process Technol. 2016, 142, 264–278. [Google Scholar] [CrossRef]
  4. Pham, Q.; Park, S.; Agarwal, A.K.; Park, S. Review of dual-fuel combustion in the compression-ignition engine: Spray, combustion, and emission. Energy 2022, 250, 123778. [Google Scholar] [CrossRef]
  5. Kahila, H.; Wehrfritz, A.; Kaario, O.; Vuorinen, V. Large-eddy simulation of dual-fuel ignition: Diesel spray injection into a lean methane-air mixture. Combust. Flame 2019, 199, 131–151. [Google Scholar] [CrossRef]
  6. Khatamnejad, H.; Khalilarya, S.; Jafarmadar, S.; Mirsalim, M.; Gharehghani, A.; Niaki, S.O.D. Experimental investigation on the effect of natural gas premixed ratio on combustion and emissions in an IDI engine. J. Therm. Anal. Calorim. 2019, 138, 3977–3986. [Google Scholar] [CrossRef]
  7. Kozarac, D.; Sremec, M.; Bozic, M.; Vucetic, A. The Performance and Emissions of a Conventional Natural Gas/Diesel Dual Fuel Engine at Various Operating Conditions; SAE International: Warrendale, PA, USA, 2019. [Google Scholar]
  8. Poorghasemi, K.; Saray, R.K.; Ansari, E.; Irdmousa, B.K.; Shahbakhti, M.; Naber, J.D. Effect of diesel injection strategies on natural gas/diesel RCCI combustion characteristics in a light duty diesel engine. Appl. Energy 2017, 199, 430–446. [Google Scholar] [CrossRef]
  9. You, J.W.; Liu, Z.C.; Wang, Z.S.; Wang, D.; Xu, Y. Impact of natural gas injection strategies on combustion and emissions of a dual fuel natural gas engine ignited with diesel at low loads. Fuel 2020, 260, 116414. [Google Scholar] [CrossRef]
  10. Yang, B.; Ning, L.; Liu, B.; Huang, G.Y.; Cui, Y.X.; Zeng, K. Comparison study the particulate matter characteristics in a diesel/natural gas dual-fuel engine under different natural gas-air mixing operation conditions. Fuel 2021, 288, 116414. [Google Scholar] [CrossRef]
  11. Hall, C.; Kassa, M. Advances in combustion control for natural gas-diesel dual fuel compression ignition engines in automotive applications: A review. Renew. Sust. Energ. Rev. 2021, 148, 111291. [Google Scholar] [CrossRef]
  12. Shrivastava, N.; Khan, Z.M. Application of Soft Computing in the Field of Internal Combustion Engines: A Review. Arch. Comput. Method. Eng. 2018, 25, 707–726. [Google Scholar] [CrossRef]
  13. Yusri, I.M.; Majeed, A.P.P.A.; Mamat, R.; Ghazali, M.F.; Awad, O.I.; Azmi, W.H. A review on the application of response surface method and artificial neural network in engine performance and exhaust emissions characteristics in alternative fuel. Renew. Sustain. Energy Rev. 2018, 90, 665–686. [Google Scholar] [CrossRef]
  14. More, S.M.; Kakati, J.; Pal, S.; Saha, U.K. Implementation of Soft Computing Techniques in Predicting and Optimizing the Operating Parameters of Compression Ignition Diesel Engines: State-of-the-Art Review, Challenges, and Future Outlook. J. Comput. Inf. Sci. Eng. 2022, 22, 050801. [Google Scholar] [CrossRef]
  15. Sujesh, G.; Ramesh, S. Modeling and control of diesel engines: A systematic review. Alex. Eng. J. 2018, 57, 4033–4048. [Google Scholar] [CrossRef]
  16. Liu, J.; Wang, J.L.; Zhao, H.B. Optimization of the injection parameters and combustion chamber geometries of a diesel/natural gas RCCI engine. Energy 2018, 164, 837–852. [Google Scholar] [CrossRef]
  17. Ma, C.; Song, E.Z.; Yao, C.; Long, Y.; Ding, S.L.; Xu, D.; Liu, Z.L. Multi-objective optimization of dual-fuel engine performance in PPCI mode based on preference decision. Fuel 2022, 312, 122901. [Google Scholar] [CrossRef]
  18. Park, J.; Lee, K.S.; Kim, M.S.; Jung, D. Numerical analysis of a dual-fueled CI (compression ignition) engine using Latin hypercube sampling and multi-objective Pareto optimization. Energy 2014, 70, 278–287. [Google Scholar] [CrossRef]
  19. Stoumpos, S.; Theotokatos, G. Multiobjective Optimisation of a Marine Dual Fuel Engine Equipped with Exhaust Gas Recirculation and Air Bypass Systems. Energies 2020, 13, 5021. [Google Scholar] [CrossRef]
  20. Roy, S.; Banerjee, R. Multi-objective optimization of the performance-emission trade-off characteristics of a CRDI coupled CNG diesel dual-fuel operation: A GEP meta-model assisted MOGA endeavour. Fuel 2018, 211, 891–897. [Google Scholar] [CrossRef]
  21. Motlagh, T.Y.; Azadani, L.N.; Yazdani, K. Multi-objective optimization of diesel injection parameters in a natural gas/diesel reactivity controlled compression ignition engine. Appl. Energy 2020, 279, 115746. [Google Scholar] [CrossRef]
  22. Kumar, T.S.; Vignesh, R.; Ashok, B.; Saiteja, P.; Jacob, A.; Karthick, C.; Jeevanantham, A.K.; Senthilkumar, M.; Usman, K.M. Application of statistical approaches in IC engine calibration to enhance the performance and emission Characteristics: A methodological review. Fuel 2022, 324, 124607. [Google Scholar] [CrossRef]
  23. Tedeschi, L.O. Assessment of the adequacy of mathematical models. Agric. Syst. 2006, 89, 225–247. [Google Scholar] [CrossRef]
  24. Yang, H.Z.; Wen, J.; Wang, S.M.; Li, Y.Z. Thermal design and optimization of plate-fin heat exchangers based global sensitivity analysis and NSGA-II. Appl. Therm. Eng. 2018, 136, 444–453. [Google Scholar] [CrossRef]
  25. Coello, C.A.C.; Pulido, G.T.; Lechuga, M.S. Handling multiple objectives with particle swarm optimization. IEEE Trans. Evol. Comput. 2004, 8, 256–279. [Google Scholar] [CrossRef]
  26. Jin, W.J.; Gan, H.B.; Cong, Y.J.; Li, G.Z. Performance Optimization and Knock Investigation of Marine Two-Stroke Pre-Mixed Dual-Fuel Engine Based on RSM and MOPSO. J. Mar. Sci. Eng. 2022, 10, 1409. [Google Scholar] [CrossRef]
  27. Cong, Y.J.; Gan, H.B.; Wang, H.Y.; Hu, G.T.; Liu, Y. Multiobjective Optimization of the Performance and Emissions of a Large Low-Speed Dual-Fuel Marine Engine Based on MNLR-MOPSO. J. Mar. Sci. Eng. 2021, 9, 1170. [Google Scholar] [CrossRef]
  28. Sangsefidi, Y.; MacVicar, B.; Ghodsian, M.; Mehraein, M.; Torabi, M.; Savage, B.M. Evaluation of flow characteristics in labyrinth weirs using response surface methodology. Flow. Meas. Instrum. 2019, 69, 101617. [Google Scholar] [CrossRef]
  29. Percy, A.J.; Edwin, M. Studies on the performance and emission characteristics of a dual fuel VCR engine using producer gas as secondary fuel: An optimization approach using response surface methodology. Energy 2023, 263, 125685. [Google Scholar] [CrossRef]
  30. Liu, X.L.; Wang, H.; Zheng, Z.Q.; Yao, M.F. Numerical investigation on the combustion and emission characteristics of a heavy-duty natural gas-diesel dual-fuel engine. Fuel 2021, 300, 120998. [Google Scholar] [CrossRef]
  31. Xi, J.F.; Yang, G.Q.; Guo, H.S.; Gu, Z.Z. A numerical investigation on the formation of NO2 and N2O in laminar counterflow methane/n-heptane dual fuel flames. Energy 2022, 258, 124875. [Google Scholar] [CrossRef]
  32. Lou, D.M.; Ren, Y.D.; Li, X.; Zhang, Y.H.; Sun, X. Effect of Operating Conditions and TWC Parameters on Emissions Characteristics of a Stoichiometric Natural Gas Engine. Energies 2020, 13, 4905. [Google Scholar] [CrossRef]
  33. Park, S.; Song, S. Model-based multi-objective Pareto optimization of the BSFC and NOx emission of a dual-fuel engine using a variable valve strategy. J. Nat. Gas Sci. Eng. 2017, 39, 161–172. [Google Scholar] [CrossRef]
  34. Sanli, A.; Yilmaz, I.T.; Gumus, M. Assessment of combustion and exhaust emissions in a common-rail diesel engine fueled with methane and hydrogen/methane mixtures under different compression ratio. Int. J. Hydrogen Energy 2020, 45, 3263–3283. [Google Scholar] [CrossRef]
  35. Lounici, M.S.; Loubar, K.; Tarabet, L.; Balistrou, M.; Niculescu, D.C.; Tazerout, M. Towards improvement of natural gas-diesel dual fuel mode: An experimental investigation on performance and exhaust emissions. Energy 2014, 64, 200–211. [Google Scholar] [CrossRef]
  36. Jung, J.; Song, S.; Hur, K.B. Numerical study on the effects of intake valve timing on performance of a natural gas-diesel dual-fuel engine and multi-objective Pareto optimization. Appl. Therm. Eng. 2017, 121, 604–616. [Google Scholar] [CrossRef]
  37. Liu, J.; Zhao, H.B.; Wang, J.L.; Zhang, N. Optimization of the injection parameters of a diesel/natural gas dual fuel engine with multi-objective evolutionary algorithms. Appl. Therm. Eng. 2019, 150, 70–79. [Google Scholar] [CrossRef]
Figure 1. Research framework.
Figure 1. Research framework.
Energies 16 07899 g001
Figure 2. Engine modeling in AVL-BOOST.
Figure 2. Engine modeling in AVL-BOOST.
Energies 16 07899 g002
Figure 3. Comparison of experimental and simulated numerical values in diesel mode.
Figure 3. Comparison of experimental and simulated numerical values in diesel mode.
Energies 16 07899 g003
Figure 4. Comparison of experimental and simulated numerical values in natural gas mode.
Figure 4. Comparison of experimental and simulated numerical values in natural gas mode.
Energies 16 07899 g004
Figure 5. Flowchart of MOPSO algorithm calculation.
Figure 5. Flowchart of MOPSO algorithm calculation.
Energies 16 07899 g005
Figure 6. Comparison of first-order and total-order sensitivity indices for the power parameters of the Sobol method.
Figure 6. Comparison of first-order and total-order sensitivity indices for the power parameters of the Sobol method.
Energies 16 07899 g006
Figure 7. Comparison of first-order and total-order sensitivity indices for the ISFC parameters of the Sobol method.
Figure 7. Comparison of first-order and total-order sensitivity indices for the ISFC parameters of the Sobol method.
Energies 16 07899 g007
Figure 8. Comparison of first-order and total-order sensitivity indices for NOx parameters of the Sobol method.
Figure 8. Comparison of first-order and total-order sensitivity indices for NOx parameters of the Sobol method.
Energies 16 07899 g008
Figure 9. Response surface plots of power, ISFC and NOx for Case1 conditions: (a) intake pressure = 5 bar; (b) speed = 700 r/min; (c) EVO = 125° CA.
Figure 9. Response surface plots of power, ISFC and NOx for Case1 conditions: (a) intake pressure = 5 bar; (b) speed = 700 r/min; (c) EVO = 125° CA.
Energies 16 07899 g009
Figure 10. Response surface plots of power, ISFC and NOx for Case2 conditions: (a) intake temperature = 325K; (b) CR = 13.5; (c) IVO = 280° CA.
Figure 10. Response surface plots of power, ISFC and NOx for Case2 conditions: (a) intake temperature = 325K; (b) CR = 13.5; (c) IVO = 280° CA.
Energies 16 07899 g010
Figure 11. Optimization results: (a) Case1; (b) Case2.
Figure 11. Optimization results: (a) Case1; (b) Case2.
Energies 16 07899 g011
Table 1. Engine parameters.
Table 1. Engine parameters.
ParametersValues
Engine typefour-stroke
Cylinder configurationInline 9 cylinders
Cylinder bore (mm)340
Stroke (mm)400
Compression ratio12.6
Speed (r/min)750
Power (kW)4500
Intake valve opening timing (° CA)300
Exhaust valve opening timing (° CA)130
Intake air temperature (K)323
Intake pressure (bar)4.53
Table 2. Three-factor BBD experimental matrix.
Table 2. Three-factor BBD experimental matrix.
X1X2X3
011
000
−10−1
01−1
0−1−1
−1−10
0−11
1−10
−110
−101
110
10−1
101
Table 3. Scope of the parameter study.
Table 3. Scope of the parameter study.
ParameterScope
EVO (° CA)100–150
IVO (° CA)260–300
CR12–15
Speed (r/min)600–800
Intake pressure (bar)4.5–5.5
Intake temperature (K)315–335
Table 4. Response surface model accuracy assessment.
Table 4. Response surface model accuracy assessment.
ParameterCase1Case2
PowerISFCNOxPowerISFCNOx
R20.99990.99950.99670.99980.99730.9998
R2adj0.99970.99890.99240.99940.99380.9996
R2pred0.99820.99240.94700.99670.95700.9975
Table 5. The distribution range of optimized results.
Table 5. The distribution range of optimized results.
ParameterCase1Case2
Power (kW)3600–48004300–4600
ISFC (g/kWh)144–162151–158
NOx (g/h)2000–45003300–4400
Table 6. Degree of optimization.
Table 6. Degree of optimization.
ParameterPowerISFCNOx
Case1+7.2%−0.4%−11.2%
Case2+3%−2.7%+9.9%
Disclaimer/Publisher’s Note: The statements, opinions and data contained in all publications are solely those of the individual author(s) and contributor(s) and not of MDPI and/or the editor(s). MDPI and/or the editor(s) disclaim responsibility for any injury to people or property resulting from any ideas, methods, instructions or products referred to in the content.

Share and Cite

MDPI and ACS Style

Jiang, K.; Zeng, H.; Wu, Z.; Sun, J.; Chen, C.; Han, B. Study on the Effect of Parameter Sensitivity on Engine Optimization Results. Energies 2023, 16, 7899. https://doi.org/10.3390/en16237899

AMA Style

Jiang K, Zeng H, Wu Z, Sun J, Chen C, Han B. Study on the Effect of Parameter Sensitivity on Engine Optimization Results. Energies. 2023; 16(23):7899. https://doi.org/10.3390/en16237899

Chicago/Turabian Style

Jiang, Kuo, Hong Zeng, Zefan Wu, Jianping Sun, Cai Chen, and Bing Han. 2023. "Study on the Effect of Parameter Sensitivity on Engine Optimization Results" Energies 16, no. 23: 7899. https://doi.org/10.3390/en16237899

APA Style

Jiang, K., Zeng, H., Wu, Z., Sun, J., Chen, C., & Han, B. (2023). Study on the Effect of Parameter Sensitivity on Engine Optimization Results. Energies, 16(23), 7899. https://doi.org/10.3390/en16237899

Note that from the first issue of 2016, this journal uses article numbers instead of page numbers. See further details here.

Article Metrics

Back to TopTop