Fast Power System Transient Stability Simulation
Abstract
:1. Introduction
2. The Proposed Power System Transient Stability Simulation
2.1. Differential Transformation Method (DTM)
2.2. Stability and Convergence Properties of the Proposed Method
2.3. Description of the Proposed Method
- Reduce the time step length when the error is above the tolerable error limit, to improve the accuracy of simulation.
- Increase the time step length when the error is below the tolerable error limit, to avoid unnecessary computational burden and improve the overall efficiency.
- Determine the maximum of absolute value of the last coefficient terms of all the variables as in Equation (30):
- Next, evaluate the new step size hnew by using Equation (31):
3. Case Studies and Results
3.1. Test System, Cases, and Setup
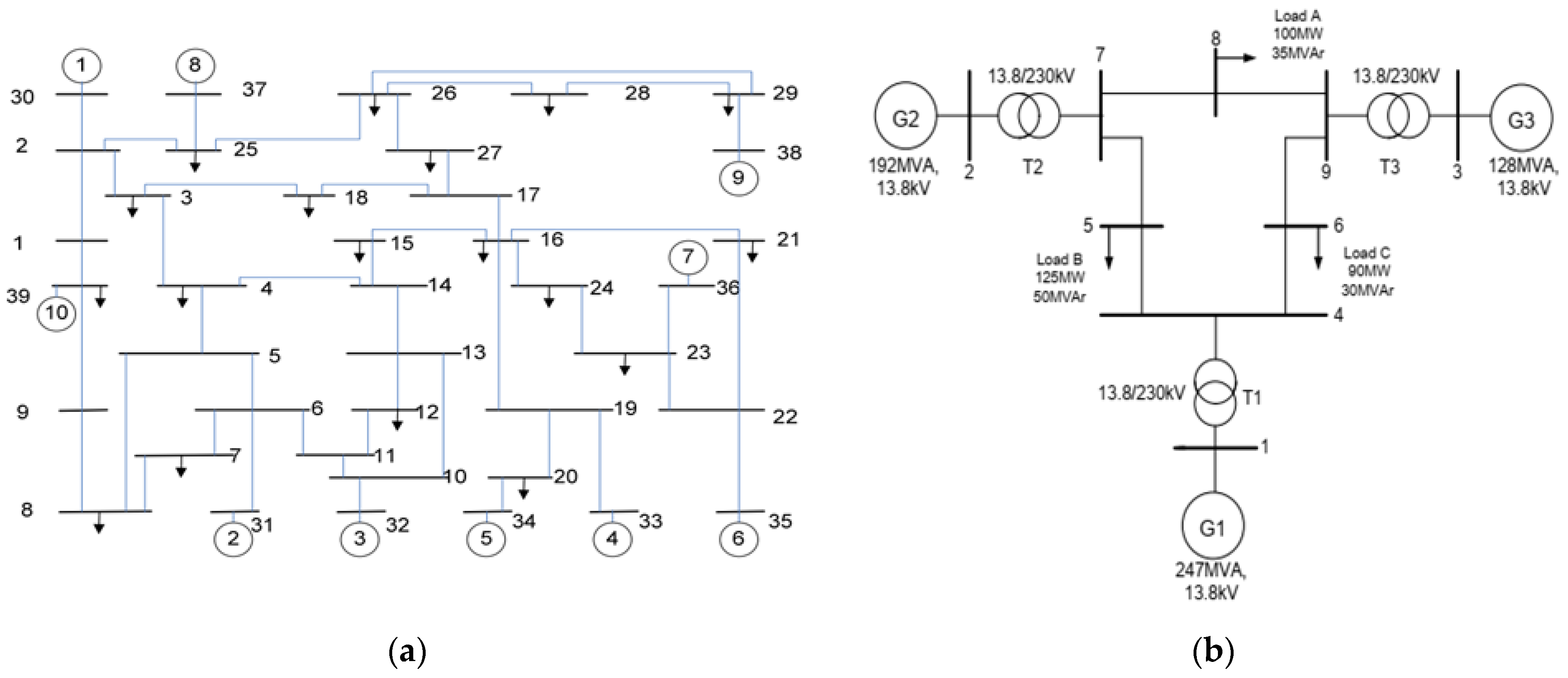
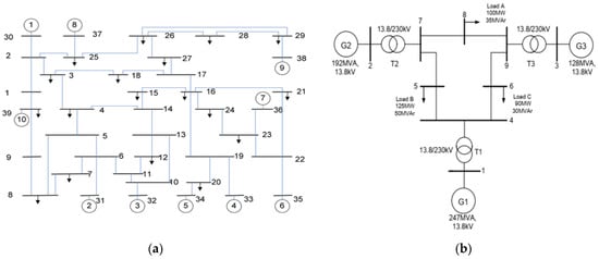
3.1.1. Test System
3.1.2. Simulation Cases
3.1.3. Simulation Setup
3.2. Simulation Results and Discussion

- DTM-based simulation: The proposed AsDTM improved/reduced the total simulation time cost and total number of iterations by 20% and 31.93% for the IEEE 39 bus test system and improved/reduced the total simulation time cost and total number of iterations by 44.57% and 32.54% for the IEEE 9 bus test system, respectively.
- Rk4-based simulation: The proposed AsDTM improved/reduced the total simulation time cost and total number of iterations by 83% and 77.36% for the IEEE 39 bus test system and improved/reduced the total simulation time cost and total number of iterations by 92% and 84% for the IEEE 9 bus test system, respectively.
4. Conclusions and Future Work
Author Contributions
Funding
Data Availability Statement
Conflicts of Interest
Appendix A
| Bus # | Xd | Xq | X’d | X’q | Rs | T’do | T’qo | H | Dg |
|---|---|---|---|---|---|---|---|---|---|
| 30 | 0.1000 | 0.0690 | 0.0310 | 0.0690 | 0.0002 | 10.200 | 0.020 | 42.000 | 0.0535 |
| 31 | 0.2590 | 0.2820 | 0.0700 | 0.1700 | 0.0002 | 6.5600 | 1.5000 | 30.300 | 0.0194 |
| 32 | 0.2500 | 0.2370 | 0.0530 | 0.0880 | 0.0002 | 5.7000 | 1.5000 | 35.500 | 0.06783 |
| 33 | 0.2620 | 0.2580 | 0.0440 | 0.1660 | 0.0002 | 5.6900 | 1.5000 | 28.500 | 0.01815 |
| 34 | 0.6700 | 0.6200 | 0.1320 | 0.1660 | 0.0002 | 5.4000 | 0.4400 | 26.000 | 0.0331 |
| 35 | 0.2540 | 0.2410 | 0.0500 | 0.0810 | 0.0002 | 7.3000 | 0.4000 | 35.00 | 0.06783 |
| 36 | 0.2950 | 0.2920 | 0.0490 | 0.1860 | 0.0002 | 5.6600 | 1.5000 | 26.500 | 0.01815 |
| 37 | 0.2900 | 0.2800 | 0.0570 | 0.0910 | 0.0010 | 6.7000 | 0.4100 | 24.300 | 0.0331 |
| 38 | 0.2110 | 0.2050 | 0.0570 | 0.0590 | 0.0002 | 4.7900 | 1.9600 | 34.500 | 0.06783 |
| 39 | 0.0200 | 0.0190 | 0.0060 | 0.0080 | 0.0002 | 7.0000 | 0.7000 | 31.000 | 0.01940 |
| Bus # | Ke | Te | Aexc | Bexc | Ur_max | Ur_min | Ka | Ta | Kf | Tf | Tch | Tg | Rg |
|---|---|---|---|---|---|---|---|---|---|---|---|---|---|
| 30 | 1.0000 | 0.2500 | 0.0039 | 1.55 | 10 | −10 | 20 | 0.06 | 0.04 | 1.0 | 0.1 | 0.05 | 0.05 |
| 31 | 1.0000 | 0.4100 | 0.0039 | 1.55 | 10 | −10 | 20 | 0.05 | 0.06 | 0.5 | 0.1 | 0.05 | 0.05 |
| 32 | 1.0000 | 0.5000 | 0.0039 | 1.55 | 10 | −10 | 20 | 0.06 | 0.08 | 1.0 | 0.1 | 0.05 | 0.05 |
| 33 | 1.0000 | 0.5000 | 0.0039 | 1.55 | 10 | −10 | 20 | 0.06 | 0.08 | 1.0 | 0.1 | 0.05 | 0.05 |
| 34 | 1.0000 | 0.7900 | 0.0039 | 1.55 | 10 | −10 | 20 | 0.02 | 0.03 | 1.0 | 0.1 | 0.05 | 0.05 |
| 35 | 1.0000 | 0.4700 | 0.0039 | 1.55 | 10 | −10 | 20 | 0.02 | 0.08 | 1.25 | 0.1 | 0.05 | 0.05 |
| 36 | 1.0000 | 0.7300 | 0.0039 | 1.55 | 10 | −10 | 20 | 0.02 | 0.03 | 1.0 | 0.1 | 0.05 | 0.05 |
| 37 | 1.0000 | 0.5300 | 0.0039 | 1.55 | 10 | −10 | 20 | 0.02 | 0.09 | 1.26 | 0.1 | 0.05 | 0.05 |
| 38 | 1.0000 | 1.4000 | 0.0039 | 1.55 | 10 | −10 | 20 | 0.02 | 0.03 | 1.0 | 0.1 | 0.05 | 0.05 |
| 39 | 0.0200 | 0.0190 | 0.0060 | 0.0080 | 0.0002 | 7.0 | 0.70 | 31.0 | 0.01940 |
| Bus # | Xd | Xq | X’d | X’q | Rs | T’do | T’qo | H | Dg |
|---|---|---|---|---|---|---|---|---|---|
| 1 | 0.146 | 0.0969 | 0.0608 | 0.0969 | 0.004 | 8.96 | 0.31 | 23.000 | 0.0151 |
| 2 | 0.8958 | 0.8648 | 0.1198 | 0.1969 | 0.0026 | 6.00 | 0.535 | 6.400 | 0.001 |
| 3 | 1.3125 | 1.2578 | 0.1813 | 0.25 | 0.0035 | 5.890 | 0.6 | 3.010 | 0.0058 |
| Bus # | Ke | Te | Aexc | Bexc | Ur_max | Ur_min | Ka | Ta | Kf | Tf | Tch | Tg | Rg |
|---|---|---|---|---|---|---|---|---|---|---|---|---|---|
| 1 | 1.0000 | 0.3140 | 0.0039 | 1.55 | 3 | −3 | 20.0 | 0.20 | 0.0630 | 0.350 | 0.10 | 0.05 | 0.05 |
| 2 | 1.0000 | 0.3140 | 0.0039 | 1.55 | 3 | −3 | 20.0 | 0.20 | 0.0630 | 0.350 | 0.1 | 0.05 | 0.05 |
| 3 | 1.0000 | 0.3140 | 0.0039 | 1.55 | 3 | −3 | 20.0 | 0.20 | 0.0630 | 0.350 | 0.1 | 0.05 | 0.05 |
References
- Sarajcev, P.; Kunac, A.; Petrovic, G.; Despalatovic, M. Power System Transient Stability Assessment Using Stacked Autoencoder and Voting Ensemble. Energies 2021, 14, 3148. [Google Scholar] [CrossRef]
- Perilla, A.; Papadakis, S.; Rueda Torres, J.L.; van der Meijden, M.; Palensky, P.; Gonzalez-Longatt, F. Transient Stability Performance of Power Systems with High Share of Wind Generators Equipped with Power-Angle Modulation Controllers or Fast Local Voltage Controllers. Energies 2020, 13, 4205. [Google Scholar] [CrossRef]
- Tina, G.M.; Maione, G.; Licciardello, S. Evaluation of Technical Solutions to Improve Transient Stability in Power Systems with Wind Power Generation. Energies 2022, 15, 7055. [Google Scholar] [CrossRef]
- Kundur, P.; Paserba, J.; Ajjarapu, V.; Andersson, G.; Bose, A.; Canizares, C.; Vittal, V. IEEE/CIGRE Joint Task Force on Stability Terms and Definitions, Definition and Classification of Power System Stability. IEEE Trans. Power Syst. 2004, 19, 1387–1401. [Google Scholar]
- Stott, B. Power system Dynamic response calculation. Proc. IEEE 1979, 67, 219–241. [Google Scholar] [CrossRef]
- Chow, J.H. Power System Coherency and Model Reduction; Springer: New York, NY, USA, 2013. [Google Scholar]
- Osipov, D.; Sun, K. Adaptive nonlinear model reduction for fast power system simulation. IEEE Trans. Power Syst. 2018, 33, 6746–6754. [Google Scholar] [CrossRef]
- Milano, F. Power System Modeling and Scripting; Springer Science and Business Media: Berlin/Heidelberg, Germany, 2010. [Google Scholar]
- Gurrala, G.; Dimitrovski, A.; Pannala, S.; Simunovic, S.; Starke, M. Parareal in Time for Fast Power System Dynamic Simulations. IEEE Trans. Power Syst. 2015, 31, 1820–1830. [Google Scholar] [CrossRef]
- Zadkhast, S.; Jatskevich, J.; Vaahedi, E. A multi-decomposition approach for accelerated time domain simulation of transient stability problems. IEEE Trans. Power Syst. 2015, 30, 2301–2311. [Google Scholar] [CrossRef]
- Aristidou, P.; Fabozzi, D.; Cutsem, T.V. Dynamic Simulation of Large Scale Power Systems Using a Parallel Schur-Compelement_Based Decomposition Method. IEEE Trans. Parallel Distrib. Syst. 2014, 25, 2561–2570. [Google Scholar] [CrossRef]
- Liu, C.; Wang, B.; Sun, K. Fast power system simulation using semi-analytical solutions based on Pade approximation. In Proceedings of the 2017 IEEE Power & Energy Society General Meeting, Chicago, IL, USA, 16–20 July 2017; pp. 1–5. [Google Scholar]
- Liu, C.; Wang, B.; Sun, K. Fast power system Dynamic Simulation Using Continued Fractions. IEEE Access 2018, 6, 62687–62698. [Google Scholar] [CrossRef]
- Wang, B.; Duan, N.; Sun, K. A Time-Power Series Based Semi-Analytical Approach for Power System Simulation. IEEE Trans. Power Syst. 2019, 34, 841–851. [Google Scholar] [CrossRef]
- Liu, Y.; Sun, K.; Yao, R.; Wang, B. Power System Time Domain Simulation Using a Differential Transformation Method. IEEE Trans. Power Syst. 2019, 34, 3739–3748. [Google Scholar] [CrossRef]
- Liu, Y.; Sun, K. Power System Simulation Using a Differential Transformation Method. Ph.D. Thesis, University of Tennessee, Knoxville, TN, USA, 2022. Available online: https://trace.tennessee.edu/utk_graddiss/7073 (accessed on 28 August 2022).
- Sanchez-Gasca, J.J.; D’aquila, R.; Price, W.W.; Paserba, J.J. Variable time step, implicit integration for extended-term power system dynamic simulation. In Proceedings of the Power Industry Computer Applications Conference, Salt Lake City, UT, USA, 7–12 May 1995. [Google Scholar] [CrossRef]
- Kim, S.; Overbye, T.J. Optimal Subinterval Selection Approach for Power System Transient Stability Simulation. Energies 2015, 8, 11871–11882. [Google Scholar] [CrossRef]
- Laugier, A.J.C. Adaptive Time Step for Fast Converging Dynamic Simulation System. In Proceedings of the IEEE/RSJ International Conference on Intelligent Robots and Systems, IROS ’96, Osaka, Japan, 8 November 1996. [Google Scholar] [CrossRef]
- Liu, Y.; Sun, K. Solving Power System Differential Algebraic Equations Using Differential Transformation. IEEE Trans. Power Syst. 2020, 35, 2289–2299. [Google Scholar] [CrossRef]
- El-Zahar, E.R. An Adaptive Step-Size Taylor Series Based Method and Application to Nonlinear Biochemical Reaction Model. Trends Appl. Sci. Res. 2012, 7, 901–912. [Google Scholar]
- El-Zahar, E.R. Applications of Adaptive Multi Step Differential Transform Method to Singular Perturbation Problems Arising in Science and Engineering. Appl. Math. Inf. Sci. 2015, 9, 223–232. [Google Scholar] [CrossRef]
- Ahmet, G.; Mehmet, M.; Ahmet, Y. Adaptive multi-step differential transformation method to solving nonlinear differential equations. Math. Comp. Mod. Sci. 2012, 55, 761–769. [Google Scholar]
- Bég, O.A.; Keimanesh, M.; Rashidi, M.M.; Davoodi, M.; Branch, S.T. Multi-step DTM Simulation of Magneto-Peristaltic Flow of a Conducting Williamson Viscoelastic Fluid. Int. J. Appl. Math Mech. 2013, 9, 22–40. [Google Scholar]
- Pukhov, E.; Georgii, G. Differential transformation method and circuit theory. Int. J. Circuit Theory Appl. 1982, 10, 265–276. [Google Scholar] [CrossRef]
- Available online: http://www.esat.kuleuven.be/electa/teaching/matdyn/ (accessed on 26 May 2020).
- MATLAB, T.M.I.2017b; The MathWorks Inc.: Natick, MA, USA, 2017.
- Zimmerman, R.D.; Murillo-Sanchez, C.E.; Thomas, R.J. MATPOWER: Steady-State Operations, Planning, and Analysis Tools for Power Systems Research and Education. IEEE Trans. Power Syst. 2011, 26, 12–19. [Google Scholar] [CrossRef]
- Yang, D. Power System Dynamic Security Analysis via Decoupled Time Domain Simulation and Trajectory Optimization; Iowa State University: Ames, IA, USA, 2006. [Google Scholar]









| Method | Max Error | |||
|---|---|---|---|---|
| IEEE 9 | IEEE 39 | IEEE 9 | IEEE 39 | |
| Rotor Angle (rad) | Rotor Speed (pu) | |||
| AsDTM | 0.01615 | 0.03931 | 0.00005 | 0.00002951 |
| DTM | 0.02951 | 0.09554 | 0.0005 | 0.0002958 |
Disclaimer/Publisher’s Note: The statements, opinions and data contained in all publications are solely those of the individual author(s) and contributor(s) and not of MDPI and/or the editor(s). MDPI and/or the editor(s) disclaim responsibility for any injury to people or property resulting from any ideas, methods, instructions or products referred to in the content. |
© 2023 by the authors. Licensee MDPI, Basel, Switzerland. This article is an open access article distributed under the terms and conditions of the Creative Commons Attribution (CC BY) license (https://creativecommons.org/licenses/by/4.0/).
Share and Cite
Kumissa, T.L.; Shewarega, F. Fast Power System Transient Stability Simulation. Energies 2023, 16, 7157. https://doi.org/10.3390/en16207157
Kumissa TL, Shewarega F. Fast Power System Transient Stability Simulation. Energies. 2023; 16(20):7157. https://doi.org/10.3390/en16207157
Chicago/Turabian StyleKumissa, Teshome Lindi, and Fekadu Shewarega. 2023. "Fast Power System Transient Stability Simulation" Energies 16, no. 20: 7157. https://doi.org/10.3390/en16207157
APA StyleKumissa, T. L., & Shewarega, F. (2023). Fast Power System Transient Stability Simulation. Energies, 16(20), 7157. https://doi.org/10.3390/en16207157

