Decarbonisation Pathways for the Finishing Line in a Steel Plant and Their Implications for Heat Recovery Measures
Abstract
1. Introduction
Background and Motivation
2. Case Study
2.1. Heat Recovery Potentials
2.2. Storylines
2.3. Fuel Switch in the HSM
2.4. Energy Price Scenarios
3. Optimisation of Heat Recovery System
3.1. Heat Exchanger Network Synthesis
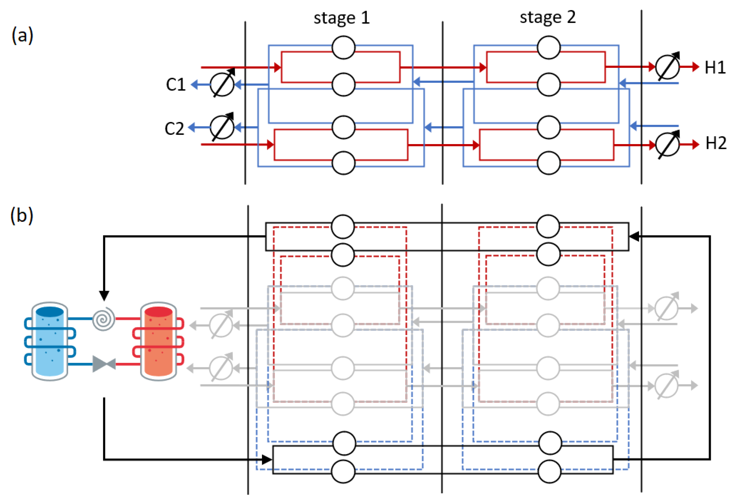
3.2. Heat Pump Model for Integration in HENS
3.3. Low Temperature Distribution System
3.4. Local Steam Generation
3.5. Objective Function
4. Results
4.1. Heat Recovery System
4.2. Fuel Switch in the Hot Strip Mill
4.3. Impact of Carbon Capture and Storage
5. Conclusions
Author Contributions
Funding
Data Availability Statement
Conflicts of Interest
Nomenclature
| Acronyms | |
| BAU | business-as-usual |
| BECCS | bio energy and carbon capture and storage |
| BG | biogas |
| BOF | basic oxygen furnace |
| BOFG | basic oxygen furnace gas |
| CAL | continuous annealing line |
| CCS | carbon capture and storage |
| COP | coefficient of performance |
| DHR | direct heat recovery |
| DRI | direct reduction iron |
| EAF | electric arc furnace |
| ES | energy price scenario Spain |
| ESF | energy price scenario Spain - falling prices |
| GAL | galvanising line |
| HEN | heat exchanger network |
| HENS | heat exchanger network synthesis |
| HEX | heat exchanger |
| HP | heat pump |
| HSM | hot strip mill |
| IEA | International Energy Agency |
| LTD | low temperature distribution system |
| MILP | mixed-integer linear programming |
| MINLP | mixed-integer nonlinear programming |
| NG | natural gas |
| PL | pickling line |
| Sets | |
| FAC | facilities |
| I | hot process stream |
| J | hot process stream |
| TYPE | heat exchanger types |
| Parameters | |
| efficiency (-) | |
| big-M coefficient (-) | |
| c | cost coefficient (EUR) |
| capital costs for piping (EUR) | |
| price index (-) | |
| specific insulation costs (EUR/m) | |
| specific piping costs (EUR/m) | |
| cost reduction factor (-) | |
| actual pipe diameter () | |
| nominal pipe diameter () | |
| bare module factor (-) | |
| L | piping length () |
| inlet temperature (°C) | |
| outlet temperature (°C) | |
| source temperature for heat pump () | |
| outlet temperature (°C) | |
| ambient temperature (°C) | |
| flow velocity () | |
| Subscripts | |
| f | index for facility |
| i | index for hot process stream |
| INS | subscript for insulation |
| j | index for cold process stream |
| P.CS | subscript for piping base costs |
| t | index for time interval |
| Superscripts | |
| c | condenser |
| Direct | direct heat exchange |
| e | evaporator |
| el | electric |
| fix | fixed costs |
| fuel | fuel specific |
| HEX | heat exchanger |
| LTD | low temperature distribution system |
| PSC | cold process stream |
| PSH | hot process stream |
| real | realised costs |
| type | heat exchanger type |
| UC | cold utility |
| UH | hot utility |
| UIC | cold intermediate utility |
| UIH | hot intermediate utility |
| unit | unit in the supply system |
| v | virtual heat load |
| var | variable costs |
| Variables | |
| capacity of supply unit | |
| total annual cost (EUR) | |
| C | cost (EUR) |
| coefficient of performance | |
| E | energy flow () |
| l | thermal losses () |
| P | power consumption () |
| Q | thermal power () |
| T | temperature (°C) |
| y | continuous variable |
| z | binary variable (-) |
References
- European Commision. State of the Union 2020: EU Climate Target Plan 2030: Building a Modern, Sustainable and Resilient Europe; Publications Office of the European Union: Luxembourg, 2020.
- IEA—International Energy Agency. Iron and Steel Technology Roadmap; IEA (2020), Iron and Steel Technology Roadmap, IEA: Paris, France, 2020.
- Sun, Y.; Tian, S.; Ciais, P.; Zeng, Z.; Meng, J.; Zhang, Z. Decarbonising the iron and steel sector for a 2 °C target using inherent waste streams. Nat. Commun. 2022, 13, 297. [Google Scholar] [CrossRef] [PubMed]
- The European Steel Association—EUROFER. European Steel in Figures 2021; The European Steel Association: Brussels, Belgium, 2021. [Google Scholar]
- Draxler, M.; Tobias Kempken, T.H.; Jean-Christophe Pierret, J.B.; Antonello Di Donato, M.D.S.; Chuan, W. Technology Assessment and Roadmapping (Deliverable 1.2). 2021. Available online: https://www.estep.eu/assets/Uploads/210308-D1-2-Assessment-and-roadmapping-of-technologies-Publishable-version.pdf (accessed on 13 November 2022).
- Rainer, R.; Miguel, A.M.; Serge, R.; Luis, D.S. Best Available Techniques (BAT) Reference Document: For: Iron and Steel Production: Industrial Emissions Directive 2010/75/EU: (Integrated Pollution Prevention and Control); Publications Office: Luxembourg, 2012. [Google Scholar]
- Kosmadakis, G. Estimating the potential of industrial (high-temperature) heat pumps for exploiting waste heat in EU industries. Appl. Therm. Eng. 2019, 156, 287–298. [Google Scholar] [CrossRef]
- McBrien, M.; Serrenho, A.C.; Allwood, J.M. Potential for energy savings by heat recovery in an integrated steel supply chain. Appl. Therm. Eng. 2016, 103, 592–606. [Google Scholar] [CrossRef]
- Pulm, P.; Raupenstrauch, H. Roadmap Industrie—Energieeffizienz in der Eisen- und Stahlindustrie; Klima- und Energiefonds der Österreichischen Bundesregierung: Vienna, Austria, 2014. [Google Scholar]
- Weinberger, G.; Amiri, S.; Moshfegh, B. On the benefit of integration of a district heating system with industrial excess heat: An economic and environmental analysis. Appl. Energy 2017, 191, 454–468. [Google Scholar] [CrossRef]
- Li, Y.; Xia, J.; Fang, H.; Su, Y.; Jiang, Y. Case study on industrial surplus heat of steel plants for district heating in Northern China. Energy 2016, 102, 397–405. [Google Scholar] [CrossRef]
- Klemeš, J.J.; Kravanja, Z. Forty years of heat integration: Pinch analysis (PA) and mathematical programming (MP). Curr. Opin. Chem. Eng. 2013, 2, 461–474. [Google Scholar] [CrossRef]
- Schlosser, F.; Arpagaus, C.; Walmsley, T. Heat pump integration by Pinch analysis for industrial applications: A review. Chem. Eng. Trans. 2019, 76. [Google Scholar]
- Beck, A.; Unterluggauer, J.; Knöttner, S.; Niño, C.G.; Angel, J.G.; Arias, M.L.; Solis, I. Optimized waste heat utilization in the steel industry with industrial heat pumps and low-temperature distribution system. In Proceedings of the 12. Internationale Energiewirtschaftstagung an der TU Wien (IEWT 2021), Vienna, Austria, 7–10 September 2021. [Google Scholar]
- Tao, R.; Liu, L.; Gu, S.; Zhuang, Y.; Zhang, L.; Du, J. Flexible synthesis of inter-plant heat exchanger networks considering the operation of intermediate circles. Chem. Eng. Trans. 2020, 81, 13–18. [Google Scholar]
- Chang, C.; Chen, X.; Wang, Y.; Feng, X. Simultaneous optimization of multi-plant heat integration using intermediate fluid circles. Energy 2017, 121, 306–317. [Google Scholar] [CrossRef]
- Arcelormittal. Climate Action Report 2; Arcelormittal: Luxemburg, 2021. [Google Scholar]
- Zhou, H. Update: EU Energy Outlook 2050—How will Europe evolve over the next 30 years? 2019. Available online: https://blog.energybrainpool.com/en/update-eu-energy-outlook-2050-how-will-europe-evolve-over-the-next-30-years/ (accessed on 29 March 2022).
- IEA—International Energy Agency. World Energy Outlook 2021; World Energy Outlook 2021, IEA: Paris, France, 2021.
- Bloomberg NEF. Hydrogen Economy Outlook—Key Messages. 2019. Available online: https://data.bloomberglp.com/professional/sites/24/BNEF-Hydrogen-Economy-Outlook-Key-Messages-30-Mar-2020.pdf (accessed on 13 November 2022).
- IEA—International Energy Agency. Outlook for Biogas and Biomethane: Prospects for Organic Growth; IEA: Paris, France, 2020.
- IEA—International Energy Agency. Cumulative Direct Emission Reductions by Mitigation Strategy in the Sustainable Development Scenario between 2020 and 2050; IEA: Paris, France, 2020.
- IEA—International Energy Agency. Energy Technology Perspectives 2020—Special Report on Carbon Capture Utilisation and Storage; OECD Publishing: Paris, France, 2020.
- Birat, J. Global Technology Roadmap for CCS in Industry. 2010. Available online: https://www.globalccsinstitute.com/archive/hub/publications/15671/global-technology-roadmap-ccs-industry-steel-sectoral-report.pdf (accessed on 13 November 2022).
- Beck, A.; Hofmann, R. A Novel Approach for Linearization of a MINLP Stage-Wise Superstructure Formulation. Comput. Chem. Eng. 2018, 112, 17–26. [Google Scholar] [CrossRef]
- Yee, T.F.; Grossmann, I.E. Simultaneous optimization models for heat integration—II. Heat exchanger network synthesis. Comput. Chem. Eng. 1990, 14, 1165–1184. [Google Scholar] [CrossRef]
- W. Verheyen, N.Z. Design of flexible heat exchanger network for multi-period operation. Chem. Eng. Sci. 2006, 61, 7730–7753. [Google Scholar] [CrossRef]
- Prendl, L.; Hofmann, R. An extended approach for the integration of heat pumps into hens multi-period MILP superstructure formulation for industrial applications. In Computer Aided Chemical Engineering; Elsevier: Amsterdam, The Netherlands, 2020; Volume 48, pp. 1351–1356. [Google Scholar]
- Smith, R. Chemical Process: Design and Integration; John Wiley & Sons: Hoboken, NJ, USA, 2005; John Wiley & Sons Ltd, The Atrium, Southern Gate, Chichester, West Sussex PO19 8SQ, England. [Google Scholar]
- Ulrich, G.D.; Vasudevan, P.T. Short-cut piping costs: This method saves precious time in preparing estimates for pre-design and other approximated analyses. Chem. Eng. 2006, 113, 44–50. [Google Scholar]














| Stream | T | T | Power | Availability |
|---|---|---|---|---|
| (°C) | (°C) | (%) | (-) | |
| HSM - 1 | 605 | 580 | 0.37 | 2 |
| HSM-2 | 580 | 25 | 8.14 | 2 |
| HSM-3 | 60 | 55 | 6.46 | 1 |
| HSM-4 | 35 | 30 | 54.49 | 1 |
| HSM-5 | 510 | 200 | 9.62 | 1 |
| HSM-6 | 40 | 45 | 0.77 | 1 |
| GAL-1 | 15 | 70 | 0.51 | 1 |
| GAL-2 | 30 | 20 | 0.58 | 1 |
| GAL-3 | 20 | 55 | 1.33 | 1 |
| GAL-4 | 850 | 20 | 0.01 | 1 |
| GAL-5 | 360 | 240 | 0.03 | 1 |
| GAL-6 | 550 | 310 | 0.69 | 1 |
| CAL-1 | 15 | 80 | 0.44 | 1 |
| CAL-2 | 80 | 25 | 0.37 | 1 |
| CAL-3 | 20 | 90 | 1.95 | 1 |
| CAL-4 | 50 | 25 | 0.7 | 1 |
| CAL-5 | 450 | 200 | 1.84 | 1 |
| CAL-6 | 30 | 25 | 8.94 | 1 |
| CAL-7 | 790 | 650 | 0.38 | 2 |
| CAL-8 | 650 | 400 | 0.69 | 2 |
| CAL-9 | 15 | 80 | 0.40 | 1 |
| PL-1 | 75 | 90 | 0.08 | 1 |
| PL-2 | 89 | 90 | 0.18 | 1 |
| PL-3 | 70 | 25 | 0.06 | 1 |
| PL-4 | 20 | 85 | 0.45 | 1 |
| PL-5 | 20 | 85 | 0.29 | 1 |
| PL-6 | 80 | 25 | 0.23 | 1 |
| Parameter | Symbol | Value |
|---|---|---|
| Efficiency | (-) | 0.5 |
| Minimum source temperature | T (°C) | 0 |
| Maximum sink temperature | T (°C) | 120 |
| Minimum lift | T (°C) | 40 |
| Maximum lift | T (°C) | 70 |
| Temperature difference | T (°C) | 5 |
| Fixed costs | c (€) | 5000 |
| Variable costs | c (€/kW) | 300 |
| From Facility | To Facility | Length (m) |
|---|---|---|
| Hot strip mill | Pickling line | 50 |
| Hot strip mill | Galvanising line | 300 |
| Hot strip mill | Continuous annealing | 100 |
| Continuous annealing | Galvanising line | 200 |
| HSM | GAL | CAL | PL | |||||||||
|---|---|---|---|---|---|---|---|---|---|---|---|---|
| story line | DHR | HP | LTD | DHR | HP | LTD | DHR | HP | LTD | DHR | HP | LTD |
| 0 | - | - | - | - | - | - | - | - | - | - | - | - |
| A | X | - | X | X | - | X | X | X | X | X | - | X |
| B | X | - | X | X | - | X | X | - | X | - | - | X |
| C | X | X | X | X | - | X | X | X | X | X | X | X |
| D | X | X | X | X | - | X | X | X | X | X | X | X |
| E1 | X | - | X | X | - | X | X | X | X | X | X | X |
| E2 | X | X | X | X | - | X | X | X | X | X | X | X |
| F | X | X | X | X | - | X | X | X | X | X | EFS | X |
| G | X | X | X | X | - | X | X | X | X | X | X | X |
Disclaimer/Publisher’s Note: The statements, opinions and data contained in all publications are solely those of the individual author(s) and contributor(s) and not of MDPI and/or the editor(s). MDPI and/or the editor(s) disclaim responsibility for any injury to people or property resulting from any ideas, methods, instructions or products referred to in the content. |
© 2023 by the authors. Licensee MDPI, Basel, Switzerland. This article is an open access article distributed under the terms and conditions of the Creative Commons Attribution (CC BY) license (https://creativecommons.org/licenses/by/4.0/).
Share and Cite
Beck, A.; Unterluggauer, J.; Helminger, F.; Solís-Gallego, I. Decarbonisation Pathways for the Finishing Line in a Steel Plant and Their Implications for Heat Recovery Measures. Energies 2023, 16, 852. https://doi.org/10.3390/en16020852
Beck A, Unterluggauer J, Helminger F, Solís-Gallego I. Decarbonisation Pathways for the Finishing Line in a Steel Plant and Their Implications for Heat Recovery Measures. Energies. 2023; 16(2):852. https://doi.org/10.3390/en16020852
Chicago/Turabian StyleBeck, Anton, Julian Unterluggauer, Franz Helminger, and Irene Solís-Gallego. 2023. "Decarbonisation Pathways for the Finishing Line in a Steel Plant and Their Implications for Heat Recovery Measures" Energies 16, no. 2: 852. https://doi.org/10.3390/en16020852
APA StyleBeck, A., Unterluggauer, J., Helminger, F., & Solís-Gallego, I. (2023). Decarbonisation Pathways for the Finishing Line in a Steel Plant and Their Implications for Heat Recovery Measures. Energies, 16(2), 852. https://doi.org/10.3390/en16020852

