Abstract
Currently, in rural networks with a large amount of distributed generation, PV installations are often disconnected due to the excessively high voltage in the network, which often exceeds the limit value, in accordance with the PN-EN 50160 standard. Disconnecting such an installation extends the return on investment costs by preventing the generation of electricity for the owner’s needs and results in the consumption of this energy from the grid. In such a case, the recipient has to bear the costs related to the purchase of this energy. In order to solve the problem of excessively high voltage in a low-voltage distribution network with a large amount of distributed generation, the authors of this article proposed a new approach to the use of electricity from these sources. In order to present the benefits of the proposed solution, a computer simulation was used. In order to carry it out, a mathematical model of a low-voltage power grid with distributed generation was developed using the electric multipole method and Newton’s method, which is discussed in the paper. To determine the advantages of the proposed solution, nine variants of the operation of an exemplary low-voltage power grid over one day were analyzed. The main conclusion based on the analysis of the results is that the proposed approach improves the operation of the power system by maintaining the voltage values within the standard range for the entire tested part of the network. In addition, the proposed approach does not increase the power or electricity when generating electricity from a PV installation. The proposed solution can also serve as a very attractive stimulus for the creation of energy cooperatives.
1. Introduction
Increasing the share of electricity production from renewable energy sources, on the one hand, contributes to environmental protection and the decarbonization of the energy sector, but on the other hand, it causes problems related to the stable operation of the power grid. Along with the development of technology for obtaining electricity from RES with lower investment costs for modernization purposes in regard to the low-voltage network, problems affecting the stable operation of the power system appear. Most of the difficulties that currently occur result from the fact that, in the past, the network was adapted to transmit electricity in one direction. This means that the generated electricity was transmitted via power lines from the power plant to the final recipient. Currently, an increasing number of photovoltaic micro-installations are being connected to such a grid, without incurring costs related to its modernization. This causes the energy generated at the recipient’s end to be fed into the grid. There has been a change in the direction of electricity transmission. In addition, in such a network, no investments or only limited ones can be obtained using automation systems for its monitoring and control [1].
The impact of connecting distributed generation to the power grid on the power quality parameters is well described in the literature [2,3,4,5]. Positive and negative effects of connecting photovoltaic installations to the grid are described in the article, including the voltage increase and reverse power flow, the introduction of current harmonics to the grid by the inverter, the increase in the short-circuit current and the improper operation of the power protection devices. In [2], the issues of the voltage increase and the number of transformer tap changers that serve to maintain the voltage in accordance with the standard were studied. It was found that with the increase in PV generation (penetration), the number of tap changes required to regulate the voltage increases, which reduces the life of the transformer. On the other hand, in [3], the impacts of PV on the voltage (voltage fluctuations, light flicker), frequency (PV deteriorates the frequency response of the system, leading to a higher ROCOF), protection and harmonics were examined. It was found that the impact of PV on the power system mainly depends on the degree of PV penetration and its location, as well as the characteristics and parameters of the given power system. In turn, in [4], it was found that the greater the level of electricity generation by PV is, the more the photovoltaic inverters will influence the regulation of the supply voltage, but excessively high generation under a small load will cause an excessive voltage increase. This problem can be solved by the use of an on-load tap changer (OLTC), SVR voltage regulators and distributed energy storage system control. In [5], an attempt was made to assess the impact of photovoltaic generation on low-voltage distribution networks based on data from the real network in Spain in order to obtain optimal distributed photovoltaic penetration. Based on the research, it was concluded that the total losses decrease up to a certain generation level and then increase. The literature [6,7,8,9,10,11,12] shows that many scientific institutions have explored this issue. In various publications [6,7,8,9], the authors examined the impact of generation by PV installations on the voltage in low-voltage distribution networks. The authors in [6] emphasized that the presence of photovoltaic installations in the grid causes an increase in the voltage due to a decrease in the total load. In [7], the influence of PV generation on the voltage profile was examined in four cases. Rural networks were found to be more prone to overvoltage problems due to their large span, which increases their impedance value. In addition, based on the research, it was concluded that the improvement of the operation of low-voltage distribution networks can be achieved by reducing the short-circuit resistance and line impedance. In turn, in [8], the authors assessed the impact of the high-level generation of small photovoltaic systems on the quality of the voltage in a low-voltage distribution network in Great Britain. It was found that, depending on solar radiation, the higher the radiation value and the lower the power demand were, the more PV affected the voltage value. The authors proposed controlling the voltage by implementing energy storage systems. The authors of [9] presented the impact of PV on low-voltage distribution networks in Malta based on data from smart meters using Monte Carlo and Open DSS simulations. Additionally, here, the authors stated that voltage problems are the most significant problem affecting the integration of low-voltage networks with distributed generation by photovoltaics. In [10,11], attention was also paid to the asymmetry factor resulting from the connection of single-phase generating installations to the network. Asymmetry can cause unbalanced voltage fluctuations in each phase, which increases the power quality problems affecting devices that are connected to such a network. In [10], the impact of the injection of power from a single-phase photovoltaic installation into a low-voltage distribution grid on the voltage asymmetry was examined, and it was found that for unbalanced loads and unbalanced generation by PV (connected to random phases), the asymmetry is greater than for constant load and provides an evenly distributed generation over three phases. In addition, it was found that the asymmetry factor is directly proportional to changes in the length of the line. In [11], the influences of PV and EV on the unbalancing factor of low-voltage distribution networks with three-phase and single-phase receivers in Croatia were examined. Based on the research, it was found that single-phase LC (low-carbon technologies) installations have a negative impact on voltage unbalance, and the voltage unbalance factor (VUF) is already exceeded when 20% of the users install single-phase PV. The authors encouraged end users to install three-phase LC installations, because in addition to reducing the voltage unbalance factor, more power can be introduced into the network. In [12], attention was paid to the overloading of the distribution network elements resulting from the connection of a greater number of distributed sources.
The rapid development of electromobility and electric heating through the use of heat pumps may also have an impact on the maintenance of the quality of electricity at an appropriate level. This is related to the decarbonization of the energy sector. Unfortunately, connecting more home car chargers or heat pumps to the network may have a negative impact on the quality of the electricity parameters [13,14,15,16], causing greater voltage drops in the network or asymmetry in the supply voltages. It is important to implement energy management systems, such as those proposed in [13], based on the so-called multi-agent system technology.
Increasingly, problems affecting the maintenance of the quality parameters of electricity at the appropriate level have contributed to the proposal of methods that can be used to solve the above-mentioned problems by scientific institutions. In the literature [17,18,19,20,21,22,23,24,25,26,27,28,29], one can find various proposals for solving the problem of maintaining the voltage within the required range of ±10% of the nominal voltage. One of the proposals is the appropriate control of the reactive power in the low-voltage network through the use of distributed renewable energy sources [17,18,19] and the use of SVC reactive power compensation devices [20,21]. In [17], the authors, based on their research, stated that injecting reactive power by maintaining the power factor at the level of 0.8 through photovoltaic inverters allows one to reduce power losses and eliminate voltage problems. In turn, the authors of ref [18] found that in the case of low-voltage distribution networks with a high R/X ratio, in addition to the reactive power control (RPC) system, active power control (APC) systems should be used as an additional method of voltage control. In [19], a method for controlling PV power systems was developed using reactive power management to improve voltage regulation. In this system, all PV inverters operate at the maximum power level and participate in reactive power management in accordance with the power factor of the PV inverter from the critical bus (being closest to the transformer). This inverter determines the power factor based on the measurements and transmits this value to the next inverter via the communication network, which in turn transmits it to the next, etc., allowing all the inverters to run with the same power factor. The approach proposed in the publication improves the voltage profile and prevents active power limitations. In [21], the use of static VAR compensators (SVC) and the optimization of their location using BPSO (binary particle swarm optimization) in a low-voltage network in Vietnam were presented. Through this, all the optimization criteria related to the minimum voltage deviation were met. Another method is to use solid-state transformers (SST) [22,23] or power electronic tap changers [24]. These solutions enable the smooth regulation of the voltage value in a low-voltage network [23]. The SST technology enables voltage regulation without an additional compensator [22]. Another proposal designed to improve the operation of the low-voltage power grid is to equip the entire grid with measurement and control systems so that the generated power and reactive power of photovoltaic inverters can be controlled and regulated using a tap changer [25]. Problems related to the voltage level and load asymmetry can be solved using power electronic voltage regulators [26]. Often, the proposal intended to improve the quality of the electricity is the optimal installation of energy storages of a specific capacity in the network [27] and power flow control [28,29].
The review of the literature on this subject shows that, currently, each proposed solution is associated with significant unit investment outlays. On a small scale (an area of one MV/LV transformer station), investment costs may be acceptable; however, on a large scale (an area covering, for example, all the low-voltage networks supplied by one HV/MV station), the implementation of a given solution for improving the quality of the electricity may be too costly. Therefore, the authors propose a solution to the problem of maintaining the appropriate voltage in the network, without affecting the level of power or energy losses in the transmission lines, by investing in photovoltaic installations on the plot at the MV/LV transformer station. On account of this, all the PV will be directly connected to the LV switchgear at the transformer. As a result, the distribution system operator will be able to maintain a high level of voltage in the low-voltage grid due, for example, to the heat pumps, and the photovoltaic installations will not be disconnected from the grid as a result of the voltage exceeding the value specified in the PN-EN 50160 standard. On account of this, the investor opting for such a solution will not lose any unproduced energy resulting from the voltage problems, which are most common in rural networks with a large number of PV installations located at the end of the line. This grid structure causes the inverters to be disconnected from the grid due to overvoltage protection. The aim of this work was to develop a mathematical model and an algorithm for solving systems of equations so that research could be carried out, showing the benefits of the proposed solution through the example of a low-voltage rural power grid. The proposed solution enables further research that can lead, among other outcomes, to the proposal of appropriate billing rates for electricity between the energy generated and consumed, which is obtained from a location different from that of the remote reading meter. As part of such a solution, new or improved algorithms for power control through an energy cooperative can be proposed in order to achieve the highest possible self-sufficiency ratio.
This article consists of five chapters. The first chapter contains an introduction to the subject of the work. The second chapter describes the issues related to the mathematical modeling of the power grid using the electrical multipole method based on J-type and ERL branches. The algorithm for solving the examined model through the use of the Newton’s algorithm, which was developed by the authors, is also presented here. The third chapter is a description of the research methodology and contains the plan and purpose of the research, a description of the tested system and a detailed description of the simulated variants of the operation of the low-voltage power grid. The fourth chapter presents selected results obtained during the simulation tests. The fifth chapter contains the conclusions.
2. Mathematical Model of the Tested System
For considerations related to the analysis of the voltage values, power losses and electricity of the tested power system, a research method that will allow for a sufficiently accurate reflection of reality in normal operation, as well as during disturbances, should be used. The authors selected the method of system analysis, the purpose of which is to examine the processes, relationships, dependencies and interactions of the technical system (power system) and to determine the desired action (objective function) using models that offer a simplified, reliable representation of reality. In the analyzed case, it is advisable to use mathematical modeling, which can be defined as a set of finite mathematical relationships that represent interesting properties and features of part of the power system that allow the researcher to satisfactorily predict the behavior of the system by solving mathematical problems of a specific class.
The mathematical model of the power grid, together with the PV installations and the heat pump, was constructed using the electric multipole method, presented in detail in [30]. Practical applications of this method can be found in [31,32,33,34,35]. These papers present the modeling of dynamic states in electromechanical or power systems. These publications lack the procedure for the use of this method for the analysis of steady states; therefore, this procedure is presented in this paper. Therefore, in the case of the simulation of the operation of the power grid in steady states, an algorithm for solving a non-linear system of equations should be selected first, and then the multipole method presented in [16,17] should be adapted for this purpose. When developing mathematical relationships describing structural elements, the possibility of simulating a constant impedance load or a constant power load should also be taken into account. In the case of such a load, it will be possible to set the load profiles, electricity production from the RES installations or the heat pump operation.
In order to carry out a simulation experiment so as to solve a system of non-linear algebraic equations, the Newton method was used, which is described in detail in [36]. Using this method, a correction vector (where x—the physical quantity (potential V or current J) should be introduced, which can be defined by the equation below:
where —the matrix of derivatives of the function f(x) in the i−1 iteration, —the vector of residuals of the function f(x) for the i − 1 iteration, and —the correction vector of the i-th iteration.
On the other hand, the external dimensions of the structural element can be determined using the recursive formula:
where —the physical quantity (potential V or current J) in the i-th iteration, —the physical quantity (potential V or current J) in the i − 1 iteration, and —the quantity correction determined in the i-th iteration.
The programmatic number of iterations depends on whether or not the obtained absolute values of the individual elements of the correction vector are smaller than those of the individual elements of the vector with the acceptable solution errors . The vectors must be the same size.
The basis of this method is the treatment of the power system as a connection of n structural elements (ESn) presented in the form of an electric multipole with ξ external nodes (Figure 1).
Figure 1.
Diagram of the electrical system as a multipole connection.
For the k-th multipole of the element ESk, the vector of complex external potentials and the vector of complex currents of the external branches are obtained:
Using the recurrence relation (2) of Newton’s method, it can be observed that the determination of the sought vector of complex external potentials of a structural element can be determined from the relation:
On the other hand, for the vector of complex external branch currents , the dependence (2) takes the following form:
Analyzing dependencies (5) and (6), it can be seen that in order to determine the values in the i-th iteration describing the structural element, one must identify an approximation for the vector of complex potentials of the external potentials and an approximation of the vector of complex current outer branches . In order to determine the approximation of the vectors, the multipole method is adapted to Newton’s method, which is presented below.
Each structural element of the EC can be described by the so-called external multipolar matrix equation:
where is a square matrix of size ξ × ξ in the i-th iteration, and is a ξ-element column matrix in the i-th iteration (the elements of these matrices are determined by parameters and physical quantities related to ESk).
Taking the outer branches of the FE connect at the ξ + 1 nodes (0V, 1U, …, αU, …, ξU), assuming that the potential of one of them is equal to zero V0U = 0, we can write a vector of approximations of the nodal potentials of the generalized system in the i-th iteration:
Based on the so-called incident matrix of the structural element , it is possible to determine the relationships between the vector of approximation of potentials of the external nodes ESk and the vector of approximation of potentials of the system:
The incident matrix is a matrix in which the number of rows is equal to the number of independent nodes in the electrical system ξ, and the number of columns is equal to the number of poles of the multipole. The element of the matrix lying at the intersection of a given row and a given column is equal to 1 if the node with the number corresponding to the row number is connected to the multipole pole corresponding to the column number. Otherwise, the element of the matrix is equal to 0 [30,31].
Then, using the first Kirchhoff’s law for all the independent approximations of the nodes of the electrical system in the i-th iteration, one can obtain the equation below:
for which the approximation vector of the vector of the complex currents of the external branches, as determined using the external multipole Equation (7), can be substituted. Then, taking Equation (9) into account, the equation of the nodal approximations of the system is obtained:
where is a square matrix of size ξS × ξS of the i-th iteration, expressed by the relation:
where is a ξS—element column matrix of the i-th iteration, expressed by the relation:
Before developing the research methodology, an algorithm for obtaining the results from a simulation experiment was developed, which is presented in Figure 2.
Figure 2.
An algorithm for the mathematical modeling of electrical systems in steady states using the multipole method.
In the first stage of the program (Block A1), the parameters of the modeled electrical system and the initial conditions of the simulation are entered. In addition, in block A2, the constant values are determined in the simulation process.
In the next step of the algorithm, the condition W1 is verified to determine whether the current position of the load profile (marked j) is lower than the maximum value of the position of the profile (marked n). If the condition is not met, the simulation experiment ends. If the condition is met, the program proceeds to block A3, whereupon it retrieves the next value of the load or generation profile. The values of the active and reactive power are determined for each of the phases for a structural element that represents the load or PV installation. In block A4, the initial conditions are determined for the vector of potentials of the external nodes of the electrical system and the vector of currents of the external branches of the structural elements . The vector of potentials of the external nodes is determined based on the structural elements using the relationship and the initial value of the iteration of the Newton method, which allows one to determine the approximation of the sought physical quantity, i = 0.
Next, the algorithm verifies the condition W2 to determine whether the current iteration (marked i) is less than the maximum number of iterations, allowing it to determine the approximation of the physical quantity (marked m). If the condition is not met, the program variable j is increased by one, and the program proceeds to verify the condition W1. If the W2 condition is met, the calculation procedure is followed, which concerns the calculation of the matrix element values in the external equations of the structural elements (blocks A5) and, subsequently, the calculation of the matrix elements values in the equation of the nodal potential increments of the electrical system (blocks A6 and A7). In the next step of the algorithm, in block A8, the numerical solution of the linear system of equations is carried out. The Gauss–Seidel iterative method is used. After obtaining the approximation vector of the nodal potentials of the electrical system, the approximations of the external dimensions of the structural element can be determined (block A9 and A10). After determining the increase in the physical quantities, it is possible to determine, using the recursive formula (2), the values of the potentials of the nodes of the external structural elements (block A11) and the values of the currents of the branches of the external structural elements (block A12). Then, variable i is increased by one. The algorithm proceeds to condition W2.
The presented method for the mathematical modeling of the steady states of electrical systems requires the creation of a mathematical description for each type of structural element. This work present a method for creating mathematical descriptions for two basic couplers, namely type J and type ERL. One of them is a structural element describing the constant power load, which allows one to recreate the work of the consumer or generation by the RES source based on the profile, while the other represents the actual voltage source. The presented mathematical description of the ERL-type coupler makes it possible to quickly modify and model the impedance reflection.
2.1. Multipole Model with J-Type Branch
To model the consumer’s profile and his/her electricity production, a model of an electric multipole with a J-type branch (current source) is used, which is shown in Figure 3. The load profile of the active power P and reactive power Q and the profile of the power production P and Q are illustrated.
Figure 3.
J-type branch.
For the above branch, the equation can be written in the complex form of:
where V1, V2—the branch potentials in the complex form, I—complex current, P—active power resulting from the load or production profile, and Q—reactive power resulting from the load or production profile.
Writing the real and imaginary parts of the above quantities, the equations can be written as follows:
where , —the real part of the potential, respectively, and , , —the real part of the potential, respectively, and , Ix—the real part of the complex current I, and Iy—the imaginary part of the complex current I.
Newton’s method was used to solve Equation (15). For a better convergence of the algorithm, Equation (15), after the transformations, is presented in the form of a system of equations. The first equation is written for the real part, and the second is written for the imaginary part:
In order to determine the solution to the system of Equations (16), functions with six unknowns are written in the vector form:
Using Newton’s method in accordance with the relation (1), using Equation (17) for the J-type branch described by the system of Equations (16), one can write the following system of equations:
After arranging the system of equations, the following is obtained:
The above system of Equations (19) can be written in a simplified way, using new notations for the matrices and vectors occurring in this system:
Multiplying Equation (2) by the inverse matrix gives:
By introducing the notation and , the system (21) can be written as follows:
Assuming that and , Equation (22) can be written in the form of an external multipolar matrix equation:
2.2. Multipole Model with ERL-Type Branch
To model the real voltage source, the model of the multipole electric coupler of the ERL-type is used, which is shown in Figure 4.
Figure 4.
ERL coupler.
Based on Kirchhoff’s second law, the following equation can be written:
Writing the complex quantities divided into the real part (index x) and the imaginary part (index y), Equation (17) takes the form:
After transforming the equation, we receive:
After arranging Equation (26) into the real and imaginary parts, the following system of equations can be obtained (two algebraic equations):
Using Newton’s method, in accordance with Equation (1), the following system of equations can be written:
Writing the system in matrix form, we obtain:
Auxiliary matrices should be introduced into Equation (29):
Due to this, the above equation can be written as a relation (30):
Multiplying Equation (30) by the inverse matrix , we obtain:
By entering the notation and , the system (31) can be written as follows:
After entering the matrix and , Equation (32) can be written in the form of an external multipolar matrix equation:
3. Methodology and Research Plan
A simulation study was performed to verify the adopted variants using the mathematical models described above. The Octave GUI program was chosen as a tool, and the results obtained from the developed simulation programs were analyzed in a spreadsheet.
The purpose of the research was to determine the impacts of the nature of the loads, the distributed generation and its location in the network on the electrical parameters: the value of the electric voltage and active and reactive power losses in the overhead and cable lines.
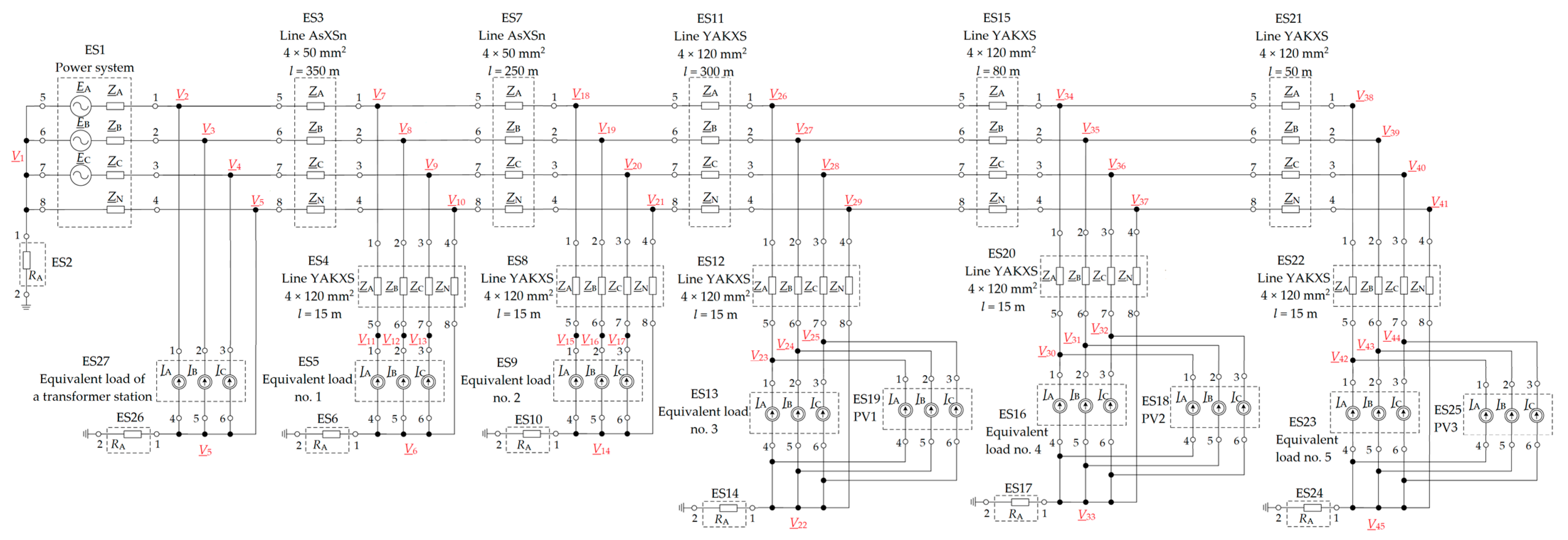
The object of the tests was the electrical system of the low-voltage power distribution network, the equivalent diagram of which includes the structural elements (multipoles) and is shown in Figure 5. Depending on the analyzed variant, the system consists of 29 structural elements (ESk), and the number of independent nodes ξ = 45. ES1 is an ERL model describing the power system, which takes into account the short-circuit power of the system Sk = 158 MVA and the parameters of the MV/LV transformer (15.75/0.42 kV/kV), which allows one to determine the impedance of the ZQ system and the ZT transformer. The operational earthing models (ES2, ES6, ES10, ES14, ES17, ES24, ES26, ES29) are a resistive type-R model. The models of the overhead and cable lines were developed using the RL-type model, and their parameters were determined on the basis of the unit parameters used in the system of overhead lines and cables. The load models (ES5, ES9, ES13, ES14, ES13, ES27) and photovoltaic installations (ES18, ES19, ES23, ES28) are J-type models of the active and reactive power profiles (depending on the nature, either the power consumption or output). The parameters of all the structural elements are presented in the table in Appendix A, while the power profiles of the customers and generation profiles are included in Appendix B, Appendix C and Appendix D. These data refer to daily profiles with a 1 min average.
Figure 5.
Equivalent diagram of the tested power system for variants 1, 6 and 7.
Using the developed simulation model, a number of tests of the system operating for 24 h were planned. Nine variants of the system operation were analyzed:
- Variant 1—No electricity generation (base variant, Figure 5); consumers 1–5 (ES5, ES9, ES13, ES16, ES23). The equivalent load of the remaining strings supplied by the station (ES27) draws active and reactive power in accordance with the profiles provided in Appendix B. The transformer tap changer is set to a position such that the value of the phase-to-phase voltage is V = 420 V.
- Variant 2—Consumers No. 3 and 4 (ES13, ES16) have a three-phase photovoltaic installation with a rated power of 5 kW each, while customer No. 5 (ES23) has a three-phase photovoltaic installation with a power of 10 kW (the power generation profiles are presented in the Appendix C). The load profiles remain unchanged, and the transformer tap changer also remains unchanged, i.e., V = 420 V (diagram, Figure 6).
Figure 6. Equivalent diagram of the tested power system for variants 2 and 4. - Variant 3—For consumers No. 3 and 4 (ES13, ES16), there are one-phase photovoltaic installations with a rated power of 3 kW, and each of them is connected to the L1 phase. The generation of customer No. 5 (ES23) remains unchanged (three-phase 10 kW photovoltaic installation, profiles in Annex C), load profiles remain unchanged, and the transformer tap changer also remains unchanged (diagram, Figure 7).
Figure 7. Equivalent diagram of the tested power system for variants 3 and 5. - Variant 4—Connecting consumers No. 3 and 4 (ES13, ES16) with three-phase photovoltaic installations with a rated power of 5 kW each, with recipient No. 5 (ES23) having a three-phase photovoltaic installation with a capacity of 10 kW (as in variant No. 2). In this variant, the transformer tap changer is changed, and the supply voltage is reduced to V = 400 V (Figure 6).
- Variant 5—For consumers No. 3 and 4 (ES13, ES16) there are single-phase photovoltaic installations with a rated power of 3 kW, and each of them is connected to the L1 phase. The generation of customer No. 5 (ES23) is a three-phase photovoltaic installation with a capacity of 10 kW (identical to variant No. 3). The transformer’s tap changer is in the position shown in variant No. 4 and causes the supply voltage to be reduced to V = 400 V (Figure 7).
- Variant 6—There is no distributed generation. For consumer No. 3 (ES13), a single-phase heat pump with a capacity of 8 kW and a load profile presented in Annex D is additionally operated and is connected to the L1 phase. Consumer No. 4 (ES16) also has a one-phase heat generator with a power of 8 kW and a load profile presented in Annex D, and it is connected to the L2 phase, while customer No. 5 (ES23) has a three-phase heat pump with a power of 12 kW (as in variant No. 6). The transformer tap changer is set so that the phase-to-phase voltage is V = 400 V (Figure 5).
- Variant 7—There is no distributed generation. For consumer No. 3 (ES13), a single-phase heat pump with a capacity of 8 kW and a load profile presented in Annex D is additionally operated and is connected to the L1 phase. Consumer No. 4 (ES16) also has a one-phase heat generator with a power of 8 kW and a load profile presented in Annex D, and it is connected to the L2 phase, while recipient No. 5 (ES23) has a three-phase heat pump with a power of 12 kW. The transformer tap changer is set so that the phase-to-phase voltage is V = 420 V (Figure 5).
- Variant 8—Consumers receive power as shown in variants 1–5, and none of them have a heat pump, while three three-phase photovoltaic installations (2 ∙ 5 kW and 10 kW) are connected at the starting end of the analyzed linear string, just after the transformer. The transformer tap changer is set so that the phase-to-phase voltage is V = 420 V (Figure 8).
Figure 8. Equivalent diagram of the tested power system for variants 8 and 9. - Variant 9—Consumers receive power as shown in variants 1–5, and none of them have a heat pump, while three PV installations (two single-phase 2 ∙ 3 kW and one three-phase 10 kW) are connected at the starting end of the analyzed linear string, just after the transformer. The transformer tap changer is set so that the phase-to-phase voltage is V = 420 V (Figure 8).
The evaluation measure is the value of the electric voltage at the beginning of the system (at the ES1 structural element, i.e., at the terminals of the supply transformer), at the end of the system (at the terminals of the cable connector of receiver No. 5, i.e., at the ES23 structural element), total active and reactive power losses of all the sections of the overhead and cable lines and active the energy losses, taking into account the energy losses of the transformer and all the line sections.
4. Presentation and Discussion of the Results
After completing the simulation tests, the results enabling the analysis of the system’s operation according to the given variants were obtained. Figure 9, Figure 10, Figure 11, Figure 12, Figure 13, Figure 14, Figure 15, Figure 16 and Figure 17, below, show the results of the selected electrical values, i.e., the electric voltage at the beginning and end of the tested line section and the total active and reactive power losses for the variants described in detail in Chapter 3. The lines marked in the b) diagrams refer to the critical values of the phase voltages (maximum and minimum) that can appear in the network (207 V, 253 V).

Figure 9.
Selected waveforms for variant No. 1: (a) phase voltages at the output terminals of the ES1 transformer; (b) end-of-line phase voltages (ES23); (c) total active power losses in the overhead and cable lines; (d) total reactive power losses in the overhead and cable lines.
Figure 10.
Selected waveforms for variant No. 2: (a) phase voltages at the output terminals of the ES1 transformer; (b) end-of-line phase voltages (ES23); (c) total active power losses in the overhead and cable lines; (d) total reactive power losses in the overhead and cable lines.
Figure 11.
Selected waveforms for variant No. 3: (a) phase voltages at the output terminals of the ES1 transformer; (b) end-of-line phase voltages (ES23); (c) total active power losses in the overhead and cable lines; (d) total reactive power losses in the overhead and cable lines.
Figure 12.
Selected waveforms for variant No. 4: (a) phase voltages at the output terminals of the ES1 transformer; (b) end-of-line phase voltages (ES23); (c) total active power losses in the overhead and cable lines; (d) total reactive power losses in the overhead and cable lines.
Figure 13.
Selected waveforms for variant No. 5: (a) phase voltages at the output terminals of the ES1 transformer; (b) end-of-line phase voltages (ES23); (c) total active power losses in the overhead and cable lines; (d) total reactive power losses in the overhead and cable lines.
Figure 14.
Selected waveforms for variant no. 6: (a) phase voltages at the output terminals of the ES1 transformer; (b) end-of-line phase voltages (ES23); (c) total active power losses in the overhead and cable lines; (d) total reactive power losses in the overhead and cable lines.

Figure 15.
Selected waveforms for variant No. 7: (a) phase voltages at the output terminals of the ES1 transformer; (b) end-of-line phase voltages (ES23); (c) total active power losses in the overhead and cable lines; (d) total reactive power losses in the overhead and cable lines.
Figure 16.
Selected waveforms for variant No. 8: (a) phase voltages at the output terminals of the ES1 transformer; (b) end-of-line phase voltages (ES23); (c) total active power losses in the overhead and cable lines; (d) total reactive power losses in the overhead and cable lines.

Figure 17.
Selected waveforms for variant No. 9: (a) phase voltages at the output terminals of the ES1 transformer; (b) end-of-line phase voltages (ES23); (c) total active power losses in the overhead and cable lines; (d) total reactive power losses in the overhead and cable lines.
Analyzing the results for the base variant (No. 1), the greatest change in the voltage can be noted between 1:00 p.m. and 4:00 p.m., when the analyzed network is most significantly loaded. Additionally, during these hours, the total losses of active and reactive power in the lines are the highest. For the base variant, the voltages did not exceed the permissible values. The active power losses in the lines did not exceed 100 W, and the reactive power losses did not exceed 70 var in the most heavily loaded phase at the peak load. The total active energy losses in this variant (in the lines and transformer) amounted to ΔEv1 = 0.617 kWh. They were defined for one day.
Analyzing the waveforms obtained for variant No. 2, in which generation is provided by three-phase PV installations with three different recipients, a slight increase in the voltage at the transformer can be noted in relation to variant No. 1. At the end of the line, the end of recipient No. 5 (ES23), the voltages are increased significantly. For almost the entire period of electricity generation by the PV sources, the phase voltages exceed the maximum permissible value of 253 V. The power generated by PV is higher than that required for the temporary local needs (the load auto-consumption rate, in this case, is about 20% per day), and every part of the power is returned to the grid, which causes an increase in the voltage and an increase in the current flowing through the lines, and this causes a significant increase in the active and reactive power losses in the lines (and, consequently, energy losses). The active power losses do not exceed 350 W per phase. The total active energy losses in this variant are ΔEv2 = 6.02 kWh per day.
The situation is much worse when there are single-phase PV installations in the section of a line. The lack of control over the connection of PV to the different phases means that all the installations can be connected to the same phase, which results in significant voltage asymmetry. When analyzing the results obtained for variant 3, it can be seen that the phase voltages at the end user of the line are different. In the L2 and L3 phases, to which single-phase PV installations are not connected, they are within the normal range, while the voltage in the L1 phase shows an energy generation that is constantly above the critical value, and it reaches a maximum of 272 V. Such a voltage value may damage the receivers supplied by this phase. Such asymmetry also causes a change in the distribution of the power losses in the lines. In this case, the power losses in the neutral conductor increase, and the power of the losses in the L1 phase increases. In this case, during the period of the largest generation of power by PV, the maximum active power losses are about 520 W. The total losses of active energy are ΔEv3 = 5.50 kWh per day, and they are lower than that of variant No. 2. However, it should be remembered that in variant 3, installations with a total rated power of 16 kW were used, and in variant No. 2, this power was 20 kW.
In the event of the voltage in the power grid being exceeded, the distribution network operator usually decides to change the tap changer. Most often, the change in position must take place in a voltage-free state. For this purpose, there is a planned break in the supply of electricity for the time required to change the position of the taps. Analyzing the results for variant 4 and comparing them with those for variant 2, one can note an identical course of voltage changes and power losses over time. Changing the tap changer in the transformer reduces the supply voltage to V = 400 V (variant 4), so that the voltage at the end of the line does not exceed the maximum permissible value, as is the case for variant no. 2. The total active and reactive power losses for this variant are slightly increased due to the lowering of the voltage and, consequently, the increase in the current. The total energy losses for this variant are ΔEv4 = 6.90 kWh per day.
Variant 5 also assumes that the distribution network operator has changed the position of the tap changer so that the supply voltage is V = 400 V. In such conditions, the influence of connecting one-phase PV installations to the same phase on the voltage conditions can be verified. Comparing variants 3 and 5, it can be seen that the change applied to the tap changer resulted in a decrease in the supply voltage, which resulted in a decrease in the voltages at the consumers’ end, but for the L1 phase, to which single-phase PV installations are connected, the permissible phase voltage value is still exceeded. The losses for variant No. 5 are similar to those for variant No. 3 and amount to ΔEv5 = 5.98 kWh per day. In this case, a connection to another phase should be formed.
In variant No. 6, a situation was considered in which the winter period begins and the operator has not changed the position of the tap changer, i.e., the supply voltage is V = 400 V. Nowadays, a large number of households have ceased from using non-ecological heating sources in favor of heat pumps. When analyzing this variant, it was assumed that the PV installation is not working, and the conditions are favorable (minus temperature) such that the heaters in the heat pumps must be switched on in order to maintain the thermal comfort of the occupants of the houses. In such a situation, receivers with a relatively high power consumption will be connected to the analyzed network. In winter periods, the high power consumption by heat pumps will cause the voltage at the end of the line to drop below 207 V (Figure 14b), i.e., below the limit value in accordance with PN-EN 50160. For variant No. 6, where the transformer tap changer is in a position that provides a phase-to-phase voltage of 400 V (phase-to-phase 230 V), for a large part of the day, the phase voltages V1 and V2 are below the permissible value of 207 V (31% of the day and 50% of the day, respectively). The minimum value of the phase voltage is 186 V. During the normal operation of the low-voltage power network, such a voltage value is unacceptable. In this case, the supply voltage must be increased again to 420 V by changing the position of the tap changer. This will increase the voltage in the entire network; however, in this case, connecting such a large load may cause the voltage at the end of the line to drop below 207 V, i.e., below the permissible value. This case is shown in Figure 15b.
In Figure 14b and Figure 15b, one more important aspect can be noted: the voltage increase above the supply voltage in some periods, increasing even by 5 V (up to 235 V for variant No. 6 and 247 V for variant No. 7). This is due to the load asymmetry and real, non-zero earth resistance values, meaning that the potential of the receiver’s neutral point is different from zero in this case. The increased power consumption also affects the increase in the active and reactive power losses and, consequently, energy losses. The daily total losses of active energy in variant No. 6 are ΔEv6 = 37.1 kWh and in variant No. 7 are ΔEv7 = 32.6 kWh.
The solution to the voltage problems shown in variants 2–5, in the case where the photovoltaic installations are placed deep within the grids of the recipients, is to connect these installations directly at the site of the MV/LV transformer station. As can be seen in Figure 16 and Figure 17 (variants 8 and 9), the voltage of the last consumer does not increase above the permissible value. With the supply voltage of 242 V, the highest value of the phase voltage of the consumer No. 5 (ES23) is 246 V. The change in the location of the distributed generation sources also reduces the active and reactive power losses resulting from the flow of power generated by PV, and the course of their changes is the same as that of the base variant no. 1. However, connecting the generation at the beginning of the line slightly increases the voltage in the entire tested section, which means that for the constant power receivers, the current flowing through the system is slightly lower, which means that the power and energy losses are smaller. The daily active energy losses for variants 8 and 9 are, respectively, ΔEv8 = 0.513 kWh and ΔEv9 = 0.574 kWh.
5. Conclusions
The main objective of this research was concerned with the determination of the impacts of the loads, distributed generation and its location in the network on the value of the electric voltage, as well as the active and reactive power losses in the overhead and cable lines. This objective was achieved through the mathematical model developed by the authors and the algorithm for solving the systems of equations, which enabled the modeling of a rural network low-voltage power grid. On the basis of the performed simulation tests of nine different variants of the network’s operation, the following conclusions can be drawn:
- Placing the photovoltaic installations at the MV/LV transformer stations (variants 8 and 9) improves the operation of the power system by maintaining the voltage within the standard range for the entire supplied section, without increasing the power or electricity losses. This creates the possibility of the effective management of the electrical energy, without significant investment costs related to the implementation of extensive energy management systems based on, for example, genetic algorithms, neural networks, etc. Such a solution, in accordance with the original assumptions of the authors, allows the distribution network operator to maintain a higher voltage level in the low-voltage grid (due to high-power receivers, e.g., the heat pumps), and the photovoltaic installations will not be disconnected from the grid as a result of the voltage being exceeded. As a result, the investor who decides to implement such a technical solution will not incur losses due to unproduced electricity resulting from the excessively high voltage and activation of the overvoltage protections of the inverters.
- Connecting the generating units directly at the site of the transformer station eliminates the problem of voltage asymmetry resulting from the connection of the single-phase photovoltaic installations to the same phases deep in the grid, which can be seen when comparing variants No. 3 and No. 8.
- The solution proposed by the authors regarding the location of the photovoltaic installations at the MV/LV transformer station is advantageous from the technical point of view. However, issues related to energy settlement between the grid users should be borne in mind, and this aspect was not included in this work. Methods of settlement will be proposed in further scientific research. In the context of further scientific research, the authors also envisage the development and proposal of a concept of an energy cooperative in which innovative power and energy management algorithms will be used to achieve the highest possible self-sufficiency ratio, taking into account the rules related to the settlement of electricity within the cooperative.
Author Contributions
Conceptualization, Ł.M. and Z.K.; methodology, Z.K. and Ł.M.; software, Ł.M. and Z.K.; validation, Z.K.; formal analysis, Z.K. and Ł.M.; investigation, Ł.M.; resources, Z.K.; data curation, Z.K.; writing—original draft preparation, Ł.M.; writing—review and editing, Z.K.; supervision, Z.K. All authors have read and agreed to the published version of the manuscript.
Funding
This research received no external funding.
Institutional Review Board Statement
Not applicable.
Informed Consent Statement
Not applicable.
Data Availability Statement
Not applicable.
Conflicts of Interest
The authors declare no conflict of interest.
Appendix A
Table A1.
Parameters of the structural elements of the mathematical model.
Table A1.
Parameters of the structural elements of the mathematical model.
| Element | Model Type | Element Characteristics | Parameters |
|---|---|---|---|
| ES1 | ERL | Power System | ZQ = (0.114 + j1.11) mΩ, ZT = (9.17 + j31.8) mΩ |
| ES2 | R | Transformer grounding | RES2 = 1.5 Ω |
| ES3 | RL | Line AsXSn 4 × 50 mm2 | lES3 = 350 m, ZES3 = (224 + j139) mΩ |
| ES4 | RL | Line YAKXS 4 × 120 mm2 | lES4 = 15 m, ZES4 = (3.80 + j4.10) mΩ |
| ES5 | J | Customer No. 1 | Power profile of customer No. 1 (Appendix B) |
| ES6 | R | Customer grounding No. 1 | RES6 = 5.5 Ω |
| ES7 | RL | Line AsXSn 4 × 50 mm2 | lES7 = 15 m, ZES7 = (63.3 + j68.3) mΩ |
| ES8 | RL | Line YAKXS 4 × 120 mm2 | lES8 = 15 m, ZES8 = (3.80 + j4.10) mΩ |
| ES9 | J | Customer No. 2 | Power profile of customer No. 2 (Appendix B) |
| ES10 | R | Customer grounding No. 2 | RES10 = 5.5 Ω |
| ES11 | RL | Line YAKXS 4 × 120 mm2 | lES11 = 300 m, ZES11 = (192 + j119) mΩ |
| ES12 | RL | Line YAKXS 4 × 120 mm2 | lES12 = 15 m, ZES12 = (3.80 + j4.10) mΩ |
| ES13 | J | Customer No. 3 | Power profile of customer No. 3 (Appendix B) |
| ES14 | R | Customer grounding No. 3 | RES14 = 5.5 Ω |
| ES15 | RL | Line YAKXS 4 × 120 mm2 | lES15 = 300 m, ZES15 = (20.2 + j21.8) mΩ |
| ES16 | J | Customer No. 4 | Power profile of customer No. 3 (Appendix B) |
| ES17 | R | Customer grounding No. 4 | RES17 = 5.5 Ω |
| ES18 | J | PV installation No 3. | Generation profile of PV 5 kW or 3 kW (Appendix C) |
| ES19 | J | PV installation No 2. | Generation profile of PV 5 kW or 3 kW (Appendix C) |
| ES20 | RL | Line YAKXS 4 × 120 mm2 | lES20 = 15 m, ZES20 = (3.80 + j4.10) mΩ |
| ES21 | RL | Line YAKXS 4 × 120 mm2 | lES21 = 50 m, ZES21 = (12.7 + j13.7) mΩ |
| ES22 | RL | Line YAKXS 4 × 120 mm2 | lES22 = 15 m, ZES22 = (3.80 + j4.10) mΩ |
| ES23 | J | Customer No. 5 | Power profile of customer No. 5 (Appendix B) |
| ES24 | R | Customer grounding No. 1 | RES24 = 5.5 Ω |
| ES25 | J | PV installation No. 3 | Generation profile of PV (Appendix C) |
| ES26 | R | Grounding of an equivalent load of a transformer station | RES26 = 5.5 Ω |
| ES27 | J | Equivalent load of a transformer station | Power profile for the equivalent load of a transformer station (Appendix B) |
| ES28 | J | PV at the transformer | Generation profile of PV (Appendix C) |
| ES29 | R | Grounding of the PV installation | RES29 = 5.5 Ω |
Appendix B

Figure A1.
Active and reactive power load profiles of consumers 1–5 and equivalent load of the MV/LV transformer station.
Appendix C

Figure A2.
Profiles of the power generation by the photovoltaic installations.
Appendix D

Figure A3.
Profiles of the active and reactive power loads of consumers 3–5 with the heat pumps on.
References
- Bruno, S.; La Scala, M. Unbalanced Three-Phase Optimal Power Flow for the Optimization of MV and LV Distribution Grids. In From Smart Grids to Smart Cities: New Challenges in Optimizing Energy Grids; John Wiley & Sons: Hoboken, NJ, USA, 2017; pp. 1–42. [Google Scholar]
- Patil, A.; Girgaonkar, R.; Musunuri, S.K. Impacts of Increasing Photovoltaic Penetration on Distribution Grid—Voltage Rise Case Study. In Proceedings of the 2014 International Conference on Advances in Green Energy (ICAGE), Thiruvananthapuram, India, 17–18 December 2014; pp. 100–105. [Google Scholar] [CrossRef]
- Gandhi, O.; Kumar, D.S.; Rodriguez-Gallegos, C.D.; Srinivasan, D. Review of power system impacts at high PV penetration Part I: Factors limiting PV penetration. Solar Energy 2020, 210, 181–201. [Google Scholar] [CrossRef]
- Karimi, M.; Mokhlis, H.; Naidu, K.; Uddin, S.; Bakar, A.H.A. Photovoltaic penetration issues and impacts in distribution network—A review. Renew. Sustain. Energy Rev. 2016, 53, 594–605. [Google Scholar] [CrossRef]
- Fernández, G.; Galan, N.; Marquina, D.; Martínez, D.; Sanchez, A.; López, P.; Bludszuweit, H.; Rueda, J. Photovoltaic Generation Impact Analysis in Low Voltage Distribution Grids. Energies 2020, 13, 4347. [Google Scholar] [CrossRef]
- Conti, S.; Raiti, S.; Tina, G.; Vagliasindi, U. Study of the impact of PV generation on voltage profile in LV distribution networks. In Proceedings of the 2001 IEEE Porto Power Tech Proceedings (Cat. No. 01EX502), Porto, Portugal, 10–13 September 2001; Volume 4, pp. 2309–2314. [Google Scholar] [CrossRef]
- Tonkoski, R.; Turcotte, D.; El-Fouly, T.H.M. Impact of High PV Penetration on Voltage Profiles in Residential Neighborhoods. IEEE Trans. Sustain. Energy 2012, 3, 518–527. [Google Scholar] [CrossRef]
- Ali, S.; Pearsall, N.; Putrus, G. Impact of high penetration level of grid-connected photovoltaic systems on the UK low voltage distribution network. In Proceedings of the International Conference on Renewable Energies and Power Quality, Santiago de Compostela, Spain, 28–30 March 2012; pp. 519–522. [Google Scholar]
- Gabdullin, Y.; Azzopardi, B. Impacts of Photovoltaics in Low-Voltage Distribution Networks: A Case Study in Malta. Energies 2022, 15, 6731. [Google Scholar] [CrossRef]
- Mrehel, O.; Issa, A.A. Voltage imbalance investigation in residential LV distribution networks with rooftop PV system. In Proceedings of the 2022 IEEE 2nd International Maghreb Meeting of the Conference on Sciences and Techniques of Automatic Control and Computer Engineering (MI-STA), Sabratha City, Libya, 23–25 May 2022; pp. 655–662. [Google Scholar] [CrossRef]
- Antić, T.; Capuder, T.; Bolfek, M. A Comprehensive Analysis of the Voltage Unbalance Factor in PV and EV Rich Non-Synthetic Low Voltage Distribution Networks. Energies 2021, 14, 117. [Google Scholar] [CrossRef]
- Navarro, A.; Ochoa, L.F.; Randles, D. Monte Carlo-based assessment of PV impacts on real UK low voltage networks. In Proceedings of the 2013 IEEE Power & Energy Society General Meeting, Vancouver, British Columbia, Canada, 21–25 July 2013; pp. 1–5. [Google Scholar] [CrossRef]
- Pilo, F.; Pisano, G.; Ruggeri, S.; Soma, G.G.; Falabretti, D.; Grillo, S.; Gulotta, F. Impact of Electrical Vehicle Residential Charging Stations on the Quality of the Low Voltage Network Supply. In Proceedings of the 2022 20th International Conference on Harmonics & Quality of Power (ICHQP), Naples, Italy, 29 May–1 June 2022; pp. 1–6. [Google Scholar] [CrossRef]
- Helm, S.; Hauer, I.; Wolter, M.; Wenge, C.; Balischewski, S.; Komarnicki, P. Impact of unbalanced electric vehicle charging on low-voltage grids. In Proceedings of the 2020 IEEE PES Innovative Smart Grid Technologies Europe (ISGT-Europe), The Hague, The Netherlands, 26–28 October 2020; pp. 665–669. [Google Scholar] [CrossRef]
- Akmal, M.; Fox, B.; Morrow, D.J.; Littler, T. Impact of high penetration of heat pumps on low voltage distribution networks. In Proceedings of the 2011 IEEE Trondheim PowerTech, Trondheim, Norway, 19–23 June 2011; pp. 1–7. [Google Scholar] [CrossRef]
- Protopapadaki, C.; Saelens, D. Heat pump and PV impact on residential low-voltage distribution grids as a function of building and district properties. Appl. Energy 2017, 192, 268–281. [Google Scholar] [CrossRef]
- Danbumrungtrakul, M.; Sriwisutthichai, T.; Srithorn, P. Effect of PV-inverter’s Reactive Power Injection and Location on Low-Voltage Distribution Power Systems. In Proceedings of the 2022 International Electrical Engineering Congress (iEECON), Khon Kaen, Thailand, 9–11 March 2022; pp. 1–4. [Google Scholar] [CrossRef]
- Kryonidis, G.C.; Malamaki, K.-N.D.; Gkavanoudis, S.I.; Oureilidis, K.O.; Kontis, E.O.; Mauricio, J.M.; Maza-Ortega, J.M.; Demoulias, C.S. Distributed Reactive Power Control Scheme for the Voltage Regulation of Unbalanced LV Grids. IEEE Trans. Sustain. Energy 2021, 12, 1301–1310. [Google Scholar] [CrossRef]
- Rostami, S.M.; Hamzeh, M. Reactive Power Management of PV Systems by Distributed Cooperative Control in Low Voltage Distribution Networks. In Proceedings of the 2021 29th Iranian Conference on Electrical Engineering (ICEE), Tehran, Iran, 18–20 May 2021; pp. 412–417. [Google Scholar] [CrossRef]
- Jurák, V.; Bukvišová, Z.; Ptáček, M.; Topolánek, D.; Orságová, J. Compensation of reactive power in LV network and its impact on reactive power flow through distribution grid. In Proceedings of the 2020 21st International Scientific Conference on Electric Power Engineering (EPE), Prague, Czech Republic, 19–21 October 2020; pp. 1–5. [Google Scholar] [CrossRef]
- Riva Sanseverino, E.; Tran, Q.T.T.; Di Silvestre, M.L.; Doan, B.V.; Nguyen, N.Q. Voltage Profile Improvement for Soc Son’s Low-Voltage Grid with High Penetration of PV Systems by Optimizing the Location of SVC Devices. In Proceedings of the 2018 IEEE International Conference on Environment and Electrical Engineering and 2018 IEEE Industrial and Commercial Power Systems Europe (EEEIC/I&CPS Europe), Palermo, Italy, 12–15 June 2018; pp. 1–5. [Google Scholar] [CrossRef]
- Mollik, M.S.; Hannan, M.A.; Reza, M.S.; Abd Rahman, M.S.; Lipu, M.S.H.; Ker, P.J.; Mansor, M.; Muttaqi, K.M. The Advancement of Solid-State Transformer Technology and Its Operation and Control with Power Grids: A Review. Electronics 2022, 11, 2648. [Google Scholar] [CrossRef]
- Smith, K.; Wang, D.; Peña-Alzola, R.; Burt, G.M.; Kazerooni, A.; Eves, M. Approach to assessing the effective integration of solid-state transformers in LV networks. In Proceedings of the CIRED 2020 Berlin Workshop (CIRED 2020), Online Conference, 22–23 September 2020; pp. 182–185. [Google Scholar] [CrossRef]
- Małkowski, R.; Izdebski, M.; Miller, P. Adaptive Algorithm of a Tap-Changer Controller of the Power Transformer Supplying the Radial Network Reducing the Risk of Voltage Collapse. Energies 2020, 13, 5403. [Google Scholar] [CrossRef]
- Jędrychowski, R.; Sereja, K.; Adamek, S.; Pijarski, P.; Wancerz, M. Evaluation of the Impact of the Rate of Change of Electrical Parameters in the LV Network on the Operation of the Distributed Network Control System. In Proceedings of the 2018 Progress in Applied Electrical Engineering (PAEE), Kościelisko, Poland, 18–22 June 2018; pp. 1–6. [Google Scholar] [CrossRef]
- Krzemiński, Z. Voltage regulation in LV network with distributed energy sources. Przegląd Elektrotechniczny 2020, 5, 35–38. [Google Scholar] [CrossRef]
- Wang, H.; Wang, J.; Piao, Z.; Meng, X.; Sun, C.; Yuan, G.; Zhu, S. The Optimal Allocation and Operation of an Energy Storage System with High Penetration Grid-Connected Photovoltaic Systems. Sustainability 2020, 12, 6154. [Google Scholar] [CrossRef]
- Mroczek, B.; Pijarski, P. Machine Learning in Operating of Low Voltage Future Grid. Energies 2022, 15, 5388. [Google Scholar] [CrossRef]
- Radosavljević, J. Voltage regulation in LV distribution networks with PV generation and battery storage. J. Electr. Eng. 2021, 72, 356–365. [Google Scholar] [CrossRef]
- Cieślik, S. Mathematical Modeling of the Dynamics of Linear Electrical Systems with Parallel Calculations. Energies 2021, 14, 2930. [Google Scholar] [CrossRef]
- Kłosowski, Z.; Cieślik, S. Real-Time Simulation of Power Conversion in Doubly Fed Induction Machine. Energies 2020, 13, 673. [Google Scholar] [CrossRef]
- Kłosowski, Z.; Cieślik, S. The Use of a Real-Time Simulator for Analysis of Power Grid Operation States with a Wind Turbine. Energies 2021, 14, 2327. [Google Scholar] [CrossRef]
- Kłosowski, Z.; Fajfer, M.; Ludwikowski, Z. Reduction of the Electromagnetic Torque Oscillation during the Direct on Line (DOL) Starting of a 6 kV Motor by Means of a Controlled Vacuum Circuit-Breaker. Energies 2022, 15, 4246. [Google Scholar] [CrossRef]
- Kutsyk, A.; Korkosz, M.; Semeniuk, M.; Bogusz, P.; Lozynskyy, A.; Kozyra, J.; Łukasik, Z. Electromagnetic and Electromechanical Compatibility Improvement of a Multi-Winding Switch Control-Based Induction Motor—Theoretical Description and Mathematical Modeling. Energies 2022, 15, 8038. [Google Scholar] [CrossRef]
- Lozynskyy, A.; Kozyra, J.; Łukasik, Z.; Kuśmińska-Fijałkowska, A.; Kutsyk, A.; Paranchuk, Y.; Kasha, L. A Mathematical Model of Electrical Arc Furnaces for Analysis of Electrical Mode Parameters and Synthesis of Controlling Influences. Energies 2022, 15, 1623. [Google Scholar] [CrossRef]
- Cieślik, S. Mathematical Modeling and Simulation of Electric Power Systems with Induction Generators; Wydawnictwo Uczelniane Uniwersytetu Technologiczno-Przyrodniczego w Bydgoszczy: Bydgoszcz, Poland, 2008. (In Polish) [Google Scholar]
Disclaimer/Publisher’s Note: The statements, opinions and data contained in all publications are solely those of the individual author(s) and contributor(s) and not of MDPI and/or the editor(s). MDPI and/or the editor(s) disclaim responsibility for any injury to people or property resulting from any ideas, methods, instructions or products referred to in the content. |
© 2023 by the authors. Licensee MDPI, Basel, Switzerland. This article is an open access article distributed under the terms and conditions of the Creative Commons Attribution (CC BY) license (https://creativecommons.org/licenses/by/4.0/).