Analysis of the Influence of Load on the Value of Zero-Voltage Asymmetry in Medium-Voltage Networks Operating with Renewable Energy Sources
Abstract
1. Introduction
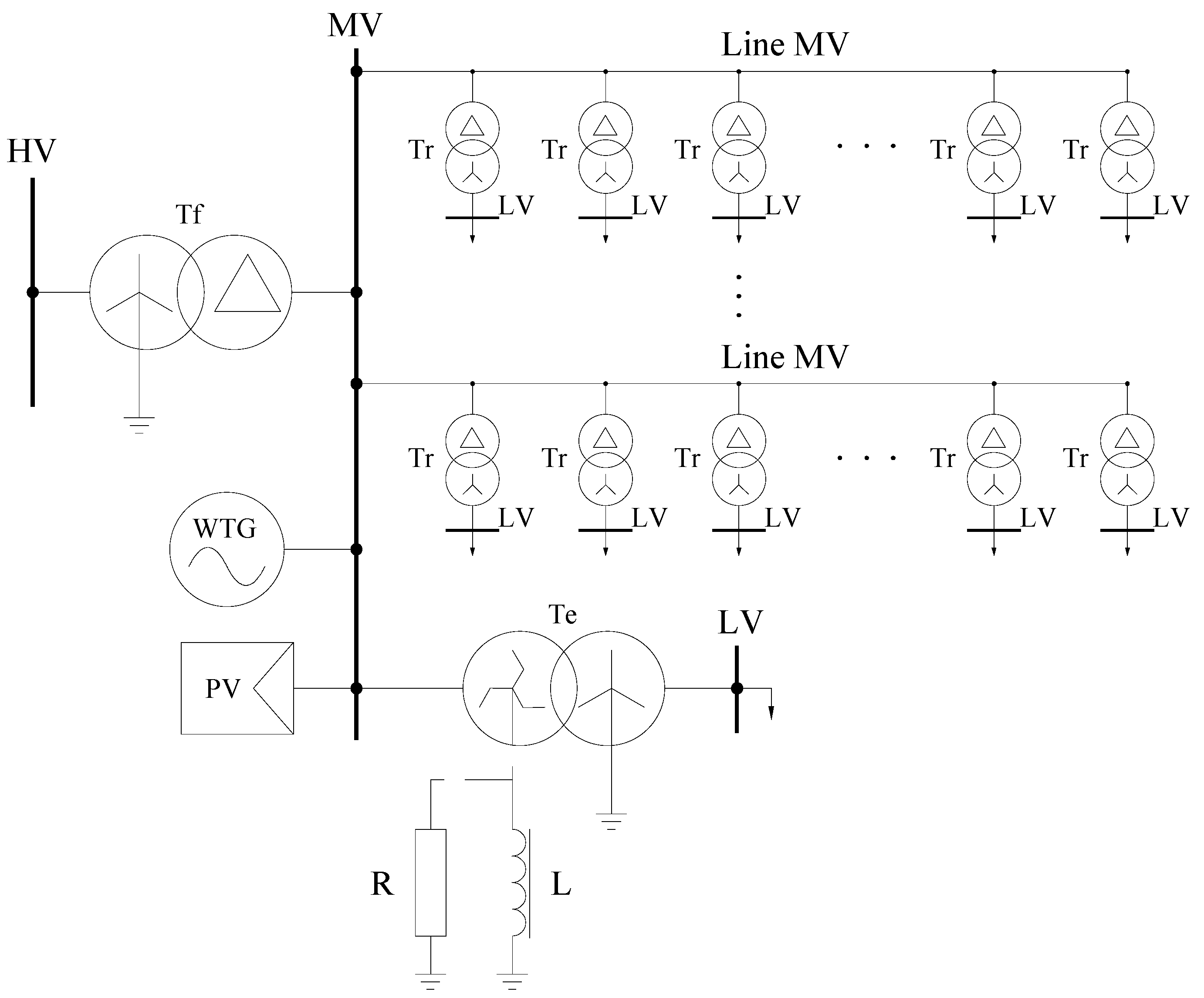
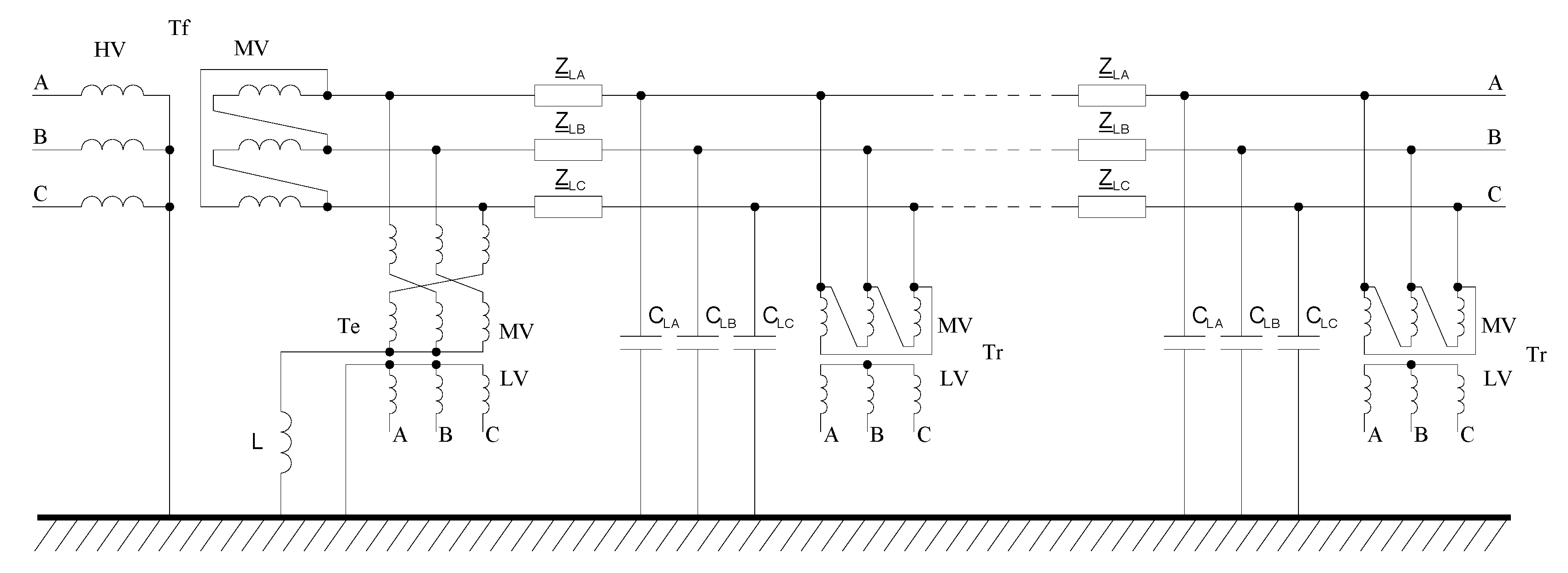
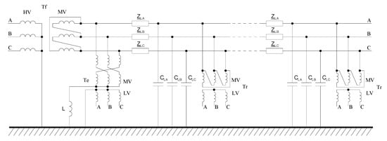
2. Materials and Methods
- ZLA = 0.4881 + j0.7674 Ω/km
- ZLB = 0.4881 + j0.7692 Ω/km
- ZLC = 0.4881+ j0.7674 Ω/km
- CLA = 0.0093 μF/km
- CLB = 0.0103 μF/km
- CLC = 0.0093 μF/km
- -
- Rated voltage of MV switchgear: 15 kV,
- -
- Number of HV/MV transformers: 2,
- -
- Power of HV/MV transformers: 10 MVA,
- -
- Method of grounding the neutral point: through a choke,
- -
- Number of MV lines fed from the substation: 10,
- -
- Number of MV/LV substations fed from the substation: 310,
- -
- Total length of MV lines fed from substations: 406 km,
- -
- Total power of connected photovoltaic power plants: 4.5 MW,
- -
- Total power of connected wind power plants: 6 MW.
3. Results and Discussion
4. Conclusions
Author Contributions
Funding
Data Availability Statement
Conflicts of Interest
References
- Kochura, D.; Tsivilyov, I.; Sarin, L. Influence of neutral grounding method on voltage unbalance in 10 kV network with cable lines and overhead lines. In Proceedings of the 2014 Electric Power Quality and Supply Reliability Conference (PQ), Rakvere, Estonia, 11–13 June 2014; pp. 359–362. [Google Scholar] [CrossRef]
- Mizia, W. Transformers; Wydawnictwo Politechniki Śląskiej: Gliwice, Poland, 1996. (In Polish) [Google Scholar]
- Robak, S.; Pawlicki, A.; Pawlicki, B. The analysis of the voltage and current asymmetry in the power transmission lines. Electrotech. Rev. (In Polish). 2014, 7, 23–31. [Google Scholar]
- Lorenc, J. Admitant Earth Fault Protection; Wydawnictwo Politechniki Poznańskiej: Poznań, Poland, 2007. (In Polish) [Google Scholar]
- Winkler, W.; Wiszniewski, A. Protection Automation in Electric Power Systems; WNT: Warszawa, Poland, 2004. (In Polish) [Google Scholar]
- Kujszczyk, S.; Brociek, S.; Flisowski, Z.; Gryko, J.; Nazarko, J.; Zdun, Z. Electric Power Transmission Systems; (In Polish). WNT: Warsaw, Poland, 1997. [Google Scholar]
- Lorenc, J.; Staszak, B. Modelling of phenomena leading to asymmetry of the phase voltages in mv networks. Electrical Engineering. Pozn. Univ. Technol. Acad. J. 2016, 86, 117–127. [Google Scholar]
- Toman, P.; Drapela, J.; Orsagova, J. Solution of voltage asymmetry and reduction of outage time in MV compensated networks. In Proceedings of the 2008 13th International Conference on Harmonics and Quality of Power, Wollongong, Australia, 28 September 2008; pp. 1–7. [Google Scholar] [CrossRef]
- Musierowicz, K.; Lorenc JMarcinkowski ZKwapisz, A. A fuzzy logic- based algorithm for discrimination of damaged line during intermittent earth faults. In Proceedings of the 2005 IEEE Russ Power Tech, St. Petersburg, Russia, 27–30 June 2005; pp. 1–5. [Google Scholar] [CrossRef]
- Lorenc, J.; Musierowicz, K.; Kwapisz, A. Detection of the intermittent earth faults in compensated MV network. In Proceedings of the 2003 IEEE Bologna Power Tech Conference Proceedings, Bologna, Italy, 23–26 June 2003; Volume 2, p. 6. [Google Scholar] [CrossRef]
- Lowczowski, K.; Lorenc, J.; Andruszkiewicz, J.; Nadolny, Z.; Zawodniak, J. Novel Earth Fault Protection Algorithm Based on MV Cable Screen Zero Sequence Current Filter. Energies 2019, 12, 3190. [Google Scholar] [CrossRef]
- Qian, G.; Wang, Q.; He, S.; Dai, W.; Wei, N.; Zhou, N. Harmonic Modeling and Analysis for Parallel 12-Pulse Rectifier under Unbalanced Voltage Condition in Frequency-Domain. Energies 2022, 15, 359–362. [Google Scholar] [CrossRef]
- Kassas, M. Analysis of 12-pulse rectifier operation under balanced and unbalanced voltage source with input impedance. In Proceedings of the 2011 IEEE International Conference on Industrial Technology, Chengdu, China, 10–12 June 2011; pp. 115–120. [Google Scholar] [CrossRef]
- Sikora, A.; Kulesz, B.; Zielonka, A. Application of swarm algorithm to solving voltage unbalance problem in DC tram traction supply system. In Proceedings of the 2018 Innovative Materials and Technologies in Electrical Engineering (i-MITEL), Sulecin, Poland, 18–20 April 2018; pp. 1–6. [Google Scholar] [CrossRef]
- Maswood, A.I.; Wei, S. Harmonic propagation in high power converter under unbalanced and distorted input voltages. In Proceedings of the 2003 IEEE Power Engineering Society General Meeting (IEEE Cat. No.03CH37491), Toronto, ON, Canada, 13–17 July 2003; Volume 3, pp. 1486–1491. [Google Scholar] [CrossRef]
- Maswood, A.I.; Wei, S. A twelve-pulse converter under unbalanced input voltages. In Proceedings of the 2005 International Power Engineering Conference, Singapore, 29 November–2 December 2005; Volume 2, pp. 809–814. [Google Scholar] [CrossRef]
- Toman, P.; Paar, M.; Orsagova, J. Possible Solutions to Problems of Voltage Asymmetry and Localization of Failures in MV Compensated Networks. In Proceedings of the 2007 IEEE Lausanne Power Tech, Lausanne, Switzerland, 1–5 July 2007; pp. 1758–1763. [Google Scholar] [CrossRef]
- Skibko, Z.; Hołdyński, G.; Borusiewicz, A. Impact of Wind Power Plant Operation on Voltage Quality Parameters—Example from Poland. Energies 2022, 15, 5573. [Google Scholar] [CrossRef]
- Hołdyński, G.; Skibko, Z. Influence of the method of operation of the neutral point on voltage asymmetry in MV power network. Electrotech. Rev. 2013, 9, 190–192. (In Polish) [Google Scholar]
- Moloi, K.; Hamam, Y.; Jordaan, J.A. Power Quality Assessment of A Wind Power-Integrated System into the Power Grid. In Proceedings of the 2020 5th International Conference on Renewable Energies for Developing Countries (REDEC), Marrakech, Morocco, 29–30 June 2020; pp. 1–6. [Google Scholar] [CrossRef]
- Muljadi, E.; Butterfield, C.P.; Chacon, J.; Romanowitz, H. Power quality aspects in a wind power plant. In Proceedings of the 2006 IEEE Power Engineering Society General Meeting, Montreal, QC, Canada, 18–22 June 2006; p. 8. [Google Scholar] [CrossRef]
- Shalukho, A.V.; Lipuzhin, I.A.; Voroshilov, A.A. Power Quality in Microgrids with Distributed Generation. In Proceedings of the 2019 International Ural Conference on Electrical Power Engineering (UralCon), Chelyabinsk, Russia, 1–3 October 2019; pp. 54–58. [Google Scholar] [CrossRef]
- Pawelek, R.; Wasiak, I.; Gburczyk, P.; Mienski, R. Impact of wind power plant on electrical power system—Comparison of calculation method and measurements. In Proceedings of the 11th International Conference on Electrical Power Quality and Utilisation, Lisbon, Portugal, 17–19 October 2011; pp. 1–5. [Google Scholar] [CrossRef]










Disclaimer/Publisher’s Note: The statements, opinions and data contained in all publications are solely those of the individual author(s) and contributor(s) and not of MDPI and/or the editor(s). MDPI and/or the editor(s) disclaim responsibility for any injury to people or property resulting from any ideas, methods, instructions or products referred to in the content. |
© 2023 by the authors. Licensee MDPI, Basel, Switzerland. This article is an open access article distributed under the terms and conditions of the Creative Commons Attribution (CC BY) license (https://creativecommons.org/licenses/by/4.0/).
Share and Cite
Hołdyński, G.; Skibko, Z.; Borusiewicz, A. Analysis of the Influence of Load on the Value of Zero-Voltage Asymmetry in Medium-Voltage Networks Operating with Renewable Energy Sources. Energies 2023, 16, 580. https://doi.org/10.3390/en16020580
Hołdyński G, Skibko Z, Borusiewicz A. Analysis of the Influence of Load on the Value of Zero-Voltage Asymmetry in Medium-Voltage Networks Operating with Renewable Energy Sources. Energies. 2023; 16(2):580. https://doi.org/10.3390/en16020580
Chicago/Turabian StyleHołdyński, Grzegorz, Zbigniew Skibko, and Andrzej Borusiewicz. 2023. "Analysis of the Influence of Load on the Value of Zero-Voltage Asymmetry in Medium-Voltage Networks Operating with Renewable Energy Sources" Energies 16, no. 2: 580. https://doi.org/10.3390/en16020580
APA StyleHołdyński, G., Skibko, Z., & Borusiewicz, A. (2023). Analysis of the Influence of Load on the Value of Zero-Voltage Asymmetry in Medium-Voltage Networks Operating with Renewable Energy Sources. Energies, 16(2), 580. https://doi.org/10.3390/en16020580

