Detection of Interturn Short-Circuit Faults in Dry-Type Voltage Transformers Using the Pulse Voltage Method
Abstract
:1. Introduction
2. Experiments and Calculations of the Characterization Parameters
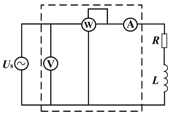
2.1. Basic Principles of the Characterization Parameter Test
2.2. Test Platform and Specimen
2.3. Relationship between Characterization Parameters and Coil Turn Ratio
2.4. Trends in the Frequency Variations of the Coil Characterization Parameters with and without a Fault
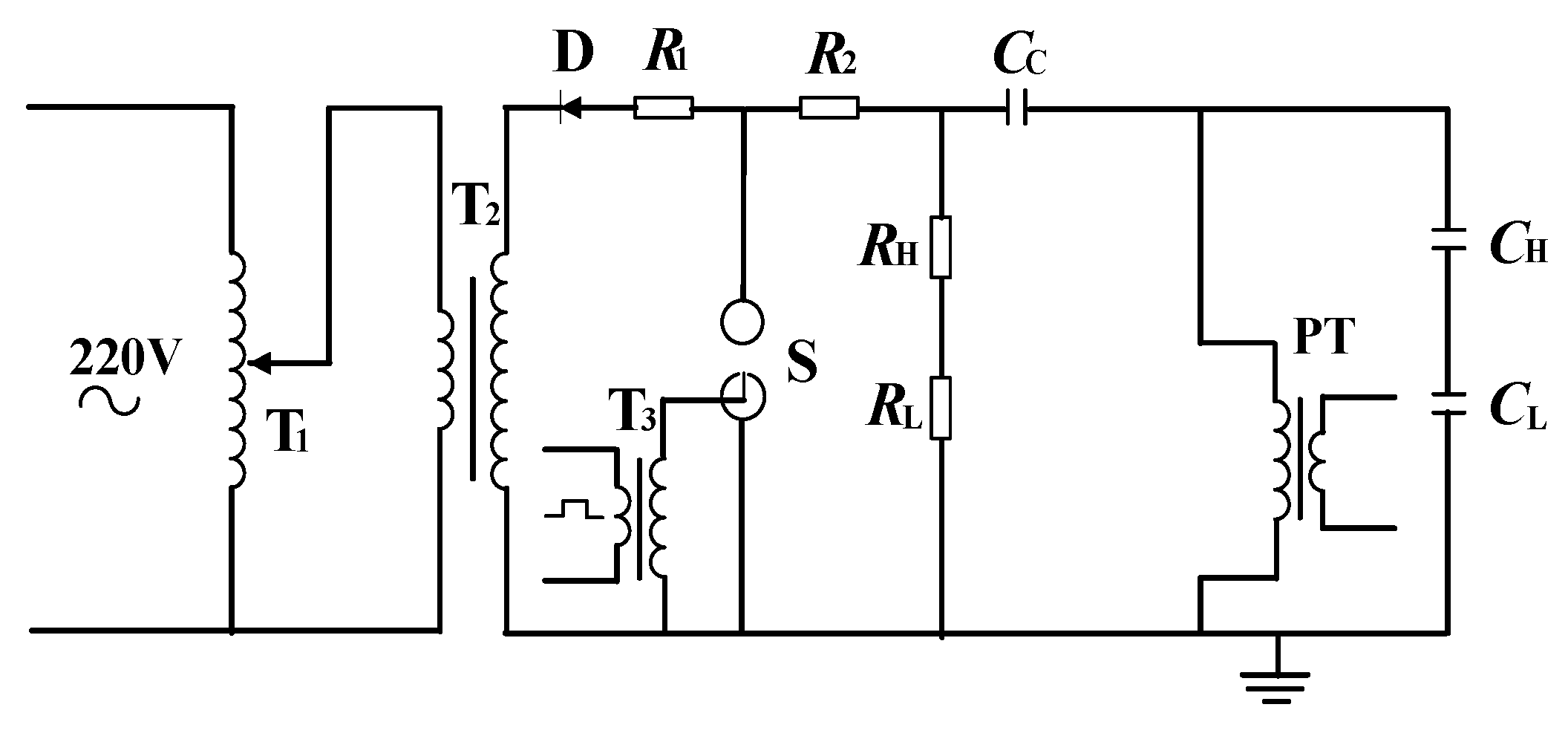
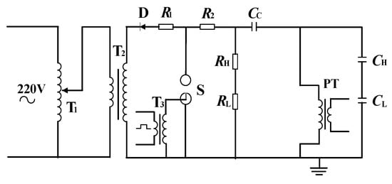
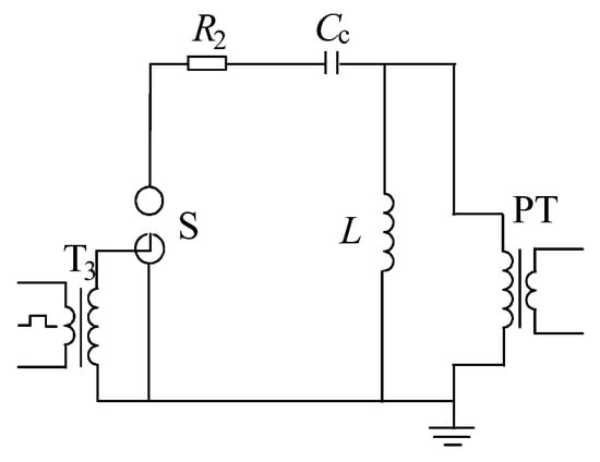
3. Design of the Pulse Voltage Test Circuit
3.1. Analysis of the Pulse Voltage Test Circuit
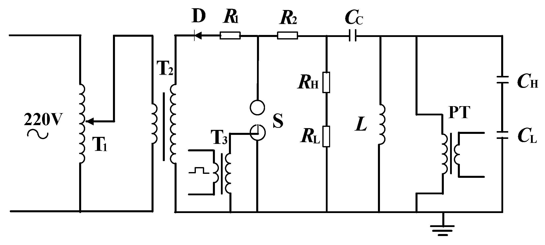
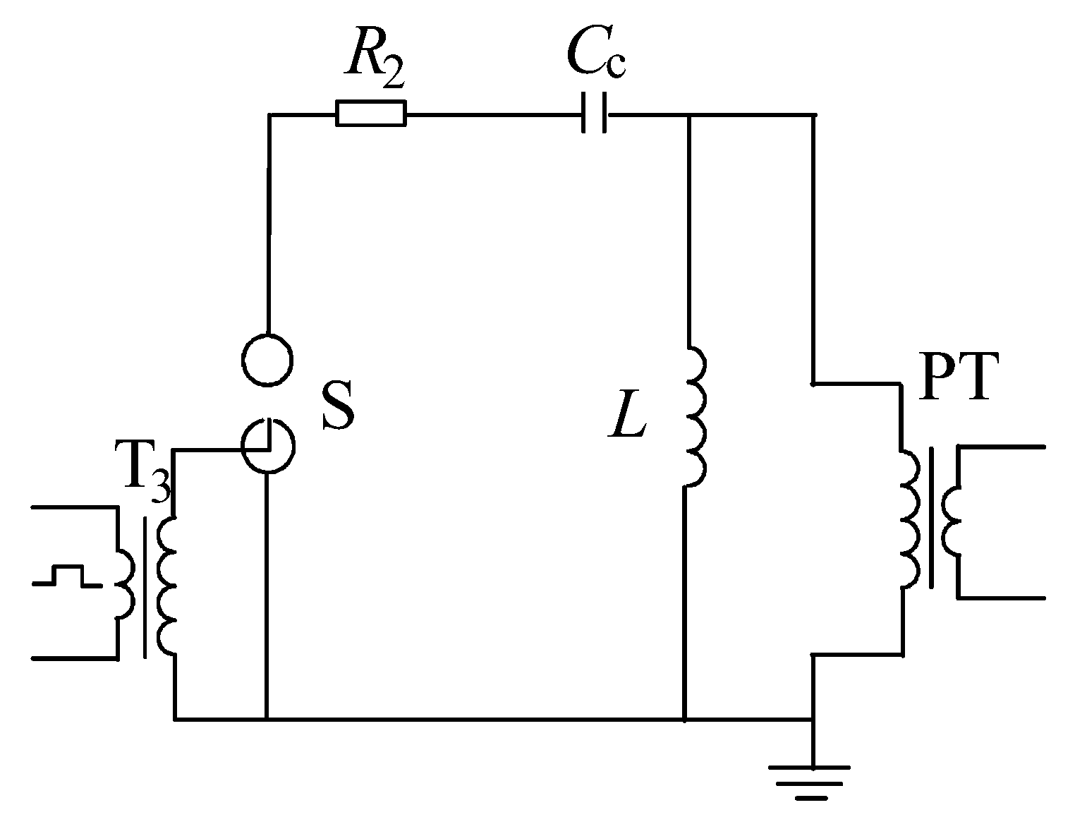
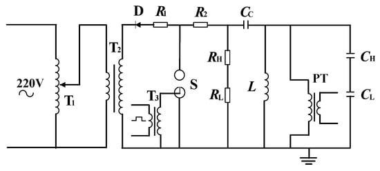
3.2. Improvement and Simulation of the Pulse Test Circuit
4. Pulse Voltage Test of Dry-Type Voltage Transformer
4.1. Impulse Voltage Test
4.2. Results and Analysis of the Experiment
4.2.1. Single-Turn Short Circuit
4.2.2. Multiturn Short Circuit
4.2.3. Analysis of the Experimental Results
5. Conclusions
- (1)
- The equivalent resistance and inductance of dry-type voltage transformers are significantly reduced after a turn-to-turn short circuit fault occurs in the high-voltage winding.
- (2)
- The pulse voltage method can be used in parallel with a small inductor to create a more uniform oscillating voltage waveform; otherwise, the high equivalent impedance of the high-voltage windings obstructs testing.
- (3)
- A turn-to-turn short-circuit fault in a dry-type voltage transformer’s high-voltage winding causes the oscillation frequency of the test voltage waveform to rise; the greater the number of turns in the circuit fault, the more significant the effect on the test waveform is.
Author Contributions
Funding
Data Availability Statement
Conflicts of Interest
References
- Zhang, H.; Shao, H.; Wang, J.; Wang, W.; Lin, F.; Sun, T.; Zhao, W.; Li, C.; Wu, Y. Voltage Ratio Traceability of 10 kV Low-Voltage Excited Two-Stage Voltage Transformer. IEEE Trans. Instrum. Meas. 2017, 66, 1405–1410. [Google Scholar] [CrossRef]
- Xiong, C.J.; Gao, C.Y.; Chen, J.; Ding, Y.; Chen, S.Y.; Zhang, G.W. Measuring Method and Error Compensation for Amplitude-Frequency Characteristics of Electromagnetic Voltage Transformer. Adv. Mater. Res. 2014, 933, 566–571. [Google Scholar] [CrossRef]
- Kaczmarek, M.; Nowicz, R. Application of instrument transformers in power quality assessment. In Proceedings of the 2010 Modern Electric Power Systems, Wroclaw, Poland, 20–22 September 2010; pp. 1–5. [Google Scholar]
- Lachugin, V.F.; Platonov, P.S.; Alekseev, V.G.; Vazyulin, M.V.; Mitrofanov, N.N.; Popov, S.G.; Arutyunov, S.A.; Klyushkin, N.G.; Shemetov, A.S. Traveling Wave-Based Fault Location System Connected to Busbar Voltage Transformers. Power Technol. Eng. 2021, 55, 282–290. [Google Scholar] [CrossRef]
- Mellik, T.A.; Dionise, T.J.; Yanniello, R. A Case Study of Voltage Transformer Failures: Solution Implementation in a Modern Data Center. IEEE Ind. Appl. Mag. 2017, 24, 98–109. [Google Scholar] [CrossRef]
- Trkulja, B.; Drandić, A.; Milardić, V.; Žiger, I. Evaluation of Methodology for Lightning Impulse Voltage Distribution over High-Voltage Windings of Inductive Voltage Transformers. Energies 2021, 14, 5144. [Google Scholar] [CrossRef]
- Trkulja, B.; Drandić, A.; Milardić, V.; Župan, T.; Žiger, I.; Filipović-Grčić, D. Lightning Impulse Voltage Distribution over Voltage Transformer Windings-Simulation and Measurement. Electr. Power Syst. Res. 2017, 147, 185–191. [Google Scholar] [CrossRef]
- Leelachariyakul, B.; Yutthagowith, P. Resonant Power Frequency Converter and Application in High-Voltage and Partial Discharge Test of a Voltage Transformer. Energies 2021, 14, 2014. [Google Scholar] [CrossRef]
- Zhou, F.; Jiang, C.; Lei, M.; Lin, F. Improved Stepup Method to Determine the Errors of Voltage Instrument Transformer with High Accuracy. IEEE Trans. Instrum. Meas. 2019, 69, 1308–1312. [Google Scholar] [CrossRef]
- Lei, T.; Faifer, M.; Ottoboni, R.; Toscani, S. On-Line Fault Detection Technique for Voltage Transformers. Measurement 2017, 108, 193–200. [Google Scholar] [CrossRef]
- Li, P.; Guo, P. Diagnosis of interturn faults of voltage transformer using excitation current and phase difference. Eng. Fail. Anal. 2022, 134, 59–79. [Google Scholar] [CrossRef]
- Gevorkyan, V.M.; Krayushkin, K.V. Algorithm for Monitoring the State of Insulation in Voltage Measurement Transformers in the Generator Voltage Circuit of Power Plants. Meas. Tech. 2017, 60, 267–273. [Google Scholar] [CrossRef]
- Ludwikowski, K.; Siodla, K.; Ziomek, W. Investigation of transformer model winding deformation using sweep frequency response analysis. IEEE Trans. Dielectr. Electr. Insul. 2012, 19, 1957–1961. [Google Scholar] [CrossRef]
- Gojiya, M.V.; Badgujar, K.P. Effect of Transformer Windings (Not under the Test) on the Frequency Response (FR) of the Winding under the Test. In Proceedings of the 2022 Fourth International Conference on Emerging Research in Electronics, Computer Science and Technology (ICERECT), Mandya, India, 26–27 December 2022; pp. 1–8. [Google Scholar]
- Sima, W.; Sun, P.; Yang, M.; Wu, J.; Hua, J. Impact of time parameters of lightning impulse on the breakdown characteristics of oil paper insulation. High Volt. 2016, 1, 18–24. [Google Scholar] [CrossRef]
- Sun, P.; Sima, W.; Jiang, X.; Zhang, D.; He, J.; Ye, L. Review of accumulative failure of winding insulation subjected to repetitive impulse voltages. High Volt. 2019, 4, 1–11. [Google Scholar] [CrossRef]
- Zhang, X.; Wang, H.; Guo, R.; Zhang, Z.; Li, J.; Han, X. Fault diagnosis technologies for power transformers during the on-site inductive oscillating switching impulse voltage withstand test. IET Gener. Transm. Distrib. 2022, 16, 3894–3905. [Google Scholar] [CrossRef]
- Ren, H.; Chen, J. Study on lightning impulse voltage distribution and Transfer Overvoltage of 500 kV transformer. J. Phys. Conf. Ser. 2022, 2260, 012013. [Google Scholar] [CrossRef]
- Hayakawa, N.; Inano, H.; Nakamura, Y.; Okubo, H. Time variation of partial discharge activity leading to breakdown of magnet wire under repetitive surge voltage application. IEEE Trans. Dielectr. Electr. Insul. Publ. IEEE Dielectr. Electr. Insul. Soc. 2008, 15, 1701–1706. [Google Scholar] [CrossRef]
- Kikuchi, H.; Hanawa, H. Inverter surge resistant enameled wire with nanocomposite insulating material. IEEE Trans. Dielectr. Electr. Insul. Publ. IEEE Dielectr. Electr. Insul. Soc. 2012, 19, 99–106. [Google Scholar] [CrossRef]
- Tan, S.; Bai, Y.; Wang, X.; Liu, P. The detection method of inter-turn short-circuit current of in-phase coil compensation axial permanent magnet synchronous fault-tolerant motor. In Proceedings of the 2022 Asian Conference on Frontiers of Power and Energy (ACFPE), Chengdu, China, 21–23 October 2022; pp. 41–46. [Google Scholar]
- Hoffmann, A.; Ponick, B. Method to Predict the Non-Uniform Potential Distribution in Random Electrical Machine Windings under Pulse Voltage Stress. Energies 2022, 15, 358. [Google Scholar] [CrossRef]
- Gao, Z.; Zhu, X.; Song, X.; Wang, Y.; Yu, Z. Characteristics of PD for reactor interturn insulation under pulse oscillating voltage. In Proceedings of the 2015 IEEE 11th International Conference on the Properties and Applications of Dielectric Materials (ICPADM), Sydney, Australia, 19–22 July 2015; pp. 728–731. [Google Scholar]
- Zhu, L.; Du, Y.; Gao, L.; Zhuang, Z.; Ji, S. Vibration Distribution Detection Method for Turn-to-Turn Short-Circuit Fault of Dry-Type Air-Core Filter Reactors. IEEE Trans. Power Del. 2022, 37, 4474–4476. [Google Scholar] [CrossRef]
- Risheng, Q.; Wenlin, W.; Bin, W. Research on the Modeling Method and Turn-to-Turn Short Circuit Monitoring Method for the Dry-Type Air-Core Reactor. In Proceedings of the 2018 2nd IEEE Conference on Energy Internet and Energy System Integration (EI2), Beijing, China, 20–22 October 2018; pp. 1–7. [Google Scholar]
- Basuray, A.; Chatterjee, S. Study of transformer and motor winding under pulsed power application. In Proceedings of the 2017 IEEE 21st International Conference on Pulsed Power (PPC), Brighton, UK, 18–22 June 2017; pp. 1–5. [Google Scholar]
- Behjat, V.; Vahedi, A.; Setayeshmehr, A.; Borsi, H.; Gockenbach, E. Diagnosing Shorted Turns on the Windings of Power Transformers Based Upon Online FRA Using Capacitive and Inductive Couplings. IEEE Trans. Power Del. 2011, 26, 2123–2133. [Google Scholar] [CrossRef]
- Mohseni, B.; Hashemnia, N.; Islam, S.; Zhao, Z. Application of online impulse technique to diagnose inter-turn short circuit in transformer windings. In Proceedings of the 2016 Australasian Universities Power Engineering Conference (AUPEC), Brisbane, Australia, 25–28 September 2016; pp. 1–4. [Google Scholar]
- Quan, Y.-S.; Ning, Z.-S.; Chen, S.-Y.; Li, W.; Xu, T.-Y. Study on the methodology of detection for transformer winding insulation defects based on applied voltage test. In Proceedings of the 2012 IEEE International Symposium on Electrical Insulation, San Juan, Puerto Rico, 10–13 June 2012; pp. 153–155. [Google Scholar]
- Zhang, X.; He, C.; Guo, R.; Wang, Q.; Yang, Y.; Pu, J.; Gao, C.; Li, J. Study on Partial Discharge Characteristics in Transformer based on Oscillating Lightning Impulse Voltage Waveforms. In Proceedings of the 2020 IEEE International Conference on High Voltage Engineering and Application (ICHVE), Beijing, China, 6–10 September 2020; pp. 1–4. [Google Scholar]
- Shanmugam, N.; Madanmohan, B.; Rajamani, R. Influence of the Load on the Impulse Frequency Response Approach Based Diagnosis of Transformer’s Inter-Turn Short-Circuit. IEEE Access 2020, 8, 39454–39463. [Google Scholar] [CrossRef]
- 60076-6; Power Transformers—Part 6: Reators. IEC: Geneva, Switzerland, 2007.
- 60044-2; Instrument Transformers—Part 2: Inductive Voltage Transformers. IEC: Geneva, Switzerland, 2003.














| Frequency/Hz | Voltage/V | Current/mA | Resistance/Ω | Inductance/mH | ||||
|---|---|---|---|---|---|---|---|---|
| 10 Turns | 40 Turns | 10 Turns | 40 Turns | 10 Turns | 40 Turns | 10 Turns | 40 Turns | |
| 500 | 2.5 | 9.9 | 167.1 | 42.1 | 11.6 | 183.6 | 30.00 | 479.0 |
| 1000 | 2.5 | 9.9 | 134.2 | 33.8 | 15.5 | 243.4 | 1.60 | 26.0 |
| 2000 | 2.5 | 9.9 | 111.9 | 28.2 | 19.3 | 303.3 | 0.88 | 14.0 |
| 5000 | 2.4 | 10.0 | 89.9 | 22.6 | 24.4 | 386.2 | 0.43 | 7.0 |
Disclaimer/Publisher’s Note: The statements, opinions and data contained in all publications are solely those of the individual author(s) and contributor(s) and not of MDPI and/or the editor(s). MDPI and/or the editor(s) disclaim responsibility for any injury to people or property resulting from any ideas, methods, instructions or products referred to in the content. |
© 2023 by the authors. Licensee MDPI, Basel, Switzerland. This article is an open access article distributed under the terms and conditions of the Creative Commons Attribution (CC BY) license (https://creativecommons.org/licenses/by/4.0/).
Share and Cite
Nie, H.; Wang, H.; Wang, W.; Yao, Y. Detection of Interturn Short-Circuit Faults in Dry-Type Voltage Transformers Using the Pulse Voltage Method. Energies 2023, 16, 6883. https://doi.org/10.3390/en16196883
Nie H, Wang H, Wang W, Yao Y. Detection of Interturn Short-Circuit Faults in Dry-Type Voltage Transformers Using the Pulse Voltage Method. Energies. 2023; 16(19):6883. https://doi.org/10.3390/en16196883
Chicago/Turabian StyleNie, Hongyan, Hongxin Wang, Wei Wang, and Yuanhang Yao. 2023. "Detection of Interturn Short-Circuit Faults in Dry-Type Voltage Transformers Using the Pulse Voltage Method" Energies 16, no. 19: 6883. https://doi.org/10.3390/en16196883
APA StyleNie, H., Wang, H., Wang, W., & Yao, Y. (2023). Detection of Interturn Short-Circuit Faults in Dry-Type Voltage Transformers Using the Pulse Voltage Method. Energies, 16(19), 6883. https://doi.org/10.3390/en16196883

