Next Article in Journal
High Static Gain DC–DC Double Boost Quadratic Converter
Previous Article in Journal
Importance of Microalgae and Municipal Waste in Bioenergy Products Hierarchy—Integration of Biorefineries for Microalgae and Municipal Waste Processing: A Review
 
 
Font Type:
Arial Georgia Verdana
Font Size:
Aa Aa Aa
Line Spacing:
Column Width:
Background:
Review

Enhanced Humidification–Dehumidification (HDH) Systems for Sustainable Water Desalination

1
Department of Chemical Engineering, School of Engineering, The University of Manchester, Oxford Road, Manchester M13 9PL, UK
2
Research Unit of Process Engineering, Department of Science & Technology for Sustainable Development & One Health, University Campus Bio-Medico di Roma, Via Alvaro del Portillo, 21, 00128 Rome, Italy
*
Author to whom correspondence should be addressed.
Energies 2023, 16(17), 6352; https://doi.org/10.3390/en16176352
Submission received: 13 August 2023 / Revised: 29 August 2023 / Accepted: 30 August 2023 / Published: 1 September 2023

Abstract

:
Water scarcity is a pressing global issue driving the need for efficient and sustainable water reuse and desalination technologies. In the last two decades, humidification–dehumidification (HDH) has emerged as a promising method for small-scale and decentralized systems. This paper presents a comprehensive review of recent scientific literature highlighting key advancements, challenges, and potential future directions of HDH research. Because the HDH process suffers from low heat and mass transfer, as well as thermodynamic limitations due to the mild operating conditions, this work indicates three main strategies for HDH enhancement: (1) Advanced Heat and Mass Transfer Techniques, (2) Integration with Other Technologies, and (3) Optimization of System Operative Conditions. Particularly for advanced HDH systems, the reference GOR values exceed 3, and certain studies have demonstrated the potential to achieve even higher values, approaching 10. In terms of recovery ratio, there appear to be no significant process constraints, as recycling the brine prepared in innovative schemes can surpass values of 50%. Considering electricity costs, the reference range falls between 1 and 3 kWh m–3. Notably, multi-stage processes and system couplings can lead to increased pressure drops and, consequently, higher electricity costs. Although consistent data are lacking, a baseline SEC reference value is approximately 360 kJ kg–1, corresponding to 100 kWh m–3. For comparable SEC data, it is advisable to incorporate both thermal and electric inputs, using a reference power plant efficiency of 0.4 in converting thermal duty to electrical power. When considering the utilization of low-temperature solar and waste heat, the proposed exergy-based comparison of the process is vital; this perspective reveals that a low-carbon HDH desalination domain, with II-law efficiencies surpassing 0.10, can be achieved.

1. Introduction

Recently, the Water Research Institute, by updating the Aqueduct Water Risk Atlas, has revealed that 25 nations, accommodating 25% of the world population, encounter exceptionally severe water stress annually, consistently depleting nearly all their accessible water resources [1]. Moreover, a minimum of 50% of the global population, approximately 4 billion individuals, reside in areas with intensely water-stressed circumstances for at least a single month per year [1]. The recently published 2023 Global Water Security Assessment reports that more than 5 billion people (amounting to around the 70% of the world population) face water insecurity, based on the UN definition of security as the capacity of a population to safeguard sustainable access to adequate quantities of acceptable quality water for any possible activity, from well-being and socio-economic development to preserving ecosystems [2]. This distressing situation encompasses the entire population of the African continent: notably, the report identifies 13 African countries as being in a state of severe water insecurity [2]. The cited reports also revitalize the discourse surrounding water security by clearly establishing connections between pivotal elements of the sixth Sustainable Development Goal (SDG) related to water and sanitation and various components of SDGs: 1 (no poverty), 3 (good health and well-being), 11 (sustainable cities and communities), and 13 (climate action) [1,2]. Water management will be crucial in determining whether the world achieves the SDGs and aspirations for reducing poverty and enhancing shared prosperity [2,3].
The need to develop sustainable desalination and water reuse processes is becoming increasingly urgent because of water scarcity and the energy crisis, which represent two of the main aspects of the overall climate crisis [2,3]. Currently, only a small percentage of total water production is linked to renewable and low-grade energy; the most used methods are based on reverse osmosis desalination connected to the electricity grid and, hence, responsible on average for 3–5 kgCO2 m−3 of water produced [3]. The development of renewable and low-grade energy desalination is a key pathway to building a sustainable water management system [4]. The availability of solar energy or waste heat sources is a marginally explored sector for water desalination technologies [5,6,7]. For instance, in the year 2018, 2437.3 TWh of waste heat was available in the EU below 100 °C. As thermal yields for energy generation are extremely low at low temperatures, the production of low-carbon and net zero water could represent a valid alternative application [8].
Humidification–Dehumidification (HDH) desalination is a suitable technology for exploiting solar energy and waste heat by virtue of several features. First, it is an improved version of solar stills for small-scale and decentralized water production facilities that are not connected to the electricity grid or water distribution network. Solar stills have not been used for long time because, even under optimal operating conditions, their productivity is in the order of only a few liters per square meter per day of product water [9,10]. In HDH systems, air is humidified using a warm saline water source (e.g., seawater or brackish water) and then, the moist air, acting as a water carrier, is cooled and dehumidified by a cold saline water source. The latent heat of vaporization is exchanged between the humidifier and dehumidifier to minimize the external heat input and, consequently, maximize the gain output ratio (GOR) [9,10,11,12].
As the process operates at atmospheric pressure and ambient temperature, it can be regarded as a low-tech imitation of the natural water cycle [10]. This leads to economic and compact installations with a small number of pieces of equipment, characterized by high flexibility in terms of distillate production, as well as remarkably low maintenance and ease of operation [10,11,12]. In addition, these systems can be powered by low-temperature energy sources, allowing the exploitation of low-grade waste heat where it is available, or renewable energy sources including solar and geothermal [5,13,14,15].
The low operating costs can be coupled with affordable investment costs by selecting cost-effective construction materials, whose only requirement is to resist the corrosion from seawater. Hence, non-conventional low-cost materials such as resins and polyester have found wide use in the equipment in direct contact with the brine [7,10,13,14,15]. The work of Essa et al. [15] carried out a thorough survey on the different types of packing materials with various designs and configurations, including cellulose and honey-comb sheets. There are two main configurations for the HDH process, namely the water-heated and the air-heated cycles. Both cycles have advantages and disadvantages, and these have been reviewed in somewhat more comprehensive studies in the literature [10,12,15]. A further classification has been carried out on the basis of the water and air cycles, which can be closed or open cycles depending on the make-up and rejection of water and air. These conventional classifications are available in the cited literature [9,10,11].
HDH processes usually operate at atmospheric pressure, with the humidifier and dehumidifier being a packed bed and a finned-tube heat exchanger, respectively. These set-ups have been extensively investigated [10,14,15]. All these peculiar elements and all the innovative configurations that will be discussed in this review make it possible to configure HDH to be a potentially sustainable technology, at low cost and with a low carbon footprint [9,10,11,14,15,16]. Another relevant improvement (on which a lot of research is focused) concerns multi-staging, which has been widely covered both theoretically and experimentally. The concept of balanced multi-stage HDH systems was first introduced by Müller-Holst [9] for a water-heated HDH cycle, where air is naturally circulated between the humidifier and dehumidifier. Lienhard’s research group at MIT published pioneering works on the thermodynamic analysis of balanced, multi-stage HDH focusing on the minimization of entropy generation and the maximization of GOR [11,14,17,18,19,20]. The introduction of air extractions and injections makes the HDH operation curve follow the temperature derivative of the air enthalpy at saturation in the enthalpy–temperature plane, and results in a positive effect on the system performance. On the other hand, increasing the number of stages reduces the enthalpy pinch and leads to a consistent increase in the related heat and mass transfer area.
The thermodynamic limit of the process is given by the mild operating conditions, in particular, by the low top brine temperature (TBT) that has a strong influence on the GOR. As already mentioned, the main drawbacks of conventional HDH systems are the very low heat and mass transfer, resulting in large areas and high capital costs. For instance, finned-tube heat exchanger dehumidifiers are characterized by low condensation heat transfer coefficients due to the large amount of non-condensable gases. With the purpose of reducing both the energy footprint of HDH systems and the cost of product water, some improvements to the conventional process have been proposed.
Giwa et al. [21] reviewed improved HDH designs to increase the system productivity, including thermodynamic balancing, pressure variation, and several innovations to reduce the equipment size. The innovations discussed in this work covered both theoretical and experimental configurations at different stages of TRL. However, some of them were at an early stage of development, and the work did not discuss sustainability aspects in detail. More recently, Rahimi-Ahar et al. [12] reported the comparison of different HDH processes in terms of energy and exergy efficiency. They also described some design improvements, with particular reference to the dehumidification apparatus, as well as possible ways to couple HDH with solar, geothermal, and waste heat energy sources. Despite the significant amount of data reported, these works did not systematically deal with the HDH system enhancements, especially in relation to integrated configurations. It should be noted that, while the overall performance of integrated systems can be improved by cogeneration (heat, power, cooling, etc.), the performance of standalone HDH systems is independent of the process with which they are coupled. Therefore, since the HDH–energy nexus is highly optimized, it is more logical to focus only on process improvements. In addition, the previously cited review works neglected some recent advances, such as the integration of water vapor adsorption into the cycle, as introduced by our research group [22,23].
With these premises, the current review paper will deal with enhanced, non-hybrid HDH system configurations, aiming to highlight possible pathways for process optimization within the paradigm of sustainable low-carbon water desalination. For HDH coupling with heat pumps, cooling systems, and renewable energy harvesting, the reader should refer to specified works and review papers [24,25,26,27]. In this work, we propose the following classification for the main modifications and improvements in HDH desalination in order to achieve higher system performances:
  • Advanced Heat and Mass Transfer Techniques: Researchers have explored various methods to enhance heat and mass transfer rates within HDH systems. These include the use of surface modifications, novel geometries, and advanced heat exchangers to improve the heat and mass transfer efficiency, thereby increasing the system performance and/or reducing the costs.
  • Integration with Other Technologies: Integrated systems that combine HDH with other separation technologies, such as adsorption and membranes, can also improve the system performance. They include desalination membranes with enhanced selectivity, adsorbents with high water vapor uptake capabilities, and hygroscopic sorbents with improved water vapor desorption properties.
  • Optimization of System Operative Conditions: This section is dedicated to the modification of conventional process conditions, such as variable pressure-based HDH systems that have been proposed, as they allow higher energy efficiencies, higher water product rates, and lower equipment costs.
To the best of our knowledge, there is no systematic review on process improvements of HDH systems based on the above classification. Moreover, this work will provide novel insight into coupling HDH with other desalination processes. The following section of the review paper will introduce important notions by which to quantify the energy efficiency as well as the performance of HDH systems. This section aims to provide insight into both the comparative analysis of processes and the underlying theoretical groundwork for researchers exploring innovation within the sector. By incorporating concise thermodynamic insights, it becomes feasible to pinpoint the theoretical boundaries of the process and grasp avenues for enhancements, all directed towards achieving a sustainable process, particularly from an energy perspective. The subsequent three sections directly address the proposed classification aspects, while the conclusions will summarize the key findings and propose future research pathways.

2. Fundamentals of HDH System Enhancements

The key performance parameters by which to analyze a thermal separation process that are commonly adopted in the literature are defined below [4,10,14,15,16,17,18]. Commonly, the efficiency of HDH systems is evaluated determining the GOR and the performance ratio (PR) as defined by Equations (1) and (2), respectively. The PR is used when both thermal power and electrical power are inputted into the system. Δ h r e f is the water latent heat of vaporization, assumed to be equal to 2400 kJ kg−1. Often, and not quite rigorously, the denominator of PR presents the sum of different forms of energy. The recovery ratio (RR) and the specific energy consumption (SEC) are given by Equations (3) and (4), respectively. Win and Qin are the mechanical energy input and the thermal energy input of the separation process, respectively. If the distillate is indicated as a flow rate, the energy inputs must be reported as powers; therefore, the time derivative is indicated in the formulae. In Equation (4), the mechanical work is highlighted with an asterisk to indicate the equivalent work that takes into account the electrical power input plus the thermal power input converted into electricity by assuming a reference efficiency (as will be suggested by some of the works analyzed in this review).
GOR = D t o t Δ h r e f Q i n ˙
PR = D t o t Δ h r e f Q i n ˙ + W i n ˙
RR = D t o t F
SEC = W i n * ˙ D t o t
On the other hand, to use a universal and rigorous approach from a thermodynamic point of view, many works in the literature adopt the “exergy” (or II law) efficiency, defined as the ratio between the least work of separation (minimum reversible work) and the actual work required [28,29,30]. Figure 1 depicts the conversion of heat into power through a Carnot Engine operating between the heat source at the hot temperature TH and the sink at the lowest temperature of the system (or the reference environment temperature) T0, as postulated by the MIT group [30]. The black box HDH receiving the separation work as mechanical (or electrical) energy and thermal energy that, according to the methodology proposed by Narayan et al. [30], can be converted into equivalent separation work through enthalpy and entropy, balances around the open system represented by the HDH separation block.
This equivalence between thermal and mechanical energy enables us to compare the minimum work to the actual work of separation, leading to the definition of the II law efficiency as reported in Equation (5). The numerator represents the useful product (minimum separation work of the saline stream into a distillate and a concentrate), while the denominator represents the equivalent work, which includes the transformation of thermal energy into energy of the first kind. However, our research group recently implemented a modified equation (Equations (5) and (6)), including an additional term related to the sensible heat efficiency: TH and TC are the temperatures of the hot source and the cold source, respectively, and η S H accounts for the exergy destruction in case of sensible heat sources [23,28].
η I I = W ˙ m i n W ˙ s e p η p p + Q ˙ s e p 1 T 0 T H η S H
η S H = T 0 T H / T 0 T c / T 0 + ln ( T C / T H T H T C )   ( 1 T 0 / T H
The schematic shown in Figure 1 shows how to transform the thermal energy with variable temperature into equivalent work through a Carnot Engine, including the exergy destruction caused by the increasing temperature difference between the giver and the receiver. The hot source at temperature TH exchanges sensible heat and can cool down to a given temperature difference (Δ) with respect to the minimum temperature of the system T0, i.e., the ambient temperature. The temperature of the hot source goes from TH to TC, which is higher than the minimum (ambient) temperature by a certain temperature Δ. Hence, the corrected efficiency for sensible heat reported in Equation (5) was derived by calculating the ratio between the energy availability of a stream at a variable temperature with respect to that of a stream at a constant temperature, as explained in our previous work [28] and extensively treated in Bejan’s textbook [31].
To individuate the reference values for low-carbon HDH desalination, we realized a sensitivity analysis by varying the main external variables. Figure 2 shows the results of the sensitivity analysis on the exergy efficiency η as a function of the GOR and the temperatures TC and TH. TC has been calculated in relation to the temperature difference Δ above the ambient temperature T0 set to 25 °C. The results are reported for three assigned GORs and as a function of TC. Since the processes are to be coupled with sensible waste heat at low temperatures, a range of TH from 65 to 90 °C was chosen. The results shown in the graphs correspond to the power quality of the systems. With the same GOR, the processes that use low-temperature sources, represented by streams that exchange sensible heat and which can cool down to temperatures close to ambient temperature, obtain higher exergy efficiencies.
The efficiency values are in line with the ranges identified by the MIT group and our previous works [5,22,23,28,29,30]. With the same GOR, the higher the second order efficiency the lower the temperature of the hot source. Moreover, the efficiency increases as the temperature to which the hot stream can be cooled decreases: a high cooling corresponds to a high exergy destruction and, therefore, to a low quality of the energy used.
Furthermore, it is possible to compare various desalination processes based on a survey carried out by Shazad et al. [32,33,34] in order to understand how the directions of HDH development can aim at more sustainable processes. In fact, Shazad et al. [32,33,34] have proposed a universal performance ratio based on the conversion of different forms of energy into work. They simulated a dual-purpose water–energy plant to extrapolate the correction factors to evaluate the work equivalent to a heat source at a certain temperature: basically, the work-value of a stream extracted from a turbine to export thermal energy is equal to the one that the stream would generate if free to expand at the lowest pressure in a Rankine cycle. Therefore, they reported the thermal and electrical expenditure of conventional large-scale desalination plants (reverse osmosis, multiflash, and multiple effect distillation) in the last 20 years [32,33,34]. Using their published data, we have applied the exergy efficiency proposed in Equation (5) extending the calculation to HDH processes, including those with high efficiencies obtained with sensible heat sources such as solar, geothermal, and waste thermal energy.
Figure 3 reports the exergy-efficiency performance for conventional processes (from [32]), as well as the results for high-efficiency HDH systems with a heat source of 75 °C at different GOR values. The zone of sustainability pointed out by Shazad et al. [34] is also highlighted in Figure 3 (red area). By assuming higher GORs (6–10) at low temperatures, it can be noted that enhanced HDH processes can compete with more established processes (green area). Although the performances of high-efficiency RO are higher, HDH technology has two clear advantages: operating at mild conditions can increase the RR up to high brine concentrations, and it can reduce carbon dioxide emissions thanks to the use of low-grade waste heat.

3. Advanced Heat and Mass Transfer Techniques

Since its first design in the early 1960s, several modifications of the conventional HDH process have been introduced to improve the heat and mass transport phenomena. In HDH systems the energy footprint (main voice of the operating costs) and the size of equipment (proportional to the investment costs) represent a clear trade-off: the lower the driving force and the entropy generation, the lower the energy consumption but the higher the heat and mass transfer areas, and thus the equipment costs. The conventional configuration includes a direct contact humidification in a packed bed and a dehumidification via the surface of a heat exchanger with seawater flowing inside finned tubes. In addition to the classic fouling problems (mitigated by low temperatures), these heat exchangers suffer from the prevailing presence of non-condensable gas compared to water vapor. This aspect makes the heat and mass transfer a limiting factor in the design of HDH systems. In the following sections, we report the main modifications and improvements designed for humidification (Section 3.1) and dehumidification (Section 3.2) apparatuses.

3.1. Humidifier

The humidifier typically comprises a packed bed structure. Water is introduced through spraying at the upper section of the packing, while air is introduced in countercurrent from the bottom section of the bed. The analysis of this constituent can be accomplished using conventional methodologies originally developed for cooling towers [11,35,36]. While various types of packing materials can be used, it is commonly an economical polymeric material with an ample open area to minimize air pressure drop while offering a mass-transfer surface area for conducive evaporation. A notable advantage of the packed bed humidifier lies in its immunity to surface scaling or fouling, which would otherwise hinder the heat and mass exchange at the air–water interface. Furthermore, owing to its operation at atmospheric pressure and moderate temperatures, it is feasible to employ cost-effective structural materials, eliminating the need for expensive, corrosion-resistant metals.
The abovementioned humidification columns have been widely investigated from the point of view of heat and mass transfer in process engineering, especially in relation to cooling towers operating at atmospheric pressure, where the packing heights are in the order of a few meters [35]. Along the axis of a packed bed, there two heat transfer mechanisms occurring simultaneously:
  • a latent heat transfer mechanism supported by the transfer of mass in a stagnant medium (the inert air taking up the water vapor)
  • a sensible heat transfer mechanism between the gas and liquid phases (the flow direction depends on the temperature of the two phases)
The energy balance around a control volume of section S and infinitesimal height dZ allows us to determine the packing height for the air–water system, as expressed by Equations (7) and (8):
z = G / S a k y H 0 H z d H H i H = H t O G N t O G
h G   k y c p s = L e 0.567
where the packing height Z can be calculated as the product of the height and the number of the gas-enthalpy transfer units H t O G and N t O G , respectively [35,36]. The driving force is the difference between the enthalpy of the gas at saturation Hs and that at the operating conditions in each point of the bed. ky is the mass transfer coefficient that is related to the Lewis number, and a is the specific surface area. Hence, the column height depends on the mass transfer coefficient as well as the enthalpy pinch between the saturation and the operating curve. Many works have analyzed the dichotomy between reduction in driving force (minimization of entropy generation) and increase in equipment size. The works by Lienhard’s group [11,29] presented a techno-economic analysis of HDH systems: the lower the terminal temperature difference (TTD) and the entropy generation, the higher the cooling-tower size factor, while, on the other hand, the lower the TTD, the lower the energy footprint of the process, as already discussed. However, despite an increase in investment costs, these devices are often built with multiple stages in order to reduce the driving force differences and the generation of entropy [17,29,37,38], regardless of the geometric configuration, the direction of the flows, and the contact surface. Figure 4a shows the conventional packed bed humidifier along with other possible alternatives, some of them originated from theoretical works and others devised and tested in experimental works. Figure 4b represents a bubble column with a submerged coil to control the temperature and to modulate the evaporation rate. Figure 4c shows a direct contact evaporator with water spray (spray pond) and cross-current air flow. Figure 4d shows a similar configuration with a contactor made of hollow fiber membranes, which are the object of novel studies, as discussed in the following. Figure 4e shows a direct contact chamber with air and water flowing in co-current. This configuration is usually adapted from HVAC equipment; in fact, for completeness, the vertical finned tubes to control the temperature have also been reported.
A first work coupling experiments and theory to evaluate the effect of process parameters on mass transfer is provided by Nawayseh et al. [39], who produced charts for estimating the mass transfer coefficients in humidifiers under both natural draft and forced air circulation. Zhao et al. [40] studied the performance of a four-stage cross-flow HDH system made of a polypropylene corrugated plate structured packing. They found an optimal air flowrate of around 300 m3 h−1 was able to maximize the water productivity (≈50 kg h−1 with GOR of 1.2 and TBT of 77 °C) and the minimize equipment cost. In fact, they claimed to achieve a remarkably high productivity (34.1 kg m−3 h−1) and an affordable water production cost (USD 3.86 ton−1).
As mentioned, the realization of extractions, and therefore of multistage apparatuses, can improve the thermodynamic performances while the geometry and the materials of the filling can influence pressure drops and productivity per unit of surface. Instead of using metallic materials, the conventional tower packing can be constructed using alternative materials such as honeycomb cellulose or ceramic. Plastic materials are a reliable and cost-effective option, as they possess a hydrophobic surface with low surface free energy, making them water-repellent, lightweight, and easy to clean. Additionally, their self-cleaning and antifouling properties contribute to smooth water flow with minimal resistance [41]. A significant challenge is preventing brine droplets from becoming trapped in the humidified air, thus potentially contaminating the distilled water. In addition, conventional packed bed humidifiers can encounter various issues, including channeling, foaming, flooding, and metal corrosion. To overcome these challenges, non-metallic polymer-based membrane contactors, such as polyvinylidene fluoride (PVDF), polytetrafluoroethylene (PTFE), and polypropylene (PP), have been introduced [41,42]. These innovative contactors facilitate indirect contact air humidification by effectively separating the liquid feed and air using a porous membrane. Among the designs, hollow fiber membrane contactors (HFMC) are particularly preferred because of their simple liquid-sealing capabilities [42]. A few studies have investigated the performances of cross-flow HFMC applied to HDH systems. Zeng et al. [43] designed an innovative “light and compact” humidifier with a low pressure drop consisting of a dense array of vertical strings along which thin films of the heated liquid feed are allowed to flow under gravity and come into contact with the counter-current gas stream. In their work, they demonstrated a four-fold increase in the evaporation rates at a very low pressure drop, around few Pa m–1. Another hollow fiber membrane-based humidifier in a membrane-based HDH has been tested by Li and Zhang [44], achieving a water productivity of 25.9 kg m−2 d−1 and an SEC of 19.2 kWh m−3. Their experimental apparatus, made of cylindrical fiber tubes, was used to validate their computational model to analyze forced convection heat and mass transfer operating under naturally occurring boundary conditions. Li et al. [42] presented a theoretical study on the performances of cross-flow HFMC, identifying three sets of operating conditions and performing sensitivity analyses on solution conditions (temperature, salinity, flowrate), air conditions (temperature, relative humidity, flowrate), and dimensionless parameters (number of heat transfer units, flowrate ratio of solution to air).
Tariq et al. [45] designed a novel air saturator to maximize the water evaporation rate at the exit of a “Maisotsenko Cycle” wet channel, which had a geometric configuration similar to the one reported in Figure 4e. They demonstrated a maximum recovery ratio of 0.6. The mathematical model was solved for the flat-plate solar collector, brackish water storage tank, air saturator, and dehumidifier, obtaining a water product cost of USD 30 m−3 and a 7% reduction of carbon emission as compared to a direct contact humidifier-based desalination plant.
Recent studies have also investigated the use of bubble columns as humidifiers. A coil is usually installed inside each bubble column to provide the heating or cooling load required during the experiments, as depicted in Figure 4b. El-Agouz and Abugderah presented an experimental investigation of a humidification process using air passing through brackish water. They have concluded the maximum vapor con at 75 °C for water and air [46,47]. Basically, these experimental plants are laboratory scale evaporators with low heated liquid heads and gas spargers for small air flows; the resulting water costs are still not competitive (in the range USD 40–80 m–3). As mentioned, the developed cooling tower configurations are still not outdated for large scales plants. A novel multi-stage bubble column humidifier has been assessed by Abdur-Rehman and Al-Sulaiman [48], who realized an optimal coupling of air and water stream temperatures and achieved a higher water vapor content compared to the previous studies. Nevertheless, these systems are more similar to water ponds than to humidification towers, and they allow less controllability for the benefit of great simplicity and economy.
To intensify the mass transfer in the humidifier, Shehata et al. [49] introduced ultrasonic modules to promote the formation and oscillation of small vapor bubbles that can be rapidly transferred to the gas phase. A research group of mechanical engineers from Egypt [50,51] explored a solar HDH system incorporating a high-speed centrifugal humidifier; the rotating sprayer was utilized to create numerous small water droplets, enhancing their contact with the hot air stream and accelerating the evaporation process. They discussed the effect of the operating parameters on the overall performance and found the maximum daily water production reached about 17 kg of freshwater at a slot bore of 0.001 m with a spraying speed of 1200 rpm.

3.2. Dehumidifier

As the carrier gas is usually a non-condensable gas present in very high concentrations (60–95 mol%), a large additional resistance to heat transfer is present in dehumidifier columns. The convective heat transfer rate, defined in Equations (9) and (10), is limited by low values of the heat transfer coefficient h0 (in the range of 18–30 W m−2 K−1) because of the non-negligible transfer of sensible heat via gas cooling [39,52]. On the other hand, the portion of heat transferred by vaporization is controlled by the mass transfer rate.
q h = h G T T w b
q λ = k Y λ Y s Y
In the traditional configuration, the condensation takes place on the metal surface of the tubes (often finned to obtain increased surfaces and higher exchange coefficients) in which cold water flows. This configuration is the most developed because it arises from the geometries of the shell and tube condensers and allows us to recover heat by passing the seawater to be fed through the tubes. In this case, the low overall heat transfer coefficient leads to high heat transfer area requirements: up to 30 m2 for a 1 m3 d–1 apparatus.
To reduce the aforementioned thermal resistance, direct condensation of the vapor–gas mixture (rather than on cold wetted surfaces) has been studied [52]. This can occur on wetted surfaces where the cold liquid is sprayed (Figure 5a) or by letting the humid air cross a cold liquid column (Figure 5b). Both configurations allow us to obtain more compact and economical geometries; the main disadvantage is the reduced heat recovery efficiencies from vapor condensation to preheat the seawater feed, as occurs in conventional tube exchanger configurations.
In the bubble column dehumidifier, moist air is sparged through a porous plate (or any other type of sparger) to form bubbles in the cold liquid column. Several factors affect the performance of direct contact condensers or bubble column dehumidifiers. These factors include the superficial velocity, the inlet mole fraction of vapor, the bubble diameter, the liquid column height, and the impact of bubbles on the coil. The main performance parameter of interest in the current investigation is the total heat flux exchanged between the coolant and the air-vapor mixture.
Tow and Lienhard [52,53,54] investigated multi-stage bubble columns with different sizes of cooling coils and shallow trays, finding that, with a large volumetric interfacial area, the gas-side resistance is sufficiently low that it can be neglected in modeling their system. The experimental results focused on heat flux and effectiveness, shedding light on key parameters influencing the dehumidifier performance. The same research group developed a predictive model (validated against experimental data) demonstrating that bubble columns have an order of magnitude higher heat rates than existing state-of-the-art dehumidifiers if designed for high superficial velocity, low bubble diameter, and maximum bubble on coil impact. On the other hand, to minimize pressure drop, the liquid height can be minimized because the height has a slight effect on the performances [55]. Sharqawy and Liu [56] developed a model for the super-atmospheric pressure in a bubble column dehumidifier. They observed that the effectiveness of the bubble column was dependent on the number of transfer units and the pressure, impacting heat and mass transfer coefficients. Higher pressures improved the heat transfer, while the effectiveness was reduced. However, this reduction in effectiveness could be compensated for by using a large dehumidifier diameter. Huang [57] proposed the implementation of a multi-stage bubble column dehumidifier to fully extract water vapor from the carrier gas. The dehumidifier effectiveness was maximized by optimizing the accessible space through multi-staging dehumidification, thus recovering as much energy as possible for preheating the feed saline water [58]. Globally, bubble column dehumidifiers were found to be superior to the film condensation regime in indirect dehumidifiers, making them a suitable option for HDH systems. The air flowrate to create the bubbles and the inlet air temperature were crucial parameters in determining the effectiveness and the size of the dehumidifier.
Eslamimanesh and Hatamipour [59] performed a numerical investigation on a direct contact HDH desalination process. Their mathematical model included the dependence on the temperature of inlet air and recycled freshwater, as well as the flowrate of feedwater and inlet air. The findings revealed that increasing the flowrate of inlet air and recycled water led to higher freshwater production. In addition, raising the temperature of the air entering the humidifier or decreasing the temperature of the water entering the dehumidifier enhanced the freshwater production. However, an increase in the ratio of water-to-air flowrates in the humidifier resulted in a decrease in the system productivity.
It has also been shown that a direct contact dehumidifier utilizing spherical phase change material (PCM) elements as packing media led to enhanced condensation rates [60]. The PCM high heat capacity and melting temperature, similar to the dehumidifier operating temperature, contributed to this enhancement. A one-dimensional mass and heat transfer model was developed to explain the operation of PCM elements, yielding consistent results with experimental data. The system productivity was influenced by various factors such as the type, size, and thermal properties of the PCM packing, the ratio of air-to-water flowrate, and the geometrical dimensions of the dehumidifier. The study concluded that small-sized, inexpensive PCM packing with high heat conductivity provided the best results in terms of freshwater production rates.
Heat and mass transfer across the direct contact dehumidifier have also been modeled using counter-current and co-current flow patterns [61]. An HDH system with a direct contact condenser containing spherical PCM packing and different flow regimes between cooling water and humid air was investigated. The PCM packing outperformed air capsules in freshwater production, and the counter-current flow showed better heat and mass transfer between water and air compared to the co-current flow. Another HDH system, where humid air was condensed by spraying cold water into the air stream, was developed by Niroomand et al. [62] and Agboola and Egelioglu [63]. While the first work provides a simplified mathematical model of direct contact condensation [62], the second focuses mainly on the experimental results of a solar water desalination system with spray jets, demonstrating that the incorporation of a wick onto the absorber plate yields a notable impact on system productivity, which reached 6.41 kg m–2 of daily production [63].
Okati et al. [64] carried out a thermodynamic analysis of a solar HDH system with subsurface condensation technology, which showed promising potential for underground irrigation. In this system, humid air was directed into an underground condensation space, where its thermal energy was transferred to buried tubes, leading to condensation and producing freshwater. The results demonstrated a system productivity exceeding 265 L d−1 of freshwater. In a follow-up study [65], the authors utilized a solar humidifier and a set of tubes as a subsurface condenser, achieving a freshwater production rate of 3.8 L h−1 per meter of buried tube. Overall, combining a high concentrating solar collector, a phase change material, and a subsurface condenser in HDH systems can result in significantly improved performances.
The choices of the carrier gas and the HDH geometrical configuration significantly affect heat and mass transfer coefficients [10,20,66]. In fact, HDH systems face challenges due to the large pressure drops and the low heat transfer coefficients in the gas side of the dehumidifier. To address these issues, the use of helium as a carrier gas instead of air offers a potential solution [67,68] thanks to superior thermophysical and psychrometric properties that can improve the heat transfer coefficients and reduce the pressure drop. This enhancement, which does not affect the thermodynamic performance (GOR) of water-heated HDH systems, leads to a substantial reduction in auxiliary power consumption and dehumidifier size. However, the challenge of limited availability of helium poses an obstacle to the commercialization of such systems [67,68,69]. Mousa et al. [68] investigated alternative carrier gases and employed modeling techniques to evaluate the system performance. Basically, low molecular weight gases can achieve efficient heat transfer rates, while gases with higher molecular weight, such as carbon dioxide, were favored for more effective mass transfer rates.

4. Integration with Other Technologies

The integration of HDH systems with other technologies can dramatically improve the cycle performance. As aforementioned, this review will not deal with simple coupling/hybridization schemes, such as for co-generation of water–energy–cooling and/or water production with two or more technologies operating in series and/or in parallel. For interests of this kind, some works already published and mentioned are recommended [24,25,27].
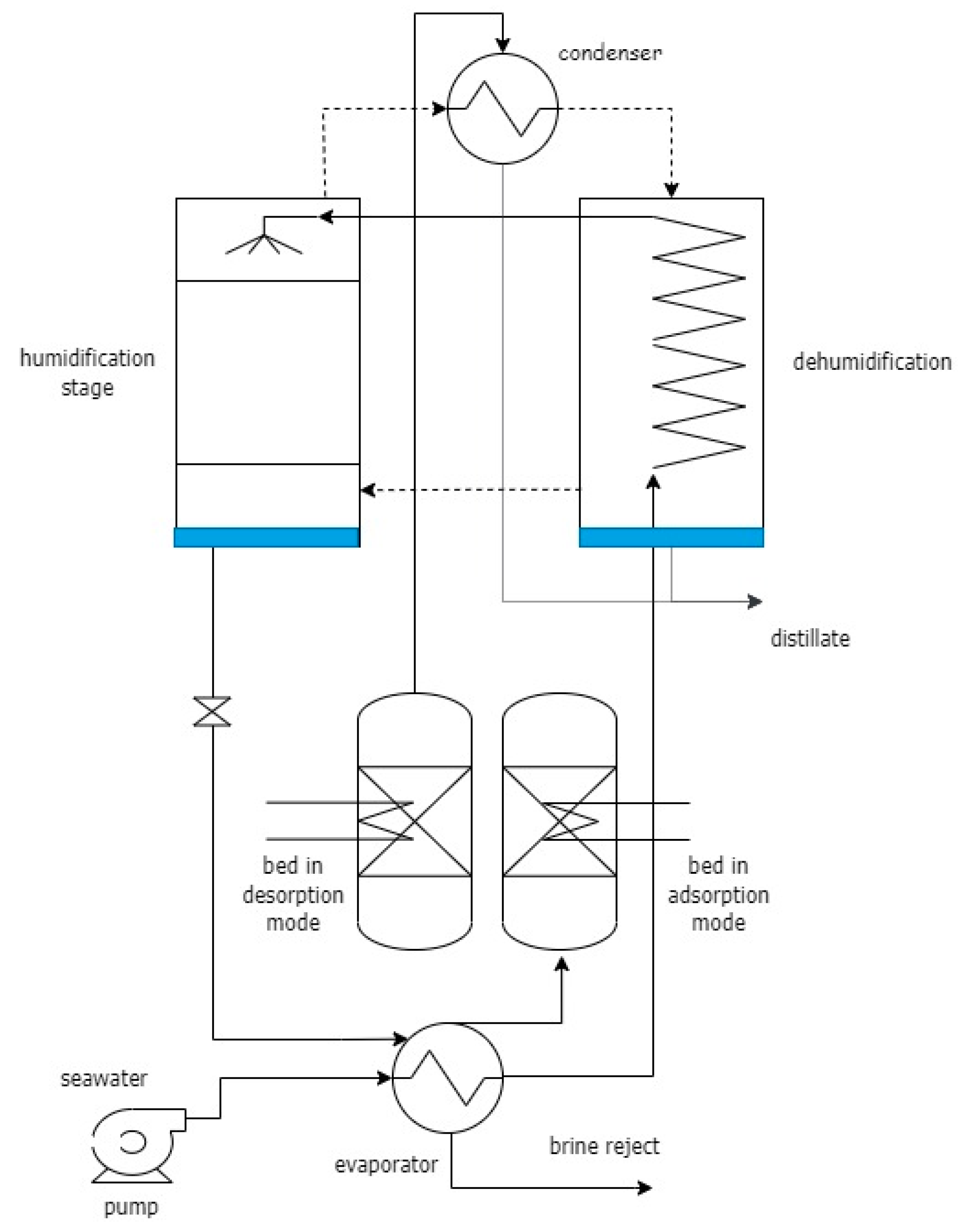
A first attempt at integration concerned the hybridization of HDH with desiccant-based systems, usually used for air conditioning purposes. Ettouney [69] was the first to speculate about the possibility of operating the humidification process combined with desiccant materials such as a lithium bromide solution. Kabeel et al. [70] explored the hybridization of a desiccant cooling system with HDH-based desalination. They developed a mathematical model and validated it against experimental data focused on the flow-rate and temperature of regeneration air. More recently, El-Agouz et al. [71] studied the performances of a solar HDH coupled with a desiccant wheel in an open-air open-water system, including both an air solar heater and a water solar heater. The reference scheme for the desiccant enhanced HDH has been extensively studied by the Mechanical Engineering Department at King Fahd University [72,73]. They devised and investigated desiccant-based HDH systems and explored the thermodynamic optimization of the multi-stage process, proposing a mathematical model for the thermodynamic balancing of zero-extraction, multi-extraction, and infinite-extraction HDH systems following the approach reported by Lienhard’s group [17,18,19]. A simplified schematic of this process is shown in Figure 6. The desiccant harvests water from the air humidity and enters the dehumidifier, acting as a cooling fluid to condense the water vapor. The desiccant enters the humidifier after being heated up in a heater and is sprayed into the humidifier to increase the mass transfer, with the recirculated air acting as humidity carrier. Subsequently, the air is transferred to the dehumidification unit where the film condensation takes place on the surface of the tubes. In this configuration, the lateral extractions are also represented in order to create a thermodynamically balanced multi-stage process. The freshwater is extracted from the bottom of the dehumidifier. In this process, the HDH is used to extract the same amount of water that has been absorbed from the ambient air in order to keep cyclically stable operating conditions. The desiccant, eventually mixed with another portion by-passing the HDH, is cooled and sent to the air dryers to close the cycle. This process did not involve the seawater inlet, but, as we will see later, it represents the prodrome of HDH processes integrated with adsorbent materials.
An additional example of the integration of HDH systems is adsorption-based technology. Adsorption units have been suggested to recover the low-grade waste heat and generate different valuable outputs, such as cooling, freshwater, and moisture [74]. Basically, an adsorption unit can recover water from air, avoiding the thermodynamic and transport limit of condensation. When an adsorption unit is connected to a saline water evaporator, the adsorption (AD) cycle can act as a desalination process. Ng et al. [74,75,76], for instance, patented an adsorption unit packed with silica gel to produce freshwater from seawater. The same research group ideated the first process integration between adsorption (AD) and multi-effect distillation (MED) [75] with the AD acting as the low-temperature bottom cycle to enhance the overall system productivity. The so-called MED-AD plant increased the product water rate significantly compared to the standalone MED cycle due to widening of the working temperatures [75].
A similar extension of the cycle operating temperatures has been proposed for an integrated HDH-AD system by Capocelli et al. [22,23]. The authors devised a further improvement of the closed-water closed-air cycle approach, including a step of water vapor adsorption within the HDH cycle. Figure 7 shows a simplified schematic of this HDH-AD system incorporating a two-bed unit for water vapor adsorption/desorption. In this novel integrated process, the saturated air at the lowest temperature (from the dehumidification unit of a multi-stage HDH) is sent to a dehydration unit, which is performed by adsorption beds arranged in a thermal swing adsorption/desorption configuration. The humidity is reduced by adsorption, and the dried air is sent to the humidification process. In this way, the bottom brine temperature can be lowered below that of the cold source (e.g., the seawater). Extending the temperature operating range of the HDH cycle results in producing more distillate with the same external thermal source than the conventional process. The process involves a humidification tower where the humid air flows counter-currently with seawater. The humidifier is a packed bed with random or structured packing, which facilitates efficient gas–liquid heat and mass transfer. In the dehumidification section, the air flows downwards and undergoes cooling to recover the distillate and to preheat the circulating brine inside the tubes. Intermediate air extractions are also used to improve cycle efficiency and to aid the brine recirculation, as already discussed [17,18,19]. The distillate can be collected during dehumidification or at any condensation stage. The saturated air leaving the dehumidification section passes through a fixed bed operating in adsorption mode, which captures the air humidity using a hydrophilic porous material. An additional fixed bed operates in parallel to recover more distillate via adsorbent regeneration, with both beds connected to cooling and heating media. The dried air is then recirculated back to the humidification section below its saturation point.
The adsorption process can be performed at constant temperature, allowing for heat recovery through a submerged finned-tube heat exchanger with internal coolant circulation, similar to the approach reported by the research group of Ng et al. [75,76]. The cooling medium can be either feed seawater (around 25 °C) or recirculated brine (below 20 °C). When feed seawater is used, the heat of adsorption is recovered as the seawater passes through the adsorption bed and then to intermediate stage condensers at a temperature matching the pre-heated seawater. The optimal regeneration of the adsorbents in the thermal swing adsorption process is regarded as a crucial aspect to establish this technology [22,23]. Compared to the previous desiccant-based scheme, this process uses air in a closed cycle and recovers water from an external stream of seawater or brackish water. Furthermore, the closed-loop configuration allows us to modulate the seawater make-up independently and obtain high water recovery yields.
Recently, Capocelli et al. [23] studied the thermodynamic balancing optimization of the air extractions as a function of the enthalpy pinch. With the same assumptions of an optimized HDH cycle, the optimized HDH-AD cycle achieved GOR improvement greater than 100%. In addition to upper thermodynamic limits, their works [22,23] demonstrate how, without forcing the process parameters too much, GOR values of about 10 and RR even higher than 50% can be achieved with HDHA operating in a closed-water, closed-air approach.
Similar to the approach reported by Ng et al. [74,75], who coupled the MED with the AD cycle, Qasem and Zubair [77] proposed and numerically assessed an AD cycle coupled with an HDH system. The integrated desalination plant was able to produce freshwater at a rate of 22.0 kg h−1. The AD condenser was used as a heating source for the HDH system to recover the process heat. This concept is depicted in Figure 8, representing the basic process scheme for further development. The sweater feed and the recirculating concentrate are sent to the brine evaporator. The vapor formed is adsorbed by the adsorption bed. This sub-process determines the minimum temperature and minimum pressure of the apparatus. In the regeneration phase (parallel adsorption bed at the left), the vapor is sent to the condenser to recover the additional distillate, then added to that produced by the condensation of the vapor in the air coming from the dehumidification unit.
Elbassoussi et al. [78] investigated another configuration of the integrated HDH-AD cycle in which the seawater was heated in a condenser using the waste heat from the AD cycle. The combined HDH-AD system produced a cooling power of about 188.0 W kg−1 and a freshwater rate of 21.8 kg h−1. The analysis also highlighted the dependency of system productivity on the particle size of silica gel. Ali et al. [79] designed an HDH process coupled with an AD cycle and two ejectors in order to improve the system performance. The combination of three technologies (AD, HDH, and two ejectors) resulted in a novel integrated system that reached a GOR of 2.75.
In conclusion, the potential benefits of adsorption and adsorption cycles at low temperature seems complementary to the peculiarities of HDH, since AD well complies with the energy, technological, and operational requirements of the HDH desalination process. The three coupling types described are based on a good heritage of experimentation and modeling work. Several porous materials, characterized by different chemical–physical and microstructural properties, such as silica, alumina, zeolite, and CO2-switchable polymers have been investigated for water removal with limited energy duty for the sorbent regeneration [80,81,82]. In addition, there is the recent, very successful, example of AD-MED coupling demonstrated by Ng et al. It seems that the panorama is ripe for the identification of a research path for new sustainable and low-carbon desalination processes.

5. Optimization of System Operative Conditions

The conventional humidification–dehumidification desalination system is operated using air as a carrier gas at a single pressure, usually at atmospheric pressure. However, this causes the process to have a low performance because, at atmospheric pressure, the water uptake of air in the humidifier and the water condensation from air in the dehumidifier are both thermodynamically limited. In addition, the conventional HDH system is characterized by lower energy recoveries because, differently from the MSF and MED systems, multi-staging would not provide any increase in performance.
In the last decade, various researchers have been working on optimizing the HDH system operative conditions by means of variable pressure humidification–dehumidification (VP-HDH) cycles where the humidifier pressure (sub-atmospheric or atmospheric) is lower than the dehumidifier pressure (sub-atmospheric, atmospheric, or super-atmospheric). As a result, such systems are more efficient because the lower humidifier pressure increases the water uptake of air and, at the same time, the higher dehumidifier pressure increases the water condensation from air, thus improving the product water rate. The dehumidified air could also be expanded in order to recover energy as a work transfer.
Vlachogiannis et al. [83] first proposed a synergy between the principles of HDH and mechanical vapor compression (MVC) applied to water desalination. They built a laboratory prototype where air entered an evaporation chamber for humidification, was compressed by a blower, and was then sent to a condensation chamber for dehumidification. Given the increase in pressure, and thus in temperature, some energy was recovered by transferring the latent heat of condensation back to the evaporation chamber. However, it was Narayan et al. [84,85] who introduced, for the first time, a formal VP-HDH cycle where the pressure was varied via a mechanical compressor and an expander. The schematic diagram and the psychrometric chart of their cycle are shown in Figure 9. Air flows through the humidifier, where it is directly contacted with seawater and becomes humidified. The humidification process is assumed to follow the saturation line (1–2). The moist air is compressed to a higher pressure and temperature and to a humidity ratio of 0.3 (2–3), and then directed through the dehumidifier where pure water is condensed and collected (3–4). In the diagram, state 4 is assumed to be saturated. Eventually, the dry air is expanded to recover some mechanical energy (4–1). It should be noted that some pure water is also extracted after the compressor and the expander (Figure 9a). The authors carried out a systematic parametric study via mathematical modelling on the system performance and found that operating both the humidifier and the dehumidifier under vacuum pressures (PH = 40 kPa and PDH = 50 kPa) led to a GOR of 6.0 and an SEC of 200 kJe kg−1. Therefore, it was concluded that VP-HDH systems perform better than conventional HDH systems, but they are still less efficient than other desalination technologies such as RO and MVC [84].
The VP-HDH cycle driven by a mechanical compressor and an expander was also patented considering pressure levels above atmospheric pressure [86] and below atmospheric pressure [87]. It was claimed that the invention could relate to multiple feed waters, such as seawater, brackish water, or groundwater, and that both air and water streams can be heated in different locations in the cycle by means of renewable energy sources and/or waste heat. Moreover, the disclosed cycle could benefit from the use of multi-extractions capable of minimizing entropy generation and further enhancing the system efficiency. In a following patent [88], it was proposed to supply part of the compressor work through the expansion process, by directly coupling the expander to the same shaft as the compressor or by using a motor–generator arrangement to transfer the expander work to the compressor. Heat could also be removed from the expanded air flow and transferred to the compressed air flow upstream of the expander.
Another VP-HDH system driven by MVC was numerically assessed by Siddiqui et al. [89], with the aim to maximize the GOR. The authors performed an optimization exploring various system parameters, including the water-to-air ratio, the pressure ratio, the effectiveness of the components, and the maximum temperature. Furthermore, a detailed exergy analysis was reported to estimate the parameters resulting in the highest exergy destruction. It was found that a GOR of 3.8 can be achieved with a humidifier pressure of 50 kPa, a dehumidifier pressure of 66.5 kPa, and an effectiveness of 0.8. If the component effectiveness was 0.9, the GOR could even be raised to 8.2 [89].
The pressure differential between the humidifier and the dehumidifier in a VP-HDH system can also be maintained using a thermal vapor compressor (TVC) instead of an MVC, as was proposed in a study by Mistry et al. [90] and in a subsequent patent by Govindan et al. [91]. The thermo-compressor does not require electricity, as it compresses the air flow by injecting steam at an elevated pressure, at least five times greater than the humidifier pressure. In particular, it was recommended to use steam at a pressure of at least 10 bar and at a temperature over 200 °C [91]. Figure 10 shows the schematic diagram and the psychrometric chart of a VP-HDH cycle driven by a thermal compressor and a throttle valve. In the diagram, both the humidification (1–2) and the dehumidification (3–4) processes are assumed to follow the saturation line at the humidifier pressure and the dehumidifier pressure, respectively. Through the use of mathematical modelling, the authors concluded that the TVC-driven cycle exhibited a performance comparable to a conventional single-pressure HDH cycle with GORs in the range of 0.8–2.0 [90]. However, it should be noted that this system was energetically penalized by the use of a throttle valve (Figure 10a), which represents the most basic arrangement of an expansion device. While throttle valves are considerably cheaper and easier to install, operate, and maintain compared to expanders, they are unable to extract any work and do not allow energy recoveries. Similar findings were reported by Yang [92], who designed an ocean-based, brine-free VP-HDH desalination system powered by several renewable energy sources and equipped with a vacuum pump. It was found that employing a throttle valve between the humidification and dehumidification lines significantly increased the pump power consumption per unit volume of freshwater produced.
A high-temperature, steam-driven VP-HDH system coupled with RO was numerically investigated by Narayan et al. [93] in order to boost the performance of water desalination through hybridization. The authors carried out an in-depth sensitivity analysis on several process parameters, such as the use of an expander, the steam thermal status, the pressure ratio, the operating pressures, and the pressure drops, in order to assess their effects on system performance. In a follow-up work, Narayan et al. [94] provided a better understanding of the same cycle in terms of exergetic efficiency, equivalent electricity consumption, and specific exergy destruction, as well as total true exergy destruction. Although all results were presented for the VP-HDH hybrid system with RO, it is possible to calculate the performance of the VP-HDH system standalone, which, with a PDH/PH of 1.15, resulted in a GOR of 1.1 and an SEC of 66.6 kJe kg−1.
Another configuration of the MVC-driven VP-HDH system was proposed by Ghalavand et al. [95], who called it humidification compression (HC). It represents a simplified version of the cycle reported in Figure 9, with an auxiliary cooler and a flash drum acting as a dehumidifier and with a throttle valve instead of the expander. It also features a seawater preheater heated by the compressed humidified air flow. The system was simulated by commercial software and it was found that, with a humidifier pressure of 100 kPa and a dehumidifier pressure of 300 kPa, the resulting GOR and SEC were 2.1 and 1125 kJe kg−1, respectively. As expected from the changes in the cycle, this configuration led to a poorer performance compared to the previous MVC-driven VP-HDH systems [85,89]. Subsequently, the same authors designed, built, and tested the HC-based desalination technology experimentally, with air being heated in a solar heater prior to humidification [96]. Various experimental runs were performed to assess the effects of the water-to-air ratio, air inlet temperature, air inlet humidity, condenser pressure, and feedwater temperature on system performance. With an optimal water-to-air ratio of 2 and an optimal feedwater temperature of 25 °C, the highest achievable water product rate was 1.5 kg h−1, along with a GOR of 1.1 and an SEC of 2130 kJe kg−1. The performance of the experimental HC-based VP-HDH system was therefore around 50% poorer in comparison to the results from the simulations [95]. In a follow-up work, Ghalavand [97] presented a one-dimensional mathematical model to predict the evolution of the air temperature along the solar heater, the air temperature, the air humidity, and the water temperature along the humidifier based on the experimental data previously obtained [96]. After validating the model, the average errors between experimental and model data were in the range of 1.9–13.1%. The mathematical model of the humidifier was further refined by Ghalavand et al. [98] through the incorporation of the insulation effects in the energy balance equation. As a result, the average errors in the predictions of air temperature, air humidity, and water temperature went down to 2.7–7.5%.
In the previous studies, the HC-based VP-HDH systems featured humidification at atmospheric pressure and a dehumidification at super-atmospheric pressure. However, it is well known that, at the same temperature, the air humidity ratio increases by decreasing the pressure. To exploit this thermodynamic aspect, Rahimi-Ahar et al. [99] designed and numerically assessed two cycles where the humidifier was operated under vacuum pressure while the dehumidifier pressure was either super-atmospheric (Process-I) or atmospheric (Process-II). With a humidification pressure fixed at 10 kPa, Process-II was able to achieve a GOR of 3.3 and an SEC of 655 kJe kg−1, clearly outperforming Process-I, which showed a GOR of 1.3 and an SEC of 1714 kJe kg−1. In addition, the authors estimated that the costs of product water for Process-I and Process-II were USD 8.0 and USD 4.0 m−3, respectively. The vacuum HC-based VP-HDH system was also investigated experimentally through a solar-assisted pilot-scale desalination plant by Rahimi-Ahar et al. [100,101]. Several system parameters were varied, including the humidifier pressure, the water-to-air ratio, the air temperature, the air humidity, and the water temperature. As expected, the water-to-air ratio and the air humidity resulted in the most sensitive parameters of system performance. Despite a decrease in exergy efficiency [101], keeping the dehumidifier pressure at 101.3 kPa and lowering the humidifier pressure from 90 kPa to 50 kPa led to the highest product water rates (1.8–2.1 kg h−1) and GOR (≈3.4), as well as the lowest SEC (648–756 kJe kg−1) and product water costs (USD 3.9–4.1 m−3). All these performances were well above those reported for the super-atmospheric-dehumidifier-based VP-HDH system [96].
To improve the performance of VP-HDH systems, recent studies in the literature have proposed multi-stage configurations, both in parallel and in series. In general, multi-staging has been reported to be a good strategy to enhance the performance of VP-HDH systems. However, this would ultimately depend on the particular process arrangement and the energy pinch [102]. The process flow diagrams of a two-stage humidification in series and in parallel are depicted in Figure 11 and Figure 12, respectively. It should be noted that, in Figure 11, the entire seawater flow enters the first humidifier, while, in Figure 12, the seawater flow is split into the two humidifiers.
Abedi and Ghalavand [103] numerically investigated a two-stage HC-based VP-HDH system in parallel (Case C), where the heated seawater flow was divided into two equal parts and each part was sent to a humidifier. Four minimum temperature difference values (7.5, 10, 12.5, and 15 °C) were considered, and it was found that an increase in ΔTmin improved all system performances. By operating the first humidifier at 100 kPa and the second humidifier at 60 kPa, the following performances were achieved: a GOR of 16.1, an SEC of 145 kJe kg−1, and the cost of the product water was USD 2.4 m−3. These values were significantly better than those of the other two single-stage configurations (Case A and Case B) assessed by the authors [103]. An experimental performance comparison between the series and parallel configurations was carried out by Abedi et al. [102] who focused on a two-stage HC-based VP-HDH system. The authors studied the effect of the second humidifier pressure, the temperature difference in the heat exchangers, and the seawater flow fraction to the first humidifier (in the parallel configuration). The best performances were attained with a dehumidification pressure of 120 kPa and humidification pressures of 100 kPa in the first humidifier and 50 kPa in the second humidifier. The results indicated that the parallel configuration performed consistently better than the series configuration in terms of product water rate (5.4 vs. 4.5 kg h−1), SEC (1619 vs. 2674 kJe kg−1), and product water cost (USD 4.9 vs. USD 8.2 m−3). Because of the super-atmospheric pressure of the dehumidifier, both configurations exhibited larger energy penalties compared to the vacuum-based VP-HDH systems [100,101]. Lastly, Rahimi-Ahar and Hatamipour [104] developed a solar-assisted three-stage HC-based VP-HDH system in parallel aimed to maximize the production of freshwater. The superiority of vacuum pressure conditions in the humidifier (33 kPa) and atmospheric pressure conditions in the dehumidifier (101.3 kPa) were confirmed experimentally. The resulting system performances were exceptional, with an SEC of 360 kJe kg−1 and a product water cost of USD 2.0 m−3, therefore making this configuration the most promising one among the experimental studies.
Table 1 and Table 2 report the performance comparison of VP-HDH systems from numerical and experimental studies, respectively.

6. Conclusions and Future Directions

HDH (Humidification–Dehumidification) technology is a method to produce freshwater from saline and waste streams, combined with renewable energy sources. Numerous studies have examined its integration with solar energy, waste heat, geothermal sources, cooling systems, and heat pumps. In this review, the unique characteristics of HDH have been closely examined by focusing on three main pathways of process intensification.
Therefore, the HDH is not only portrayed as a simple, low-cost, and low-maintenance technology but also as a highly efficient process, particularly when operational conditions are adjusted, and it is combined with other unit operations. Three categories of enhancement have been identified and systematized to achieve optimal efficiency in HDH-based processes.
  • The performance of the HDH system hinges on the hydrodynamics of the humidifier, encompassing factors like its design, dimensions, packing configuration, and materials. Equally significant are the attributes of the inlet streams. Key goals involve maximizing water–air interaction, optimizing temperature conditions for humidification, and minimizing pressure drops within the humidifier. By concentrating on these aspects, improvements are made to heat and mass transfer coefficients, ultimately leading to increased system output and reduced entropy generation. Researchers have explored various methods, both experimental and theoretical, to advance the practical implementation of HDH processes. Incorporating multi-stage humidification and harnessing energy recovery through the extraction–injection strategy further elevates the overall system efficiency. Various direct and indirect heat exchanger designs have been studied to enhance the dehumidification process, resulting in improved HDH system performance. Strategies to improve humidifier and dehumidifier effectiveness include the direct contact between the condensate and humid air, with bubble columns and membrane contactors appearing among the most promising innovations. Operating the dehumidifier at super-atmospheric pressure can also contribute to enhanced effectiveness. The choice of the dehumidifier can be made based on performance parameters, such as GOR, SEC, RR, and water product cost, as reported in research papers.
  • The potential advantages of utilizing adsorption and adsorption cycles at low temperatures align well with the unique characteristics of HDH, as adsorption (AD) fits seamlessly within the energy, technological, and operational requisites of the HDH desalination process. A noteworthy recent accomplishment is the successful coupling of adsorption with a multi-effect distillation (AD-MED) process, suggesting that the R&D panorama is ripe for charting a research trajectory towards innovative, sustainable, and low-carbon desalination methodologies. In fact, numerous porous materials, such as silica, alumina, zeolite, and CO2-switchable polymers, have been thoroughly studied for their potential in achieving water removal with minimal energy demand for sorbent regeneration. Parallel to the development of the AD-MED, the three types of coupling in the HDH sector have been elucidated and are grounded in a substantial foundation of both experimental exploration and modeling endeavors. The present work has identified the three main schemes and the peculiarities of the individual processes. These innovative couplings enable the attainment of impressive performances, comparable to those achieved by established large-scale desalination methods. Parallel to the increases in performance, new studies are needed in the field of heat exchange coupled with adsorption and desorption.
  • The optimization of HDH system operative conditions has been investigated by means of variable pressure humidification–dehumidification cycles, where the humidifier is operated at a lower pressure than the dehumidifier. Such VP-HDH systems are more efficient, as a lower humidifier pressure increases the water uptake of air and a higher dehumidifier pressure increases the water condensation from air. Air can be compressed by a mechanical compressor or a thermo-compressor and then expanded in an expander or throttle valve. To further improve the system performance, researchers have assessed cycles operating under vacuum pressure to exploit the thermodynamics of air humidity against pressure at constant temperature. Multi-stage configurations focusing on variable pressure humidifiers have also been proposed theoretically and experimentally, showing enhanced system performance.
The reference values of the GOR for advanced HDH systems are greater than 3. Some works, especially in combination with other methods in “coupled processes”, have pointed out the way to obtain higher values, close to 10. This means reducing the thermal energy expenditure to below 100 kWh m–3. From the point of view of the RR, there are no particular process limits, and values of 50% can be largely overcome with the recycling of the brine prepared in the innovative schemes identified. As far as electricity costs are concerned, reference values are between 1 and 3 kWh m–3; it should be noted that multi-stage processes and couplings with other systems can increase pressure drops and therefore costs in terms of electricity. On the other hand, novel contact surfaces/geometries and thermal gradients could contribute to reducing the pressure drop in the humidification section. As mentioned, there are no homogeneous data on the SEC. The minimum reference value of SEC is around 360 kJe kg−1 corresponding to 100 kWh m−3. To obtain comparable data of SEC, it is advisable to insert both the thermal and the electric input using a reference power plant efficiency of 0.4 to convert the thermal duty into electrical power. Regarding the use of low temperature solar and waste heat, it is important to compare the process from an exergy point of view following the novel approach proposed in the literature, which has been summarized and systematized in this review paper. From this point of view, a low-carbon HDH desalination system with II-law efficiencies higher than 0.10 (that can be reached by following the directions indicated in this review work) has been identified.

Author Contributions

Conceptualization, M.C. and M.L.; methodology, M.C. and M.L.; data curation, M.C. and M.L.; writing—original draft preparation, M.C. and M.L.; writing—review and editing, M.C. and M.L. All authors have read and agreed to the published version of the manuscript.

Funding

This research received no external funding.

Data Availability Statement

No new data were created or analyzed in this study. Data sharing is not applicable to this article.

Conflicts of Interest

The authors declare no conflict of interest.

Nomenclature

Acronyms
ADAdsorption
BBTBottom brine temperature
HDHHumidification–dehumidification
HDHAHumidification–dehumidification with water vapor adsorption
MEDMultiple effect distillation
MSFMulti-stage flash
MVCMechanical vapor compression
TBTTop brine temperature
ROReverse osmosis
VPVariable pressure
SymbolsUnitDescription
Dtotkg s−1Flow rate of the total distillate
cpskJ kmol−1 K−1Humid specific heat capacity at constant pressure
Gkmol s−1Molar flow rate of air
GOR-Gain output ratio
HkJ kg−1Enthalpy of the humid air
HTGmHeight of the transfer unit
ΔhrefkJ mol−1Reference latent heat of water
hkJ kg−1Specific enthalpy
hGkW m−2 K−1Convective heat transfer coefficient of air
kykg s−1 m−2Mass transfer coefficient of water vapor
Le-Lewis number
NtG-Number of heat and mass transfer units
PkPaPressure
QinkJThermal duty input
Q ˙ kWThermal power
Q s e p kJThermal energy for separation
q h kW m−2Convective heat flux
q λ kW m−2Heat flux associated to water vapor diffusion
RR-Recovery ratio
SECkJ kg−1Specific energy consumption
Sm−2Cross sectional area
TKTemperature
TcKColdest temperature of the heat source
T0KReference temperature
THKTemperature of the heat source
TwbKWet bulb temperature
W i n kJWork input
W s e p kJWork of separation
W m i n kJMinimum work of separation
W ˙ kWMechanical power
Greek letters
ηpp-Power plant intrinsic efficiency
ηII-II-law/Exergy efficiency
ηSH-Exergy efficiency of a sensible heat source

References

  1. Kuzma, S.; Bierkens, M.F.P.; Lakshman, S.; Luo, T.; Saccoccia, L.; Sutanudjaja, E.H.; Van Beek, R. Aqueduct 4.0: Updated Decision-Relevant Global Water Risk Indicators; Technical Note; World Resources Institute: Washington, DC, USA, 2023. [Google Scholar] [CrossRef]
  2. MacAlister, C.; Baggio, G.; Perera, D.; Qadir, M.; Taing, L.; Smakhtin, V. Global Water Security 2023 Assessment; United Nations, University Institute for Water, Environment and Health: Hamilton, ON, Canada, 2023. [Google Scholar]
  3. Capocelli, M.; Prisciandaro, M.; Piemonte, V.; Barba, D. A technical-economical approach to promote the water treatment & reuse processes. J. Clean. Prod. 2019, 207, 85–96. [Google Scholar]
  4. Barba, D.; Capocelli, M. Process analysis of the novel Flash-ME desalination process driven by low-grade thermal energy. Chem. Eng. Res. Des. 2023, 189, 721–733. [Google Scholar] [CrossRef]
  5. Abedi, M.; Tan, X.; Klausner, J.F.; Bénard, A. Solar desalination chimneys: Investigation on the feasibility of integrating solar chimneys with humidification–dehumidification systems. Renew. Energy 2023, 202, 88–102. [Google Scholar] [CrossRef]
  6. Lacroix, C.; Perier-Muzet, M.; Stitou, D. Dynamic Modeling and Preliminary Performance Analysis of a New Solar Thermal Reverse Osmosis Desalination Process. Energies 2019, 12, 4015. [Google Scholar] [CrossRef]
  7. Li, Y.; Chen, X.; Xu, Y.; Zhuo, Y.; Lu, G. Sustainable thermal-based desalination with low-cost energy resources and low-carbon footprints. Desalination 2021, 520, 115371. [Google Scholar] [CrossRef]
  8. Luberti, M.; Gowans, R.; Finn, P.; Santori, G. An estimate of the ultralow waste heat available in the European Union. Energy 2022, 238, 121967. [Google Scholar] [CrossRef]
  9. Müller-Holst, H. Solar thermal desalination using the Multiple Effect Humidifcation (MEH) method. In Solar Desalination for the 21st Century; NATO Security through Science Series; Springer: Dordrecht, The Netherlands, 2007; Chapter 15; pp. 215–225. [Google Scholar]
  10. Narayan, G.P.; Sharqawy, M.H.; Summers, E.K.; Lienhard, J.H.; Zubair, S.M.; Antar, M.A. The potential of solar-driven humidification-dehumidification desalination for small-scale decentralized water production. Renew. Sustain. Energy Rev. 2010, 14, 1187–1201. [Google Scholar] [CrossRef]
  11. Mistry, K.H.; Mitsos, A.; Lienhard, J.H. Optimal operating conditions and configurations for humidification-dehumidification desalination cycles. Int. J. Therm. Sci. 2011, 50, 779–789. [Google Scholar] [CrossRef]
  12. Rahimi-Ahar, Z.; Hatamipour, M.S.; Ahar, L.R. Air Humidification-Dehumidification Process for Desalination: A review. Prog. Energy Combust. Sci. 2020, 80, 100850. [Google Scholar] [CrossRef]
  13. Dawood, M.M.K.; Amer, A.; Mansour, T.; Teamah, M.A.; Aref, A. A Review Study of Experimental and Theoretical Humidification Dehumidification Solar Desalination Technology. Comput. Water Energy Environ. Eng. 2020, 9, 48. [Google Scholar]
  14. Lienhard, J.H. Humidification-Dehumidification Desalination. In Desalination: Water from Water; Kucera, J., Ed.; Scrivener Publishing: Beverly, MA, USA, 2019; pp. 387–446. [Google Scholar]
  15. Essa, F.; Abdullah, A.; Omara, Z.; Kabeel, A.; El-Maghlany, W.M. On the different packing materials of humidification–dehumidification thermal desalination techniques—A review. J. Clean. Prod. 2020, 277, 123468. [Google Scholar] [CrossRef]
  16. Garg, K.; Beniwal, R.; Das, S.K.; Tyagi, H. Experimental investigation of a low-cost humidification-dehumidification desalination cycle using packed-bed humidifier and finned-tube heat exchanger. Therm. Sci. Eng. Prog. 2023, 41, 101858. [Google Scholar] [CrossRef]
  17. McGovern, R.K.; Thiel, G.P.; Narayan, G.P.; Zubair, S.M.; Lienhard, J.H. Performance limits of zero and single extraction humidification-dehumidification desalination systems. Appl. Energy 2013, 102, 1081–1090. [Google Scholar] [CrossRef]
  18. Narayan, G.P.; Chehayeb, K.M.; McGovern, R.K.; Thiel, G.P.; Zubair, S.M. Thermodynamic balancing of the humidification dehumidification desalination system by mass extraction and injection. Int. J. Heat Mass Transf. 2013, 57, 756–770. [Google Scholar] [CrossRef]
  19. Narayan, G.P.; Sharqawy, M.H.; Lienhard, J.H.; Lam, S.; John, M.S. Multistage Bubble Column Humidifer. U.S. Patent 9790102, 18 July 2017. [Google Scholar]
  20. Narayan, G.P.; Mistry, K.H.; Sharqawy, M.H.; Zubair, S.M.; Lienhard, J.H. Energy effectiveness of simultaneous heat and mass exchange devices. Front. Heat Mass Transf. 2010, 1, 023001. [Google Scholar] [CrossRef]
  21. Giwa, A.; Akther, N.; Al Housani, A.; Haris, S.; Hasan, S.W. Recent advances in humidification dehumidification (HDH) desalination processes: Improved designs and productivity. Renew. Sustain. Energy Rev. 2016, 57, 929–944. [Google Scholar] [CrossRef]
  22. Capocelli, M.; Balsamo, M.; Mazzeo, L.; Luberti, M. Thermodynamic analysis of the humidification-dehumidification-adsorption (HDHA) desalination process. Desalination 2023, 554, 116510. [Google Scholar] [CrossRef]
  23. Capocelli, M.; Balsamo, M.; Lancia, A.; Barba, D. Process analysis of a novel humidification-dehumidification-adsorption (HDHA) desalination method. Desalination 2018, 429, 155–166. [Google Scholar] [CrossRef]
  24. Ayati, E.; Rahimi-Ahar, Z.; Hatamipour, M.S.; Ghalavand, Y. Performance evaluation of a heat pump-driven vacuum humidification-dehumidification desalination system. Appl. Therm. Eng. 2020, 180, 115872. [Google Scholar] [CrossRef]
  25. Liu, H.; Joseph, A.; Elsayad, M.M.; Elshernoby, B.; Awad, F.; Elsharkawy, M.; Kandeal, A.; Hussien, A.; An, M.; Sharshir, S.W. Recent Advances in heat pump-coupled desalination systems: A systematic review. Desalination 2022, 543, 116081. [Google Scholar] [CrossRef]
  26. Byrne, P.; Fournaison, L.; Delahaye, A.; Oumeziane, Y.A.; Serres, L.; Loulergue, P.; Szymczyk, A.; Mugnier, D.; Malaval, J.-L.; Bourdais, R.; et al. A review on the coupling of cooling, desalination and solar photovoltaic systems. Renew. Sustain. Energy Rev. 2015, 46, 703–717. [Google Scholar] [CrossRef]
  27. Rehman, O.A.; Palomba, V.; Frazzica, A.; Cabeza, L.F. Enabling Technologies for Sector Coupling: A review on the Role of Heat Pumps and Thermal Energy Storage. Energies 2021, 14, 8195. [Google Scholar] [CrossRef]
  28. Capocelli, M.; Moliterni, E.; Piemonte, V.; De Falco, M. Reuse of waste geothermal brine: Process, thermodynamic and economic analysis. Water 2020, 12, 316. [Google Scholar] [CrossRef]
  29. Narayan, G.P.; Lienhard, J.H.; Zubair, S.M. Entropy generation minimization of combined heat and mass transfer devices. Int. J. Therm. Sci. 2010, 49, 2057–2066. [Google Scholar] [CrossRef]
  30. Narayan, G.P.; Lienhard, J.H.; Zubair, S.M. Generalized Least Energy of Separation for Desalination and Other Chemical Separation Processes. Entropy 2013, 15, 2046–2080. [Google Scholar]
  31. Bejan, A. Advanced Engineering Thermodynamics, 4th ed.; John Wiley & Sons, Inc.: Hoboken, NJ, USA, 2016. [Google Scholar]
  32. Ng, K.C.; Shahzad, M.W.; Son, H.S.; Hamed, O.A. An exergy approach to efficiency evaluation of desalination. Appl. Phys. Lett. 2017, 110, 184101. [Google Scholar] [CrossRef]
  33. Shahzad, M.W.; Burhan, M.; Son, H.S.; Oh, S.J.; Ng, K.C. Desalination processes evaluation at common platform: A universal performance ratio (UPR) method. Appl. Therm. Eng. 2018, 134, 62–67. [Google Scholar] [CrossRef]
  34. Shahzad, M.W.; Ng, K.C.; Burhan, M.; Chen, Q.; Jamil, M.A.; Imtiaz, N.; Bin Xu, B. Demystifying integrated power and desalination processes evaluation based on standard primary energy approach. Therm. Sci. Eng. Prog. 2022, 27, 101153. [Google Scholar] [CrossRef]
  35. Treybal, R.E. Mass-Transfer Operations; McGraw-Hill Education: Dubuque, IA, USA, 1980. [Google Scholar]
  36. Kloppers, J.; Kröger, D. A critical investigation into the heat and mass transfer analysis of counterflow wet-cooling towers. Int. J. Heat Mass Transf. 2005, 48, 765–777. [Google Scholar] [CrossRef]
  37. Nevarez, V. Extraction Based Thermodynamic Balancing for a Humidification Dehumidification Desalination Plant. Ph.D. Thesis, Massachusetts Institute of Technology, Cambridge, MA, USA, 2012. [Google Scholar]
  38. Narayan, G.P.; Thiel, G.P.; McGovern, R.K.; Lienhard, J.H.; Sharqawy, M.H. Humidifcation-Dehumidifcation System Including Bubble Column Vapor Mixture Condenser. U.S. Patent 8778065, 25 June 2014. [Google Scholar]
  39. Nawayseh, N.K.; Farid, M.M.; Al-Hallaj, S.; Al-Timimi, A.R. Solar desalination based on humidification process—I. Evaluating the heat and mass transfer coefficients. Energy Convers. Manag. 1999, 40, 1423–1439. [Google Scholar] [CrossRef]
  40. Zhao, Y.; Zheng, H.; Liang, S.; Zhang, N.; Ma, X.L. Experimental research on four-stage cross flow humidification dehumidification (HDH) solar desalination system with direct contact dehumidifiers. Desalination 2019, 467, 147–157. [Google Scholar] [CrossRef]
  41. Ghazouani, N.; El-Bary, A.A.; Hassan, G.E.; Becheikh, N.; Bawadekji, A.; Elewa, M.M. Solar Desalination by Humidification–Dehumidification: A Review. Water 2022, 14, 3424. [Google Scholar] [CrossRef]
  42. Li, G.; Wang, J.; Zhang, F.; Liu, J. Comprehensive operational parameter analysis of cross-flow hollow fiber membrane humidifier for humidification dehumidification desalination. Desalination 2022, 542, 116066. [Google Scholar] [CrossRef]
  43. Zeng, Z.; Sadeghpour, A.; Ju, Y.S. A highly effective multi-string humidifier with a low gas stream pressure drop for desalination. Desalination 2019, 449, 92–100. [Google Scholar] [CrossRef]
  44. Li, G.-P.; Zhang, L.-Z. Laminar flow and conjugate heat and mass transfer in a hollow fiber membrane bundle used for seawater desalination. Int. J. Heat Mass Transf. 2017, 111, 123–137. [Google Scholar] [CrossRef]
  45. Tariq, R.; Sheikh, N.A.; Xamán, J.; Bassam, A. An innovative air saturator for humidification-dehumidification desalination application. Appl. Energy 2018, 228, 789–807. [Google Scholar] [CrossRef]
  46. El-Agouz, S.A.; Abugderah, M. Experimental analysis of humidification process by air passing through seawater. Energy Convers. Manag. 2008, 49, 3698–3703. [Google Scholar] [CrossRef]
  47. El-Agouz, S.A. Desalination based on humidification–dehumidification by air bubbles passing through brackish water. Chem. Eng. J. 2010, 165, 413–419. [Google Scholar] [CrossRef]
  48. Abd-ur-Rehman, M.; Al-Sulaiman, F.A. A novel design of a multistage stepped bubble column humidifier for the humidification of air. Appl. Therm. Eng. 2017, 120, 530–536. [Google Scholar] [CrossRef]
  49. Shehata, A.; Kabeel, A.L.; Dawood, M.M.K.; Abdalla, A.M. Achievement of humidification and dehumidification desalination system by utilizing a hot water sprayer and ultrasound waves techniques. Energy Convers. Manag. 2019, 201, 112142. [Google Scholar] [CrossRef]
  50. Easa, A.S.; Mohamed, S.M.; Barakat, W.S.; Habba, M.I.A.; Kandel, M.G.; Khalaf-Allah, R.A. Water production from a solar desalination system utilizing a high-speed rotary humidifier. Appl. Therm. Eng. 2023, 224, 120150. [Google Scholar] [CrossRef]
  51. RKhalaf-Allah, A.; Abdelaziz, G.B.; Kandel, M.G.; Easa, A.S. Development of a centrifugal sprayer-based solar HDH desalination unit with a variety of sprinkler rotational speeds and droplet slot distributions. Renew. Energy 2022, 190, 1041–1054. [Google Scholar] [CrossRef]
  52. Tow, E.W.; Lienhard, J.H. Experiments and modeling of bubble column dehumidifier performance. Int. J. Therm. Sci. 2014, 80, 65–75. [Google Scholar] [CrossRef]
  53. Tow, E.W.; Lienhard, J.H. Analytical modeling of a bubble column dehumidifer. In Proceedings of the ASME 2013 Summer Heat Transfer Conference, Minneapolis, MN, USA, 14–19 July 2013. Paper No. HT2013-17763. [Google Scholar]
  54. Tow, E.W.; Lienhard, J.H. Heat flux and effectiveness in bubble column dehumidifers for HDH desalination. In Proceedings of the IDA World Congress on Desalination and Water Reuse, Tianjin, China, 20–25 October 2013. [Google Scholar]
  55. Narayan, G.P.; Sharqawy, M.H.; Lam, S.; Das, S.K.; Lienhard, J.H. Bubble Columns for Condensation at High Concentrations of Noncondensable Gas: Heat-Transfer Model and Experiments. AIChE J. 2013, 59, 1780–1790. [Google Scholar] [CrossRef]
  56. Sharqawy, M.H.; Liu, H. The effect of pressure on the performance of bubble column dehumidifier. Int. J. Heat Mass Transf. 2015, 87, 212–221. [Google Scholar] [CrossRef]
  57. Huang, J.H. Design of a Mobile Community Level Water Treatment System Based on Humidification Dehumidification Desalination. Bachelor’ s Thesis, Massachusetts Institute of Technology, Cambridge, MA, USA, 2012. [Google Scholar]
  58. Lam, S. Development of a Multi-Stage Bubble Column Dehumidifier for Application in a humidification Dehumidification Desalination System. Bachelor’ s Thesis, Massachusetts Institute of Technology, Cambridge, MA, USA, 2012. [Google Scholar]
  59. Eslamimanesh, A.; Hatamipour, M.S. Mathematical modelling of a direct contact humidification–dehumidification desalination process. Desalination 2009, 237, 296–304. [Google Scholar] [CrossRef]
  60. Hu, T.; Hassabou, A.H.; Spinnler, M.; Polifke, W. Performance analysis and optimization of direct contact condensation in a PCM fixed bed regenerator. Desalination 2011, 280, 232–243. [Google Scholar] [CrossRef]
  61. Wang, K.; Hu, T.; Hassabou, A.H.; Spinnler, M.; Polifke, W. Analyzing and modeling the dynamic thermal behaviors of direct contact condensers packed with PCM spheres. Contin. Mech. Thermodyn. 2013, 25, 23–41. [Google Scholar] [CrossRef]
  62. Niroomand, N.; Zamen, M.; Amidpour, M. Theoretical investigation of using a direct contact dehumidifier in humidification–dehumidification desalination unit based on an open-air cycle. Desalination Water Treat. 2014, 54, 305–315. [Google Scholar] [CrossRef]
  63. Agboola, O.P.; Egelioglu, F. An empirical evaluation of an integrated inclined solar water desalination system with spray jets variation. Desalination Water Treat. 2013, 53, 2875–2881. [Google Scholar] [CrossRef]
  64. Okati, V.; Farsad, S.; Behzadmehr, A. Numerical analysis of an integrated desalination unit using humidification- dehumidification and subsurface condensation processes. Desalination 2018, 433, 172–185. [Google Scholar] [CrossRef]
  65. Okati, V.; Behzadmehr, A.; Farsad, S. Analysis of a solar desalinator (humidification-dehumidification cycle) including a compound system consisting of a solar humidifier and subsurface condenser using DoE. Desalination 2016, 397, 9–21. [Google Scholar] [CrossRef]
  66. Al-Sahali, M.; Ettouney, H.M. Humidification dehumidification desalination process: Design and performance evaluation. Chem. Eng. J. 2008, 143, 257–264. [Google Scholar] [CrossRef]
  67. Narayan, G.P.; McGovern, R.H.; Lienhard, J.H.; Zubair, S.M. Helium as a Carrier Gas in Humidification Dehumidification Desalination Systems. In Proceedings of the ASME 2011 International Mechanical Engineering Congress & Exposition, Denver, CO, USA, 11–17 November 2011. IMECE2011-62875. [Google Scholar]
  68. Mousa, K.; Arabi, A.; Reddy, K.V. Performance evaluation of desalination processes based on the humidification/dehumidification cycle with different carrier gases. Desalination 2003, 156, 281–293. [Google Scholar]
  69. Ettouney, H. Design and analysis of humidification dehumidification desalination process. Desalination 2005, 183, 341–352. [Google Scholar] [CrossRef]
  70. Kabeel, A.E.; Abdelgaied, M.; Zakaria, Y. Performance evaluation of a solar energy assisted hybrid desiccant air conditioner integrated with HDH desalination system. Energy Convers. Manag. 2017, 150, 382–391. [Google Scholar] [CrossRef]
  71. El-Agouza, S.A.; Ravishankar Sathyamurthy, A. Muthu Manokar. Improvement of humidification–dehumidification desalination unit using a desiccant wheel. Chem. Eng. Res. Des. 2018, 131, 104–116. [Google Scholar]
  72. Qasem, N.A.; Ahmed, M.; Zubair, S.M. The impact of thermodynamic balancing on performance of a desiccant based humidification-dehumidification system to harvest freshwater from atmospheric air. Energy Convers. Manag. 2019, 199, 112011. [Google Scholar] [CrossRef]
  73. Ahmed, M.A.; Gandhidasan, P.; Zubair, S.M.; Bahaidarah, H.M. Thermodynamic analysis of an innovative liquid desiccant air conditioning system to supply potable water. Energy Convers. Manag. 2017, 148, 161–173. [Google Scholar] [CrossRef]
  74. Ng, K.C.; Thu, K.; Kim, Y.; Chakraborty, A.; Amy, G. Adsorption desalination: An emerging low-cost thermal desalination method. Desalination 2013, 308, 161–179. [Google Scholar] [CrossRef]
  75. Ng, K.C.; Thu, K.; Oh, S.J.; Ang, L.; Shahzad, M.W.; Bin Ismail, A. Recent developments in thermally-driven seawater desalination: Energy efficiency improvement by hybridization of the MED and AD cycles. Desalination 2015, 356, 255–270. [Google Scholar] [CrossRef]
  76. Ng, K.C.; Chua, H.T.; Chung, C.Y.; Loke, C.H.; Kashiwagi, T.; Akisawa, A.; Saha, B.B. Experimental investigation of the silica gel-water adsorption isotherm characteristics. Appl. Therm. Eng. 2001, 21, 1631–1642. [Google Scholar] [CrossRef]
  77. Qasem, N.A.; Zubair, S.M. Performance evaluation of a novel hybrid humidification-dehumidification (air-heated) system with an adsorption desalination system. Desalination 2019, 461, 37–54. [Google Scholar] [CrossRef]
  78. Elbassoussi, M.H.; Mohammed, R.H.; Zubair, S.M. Thermoeconomic assessment of an adsorption cooling/desalination cycle coupled with a water-heated humidification-dehumidification desalination unit. Energy Convers. Manag. 2020, 223, 113270. [Google Scholar] [CrossRef]
  79. Ali, E.S.; Mohammed, R.H.; Qasem, N.A.A.; Zubair, S.M.; Askalany, A. Solar-powered ejector-based adsorption desalination system integrated with a humidification-dehumidification system. Energy Convers. Manag. 2021, 238, 114113. [Google Scholar] [CrossRef]
  80. Thu, K. Adsorption Desalination: Theory & Experiments. Ph.D. Thesis, National University of Singapore, Singapore, 2010. [Google Scholar]
  81. Boniface, K.J.; Dykeman, R.R.; Cormier, A.; Wang, H.B.; Mercer, S.M.; Liu, G.; Cunningham, M.F.; Jessop, P.G. CO2-switchable drying agents. Green Chem. 2016, 18, 208–213. [Google Scholar] [CrossRef]
  82. Teo, H.W.B.; Chakraborty, A.; Fan, W. Improved adsorption characteristics data for AQSOA types zeolites and water systems under static and dynamic conditions. Microporous Mesoporous Mater. 2017, 242, 109–117. [Google Scholar]
  83. Vlachogiannis, M.; Bontozoglou, V.; Georgalas, C.; Litinas, G. Desalination by mechanical compression of humid air. Desalination 1999, 122, 35–42. [Google Scholar] [CrossRef]
  84. Narayan, G.P.; Sharqawy, M.H.; Lienhard, J.H.; Zubair, S.M. Thermodynamic analysis of humidification dehumidification desalination cycles. Desalination Water Treat. 2010, 16, 339–353. [Google Scholar] [CrossRef]
  85. Narayan, G.P.; McGovern, R.K.; Lienhard, J.H.; Zubair, S.M. Variable pressure humidification dehumidification desalination system. In Proceedings of the ASME/JSME Thermal Engineering Joint Conference, Honolulu, HI, USA, 13–17 March 2011. AJTEC 2011-44095. [Google Scholar]
  86. Govindan, P.N.; Elsharqawy, M.H.; Lienhard, J.H.; Zubair, S.N. Water Separation under Varied Pressure. U.S. Patent No. 8,252,092 B2, 28 August 2012. [Google Scholar]
  87. Elsharqawy, M.H.; Lienhar, J.H.; Zubair, S.M.; Govindan, P.N. Water Separation under Reduced Pressure. U.S. Patent No. 8,292,272 B2, 23 October 2012. [Google Scholar]
  88. Al-Qutub, A.; Govindan, P.N.; Lienhard, J.H. Thermal Energy-Driven Mechanical Compression Humidification-Dehumidification Water Purification. U.S. Patent No. 10,472,258 B2, 12 November 2019. [Google Scholar]
  89. Siddiqui, O.K.; Sharqawy, M.H.; Antar, M.A.; Zubair, S.M. Performance evaluation of variable pressure humidification-dehumidification systems. Desalination 2017, 409, 171–182. [Google Scholar] [CrossRef]
  90. Mistry, K.H.; Narayan, G.P.; Mitsos, A.; Lienhard, J.H. Optimization of multi-pressure humidification-dehumidification desalination using thermal vapor compression and hybridization. In Proceedings of the 21st National & 10th ISHMT-ASME Heat and Mass Transfer Conference, Chennai, India, 27–30 December 2011. ISHMT 2011-015. [Google Scholar]
  91. Govindan, P.N.; Mistry, K.H.; Lienhard, J.H.; Zubair, S.M. High-Efficiency Thermal-Energy-Driven Water Purification System. U.S. Patent No. 8,647,477, 11 February 2014. [Google Scholar]
  92. Yang, Y. Pressure effect on an ocean-based humidification-dehumidification desalination process. Desalination 2019, 468, 114056. [Google Scholar] [CrossRef]
  93. Narayan, G.P.; McGovern, R.K.; Zubair, S.M.; Lienhard, J.H. High-temperature-steam-driven, varied-pressure, humidification-dehumidification system coupled with reverse osmosis for energy-efficient seawater desalination. Energy 2012, 37, 482–493. [Google Scholar] [CrossRef]
  94. Narayan, G.P.; McGovern, R.K.; Zubair, S.M.; Lienhard, J.H. Exergy analysis of a high-temperature-steam-driven, varied-pressure, humidification-dehumidification system coupled with reverse osmosis. Appl. Energy 2013, 103, 552–561. [Google Scholar]
  95. Ghalavand, Y.; Hatamipour, M.S.; Rahimi, A. Humidification compression desalination. Desalination 2014, 341, 120–125. [Google Scholar] [CrossRef]
  96. Ghalavand, Y.; Hatamipour, M.S.; Rahimi, A. Performance evaluation of humidification-compression desalination. Desalination Water Treat. 2016, 57, 15285–15292. [Google Scholar] [CrossRef]
  97. Ghalavand, Y. Simplified mathematical modelling for a solar humidification compression desalination system. Water Environ. J. 2017, 31, 360–366. [Google Scholar] [CrossRef]
  98. Ghalavand, Y.; Rahimi, A.; Hatamipour, M.S. Mathematical modeling for humidifier performance in a compression desalination system: Insulation effects. Desalination 2018, 433, 48–55. [Google Scholar] [CrossRef]
  99. Rahimi-Ahar, Z.; Hatamipour, M.S.; Ghalavand, Y. Solar assisted modified variable pressure humidification-dehumidification desalination system. Energy Convers. Manag. 2018, 162, 321–330. [Google Scholar] [CrossRef]
  100. Rahimi-Ahar, Z.; Hatamipour, M.S.; Ghalavand, Y. Experimental investigation of a solar vacuum humidification-dehumidification (VHDH) desalination system. Desalination 2018, 437, 73–80. [Google Scholar] [CrossRef]
  101. Rahimi-Ahar, Z.; Hatamipour, M.S.; Ghalavand, Y.; Palizvan, A. Comprehensive study on vacuum humidification-dehumidification (VHDH) desalination. Appl. Therm. Eng. 2020, 169, 114944. [Google Scholar] [CrossRef]
  102. Abedi, M.; Ghalavand, Y.; Ghalavand, A. Mathematical modeling of double-stage humidification compression desalination: Series and parallel configurations. Energy Convers. Manag. 2021, 239, 114210. [Google Scholar] [CrossRef]
  103. Abedi, M.; Ghalavand, Y. Modification in energy and productivity of high-temperature variable pressure humidification-compression. Water Supply 2021, 21, 3557–3569. [Google Scholar] [CrossRef]
  104. Rahimi-Ahar, Z.; Hatamipour, M.S. Performance evaluation of a solar and vacuum assisted multi-stage humidification-dehumidification desalination system. Process Saf. Environ. Prot. 2021, 148, 1304–1314. [Google Scholar] [CrossRef]
Figure 1. Black Box HDH control volume receiving the work of separation and the heat of separation from a variable temperature heat source.
Figure 1. Black Box HDH control volume receiving the work of separation and the heat of separation from a variable temperature heat source.
Energies 16 06352 g001
Figure 2. Exergy or II Law efficiency for HDH processes against TC at various TH and GOR: (a) GOR = 2; (b) GOR = 4; (c) GOR = 6. In all cases TH ranges from 65 to 90 °C.
Figure 2. Exergy or II Law efficiency for HDH processes against TC at various TH and GOR: (a) GOR = 2; (b) GOR = 4; (c) GOR = 6. In all cases TH ranges from 65 to 90 °C.
Energies 16 06352 g002aEnergies 16 06352 g002b
Figure 3. Chronological trend of the exergy-efficiency performance of various desalination processes [32] from implementing the exergy efficiency defined in Equations (5) and (6).
Figure 3. Chronological trend of the exergy-efficiency performance of various desalination processes [32] from implementing the exergy efficiency defined in Equations (5) and (6).
Energies 16 06352 g003
Figure 4. Equipment for heat and mass transfer in humidifiers: (a) Packed bed; (b) Bubble column; (c) Direct contact cross-current evaporator; (d) Cross-current evaporator with hollow fiber membrane contactor (HFMC); (e) Spray chamber.
Figure 4. Equipment for heat and mass transfer in humidifiers: (a) Packed bed; (b) Bubble column; (c) Direct contact cross-current evaporator; (d) Cross-current evaporator with hollow fiber membrane contactor (HFMC); (e) Spray chamber.
Energies 16 06352 g004
Figure 5. Equipment for heat and mass transfer in dehumidifiers: (a) Direct contact condenser (in spray chamber); (b) Direct contact condenser in bubble column (with coil).
Figure 5. Equipment for heat and mass transfer in dehumidifiers: (a) Direct contact condenser (in spray chamber); (b) Direct contact condenser in bubble column (with coil).
Energies 16 06352 g005
Figure 6. Process flow diagram of an HDH desalination process integrated with a desiccant system [72,73].
Figure 6. Process flow diagram of an HDH desalination process integrated with a desiccant system [72,73].
Energies 16 06352 g006
Figure 7. Process flow diagram of an HDH-AD desalination process integrated with a two-bed unit for water vapor adsorption and desorption [22,23].
Figure 7. Process flow diagram of an HDH-AD desalination process integrated with a two-bed unit for water vapor adsorption and desorption [22,23].
Energies 16 06352 g007
Figure 8. Process flow diagram of the integrated HDH-AD cycle in an air-heated configuration [77].
Figure 8. Process flow diagram of the integrated HDH-AD cycle in an air-heated configuration [77].
Energies 16 06352 g008
Figure 9. (a) Schematic diagram and (b) Psychrometric chart of a VP-HDH cycle driven by a mechanical compressor and an expander [84].
Figure 9. (a) Schematic diagram and (b) Psychrometric chart of a VP-HDH cycle driven by a mechanical compressor and an expander [84].
Energies 16 06352 g009
Figure 10. (a) Schematic diagram and (b) Psychrometric chart of a VP-HDH cycle driven by a thermal compressor and a throttle valve [90].
Figure 10. (a) Schematic diagram and (b) Psychrometric chart of a VP-HDH cycle driven by a thermal compressor and a throttle valve [90].
Energies 16 06352 g010
Figure 11. Process flow diagram of a VP-HDH system with two-stage humidification in series [102].
Figure 11. Process flow diagram of a VP-HDH system with two-stage humidification in series [102].
Energies 16 06352 g011
Figure 12. Process flow diagram of a VP-HDH system with two-stage humidification in parallel [102].
Figure 12. Process flow diagram of a VP-HDH system with two-stage humidification in parallel [102].
Energies 16 06352 g012
Table 1. Performance comparison of VP-HDH systems from numerical studies.
Table 1. Performance comparison of VP-HDH systems from numerical studies.
ReferenceSystem DescriptionPH
(kPa)
PDH
(kPa)
Product
Water Rate
(kg h−1)
GOR
(–)
SEC
(kJe kg−1)
Product
Water Cost
(USD m−3)
Narayan et al. [85]MVC-driven4050≈4006.0 *200-
Siddiqui et al. [89]MVC-driven5066.51803.8640-
Narayan et al. [93]TVC-driven8710036001.1 *66.6-
Ghalavand et al. [95]HC-based1003001512.11125-
Rahimi-Ahar et al. [99]HC Process-I10>101.32.11.317148.0
HC Process-II10101.32.23.36554.0
Abedi and Ghalavand [103]1-stage HC Case A10016741.214.11652.8
1-stage HC Case B6010028.712.31893.2
2-stage HC parallel Case C100 (1st)
60 (2nd)
10052.416.11452.4
* An efficiency of 40% is used to convert the work to heat in the calculation of GOR.
Table 2. Performance comparison of VP-HDH systems from experimental studies.
Table 2. Performance comparison of VP-HDH systems from experimental studies.
ReferenceSystem DescriptionPH
(kPa)
PDH
(kPa)
Product
Water Rate
(kg h−1)
GOR
(–)
SEC
(kJe kg−1)
Product
Water Cost
(USD m−3)
Ghalavand et al. [96]HC with solar heating1003001.51.121306.5
Rahimi-Ahar et al. [100]Vacuum HC with solar heating50101.32.13.47564.1
Rahimi-Ahar et al. [101]Vacuum HC with solar heating50101.31.8-6483.9
Abedi et al. [102]2-stage HC series with solar heating100 (1st)
50 (2nd)
1204.5-26748.2
2-stage HC parallel with solar heating100 (1st)
50 (2nd)
1205.4-16194.9
Rahimi-Ahar and Hatamipour [104]3-stage vacuum HC parallel with solar heating33101.33.6-3602.0
Disclaimer/Publisher’s Note: The statements, opinions and data contained in all publications are solely those of the individual author(s) and contributor(s) and not of MDPI and/or the editor(s). MDPI and/or the editor(s) disclaim responsibility for any injury to people or property resulting from any ideas, methods, instructions or products referred to in the content.

Share and Cite

MDPI and ACS Style

Luberti, M.; Capocelli, M. Enhanced Humidification–Dehumidification (HDH) Systems for Sustainable Water Desalination. Energies 2023, 16, 6352. https://doi.org/10.3390/en16176352

AMA Style

Luberti M, Capocelli M. Enhanced Humidification–Dehumidification (HDH) Systems for Sustainable Water Desalination. Energies. 2023; 16(17):6352. https://doi.org/10.3390/en16176352

Chicago/Turabian Style

Luberti, Mauro, and Mauro Capocelli. 2023. "Enhanced Humidification–Dehumidification (HDH) Systems for Sustainable Water Desalination" Energies 16, no. 17: 6352. https://doi.org/10.3390/en16176352

APA Style

Luberti, M., & Capocelli, M. (2023). Enhanced Humidification–Dehumidification (HDH) Systems for Sustainable Water Desalination. Energies, 16(17), 6352. https://doi.org/10.3390/en16176352

Note that from the first issue of 2016, this journal uses article numbers instead of page numbers. See further details here.

Article Metrics

Back to TopTop