A Single-Stage, Multi-Port Hybrid Power Converter Integrating PV and Wind Sources for a Standalone DC System
Abstract
:1. Introduction
- Integrating hybrid PV and wind sources in the proposed single-stage power converter, with the aim of concurrent energy harvesting from both sources in the standalone DC system.
- A combined control framework for regulating the load voltage of the configuration as well as extracting power from both sources has been formulated. In addition, a modified sinusoidal PWM scheme with shoot-through features has been elaborated.
- Depiction of power flow between hybrid sources and loads provides insights about simultaneous AC–DC conversion and DC–DC conversion processes materializing in the proposed converter.
- Demonstration of proposed power converter viability with hybrid sources in the standalone system has been carried out with the performance evaluation under varying source conditions or varying loading conditions.
2. Proposed System Configuration
2.1. Principle of Operation
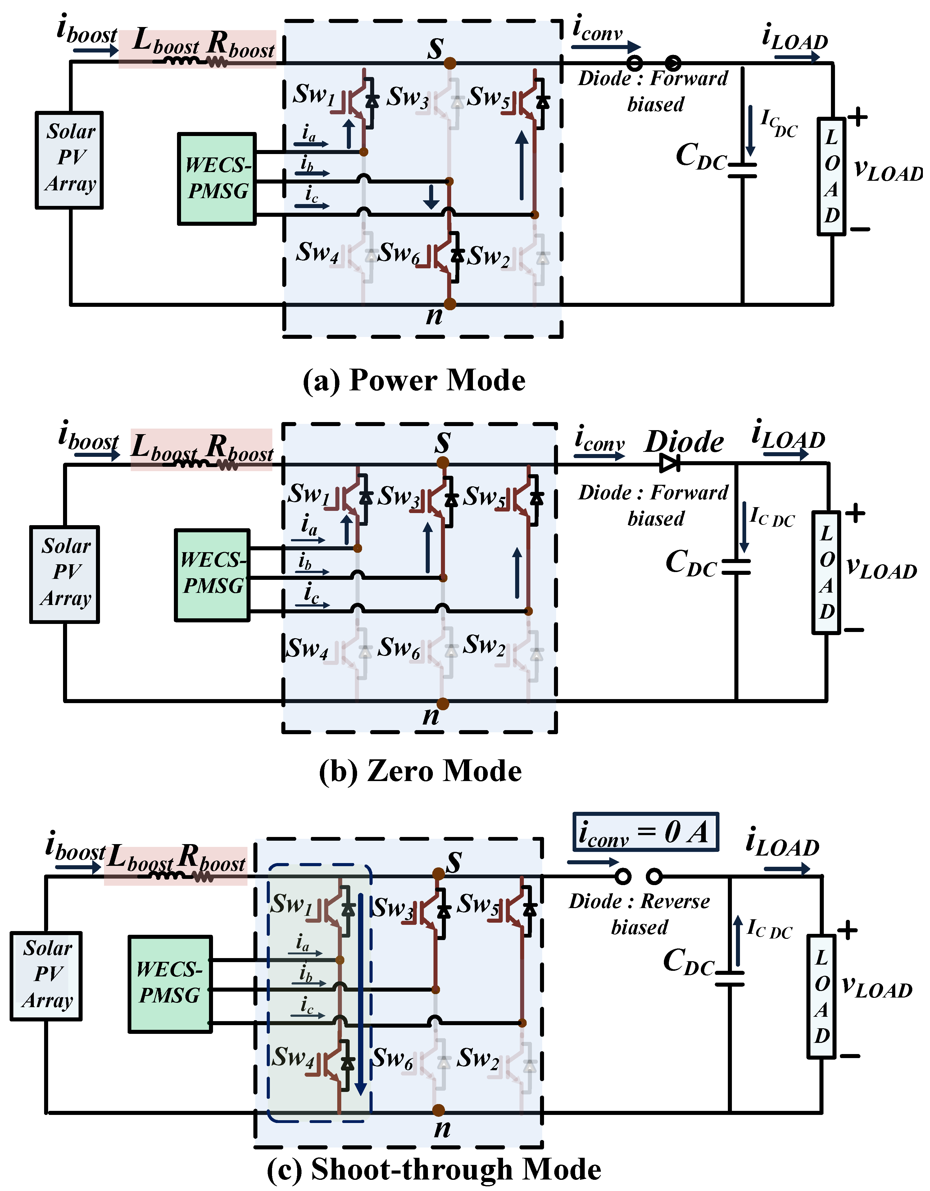
2.2. Modes of Operation
- Converter bridge current () is represented as:
- Converter output capacitor current is represented as:
- Converter switch node voltage is represented as:
- Converter bridge current () is represented as:
- Converter output capacitor current is represented as:
- Converter switch node voltage is represented as:
- Converter bridge current () is represented as:
- Converter output capacitor current is represented as:
- Converter switch node voltage is represented as:
3. Control Logic Framework
- Scenario MPP: When the load power requirement, , is at its rated value such that it can be fulfilled by both the sources together, then the load voltage regulations in the control architecture will tend to push these hybrid sources to function at their respective peak power levels. Herein, no explicit MPP technique is involved in this control architecture; however, it is capable of achieving peak power operating points in both sources together during the rated load level demand. Therefore, the voltage levels of hybrid sources are regulated and will tend to actuate the necessary self-regulation in the current levels concurrently in both sources and, thereby, the MPP scenario can be attained in addition to the fulfilment of constant load voltage and rated load demand.
- Non-MPP scenario: When the load power requirement, , is not at its rated value but at some intermediate level such that it can be fulfilled by both sources together, these hybrid sources will be functioning at some non-MPP power levels. In this scenario, the operating points of both sources will be varied in tandem to maintain a constant load voltage while simultaneously satisfying the load power.
- Scenario : In this scenario, load shedding needs to be conducted. Only the critical load power demand is fulfilled by both sources together, depending on the availability of the source level.
4. PWM Architecture for the Proposed Converter
- Subsequently, modulating signals are compared among themselves, generating the intermediate signals as marked in Figure 6iii. These intermediate signals depict the dominance of phase signals in the complete cycle, and, thereby, these signals will be used to interface the logical signals of Figure 6i,ii.
- Further, logical signals based on shoot-through are constructed utilizing an AND gate with the help of the DC–DC conversion signals of Figure 6ii and intermediate signals of Figure 6iii. As indicated in Figure 6iv, the shoot-through signals for high-side and low-side switches comprise intermediate signals and DC–DC conversion signals. These interfacing signals ensure that the shoot-through operation can be derived from the zero mode of operation in the proposed converter.
- As illustrated in Figure 6v, the sinusoidal-based logical signals of Figure 6i are merged with the shoot-through signals of Figure 6iv corresponding to the switches using a logical OR gate. This process provides the final gating signals that ensure the concurrent operation of three-phase AC–DC conversion and DC–DC conversion in the proposed converter.
5. Simulation, Experimental Validation and Discussion
- (1).
- Varying load levels;
- (2).
- Varying source level conditions.
5.1. Constant Input and Variable Load Conditions
5.2. Variable Input and Constant Load Conditions
6. Conclusions
Author Contributions
Funding
Data Availability Statement
Conflicts of Interest
Abbreviations
| PV | Photovoltaic |
| WT | Wind Turbine |
| PMSG | Permanent Magnetic Synchronous Generator |
| AC | Alternating Current |
| DC | Direct Current |
| WECS | Wind Energy Conversion System |
| PI | Proportional–Integral |
| PWM | Pulse-Width Modulation |
| SPWM | Sinusoidal Pulse-Width Modulation |
| MPP | Maximum Power Point |
References
- Sayed, E.T.; Olabi, A.G.; Alami, A.H.; Radwan, A.; Mdallal, A.; Rezk, A.; Abdelkareem, M.A. Renewable Energy and Energy Storage Systems. Energies 2023, 16, 1415. [Google Scholar] [CrossRef]
- Gounella, R.; Assagra, Y.; Gonçalves, L.; Carmo, J. Energy harvesting and storage for stand-alone microsystems. In Emerging Trends in Energy Storage Systems and Industrial Applications; Elsevier: Amsterdam, The Netherlands, 2023; pp. 283–306. [Google Scholar]
- Daniel, S.A.; AmmasaiGounden, N. A novel hybrid isolated generating system based on PV fed inverter-assisted wind-driven induction generators. IEEE Trans. Energy Convers. 2004, 19, 416–422. [Google Scholar] [CrossRef]
- Arutchelvi, M.; Daniel, S.A. Voltage control of an autonomous hybrid generation scheme based on PV array and wind-driven induction generators. Electr. Power Components Syst. 2006, 34, 759–773. [Google Scholar] [CrossRef]
- Prakash, S.L.; Arutchelvi, M.; Jesudaiyan, A.S. Autonomous PV-array excited wind-driven induction generator for off-grid application in India. IEEE J. Emerg. Sel. Top. Power Electron. 2016, 4, 1259–1269. [Google Scholar] [CrossRef]
- Rezkallah, M.; Singh, S.; Chandra, A.; Singh, B.; Tremblay, M.; Saad, M.; Geng, H. Comprehensive controller implementation for wind-PV-diesel based standalone microgrid. IEEE Trans. Ind. Appl. 2019, 55, 5416–5428. [Google Scholar] [CrossRef]
- Pradhan, S.; Singh, B.; Panigrahi, B.K.; Murshid, S. A composite sliding mode controller for wind power extraction in remotely located solar PV–wind hybrid system. IEEE Trans. Ind. Electron. 2018, 66, 5321–5331. [Google Scholar] [CrossRef]
- Sekhar, N.; Kumaresan, N. Operation and control of a stand-alone power system with integrated multiple renewable energy sources. Wind Eng. 2022, 46, 221–239. [Google Scholar] [CrossRef]
- Ahmed, T.; Nishida, K.; Nakaoka, M. A novel stand-alone induction generator system for AC and DC power applications. In Proceedings of the Fourtieth IAS Annual Meeting. Conference Record of the 2005 Industry Applications Conference, Hong Kong, China, 2–6 October 2005; Volume 4, pp. 2950–2957. [Google Scholar]
- Mahajan, S.; Subramaniam, S.; Natarajan, K.; Gounder, A.G.N.; Borru, D.V. Analysis and control of induction generator supplying stand-alone AC loads employing a Matrix Converter. Eng. Sci. Technol. Int. J. 2017, 20, 649–661. [Google Scholar] [CrossRef]
- Kumar, R.; Singh, B. Single stage solar PV fed brushless DC motor driven water pump. IEEE J. Emerg. Sel. Top. Power Electron. 2017, 5, 1377–1385. [Google Scholar] [CrossRef]
- Prabhakaran, K.; Karthikeyan, A.; Varsha, S.; Perumal, B.V.; Mishra, S. Standalone single stage PV-fed reduced switch inverter based PMSM for water pumping application. IEEE Trans. Ind. Appl. 2020, 56, 6526–6535. [Google Scholar] [CrossRef]
- Dragičević, T.; Lu, X.; Vasquez, J.C.; Guerrero, J.M. DC microgrids—Part I: A review of control strategies and stabilization techniques. IEEE Trans. Power Electron. 2015, 31, 4876–4891. [Google Scholar]
- González-Castaño, C.; Restrepo, C.; Kouro, S.; Rodriguez, J. MPPT algorithm based on artificial bee colony for PV system. IEEE Access 2021, 9, 43121–43133. [Google Scholar] [CrossRef]
- Hazzab, A.; Gouabi, H.; Habbab, M.; Rezkallah, M.; Ibrahim, H.; Chandra, A. Wind turbine emulator control improvement using nonlinear PI controller for wind energy conversion system: Design and real-time implementation. Int. J. Adapt. Control. Signal Process. 2023, 37, 1151–1165. [Google Scholar] [CrossRef]
- Nayanar, V.; Kumaresan, N.; Gounden, N.A. A single-sensor-based MPPT controller for wind-driven induction generators supplying DC microgrid. IEEE Trans. Power Electron. 2015, 31, 1161–1172. [Google Scholar] [CrossRef]
- Mechnane, F.; Drid, S.; Nait-Said, N.; Chrifi-Alaoui, L. Robust Current Control of a Small-Scale Wind–Photovoltaic Hybrid System Based on the Multiport DC Converter. Appl. Sci. 2023, 13, 7047. [Google Scholar] [CrossRef]
- Saafan, A.A.; Khadkikar, V.; Edpuganti, A.; El Moursi, M.S.; Zeineldin, H.H. A Novel Non-Isolated Four-Port Converter for Flexible DC Microgrid Operation. IEEE Trans. Ind. Electron. 2023, 71, 1653–1664. [Google Scholar] [CrossRef]
- Misra, H.; Jain, A.K. Analysis of stand-alone DFIG-DC system and DC voltage regulation with reduced sensors. IEEE Trans. Ind. Electron. 2017, 64, 4402–4412. [Google Scholar] [CrossRef]
- Gugulothu, R.; Nagu, B.; Pullaguram, D. Energy management strategy for standalone DC microgrid system with photovoltaic/fuel cell/battery storage. J. Energy Storage 2023, 57, 106274. [Google Scholar] [CrossRef]
- Zia, M.F.; Nasir, M.; Elbouchikhi, E.; Benbouzid, M.; Vasquez, J.C.; Guerrero, J.M. Energy management system for a hybrid PV-Wind-Tidal-Battery-based islanded DC microgrid: Modeling and experimental validation. Renew. Sustain. Energy Rev. 2022, 159, 112093. [Google Scholar] [CrossRef]
- Jacob, E.; Farzaneh, H. Dynamic modeling and experimental validation of a standalone hybrid microgrid system in Fukuoka, Japan. Energy Convers. Manag. 2022, 274, 116462. [Google Scholar] [CrossRef]
- Elkholy, M.; Elymany, M.; Metwally, H.; Farahat, M.; Senjyu, T.; Lotfy, M.E. Design and implementation of a Real-time energy management system for an isolated Microgrid: Experimental validation. Appl. Energy 2022, 327, 120105. [Google Scholar] [CrossRef]
- Mahjoub, S.; Chrifi-Alaoui, L.; Drid, S.; Derbel, N. Control and Implementation of an Energy Management Strategy for a PV–Wind–Battery Microgrid Based on an Intelligent Prediction Algorithm of Energy Production. Energies 2023, 16, 1883. [Google Scholar] [CrossRef]
- Prabhakaran, P.; Agarwal, V. Novel four-port DC–DC converter for interfacing solar PV–fuel cell hybrid sources with low-voltage bipolar DC microgrids. IEEE J. Emerg. Sel. Top. Power Electron. 2018, 8, 1330–1340. [Google Scholar] [CrossRef]
- Ravada, B.R.; Tummuru, N.R.; Ande, B.N.L. Photovoltaic-wind and hybrid energy storage integrated multi-source converter configuration for DC microgrid applications. IEEE Trans. Sustain. Energy 2020, 12, 83–91. [Google Scholar] [CrossRef]
- Lawan, S.M.; Abidin, W.A.W.Z. A Review of Hybrid Renewable Energy Systems Based on Wind and Solar Energy: Modeling, Design and Optimization. Wind. Sol. Hybrid Renew. Energy Syst. 2020. [Google Scholar] [CrossRef]
- Mohan, N.; Undeland, T.M.; Robbins, W.P. Power Electronics: Converters, Applications, and Design; John Wiley & Sons: Hoboken, NJ, USA, 2003. [Google Scholar]
- Li, L.; Li, K.J.; Sun, K.; Liu, Z.; Lee, W.J. A comparative study on voltage level standard for dc residential power systems. IEEE Trans. Ind. Appl. 2022, 58, 1446–1455. [Google Scholar] [CrossRef]










| Parameters | Ratings |
|---|---|
| Power at G = 1 kW/m2 | 3291 W |
| at G = 1 kW/m2 | 374 V |
| at G = 1 kW/m2 | 8.8 A |
| Power at G = 500 W/m2 | 1749 W |
| at G = 500 W/m2 | 394.2 V |
| at G = 500 W/m2 | 4.4368 A |
| Parameters | Ratings |
|---|---|
| Power | 1500 W |
| Rotor speed | 1500 rpm (157 rad/s) |
| No. of poles | 4 |
| Flux linkage | 0.9426 Wb |
| d-axis inductance | 24.3 mH |
| q-axis inductance | 24.3 mH |
| Moment of inertia | 0.0145 kgm2 |
| Parameters | Ratings |
|---|---|
| Rated power | 4500 W |
| Rated output voltage | 750 V (DC) |
| Range of load resistance | 125 to 750 |
| Inductance in series with PV array | 18.75 mH |
| Input capacitance at PV array | 4.7 mF |
| Output capacitance | 470 μF |
| Switching frequency | 2.5 kHz |
Disclaimer/Publisher’s Note: The statements, opinions and data contained in all publications are solely those of the individual author(s) and contributor(s) and not of MDPI and/or the editor(s). MDPI and/or the editor(s) disclaim responsibility for any injury to people or property resulting from any ideas, methods, instructions or products referred to in the content. |
© 2023 by the authors. Licensee MDPI, Basel, Switzerland. This article is an open access article distributed under the terms and conditions of the Creative Commons Attribution (CC BY) license (https://creativecommons.org/licenses/by/4.0/).
Share and Cite
Khare, A.; Anabalagan, K. A Single-Stage, Multi-Port Hybrid Power Converter Integrating PV and Wind Sources for a Standalone DC System. Energies 2023, 16, 6305. https://doi.org/10.3390/en16176305
Khare A, Anabalagan K. A Single-Stage, Multi-Port Hybrid Power Converter Integrating PV and Wind Sources for a Standalone DC System. Energies. 2023; 16(17):6305. https://doi.org/10.3390/en16176305
Chicago/Turabian StyleKhare, Anvit, and Karthikeyan Anabalagan. 2023. "A Single-Stage, Multi-Port Hybrid Power Converter Integrating PV and Wind Sources for a Standalone DC System" Energies 16, no. 17: 6305. https://doi.org/10.3390/en16176305
APA StyleKhare, A., & Anabalagan, K. (2023). A Single-Stage, Multi-Port Hybrid Power Converter Integrating PV and Wind Sources for a Standalone DC System. Energies, 16(17), 6305. https://doi.org/10.3390/en16176305
