Development of Virtual Inertia Control with State-of-Charge Recovery Strategy Using Coordinated Secondary Frequency Control for Optimized Battery Capacity in Isolated Low Inertia Grid
Abstract
1. Introduction
1.1. Research Background
1.2. State-of-the-Art Review
2. Frequency Control and Virtual Inertia Emulation
2.1. Frequency Control in Isolated Grid
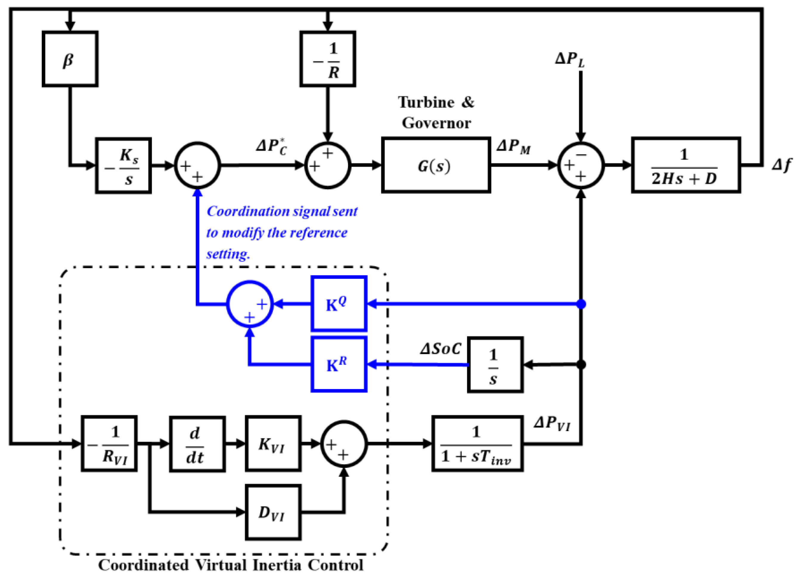
- Inertial response. The inertial response is obtained from the kinetic energy stored in the rotating rotor mass, or better known as inertia, symbolized as H. It responds within seconds after the disturbances and serves to withstand sudden frequency changes to minimize the nadir frequency () at a relatively higher value and the RoCoF () at a relatively less steep value. It is worth noting that, with an increase of the inverter-based generator penetration, the value of system inertia is decreasing, and thus may reduce the system’s capability to maintain the nadir frequency as high as possible and the RoCoF as gently as possible. The correlation between system inertia and the frequency () can be obtained from the swing equation in Laplace form, as follows:where is the change in the supply related to the mechanical power, is the change in the demand/load, and H and D are the system inertia and damping coefficient, respectively.
- Governor control. Governor control is usually provided in a generator, also known as droop control, symbolized as R. Governor control responds by adjusting the input power of the turbine proportionally to the droop setting. It works within milliseconds up to 30–40 s after disturbance to stabilize the frequency at a fixed and temporary frequency () before another control mechanism takes place. Hence, the governor control has limitations depending on the droop setting, so it can only operate within a certain range of frequency deviation (). The effect of the governor control can be mathematically described as follows:where is the droop setting of the governor, and is the transfer function of the generator that generates the mechanical power () and may vary depending on the turbine and governor characteristics.
- Secondary control, also known as Load Frequency Control (LFC) or Automatic Generation Control (AGC). The LFC is aimed to bring back the frequency to its nominal value () by adjusting the reference setting of the generators (). It calculates the difference between the generated power and load and provides a new setting to the generators based on the integral control gain () and frequency bias factor (β). This control mechanism operates within seconds to minutes after disturbances and responses to a certain range of frequency deviation () depending on the available power reserve in the system. The result of the LFC application can be evaluated as follows:where is the integral control gain of LFC, and is the frequency bias factor that depends on the damping coefficient and droop setting.
- Tertiary control. The tertiary control is related to long-term frequency control, such as in minutes to hours, and is associated with power generation planning and emergency response. This adjustment is generally needed if the frequency continues to fall far below the nominal frequency, which can cause generator trips, cascading failures, and blackouts. It can respond within a tertiary frequency range (), which is associated with the system’s overall power reserve, can be activated by turning on additional generation units, or by turning off a number of loads (load shedding). Hence, since this study discusses the short-term frequency characteristics after disturbances, so the tertiary control is not considered in this research.
2.2. Virtual Inertia Emulation Strategy
3. Coordinated Virtual Inertia Control Strategy
3.1. Characteristics of VI Control
3.2. Modified Secondary Frequency Control Signal
4. Simulation and Results
4.1. Test Case System and Study Cases
4.2. Results and Discussion
5. Conclusions
Author Contributions
Funding
Data Availability Statement
Conflicts of Interest
Nomenclature
| AGC | Automatic Generation Control |
| BESS | Battery Energy Storage System |
| GRC | Generation Rate Constraint |
| LFC | Load Frequency Control |
| MPC | Model Predictive Control |
| PI | Proportional–integral |
| PID | Proportional–integral–derivative |
| RES | Renewable Energy Sources |
| RoCoF | Rate of Change of Frequency |
| SoC | State of Charge |
| VI | Virtual Inertia |
References
- Ahmad, L.; Khordehgah, N.; Malinauskaite, J.; Jouhara, H. Recent advances and applications of solar photovoltaics and thermal technologies. Energy 2020, 207, 118254. [Google Scholar] [CrossRef]
- Jean, J.; Brown, P.R.; Jaffe, R.L.; Buonassisi, T.; Bulović, V. Pathways for solar photovoltaics. Energy Environ. Sci. 2015, 8, 1200–1219. [Google Scholar] [CrossRef]
- Gallego-Castillo, C.; Cuerva-Tejero, A.; Lopez-Garcia, O. A review on the recent history of wind power ramp forecasting. Renew. Sustain. Energy Rev. 2015, 52, 1148–1157. [Google Scholar] [CrossRef]
- Jung, J.; Broadwater, R.P. Current status and future advances for wind speed and power forecasting. Renew. Sustain. Energy Rev. 2014, 31, 762–777. [Google Scholar] [CrossRef]
- Chamorro, C.R.; Mondéjar, M.E.; Ramos, R.; Segovia, J.J.; Martín, M.C.; Villamañán, M.A. World geothermal power production status: Energy, environmental and economic study of high enthalpy technologies. Energy 2012, 42, 10–18. [Google Scholar] [CrossRef]
- Santos, L.; Dahi Taleghani, A.; Elsworth, D. Repurposing abandoned wells for geothermal energy: Current status and future prospects. Renew. Energy 2022, 194, 1288–1302. [Google Scholar] [CrossRef]
- Malico, I.; Nepomuceno Pereira, R.; Gonçalves, A.C.; Sousa, A.M.O. Current status and future perspectives for energy production from solid biomass in the European industry. Renew. Sustain. Energy Rev. 2019, 112, 960–977. [Google Scholar] [CrossRef]
- Hameed, Z.; Aslam, M.; Khan, Z.; Maqsood, K.; Atabani, A.E.; Ghauri, M.; Khurram, M.S.; Rehan, M.; Nizami, A.-S. Gasification of municipal solid waste blends with biomass for energy production and resources recovery: Current status, hybrid technologies and innovative prospects. Renew. Sustain. Energy Rev. 2021, 136, 110375. [Google Scholar] [CrossRef]
- Khojasteh, D.; Mousavi, S.M.; Glamore, W.; Iglesias, G. Wave energy status in Asia. Ocean Eng. 2018, 169, 344–358. [Google Scholar] [CrossRef]
- Li, G.; Zhu, W. Tidal current energy harvesting technologies: A review of current status and life cycle assessment. Renew. Sustain. Energy Rev. 2023, 179, 113269. [Google Scholar] [CrossRef]
- Shang, Z.; Hossain, M.M.; Wycisk, R.; Pintauro, P.N. Poly(phenylene sulfonic acid)-expanded polytetrafluoroethylene composite membrane for low relative humidity operation in hydrogen fuel cells. J. Power Sources 2022, 535, 231375. [Google Scholar] [CrossRef]
- Zhou, Y.; Li, R.; Lv, Z.; Liu, J.; Zhou, H.; Xu, C. Green hydrogen: A promising way to the carbon-free society. Chin. J. Chem. Eng. 2022, 43, 2–13. [Google Scholar] [CrossRef]
- IRENA. Renewable Capacity Statistics 2022; IRENA: Abu Dhabi, United Arab Emirates, 2022. [Google Scholar]
- IRENA. Renewable Energy Prospects: Indonesia; a REmap analysis; IRENA: Abu Dhabi, United Arab Emirates, 2017. [Google Scholar]
- Katiraei, F.; Agüero, J.R. Solar PV integration challenges. IEEE Power Energy Mag. 2011, 9, 62–71. [Google Scholar] [CrossRef]
- Bird, L.; Milligan, M.; Lew, D. Integrating Variable Renewable Energy: Challenges and Solutions; National Renewable Energy Lab. (NREL): Golden, CO, USA, 2013.
- Rokrok, E.; Shafie-khah, M.; Catalão, J.P.S. Review of primary voltage and frequency control methods for inverter-based islanded microgrids with distributed generation. Renew. Sustain. Energy Rev. 2018, 82, 3225–3235. [Google Scholar] [CrossRef]
- Rampokanyo, M.; Ijumba-Kamera, P. Power system inertia in an inverter-dominated network. J. Energy South. Afr. 2019, 30, 80–86. [Google Scholar] [CrossRef]
- Ulbig, A.; Borsche, T.S.; Andersson, G. Impact of Low Rotational Inertia on Power System Stability and Operation. IFAC Proc. Vol. 2014, 47, 7290–7297. [Google Scholar] [CrossRef]
- Tielens, P.; Van Hertem, D. The relevance of inertia in power systems. Renew. Sustain. Energy Rev. 2016, 55, 999–1009. [Google Scholar] [CrossRef]
- Islam, M.A.; Hasanuzzaman, M.; Rahim, N.A.; Nahar, A.; Hosenuzzaman, M. Global renewable energy-based electricity generation and smart grid system for energy security. Sci. World J. 2014, 2014, 197136. [Google Scholar] [CrossRef]
- Hartono, B.S.; Budiyanto; Setiabudy, R. Review of Microgrid Technology. In Proceedings of the 2013 International Conference on QiR, Yogyakarta, Indonesia, 25–28 June 2013; pp. 127–132. [Google Scholar] [CrossRef]
- Mamat, R.; Sani, M.S.M.; Sudhakar, K. Renewable Energy in Southeast Asia: Policies and Recommendations. Sci. Total Environ. 2019, 670, 1095–1102. [Google Scholar] [CrossRef]
- IRENA. Electricity Storage and Renewables: Costs and Markets to 2030; IRENA: Abu Dhabi, United Arab Emirates, 2017. [Google Scholar]
- IRENA. Battery Storage for Renewables: Market Status and Technology Outlook; IRENA: Abu Dhabi, United Arab Emirates, 2015. [Google Scholar]
- Berrada, A.; Loudiyi, K.; Zorkani, I. Valuation of energy storage in energy and regulation markets. Energy 2016, 115, 1109–1118. [Google Scholar] [CrossRef]
- Cho, J.; Kleit, A.N. Energy storage systems in energy and ancillary markets: A backwards induction approach. Appl. Energy 2015, 147, 176–183. [Google Scholar] [CrossRef]
- Cheng, Y.; Azizipanah-Abarghooee, R.; Azizi, S.; Ding, L.; Terzija, V. Smart frequency control in low inertia energy systems based on frequency response techniques: A review. Appl. Energy 2020, 279, 115798. [Google Scholar] [CrossRef]
- Li, J.; Yang, Q.; Yao, P.; Sun, Q.; Zhang, Z.; Zhang, M.; Yuan, W. A Novel use of the Hybrid Energy Storage System for Primary Frequency Control in a Microgrid. Energy Procedia 2016, 103, 82–87. [Google Scholar] [CrossRef]
- Amin, M.R.; Negnevitsky, M.; Franklin, E.; Alam, K.S.; Naderi, S.B. Application of battery energy storage systems for primary frequency control in power systems with high renewable energy penetration. Energies 2021, 14, 1379. [Google Scholar] [CrossRef]
- Kerdphol, T.; Rahman, F.S.; Mitani, Y. Virtual inertia control application to enhance frequency stability of interconnected power systems with high renewable energy penetration. Energies 2018, 11, 981. [Google Scholar] [CrossRef]
- Skiparev, V.; Machlev, R.; Chowdhury, N.R.; Levron, Y.; Petlenkov, E.; Belikov, J. Virtual inertia control methods in islanded microgrids. Energies 2021, 14, 1562. [Google Scholar] [CrossRef]
- Ofir, R.; Markovic, U.; Aristidou, P.; Hug, G. Droop vs. Virtual Inertia: Comparison from the Perspective of Converter Operation Mode. In Proceedings of the 2018 IEEE International Energy Conference (ENERGYCON), Limassol, Cyprus, 3–7 June 2018; pp. 1–6. [Google Scholar] [CrossRef]
- Tamrakar, U.; Shrestha, D.; Maharjan, M.; Bhattarai, B.P.; Hansen, T.M.; Tonkoski, R. Virtual inertia: Current trends and future directions. Appl. Sci. 2017, 7, 654. [Google Scholar] [CrossRef]
- Kerdphol, T.; Rahman, F.S.; Watanabe, M.; Mitani, Y. Virtual Inertia Synthesis and Control; Springer: Cham, Switzerland, 2021; ISBN 9783030579609. [Google Scholar]
- Kerdphol, T.; Watanabe, M. Self-Adaptive Virtual Inertia Control-Based Fuzzy Logic to Improve Frequency Stability of Microgrid with High Renewable Penetration. IEEE Access 2019, 7, 76071–76083. [Google Scholar] [CrossRef]
- Karimi, A.; Khayat, Y.; Naderi, M.; Dragičević, T.; Mirzaei, R.; Blaabjerg, F.; Bevrani, H. Inertia Response Improvement in AC Microgrids: A Fuzzy-Based Virtual Synchronous Generator Control. IEEE Trans. Power Electron. 2020, 35, 4321–4331. [Google Scholar] [CrossRef]
- Yang, L.; Hu, Z. Implementation of dynamic virtual inertia control of supercapacitors for multi-area PV-based microgrid clusters. Sustainability 2020, 12, 3299. [Google Scholar] [CrossRef]
- Mahto, T.; Kumar, R.; Malik, H.; Hussain, S.M.S.; Ustun, T.S. Fractional order fuzzy based virtual inertia controller design for frequency stability in isolated hybrid power systems. Energies 2021, 14, 1634. [Google Scholar] [CrossRef]
- Kerdphol, T.; Rahman, F.S.; Mitani, Y.; Hongesombut, K. Virtual Inertia Control-Based Model Predictive Control for Microgrid Frequency Stabilization Considering High Renewable Energy Integration. Sustainability 2017, 9, 773. [Google Scholar] [CrossRef]
- Saleh, A.; Hasanien, H.M.; Turky, R.A.; Turdybek, B.; Alharbi, M.; Jurado, F.; Omran, W.A. Optimal Model Predictive Control for Virtual Inertia Control of Autonomous Microgrids. Sustainability 2023, 15, 5009. [Google Scholar] [CrossRef]
- Zheng, C.; Dragicevic, T.; Blaabjerg, F. Model Predictive Control-Based Virtual Inertia Emulator for an Islanded Alternating Current Microgrid. IEEE Trans. Ind. Electron. 2021, 68, 7167–7177. [Google Scholar] [CrossRef]
- Mohamed, T.H.; Bevrani, H.; Hassan, A.A.; Hiyama, T. Decentralized model predictive based load frequency control in an interconnected power system. Energy Convers. Manag. 2011, 52, 1208–1214. [Google Scholar] [CrossRef]
- Kerdphol, T.; Rahman, F.S.; Mitani, Y.; Watanabe, M.; Kufeoglu, S. Robust Virtual Inertia Control of an Islanded Microgrid Considering High Penetration of Renewable Energy. IEEE Access 2018, 6, 625–636. [Google Scholar] [CrossRef]
- Amiri, F.; Moradi, M.H. Designing a new robust control for virtual inertia control in the microgrid with regard to virtual damping. J. Electr. Comput. Eng. Innov. 2020, 8, 53–70. [Google Scholar] [CrossRef]
- Moradi, M.H.; Amiri, F. Virtual inertia control in islanded microgrid by using robust model predictive control (RMPC) with considering the time delay. Soft Comput. 2021, 25, 6653–6663. [Google Scholar] [CrossRef]
- Arrigo, F.; Bompard, E.; Merlo, M.; Milano, F. Assessment of primary frequency control through battery energy storage systems. Int. J. Electr. Power Energy Syst. 2020, 115, 105428. [Google Scholar] [CrossRef]
- Borsche, T.S.; Ulbig, A.; Andersson, G. Impact of frequency control reserve provision by storage systems on power system operation. IFAC Proc. Vol. 2014, 19, 4038–4043. [Google Scholar] [CrossRef]
- Sockeel, N.; Gafford, J.; Papari, B.; Mazzola, M. Virtual Inertia Emulator-Based Model Predictive Control for Grid Frequency Regulation Considering High Penetration of Inverter-Based Energy Storage System. IEEE Trans. Sustain. Energy 2020, 11, 2932–2939. [Google Scholar] [CrossRef]
- Kunisch, H.-J.; Kramer, K.G.; Dominik, H. Battery Energy Storage Another Option for Load-Frequency-Control and Instantaneous Reserve. IEEE Trans. Energy Convers. 1986, EC-1, 41–46. [Google Scholar] [CrossRef]
- Chang, J.-W.; Lee, G.-S.; Moon, H.-J.; Glick, M.B.; Moon, S.-I. Coordinated Frequency and State-of-Charge Control with Multi-Battery Energy Storage Systems and Diesel Generators in an Isolated Microgrid. Energies 2019, 12, 1614. [Google Scholar] [CrossRef]
- Oudalov, A.; Chartouni, D.; Ohler, C. Optimizing a battery energy storage system for primary frequency control. IEEE Trans. Power Syst. 2007, 22, 1259–1266. [Google Scholar] [CrossRef]
- Borsche, T.; Ulbig, A.; Koller, M.; Andersson, G. Power and energy capacity requirements of storages providing frequency control reserves. In Proceedings of the 2013 IEEE Power & Energy Society General Meeting, Vancouver, BC, Canada, 21–25 July 2013. [Google Scholar] [CrossRef]
- Mégel, O.; Mathieu, J.L.; Andersson, G. Maximizing the potential of energy storage to provide fast frequency control. In Proceedings of the IEEE PES ISGT Europe 2013, Lyngby, Denmark, 6–9 October 2013; pp. 1–5. [Google Scholar] [CrossRef]
- Ulbig, A.; Rinke, T.; Chatzivasileiadis, S.; Andersson, G. Predictive control for real-time frequency regulation and rotational inertia provision in power systems. In Proceedings of the 52nd IEEE Conference on Decision and Control, Firenze, Italy, 10–13 December 2013; pp. 2946–2953. [Google Scholar] [CrossRef]
- Datta, U.; Kalam, A.; Shi, J. Battery energy storage system for aggregated inertia-droop control and a novel frequency dependent state-of-charge recovery. Energies 2020, 13, 2003. [Google Scholar] [CrossRef]
- Abazari, A.; Monsef, H.; Wu, B. Coordination strategies of distributed energy resources including FESS, DEG, FC and WTG in load frequency control (LFC) scheme of hybrid isolated micro-grid. Int. J. Electr. Power Energy Syst. 2019, 109, 535–547. [Google Scholar] [CrossRef]
- Mercier, P.; Cherkaoui, R.; Oudalov, A. Optimizing a battery energy storage system for frequency control application in an isolated power system. IEEE Trans. Power Syst. 2009, 24, 1469–1477. [Google Scholar] [CrossRef]
- Gonzalez-Longatt, F.; Roldan-Fernandez, J.M.; Chamorro, H.R.; Arnaltes, S.; Rodriguez-Amenedo, J.L. Investigation of inertia response and rate of change of frequency in low rotational inertial scenario of synchronous dominated system. Electronics 2021, 10, 2288. [Google Scholar] [CrossRef]
- ENTSO-E. Inertia and Rate of Change of Frequency (RoCoF); ENTSO-E: Brussels, Belgium, 2020. [Google Scholar]
- Kerdphol, T.; Rahman, F.S.; Watanabe, M.; Mitani, Y.; Turschner, D.; Beck, H.P. Enhanced Virtual Inertia Control Based on Derivative Technique to Emulate Simultaneous Inertia and Damping Properties for Microgrid Frequency Regulation. IEEE Access 2019, 7, 14422–14433. [Google Scholar] [CrossRef]
- Ademola-Idowu, A.; Zhang, B. Optimal design of virtual inertia and damping coefficients for virtual synchronous machines. In Proceedings of the 2018 IEEE Power & Energy Society General Meeting (PESGM), Portland, OR, USA, 5–10 August 2018. [Google Scholar]
- Faragalla, A.; Abdel-Rahim, O.; Orabi, M.; Abdelhameed, E.H. Enhanced Virtual Inertia Control for Microgrids with High-Penetration Renewables Based on Whale Optimization. Energies 2022, 15, 9254. [Google Scholar] [CrossRef]
- Mohajeryami, S.; Neelakantan, A.R.; Moghaddam, I.N.; Salami, Z. Modeling of deadband function of governor model and its effect on frequency Response characteristics. In Proceedings of the 2015 North American Power Symposium (NAPS), Charlotte, NC, USA, 4–6 October 2015. [Google Scholar] [CrossRef]
- Morsali, J.; Zare, K.; Tarafdar Hagh, M. Appropriate generation rate constraint (GRC) modeling method for reheat thermal units to obtain optimal load frequency controller (LFC). In Proceedings of the 2014 5th Conference on Thermal Power Plants (CTPP), Tehran, Iran, 10–11 June 2014; 2015; pp. 29–34. [Google Scholar] [CrossRef]

















| Parameter | Unit | Value |
|---|---|---|
| Total system inertia, H | s | 10 |
| Total system damping, D | Hz | 2 |
| Governor time constant, | - | 5 |
| Turbine time constant, | - | 0.5 |
| Droop setting, R | % | 5 |
| Secondary gain constant, | - | 0.8 |
| Secondary bias factor, β | - | 1 |
| Generation Rate Constraint, GRC | p.u./s | 0.3 |
| Signal time delay, TD | s | 1 |
| Parameter | Unit | Standard Method | PI Control Method | Proposed Method |
|---|---|---|---|---|
| Nadir frequency | Hz | 49.15 | 49.62 | 49.9 |
| RoCoF | Hz/s | −0.09 | −0.12 | −0.10 |
| Maximum BESS capacity | p.u.-s | 9 | 3.1 | 2.6 |
| SoC recovery | % | 84 | 84 | 100 |
Disclaimer/Publisher’s Note: The statements, opinions and data contained in all publications are solely those of the individual author(s) and contributor(s) and not of MDPI and/or the editor(s). MDPI and/or the editor(s) disclaim responsibility for any injury to people or property resulting from any ideas, methods, instructions or products referred to in the content. |
© 2023 by the authors. Licensee MDPI, Basel, Switzerland. This article is an open access article distributed under the terms and conditions of the Creative Commons Attribution (CC BY) license (https://creativecommons.org/licenses/by/4.0/).
Share and Cite
Jufri, F.H.; Jung, J.; Sudiarto, B.; Garniwa, I. Development of Virtual Inertia Control with State-of-Charge Recovery Strategy Using Coordinated Secondary Frequency Control for Optimized Battery Capacity in Isolated Low Inertia Grid. Energies 2023, 16, 5463. https://doi.org/10.3390/en16145463
Jufri FH, Jung J, Sudiarto B, Garniwa I. Development of Virtual Inertia Control with State-of-Charge Recovery Strategy Using Coordinated Secondary Frequency Control for Optimized Battery Capacity in Isolated Low Inertia Grid. Energies. 2023; 16(14):5463. https://doi.org/10.3390/en16145463
Chicago/Turabian StyleJufri, Fauzan Hanif, Jaesung Jung, Budi Sudiarto, and Iwa Garniwa. 2023. "Development of Virtual Inertia Control with State-of-Charge Recovery Strategy Using Coordinated Secondary Frequency Control for Optimized Battery Capacity in Isolated Low Inertia Grid" Energies 16, no. 14: 5463. https://doi.org/10.3390/en16145463
APA StyleJufri, F. H., Jung, J., Sudiarto, B., & Garniwa, I. (2023). Development of Virtual Inertia Control with State-of-Charge Recovery Strategy Using Coordinated Secondary Frequency Control for Optimized Battery Capacity in Isolated Low Inertia Grid. Energies, 16(14), 5463. https://doi.org/10.3390/en16145463

