A Joint Clearing Model of Energy-Frequency Modulation Based on Flexible Block Order
Abstract
1. Introduction
2. Power System Trading Model and Market Framework
2.1. Multiple Flexible Block Order
2.1.1. Trading Demand
2.1.2. Trading Variety
2.2. Energy-FM Joint Clearing Trading Framework
3. A Joint Clearing Model of Energy-FM Based on Flexible Block Order
3.1. Stage 1: Flexible Block Order Model
3.1.1. Objective Function
3.1.2. Constraint Equation
- SB
- 2.
- FB
- 3.
- AB
3.2. A Joint Clearing Model of Energy-FM
3.2.1. Objective Function
3.2.2. Constraint Equation
- Unit Constraints
- 2.
- System Constraints
- 3.
- Network Power Flow Constraints
3.3. Determine Energy Price
3.3.1. Electrical Energy Price
3.3.2. Frequency Modulation Price
3.4. Model Solving
4. Case Study
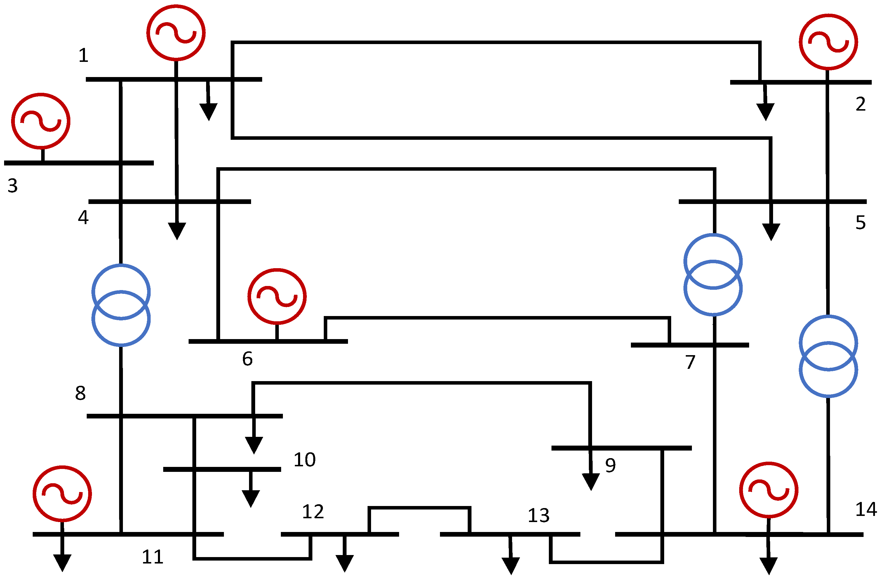
4.1. Test System Description
4.2. Scenario Settings
4.3. Results and Analysis
5. Conclusions
Author Contributions
Funding
Data Availability Statement
Conflicts of Interest
References
- Wu, Z.Y.; Zhou, M.; Yao, S.R.; Li, G.Y.; Zhang, Y.; Liu, X.J. Optimization operation strategy of wind-storage coalition in spot market based on cooperative game theory. Power Syst. Technol. 2019, 43, 2815–2824. [Google Scholar]
- Pan, X.D.; Huang, Y.; Tang, J.R.; Yang, L. Influencing factors and prospects for development of renewable energy power generation. Smart Power 2019, 47, 41–47. [Google Scholar]
- Bai, Q.F. Coordinative dispatch and development of renewable Energy and nuclear power generation. Electr. Power 2020, 53, 105–111. [Google Scholar]
- Dai, B.H.; Wang, D.L.; Cao, Y.; Liu, X.X.; Luo, D.Q.; Ding, X.S.; Wang, P.; Ma, L. China’s Energy Industry: 2022 Review and 2023 Prospect. Pet. Petrochem. Today 2023, 31, 2–9. [Google Scholar]
- Zhang, L.Y.; Ye, T.L.; Xin, Y.Z.; Han, F.; Fan, G.F. Problems and measures of power grid accommodating large scale wind power. Proc. CSEE 2010, 30, 1–9. [Google Scholar]
- Liu, J.; Yao, W.; Wen, J.Y.; Huang, Y.; Liu, Y.; Ma, R. Prospect of technology for large-scale wind farm participating into power grid frequency FM. Power Syst. Technol. 2014, 38, 638–646. [Google Scholar]
- Xie, M.; Luo, W.H.; Ji, X.; Cheng, P.J.; Ke, S.J.; Liu, M.B. Multi-scenario collaborative optimization for dynamic economic dispatch of power system with stochastic wind power integration. Electr. Power Autom. Equip. 2019, 39, 27–33. [Google Scholar]
- Shu, Y.B.; Zhang, L.Y.; Zhang, Y.Z.; Wang, Y.H.; Lu, G.; Yuan, B.; Xia, P. Carbon peak and carbon neutrality path for China’s power industry. Strateg. Study CAE 2021, 23, 1–14. [Google Scholar] [CrossRef]
- Zhang, Y.Z.; Shan, B.G. China’s power system development and operation: Main challenges and countermeasures. Electr. Power 2017, 50, 2–6. [Google Scholar]
- Zhang, Z.G.; Kang, C.Q. Challenges and prospects for constructing the new-type power system towards a carbon neutrality future. Proc. CSEE 2022, 42, 2806–2818. [Google Scholar]
- Yin, Q.L.; Qin, W.P.; Yu, H.; Yao, H.M.; Zhu, Y.J.; Jia, Y.B.; Han, X.Q. Transaction model for electricity spot market considering the volatility of wind power and the randomness of electric vehicles. Power Syst. Prot. Control 2020, 48, 118–127. [Google Scholar]
- Wu, J.; Xue, Y.S.; Shu, Y.B.; Xie, D.L.; Xue, F.; Xu, J.B. Adequacy optimization for a large-scale renewable energy integrated power system: Part one spinning-grade reserve optimization. Autom. Electr. Power Syst. 2019, 43, 101–109. [Google Scholar]
- Su, Y.; Shi, J.T.; Zhang, J.F.; Gong, L.L.; Guo, Y.; Shen, X.W. Review on planning and bidding strategy of energy storage considering frequency FM. Electr. Power Autom. Equip. 2021, 41, 191–198. [Google Scholar]
- Sun, W.Q.; Tian, K.P.; Tan, Y.M.; Ye, L. Power grid dispatching plan and evaluation considering spatial and temporal characteristics of flexibility demands. Electr. Power Autom. Equip. 2018, 38, 168–174. [Google Scholar]
- Xiao, D.Y.; Wang, C.M.; Zeng, P.L.; Sun, W.Q. Power source flexibility evaluation considering renewable energy generation uncertainty. Electr. Power Autom. Equip. 2015, 35, 120–125. [Google Scholar]
- Doherty, R.; OMalley, M. A new approach to quantify reserve demand in systems with significant installed wind capacity. IEEE Trans. Power Syst. 2005, 20, 587–595. [Google Scholar] [CrossRef]
- Wang, M.Q.; Gooi, H.B. Spinning Reserve Estimation in Microgrids. IEEE Trans. Power Syst. 2011, 26, 1164–1174. [Google Scholar] [CrossRef]
- Wang, M.Q.; Gooi, H.B.; Chen, S.X. Optimizing probabilistic spinning reserve using an analytical expected energy-not-supplied formulation. IET Gener. Transm. Distrib. 2011, 5, 772–780. [Google Scholar] [CrossRef]
- Warrington, J.; Hohl, C.; Goulart, P.J.; Morari, M. Rolling unit commitment and dispatch with multi-stage recourse policies for heterogeneous devices. IEEE Trans. Power Syst. 2016, 31, 187–197. [Google Scholar] [CrossRef]
- Xue, S.; Wang, Z.J.; Han, R.; Zeng, M.; Wang, Y.J. A Secure and Economic Planning Model for Fast Response Thermal Units Considering Grid-Integration of Large-Scale Wind Farm. Power Syst. Technol. 2013, 37, 2888–2895. [Google Scholar]
- Xue, Y.S.; Yu, Z.; Zhao, J.H.; Li, K.; Liu, X.Q.; Wu, Q.W.; Yang, G.Y. A Review on Short-term and Ultra-short-term Wind Power Prediction. Autom. Electr. Power Syst. 2015, 39, 141–151. [Google Scholar]
- Fan, S.; Liao, J.R.; Yokoyama, R.; Chen, L.; Lee, W. Forecasting the Wind Generation Using a Two-Stage Network Based on Meteorological Information. IEEE Trans. Energy Convers. 2009, 24, 474–482. [Google Scholar] [CrossRef]
- Sideratos, Q.; Hatziargyriou, N.D. An Advanced Statistical Method for Wind Power Forecastion. IEEE Trans. Power Syst. 2007, 22, 258–265. [Google Scholar] [CrossRef]
- Li, Y.S.; Li, T.Y.; Zhang, H.G.; Xie, X.P.; Sun, Q.Y. Distributed Resilient Double-Gradient-Descent Based Energy Management Strategy for Multi-Energy System Under DoS Attacks. IEEE Trans. Netw. Sci. Eng. 2022, 9, 2301–2316. [Google Scholar] [CrossRef]
- Pan, H.Y.; Chen, X.Y.; Jin, T.Y.; Bai, Y.; Chen, Z.F.; Wen, J.Y.; Wu, Q.W. Real-Time Power Market Clearing Model With Improved Network Constraints Considering PTDF Correction and Fast-Calculated Dynamic Line Rating. IEEE Trans. Ind. Appl. 2023, 59, 2130–2139. [Google Scholar] [CrossRef]
- Mirzaei, M.A.; Nazari-Heris, M.; Mohammadi-Ivatloo, B.; Zare, K.; Marzband, M.; Shafie-Khah, M.; Anvari-Moghaddam, A.; Catalão, J.P. Network-Constrained Joint Energy and Flexible Ramping Reserve Market Clearing of Power- and Heat-Based Energy Systems: A Two-Stage Hybrid IGDT–Stochastic Framework. IEEE Syst. J. 2021, 15, 1547–1556. [Google Scholar] [CrossRef]
- Wang, X.F. Block bidding model based energy market. Proc. CSEE 2001, 21, 1–6. [Google Scholar]
- Geng, J.; Wang, X.F.; Ding, X.Y.; Bai, X.Z.; Chen, H.Y. Models of block bidding in energy market and comparisons with hourly bidding. Proc. CSEE 2003, 23, 22–27. [Google Scholar]
- Wang, J.X.; Zhang, C.G.; Wang, X.L.; Chen, H.J. A mixed bidding mode and its clearing algorithm for electricity market applications. Autom. Electr. Power Syst. 2011, 35, 28–33. [Google Scholar]
- Bao, M.L.; Ding, Y.; Shao, C.Z.; Song, Y.H. Review of Nordic electricity market and its suggestions for China. Proc. CSEE 2017, 37, 4881–4892. [Google Scholar]
- Li, Z.; Pang, B.; Li, G.D.; Fan, M.H.; Qu, H.Y. Development of unified European electricity market and its implications for China. Autom. Electr. Power Syst. 2017, 41, 2–9. [Google Scholar]
- Zeng, M.; Liu, C.; Duan, J.H.; Li, N. The bilateral electricity market modes of typical countries and our reference from America and Nordic. East China Electr. Power 2013, 41, 5–10. [Google Scholar]
- Madrigal, M.; Quintana, V.H. Existence and determination of competitive equilibrium in unit commitment power poolauctions: Price setting and scheduling alternatives. IEEE Trans. Power Syst. 2001, 16, 380–388. [Google Scholar] [CrossRef] [PubMed]
- Lam, L.H.; Ilea, V.; Bovo, C. European day-ahead electricity market coupling: Discussion, modeling, and case study. Electr. Power Syst. Res. 2018, 155, 80–92. [Google Scholar] [CrossRef]
- Le, H.L.; Ilea, V.; Bovo, C. Integrated European intra-day electricity market: Rules, modeling and analysis. Appl. Energy 2019, 238, 258–273. [Google Scholar] [CrossRef]
- Jiang, H.L.; Cai, J.C.; Xiao, R.; Wang, A.H.; Xie, Y.; Tang, X.J. A wind- storage coordinated control strategy for improving system frequency response characteristics. Electr. Power Autom. Equip. 2021, 41, 44–51. [Google Scholar]
- Zhang, S.Q.; Yuan, B.; Xu, Q.S.; Zhao, J.F. Optimal control strategy of secondary frequency FM for power grid with large-scale energy storages. Electr. Power Autom. Equip. 2019, 39, 82–88. [Google Scholar]
- Li, S.J.; Xie, M.; Li, J.Z.; Huang, B.B.; Lin, S.Z. Study on the Joint Optimization Mode of Electric Energy and Regulation Market. South. Energy Constr. 2020, 7, 55–61. [Google Scholar]
- Zhang, H.Y.; Wang, Y. Mechanism experience of foreign grid-side storage participating in frequency FM auxiliary service market and its enlightenment to China. Energy Storage Sci. Technol. 2021, 10, 766–773. [Google Scholar]
- Chen, D.Y.; Zhang, L.Z.; Wang, S.; Mou, M.F. Development of energy storage in frequency FM market of united states and its enlightenment. Autom. Electr. Power Syst. 2013, 37, 9–13. [Google Scholar]
- Zhu, J.Z.; Ye, Q.Z.; Zou, J.; Xie, P.P.; Xuan, P.Z. Short-term operation service mechanism of auxiliary service in the UK electricity market and its enlightenment. Autom. Electr. Power Syst. 2018, 42, 1–8. [Google Scholar]
- Chen, D.P.; Jing, Z.X. Analysis of frequency modulation compensation mechanism in frequency modulation ancillary service market of United States. Autom. Electr. Power Syst. 2017, 41, 1–9. [Google Scholar]
- Chen, Z.F.; Jing, Z.X.; Chen, D.P.; Xie, W.J. Analysis on pricing mechanism in frequency FM auxiliary services market of United States. Autom. Electr. Power Syst. 2018, 42, 1–10. [Google Scholar]
- Chen, H.; Jia, Y.B.; Zheng, J.; Yan, Z.; Wang, J.H.; Chang, X. Research on market mechanism and scheduling strategy of frequency FM auxiliary service of large-scale energy storage. Power Syst. Technol. 2019, 43, 3606–3617. [Google Scholar]
- Hu, J.; Huang, B.B.; Jiang, L.P.; Feng, K.H.; Li, Q.H.; Xu, Z. Application and major issues of electrochemical energy storage under the environment of energy market. Electr. Power 2020, 53, 100–107. [Google Scholar]
- Liu, Y.Q.; Zou, P.; Yan, Z.S.; Li, M.D.; Zhao, X.Q.; Chen, Q.X. Mechanism design and operation practice of Shanxi power frequency FM market in China. Autom. Electr. Power Syst. 2019, 43, 175–182. [Google Scholar]
- Yi, S.M.; Chen, Q.S.; Wen, F.S.; Chen, M.H. A new method for regulator performance assessment of generation units. Autom. Electr. Power Syst. 2009, 33, 96–100. [Google Scholar]
- Dong, L.; Gao, C.W.; Yu, J.; Teng, X.L.; Tu, M.F.; Ding, Q.; Frequency, F.M. Reserve market mechanism considering decomposition of medium term and long-term electricity contact. Autom. Electr. Power Syst. 2018, 42, 61–66+74. [Google Scholar]
- Liu, J.Z.; Yao, Q.; Liu, Y.; Hu, Y. Wind farm primary frequency control strategy based on wind & thermal power joint control. Proc. CSEE 2017, 37, 3462–3469. [Google Scholar]
- Liu, G.Y.; Chen, N.S.; Pu, T.J.; Yang, Z.Y. Mathematical model and clearing price analysis of co-optimization of energy regulation and operating reserves. Autom. Electr. Power Syst. 2014, 38, 71–78. [Google Scholar]
- Zhang, X.Y.; Chen, Q.X.; Ge, R.; Zhao, X.Q.; Li, M.D.; Zou, P. Clearing Model of Electricity Spot Market Considering Flexible Block Order. Autom. Electr. Power Syst. 2017, 41, 35–41. [Google Scholar]
- Li, S.W.; Kong, X.Y.; Liu, C.; Yue, L.; Cao, S.N. Demand Side Management Pricing Method Considering Multi-user Behavior Characteristics. Power Syst. Technol. 2023, 47, 1942–1950. [Google Scholar]
- José, I.; Filipe, S.; Manuel, M. Optimal bidding strategy for an aggregator of prosumers in energy and secondary reserve markets. Appl. Energy 2019, 238, 1361–1372. [Google Scholar]
- Pang, H.Y. Research on Load Aggregator’s Participation in Wind-solar Consumption Scheduling Strategy. Mech. Electr. Eng. Technol. 2023, 52, 114–117. [Google Scholar]
- Chen, G.P.; Liang, Z.F.; Dong, Y. Analysis and reflection on the marketization construction of electric power with Chinese characteristics based on energy transformation. Proc. CSEE 2020, 40, 369–379. [Google Scholar]
- Zhang, X.; Shi, L.J. Future research areas and key technologies of electricity market in China. Autom. Electr. Power Syst. 2020, 44, 1–11. [Google Scholar]
- Fang, X.X.; Yang, Z.F.; Yu, J.; Zou, P.; Zhao, W.J.; Lai, X.W. Theoretical analysis and extension of locational marginal price. Proc. CSEE 2020, 40, 379–389. [Google Scholar]














| Trading Subject | Physical Characteristics | Economic Characteristics | Trading Demand | |||
|---|---|---|---|---|---|---|
| Volatility | Regulatory Capacity | Control Rate | Adjust- Ability | |||
| Nuclear power | Low | Small | Low | Good | High investment cost and low operation cost | Stability |
| Biomass power | Low | Small | middle | Better | High investment cost and low operation cost | Stable output |
| Hydro-energy | Low | Large | Fast | Good | High investment cost and low operation cost | Stable output |
| Wind power | High | Small | Low | poor | High investment cost and low operation cost | Priority clearing Overall clearing |
| Photo-voltaic | High | Small | Fast | poor | High investment cost and low operation cost | |
| Coal power | Low | Large | middle | Good | Medium investment cost and high operation cost | Generation under high load Reserve capacity |
| Trading Subject | Physical Characteristics | Trading Demand | |||
|---|---|---|---|---|---|
| Load Capacity | Volatility | Demand Elasticity | Interactive Quality | ||
| Residential electricity | Low | High | Small | Priority guarantee | |
| Industrial and commercial electricity | High | Low | Small | Low risk | |
| Load aggregator | Low | Low | Large | √ * | Flexible adjustment, peak cutting, and valley filling |
| Flexible Block Type | Declarations | Clearing Rules | Trading Demand |
|---|---|---|---|
| Sustaining Block | Single price Power continuity | Standardized power output curve | Undertake baseload |
| Flux Block | Single price Variable power output | Flexible power output curve Integral power out | Declared output curve High volatility |
| Adjustment Block | Multiple prices Power pairing | High and low power price matching | Load adjustment Peaking assistance |
| Nodes | Power Generation | Installed Capacity/MW | Power Ceiling/MW | Power Limit/MW | Upper Adjustment Rate/(MW/h) | Lower Adjustment Rate/(MW/h) | Maintenance Costs/(RMB 10,000/MW) |
|---|---|---|---|---|---|---|---|
| 1 | Photovoltaic 1 | 200 | 200 | 0 | - | - | 0.4 |
| 1 | Photovoltaic 2 | 200 | 200 | 0 | - | - | 0.4 |
| 1 | Gas power 1 | 180 | 180 | 20 | 120 | 120 | 1.0 |
| 2 | Wind power 1 | 140 | 140 | 0 | - | - | 0.5 |
| 2 | Wind power 2 | 140 | 140 | 0 | - | - | 0.5 |
| 2 | Coal power 1 | 180 | 180 | 20 | 36 | 36 | 0.9 |
| 3 | Nuclear power1 | 380 | 380 | 300 | 160 | 160 | 0.6 |
| 6 | Hydro energy 1 | 100 | 100 | 30 | 100 | 100 | 0.6 |
| 6 | Hydro energy 2 | 100 | 100 | 30 | 100 | 100 | 0.6 |
| 6 | Hydro energy 3 | 100 | 100 | 30 | 100 | 100 | 0.6 |
| 11 | Photovoltaic 3 | 200 | 200 | 0 | - | - | 0.4 |
| 11 | Photovoltaic 4 | 200 | 200 | 0 | - | - | 0.4 |
| 11 | Gas power 2 | 180 | 180 | 20 | 120 | 120 | 1.0 |
| 14 | Wind power 3 | 140 | 140 | 0 | - | - | 0.5 |
| 14 | Wind power 4 | 140 | 140 | 0 | - | - | 0.5 |
| 14 | Coal power 2 | 180 | 180 | 20 | 36 | 36 | 0.9 |
| Power Generation | Single Power Price (RMB/(MW·h)) | Power Consumption (MW h) |
|---|---|---|
| Nuclear power unit | 280 | 7296 |
| Hydroelectric unit | 280 | 5760 |
| Power Generation | Discharging Power Price (RMB/(MW·h)) | Maximum Discharging Capacity (MW·h) | Start Time | End Time |
|---|---|---|---|---|
| Load aggregator | 320 | 120 | 11:00 | 21:00 |
| Power Generation | Coal Power Unit | Gas Power Unit | Load Aggregator |
|---|---|---|---|
| Total number of units | 2 | 2 | 6 |
| Mileage quotation/(RMB/MW) | 18 | 12 | 9 |
| Capacity quotation/(RMB/MW) | 12 | 15 | 21 |
| Ratio of FM capacity to rated power | 0.075 | 0.15 | 0.5 |
| Historical mileage–capacity ratio | 7 | 13 | 20 |
| Comprehensive FM performance indicators | 0.22 | 0.59 | 0.96 |
| Adjusting accuracy | 0.17 | 0.73 | 1.00 |
| Response time | 0.43 | 0.81 | 1.00 |
| Adjusting speed | 0.10 | 0.11 | 0.85 |
| Scenario | Scenario 1 | Scenario 2 | Scenario 3 |
|---|---|---|---|
| Total market welfare (RMB 10,000) | 5889.12 | 5410.01 | 5608.68 |
| Standard deviation of net load | 93.82 | 102.45 | 106.07 |
| Proportion of renewable energy power generation (%) | 82.86 | 72.11 | 86.68 |
| Comprehensive price of energy market/(RMB/(MW·h)) | 304.36 | 320.88 | 319.58 |
| Comprehensive price of FM market/(RMB/(MW·h)) | 28.49 | 29.61 | — |
Disclaimer/Publisher’s Note: The statements, opinions and data contained in all publications are solely those of the individual author(s) and contributor(s) and not of MDPI and/or the editor(s). MDPI and/or the editor(s) disclaim responsibility for any injury to people or property resulting from any ideas, methods, instructions or products referred to in the content. |
© 2023 by the authors. Licensee MDPI, Basel, Switzerland. This article is an open access article distributed under the terms and conditions of the Creative Commons Attribution (CC BY) license (https://creativecommons.org/licenses/by/4.0/).
Share and Cite
Wu, Q.; Qu, K. A Joint Clearing Model of Energy-Frequency Modulation Based on Flexible Block Order. Energies 2023, 16, 5413. https://doi.org/10.3390/en16145413
Wu Q, Qu K. A Joint Clearing Model of Energy-Frequency Modulation Based on Flexible Block Order. Energies. 2023; 16(14):5413. https://doi.org/10.3390/en16145413
Chicago/Turabian StyleWu, Qunli, and Kaiyue Qu. 2023. "A Joint Clearing Model of Energy-Frequency Modulation Based on Flexible Block Order" Energies 16, no. 14: 5413. https://doi.org/10.3390/en16145413
APA StyleWu, Q., & Qu, K. (2023). A Joint Clearing Model of Energy-Frequency Modulation Based on Flexible Block Order. Energies, 16(14), 5413. https://doi.org/10.3390/en16145413

