Abstract
Electricity supply as well as the provision of other forms of resources is one of the foundations of efficient agriculture. However, due to the reduction in the number of people living in rural settlements, there have been a large number of power lines with considerable lengths supplying small loads, hence resulting in an increase in power supply efficiency. A single-wire power transmission is an option for reducing the capital cost of power line construction by utilizing fewer conductors and fittings and lighter power transmission towers while lowering operational expenses. This paper considers the possible methods for single-wire energy transmission via the analysis of information sources such as Yandex and Google search engines; Scopus and Google Scholar scientific databases; and Cyber Leninka, eLIBRARY.ru, Elsevier, Springer, IEEE Xplore, and IGI Global electronic libraries. The conducted review revealed four alternatives: a single-wire earth return (SWER) system, a single-wire balanced line (B-Line), resonant wireless power transmission (SWPT) system, and a resonant single-wire power transmission system. The latter is of particular interest due to the lack of comprehensive and detailed information describing this technology, although it has distinct characteristics because of the peculiarities of the resonant mode of operation. The paper provides a comprehensive review of all existing published materials on the topic of “resonant systems for the transmission of electrical energy along a single wire”. The study covers the history of development and the structure of this system; describes its features, advantages, and the problems of using it; and the experience and fields of its application.
1. Introduction
Electricity supply, as well as heat supply, and the provision of other forms of resources are one of the foundations of efficient agriculture, and the aspect of its development is particularly important. However, due to a reduction in the number of people living in rural settlements, a large number of power lines have emerged, supplying a small load with a considerable length of these lines. At the same time, a significant portion of consumers, particularly garden societies, holiday villages, country houses, and some industrial facilities, are seasonal in nature and practically do not consume electricity for a part of the year. This ultimately results in an increase in the cost of electricity since the maintenance of power lines in most cases is carried out anyway. In many countries, in order to lessen social tension, these costs are included in the tariff for enterprises according to the philosophy of cross-subsidization, which, in turn, leads to an increase in higher product costs and a decrease in competitiveness. Therefore, studies (solutions) aimed at solving the problems of reducing the cost of providing electricity to consumers that are remotely located from power centers and who receive a small load are pertinent. At the same time, these research and development methods should deliver the required efficiency, including highly reliable power supplies and adherence to power quality criteria [1]. One such solution is distributed generation based on renewable energy sources (RESs), which is the most popular among the scientific and political community. However, as practice shows [2], it is frequently not possible to resolve the problem using simply renewable energy sources, hence necessitating the development of strategies to lower the costs of constructing and maintaining electrical networks.
According to the calculated data, the cost of constructing an electrical transmission line (ETL) amounts to a large sum. So, in the Russian Federation, the cost of constructing a 10 kV ETL is currently about RUB 2–3 million (USD 27–41 thousand) per kilometer [3], while in the USA, it is USD 45 thousand per mile [4]. With a load power of several kW on this line, these costs may not pay off, although they must be borne by the power grid organization for social reasons [5]. One option for reducing the cost of construction and the operation of electrical transmission lines is the use of single-wire transmission lines. These lines make it possible to reduce capital costs by utilizing fewer conductors and fittings and lighter power transmission towers while lowering operational expenses.
The conducted information search revealed four alternatives for single-wire power transmission systems: a single-wire earth return (SWER) system, single-wire balanced line (B-Line), resonant wireless power transmission (SWPT) system using an additional connecting line between high-voltage transformers, and resonant single-wire power transmission line. Each of the systems has its own advantages and disadvantages as well as its own scope. However, for the transmission of electrical energy to consumers that are remotely located from the centralized power supply system, the most suitable options are SWER systems and systems based on resonant technology proposed at the All-Russian Research Institute for Electrification of Agriculture. While SWER systems are well studied and allowed/used in many countries, resonant systems, in contrast, are poorly understood and complex with respect to their design and operation. A review of literary sources revealed the lack of comprehensive and detailed information describing this technology, and the majority of the information assembled in this paper has been analyzed from sources that do not go beyond “Russian science” and have never been presented in English. Yandex and Google search engines; Scopus and Google Scholar scientific databases; and Cyber Leninka, eLIBRARY.ru, Elsevier, Springer, IEEE Xplore, and IGI Global electronic libraries were used as information sources. The literature analysis included 79 sources that are most relevant to the research topic, of which 12 sources are Internet sites; 60 are peer-reviewed publications, i.e., articles, books, and conference materials; and the rest (7) comprise statutes and patents. In total, 329 sources of information are presented in the English language, and 49 sources are presented in Russian. Furthermore, all existing published materials on the topic of “resonant systems for the transmission of electrical energy along a single wire” are collected in this paper, numbering a total of 45 publications.
The organization of the manuscript is as follows. Non-resonant single-wire power transmission systems, such as single-wire balanced line B-Line and single-wire earth return (SWER) systems, are discussed in Section 2. Section 3 discusses wireless resonant power transmission systems. The subsequent sections of the study are entirely devoted to single-wire resonant power transmission systems. Section 4 covers the structure and development history of systems, while Section 5 outlines the output voltage stabilization method. The features, advantages, and problems of using single-wire resonant power transmission systems as well as the experience and fields of their application are discussed in Section 6 and Section 7, respectively. Section 8 concludes the research study and outlines the study’s findings.
2. Non-Resonant Single-Wire Power Transmission Systems
Four alternatives for single-wire power supply systems were identified during the information search; two of them belong to low-voltage and low-frequency alternating current systems (LFAC 15–60 Hz and 50/60 Hz are most common), and the other two comprise systems operating in a resonance mode at higher frequencies. This section considers the first two non-resonant systems: the well-known single-phase earth return transmission system (SWER) and Michael Bank’s single-wire balanced line (B-Line).
2.1. Single-Phase Earth Return Power Transmission System
The SWER (single-wire earth return) system is the most widely used and researched single-wire power transmission line. In such a line, electricity is delivered through a single conductor while Earth is used as the return conductor (see Figure 1). SWER lines are used to supply electricity to distant consumers at the expense of a lower price and are primarily distributed in the rural areas of Australia and New Zealand in order to supply small loads that are dispersed over a large area [6]. Due to the low cost of power lines, this system has also become widespread in the Canadian province of Saskatchewan, Brazil, Africa, and parts of the Upper Midwest and Alaska in the United States of America [7].
Figure 1.
Schematic diagram of a single-wire earth return line.
It is important to emphasize SWER’s low cost when discussing its benefits. Capital costs can be approximately 50% of an equivalent two-wire single-phase line [8,9]. Lower costs are associated with savings on wires, fewer fittings on poles, and fewer switching and protection devices. Additionally, SWER lines are simpler to design, enabling quicker construction. Thus, it is known that the distance between power transmission towers is usually determined not by the strength of the wire but by the wire overlap problem caused by the wind. In this regard, reducing the distance between supports and increasing the distance between wires inevitably increase the capital and operating costs of power transmission lines. In turn, the use of one wire in an electrical transmission line makes it possible to level the problem of wire overlaps, and ETL should be designed only with respect to the strength of the wires themselves. While traditional two-wire or three-wire distribution lines require 7 towers per kilometer, SWER lines only need 2.5 towers. However, it must be taken into account that an isolation transformer is required for the SWER system, which makes the deployment of the SWER system economically justified only for distances less than 3 km long.
However, SWER systems have a number of critical drawbacks [10]. First, the transmitted power is limited by a ground resistance of roughly 1 ohm, which permits the use of currents up to 8 A. Second, electrical safety in SWER systems is inferior compared to conventional two-wire and three-wire systems. A step voltage arises near powerful SWER grounding, which can be dangerous for people and animals. Therefore, the system is designed in such a way that the step voltage in the soil does not exceed 20 V/m. Because SWER lines cause the electrical corrosion of urban infrastructure, their usage in cities is prohibited. Additionally, not all instances of wire breaks in SWER systems may be detected by ordinary measures of protection, and in areas with large forests, there may be a possibility of forest fires. Therefore, in many countries, including the Russian Federation, the construction of SWER systems is against the law. Finally, in article [11], a comparison of conventional power transmission systems was carried out, during which the authors showed that SWER systems suffer from additional energy losses brought on by the appearance of reactive power. These losses are influenced by the resistance of the Earth used as a second conductor; that is, the length of the transmission line is inhibited.
2.2. Single-Wire Balanced Line
Michael Bank and colleagues proposed the use of a single-wire balanced line (the B-Line) to address the “imbalance” issue with respect to SWER systems [12,13]. The authors developed a method for combining two wires into one using two converters (phase shifters), which can be performed by transformers with opposite windings. The first converter changes the phases of two wires in such a way that the “common” one is obtained, and it transmits electricity via a single-wire line to the second converter, which already decomposes the “common phase” into two phases with the desired shift. The author proposes using the same principle for a three-phase system [13,14]. The block diagram of the B-Line system is depicted in Figure 2.
Figure 2.
Schematic diagram of a three-phase single-wire B-Line.
Despite the fact that the researchers of the B-Line system assert that the power transmission system they have developed can significantly reduce the cost of power transmission line construction by using one wire instead of three, this statement is not underpinned by trustworthy calculations. The assertion is most likely not justified because of the use of additional equipment (converters) and increased wire cross-section. Additionally, experiments that would have demonstrated the benefits of the system that the authors developed were not documented in the papers.
3. Wireless Resonant Power Transmission Systems
The effect of electrical resonance [15], which takes place at a specific frequency when the inductive and capacitive components of a system’s reaction are balanced, enables the implementation of a power supply system on just one wire, unlike SWER systems where Earth is required as a conductor of reverse currents. An information search on existing solutions in the field of resonant systems has revealed a number of scientific publications that are devoted to the single-wire resonant method of energy transfer; however, the vast majority of works deal with the creation of resonant systems for wireless power transmission. Therefore, before going into detail about the single-wire approach, a brief summary of wireless resonant power transmission methods is provided below, along with a list of their benefits and drawbacks.
The majority of academic studies on resonant systems focus on wireless transmissions typically operating in the low-frequency range (approximately 1–20 MHz) [16]. Figure 3 illustrates an example of a wireless power transmission system based on near-field magnetic coupling [17]. In the configuration under study, as schematically shown in the figure, the excitation amplifier is inductively coupled to the transmitting coil via a single-turn circuit while the load is similarly coupled to the receiving coil via an inductive circuit.
Figure 3.
Schematic diagram of a magnetically coupled resonant wireless power system.
Similarly to any other resonant system, wireless resonant power supply systems need to operate at an ideally selected frequency that maximizes their efficiency and throughput [18]. Studies [19,20] demonstrated that linked magnetic resonators can be used to obtain the best efficiency in terms of transmitted power. In publication [20], researchers conducted experiments to show that energy transmission at distances up to eight times the coils’ radius is conceivable when using self-resonant coils in the strong coupling mode. However, it must be taken into account that such distances are still not large in terms of transferring a large amount of energy. According to the authors’ calculations, only 60 W can be transmitted over a distance of more than 2 m with an efficiency of ~40%. Thus, wireless power transmission methods are only appropriate for low-power devices such as mobile phones and other portable gadgets [21].
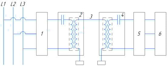
An additional connecting line between high-voltage transformers was proposed to increase the distance of wireless power transmission. The obtained system is called a single-wire power transfer (SWPT) system. For such a system, publications [22,23] describe a nonlinear spacetime symmetrical model based on the theory of coupled oscillations. A schematic diagram of a single-wire power transfer system is shown in Figure 4. The diagram shows that a source, a transmitter, a receiver, and a load comprise the system. The source is implemented with a converter, such as a half-bridge converter, full-bridge converter, etc., which serves as the power source for the entire system. The transmitter includes a step-up T1 transformer and a Q1 metal conductor, which receives power from the source and transmits it to the receiver through an electric coupling field. A step-down T2 transformer and a Q2 metal conductor make up the receiver, which powers the resistive load. High-voltage transformers suggested by Nikola Tesla are employed as transformers T1 and T2. In the circuit, the lower ends of the high-voltage coils of transformers T1 and T2 are connected by a single conductive wire buried in the ground, and the other ends of the high-voltage coils are connected to metal conductors Q1 and Q2, which are separated far apart. Electrical energy is transmitted through a spatial electric field between the transmitter and receiver.
Figure 4.
Schematic diagram of single-wire power transfer system (SWPT).
In [24], the study of the effect of capacitance and inductance on the efficiency of energy transfer in SWPT systems was continued, and additional experiments were carried out. As part of the experiment, there were 18 sets of Tesla coils and three sets of SWPT systems with varying distances between the energy receiver and transmitter. The signal generator’s maximum output voltage in the experiment was 10 V while the maximum operational frequency was 60 MHz, with a maximum distance of 40 m between the receiving and transmitting ends. The experiment proved to the authors that selecting the right value for capacitances and inductances is essential for maximizing energy transfer efficiency.
It should be noted that although the system is called a single-wire power transmission system, it is in fact a combination of wireless and wired resonant systems and has the disadvantages inherent in both systems. First, since the authors use a connecting line between high-voltage transformers, the system cannot be deemed wireless and be practical where it is needed (gadget charging). At the same time, since the system uses wireless communication, the transmitting power and distances over which power can be transmitted are not impressive, although these figures are higher than those of traditional wireless resonant systems. So, in [23], based on theoretical analysis and circuit simulation, the authors were able to demonstrate that transmission efficiency at a constant output power remained at the level of 60% at a transmission distance of 34 m. Additionally, two investigations with various Tesla transformer types were conducted in [22], the results of which were consistent with earlier theoretical research. The outcomes indicated that energy transmission over a distance of 2 m was possible with a power of 40 W and an efficiency of 66.7% in the first experiment, and energy transmission over a distance of 30 m with a power of 100 W and an efficiency of 10% was possible in the second experiment.
4. Structure and Creation History of Resonant Systems for the Single-Wire Transmission of Electrical Energy
4.1. Creation History of Single-Wire Resonant Power Transmission Systems
The concept of a single-wire resonant power transmission system was patented by N. Tesla in 1897, and it was based on two resonant transformers and a power line [25] (Patent US593138A [26]). The diagram of this resonant system is depicted in Figure 5, according to which A denotes the cores (magnetic) of two transformers, B denotes the secondary coils wound on the cores (A), and C denotes the primary coil wound next to B. At the same time, one output of secondary coil B is located at the center of the coils of the spirals, and they are interconnected by a transmission line. The other terminals of both B coils are grounded. Machine generator G is used as an energy source, lamps H and motors K are used as receivers. The operation principle is based on converting the low-frequency current using a step-up transformer and then transferring it using a power line to a step-down transformer; in the final step, the current is converted to a low-frequency current that is then supplied for powering electrical appliances. In this case, the proper impedance must be maintained by tuning to the required electrical resonance using an inductor tuned to the required frequency, which allows the self-capacitance reactance to be removed and used as a return circuit instead of a return wire.
Figure 5.
Schematic diagram of single-wire resonant power transmission systems proposed by N. Tesla (figure taken from patent [26]).
Despite the fact that N. Tesla’s method of transmitting electrical energy has been known since 1897, due to its complex design and a number of then-unsolvable issues, society did not support its development or, more importantly, its practical deployment. As a result, until the end of the 20th century, no one had studied electricity transmission across a single-wire line in resonant mode. The resurgence of interest in these systems was made feasible for a number of reasons, including the recent appearance of new technologies and an element basis that can address the initial problems, as well as the rediscovery of the method by Russian engineer Avramenko S.V. It should be mentioned that the information search on technical solutions for the transmission of electrical energy over a single wire using resonant systems also revealed that the key advancements were (and are being) made solely in Russia by a group of scientists including Avramenko.
The first mention of resonant systems by Avramenko refers to an experiment conducted in July 1990 in the laboratory of the Moscow Power Engineering Institute [27,28]. The experiment consisted of transmitting a power of 1.3 kW through one tungsten wire measuring 2.75 m in length and having a diameter of 20 microns. The basis of the device for single-wire power transmission was the famous “Avramenko plug” [29], which is shown in Figure 6.
Figure 6.
Avramenko plug diagram.
The Avramenko plug consisted of two semiconductor diodes connected to each other by a cathode and an anode and a capacitor connected to the free ends [30]. The interconnected ends of the diodes were connected to a machine generator (8 kHz and 100 kW). Incandescent lamps were used as a load. A detailed description of the procedure for calculating the “Avramenko plug” is presented in [31]. The author supplemented the circuit presented above with small capacitors that simulate the displacement current between the load and the case of the low-frequency sinusoidal voltage generator. The “Avramenko Plug” and the objectivity of the use of single-wire systems based on the Avramenko idea and possible niches for the use of such systems are considered in [32]. It should be noted that Avramenko’s experiments are a highly discussed topic on various Internet resources in Russia, and enthusiasts conduct similar experiments to confirm the possibility of energy transfer using the method he developed [33,34,35,36,37,38].
The further development of resonant power transmission systems was continued within the walls of the All-Russian Research Institute for Electrification of Agriculture (VIESH) (in 2016, it became part of the Federal Scientific Agroengineering Center VIM) by a team of scientists, joined by Avramenko S.V., who were under the guidance of an academician of the Russian Academy of Sciences: Dr. Strebkov D.S. [29].
4.2. Structure of Single-Wire Resonant Power Transmission Systems
This review considers the structure of a single-wire resonant electrical energy transmission system initially developed by Avramenko S.V. (Patent US6104107A [39]) and subsequently improved at the All-Russian Research Institute for Electrification of Agriculture [40,41]. The features of physical processes in the transmission of electrical energy through a resonant single-wire transmission line along with its advantages are presented in [42,43].
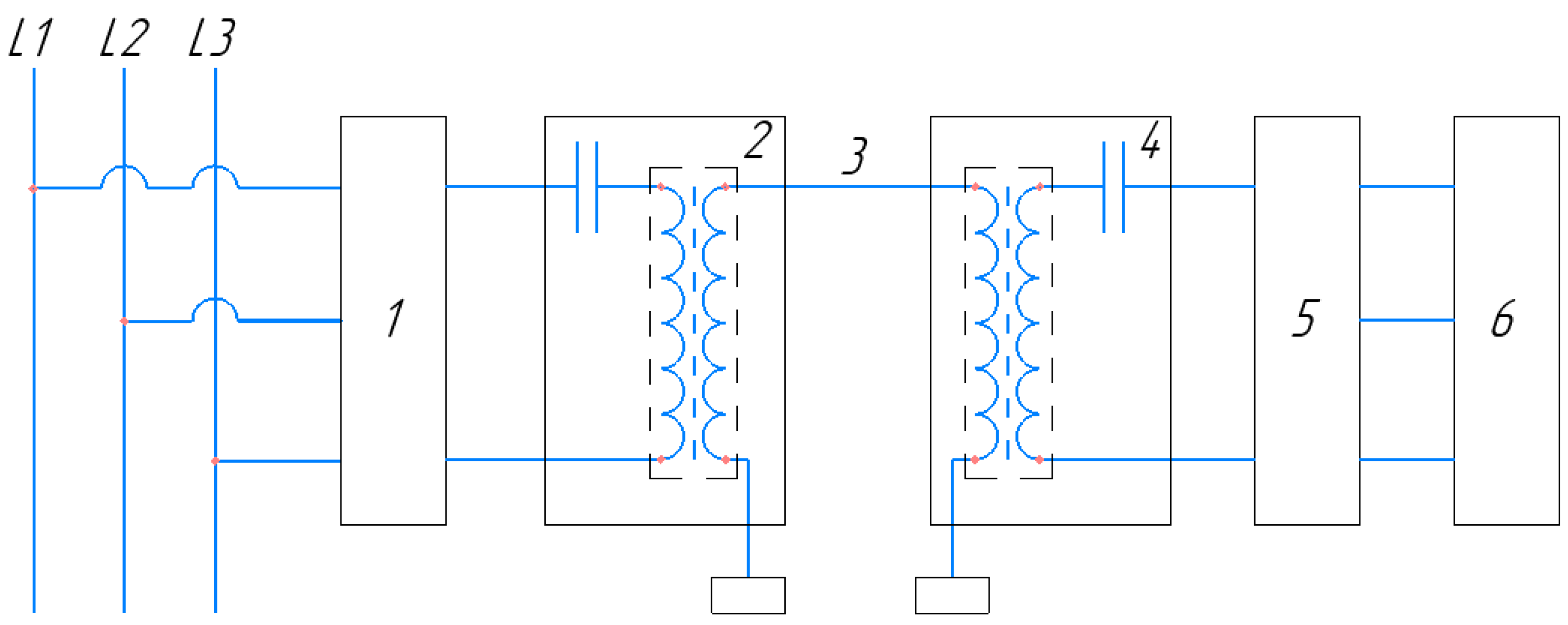
Figure 7 shows a diagram of a single-wire resonant electrical system consisting of two resonant transformers (modified Tesla transformers) 2 and 4 with a frequency of 5–15 kHz and single-wire line 3 with a line voltage of 1–10 kV when operating in the resonant mode. A distinctive feature of the used transformers from standard 50 Hz transformers is the asymmetry of potentials at the terminals of the high-voltage windings relative to the Earth in the absence of transformer oil and a core. Resonant transformers are in turn composed of a power resonant circuit and a step-up/step-down winding. The circuit is powered by a power supply system with an industrial frequency of 50–60 Hz, which is converted by frequency converter 1 into a current of increased frequency at 5–15 kHz and is fed to the resonant circuit of a step-up transformer.
Figure 7.
Schematic diagram of a resonant single-wire power transmission system. According to the figure, 1 is the frequency converter, 2 is the resonant circuit of the step-up transformer, 3 is the single-wire line, 4 is the resonant circuit of the step-down transformer, 5 is the rectifier–inverter, and 6 is the load.
A voltage resonance is attained at a specific frequency when the inductances of the windings and capacitances, including the inter-turn capacitance of transformers, are calculated correctly, as expressed by well-known Equation (1). The step-up and step-down transformers’ resonant circuits must in this instance have equal products with respect to inductances and capacitances.
A prerequisite for ensuring resonant operation is the use of the correct frequency of the supplied current depending on the length of the line. In this case, it is necessary that the length of line is an integer multiple of the electrical wave’s half :
Thus, if the specified conditions are met, standing waves appear in line 3 due to the superposition of incident and reflected waves on each other, whereas the current supplied to the line shifts with respect to the voltage by 90. That is, at the beginning and end of the line, there are reactive current antinodes (maximum amplitude) and voltage nodes that do not change in time. In other words, the outer output of a high-voltage transformer’s winding has zero electric potential, allowing them to be grounded, and this is usually carried out in practice to improve the electrical safety of the device.
In the resonant mode, the transfer of electrical energy is carried out using the reactive current that is obtained by recharging the line’s own capacitance (or, according to Maxwell, the displacement current). Since there is no active current in the line due to an open circuit, the Joule losses for heating the conductor are minimal. At the same time, it is necessary to understand that the 50–60 Hz frequencies used in traditional power transmission systems are practically not applicable for ensuring the resonance mode because one of the conditions for resonance is the use of power lines with lengths that are a multiple of half the wavelength of the electric current (for a current with a frequency of 50 Hz, it is 3000 km).
More detailed information about the composition of the equipment of resonant power transmission systems, the principle of their operation and the main calculated data of these systems are presented in [44]. It should be noted that the transmitting transformer in the considered power transmission system is resonant, which sets the frequency for the entire system’s operation, while the receiving transformer is a broadband step-down transformer. The voltage converter circuit of a single-wire power transmission system including resonant transformers is shown in Figure 8, according to which the resonant transformers (Tr1 and Tr2) include power resonant circuit C2L1 and step-up/step-down winding L2. The primary components of the resonant converter are power switches K1 and K2, control unit BU, and a resonant transformer consisting of capacitance C2 and windings L1 and L2. The resonant frequency of the system is mainly determined by the parameters of the C2L1 elements. The frequency is influenced by the capacitance of the transmission line, which is added and proceeds through transformer Tr1 to master capacitor C2 and, accordingly, lowers the natural resonant frequency of the C2L1 circuit. It should be noted that the receiving transformer does not affect the frequency at which the resonant power transmission system is tuned. The main factor affecting the resonant frequency is the load power, so any number of receiving transformers can be connected to the resonant transmission line provided that their total power does not exceed the power of the transmitting voltage converter.
Figure 8.
Structural diagram of the voltage converter of a single-wire power transmission system.
More detailed design features of the voltage converters for resonant low-power transmission systems can be found in [45]. Reference [46] demonstrated the experimental verification of electrical energy transfers in a single-wire resonant system without the usage of ground electrodes. Reference [47] considers a resonant system for the transmission of electrical energy in a rectified current, in which the energy is transferred by a positive half-wave voltage and current using a high-voltage diode installed at the terminal of a Tesla step-up transformer.
4.3. Classification of Single-Wire Resonant Power Transmission Systems according to the Location of the Primary and Secondary Windings of Tesla Transformers
An important condition for single-wire resonant systems is the relative position of the primary and secondary windings of Tesla transformers, the operation frequency of the system, and the state of outputs of secondary windings that are not connected to the transmission wire. In line with this, the authors in [48] classify resonant systems into three types: a high-potential type with the use of groundings (Figure 9a), a high-potential type without the use of groundings (Figure 9b), and a low-potential type without the use of groundings (Figure 9c).
Figure 9.
Structural diagram of a resonant power transmission system: (a) high-potential system with groundings, (b) high-potential system without grounding, and (c) low-potential system without grounding. According to the Figure, 1 is a high-frequency generator; 2 and 10 are capacitors; 3 and 7 are high-frequency Tesla transformers; 11 is the load; 5 is a single-wire transmission line; 4, 6, 8, and 9 are the high-voltage terminals of Tesla transformers.
In the system shown in Figure 9a, the low-voltage windings of the Tesla transformers are placed at the grounded terminals of the high-voltage windings. Two Tesla transformers connected by a power line form a transmission system along which half a wavelength is laid.
The difference between the system shown in Figure 9b and the system discussed earlier is the created conditions that do not require the use of grounding. In this system, the primary winding of Tesla transformers is placed in the middle of secondary single-layer windings, and an entire wave is placed along the two transformers and the transmission line.
In the system shown in Figure 9c, the low-voltage winding of transmitting Tesla transformers is located directly at the beginning of secondary windings. The low-potential transmission mode is characterized by a half-wave mode; therefore, the resonant frequency of the current in a low-potential system is usually two times lower. In a low-potential system, in contrast to a high-potential one, the voltage on the transmission wire remains practically unchanged when the load changes.
More detailed information on the main characteristics of various system resonance types, their operation features, and the resulting wave effects is given in [48].
5. Stabilization of the Output Voltage of Resonant Power Transmission System under a Variable Load
The high efficiency of resonant systems for the single-wire transmission of electrical energy is achieved by providing constant voltage, frequency, and load parameters for which the system is designed. However, as a rule, energy consumers have a load that is not stable with respect to time depending on the switched-on equipment that is involved in a certain technological process, which ultimately knocks down the operating modes (including the quality factor of the circuits) of resonant power transmissions. This situation involves multiple variations in the output voltage on the receiving side, which is unacceptable for the operation of electrical equipment.
To solve the strict requirement problem for a time-invariant load on the receiving side, Reference [49] proposed a single-wire system with respect to resonant power transmission with the function of output voltage stabilization regardless of the power consumed by the load. The system received a patent numbered 2423772 [50] and dated 23 March 2010. The set of equipment operates at a frequency of 7–9 kHz and a voltage of 980 V and allows transmitting energy with a power of up to 8 kW over a distance of up to 1.5 km via an RK-75 radio frequency cable.
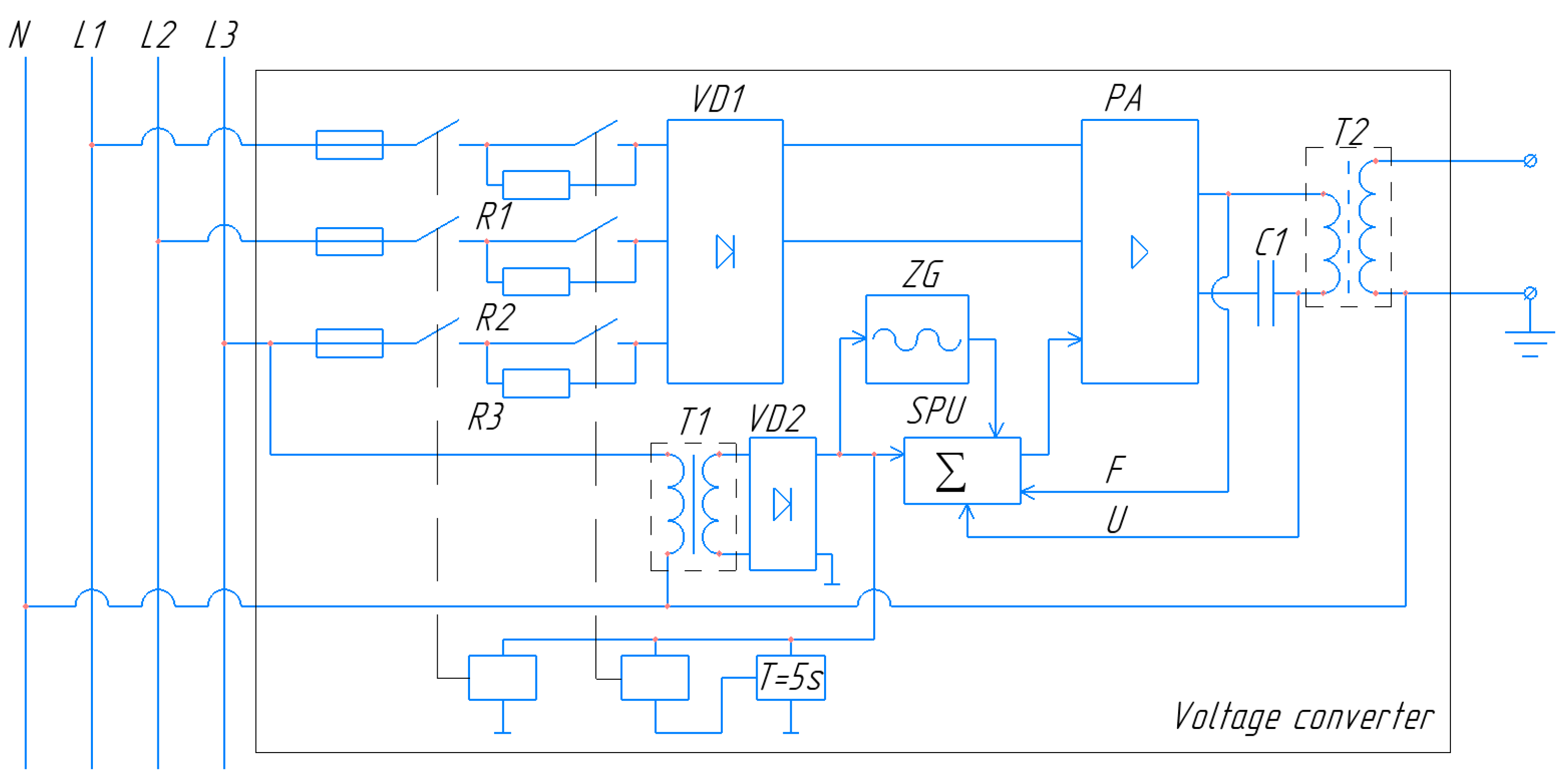
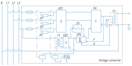
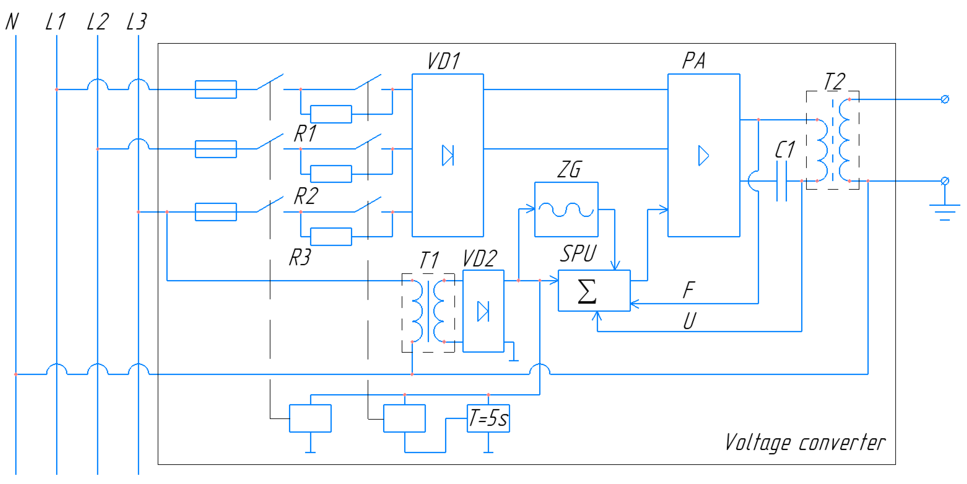
According to the electrical circuit of the transmitting voltage converter shown in Figure 10, the main elements are power rectifier VD1, master generator ZG, key power amplifier PA, resonant transformer with capacitance TP1-C1, and signal processing unit SPU, which has automatic frequency and voltage adjustment functions. The circuit provides the presence of feedback, which allows for determining the voltage level in the electrical transmission line. As a result, the implementation of feedback enables maintaining a stable output voltage until the nominal load is reached, which is what the system is designed for. Any overload causes the output voltage to drop sharply. In Figure 11, it is observed how a resonant system with and without feedback affects the output voltage in relation to the load.
Figure 10.
The electrical circuit of the transmitting voltage converter with an output-voltage-stabilizing function.
Figure 11.
Dependence of the output voltage on the load in the resonant transmission system.
6. Features, Advantages, and Problems of Using a Single-Wire Resonant Power Transmission System
6.1. Features of Resonant Systems Having a Positive Effect on the Efficiency of Electrical Energy Transmission
The primary benefit of these systems is that, unlike traditional power supply systems, electricity in power lines is propagated by electromagnetic waves due to the resonant mode rather than by a current in a wire core. This can significantly reduce power losses and allow for the use of a wire with a smaller cross-section, which can be made from less expensive materials than, for instance, copper [10]. Here, it must be mentioned that savings in the wire also occur due to the use of one conductor. In addition to the foregoing, significant savings in the construction of overhead transmission lines result from the lighter supports and the use of fewer fittings.
The comparison with known power transmission systems [44] demonstrates that single-wire power transmission systems operating at an increased frequency are more efficient from an economic point of view compared to SWER lines operating at direct or alternating currents of industrial frequencies. Reference [51] calculates the technical and economic indicators of using a resonant power supply system for agricultural consumers, which showed that the break-even point in the construction of a resonant overhead transmission line with a power of 20 kW and a voltage of 10 kV was 15.2 km, and the profitability of building such a line was 10%. At the same time, if a cable line with the same parameters was used instead of the overhead line, the break-even point was at 7 km, and the profitability of construction was already 111%.
In addition, in the case of implementing a single-wire resonant power transmission system, there is no phase-to-phase short circuit, and a high level of electrical safety is ensured. This is due to the peculiarities of the resonant mode of operation. As shown in Figure 11, if the calculated load is exceeded in the event of an overload or short circuit, only capacitance C2 remains as the load of the frequency generator (Figure 8), hence decreasing both the voltage with respect to capacitance by several times and the magnitude of the current by about 10 times. It should be emphasized that such systems do not require sophisticated and expensive systems for protecting against short circuits, which affects the technical and economic efficiency of the entire system.
When the line breaks, the working length of the line also changes, which ceases to be equal to a multiple of half the wavelength of the electric current, which means that the system falls out of resonance, and the voltage in the line drops dramatically. Thus, even though a line can fall to the ground in the case of breaking, the disconnection of the power supply in a resonant line will not lead to the current’s and, accordingly, the step voltage’s spread along the ground, which once again confirms the high electrical safety of the resonant method of power transmission. Moreover, this feature makes electricity theft in a single-wire resonant power supply system quite difficult.
It is important to note the effect of the high frequency of electric currents on the human body. When considering electrical safety issues, among others, the concept of a threshold non-releasing current is used, which has a direct dependence on frequency. At a frequency of 50 Hz, the value of the threshold non-release current is 10–15 mA on average. According to the safety rules adopted in the Russian Federation, enterprises are allowed safe voltages with an industrial frequency (50 Hz) that is not higher than 24 V. Thus, increasing the current frequency to 4 kHz allows increasing the safe voltage by two times. At the same time, taking into account the fact that the output voltage decreases sharply when a wire breaks, as explained above, the danger of electric shock in resonant networks tends to be a minimum.
6.2. Features of Resonant Systems Requiring Additional Attention When Designing Electrical Energy Transmission Systems
When discussing the problems of using resonant systems for the transmission of electrical energy, it should be noted that they are associated with the features of the resonant mode of operation, which is different from the functioning of traditional systems and in most cases insufficiently studied and developed in the areas of electrical safety and monitoring and protection systems.
Since these systems operate at an increased frequency, it is not superfluous to consider the safety of the operation of resonant power transmission systems in relation to the influence of the electromagnetic field on the human body. Fortunately, this issue has been studied, and Reference [52] provides a mathematical analysis of the intensity of alternating magnetic and electric fields for compliance with Russian sanitary rules and regulations SanPiN 2.2.4.1191-03 [53] (currently replaced by SanPiN 1.2.3685-21 [54]) and SanPiN 2.1.8/2.2.4.1383-03 [55], as well as practical tests for the tension level. The maximum values of the alternating electric field in the frequency range of 2–400 kHz amounted to 30–150 V/m, and the magnetic field amounted to 0.06–1.7 μT, which was significantly lower than the maximum permissible levels at the workplace of personnel, which was equal to 500 V/m and 62.5 μT, respectively. The results of the mathematical and practical analysis of the application allow safely concluding that the use of a resonant power supply system is completely safe.
The considered resonant power transmission systems are also of limited use due to the presence of sound vibrations with a frequency in the range of 5 kHz and higher, which falls within the audible frequency range of sound for humans (16–20 Hz to 15–20 kHz) [56]. At the same time, resonant transformers are the most problematic parts of the system, especially the transmission transformer. Measurements of the sound levels of the experimental models of various resonant systems [57] showed that the sound level at a distance of 0.5 m from the transmitting transformer of the resonant system with a power of 8 kW and a frequency of 8 kHz was slightly less than 60 dBA. Although it can have a harmful effect on health and human well-being [58], such a level is acceptable in many countries. Thus, in most countries [59], the values of the permissible exposure limit are at the level of 85 dBA, while in the Russian Federation, according to regulatory documents (GOST 12.1.003-83 [60] and SN 2.24.2.1.8.562-96 [61]), sound levels should not exceed 80 dBA at permanent workplaces in industrial premises and in the territory of enterprises [62]. There are two options for dealing with the discomfort caused by noise: either equipment can be installed outdoors or soundproofing can be used, although in the latter case, it will lead to the necessity to address cooling equipment issues.
An important unexplored issue in the construction of resonant lines at an increased frequency is the use of equipment that is not related to the power transmission itself. Thus, standard options for protecting lines from various emergency modes, for example, surge protection devices (SPDs), are designed for networks with a frequency of 50/60 Hz, while either justification or research is needed for their usage at 5 kHz and above. This problem also includes the complexity of deploying electricity metering, which is also in most cases designed for 50/60 Hz voltage. However, an option for a partial metering solution is to install standard 50/60 Hz meters before the step-up and after the step-down inverters of the system.
Despite the fact that the system under consideration provides a high level of electrical safety against any overload without hardware due to the peculiarity of the resonant mode of operation, this feature limits the overload capacity of the line even with short-term load surges (more than 100% of the rated power). Thus, in order to avoid exiting the operating mode, it is necessary to make calculations with a pre-inflated transmitted power. The second solution may be the use of energy storage devices supplying the load, which smoothed out short-term overloads.
And lastly, in the resonant mode, the losses for the transmission of electrical energy in the line are minimal; however, there are significant losses in the converter units of the system itself. Thus, regardless of the load, the system has constant losses for pumping the reactive circuit, which is approximately 5% of the nominal power [57]. Therefore, in order for the construction of a resonant transmission system to be cost-effective, it is necessary to rely on a constant load that is close to the nominal load. Technical and economic calculations show that building resonant systems for low-power loads that are located remotely from the centralized power supply is advantageous [51]. However, it is worth leaving a few remarks on these calculations. Firstly, these calculations did not take into account some unobvious advantages due to the complexity of calculations and the lack of data, namely, the speed of construction of power lines, the possibility of building up to 3–5 resonant lines per 1 power line, reducing the cost of power line land clearing, and reducing commercial losses of electricity and wire theft. Secondly, with respect to capital cost calculations, a significant share is the cost of electronic equipment and resonant transformers, and these transformers are assembled manually in laboratory conditions in single copies; therefore, when entering production, the profitability of building resonant systems must be increased.
7. Experience and Fields of Application of Resonant Power Transmission Systems
Considering single-wire overhead and cable resonant power supply systems, it is important to take into account their potential applicability in various areas of the national economy. Resonant systems have been proven to be particularly economical when powering objects that are remotely located from a stationary power supply system, such as pumps for watering plants, various lighting systems, cathodic protection stations, video surveillance systems, gas fields, and air and underwater electrical consumers.
This conducted review of a significant number of literature sources on the subject reports that the usage of resonant power transmission technologies in lighting systems has been given the most attention due to the time-invariant nature of the load, making the deployment of resonant systems “profitable” and convenient. The operating theory and benefits of implementing lighting systems based on a resonant system for the transmission of electrical energy are provided in Reference [63]. Reference [64] describes the usage of super bright diodes and fluorescent lamps in a resonant high-frequency electrical system for electric lighting. Reference [65] proposes a model of the system of resonant single-wire transmission of electrical energy, in which the power source comprises photovoltaic modules and a wind generator. Reference [66] considers methods that increase the efficiency of artificial light sources, including the development of highly efficient electronic resonant voltage converters for powering artificial light sources. A microprocessor control unit for a resonant lighting system used in poultry houses is presented in [67]. The use of resonant power transmission systems for artificial lighting systems for indoor plants (in greenhouses) is considered in [68,69]. The aspects of creating energy- and resource-saving resonant power supply systems for street lighting systems using LEDs or fluorescent lamps are considered in [70]. As a result of the studies described above, employees of the All-Russian Research Institute for Electrification of Agriculture implemented a resonant system to power the lighting system of a real object at a park on Enbekshiler Street, Astana, the Republic of Kazakhstan. The work was carried out in preparation for Summit EURO-2017. The lighting system consisted of 120 lamps at 30 W each and was located at a distance of 1200 m from the transmitting unit of the system with a power of 3500 W. A more detailed description of the project is well presented in Reference [71].
The application of energy- and resource-efficient resonant power for a high-precision monitoring system with respect to engineering structure displacements in pipeline transportation, developed by the Russian Space Systems JSC (patent for invention No. 2496124, [72]), is thoroughly considered in article [73]. The use of resonant power transmission systems is also considered for powering the infrastructure facilities of the Russian Railways [74]. The conducted experiments proved the possibility of transmitting electricity with a power of 2 kW over a coaxial cable at a maximum transmitted distance of 5 km. Reference [75] considers the possibility of using resonant power transmission systems for the induction heating of turnout rails. The study theoretically substantiated and experimentally confirmed that the developed equipment allows increasing the heating rate of the turnout rails due to the principle of “direct heating” and allow lowering electricity consumption at the same heating rate with the help of a heating element.
The application of a resonant system powering the electrochemical protection of pipelines and related facilities, namely cathodic protection, is considered in [76]. Such protection serves to reduce the rate of the electrochemical corrosion of metal structures, which occurs during their polarization [77], and, as a rule, has a constant load, which is convenient for ensuring the operation resonant mode. As a result of this research study, a single-wire resonant power supply system was constructed in the city of Podolsk, Moscow region, Russia [78]. Two sets of cathodic protection equipment were powered at a distance of 0.6 and 2 km from the transmitting unit of the system, exhibiting a power of 4000 W.
Cellular stations with a constant load can function as actual consumers for resonant systems. The installations of cellular base station chargers around Moscow, Russia, served as a case study. Reference [49] computed a resonant system with a maximum power of 8000 W for these stations. The stations were powered at a voltage of 980 V and at a frequency of 7–9 kHz over a 2.2 km long power line. Reference [79] discussed the idea of the implementation of resonant systems in order to transmit electricity to Wi-Fi access points, outlining the system’s working principle and assessing the project’s cost. However, the proposed concept has not been implemented.
On the campus of “Dubna” University, Moscow region, Russia, a model of information interactions between the objects of the resonant network with respect to the transmission of electricity and data was put into practice [80]. The equipment for the resonant system uses developments from the All-Union Scientific Research Institute for Electrification of Agriculture. The presented model was created to carry out a continuous and differentiated accounting of generated electricity and was used by integrating distributed electrical energy producers and consumers into a single information space.
Finally, the possibility of using a single-wire resonant line laid under the surface of the road surface for the contactless power supply of electric vehicles is considered in the theoretical work of [81]. Despite there being little sense with respect to the proposed idea from the point of view of practical implementation, the authors presented experimental models of a car running on this system and showed the possibility of implementing their method.
8. Conclusions
A review of literary sources revealed the lack of comprehensive and detailed information describing resonant power transmission technology, and the majority of the information assembled in this paper was obtained from sources that do not go beyond “Russian science” and have never been presented in English. Yandex and Google search engines; Scopus and Google Scholar scientific databases; and Cyber Leninka, eLIBRARY.ru, Elsevier, Springer, IEEE Xplore, and IGI Global electronic libraries were used as information sources. The literature analysis included 79 sources that are most relevant to the research topic, of which 12 sources are Internet sites; 60 are peer-reviewed publications, i.e., articles, books and conference materials; and the rest (7) comprise statutes and patents; in total, 29 sources of information are presented in the English language, and 49 are presented in Russian. Furthermore, all existing published materials on the topic of “resonant systems for the transmission of electrical energy along a single wire” are collected in this paper, with a total of 45 publications.
The conducted information search revealed four alternatives for single-wire power transmission systems: single-wire earth return (SWER) systems, single-wire balanced line B-Line, resonant wireless power transmission (SWPT) systems using an additional connecting line between high-voltage transformers, and resonant single-wire power transmission lines. It should be emphasized that SWER and SWPT systems are only conditionally referred to as single-wire systems, whereas the SWPT resonant system is utilized for wireless power transmission, and SWER uses the ground as a conductor for reverse power transfer.
Considering the SWER system, we can conclude that despite the low cost of its deployment (roughly 50% of the equivalent two-wire single-phase line) and high level of expertise in the field, the system has problems with respect to electrical safety, and it is significantly inferior to the standard two- and three-wire systems. This led to its ban in the Russian Federation and other countries with comparable climatic conditions.
Despite the fact that the single-wire balanced system B-Line is able to address some fundamental SWER issues, an analysis of sources revealed that its economic efficiency does not exactly match the claimed ones. This fact is underpinned by the fact that only one scientific team led by Michael Bank designs and considers this method.
The expediency of using a single-wire power transfer (SWPT) system is also in doubt since this system is not completely wireless, which deprives it of the latter’s advantages (for example, the convenience of charging gadgets) and also does not allow realizing the capabilities inherent in wired ones—the significant transmitted power and the distance over which energy is delivered.
A most promising option comprises resonant systems for the transmission of electrical energy through one wire, which were proposed by Avramenko S.V. and developed by the All-Russian Research Institute for the Electrification of Agriculture. These systems have high-level electrical safety due to the peculiarities of the resonant mode of operation. They are reliably protected from unauthorized power consumption and also have impressive economic efficiency. The transmitting power and distance over which energy is delivered also greatly exceed the capabilities of other single-wire systems:
The main advantages of single-wire resonant transmission networks are as follows:
- -
- An advantage includes the low capital costs for the deployment of resonant systems associated with the use of a smaller wire for the same transmitted power as well as the significant savings due to lighter transmission towers with fewer fittings on them. At the same time, the reviewed sources note that the technical and economic efficiency of such a system’s implementation should increase significantly when entering the mass production of electronic components.
- -
- The absence of short circuits and overloads due to the peculiarities of the resonant mode of operation of such networks: When the calculated load is exceeded, the system exits the resonant mode, leading to a sharp decrease in voltage and current. This allows speaking of a high level of electrical safety with respect to resonant transmission networks. At the same time, it should be noted that such systems do not need advanced and expensive systems for protection against short circuits in a line, which also has a positive effect on the technical and economic efficiency of system deployment.
- -
- The lack of electrical hazards in the event of a line break because the system leaves the resonant mode: This happens due to a change in the operating length of an electrical transmission line, which ceases to be equal to the wavelength of the electric current.
- -
- The practical impossibility of electricity theft is an advantage due to non-standard frequencies and voltages in the power line
- -
- Increased safe voltage threshold: This occurs as a result of using increased frequencies, raising the overall level of electrical safety with respect to resonant systems.
Author Contributions
Conceptualization, V.B. and A.V.; methodology, V.B. and A.V.; software, A.B.; validation, V.B., L.Y. and A.V.; formal analysis, V.B., L.Y. and A.V.; investigation, V.B.; writing—original draft preparation, V.B.; writing—review and editing, V.B. and A.B.; visualization, V.B. and A.B.; supervision, A.B. All authors have read and agreed to the published version of the manuscript.
Funding
This research received no external funding.
Conflicts of Interest
The authors declare no conflict of interest.
References
- Vinogradov, A.; Vinogradova, A.; Bolshev, V. Analysis of the Major Constituents of the Power Supply System Efficiency for Rural Consumers. IETE J. Res. 2020, 68, 3951–3959. [Google Scholar] [CrossRef]
- ARWE. Powering. Reliable. Future. Yesterday, Today and Tomorrow. In Annual Report 2017; RWE: Essen, Germany, 2017; pp. 1–200. [Google Scholar]
- Power Supply of Facilities and Electrical Installation Work in Moscow and the Moscow Region. Available online: https://elektromontazh-profi.ru/ (accessed on 2 March 2023). (In Russian).
- Line Extension Cost—Pioneer Electric. Available online: https://pioneerelectric.coop/my-account/help/line-extension-cost/ (accessed on 25 June 2023).
- Federal Law “On the Electric Power Industry”; Russian Federation: Moscow, Russia, 2023. (In Russian)
- Wales, E.A. High Voltage Earth Return Distribution for Rural Areas/Electricity Authority of New South Wales; Electricity Authority of N.S.W: Sydney, Australia, 1978; ISBN 0724051430.
- Brooking, T.R.; Rensburg, N.J.; van Fourie, R. The Improved Utilisation of Existing Rural Networks with the Use of Intermediate Voltage and Single Wire Earth Return Systems. In Proceedings of the IEEE AFRICON Conference 1992, Ezulwini Valley, Swaziland, 22–24 September 1992; pp. 228–234. [Google Scholar] [CrossRef]
- SWER Still Going Strong—Energy Source & Distribution. Available online: https://esdnews.com.au/swer-still-going-strong/ (accessed on 25 June 2023).
- NRECA International Reducing the Cost of Grid Extension for Rural Electrification 2000. Available online: http://hdl.handle.net/10986/20326 (accessed on 25 June 2023).
- Vasiliev, A.V. Single-Wire Power Lines: The Road to Nowhere or the Future of Energy? Electrotech. Mark. 2015, 4. (In Russian) [Google Scholar]
- Bank, M. Electrical Energy Transmission by Several Wires and Reactive Power Problems. Engineering 2018, 10, 329–335. [Google Scholar] [CrossRef]
- Bank, M. It Is Quite Another Electricity: Transmitting by One Wire and without Grounding; Partridge Publishing Singapore: Singapore, 2017; ISBN 1482899922. [Google Scholar]
- Bank, M. Single Wire Electrical System. Engineering 2012, 2012, 713–722. [Google Scholar] [CrossRef]
- Bank, M.; Tsingauz, V.; Bank, M.; Tsingauz, V. One Wire Is Always Better. Engineering 2021, 13, 300–305. [Google Scholar] [CrossRef]
- Yalçın, O. Ferromagnetic Resonance: Theory and Applications; BoD–Books on Demand: Norderstedt, Germany, 2013; ISBN 9535111868. [Google Scholar]
- Christ, A.; Douglas, M.G.; Roman, J.M.; Cooper, E.B.; Sample, A.P.; Waters, B.H.; Smith, J.R.; Kuster, N. Evaluation of Wireless Resonant Power Transfer Systems with Human Electromagnetic Exposure Limits. IEEE Trans. Electromagn. Compat. 2012, 55, 265–274. [Google Scholar] [CrossRef]
- Sample, A.P.; Meyer, D.A.; Smith, J.R. Analysis, Experimental Results, and Range Adaptation of Magnetically Coupled Resonators for Wireless Power Transfer. IEEE Trans. Ind. Electron. 2011, 58, 544–554. [Google Scholar] [CrossRef]
- Yugang, S.; Chunsen, T.; Shuping, W.; Yue, S. Research of LCL Resonant Inverter in Wireless Power Transfer System. In Proceedings of the 2006 International Conference on Power System Technology, Chongqing, China, 22–26 October 2006. [Google Scholar] [CrossRef]
- Karalis, A.; Joannopoulos, J.D.; Soljačić, M. Efficient Wireless Non-Radiative Mid-Range Energy Transfer. Ann. Phys. 2008, 1, 34–38. [Google Scholar] [CrossRef]
- Kurs, A.; Karalis, A.; Moffatt, R.; Joannopoulos, J.D.; Fisher, P.; Soljačic, M. Wireless Power Transfer via Strongly Coupled Magnetic Resonances. Science 2007, 5834, 83–86. [Google Scholar] [CrossRef] [PubMed]
- Tetsuo, N.; Tianhongshu, P.; Yong, L. Great Power Wireless Transmission Technology. Electron. Des. Appl. 2007, 6, 42–54. [Google Scholar]
- Chen, X.; Chen, J.; Li, G.; Mu, X.; Qi, C. Electric-Field-Coupled Single-Wire Power Transmission—Analytical Model and Experimental Demonstration. In Proceedings of the 19th International Symposium on Power Electronics, Ee 2017, Novi Sad, Serbia, 19–21 October 2017; IEEE: Piscataway Township, NJ, USA, 2017; pp. 1–6. [Google Scholar] [CrossRef]
- Shu, X.; Zhang, B. Single-Wire Electric-Field Coupling Power Transmission Using Nonlinear Parity-Time-Symmetric Model with Coupled-Mode Theory. Energies 2018, 11, 532. [Google Scholar] [CrossRef]
- Zhang, F.; Guo, J.; Wang, J.; Ren, X.; Gao, L.; Tian, C.; Duan, Q.; Gao, Y. Research on the Efficiency of Single-Wire Power Transmission. J. Phys. Conf. Ser. 2021, 2121, 12010. [Google Scholar] [CrossRef]
- Strebkov, D.S. Nikola Tesla and Modern Problems of Electrification (to the 150th Anniversary of N. Tesla). Vestn. VIESH 2006, 1, 6–16. (In Russian) [Google Scholar]
- Tesla, N. Electrical Transformer Patent 593138, 20 March 1897.
- Zubrichev, I.V.; Korovchenko, M.S.; Ryazanov, D.Y. Study of Ways to Improve the Scientific and Technical Potential of Society in the Strategic Period; Limited Liability Company “OMEGA SCIENCE”: Ufa, Russia, 2022; Volume 1, pp. 20–22. (In Russian) [Google Scholar]
- Kuligin, V.A. Virtual Charges and Tesla Currents in Electrodynamics. Available online: http://new-idea.kulichki.net/pubfiles/180428130744.pdf (accessed on 25 June 2023). (In Russian).
- Strebkov, D.S.; Nekrasov, A.I. Resonance Methods of Electric Power Transmission. M GNU Viesh 2006, 1, 304. (In Russian) [Google Scholar]
- Fork Avramenko—Alchetron, The Free Social Encyclopedia. Available online: https://cyclowiki.org/wiki/%D0%92%D0%B8%D0%BB%D0%BA%D0%B0_%D0%90%D0%B2%D1%80%D0%B0%D0%BC%D0%B5%D0%BD%D0%BA%D0%BE (accessed on 25 June 2023).
- Gerasimov, S.A. Single-Wire Transmission of Electrical Energy: Calculation and Experiment. Mod. High Technol. 2011, 4, 28–31. (In Russian) [Google Scholar]
- Kopeikina, T.V. Objectivity of the Use of Single-Wire Systems for the Transmission of Electrical Energy. Int. J. Appl. Basic Res. 2016, 12, 411–414. (In Russian) [Google Scholar]
- How to Transfer Energy over One Wire/Sudo Null IT News 2016; Sudo Null: Berlin, Germany, 2016. (In Russian)
- Study of a Single-Wire Power Transmission Line with a Generator Based on a GU-50 Radio Tube. TechnoAttic. Available online: http://technoattic.by/vttc-gu50-experiments/ (accessed on 25 June 2023). (In Russian).
- Zaev, N. Transmission of Electricity over a Single Wire—Fiction or Reality? Electrician Info. 2009. Available online: http://electrik.info/main/praktika/21-peredacha-jelektrojenergii-po-odnomu.html (accessed on 25 June 2023). (In Russian).
- Kosinov, N.V.; Garbaruk, V.I. Single-Wire and Wireless Power Transmission with Video Footage of Experiments. Available online: https://www.skif.biz/index.php?name=Pages&op=page&pid=118 (accessed on 25 June 2023). (In Russian).
- Energy-Saving and Resource-Saving Technology for the Transmission of Electrical Energy over Long Distances. Available online: http://www.greenwatt.ru/free_energy/electrics/d780/ (accessed on 25 June 2023). (In Russian).
- How to Transmit Electricity through One Wire? Avramenko’s Scheme|SamElektrik.Ru|Zen 2022. Available online: https://zen.yandex.ru/media/samelectric/kak-peredavat-elektroenergiiu-po-odnomu-provodu-shema-avramenko-62f160ce8a2e872ae56c4d4d (accessed on 25 June 2023). (In Russian).
- Avramenko, S.; Avramenko, K. Method and Apparatus for Single Line Electrical Transmission 1993. U.S. Patent No. 6,104,107, 15 August 2000. (In Russian). [Google Scholar]
- Strebkov, D.; Nekrasov, A.; Trubnikov, V.; Nekrasov, A. Single-Wire Resonant Electric Power Systems for Renewable-Based Electric Grid. In Handbook of Research on Renewable Energy and Electric Resources for Sustainable Rural Development; IGI Global: Hershey, PA, USA, 2018; pp. 449–474. [Google Scholar]
- Strebkov, D.S.; Avramenko, S.V.; Nekrasov, A.I. Single-Wire Electric Power System for Renewable-Based Electric Grid. New Energy Technol. 2001, 20–25. [Google Scholar]
- Aliyev, I. Energy-Saving Resonant Single-Wire Power Line. Energy Security and Energy Saving. 2011, Volume 6, pp. 27–30. Available online: https://cyberleninka.ru/article/n/energosberegayuschaya-rezonansnaya-odnoprovodnaya-lep (accessed on 25 June 2023). (In Russian).
- Aliyev, I.; Strebkov, D.S. Features of Energy Transfer through a Resonant Single-Wire Transmission Line. Electr. Transm. Distrib. 2012, 1, 40–42. (In Russian) [Google Scholar]
- Yuferev, L.Y.; Roshchin, O.A.; Aleksandrov, D.V.; Sokolov, A.V. Investigation of the Resonant Power Transmission System at High Frequency. Альтернативная Энергетика И Экoлoгия 2014, 8, 89–93. (In Russian) [Google Scholar]
- Strebkov, D.S.; Yuferev, L.Y.; Sokolov, A.V.; Proshkin, Y.A. Design of Voltage Converters for Low Power Resonant Power Transmission Systems. Collect. Sci. Rep. VIM 2010, 2, 332–340. (In Russian) [Google Scholar]
- Strebkov, D.S.; Trubnikov, V.Z.; Rutskoi, A.S.; Moiseev, M.V. Study of a Single-Wire Power Transmission System with Resonant Tesla Transformers. Innov. Agric. 2014, 4, 306–309. (In Russian) [Google Scholar]
- Strebkov, D.S.; Losinets, D.S. Resonance Methods for Transmitting Electricity on a Rectified Current along a Single-Wire Line. Innov. Agric. 2015, 5, 42–47. (In Russian) [Google Scholar]
- Strebkov, D.S.; Trubnikov, V.Z.; Nekrasov, A.I.; Rutskoi, A.S.; Moiseev, M.V. Comparison of Resonant Single-Wire Electrical Energy Transmission Systems. Innov. Agric. 2016, 2, 58–66. (In Russian) [Google Scholar]
- Yuferev, L.Y.; Roshchin, O.A. 8000 W Resonant Power Transmission System Equipment Set. Innov. Agric. 2018, 2, 29–35. (In Russian) [Google Scholar]
- Yuferev, L.Y.; Strebkov, D.S. Method and Device for Transmitting Electrical Energy (Options) 2011. Available online: https://www.freepatent.ru/patents/2423772 (accessed on 25 June 2023). (In Russian).
- Roshchin, O.A. Development of a Resonant Power Supply System for Agricultural Consumers of Low Power 2006, 151. Available online: https://search.rsl.ru/ru/record/01003279007 (accessed on 25 June 2023). (In Russian).
- Yuferev, L.Y.; Sokolov, A.v. Safety Problems of Operation of Resonant Power Transmission Systems. Vestn. VIESH 2013, 2, 74–76. (In Russian) [Google Scholar]
- Electromagnetic Fields in Industrial Environments 2003. Available online: https://docs.cntd.ru/document/901853847 (accessed on 25 June 2023).
- Hygienic Standards and Requirements for Ensuring the Safety and (or) Harmlessness of Environmental Factors for Humans 2021. Available online: https://docs.cntd.ru/document/573500115?marker=6560IO (accessed on 25 June 2023). (In Russian).
- Hygienic Requirements for the Placement and Operation of Transmitting Radio Facilities 2003. Available online: https://base.garant.ru/12131290/ (accessed on 25 June 2023).
- Burke, E.; Uppenkamp, S.; Koch, C. A Psychoacoustical Study to Investigate the Perceived Unpleasantness of Infrasound Combined with Audio-Frequency Sound. Acta Acust. 2020, 4, 20. [Google Scholar] [CrossRef]
- Yuferev, L.Y.; Strebkov, D.S.; Roschin, O.A. Experimental Models of Resonant Systems of Electrical Energy; Moscow, Russia, 2010. (In Russian) [Google Scholar]
- Staseva, E.; Kvitkina, M.; Litvinov, A.; Kobzeva, N. The Effect of Noise on the Human Body, in Particular, on Cardiovascular Diseases. E3S Web Conf. 2020, 164, 1028. [Google Scholar] [CrossRef]
- Arenas, J.P.; Suter, A.H. Comparison of Occupational Noise Legislation in the Americas: An Overview and Analysis. Noise Health 2014, 16, 306. [Google Scholar] [CrossRef] [PubMed]
- Available online: https://docs.cntd.ru/document/5200291 (accessed on 25 June 2023).
- Available online: https://meganorm.ru/Data2/1/4294851/4294851487.htm (accessed on 25 June 2023).
- Okunev, A.A. Noise in Industrial Premises and Its Impact on Humans. Mod. Sci.-Intensive Technol. 2014, 5, 105–106. (In Russian) [Google Scholar]
- Shakhramanyan, M.A.; Strebkov, D.S.; Yuferev, L.Y.; Proshkin, Y.A. LED Lighting Based on a Resonant Electrical Energy Transmission System. Altern. Energy Ecol. 2012, 11, 92–94. (In Russian) [Google Scholar]
- Strebkov, D.S.; Yuferev, L.Y.; Roshchin, O.A.; Mikhalev, A.A. Resonant LED Lighting Systems. Achiev. Sci. Technol. Agro-Ind. Complex 2009, 10, 20–21. (In Russian) [Google Scholar]
- Shakhramanyan, M.A.; Strebkov, D.S.; Yuferev, L.Y.; Proshkin, Y.A. System of Resonant Single-Wire Transmission of Electrical Energy from Renewable Energy Sources. Altern. Energy Ecol. 2012, 1, 95–97. (In Russian) [Google Scholar]
- Yuferev, L.Y. Improving the Efficiency of Resonant Lighting and Irradiation Systems. Vestn. VIESH 2013, 3, 55–58. (In Russian) [Google Scholar]
- Yuferev, L.Y.; Mikhalev, A.A. Microprocessor Control Unit Resonant Lighting System. Innov. Agric. 2013, 1, 14–16. (In Russian) [Google Scholar]
- Yuferev, L.Y.; Sokolov, A.V.; Yufereva, A.A. Resonance Lighting System for Plants in Greenhouses. Technol. Agric. 2014, 12–15. (In Russian) [Google Scholar]
- Yuferev, L.Y.; Sokolov, A.V.; Yufereva, A.A. Resonant LED Indoor Lighting System. Semicond. Light. Technol. 2014, 2, 78–80. (In Russian) [Google Scholar]
- Roshchin, O.A.; Strebkov, D.S.; Yuferev, L.Y. About the Resonant Single-Wire Power Supply System in LED or Fluorescent Lighting. Light. Technol. 2015, 5, 29–32. (In Russian) [Google Scholar]
- Yuferev, L.Y.; Roshchin, O.A. Resonant Park Lighting System. Innov. Agric. 2016, 1, 111–114. (In Russian) [Google Scholar]
- Zhodzishsky, A.I.; Bolshakov, V.O.; Nesterov, O.V. System for High-Precision Monitoring of Displacements of Engineering Structures. 2013. Available online: https://yandex.ru/patents/doc/RU2496124C1_20131020 (accessed on 25 June 2023). (In Russian).
- Mironov, M.P. The Possibility of Using a Resonant Single-Wire System for Power Supply of Equipment for Monitoring Engineering Structures. Sci. Bus. Ways Dev. 2019, 6, 65–71. (In Russian) [Google Scholar]
- Ermolenko, D.V.; Yuferev, L.Y.; Roshchin, O.A. Results of Studies of a Resonant Single-Wire System for the Transfer of Chemicals to Securities of Russian Railways. Bull. Res. Inst. Railw. Transp. (VNIIZhT Bull.) 2018, 77, 295–300. (In Russian) [Google Scholar]
- Ermolenko, D.V.; Yuferev, L.Y.; Roshchin, O.A. Test Results of a Resonant Single-Wire Power Transmission System for Induction Heating of Turnout Rails. Bull. Res. Inst. Railw. Transp. (VNIIZhT Bull.) 2019, 78, 48–53. (In Russian) [Google Scholar]
- Aleksandrov, D.A.; Yuferev, L.Y. The Possibility of Using a Resonant Power Supply System for Cathodic Protection. Innov. Agric. 2012, 2, 46–53. (In Russian) [Google Scholar]
- Aleksandrov, D.V.; Yuferev, L.Y. Calculation of Parameters and Economic Efficiency of the Cathodic Protection System for Agricultural Facilities. Innov. Agric. 2015, 3, 44–52. (In Russian) [Google Scholar]
- Yuferev, L.Y.; Aleksandrov, D.V. Improving the Efficiency of Resonant Power Transmission Systems for Remote Cathodic Protection Stations. Available online: https://www.elibrary.ru/item.asp?id=22000978 (accessed on 25 June 2023). (In Russian).
- Yuferev, L.Y.; Sporov, A.P. Resonant Power Transmission System for Creating WI-FI Information Networks and Collecting Information from Housing and Communal Services. Electr. Technol. Electr. Equip. Agro-Ind. Complex 2020, 67, 29–34. (In Russian) [Google Scholar]
- Kryukov, Y.A. Model of Information Interaction of Objects of a Resonant Network for Transmission of Electricity and Data. Bull. Russ. Acad. Nat. Sci. 2013, 13, 44–51. (In Russian) [Google Scholar]
- Strebkov, D.; Nekrasov, A.; Nekrasov, A. Resonant Power System for Electric Transport. In Renewable Energy and Power Supply Challenges for Rural Regions; IGI Global: Hershey, PA, USA, 2019; pp. 342–369. [Google Scholar]
Disclaimer/Publisher’s Note: The statements, opinions and data contained in all publications are solely those of the individual author(s) and contributor(s) and not of MDPI and/or the editor(s). MDPI and/or the editor(s) disclaim responsibility for any injury to people or property resulting from any ideas, methods, instructions or products referred to in the content. |
© 2023 by the authors. Licensee MDPI, Basel, Switzerland. This article is an open access article distributed under the terms and conditions of the Creative Commons Attribution (CC BY) license (https://creativecommons.org/licenses/by/4.0/).










