Design and Performance Analysis of a Novel Integrated Solar Combined Cycle (ISCC) with a Supercritical CO2 Bottom Cycle
Abstract
1. Introduction
2. System Description
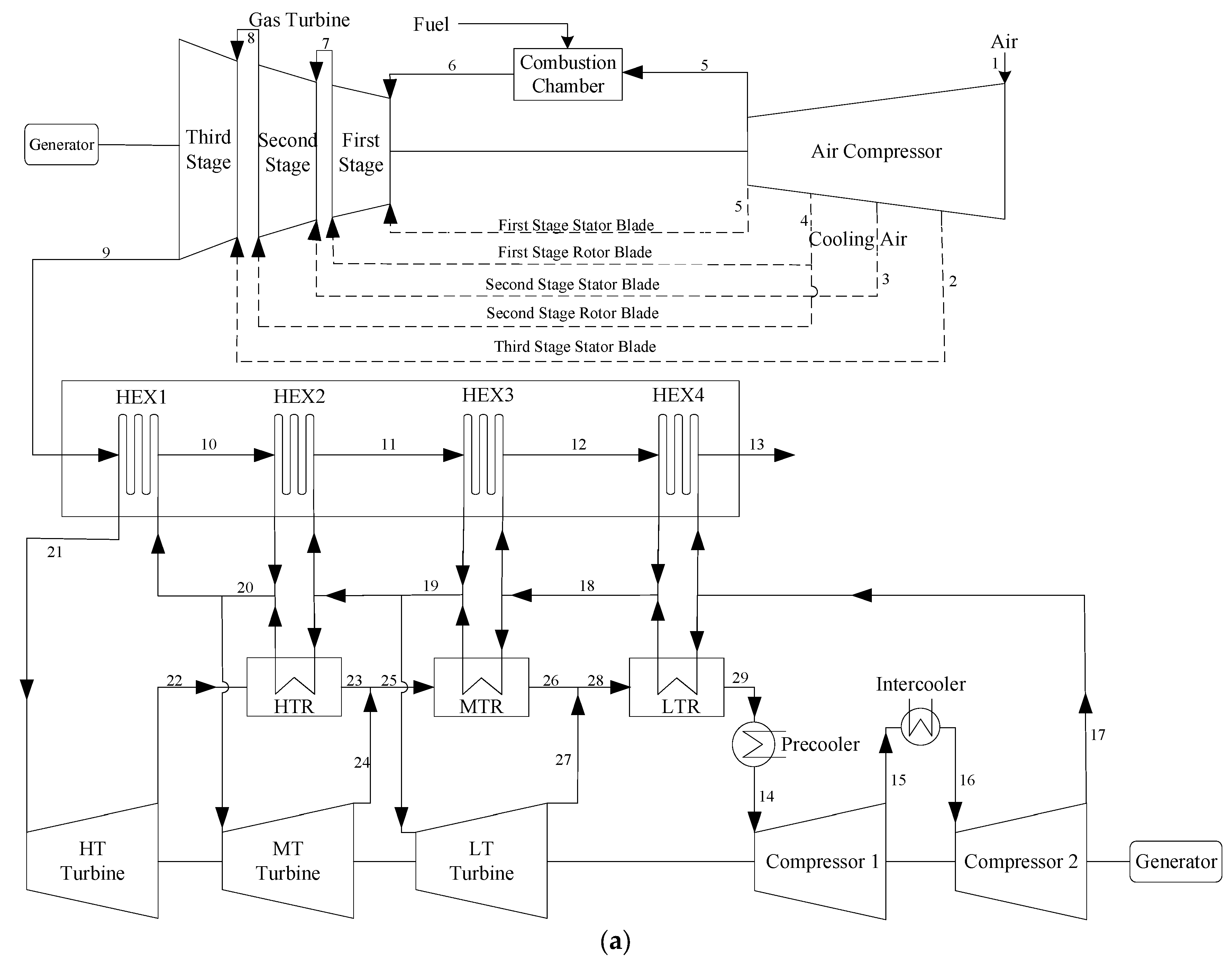
2.1. Benchmark System: GTCC System with a Supercritical CO2 Brayton Bottom Cycle
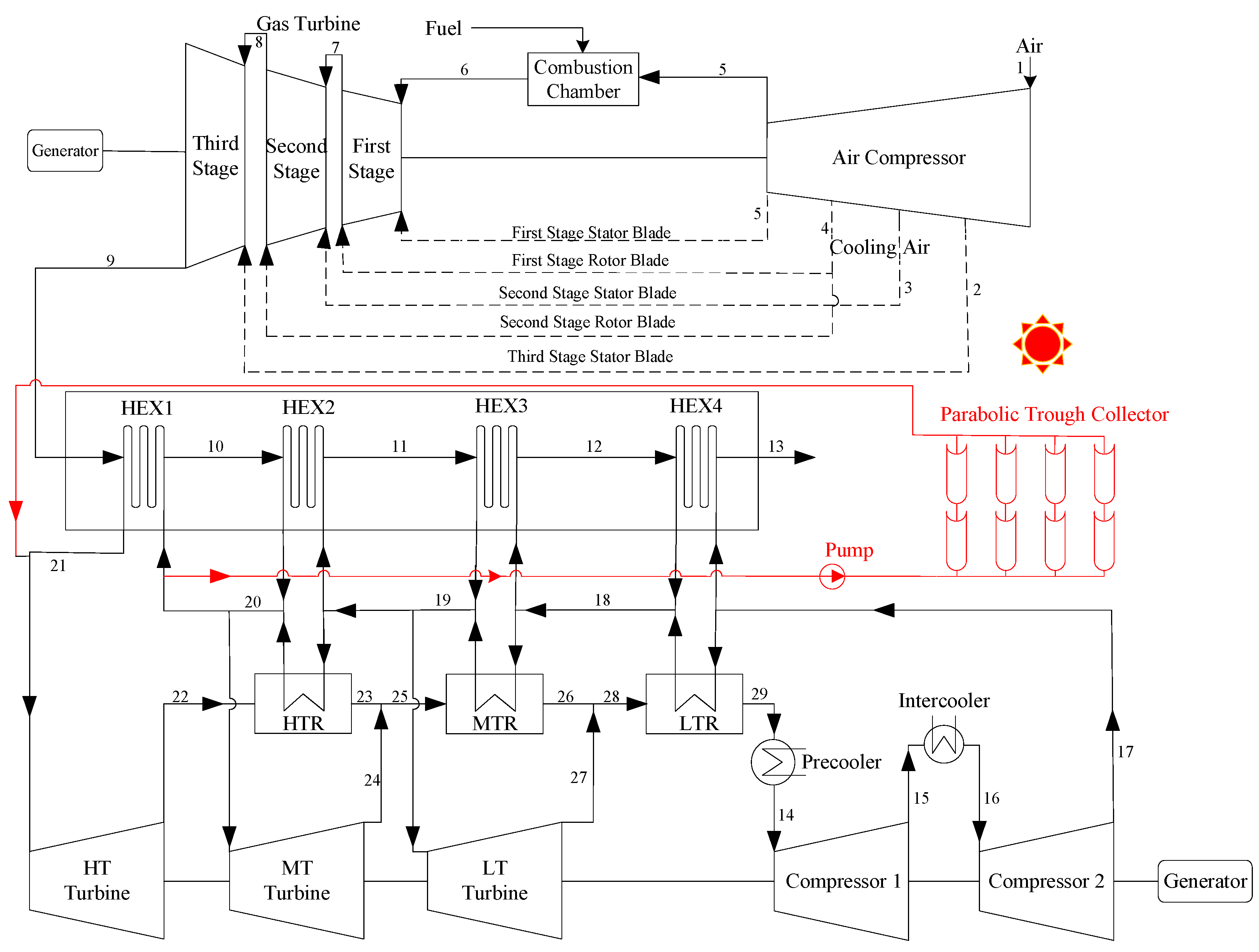
2.2. The ISCC System Based on the Novel Benchmark System
3. Thermodynamic Model of the ISCC System
3.1. System Assumptions
- System models are simulated based on steady state;
- The variations of kinetic and potential energy in every component are ignored;
- Isentropic efficiencies of compressors, turbines, and pumps are constant;
- The fuel is completely burned in the combustion chamber, and the heat loss in the combustion chamber is 0.5%;
- Leakage of working medium in the whole system is ignored;
- The ambient temperature is assumed to be 15 °C and the ambient pressure is 1.013 bar;
- Natural gas (mainly for methane) is chosen as the combustion chamber fuel, with a lower heating value (LHV) of 48,685 kJ/kg;
- Pressure drops at the inlet and outlet of the gas turbine Brayton topping cycle are assumed to be 0.61% and 1.32%, respectively, whereas the pressure drop for the combustion chamber is 3.5%. The pressure drops at the hot and cold ends of the heat exchangers which supercritical CO2 passing through, including HEX1~HEX4, LTR, MTR, HTR, PC, and IC, are 2 kPa and 0.2 kPa, respectively. Additionally, the pressure drops in the solar collectors, PTC and ST, are assumed to be insignificant.
3.2. Benchmark GTCC System
3.3. ISCC System
3.3.1. ISCC System with PTC
3.3.2. ISCC System with ST
3.4. Model Validation
3.5. Thermodynamic Performance Evaluation Criteria
3.6. Exergy Analysis
4. Results and Discussion
4.1. Performance of the Benchmark GTCC System
4.2. Thermodynamic Performance Analysis of the ISCC System
4.3. Exergy Analysis of the ISCC System
4.4. Parametric Analysis of the ISCC System
4.4.1. Impact of DNI
4.4.2. Impact of Intercooler Pressure
5. Conclusions
- The solar energy integration of both ISCC systems leads to a reduction in system efficiency; however, with the increase of the DNI, the output power of ISCC system with PTC increases due to the increase of the working medium mass flowrate in the bottom cycle, while the output power of ISCC system with ST decreases due to the change in gas composition; the photoelectric efficiency of ISCC system with PTC is greater than that of ISCC system with ST as the losses in the PTC subsystem are less than that in the ST subsystem.
- The integration of solar energy will change the exergy destruction and exergy efficiency of every component within the ISCC systems. CC, AC, GT, and solar energy collectors (including PTC and ST) are the components with the highest exergy destruction, while solar energy collectors (including PTC and ST) are the components with the lowest exergy efficiency in the ISCC systems.
- As the DNI increases, the heat absorption and output power of the ISCC system with PTC increase, while the opposite is true for the ISCC system with ST. Their system efficiencies decrease with the increase of DNI, while the photothermal efficiency and photoelectric efficiency increase. In addition, the photoelectric efficiency of the ISCC system with ST is higher when DNI is less than 600 W/m2; conversely, the photoelectric efficiency of the ISCC system with PTC is higher.
- The GTCC benchmark system, the ISCC system with PTC, and the ISCC system with ST reach the optimum at an intercooling pressure of 11.3 MPa, where the maximum output power and system efficiency of the GTCC benchmark system are 403.98 MW and 57.6%, respectively; the maximum output power and system efficiency of the ISCC system with PTC are 415.96 MW and 57.1%, respectively; and the maximum output power and system efficiency of the ISCC system with ST are 395.92 MW and 57.6%, respectively.
Author Contributions
Funding
Data Availability Statement
Conflicts of Interest
Nomenclature
| Mathematical symbols: | |
| Energy grade of the fuel | |
| Field area of the tower heliostat, m2 | |
| Field area of the parabolic trough mirror, m2 | |
| Exergy of the fuel, MW | |
| Exergy input of the component, MW | |
| Exergy destruction of the component, MW | |
| Exergy product of the component, MW | |
| Exergy of solar energy, MW | |
| Fuel mass flowrate, kg/s | |
| Consumed fuel mass flowrate of ISCC system with PTC, kg/s | |
| Consumed fuel mass flowrate of ISCC system with ST, kg/s | |
| Consumed fuel mass flowrate of GTCC, kg/s | |
| Total heat from gas turbine exhaust gas of GTCC, MW | |
| Total heat from gas turbine exhaust gas of ISCC system with PTC, MW | |
| Total heat from gas turbine exhaust gas of ISCC system with ST, MW | |
| Amount of heat released from the fuel of GTCC, MW | |
| Amount of heat released from the fuel of ISCC system with PTC, MW | |
| Amount of heat released from the fuel of ISCC system with ST, MW | |
| Heat loss of the vacuum collector in PTC, MW | |
| Convective losses of the tower receiver, MW | |
| Optical loss of the tower receiver, MW | |
| Losses of the vacuum collector in PTC, MW | |
| Radiation losses of the tower receiver, MW | |
| Losses of the tower receiver in ST, MW | |
| Heat loss of the piping between two collectors and the header piping, MW | |
| Solar irradiation incident on the mirror field, MW | |
| Solar irradiation incident on the parabolic trough mirror field, MW | |
| Solar irradiation incident on the tower heliostat field, MW | |
| Solar thermal collection of ISCC system with PTC, MW | |
| Solar thermal collection of ISCC system with ST, MW | |
| Atmosphere temperature, K | |
| Solar surface temperature, K | |
| Power generation volume of GTCC, MW | |
| Power generation volume of ISCC system with PTC, MW | |
| Power generation volume of ISCC system with ST, MW | |
| Amount of solar energy power generation in ISCC system with PTC, MW | |
| Amount of solar energy power generation in ISCC system with ST, MW | |
| Greek letters: | |
| Atmospheric influence factor of the parabolic trough mirror field | |
| Atmospheric influence factor of the tower heliostat field | |
| Availability of the parabolic trough mirror field | |
| Availability of the tower heliostat field | |
| Mirror cleanliness factor of the parabolic trough mirror field | |
| Mirror cleanliness factor of the tower heliostat field | |
| Cosine loss factor of the parabolic trough mirror field | |
| Cosine loss factor of the tower heliostat field | |
| End loss factor of the parabolic trough mirror field | |
| End loss factor of the tower heliostat field | |
| Exergy efficiency of the component | |
| System efficiency of GTCC | |
| System efficiency of ISCC system with PTC | |
| System efficiency of ISCC system with ST | |
| Optical efficiency of the parabolic trough mirror field | |
| Optical efficiency of the tower heliostat field | |
| Photoelectric efficiency of solar energy in ISCC system with PTC | |
| Photoelectric efficiency of solar energy in ISCC system with ST | |
| Photothermal efficiency of solar energy in ISCC system with PTC | |
| Photothermal efficiency of solar energy in ISCC system with ST | |
| Reflectivity of the parabolic trough mirror field | |
| Reflectivity of the tower heliostat field | |
| Shading loss factor of the parabolic trough mirror field | |
| Shading loss factor of the tower heliostat field | |
| Superscripts: | |
| Bottom cycle of the system | |
| Topping cycle of the system | |
| Abbreviations: | |
| DNI | Direct normal irradiance |
| DRDE | Developed double recuperative double expansion |
| DSG | Direct steam generation |
| GTCC | Gas turbine combined cycle |
| HEX1 | Heat exchanger 1 |
| HEX2 | Heat exchanger 2 |
| HEX3 | Heat exchanger 3 |
| HEX4 | Heat exchanger 4 |
| HRSG | Heat recovery steam generator |
| HT | High temperature |
| HTF | Heat transfer fluid |
| HTR | High temperature recuperator |
| IC | Intercooler |
| ISCC | Integrated solar combined cycle |
| LCOE | Levelized cost of energy |
| LHV | Lower heating value |
| LT | Low temperature |
| LTR | Low temperature recuperator |
| MT | Medium temperature |
| MTR | Medium temperature recuperator |
| ORC | Organic Rankine cycle |
| PC | Precooler |
| PTC | Parabolic trough solar collector |
| SEGS | Solar electric generating system |
| ST | Solar tower |
| TIT | Turbine inlet temperature |
References
- Heide, S.; Gampe, U.; Orth, U.; Beukenberg, M.; Gericke, B.; Freimark, M.; Langnickel, U.; Pitz-Paal, R.; Buck, R.; Giuliano, S. Design and Operational Aspects of Gas and Steam Turbines for the Novel Solar Hybrid Combined Cycle SHCC®. In Controls, Diagnostics and Instrumentation, Proceedings of the Turbo Expo: Power for Land, Sea, and Air, Glasgow, UK, 14–18 June 2010; Cycle Innovations; Marine; ASMEDC: Glasgow, UK, 2010; Volume 3, pp. 465–474. [Google Scholar]
- Johansson, T.B. Renewable Energy, Sources for Fuels and Electricity; Island Press: Washington, DC, USA, 1993; Chapter 5; pp. 234–235. [Google Scholar]
- Zhang, Z.; Duan, L.; Wang, Z.; Ren, Y. General Performance Evaluation Method of Integrated Solar Combined Cycle (ISCC) System. Energy 2022, 240, 122472. [Google Scholar] [CrossRef]
- Horn, M.; Führing, H.; Rheinländer, J. Economic Analysis of Integrated Solar Combined Cycle Power Plants: A Sample Case: The Economic Feasibility of an ISCCS Power Plant in Egypt. Energy 2004, 29, 935–945. [Google Scholar] [CrossRef]
- Alqahtani, B.J.; Patiño-Echeverri, D. Integrated Solar Combined Cycle Power Plants: Paving the Way for Thermal Solar. Appl. Energy 2016, 169, 927–936. [Google Scholar] [CrossRef]
- Achour, L.; Bouharkat, M.; Behar, O. Performance Assessment of an Integrated Solar Combined Cycle in the Southern of Algeria. Energy Rep. 2018, 4, 207–217. [Google Scholar] [CrossRef]
- Dersch, J.; Geyer, M.; Herrmann, U.; Jones, S.A.; Kelly, B.; Kistner, R.; Ortmanns, W.; Pitz-Paal, R.; Price, H. Trough Integration into Power Plants—A Study on the Performance and Economy of Integrated Solar Combined Cycle Systems. Energy 2004, 29, 947–959. [Google Scholar] [CrossRef]
- Elmorsy, L.; Morosuk, T.; Tsatsaronis, G. Comparative Exergoeconomic Evaluation of Integrated Solar Combined-Cycle (ISCC) Configurations. Renew. Energy 2022, 185, 680–691. [Google Scholar] [CrossRef]
- Rovira, A.; Montes, M.J.; Varela, F.; Gil, M. Comparison of Heat Transfer Fluid and Direct Steam Generation Technologies for Integrated Solar Combined Cycles. Appl. Therm. Eng. 2013, 52, 264–274. [Google Scholar] [CrossRef]
- Reyes-Belmonte, M.A.; Rovense, F. High-Efficiency Power Cycles for Particle-Based Concentrating Solar Power Plants: Thermodynamic Optimization and Critical Comparison. Energies 2022, 15, 8579. [Google Scholar] [CrossRef]
- Shaaban, S. Analysis of an Integrated Solar Combined Cycle with Steam and Organic Rankine Cycles as Bottoming Cycles. Energy Convers. Manag. 2016, 126, 1003–1012. [Google Scholar] [CrossRef]
- Rovira, A.; Abbas, R.; Sánchez, C.; Muñoz, M. Proposal and Analysis of an Integrated Solar Combined Cycle with Partial Recuperation. Energy 2020, 198, 117379. [Google Scholar] [CrossRef]
- Wang, Z.; Duan, L. Study on Integrated Solar Combined Cycle System with a New Operation Strategy of Changeable Integration Mode under Different Direct Normal Irradiance (DNI) Conditions. Energy Sci. Eng. 2020, 8, 2907–2921. [Google Scholar] [CrossRef]
- Brodrick, P.G.; Brandt, A.R.; Durlofsky, L.J. Operational Optimization of an Integrated Solar Combined Cycle under Practical Time-Dependent Constraints. Energy 2017, 141, 1569–1584. [Google Scholar] [CrossRef]
- Ameri, M.; Mohammadzadeh, M. Thermodynamic, Thermoeconomic and Life Cycle Assessment of a Novel Integrated Solar Combined Cycle (ISCC) Power Plant. Sustain. Energy Technol. Assess. 2018, 27, 192–205. [Google Scholar] [CrossRef]
- Li, Y.; Yang, Y. Thermodynamic Analysis of a Novel Integrated Solar Combined Cycle. Appl. Energy 2014, 122, 133–142. [Google Scholar] [CrossRef]
- Li, Y.; Xiong, Y. Thermo-Economic Analysis of a Novel Cascade Integrated Solar Combined Cycle System. Energy 2018, 145, 116–127. [Google Scholar] [CrossRef]
- Duan, L.; Wang, Z.; Liu, Y.; Pang, L. Comparison Study of Two Different Integrated Solar Combined Cycle Systems. In Proceedings of the ASME 2020 Power Conference, Electr Network, Virtual, 4 August 2020. [Google Scholar]
- Zhang, Z.; Duan, L.; Wang, Z.; Ren, Y. Integration Optimization of Integrated Solar Combined Cycle (ISCC) System Based on System/Solar Photoelectric Efficiency. Energies 2023, 16, 3593. [Google Scholar] [CrossRef]
- Wang, S.; Fu, Z. Thermodynamic Investigation of an Integrated Solar Combined Cycle with an ORC System. Entropy 2019, 21, 428. [Google Scholar] [CrossRef]
- Rovira, A.; Abbas, R.; Muñoz, M.; Sebastián, A. Analysis of an Integrated Solar Combined Cycle with Recuperative Gas Turbine and Double Recuperative and Double Expansion Propane Cycle. Entropy 2020, 22, 476. [Google Scholar] [CrossRef]
- Cho, S.K.; Kim, M.; Baik, S.; Ahn, Y.; Lee, J.I. Investigation of the Bottoming Cycle for High Efficiency Combined Cycle Gas Turbine System with Supercritical Carbon Dioxide Power Cycle; American Society of Mechanical Engineers Digital Collection: New York, NY, USA, 2015. [Google Scholar]
- Thanganadar, D.; Asfand, F.; Patchigolla, K. Thermal Performance and Economic Analysis of Supercritical Carbon Dioxide Cycles in Combined Cycle Power Plant. Appl. Energy 2019, 255, 113836. [Google Scholar] [CrossRef]
- Kimzey, G. Development of a Brayton Bottoming Cycle Using Supercritical Carbon Dioxide as the Working Fluid. University Turbine Systems Research Program. Available online: https://www.swri.org/utsr/presentations/kimzey-report.pdf (accessed on 15 June 2012).
- Huck, P.; Freund, S.; Lehar, M.; Peter, M.; Global, G.E. Performance Comparison of Supercritical CO2 versus Steam Bottoming Cycles for Gas Turbine Combined Cycle Applications. In Proceedings of the 5th International Symposium—Supercritical CO2 Power Cycles, San Antonio, TX, USA, 28–31 March 2016. [Google Scholar]
- Cao, Y.; Habibi, H.; Zoghi, M.; Raise, A. Waste Heat Recovery of a Combined Regenerative Gas Turbine—Recompression Supercritical CO2 Brayton Cycle Driven by a Hybrid Solar-Biomass Heat Source for Multi-Generation Purpose: 4E Analysis and Parametric Study. Energy 2021, 236, 121432. [Google Scholar] [CrossRef]
- Pan, Z.; Yan, M.; Shang, L.; Li, P.; Zhang, L.; Liu, J. Thermoeconomic Analysis of a Combined Natural Gas Cogeneration System with a Supercritical CO2 Brayton Cycle and an Organic Rankine Cycle. J. Energy Resour. Technol. 2020, 142, 102108. [Google Scholar] [CrossRef]
- Cha, S.-H.; Na, S.-I.; Lee, Y.H.; Kim, M.S. Thermodynamic Analysis of a Gas Turbine Inlet Air Cooling and Recovering System in Gas Turbine and CO2 Combined Cycle Using Cold Energy from LNG Terminal. Energy Convers. Manag. 2021, 230, 113802. [Google Scholar] [CrossRef]
- Wang, S.; Zhang, L.; Liu, C.; Liu, Z.; Lan, S.; Li, Q.; Wang, X. Techno-Economic-Environmental Evaluation of a Combined Cooling Heating and Power System for Gas Turbine Waste Heat Recovery. Energy 2021, 231, 120956. [Google Scholar] [CrossRef]
- Bishal, S.S.; Faysal, D.F.; Ehsan, M.M.; Salehin, S. Performance Evaluation of an Integrated Cooling and Power System Combining Supercritical CO2, Gas Turbine, Absorption Refrigeration, and Organic Rankine Cycles for Waste Energy Recuperating System. Results Eng. 2023, 17, 100943. [Google Scholar] [CrossRef]
- Hou, S.; Zhou, Y.; Yu, L.; Zhang, F.; Cao, S.; Wu, Y. Optimization of a Novel Cogeneration System Including a Gas Turbine, a Supercritical CO2 Recompression Cycle, a Steam Power Cycle and an Organic Rankine Cycle. Energy Convers. Manag. 2018, 172, 457–471. [Google Scholar] [CrossRef]
- Al-Rashed, A.A.A.A.; Afrand, M. Multi-Criteria Exergoeconomic Optimization for a Combined Gas Turbine-Supercritical CO2 Plant with Compressor Intake Cooling Fueled by Biogas from Anaerobic Digestion. Energy 2021, 223, 119997. [Google Scholar] [CrossRef]
- Wang, S.; Liu, C.; Li, J.; Sun, Z.; Chen, X.; Wang, X. Exergoeconomic Analysis of a Novel Trigeneration System Containing Supercritical CO2 Brayton Cycle, Organic Rankine Cycle and Absorption Refrigeration Cycle for Gas Turbine Waste Heat Recovery. Energy Convers. Manag. 2020, 221, 113064. [Google Scholar] [CrossRef]
- Fan, G.; Lu, X.; Chen, K.; Zhang, Y.; Han, Z.; Yu, H.; Dai, Y. Comparative Analysis on Design and Off-Design Performance of Novel Cascade CO2 Combined Cycles for Gas Turbine Waste Heat Utilization. Energy 2022, 254, 124222. [Google Scholar] [CrossRef]



















| Parameters | Values | |
|---|---|---|
| Compressor | Pressure ratio | 15.4 |
| Inlet mass flowrate/(kg/s) | 645 | |
| Cooling air mass flowrate/(kg/s) | 119 | |
| Outlet temperature/°C | 399.08 | |
| Isentropic efficiency/% | 89 | |
| Combustion chamber | Fuel mass flowrate/(kg/s) | 14.4 |
| Gas turbine | Inlet turbine temperature/°C | 1327 |
| Outlet turbine temperature/°C | 608.55 | |
| Isentropic efficiency (first/second/third stage)/% | 90/90/90.8 | |
| Gas turbine Brayton topping cycle | Output power/MW | 253.03 |
| Power generation efficiency/% | 36.1 |
| Parameters | Values | |
|---|---|---|
| Compressor | Inlet temperature/°C | 32 |
| Inlet pressure/MPa | 7.61 | |
| Intercooling pressure/MPa | 10.52 | |
| Outlet pressure/MPa | 30 | |
| Outlet temperature /°C | 56.77 | |
| Isentropic efficiency/% | 88 | |
| Turbine | Mass flow rate of CO2 (HT/MT/LT)/(kg/s) | 610.82/590.1/88.5 |
| Turbine inlet temperature of CO2 (HT/MT/LT)/°C | 593.55/391.55/247.64 | |
| Turbine outlet temperature of CO2 (HT/MT/LT)/°C | 427.62/248.35/120.4 | |
| Isentropic efficiency/% | 90 | |
| Supercritical CO2 Brayton bottom cycle | Output power/MW | 150.9 |
| Power generation efficiency/% | 34.1 |
| Parameters | Values |
|---|---|
| Output power of GTCC/MW | 403.93 |
| Power generation efficiency of GTCC/% | 57.6 |
| Mechanical losses of GTCC/% | 1 |
| Generator loss of GTCC/% | 1 |
| Parameters | Values |
|---|---|
| Number/(pcs) | 200 |
| Width/m | 5.76 |
| Length/m | 47.1 |
| Row spacing/m | 17.28 |
| Optical active portion of aperture/% | 94.61 |
| Reflectance/% | 92 |
| Mirror cleanliness factor/% | 95 |
| Piping heat losses/(W/m2) | 20 |
| Parameters | Values | |
|---|---|---|
| Heliostat field | Total number of heliostats/(pcs) | 3000 |
| Heliostat reflective area/m2 | 100 | |
| Heliostat cleanliness factor/% | 95 | |
| Reflectance/% | 93 | |
| Averaged track consumption/(W/m2) | 100 | |
| Receiver | Receiver optical losses/% | 7 |
| Emissivity of receiver surface/% | 83 | |
| Convective heat loss coefficient/(W/(m2 × K)) | 7 | |
| Receiver surface temperature /°C | 590 |
| Parameters | Values (Simulation) | Values (Reference [22]) | Relative Deviation |
|---|---|---|---|
| Compressor outlet temperature/°C | 73.192 | 73.2 | 0.01% |
| HRSG heat absorption/MW | 369.18 | 369.2 | 0.01% |
| HRSG exhaust gas temperature/°C | 98.672 | 100.3 | 1.62% |
| High temperature turbine outlet temperature/°C | 398.199 | 398.1 | 0.02% |
| Low temperature turbine outlet temperature/°C | 175.701 | 175.7 | 0.00% |
| Bottom cycle net efficiency/% | 31.7 | 32.1 | 1.25% |
| Bottom cycle output power/MW | 116.92 | 118.5 | 1.33% |
| Total exchanged heat/MW | 883.98 | 884 | 0.00% |
| Total cycle efficiency/% | 55.9 | 56.1 | 0.36% |
| Parameters | Conventional GTCC | Novel GTCC |
|---|---|---|
| Topping cycle output power/MW | 253.03 | 253.03 |
| Topping cycle efficiency/% | 36.1 | 36.1 |
| Bottom cycle output power/MW | 141.83 | 150.9 |
| Bottom cycle net efficiency/% | 32.1 | 34.1 |
| Total output power/MW | 394.86 | 403.93 |
| Total cycle efficiency/% | 56.3 | 57.6 |
| Parameters | GTCC System | ISCC System with PTC | ISCC System with ST |
|---|---|---|---|
| Combustion chamber inlet temperature/°C | 399.08 | 399.08 | 585.57 |
| Fuel consumption/(kg/s) | 14.4 | 14.4 | 11.93 |
| Gas turbine exhaust gas mass flowrate/(kg/s) | 659.4 | 659.4 | 656.93 |
| Gas turbine exhaust gas temperature/°C | 608.55 | 608.55 | 604.31 |
| Topping cycle output power/MW | 253.03 | 253.03 | 248.36 |
| Topping cycle efficiency/% | 36.1 | 36.1 | 36.08 |
| Bottom cycle supercritical CO2 mass flowrate/(kg/s) | 1289.4 | 1371.38 | 1266.17 |
| Bottom cycle output power/MW | 150.9 | 162.87 | 147.51 |
| Bottom cycle net efficiency/% | 34.1 | 34.6 | 33.99 |
| Total output power/MW | 403.93 | 415.9 | 395.86 |
| Total cycle efficiency/% | 57.6 | 57.1 | 57.5 |
| Solar irradiation incident on the mirror field/MW | - | 34.6 | 240 |
| Optical efficiency/% | - | 84.2 | 51.3 |
| Photothermal efficiency/% | - | 68.1 | 44.6 |
| Solar energy heat collection/MW | - | 27.95 | 107.05 |
| Solar energy output power/MW | - | 11.97 | 61.16 |
| Photoelectric efficiency/% | - | 27.6 | 25.5 |
Disclaimer/Publisher’s Note: The statements, opinions and data contained in all publications are solely those of the individual author(s) and contributor(s) and not of MDPI and/or the editor(s). MDPI and/or the editor(s) disclaim responsibility for any injury to people or property resulting from any ideas, methods, instructions or products referred to in the content. |
© 2023 by the authors. Licensee MDPI, Basel, Switzerland. This article is an open access article distributed under the terms and conditions of the Creative Commons Attribution (CC BY) license (https://creativecommons.org/licenses/by/4.0/).
Share and Cite
Zhang, Z.; Duan, L.; Wang, Z.; Ren, Y. Design and Performance Analysis of a Novel Integrated Solar Combined Cycle (ISCC) with a Supercritical CO2 Bottom Cycle. Energies 2023, 16, 4833. https://doi.org/10.3390/en16124833
Zhang Z, Duan L, Wang Z, Ren Y. Design and Performance Analysis of a Novel Integrated Solar Combined Cycle (ISCC) with a Supercritical CO2 Bottom Cycle. Energies. 2023; 16(12):4833. https://doi.org/10.3390/en16124833
Chicago/Turabian StyleZhang, Zuxian, Liqiang Duan, Zhen Wang, and Yujie Ren. 2023. "Design and Performance Analysis of a Novel Integrated Solar Combined Cycle (ISCC) with a Supercritical CO2 Bottom Cycle" Energies 16, no. 12: 4833. https://doi.org/10.3390/en16124833
APA StyleZhang, Z., Duan, L., Wang, Z., & Ren, Y. (2023). Design and Performance Analysis of a Novel Integrated Solar Combined Cycle (ISCC) with a Supercritical CO2 Bottom Cycle. Energies, 16(12), 4833. https://doi.org/10.3390/en16124833
