Role of Altitude in Influencing the Spray Combustion Characteristics of a Heavy-Duty Diesel Engine in a Constant Volume Combustion Chamber. Part I: Free Diesel Jet
Abstract
1. Introduction
2. Experimental Apparatus and Procedure
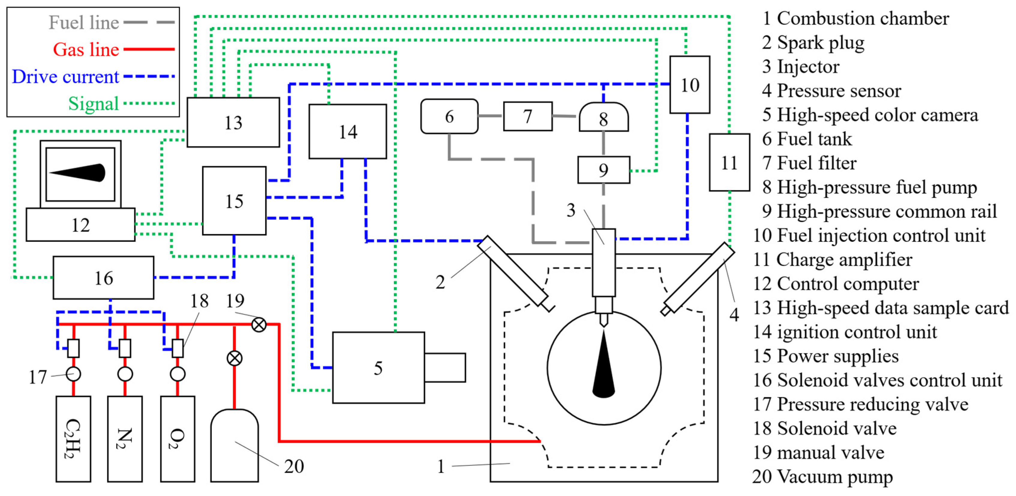
2.1. Optical Chamber and Injection System
2.2. Pre-Combustion Technique
2.3. Optical Techniques and Processing Methods
2.3.1. Visualization of Liquid Spray Penetration
- Step 1: Background subtraction. In order to eliminate environmental disturbances in subsequent spray images, the background image, which was regarded as the frame right before the fuel injection, was subtracted arithmetically from the raw images;
- Step 2: Liquid boundary detection. After the background subtraction, a threshold was carefully selected for image binarization to optimally determine the boundary of the liquid spray. This means that only the pixels connected to the center of mass of the spray were conserved while avoiding underestimation of the liquid boundary;
- Step 3: Contour analysis. Once the liquid boundary was determined, several interesting macroscopic parameters, including the liquid phase penetration and liquid length, were calculated to characterize the liquid spray process. The liquid phase penetration is defined as the distance from the injector tip to the most downstream of the detected boundary. During the quasi-steady period, the average of the liquid phase penetration is referred to as the liquid length.

2.3.2. Visualization of High-Temperature Ignition Process
2.3.3. Visualization of Combustion Flame Propagation
- Flame lift-off length: As an important controlling parameter in the fuel–air mixing prior to the combustion region, the flame lift-off length is defined as the distance from the injector tip to the most upstream location of the flame contour;
- Flame area: The flame area was calculated by multiplying the pixel area by the number of pixels within the flame boundary to reflect the spatial distribution of the flame.
- Spatially integrated natural luminosity (SINL): By summing up the intensity values of all the pixels inside the flame boundary of each flame image, the SINL is obtained to represent the instantaneous intensity of the natural luminosity of the flame;
- Time-integrated natural luminosity (TINL): The TINL is calculated by integrating the SINL with time to quantify the natural luminosity over the entire combustion duration.
2.4. Experimental Conditions
3. Results and Discussion
3.1. Liquid Spray Characteristics
3.1.1. Liquid Spray Morphology
3.1.2. Liquid-Phase Penetration and Liquid Length
3.2. Ignition Characteristics
3.2.1. Ignition Morphology
3.2.2. Ignition Delay and Ignition Distance
3.2.3. Spatial Distribution of Ignition Kernels
3.3. Flame Characteristics
3.3.1. Flame Morphology
3.3.2. Flame Lift-Off Length and Air Entrainment Upstream of Lifted Flame
3.3.3. Flame Area
3.4. Relationship between Diesel Vaporization and Combustion Processes
3.5. Soot Formation
3.5.1. SINL
3.5.2. TINL
4. Role of Altitude in Spray-Combustion Process of Free Diesel Jet
5. Conclusions and Remarks
- As the altitude was increased from 0 to 4500 m, as expected, the specific parameters characterizing the free spray combustion, including the liquid length, ignition delay, ignition distance, and flame lift-off length, all monotonically increased, which was mainly due to the lower ambient density;
- By superimposing the liquid spray and ignition images, the spatial distributions of the ignition kernels under different altitude conditions verified the inherently stochastic behavior of the ignition, especially under higher altitude conditions. Moreover, the statistical analysis of the number and area of ignition kernels provided direct evidence of greater peak pressure rise rates in high-altitude diesel engines;
- By superimposing the liquid spray and flame images, the relationship between the diesel vaporization and combustion process under different altitude conditions was clearly identified. Because the liquid length had a slightly stronger dependence on the ambient density than the lift-off length, the length of the cold core inside the diffusion flame sheath increased slightly from 20.4 to 22.9 mm as the altitude was increased from 0 to 4500 m, which potentially contributed to the deteriorated combustion under higher altitude conditions;
- Because a higher altitude resulted in both a lower ambient density and a longer lift-off length, the percent of stoichiometric air was calculated to increase from 12.0% to 14.0% when the altitude was increased from 0 to 4500 m, confirming that the net effect of the increasing altitude was an increase in the amount of air entrained upstream of the lifted flame;
- Due to the improved fuel–air mixing quality upstream of the lifted flame, the peak SINL and TINL decreased, indicating a lower soot formation level with increasing altitude. However, this trend was inconsistent with the increase in the exhaust soot emissions from realistic diesel engines with increasing altitude. This is presumably due to the insufficient time for soot oxidization to occur before the exhaust valve opens, emphasizing the importance of enhancing the soot oxidation to decrease the engine soot emissions in the plateau regions;
- A novel schematic diagram depicting the spray flame structure of a free jet under different altitude conditions was proposed to provide a phenomenological description of the role of altitude in the free spray-combustion process and to explain and validate approaches for improving the performances of high-altitude diesel engines.
Author Contributions
Funding
Data Availability Statement
Conflicts of Interest
Abbreviations
| CVCC | Constant Volume Combustion Chamber |
| ICE | Internal Combustion Engine |
| CFD | Computational Fluid Dynamics |
| ECN | Engine Combustion Network |
| EGR | Exhaust Gas Recirculation |
| DBI | Diffused Back-illumination Imaging |
| LED | Light Emitting Diode |
| SINL | Spatially Integrated Natural Luminosity |
| TINL | Time-Integrated Natural Luminosity |
| ASOI | After Start of Injection |
References
- Reitz, R.D.; Ogawa, H.; Payri, R.; Fansler, T.; Kokjohn, S.; Moriyoshi, Y.; Agarwal, A.K.; Arcoumanis, D.; Assanis, D.; Bae, C.; et al. IJER editorial: The future of the internal combustion engine. Int. J. Engine Res. 2020, 21, 3–10. [Google Scholar] [CrossRef]
- Reitz, R.D. Directions in internal combustion engine research. Combust. Flame 2013, 160, 1–8. [Google Scholar] [CrossRef]
- Kalghatgi, G. Is it really the end of internal combustion engines and petroleum in transport? Appl. Energy 2018, 225, 965–974. [Google Scholar] [CrossRef]
- Serrano, J.R.; Piqueras, P.; Abbad, A.; Tabet, R.; Bender, S.; Gómez, J. Impact on reduction of pollutant emissions from passenger cars when replacing Euro 4 with Euro 6d diesel engines considering the altitude influence. Energies 2019, 12, 1278. [Google Scholar] [CrossRef]
- Giraldo, M.; Huertas, J.I. Real emissions, driving patterns and fuel consumption of in-use diesel buses operating at high altitude. Transp. Res. Part D Transp. Environ. 2019, 77, 21–36. [Google Scholar] [CrossRef]
- Liu, J.; Ge, Y.; Wang, X.; Hao, L.; Tan, J.; Peng, Z.; Zhang, C.; Gong, H.; Huang, Y. On-board measurement of particle numbers and their size distribution from a light-duty diesel vehicle: Influences of VSP and altitude. J. Environ. Sci. 2017, 57, 238–248. [Google Scholar] [CrossRef]
- Bermúdez, V.; Serrano, J.R.; Piqueras, P.; Gómez, J.; Bender, S. Analysis of the role of altitude on diesel engine performance and emissions using an atmosphere simulator. Int. J. Engine Res. 2017, 18, 105–117. [Google Scholar] [CrossRef]
- Dennis, J.W. Turbocharged Diesel Engine Performance at Altitude; SAE International: Warrendale, PA, USA, 1971; pp. 2670–2689. [Google Scholar]
- Husaboe, T.D.; Polanka, M.D.; Rittenhouse, J.A.; Litke, P.J.; Hoke, J.L. Dependence of Small Internal Combustion Engine’s Performance on Altitude. J. Propuls. Power 2014, 30, 1328–1333. [Google Scholar] [CrossRef]
- Liu, S.; Shen, L.; Bi, Y.; Lei, J. Effects of altitude and fuel oxygen content on the performance of a high pressure common rail diesel engine. Fuel 2014, 118, 243–249. [Google Scholar] [CrossRef]
- Wang, X.; Ge, Y.; Yu, L.; Feng, X. Effects of altitude on the thermal efficiency of a heavy-duty diesel engine. Energy 2013, 59, 543–548. [Google Scholar] [CrossRef]
- He, C.; Ge, Y.; Ma, C.; Tan, J.; Liu, Z.; Wang, C.; Yu, L.; Ding, Y. Emission characteristics of a heavy-duty diesel engine at simulated high altitudes. Sci. Total Environ. 2011, 409, 3138–3143. [Google Scholar] [CrossRef]
- Yin, H.; Ge, Y.; Wang, X.; Yu, L.; Ji, Z.; Chen, W. Idle emission characteristics of a light-duty diesel van at various altitudes. Atmos. Environ. 2013, 70, 117–122. [Google Scholar] [CrossRef]
- Massuchetto, M.A.; Lodetti, J. Root cause analysis, and influence of environmental characteristics on a heavy duty diesel engine fault in high altitude. SAE Technical Paper. In Proceedings of the 23rd SAE Brasil International Congress and Display, Sao Paulo, Brazil, 30 September–2 October 2014. [Google Scholar]
- Lizhong, S.; Yungang, S.; Wensheng, Y.; Junding, X. Combustion Process of Diesel Engines at Regions with Different Altitude; SAE Technical Paper; SAE International: Warrendale, PA, USA, 1995. [Google Scholar]
- Szedlmayer, M.; Kweon CB, M. Effect of Altitude Conditions on Combustion and Performance of a Multi-Cylinder Turbocharged Direct-Injection Diesel Engine; SAE Technical Paper; SAE International: Warrendale, PA, USA, 2016. [Google Scholar]
- Agudelo, J.; Agudelo, A.; Pérez, J. Energy and exergy analysis of a light duty diesel engine operating at different altitudes. Rev. Fac. Ing. Univ. Antioq. 2009, 48, 45–54. [Google Scholar]
- Benjumea, P.; Agudelo, J.; Agudelo, A. Effect of altitude and palm oil biodiesel fuelling on the performance and combustion characteristics of a HSDI diesel engine. Fuel 2009, 88, 725–731. [Google Scholar] [CrossRef]
- Jiao, Y.; Liu, R.; Zhang, Z.; Yang, C.; Zhou, G.; Dong, S.; Liu, W. Comparison of combustion and emission characteristics of a diesel engine fueled with diesel and methanol-Fischer-Tropsch diesel-biodiesel-diesel blends at various altitudes. Fuel 2019, 243, 52–59. [Google Scholar] [CrossRef]
- Wang, X.; Ge, Y.; Yu, L.; Feng, X. Comparison of combustion characteristics and brake thermal efficiency of a heavy-duty diesel engine fueled with diesel and biodiesel at high altitude. Fuel 2013, 107, 852–858. [Google Scholar] [CrossRef]
- Wang, X.; Ge, Y.; Yu, L. Combustion and emission characteristics of a heavy-duty diesel engine at idle at various altitudes. SAE Int. J. Engines 2013, 6, 1145–1151. [Google Scholar] [CrossRef]
- Yu, L.; Ge, Y.; Tan, J.; He, C.; Wang, X.; Liu, H.; Zhao, W.; Guo, J.; Fu, G.; Feng, X.; et al. Experimental investigation of the impact of biodiesel on the combustion and emission characteristics of a heavy duty diesel engine at various altitudes. Fuel 2014, 115, 220–226. [Google Scholar] [CrossRef]
- Zhou, G.; Liu, R.; Dong, S.; Zhang, Z.; Lin, C. Combustion temperature characteristics of a common rail diesel engine under high altitude conditions. Trans. CSICE 2016, 34, 296–303. (In Chinese) [Google Scholar]
- Zhu, Z.; Zhang, F.; Li, C.; Wu, T.; Han, K.; Lv, J.; Li, Y.; Xiao, X. Genetic algorithm optimization applied to the fuel supply parameters of diesel engines working at plateau. Appl. Energy 2015, 157, 789–797. [Google Scholar] [CrossRef]
- Pang, K.M.; Jangi, M.; Bai, X.S.; Schramm, J.; Walther, J.H.; Glarborg, P. Effects of ambient pressure on ignition and flame characteristics in diesel spray combustion. Fuel 2019, 237, 676–685. [Google Scholar] [CrossRef]
- Pei, Y.; Davis, M.J.; Pickett, L.M.; Som, S. Engine Combustion Network (ECN): Global sensitivity analysis of Spray A for different combustion vessels. Combust. Flame 2015, 162, 2337–2347. [Google Scholar] [CrossRef]
- Ma, Y.; Huang, S.; Huang, R.; Zhang, Y.; Xu, S. Ignition and combustion characteristics of n-pentanol–diesel blends in a constant volume chamber. Appl. Energy 2017, 185, 519–530. [Google Scholar] [CrossRef]
- Dec, J.E. A conceptual model of DL diesel combustion based on laser-sheet imaging. SAE Trans. 1997, 1319–1348. [Google Scholar]
- Pickett, L.M.; Siebers, D.L. Soot in diesel fuel jets: Effects of ambient temperature, ambient density, and injection pressure. Combust. Flame 2004, 138, 114–135. [Google Scholar] [CrossRef]
- Tree, D.R.; Svensson, K.I. Soot processes in compression ignition engines. Prog. Energy Combust. Sci. 2007, 33, 272–309. [Google Scholar] [CrossRef]
- Naber, J.D.; Siebers, D.L. Effects of gas density and vaporization on penetration and dispersion of diesel sprays. SAE Trans. 1996, 82–111. [Google Scholar]
- Siebers, D.; Higgins, B. Flame lift-off on direct-injection diesel sprays under quiescent conditions. In Proceedings of the SAE 2001 World Congress, Detroit, MI, USA, 5–8 March 2001; pp. 400–421. [Google Scholar]
- Higgins, B.; Siebers, D. Measurement of the Flame Lift-off Location on DI Diesel Sprays Using OH Chemiluminescence; SAE International: Warrendale, PA, USA, 2001; pp. 739–753. [Google Scholar]
- Pickett, L.M.; Siebers, D.L.; Idicheria, C.A. Relationship between Ignition Processes and the Lift-off Length of Diesel Fuel Jets; SAE International: Warrendale, PA, USA, 2005; pp. 1714–1731. [Google Scholar]
- Pickett, L.M.; Siebers, D.L. Orifice diameter effects on diesel fuel jet flame structure. J. Eng. Gas Turbines Power 2005, 127, 187–196. [Google Scholar] [CrossRef]
- Sepret, V.; Bazile, R.; Marchal, M.; Couteau, G. Effect of ambient density and orifice diameter on gas entrainment by a single-hole diesel spray. Exp. Fluids 2010, 49, 1293–1305. [Google Scholar] [CrossRef]
- Liu, F.; Zhang, Z.; Wu, H.; Li, Y.; Ma, Y.; Li, X.; Du, W. An investigation on a diesel jet’s ignition characteristics under cold-start conditions. Appl. Therm. Eng. 2017, 121, 511–519. [Google Scholar] [CrossRef]
- Nishida, K.; Zhu, J.; Leng, X.; He, Z. Effects of micro-hole nozzle and ultra-high injection pressure on air entrainment, liquid penetration, flame lift-off and soot formation of diesel spray flame. Int. J. Engine Res. 2017, 18, 51–65. [Google Scholar] [CrossRef]
- Payri, R.; Gimeno, J.; Bracho, G.; Vaquerizo, D. Study of liquid and vapor phase behavior on Diesel sprays for heavy duty engine nozzles. Appl. Therm. Eng. 2016, 107, 365–378. [Google Scholar] [CrossRef]
- Yan, J.; Gao, S.; Zhao, W.; Lee, T.H. Spray and combustion characteristics of butanol-diesel and hexanol-diesel blends under high-altitude conditions. Fuel 2022, 307, 121753. [Google Scholar] [CrossRef]
- Gimeno, J.; Bracho, G.; Martí-Aldaraví, P.; Peraza, J.E. Experimental study of the injection conditions influence over n-dodecane and diesel sprays with two ECN single-hole nozzles. Part I: Inert atmosphere. Energy Convers. Manag. 2016, 126, 1146–1156. [Google Scholar] [CrossRef]
- Bardi, M.; Payri, R.; Malbec, L.M.C.; Bruneaux, G.; Pickett, L.M.; Manin, J.; Genzale, C.L. Engine combustion network: Comparison of spray development, vaporization, and combustion in different combustion vessels. At. Sprays 2012, 22, 10. [Google Scholar] [CrossRef]
- Benajes, J.; Payri, R.; Bardi, M.; Martí-Aldaraví, P. Experimental characterization of diesel ignition and lift-off length using a single-hole ECN injector. Appl. Therm. Eng. 2013, 58, 554–563. [Google Scholar] [CrossRef]
- Lillo, P.M.; Pickett, L.M.; Persson, H.; Viera, A. Diesel spray ignition detection and spatial/temporal correction. SAE Int. J. Engines 2012, 5, 1330–1346. [Google Scholar] [CrossRef]
- Payri, R.; Salvador, F.J.; Manin, J.; Viera, A. Diesel ignition delay and lift-off length through different methodologies using a multi-hole injector. Appl. Energy 2016, 162, 541–550. [Google Scholar] [CrossRef]
- Gaydon, A. The Spectroscopy of Flames; Springer Science & Business Media: Berlin/Heidelberg, Germany, 2012. [Google Scholar]
- Dec, J.E.; Espey, C. Ignition and Early Soot Formation in a DI Diesel Engine Using Multiple 2-D Imaging Diagnostics; SAE International: Warrendale, PA, USA, 1995; pp. 853–875. [Google Scholar]
- Wang, X.; Huang, Z.; Zhang, W.; Kuti, O.A.; Nishida, K. Effects of ultra-high injection pressure and micro-hole nozzle on flame structure and soot formation of impinging diesel spray. Appl. Energy 2011, 88, 1620–1628. [Google Scholar] [CrossRef]
- Yao, C.; Geng, P.; Yin, Z.; Hu, J.; Chen, D.; Ju, Y. Impacts of nozzle geometry on spray combustion of high pressure common rail injectors in a constant volume combustion chamber. Fuel 2016, 179, 235–245. [Google Scholar] [CrossRef]
- Zhang, C.; Li, Y.; Liu, Z.; Liu, J. An investigation of the effect of plateau environment on the soot generation and oxidation in diesel engines. Energy 2022, 253, 124086. [Google Scholar] [CrossRef]
- Siebers, D.L. Liquid-Phase Fuel Penetration in Diesel Sprays; SAE International: Warrendale, PA, USA, 1998; pp. 1205–1227. [Google Scholar]
- Huang, S.; Deng, P.; Huang, R.; Wang, Z.; Ma, Y.; Dai, H. Visualization research on spray atomization, evaporation and combustion processes of ethanol–diesel blend under LTC conditions. Energy Convers. Manag. 2015, 106, 911–920. [Google Scholar] [CrossRef]
- Wang, X.; Huang, Z.; Kuti, O.A.; Zhang, W.; Nishida, K. An experimental investigation on spray, ignition and combustion characteristics of biodiesels. Proc. Combust. Inst. 2011, 33, 2071–2077. [Google Scholar] [CrossRef]
- Espey, C.; Dec, J.E. The Effect of TDC Temperature and Density on the Liquid-Phase Fuel Penetration in a DI Diesel Engine; SAE International: Warrendale, PA, USA, 1995; pp. 1400–1416. [Google Scholar]
- Payri, R.; Gimeno, J.; Bardi, M.; Plazas, A.H. Study liquid length penetration results obtained with a direct acting piezo electric injector. Appl. Energy 2013, 106, 152–162. [Google Scholar] [CrossRef]
- Pickett, L.M.; Kook, S.; Williams, T.C. Visualization of diesel spray penetration, cool-flame, ignition, high-temperature combustion, and soot formation using high-speed imaging. SAE Int. J. Engines 2009, 2, 439–459. [Google Scholar] [CrossRef]
- Wang, C.; Lou, D.; Tan, P.; Hu, Z.; Liu, S.; Yang, Z. Experimental Study on Diesel Spray Characteristics at Different Altitudes; SAE Technical Paper; SAE International: Warrendale, PA, USA, 2018. [Google Scholar]
- Arai, M. Physics behind diesel sprays. In Proceedings of the ICLASS, 12th Triennial International Conference on Liquid Atomization and Spray Systems, Heidelberg, Germany, 2–5 September 2012. [Google Scholar]
- Edwards, C.F.; Siebers, D.L.; Hoskin, D.H. A study of the autoignition process of a diesel spray via high speed visualization. SAE Trans. 1992, 187–204. [Google Scholar]
- Moon, S.; Matsumoto, Y.; Nishida, K. Entrainment, Evaporation and Mixing Characteristics of Diesel Sprays Around End-of-Injection; SAE Technical Paper; SAE International: Warrendale, PA, USA, 2009. [Google Scholar]
- Hwang, J.; Park, Y.; Bae, C.; Lee, J.; Pyo, S. Fuel temperature influence on spray and combustion characteristics in a constant volume combustion chamber (CVCC) under simulated engine operating conditions. Fuel 2015, 160, 424–433. [Google Scholar] [CrossRef]
- Zheng, L.; Ma, X.; Wang, Z.; Wang, J. An optical study on liquid-phase penetration, flame lift-off location and soot volume fraction distribution of gasoline–diesel blends in a constant volume vessel. Fuel 2015, 139, 365–373. [Google Scholar] [CrossRef]
- Dec, J.E.; Coy, E.B. OH Radical Imaging in a DI Diesel Engine and the Structure of the Early Diffusion Flame; SAE International: Warrendale, PA, USA, 1996; pp. 1127–1148. [Google Scholar]
- Siebers, D.L. Scaling liquid-phase fuel penetration in diesel sprays based on mixing-limited vaporization. SAE Trans. 1999, 703–728. [Google Scholar]
- Li, D.; He, Z.; Xuan, T.; Zhong, W.; Cao, J.; Wang, Q.; Wang, P. Simultaneous capture of liquid length of spray and flame lift-off length for second-generation biodiesel/diesel blended fuel in a constant volume combustion chamber. Fuel 2017, 189, 260–269. [Google Scholar] [CrossRef]
- Kuti, O.A.; Zhu, J.; Nishida, K.; Wang, X.; Huang, Z. Characterization of spray and combustion processes of biodiesel fuel injected by diesel engine common rail system. Fuel 2013, 104, 838–846. [Google Scholar] [CrossRef]
- Wang, X.; Yin, H.; Ge, Y.; Yu, L.; Xu, Z.; Yu, C.; Shi, X.; Liu, H. On-vehicle emission measurement of a light-duty diesel van at various speeds at high altitude. Atmos. Environ. 2013, 81, 263–269. [Google Scholar] [CrossRef]
- Tree, D.R.; Dec, J.E. Extinction Measurements of in-Cylinder Soot Deposition in a Heavy-Duty DI Diesel Engine; SAE International: Warrendale, PA, USA, 2001; pp. 1618–1634. [Google Scholar]
- Liu, Z.; Liu, J. Effect of altitude conditions on combustion and performance of a turbocharged direct-injection diesel engine. Proc. Inst. Mech. Eng. Part D J. Automob. Eng. 2022, 236, 582–593. [Google Scholar] [CrossRef]
- Montgomery, D.T.; Chan, M.; Chang, C.T.; Farrell, P.V.; Reitz, R.D. Effect of Injector Nozzle Hole Size and Number on Spray Characteristics and the Performance of a Heavy Duty DI Diesel Engine; SAE Technical Paper; SAE International: Warrendale, PA, USA, 1996. [Google Scholar]





















| Test Type | O2 (%) | Coefficients | ||||||
|---|---|---|---|---|---|---|---|---|
| a | b | c | d | e | f | g | ||
| Evaporation test | 0.0 | 4.0 | 10.0 | 86.0 | 8.0 | 4.0 | 0.0 | 86.0 |
| Combustion test | 21.0 | 4.0 | 30.6 | 65.4 | 8.0 | 4.0 | 20.6 | 65.4 |
| Technique | Diffused Back-Illumination Imaging | Broadband Chemiluminescence Imaging | Flame Natural Luminosity Imaging |
|---|---|---|---|
| Camera | PCO Dimax S1 high-speed color camera (PCO Imaging, Kelheim, Germany) | ||
| Lens | Tokina 100 mm (f/2.8) (Tokina, Tokyo, Japan) | ||
| Light source | LED | None | None |
| Filter | None | 600 nm low pass | ND8 |
| Exposure time (μs) | 20 | 54 | 4 |
| Frame rate (fps) | 16,000 | ||
| Resolution | 760 × 320 | ||
| Scale (mm/pixel) | 0.18 | ||
| Parameters | Value | ||
|---|---|---|---|
| Fuel | #0 diesel fuel | ||
| Fuel density (kg/m3) | 835 | ||
| Injector type | Single-hole | ||
| Nozzle diameter (mm) | 0.32 | ||
| Injection pressure (Mpa) | 90 | ||
| Injection duration (ms) | 2.0 | ||
| Ambient temperature (K) | 800 | ||
| Ambient pressure (Mpa) | 3.69 | 3.05 | 2.61 |
| Ambient density (kg/m3) | 16.07 | 13.31 | 11.37 |
| Simulated altitude (m) | 0 | 3000 | 4500 |
| Repetitions N.O. | Ignition Kernels under Altitude Condition of 0 m | Ignition Kernels under Altitude Condition of 3000 m | Ignition Kernels under Altitude Condition of 4500 m | |||
|---|---|---|---|---|---|---|
| Number (-) | Area (mm2) | Number (-) | Area (mm2) | Number (-) | Area (mm2) | |
| 1 | 1 | 6.1 | 2 | 16.4 | 1 | 18.5 |
| 2 | 1 | 4.9 | 2 | 10.2 | 2 | 21.2 |
| 3 | 1 | 3.9 | 2 | 6.2 | 2 | 32.1 |
| Average | 1 | 5.0 | 2 | 10.9 | 1.7 | 23.9 |
Disclaimer/Publisher’s Note: The statements, opinions and data contained in all publications are solely those of the individual author(s) and contributor(s) and not of MDPI and/or the editor(s). MDPI and/or the editor(s) disclaim responsibility for any injury to people or property resulting from any ideas, methods, instructions or products referred to in the content. |
© 2023 by the authors. Licensee MDPI, Basel, Switzerland. This article is an open access article distributed under the terms and conditions of the Creative Commons Attribution (CC BY) license (https://creativecommons.org/licenses/by/4.0/).
Share and Cite
Wang, C.; Qi, X.; Wang, T.; Lou, D.; Tan, P.; Hu, Z.; Fang, L.; Yang, R. Role of Altitude in Influencing the Spray Combustion Characteristics of a Heavy-Duty Diesel Engine in a Constant Volume Combustion Chamber. Part I: Free Diesel Jet. Energies 2023, 16, 4832. https://doi.org/10.3390/en16124832
Wang C, Qi X, Wang T, Lou D, Tan P, Hu Z, Fang L, Yang R. Role of Altitude in Influencing the Spray Combustion Characteristics of a Heavy-Duty Diesel Engine in a Constant Volume Combustion Chamber. Part I: Free Diesel Jet. Energies. 2023; 16(12):4832. https://doi.org/10.3390/en16124832
Chicago/Turabian StyleWang, Chengguan, Xiaozhi Qi, Tao Wang, Diming Lou, Piqiang Tan, Zhiyuan Hu, Liang Fang, and Rong Yang. 2023. "Role of Altitude in Influencing the Spray Combustion Characteristics of a Heavy-Duty Diesel Engine in a Constant Volume Combustion Chamber. Part I: Free Diesel Jet" Energies 16, no. 12: 4832. https://doi.org/10.3390/en16124832
APA StyleWang, C., Qi, X., Wang, T., Lou, D., Tan, P., Hu, Z., Fang, L., & Yang, R. (2023). Role of Altitude in Influencing the Spray Combustion Characteristics of a Heavy-Duty Diesel Engine in a Constant Volume Combustion Chamber. Part I: Free Diesel Jet. Energies, 16(12), 4832. https://doi.org/10.3390/en16124832

