Non-Iterative, Unique, and Logical Formula-Based Technique to Determine Maximum Load Multiplier and Practical Load Multiplier for Both Transmission and Distribution Systems
Abstract
1. Introduction
- A unique, innovative formula of MLM and PLM considering line resistance has been developed to evaluate the maximum load margin for voltage collapse and practical additional load for safe and secure power system operation, respectively, and the proposed formulae are applicable for both transmission and distribution systems.
- The proposed technique is simple, non-iterative, and computationally inexpensive, and the obtained results from the developed formulae are vindicated by conventional iterative methods such as NRLF and CLF.
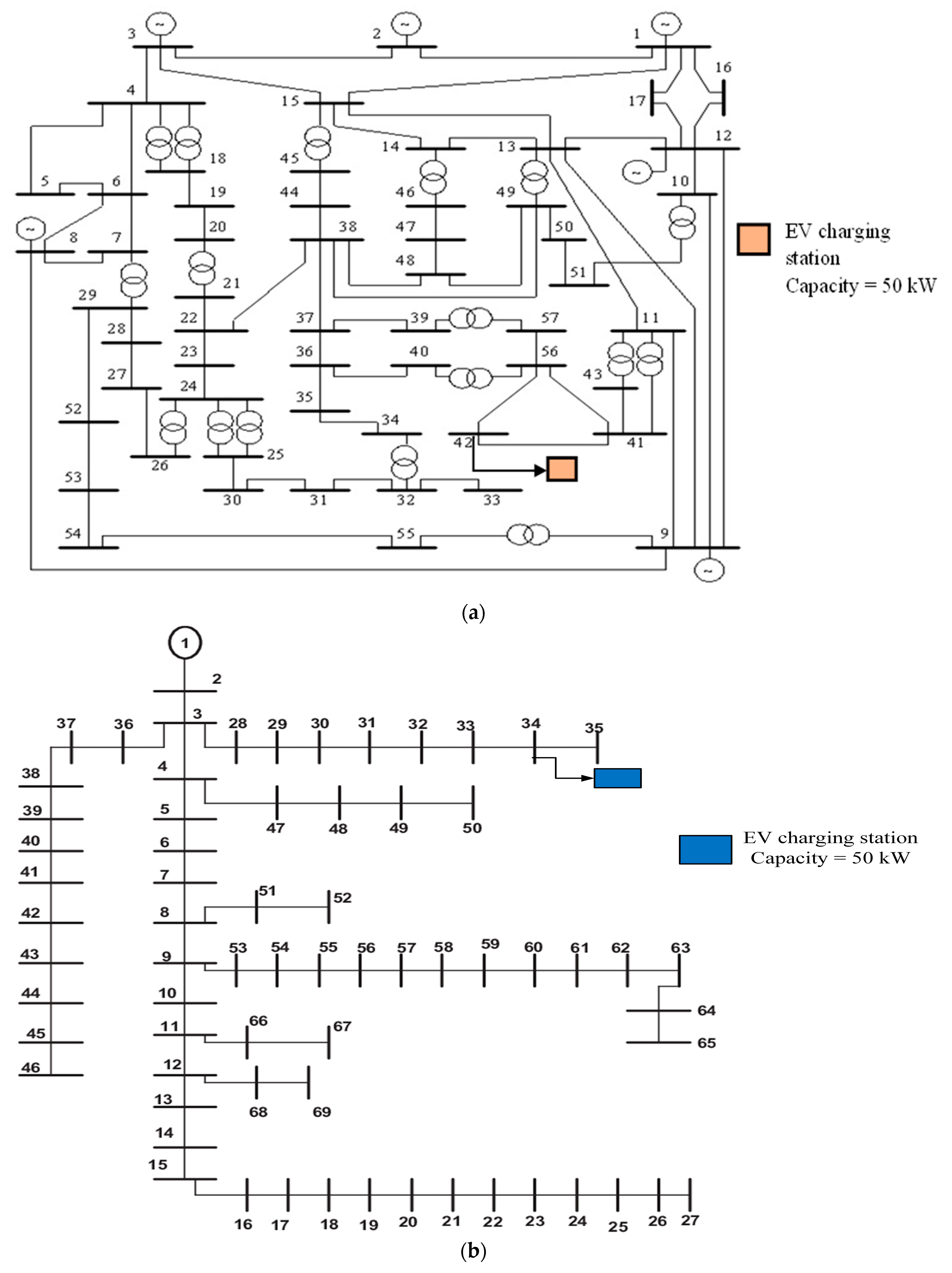
- As the actual permissible extra load for a bus is determined using PLM, the bus-wise suitable capacities or ratings of EV charging stations can quickly be assessed. The planning engineers can also easily settle on the extra load demand by the domestic, commercial, and industrial consumers, keeping the voltage magnitude within the security limit.
2. Problem Formulation
3. Procedure
4. Result and Discussion
5. Conclusions
Author Contributions
Funding
Data Availability Statement
Acknowledgments
Conflicts of Interest
Appendix A. Derivation of MLM
Appendix B. Derivation of PLM
References
- Prudenzi, A.; Silvestri, A.; Lucci, G.; Regoli, M. Analysis of Residential Standby Power Demand Control through a Psychological Model of Demand. In Proceedings of the 10th International Conference on Environment and Electrical Engineering, Rome, Italy, 8–11 May 2011. [Google Scholar]
- Tang, X.; Milanovic, J.V. Assessment of the Impact of Demand Side Management on Power System Small Signal Stability. In Proceedings of the IEEE Manchester Power Tech, Manchester, UK, 18–22 June 2017. [Google Scholar]
- Tuscano, A.A.; Gabhane, S.K. A Method for Optimal Usage of Power in Electric Vehicle. In Proceedings of the International Conference on Inventive Computation Technologies (ICICT), Coimbatore, India, 26–27 August 2016. [Google Scholar]
- Joshi, A.; Sharma, R.; Baral, B. Comparative Life Cycle Assessment of Conventional Combustion Engine Vehicle, Battery Electric Vehicle and Fuel Cell Electric Vehicle in Nepal. J. Clean. Prod. 2022, 379, 134407. [Google Scholar] [CrossRef]
- Mastoi, M.S.; Zhuang, S.; Munir, H.M.; Haris, M.; Hassan, M.; Usman, M.; Bukhari, S.S.H.; Ro, J.-S. An In-Depth Analysis of Electric Vehicle Charging Station Infrastructure, Policy Implications, and Future Trends. Energy Rep. 2022, 8, 11504–11529. [Google Scholar] [CrossRef]
- Nafi, I.M.; Tabassum, S.; Hassan, Q.R.; Abid, F. Effect of Electric Vehicle Fast Charging Station on Residential Distribution Network in Bangladesh. In Proceedings of the 5th International Conference on Electrical Engineering and Information Communication Technology (ICEEICT), Dhaka, Bangladesh, 18–20 November 2021. [Google Scholar]
- Nutkani, I.U.; Lee, J.C. Evaluation of Electric Vehicles (EVs) Impact on Electric Grid. In Proceedings of the International Power Electronics Conference (IPEC-Himeji 2022-ECCE Asia), Himeji, Japan, 15–19 May 2022. [Google Scholar]
- Savari, G.F.; Sathik, M.J.; Raman, L.A.; El-Shahat, A.; Hasanien, H.M.; Almakhles, D.; Abdel Aleem, S.H.E.; Omar, A.I. Assessment of Charging Technologies, Infrastructure and Charging Station Recommendation Schemes of Electric Vehicles: A Review. Ain Shams Eng. J. 2023, 14, 101938. [Google Scholar] [CrossRef]
- Olcay, K.; Çetinkaya, N. Analysis of the Electric Vehicle Charging Stations Effects on the Electricity Network with Artificial Neural Network. Energies 2023, 16, 1282. [Google Scholar] [CrossRef]
- Adebayo, I.G.; Sun, Y. Performance Evaluation of Voltage Stability Indices for a Static Voltage Collapse Prediction. In Proceedings of the IEEE PES/IAS PowerAfrica, Nairobi, Kenya, 25–28 August 2020. [Google Scholar]
- Bento, M.E.C. A Method for Monitoring the Load Margin of Power Systems under Load Growth Variations. Sustain. Energy Grids Netw. 2022, 30, 100677. [Google Scholar] [CrossRef]
- Adetokun, B.B.; Muriithi, C.M.; Ojo, J.O. Voltage Stability Assessment and Enhancement of Power Grid with Increasing Wind Energy Penetration. Int. J. Electr. Power Energy Syst. 2020, 120, 105988. [Google Scholar] [CrossRef]
- Mallick, S.; Acharjee, P.; Ghoshal, S.P.; Thakur, S.S. Determination of Maximum Load Margin Using Fuzzy Logic. Int. J. Electr. Power Energy Syst. 2013, 52, 231–246. [Google Scholar] [CrossRef]
- Bonini Neto, A.; Alves, D.A.; Minussi, C.R. Artificial Neural Networks: Multilayer Perceptron and Radial Basis to Obtain Post-Contingency Loading Margin in Electrical Power Systems. Energies 2022, 15, 7939. [Google Scholar] [CrossRef]
- Mishra, S.; Brar, Y.S. Load Flow Analysis Using MATLAB. In Proceedings of the IEEE International Students’ Conference on Electrical, Electronics and Computer Science (SCEECS), Bhopal, India, 19–20 February 2022. [Google Scholar]
- Chatterjee, S.; Mandal, S. A Novel Comparison of Gauss-Seidel and Newton- Raphson Methods for Load Flow Analysis. In Proceedings of the International Conference on Power and Embedded Drive Control (ICPEDC), Chennai, India, 16–18 March 2017. [Google Scholar]
- Ajjarapu, V.; Christy, C. The Continuation Power Flow: A Tool for Steady State Voltage Stability Analysis. IEEE Trans. Power Syst. 1992, 7, 416–423. [Google Scholar] [CrossRef]
- Lou, Y.; Ou, Z.; Tong, Z.; Tang, W.; Li, Z.; Yang, K. Static Volatge Stability Evaluation on the Urban Power System by Continuation Power Flow. In Proceedings of the 5th International Conference on Energy, Electrical and Power Engineering (CEEPE), Chongqing, China, 22–24 April 2022. [Google Scholar]
- Jmii, H.; Meddeb, A.; Chebbi, S. Newton-Raphson Load Flow Method for Voltage Contingency Ranking. In Proceedings of the 15th International Multi-Conference on Systems, Signals & Devices (SSD), Hammamet, Tunisia, 19–22 March 2018. [Google Scholar]
- Thiyagarajan, T.; Mv, S.; Samy, A.K.; Venkadesan, A. Performance Investigation of SVR for Evaluating Voltage Stability Margin in a Power Utility. In Proceedings of the IEEE International Power and Renewable Energy Conference (IPRECON), Kollam, India, 24–26 September 2021. [Google Scholar]
- Montoya, O.D.; Gil-Gonzalez, W.; Garrido, V.M. Voltage Stability Margin in DC Grids with CPLs: A Recursive Newton–Raphson Approximation. IEEE Trans. Circuits Syst. II 2020, 67, 300–304. [Google Scholar] [CrossRef]
- Roy Ghatak, S.; Sannigrahi, S.; Acharjee, P. Comparative Performance Analysis of DG and DSTATCOM Using Improved PSO Based on Success Rate for Deregulated Environment. IEEE Syst. J. 2018, 12, 2791–2802. [Google Scholar] [CrossRef]
- Modarresi, J.; Gholipour, E.; Khodabakhshian, A. A Comprehensive Review of the Voltage Stability Indices. Renew. Sustain. Energy Rev. 2016, 63, 1–12. [Google Scholar] [CrossRef]
- Mokred, S.; Wang, Y.; Chen, T. Modern Voltage Stability Index for Prediction of Voltage Collapse and Estimation of Maximum Load-Ability for Weak Buses and Critical Lines Identification. Int. J. Electr. Power Energy Syst. 2023, 145, 108596. [Google Scholar] [CrossRef]
- Kayal, P.; Chanda, C.K. Placement of Wind and Solar Based DGs in Distribution System for Power Loss Minimization and Voltage Stability Improvement. Int. J. Electr. Power Energy Syst. 2013, 53, 795–809. [Google Scholar] [CrossRef]
- Danish, M.S.S.; Senjyu, T.; Danish, S.M.S.; Sabory, N.R.; K, N.; Mandal, P. A Recap of Voltage Stability Indices in the Past Three Decades. Energies 2019, 12, 1544. [Google Scholar] [CrossRef]
- Musirin, I.; Abdul Rahman, T.K. Novel Fast Voltage Stability Index (FVSI) for Voltage Stability Analysis in Power Transmission System. In Proceedings of the Student Conference on Research and Development, Shah Alam, Malaysia, 16–17 July 2002. [Google Scholar]
- Meena, M.K.; Kumar, N. On-Line Monitoring and Simulation of Transmission Line Network Voltage Stability Using FVSI. In Proceedings of the 2nd IEEE International Conference on Power Electronics, Intelligent Control and Energy Systems (ICPEICES), Delhi, India, 22–24 October 2018. [Google Scholar]
- Samuel, I.A.; Soyemi, A.O.; Awelewa, A.A.; Olajube, A.A.; Ketande, J. Review of Voltage Stability Indices. IOP Conf. Ser. Earth Environ. Sci. 2021, 730, 012024. [Google Scholar] [CrossRef]
- Yari, S.; Khoshkhoo, H. Assessment of Line Stability Indices in Detection of Voltage Stability Status. In Proceedings of the IEEE International Conference on Environment and Electrical Engineering and 2017 IEEE Industrial and Commercial Power Systems Europe (EEEIC/I&CPS Europe), Milan, Italy, 6–9 June 2017. [Google Scholar]
- Okon, T.; Wilkosz, K. A Simple Contingency Selection for Voltage Stability Analysis. ElAEE 2013, 19, 25–28. [Google Scholar] [CrossRef]
- Gautam, M.; Bhusal, N.; Thapa, J.; Benidris, M. A Cooperative Game Theory-Based Approach to Formulation of Distributed Slack Buses. Sustain. Energy Grids Netw. 2022, 32, 100890. [Google Scholar] [CrossRef]
- Power Systems Test Case Archive. University of Washington. Available online: https://labs.ece.uw.edu/pstca/ (accessed on 30 May 2023).
- Azam Muhammad, M.; Mokhlis, H.; Naidu, K.; Amin, A.; Fredy Franco, J.; Othman, M. Distribution Network Planning Enhancement via Network Reconfiguration and DGIntegration Using Dataset Approach and Water Cycle Algorithm. J. Mod. Power Syst. Clean Energy 2020, 8, 86–93. [Google Scholar] [CrossRef]
- Sarwar, S.; Mokhlis, H.; Othman, M.; Muhammad, M.A.; Laghari, J.A.; Mansor, N.N.; Mohamad, H.; Pourdaryaei, A. A Mixed Integer Linear Programming Based Load Shedding Technique for Improving the Sustainability of Islanded Distribution Systems. Sustainability 2020, 12, 6234. [Google Scholar] [CrossRef]
- Guerriche, K.R.; Bouktir, T. Maximum Loading Point in Distribution System with Renewable Resources Penetration. In Proceedings of the International Renewable and Sustainable Energy Conference (IRSEC), Ouarzazate, Morocco, 17–19 October 2014. [Google Scholar]
- Choudekar, P.; Sinha, S.K.; Siddiqui, A. Optimal Location of SVC for Improvement in Voltage Stability of a Power System under Normal and Contingency Condition. Int. J. Syst. Assur. Eng. Manag. 2017, 8, 1312–1318. [Google Scholar] [CrossRef]






| (a) | |||||
| Sl. No. | SEB | REB | MLM using formula | MLM using the NRLF method | MLM using the CLF method |
| 1 | 12 | 16 | 14.1780 | 14.2968 | 14.2969 |
| 2 | 19 | 20 | 19.7453 | 19.2339 | 19.7465 |
| 3 | 13 | 14 | 55.1172 | 56.9040 | 56.9041 |
| 4 | 41 | 42 | 8.0156 | 7.6986 | 8.0156 |
| 5 | 50 | 51 | 15.1357 | 16.2367 | 16.2369 |
| (b) | |||||
| Sl. No. | SEB | REB | MLM using formula | MLM using the NRLF method | MLM using the CLF method |
| 1 | 6 | 7 | 1850.9783 | 1851.1520 | 1851.1524 |
| 2 | 9 | 10 | 1254.8078 | 1254.8783 | 1254.8784 |
| 3 | 33 | 34 | 999.0980 | 998.9886 | 999.0981 |
| 4 | 48 | 49 | 123.3389 | 124.0974 | 124.8974 |
| 5 | 49 | 50 | 424.4114 | 423.8986 | 424.4114 |
| (a) | ||||
| Sl. No. | SEB | REB | Estimation time for proposed method (s) | Estimation time for conventional method (NRLF) (s) |
| 1 | 12 | 16 | 0.000901 | 3.976398 |
| 2 | 19 | 20 | 0.000468 | 13.11175 |
| 3 | 13 | 14 | 0.001183 | 25.28018 |
| 4 | 41 | 42 | 0.000526 | 3.034557 |
| 5 | 50 | 51 | 0.000591 | 6.391836 |
| (b) | ||||
| Sl. No. | SEB | REB | Estimation time for proposed method (s) | Estimation time for conventional method (NRLF) (s) |
| 1 | 6 | 7 | 0.000581 | 683.3324 |
| 2 | 9 | 10 | 0.000594 | 493.4006 |
| 3 | 33 | 34 | 0.000432 | 410.1328 |
| 4 | 48 | 49 | 0.000498 | 36.969733 |
| 5 | 49 | 50 | 0.000414 | 176.776818 |
| (a) | ||||
| Sl. No. | SEB. | REB | PLM obtained from developed formula | Receiving end voltage (p.u.) |
| 1 | 12 | 16 | 6.99498 | 0.9031 |
| 2 | 19 | 20 | 5.74715 | 0.9082 |
| 3 | 13 | 14 | 18.49972 | 0.9015 |
| 4 | 41 | 42 | 2.99778 | 0.8981 |
| 5 | 50 | 51 | 8.02092 | 0.8994 |
| (b) | ||||
| Sl. No. | SEB. | REB | PLM obtained from developed formula | Receiving end voltage (p.u.) |
| 1 | 6 | 7 | 616.4928 | 0.8997 |
| 2 | 9 | 10 | 372.218 | 0.8943 |
| 3 | 33 | 34 | 358.0564 | 0.9010 |
| 4 | 48 | 49 | 46.2458 | 0.8992 |
| 5 | 49 | 50 | 156.8488 | 0.9059 |
| (a) | |||
| SEB | REB | Voltage at REB after applying PLM, obtained from formula | Voltage at REB after applying PLM, obtained using NRLF |
| 12 | 16 | 0.9031 | 0.9000 |
| 19 | 20 | 0.9082 | 0.9001 |
| 13 | 14 | 0.9015 | 0.9001 |
| 41 | 42 | 0.8981 | 0.8999 |
| 50 | 51 | 0.8994 | 0.9002 |
| (b) | |||
| SEB | REB | Voltage at REB after applying PLM, obtained from formula | Voltage at REB after applying PLM, obtained using NRLF |
| 6 | 7 | 0.8997 | 0.9002 |
| 9 | 10 | 0.8943 | 0.8999 |
| 33 | 34 | 0.9010 | 0.9000 |
| 48 | 49 | 0.8992 | 0.9003 |
| 49 | 50 | 0.9059 | 0.9001 |
| (a) | ||||||||
| Sl. No. | SEB. | REB | Base load at RE | Modified load after multiplying MLM at RE | Additional load at RE | |||
| (MW) | (MVAr) | (MW) | (MVAr) | (MW) | (MVAr) | |||
| 1 | 12 | 16 | 43 | 3 | 678.5787 | 47.3427 | 635.5787 | 44.3427 |
| 2 | 19 | 20 | 2.3 | 1 | 45.4142 | 19.7453 | 43.1142 | 18.7453 |
| 3 | 13 | 14 | 10.5 | 5.3 | 578.7306 | 292.1212 | 568.2306 | 286.8212 |
| 4 | 41 | 42 | 7.1 | 4 | 56.9113 | 32.0627 | 49.8113 | 28.0627 |
| 5 | 50 | 51 | 18 | 5.3 | 218.4341 | 64.3167 | 200.4341 | 59.0167 |
| (b) | ||||||||
| Sl. No. | SEB | REB | Base load at RE | Modified load after multiplying MLM at RE | Additional load at RE | |||
| (MW) | (MVAr) | (MW) | (MVAr) | (MW) | (MVAr) | |||
| 1 | 6 | 7 | 0.04 | 0.03 | 74.0332 | 55.5249 | 73.9932 | 55.4949 |
| 2 | 9 | 10 | 0.03 | 0.02 | 37.6202 | 25.0802 | 37.5902 | 37.6002 |
| 3 | 33 | 34 | 0.02 | 0.01 | 19.982 | 9.991 | 19.962 | 9.981 |
| 4 | 48 | 49 | 0.38 | 0.27 | 46.8688 | 33.3025 | 46.4888 | 33.0315 |
| 5 | 49 | 50 | 0.38 | 0.27 | 161.2763 | 114.5911 | 160.8963 | 114.3211 |
| (a) | ||||||||
| Sl. No. | SEB | REB | Base load at RE | Modified load after multiplying PLM at RE | Additional load at RE | |||
| (MW) | (MVAr) | (MW) | (MVAr) | (MW) | (MVAr) | |||
| 1 | 12 | 16 | 43 | 3 | 300.7841 | 20.9849 | 257.7841 | 17.9849 |
| 2 | 19 | 20 | 2.3 | 1 | 13.2184 | 5.7471 | 10.9184 | 4.7471 |
| 3 | 13 | 14 | 10.5 | 5.3 | 194.2471 | 98.0485 | 183.7471 | 92.7485 |
| 4 | 41 | 42 | 7.1 | 4 | 21.2842 | 11.9911 | 14.1842 | 7.9911 |
| 5 | 50 | 51 | 18 | 5.3 | 144.3766 | 42.5109 | 126.3766 | 37.2109 |
| (b) | ||||||||
| Sl. No. | SEB | REB | Base load at RE | Modified load after multiplying PLM at RE | Additional load at RE | |||
| (MW) | (MVAr) | (MW) | (MVAr) | (MW) | (MVAr) | |||
| 1 | 6 | 7 | 0.04 | 0.03 | 24.66 | 18.495 | 24.62 | 18.465 |
| 2 | 9 | 10 | 0.03 | 0.02 | 11.17 | 7.44 | 11.14 | 7.42 |
| 3 | 33 | 34 | 0.02 | 0.01 | 7.16 | 3.58 | 7.14 | 3.57 |
| 4 | 48 | 49 | 0.38 | 0.27 | 17.57 | 12.49 | 17.19 | 12.22 |
| 5 | 49 | 50 | 0.38 | 0.27 | 59.6 | 42.35 | 59.22 | 42.08 |
| (a) | |||||
| Sl. No. | SEB | REB | Base active power load at receiving end bus (MW) | Base reactive power load at receiving end bus (MVAr) | Voltage at receiving end bus (p.u.) |
| 1 | 12 | 16 | 43 | 3 | 1.0134 |
| 2 | 19 | 20 | 2.3 | 1 | 0.9626 |
| 3 | 13 | 14 | 10.5 | 5.3 | 0.9681 |
| 4 | 41 | 42 | 7.1 | 4 | 0.9682 |
| 5 | 50 | 51 | 18 | 5.3 | 1.0520 |
| (b) | |||||
| Sl. No. | SEB | REB | Base active power load at receiving end bus (MW) | Base reactive power load at receiving end bus (MVAr) | Voltage at receiving end bus (p.u.) |
| 1 | 6 | 7 | 0.04 | 0.03 | 0.9805 |
| 2 | 9 | 10 | 0.03 | 0.02 | 0.9718 |
| 3 | 33 | 34 | 0.02 | 0.01 | 0.9971 |
| 4 | 48 | 49 | 0.38 | 0.27 | 0.9944 |
| 5 | 49 | 50 | 0.38 | 0.27 | 0.9937 |
Disclaimer/Publisher’s Note: The statements, opinions and data contained in all publications are solely those of the individual author(s) and contributor(s) and not of MDPI and/or the editor(s). MDPI and/or the editor(s) disclaim responsibility for any injury to people or property resulting from any ideas, methods, instructions or products referred to in the content. |
© 2023 by the authors. Licensee MDPI, Basel, Switzerland. This article is an open access article distributed under the terms and conditions of the Creative Commons Attribution (CC BY) license (https://creativecommons.org/licenses/by/4.0/).
Share and Cite
Nandi, S.; Ghatak, S.R.; Acharjee, P.; Lopes, F. Non-Iterative, Unique, and Logical Formula-Based Technique to Determine Maximum Load Multiplier and Practical Load Multiplier for Both Transmission and Distribution Systems. Energies 2023, 16, 4724. https://doi.org/10.3390/en16124724
Nandi S, Ghatak SR, Acharjee P, Lopes F. Non-Iterative, Unique, and Logical Formula-Based Technique to Determine Maximum Load Multiplier and Practical Load Multiplier for Both Transmission and Distribution Systems. Energies. 2023; 16(12):4724. https://doi.org/10.3390/en16124724
Chicago/Turabian StyleNandi, Sharmistha, Sriparna Roy Ghatak, Parimal Acharjee, and Fernando Lopes. 2023. "Non-Iterative, Unique, and Logical Formula-Based Technique to Determine Maximum Load Multiplier and Practical Load Multiplier for Both Transmission and Distribution Systems" Energies 16, no. 12: 4724. https://doi.org/10.3390/en16124724
APA StyleNandi, S., Ghatak, S. R., Acharjee, P., & Lopes, F. (2023). Non-Iterative, Unique, and Logical Formula-Based Technique to Determine Maximum Load Multiplier and Practical Load Multiplier for Both Transmission and Distribution Systems. Energies, 16(12), 4724. https://doi.org/10.3390/en16124724

