Transients in Input and Output Signals in DC–DC Converters Working in Maximum Power Point Tracking Systems
Abstract
1. Introduction
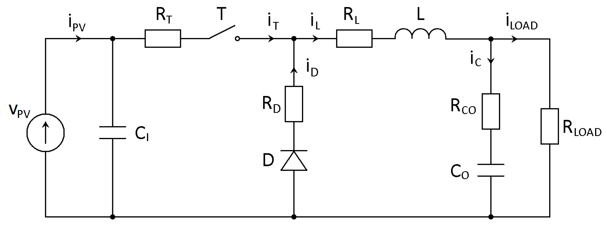
2. Materials and Methods
3. Results and Discussion
3.1. Speed Evaluation
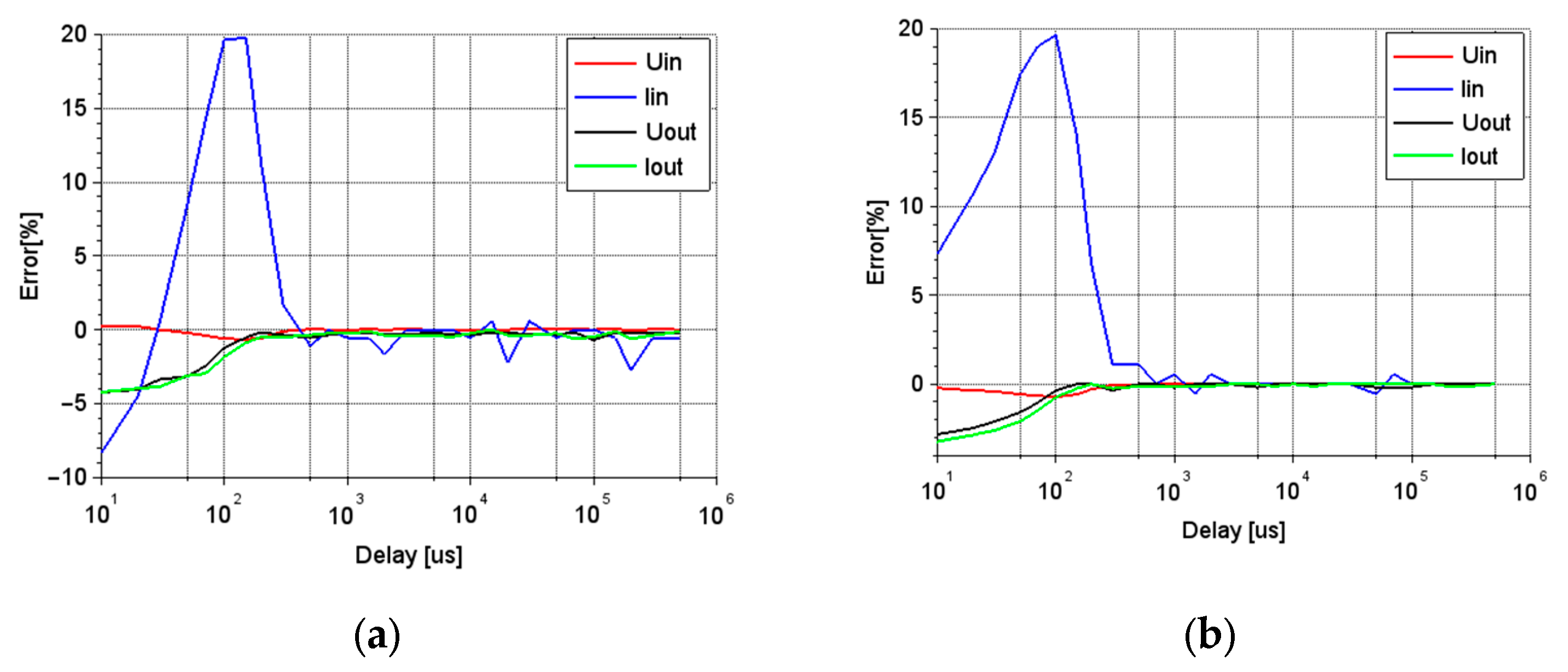
3.2. Accuracy Measurement
3.3. Discussion
4. Conclusions
Author Contributions
Funding
Data Availability Statement
Conflicts of Interest
References
- Reisi, A.; Moradi, M.; Jamasb, S. Classification and Comparison of Maximum Power Point Tracking Techniques for Photovoltaic System: A Review. Renew. Sustain. Energy Rev. 2013, 19, 433–443. [Google Scholar] [CrossRef]
- Faranda, R.; Leva, S. Energy comparison of MPPT techniques for PV Systems. J. Electromagn. Anal. Appl. 2008, 3, 446–455. [Google Scholar]
- Esram, T.; Chapman, P.L. Comparison of Photovoltaic Array Maximum Power Point Tracking Techniques. IEEE Trans. Energy Convers. 2007, 22, 439–449. [Google Scholar] [CrossRef]
- Yilmaz, U.; Turksoy, O.; Teke, A. Improved MPPT method to increase accuracy and speed in photovoltaic systems under variable atmospheric conditions. Int. J. Electr. Power Energy Syst. 2019, 113, 634–651. [Google Scholar] [CrossRef]
- Podder, A.; Roy, N.; Pota, H. MPPT Methods for Solar PV Systems: A Critical Review Based on Tracking Nature. IET Renew. Power Gener. 2019, 13, 1615–1632. [Google Scholar] [CrossRef]
- Raghavendra, K.V.G.; Zeb, K.; Muthusamy, A.; Krishna, T.N.V.; Kumar, S.V.P.; Kim, D.H.; Kim, M.S.; Cho, H.G.; Kim, H.J. A Comprehensive Review of DC–DC Converter Topologies and Modulation Strategies with Recent Advances in Solar Photovoltaic Systems. Electronics 2020, 9, 31. [Google Scholar] [CrossRef]
- Jiang, J.A.; Huang, T.L.; Hsiao, Y.T.; Chen, C.H. Maximum Power Tracking for Photovoltaic Power Systems. J. Appl. Sci. Eng. 2005, 8, 147–153. [Google Scholar]
- Houssamo, I.; Locment, F.; Sechilariu, M. Experimental analysis of impact of MPPT methods on energy efficiency for photovoltaic power systems. Int. J. Electr. Power Energy Syst. 2013, 46, 98–107. [Google Scholar] [CrossRef]
- Mirhassani, S.M.; Razzazan, M.; Ramezani, A. An improved PSO based MPPT approach to cope with partially shaded condition. In Proceedings of the 2014 22nd Iranian Conference on Electrical Engineering (ICEE), Tehran, Iran, 20–22 May 2014; pp. 550–555. [Google Scholar]
- Kesilmis, Z.; Karabacak, M. Comparative study of maximum power point tracking algorithms under partial shading conditions. Istanb. Univ.—J. Electr. Electron. Eng. 2017, 17, 3335–3341. [Google Scholar]
- Mehazzem, F.; André, M.; Calif, R. Efficient Output Photovoltaic Power Prediction Based on MPPT Fuzzy Logic Technique and Solar Spatio-Temporal Forecasting Approach in a Tropical Insular Region. Energies 2022, 15, 8671. [Google Scholar] [CrossRef]
- Subramanian, V.; Indragandhi, V.; Kuppusamy, R.; Teekaraman, Y. Modeling and Analysis of PV System with Fuzzy Logic MPPT Technique for a DC Microgrid under Variable Atmospheric Conditions. Electronics 2021, 10, 2541. [Google Scholar] [CrossRef]
- Seddjar, A.; Kerrouche, K.; Wang, L. Simulation of the proposed combined Fuzzy Logic Control for Maximum Power Point Tracking and Battery Charge Regulation used in CubeSat. Arch. Electr. Eng. 2020, 69, 521–543. [Google Scholar]
- Chen, Y.T.; Jhang, Y.C.; Liang, R.H. A fuzzy-logic based auto-scaling variable step-size MPPT method for PV systems. Sol. Energy 2016, 126, 53–63. [Google Scholar] [CrossRef]
- Al-Mohaya, M.; Mahamad, A.; Saon, S. Implementation of Field Programmable Gate Array based Maximum Power Point Tracking controller of photovoltaic system. In Proceedings of the 2013 IEEE 7th International Power Engineering and Optimization Conference (PEOCO), Langkawi, Malaysia, 3–4 June 2013; pp. 718–721. [Google Scholar]
- Sankarganesh, R.; Thangavel, S. Maximum power point tracking in PV system using intelligence based PO technique and hybrid cuk converter. In Proceedings of the 2012 International Conference on Emerging Trends in Science, Engineering and Technology (INCOSET), Tiruchirappalli, India, 13–14 December 2012; pp. 429–436. [Google Scholar]
- Restrepo, C.; Yanẽz-Monsalvez, N.; González-Castaño, C.; Kouro, S.; Rodriguez, J. A Fast Converging Hybrid MPPT Algorithm Based on ABC and P&O Techniques for a Partially Shaded PV System. Mathematics 2021, 9, 2228. [Google Scholar]
- Karami, N.; Moubayed, N.; Outbib, R. General review and classification of different MPPT Techniques. Renew. Sustain. Energy Rev. 2017, 68, 1–18. [Google Scholar] [CrossRef]
- Brunton, S.; Rowley, C.; Kulkarni, S.; Clarkson, C. Maximum power point tracking for photovoltaic optimization using extremum seeking. In Proceedings of the 2009 34th IEEE Photovoltaic Specialists Conference (PVSC), Philadelphia, PA, USA, 7–12 June 2009; pp. 13–16. [Google Scholar]
- Lee, H.S.; Yun, J.J. Advanced MPPT Algorithm for Distributed Photovoltaic Systems. Energies 2019, 12, 3576. [Google Scholar] [CrossRef]
- Toumi, D.; Benattous, D.; Ibrahim, A.; Abdul-Ghaffar, H.I.; Obukhov, S.; Aboelsaud, R.; Labbi, Y.; Diab, A.A.Z. Optimal design and analysis of DC–DC converter with maximum power controller for stand-alone PV system. Energy Rep. 2021, 7, 4951–4960. [Google Scholar] [CrossRef]
- Femia, N.; Granozio, D.; Petrone, G.; Spagnuolo, G.; Vitelli, M. Predictive Adaptive MPPT Perturb and Observe Method. IEEE Trans. Aerosp. Electron. Syst. 2007, 43, 934–950. [Google Scholar] [CrossRef]
- Hayat, A.; Faisal, A.; Javed, M.Y.; Hasseb, M.; Rana, R.A. Effects of input capacitor (cin) of boost converter for photovoltaic system. In Proceedings of the 2016 International Conference on Computing, Electronic and Electrical Engineering (ICE Cube), Quetta, Pakistan, 11–12 April 2016; pp. 68–73. [Google Scholar]
- EN50530; Overall Efficiency of Grid Connected Photovoltaic Inverters. European Standard: Brussels, Belgium, 2010.
- Latham, A.M.; Sullivan, C.R.; Odame, K.M. Performance of photovoltaic maximum power point tracking algorithms in the presence of noise. In Proceedings of the 2010 IEEE Energy Conversion Congress and Exposition, Atlanta, GA, USA, 12–16 September 2010; pp. 632–639. [Google Scholar]
- Femia, N.; Petrone, G.; Spagnuolo, G.; Vitelli, M. Optimization of perturb and observe maximum power point tracking method. IEEE Trans. Power Electron. 2005, 20, 963–973. [Google Scholar] [CrossRef]
- Rico-Camacho, R.I.; Ricalde, L.J.; Bassam, A.; Flota-Bañuelos, M.I.; Alanis, A.Y. Transient Differentiation Maximum Power Point Tracker (Td-MPPT) for Optimized Tracking under Very Fast-Changing Irradiance: A Theoretical Approach for Mobile PV Applications. Appl. Sci. 2022, 12, 2671. [Google Scholar] [CrossRef]
- Walczak, M.; Bychto, L.; Kraśniewski, J.; Duer, S. Design and evaluation of a low-cost solar simulator and measurement system for low-power photovoltaic panels. Metrol. Meas. Syst. 2022, 29, 685–700. [Google Scholar]
- AN118: Improving ADC Resolution by Oversampling and Averaging; Silicon Labs: Austin, TX, USA, 2013.
- Janke, W.; Baczek, M.; Kraśniewski, J.; Walczak, M. Input Small-Signal Characteristics of Selected DC–DC Switching Converters. Energies 2022, 15, 1924. [Google Scholar] [CrossRef]
- AVR121: Enhancing ACD Resolution by Oversampling; Microchip Technology: Chandler, AZ, USA, 2005.












| Device | Parameter | Symbol | Value | Unit |
|---|---|---|---|---|
| Buck converter | Inductance | L | 47 | µH |
| Input capacitance | CI | 10 | µF | |
| Output capacitance | CO | 100 | µF | |
| Inductance ESR | RL | 76 | mΩ | |
| Output capacitor ESR | RCO | 200 | mΩ | |
| Load resistance | RLOAD | 10 | Ω | |
| Transistor on resistance | RT | 99 | mΩ | |
| PWM frequency | fCLK | 100 | kHz | |
| PV panel | Dimensions | W × L | 290 × 330 | mm |
| Peak power | Pmax | 10 | W | |
| Maximum power current | Impp | 0.57 | A | |
| Maximum power voltage | Vmpp | 17.49 | V | |
| Short circuit current | ISC | 0.61 | A | |
| Open circuit voltage | VOC | 21.67 | V |
| Type of Algorithm | Initial Delay | Number of Samples | Standard Deviation |
|---|---|---|---|
| Automatic delay selection | 0 µs | 28 | 1.32% |
| 0 µs | 56 | 1.12% | |
| 0 µs | 140 | 1.1% | |
| Fixed delay | 500 µs | 14 | 1.87% |
| 500 µs | 140 | 1.15% |
Disclaimer/Publisher’s Note: The statements, opinions and data contained in all publications are solely those of the individual author(s) and contributor(s) and not of MDPI and/or the editor(s). MDPI and/or the editor(s) disclaim responsibility for any injury to people or property resulting from any ideas, methods, instructions or products referred to in the content. |
© 2023 by the authors. Licensee MDPI, Basel, Switzerland. This article is an open access article distributed under the terms and conditions of the Creative Commons Attribution (CC BY) license (https://creativecommons.org/licenses/by/4.0/).
Share and Cite
Walczak, M.; Bychto, L. Transients in Input and Output Signals in DC–DC Converters Working in Maximum Power Point Tracking Systems. Energies 2023, 16, 4565. https://doi.org/10.3390/en16124565
Walczak M, Bychto L. Transients in Input and Output Signals in DC–DC Converters Working in Maximum Power Point Tracking Systems. Energies. 2023; 16(12):4565. https://doi.org/10.3390/en16124565
Chicago/Turabian StyleWalczak, Marcin, and Leszek Bychto. 2023. "Transients in Input and Output Signals in DC–DC Converters Working in Maximum Power Point Tracking Systems" Energies 16, no. 12: 4565. https://doi.org/10.3390/en16124565
APA StyleWalczak, M., & Bychto, L. (2023). Transients in Input and Output Signals in DC–DC Converters Working in Maximum Power Point Tracking Systems. Energies, 16(12), 4565. https://doi.org/10.3390/en16124565

