Review of Modern Control Technologies for Voltage Regulation in DC/DC Converters of DC Microgrids
Abstract
1. Introduction
1.1. Background—Design of Converter Controller
- Stabilisation: the controller should be able to bring the converter to a steady state after changes in the operating point, offering large-signal stability (regulatory control problem).
- Transient response: the stabilisation should be achieved with certain dynamic performance, indicated by desired under-/overshoot, rise time, settling time, or other predefined metrics.
- Reference tracking: the controller should regulate the output voltage of the converter to the specified set-point fast and tightly, with zero steady-state error (servo control problem).
- Disturbance rejection: the controller should reject the disturbances that appear during the operation of the real converter, stabilise it and maintain transient response and reference tracking.
- Limitations of control hardware: the converter controller should present low complexity to allow the easy implementation and fast computation in the hardware of the real converter, considering limitations of space, speed, accuracy, etc.
- Availability of measurements: the converter controller should rely only on measurable quantities of the real converter, such as the output voltage, the voltage across the filter capacitance, the current through the filter inductor, and the input voltage.
- limits of control input: the converter controller should not require excessive control effort to achieve the control objectives; these requirements refer to low magnitude and constant, low switching frequency of the control input, to avoid switching losses and filter design complications.
- Operating limits of real converter plant: the converter controller should achieve the control objectives while respecting the operating limits of the real plant, such as limits for the magnitude and rate of change of the output current.
1.2. Motivation
1.3. Contribution
- The wide overview of various control methods for the voltage regulation in DC/DC converters of DC microgrids; the control methods are discussed on the basis of a general plant of DC/DC converters, without imposing particular control objectives stemming from certain converter types or particular control formulation due to certain converter modelling, opposition to [27,28];
- The comprehensive review and comparison of specific control methods applied for the voltage regulation in DC/DC converters, by providing deep analysis of their advantages, limitations, similarities, and differences, opposite to other works, where only the fundamental design strategies for the control loops of the converter are presented, such as in [30];
- The detailed review of approaches and structures for the enhancement of the robustness of the feedback controllers, which is missing from the literature of DC/DC converters.
1.4. Organisation of the Review
2. Modern Feedback Control Methods for Voltage Regulation in DC/DC Converters
2.1. Energy-Based Control
2.2. Feedback Linearisation
2.3. Backstepping Control
2.4. Sliding Mode Control
2.5. Synergetic Control
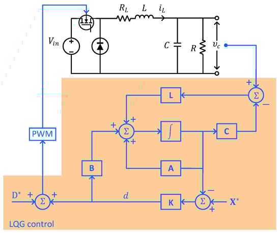
2.6. Optimal Control
2.7. Model-Predictive Control
2.8. Comparison of Modern Feedback Control Methods
3. Approaches for Enhancement of Robustness of Feedback Control Methods Applied in DC/DC Converters
3.1. Adaptive Control
3.2. Robust Control
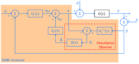
3.3. Disturbance and Uncertainty Estimation and Attenuation (DUEA)
3.4. Applications of Feedback Control Methods with Enhanced Robustness for Voltage Regulation in DC/DC Converters
3.5. Comparison of Approaches for Enhancement of Robustness of Modern Feedback Control
4. Discussion
5. Conclusions and Future Work
Author Contributions
Funding
Data Availability Statement
Conflicts of Interest
References
- Dragičević, T.; Lu, X.; Vasquez, J.C.; Guerrero, J.M. DC Microgrids—Part I: A Review of Control Strategies and Stabilization Techniques. IEEE Trans. Power Electron. 2016, 31, 4876–4891. [Google Scholar] [CrossRef]
- Dragičević, T.; Lu, X.; Vasquez, J.C.; Guerrero, J.M. DC Microgrids—Part II: A Review of Power Architectures, Applications, and Standardization Issues. IEEE Trans. Power Electron. 2016, 31, 3528–3549. [Google Scholar] [CrossRef]
- Nuutinen, P.; Kaipia, T.; Peltoniemi, P.; Lana, A.; Pinomaa, A.; Mattsson, A.; Silventoinen, P.; Partanen, J.; Lohjala, J.; Matikainen, M. Research Site for Low-Voltage Direct Current Distribution in a Utility Network—Structure, Functions, and Operation. IEEE Trans. Smart Grid 2014, 5, 2574–2582. [Google Scholar] [CrossRef]
- Bacha, S.; Munteanu, I.; Bratcu, A.I. Power Electronic Converters Modeling and Control. In Advanced Textbooks in Control and Signal Processing; Springer: London, UK, 2014. [Google Scholar] [CrossRef]
- Ioannou, P.; Sun, J. Robust Adaptive Control; Dover Books on Electrical Engineering; Dover Publications: Mineola, NY, USA, 2012. [Google Scholar]
- Mariethoz, S.; Almer, S.; Baja, M.; Beccuti, A.G.; Patino, D.; Wernrud, A.; Buisson, J.; Cormerais, H.; Geyer, T.; Fujioka, H.; et al. Comparison of Hybrid Control Techniques for Buck and Boost DC-DC Converters. IEEE Trans. Control Syst. Technol. 2010, 18, 1126–1145. [Google Scholar] [CrossRef]
- Ang, K.H.; Chong, G.; Li, Y. PID control system analysis, design, and technology. IEEE Trans. Control Syst. Technol. 2005, 13, 559–576. [Google Scholar] [CrossRef]
- Kobaku, T.; Jeyasenthil, R.; Sahoo, S.; Dragicevic, T. Experimental Verification of Robust PID Controller under Feedforward Framework for a Nonminimum Phase DC–DC Boost Converter. IEEE J. Emerg. Sel. Top. Power Electron. 2021, 9, 3373–3383. [Google Scholar] [CrossRef]
- Kobaku, T.; Patwardhan, S.C.; Agarwal, V. Experimental Evaluation of Internal Model Control Scheme on a DC–DC Boost Converter Exhibiting Nonminimum Phase Behavior. IEEE Trans. Power Electron. 2017, 32, 8880–8891. [Google Scholar] [CrossRef]
- Zhou, K.; Doyle, J. Essentials of Robust Control; In Prentice Hall Modular Series for Eng; Prentice Hall: Hoboken, NJ, USA, 1998. [Google Scholar]
- Scherer, C. Theory of Robust Control: WB2415; TU Delft: Delft, The Netherlands, 2007. [Google Scholar]
- Garpinger, O.; Hägglund, T.; Åström, K.J. Performance and robustness trade-offs in PID control. J. Process. Control 2014, 24, 568–577. [Google Scholar] [CrossRef]
- Garpinger, O.; Hägglund, T. Software-based optimal PID design with robustness and noise sensitivity constraints. J. Process. Control 2015, 33, 90–101. [Google Scholar] [CrossRef]
- Alcántara, S.; Vilanova, R.; Pedret, C. PID control in terms of robustness/performance and servo/regulator trade-offs: A unifying approach to balanced autotuning. J. Process. Control 2013, 23, 527–542. [Google Scholar] [CrossRef]
- Åström, K.; Hägglund, T. The future of PID control. Control Eng. Pract. 2001, 9, 1163–1175. [Google Scholar] [CrossRef]
- Liu, G.; Daley, S. Optimal-tuning PID control for industrial systems. Control Eng. Pract. 2001, 9, 1185–1194. [Google Scholar] [CrossRef]
- Mikhalevich, S.S.; Baydali, S.A.; Manenti, F. Development of a tunable method for PID controllers to achieve the desired phase margin. J. Process. Control 2015, 25, 28–34. [Google Scholar] [CrossRef]
- Hwu, K.; Yau, Y. Performance Enhancement of Boost Converter Based on PID Controller Plus Linear-to-Nonlinear Translator. IEEE Trans. Power Electron. 2010, 25, 1351–1361. [Google Scholar] [CrossRef]
- Kobaku, T.; Jeyasenthil, R.; Sahoo, S.; Ramchand, R.; Dragicevic, T. Quantitative Feedback Design-Based Robust PID Control of Voltage Mode Controlled DC-DC Boost Converter. IEEE Trans. Circuits Syst.—II Express Briefs 2021, 68, 286–290. [Google Scholar] [CrossRef]
- Kansha, Y.; Jia, L.; Chiu, M.S. Self-tuning PID controllers based on the Lyapunov approach. Chem. Eng. Sci. 2008, 63, 2732–2740. [Google Scholar] [CrossRef]
- Ahn, K.; Truong, D. Online tuning fuzzy PID controller using robust extended Kalman filter. J. Process. Control 2009, 19, 1011–1023. [Google Scholar] [CrossRef]
- Wang, L. Automatic tuning of PID controllers using frequency sampling filters. IET Control Theory Appl. 2017, 11, 985–995. [Google Scholar] [CrossRef]
- Toscano, R.; Lyonnet, P. Robust PID controller tuning based on the heuristic Kalman algorithm. Automatica 2009, 45, 2099–2106. [Google Scholar] [CrossRef]
- D’Arco, S.; Suul, J.A.; Fosso, O.B. Automatic Tuning of Cascaded Controllers for Power Converters Using Eigenvalue Parametric Sensitivities. IEEE Trans. Ind. Appl. 2015, 51, 1743–1753. [Google Scholar] [CrossRef]
- Chen, D.; Seborg, D.E. PI/PID Controller Design Based on Direct Synthesis and Disturbance Rejection. Ind. Eng. Chem. Res. 2002, 41, 4807–4822. [Google Scholar] [CrossRef]
- Sira-Ramírez, H.; Silva-Ortigoza, R. Control Design Techniques in Power Electronics Devices; Power Systems; Springer: London, UK, 2006. [Google Scholar] [CrossRef]
- Xu, Q.; Vafamand, N.; Chen, L.; Dragičević, T.; Xie, L.; Blaabjerg, F. Review on Advanced Control Technologies for Bidirectional DC/DC Converters in DC Microgrids. IEEE J. Emerg. Sel. Top. Power Electron. 2021, 9, 1205–1221. [Google Scholar] [CrossRef]
- Shao, S.; Chen, L.; Shan, Z.; Gao, F.; Chen, H.; Sha, D.; Dragičević, T. Modeling and Advanced Control of Dual-Active-Bridge DC–DC Converters: A Review. IEEE Trans. Power Electron. 2022, 37, 1524–1547. [Google Scholar] [CrossRef]
- Gorji, S.A.; Sahebi, H.G.; Ektesabi, M.; Rad, A.B. Topologies and Control Schemes of Bidirectional DC–DC Power Converters: An Overview. IEEE Access 2019, 7, 117997–118019. [Google Scholar] [CrossRef]
- Kapat, S.; Krein, P.T. A Tutorial and Review Discussion of Modulation, Control and Tuning of High-Performance DC-DC Converters Based on Small-Signal and Large-Signal Approaches. IEEE Open J. Power Electron. 2020, 1, 339–371. [Google Scholar] [CrossRef]
- Cecati, C.; Dell’Aquila, A.; Liserre, M.; Monopoli, V.G. A passivity-based multilevel active rectifier with adaptive compensation for traction applications. IEEE Trans. Ind. Appl. 2003, 39, 1404–1413. [Google Scholar] [CrossRef]
- Sanders, S.; Verghese, G. Lyapunov-based control for switched power converters. IEEE Trans. Power Electron. 1992, 7, 17–24. [Google Scholar] [CrossRef]
- Mukherjee, N.; Strickland, D. Control of cascaded DC-DC converter-based hybrid battery energy storage systems—Part II: Lyapunov approach. IEEE Trans. Ind. Electron. 2016, 63, 3050–3059. [Google Scholar] [CrossRef]
- He, J.; Zhang, X.; Ma, H.; Cai, C. Lyapunov-based large-signal control of three-phase stand-alone inverters with inherent dual control loops and load disturbance adaptivity. IEEE Trans. Ind. Electron. 2021, 68, 8391–8401. [Google Scholar] [CrossRef]
- Ortega, R.; Loría, A.; Nicklasson, P.J.; Sira-Ramírez, H. Passivity-based Control of Euler-Lagrange Systems; Communications and Control Engineering; Springer: London, UK, 1998. [Google Scholar] [CrossRef]
- Ortega, R.; van der Schaft, A.; Maschke, B.; Escobar, G. Interconnection and damping assignment passivity-based control of port-controlled Hamiltonian systems. Automatica 2002, 38, 585–596. [Google Scholar] [CrossRef]
- Ortega, R.; Garcia-Canseco, E. Interconnection and damping assignment passivity-based control: A survey. Eur. J. Control 2004, 10, 432–450. [Google Scholar] [CrossRef]
- Loranca-Coutino, J.; Mayo-Maldonado, J.C.; Escobar, G.; Maupong, T.; Valdez-Resendiz, J.E.; Rosas-Caro, J.C. Data-driven passivity-based control design for modular DC microgrids. IEEE Trans. Ind. Electron. 2022, 69, 2545–2556. [Google Scholar] [CrossRef]
- Hassan, M.A.; He, Y. Constant Power Load Stabilization in DC Microgrid Systems Using Passivity-Based Control with Nonlinear Disturbance Observer. IEEE Access 2020, 8, 92393–92406. [Google Scholar] [CrossRef]
- Hassan, M.A.; Su, C.L.; Chen, F.Z.; Lo, K.Y. Adaptive passivity-based control of a DC-DC boost power converter supplying constant power and constant voltage loads. IEEE Trans. Ind. Electron. 2022, 69, 6204–6214. [Google Scholar] [CrossRef]
- Roshan, Y.M.; Moallem, M. Control of nonminimum phase load current in a boost converter using output reconfiguration. IEEE Trans. Power Electron. 2014, 29, 5054–5062. [Google Scholar] [CrossRef]
- Jeltsema, D.; Scherpen, J.M.A. Tuning of passivity-preserving controllers for switched-mode power converters. IEEE Trans. Autom. Control 2004, 49, 1333–1344. [Google Scholar] [CrossRef]
- Wang, M.; Tang, F.; Wu, X.; Zhang, Y.; Wang, J. Passivation and Passivity-Based Control of DC–DC Converter with Unknown Constant Power Loads. IEEE J. Emerg. Sel. Top. Power Electron. 2022, 10, 4041–4058. [Google Scholar] [CrossRef]
- Hassan, M.A.; Li, E.P.; Li, X.; Li, T.; Duan, C.; Chi, S. Adaptive passivity-based control of DC-DC buck converter with constant power load in DC microgrid systems. IEEE J. Emerg. Sel. Top. Power Electron. 2019, 7, 2029–2040. [Google Scholar] [CrossRef]
- Kim, S.K.; Lee, K.B. Current-Sensorless Energy-Shaping Output Voltage-Tracking Control for dc/dc Boost Converters with Damping Adaptation Mechanism. IEEE Trans. Power Electron. 2022, 37, 9266–9274. [Google Scholar] [CrossRef]
- Pang, S.; Nahid-Mobarakeh, B.; Pierfederici, S.; Phattanasak, M.; Huangfu, Y.; Luo, G.; Gao, F. Interconnection and damping assignment passivity-based control applied to on-board DC-DC power converter system supplying constant power load. IEEE Trans. Ind. Appl. 2019, 55, 6476–6485. [Google Scholar] [CrossRef]
- Nunna, K.; Sassano, M.; Astolfi, A. Constructive interconnection and damping assignment for port-controlled Hamiltonian systems. IEEE Trans. Autom. Control 2015, 60, 2350–2361. [Google Scholar] [CrossRef]
- Soriano-Rangel, C.; He, W.; Mancilla-David, F.; Ortega, R. Voltage regulation in buck-boost converters feeding an unknown constant power load: An adaptive passivity-based control. IEEE Trans. Control Syst. Technol. 2021, 29, 395–402. [Google Scholar] [CrossRef]
- Pang, S.; Nahid-Mobarakeh, B.; Pierfederici, S.; Huangfu, Y.; Luo, G.; Gao, F. Large-signal stable nonlinear control of DC/DC power converter with online estimation of uncertainties. IEEE J. Emerg. Sel. Top. Power Electron. 2021, 9, 7355–7368. [Google Scholar] [CrossRef]
- Ryalat, M.; Laila, D.S.; Torbati, M.M. Integral IDA-PBC and PID-like control for port-controlled Hamiltonian Systems. In Proceedings of the 2015 American Control Conference (ACC), Chicago, IL, USA, 1–3 July 2015; pp. 5365–5370. [Google Scholar] [CrossRef]
- Arora, S.; Balsara, P.; Bhatia, D. Input-output linearisation of a boost converter with mixed load (constant voltage load and constant power load). IEEE Trans. Power Electron. 2019, 34, 815–825. [Google Scholar] [CrossRef]
- Callegaro, L.; Ciobotaru, M.; Pagano, D.; Fletcher, J. Feedback linearisation control in photovoltaic module integrated converters. IEEE Trans. Power Electron. 2019, 34, 6876–6889. [Google Scholar] [CrossRef]
- Li, X.; Chen, X. A multi-index feedback linearisation control for a buck-boost converter. Energies 2021, 14, 1496. [Google Scholar] [CrossRef]
- Chen, D.; Hu, X. A Multi-objective Feedback Linearization Control of a Cuk Converter. IEEE J. Emerg. Sel. Top. Power Electron. 2023. [Google Scholar] [CrossRef]
- Errouissi, R.; Shareef, H.; Viswambharan, A.; Wahyudie, A. Disturbance-observer-based feedback linearisation control for stabilisation and accurate voltage tracking of a DC-DC boost converter. IEEE Trans. Ind. Appl. 2022, 58, 6687–6700. [Google Scholar] [CrossRef]
- Kokotovic, P.; Arcak, M. Constructive nonliner control: A historical perspective. Automatica 2001, 37, 637–662. [Google Scholar] [CrossRef]
- Krstic, M.; Kanellakopoulos, I.; Kokotovic, P.V. Nonlinear and Adaptive Control Design; Adaptive and Learning Systems for Signal Processing, Communications and Control; John Wiley & Sons, Inc.: Hoboken, NJ, USA, 1995. [Google Scholar]
- Zhou, J.; Wen, C. Adaptive Backstepping Control of Uncertain Systems; Lecture Notes in Control and Information Sciences; Springer: Berlin/Heidelberg, Germany, 2008. [Google Scholar] [CrossRef]
- Sonneveldt, L. Adaptive Backstepping Flight Control for Modern Fighter Aircraft. Ph.D. Thesis, TU Delft, Delft, The Netherlands, 2010. [Google Scholar]
- Zuniga-Ventura, Y.; Langarica-Cordoba, D.; Leyva-Ramos, J.; Diaz-Saldierna, L.H.; Ramirez-Rivera, V.M. Adaptive backstepping control for a fuel cell/boost converter system. IEEE J. Emerg. Sel. Top. Power Electron. 2018, 6, 686–695. [Google Scholar] [CrossRef]
- Zhang, Z.; Song, G.; Zhou, J.; Zhang, X.; Yang, B.; Liu, C.; GUerrero, J. An adaptive backstepping control to ensure the stability and robustness for boost power converter in DC microgrids. Energy Rep. 2022, 8, 1110–1124. [Google Scholar] [CrossRef]
- Yousefizadeh, S.; Bendtsen, J.D.; Vafamand, N.; Khooban, M.H.; Blaabjerg, F.; Dragicevic, T. Tracking control for a DC microgrid feeding uncertain loads in more electric aircraft: Adaptive backstepping approach. IEEE Trans. Ind. Electron. 2019, 66, 5644–5652. [Google Scholar] [CrossRef]
- Cupelli, M.; Riccobono, A.; Mirz, M.; Ferdowsi, M.; Monti, A. Modern Control of DC-Based Power Systems; Academic Press: Cambridge, MA, USA, 2018. [Google Scholar]
- Xu, Q.; Jiang, W.; Blaabjerg, F.; Zhang, C.; Zhang, X.; Fernando, T. Backstepping control for large signal stability of high boost ratio interleaved converter interfaced DC microgrids with constant power loads. IEEE Trans. Power Electron. 2020, 35, 5397–5407. [Google Scholar] [CrossRef]
- Yin, Y.; Liu, J.; Wang, S.; Lin, H.; Vazquez, S.; Zeng, Q.; Franquelo, L.G.; Wu, L. Backstepping Control of a DC-DC Boost Converters under Unknown Disturbances. In Proceedings of the IECON 2018—44th Annual Conference of the IEEE Industrial Electronics Society, Washington, DC, USA, 21–23 October 2018; pp. 1055–1060. [Google Scholar] [CrossRef]
- Xu, Q.; Zhang, C.; Wen, C.; Wang, P. A novel composite nonlinear controller for stabilisation of constant power load in DC microgrid. IEEE Trans. Smart Grid 2019, 10, 752–761. [Google Scholar] [CrossRef]
- Lin, P.; Jiang, W.; Wang, J.; Shi, D.; Zhang, C.; Wang, P. Toward large-signal stabilisation of floating dual boost converter-powered DC microgrids feeding constant power loads. IEEE J. Emerg. Sel. Top. Power Electron. 2021, 9, 580–589. [Google Scholar] [CrossRef]
- Roy, T.K.; Mahmud, M.A.; Oo, A.M.T.; Haque, M.E.; Muttaqi, K.M.; Mendis, N. Nonlinear adaptive backstepping controller design for islanded DC microgrids. IEEE Trans. Ind. Appl. 2018, 54, 2857–2873. [Google Scholar] [CrossRef]
- Zhang, H.; Wu, Z. PWM-based adaptive trajectory tracking of switched buck power converters. IEEE Access 2020, 8, 178208–178216. [Google Scholar] [CrossRef]
- Yin, Y.; Liu, J.; Marquez, A.; Lin, X.; Leon, J.I.; Vazquez, S.; Franquelo, L.G.; Wu, L. Advanced control strategies for DC-DC buck converters with parametric uncertainties via experimental evaluation. IEEE Trans. Circuit Syst. I Regul. Pap. 2020, 67, 5257–5267. [Google Scholar] [CrossRef]
- Nizami, T.K.; Chakravarty, A. Neural network integrated adaptive backstepping control of DC-DC boost converter. IFAC PapersOnLine 2020, 53, 549–554. [Google Scholar] [CrossRef]
- Khan, M.S.; Ahmad, I.; Armaghan, H.; Ali, N. Backstepping sliding mode control of FC-UC based hybrid electric vehicle. IEEE Access 2018, 6, 77202–77211. [Google Scholar] [CrossRef]
- Wu, J.; Lu, Y. Adaptive backstepping sliding mode control for boost converter with constant power load. IEEE Access 2019, 7, 50797–50807. [Google Scholar] [CrossRef]
- Alipour, M.; Zarei, J.; Razavi-Far, R.; Saif, M.; Mijatovic, N.; Dragičević, T. Observer-Based Backstepping Sliding Mode Control Design for Microgrids Feeding a Constant Power Load. IEEE Trans. Ind. Electron. 2023, 70, 465–473. [Google Scholar] [CrossRef]
- Hung, J.Y.; Gao, W.; Hung, J.C. Variable structure control: A survey. IEEE Trans. Ind. Electron. 1993, 40, 2–22. [Google Scholar] [CrossRef]
- Yu, X.; Wang, B.; Li, X. Computer-controlled variable structure systems: The state-of-the-art. IEEE Trans. Ind. Inform. 2012, 8, 197–205. [Google Scholar] [CrossRef]
- Bartoszewicz, A.; Żuk, J. Sliding mode control—Basic concepts and current trends. In Proceedings of the 2010 IEEE International Symposium on Industrial Electronics, Bari, Italy, 4–7 July 2010; pp. 3772–3777. [Google Scholar] [CrossRef]
- Latosiński, P. Sliding mode control based on the reaching law approach—A brief survey. In Proceedings of the 2017 22nd International Conference on Methods and Models in Automation and Robotics (MMAR), Miedzyzdroje, Poland, 28–31 August 2017; pp. 519–524. [Google Scholar] [CrossRef]
- Leśniewski, P. Discrete time reaching law based sliding mode control: A survey. In Proceedings of the 2018 22nd International Conference on System Theory, Control and Computing (ICSTCC), Sinaia, Romania, 10–12 October 2018; pp. 734–739. [Google Scholar] [CrossRef]
- Yu, X.; Feng, Y.; Man, Z. Terminal Sliding Mode Control—An Overview. IEEE Open J. Ind. Electron. Soc. 2021, 2, 36–52. [Google Scholar] [CrossRef]
- Martinez-Treviño, B.A.; El Aroudi, A.; Vidal-Idiarte, E.; Cid-Pastor, A.; Martinez-Salamero, L. Sliding-mode control of a boost converter under constant power loading conditions. IET Power Electron. 2019, 12, 521–529. [Google Scholar] [CrossRef]
- Wang, Z.; Li, S.; Li, Q. Continuous nonsingular terminal sliding mode control of DC-DC boost converters subject to time-varying disturbances. IEEE Trans. Circuits Syst.—II Express Briefs 2020, 67, 2552–2556. [Google Scholar] [CrossRef]
- Tan, S.C.; Lai, Y.M.; Tse, C.K. General design issues of sliding-mode controllers in DC-DC converters. IEEE Trans. Ind. Electron. 2008, 55, 1160–1174. [Google Scholar] [CrossRef]
- Lin, X.; Liu, J.; Liu, F.; Liu, Z.; Gao, Y.; Sun, G. Fractional-order sliding mode approach of buck converters with mismatched disturbances. IEEE Trans. Circuits Syst.—I Regul. Pap. 2021, 68, 3890–3900. [Google Scholar] [CrossRef]
- Yu, X.; Kaynak, O. Sliding-mode control with soft computing: A survey. IEEE Trans. Ind. Electron. 2009, 56, 3275–3285. [Google Scholar] [CrossRef]
- Wang, J.; Luo, W.; Liu, J.; Wu, L. Adaptive Type-2 FNN-Based Dynamic Sliding Mode Control of DC–DC Boost Converters. IEEE Trans. Syst. Man Cybern. Syst. 2021, 51, 2246–2257. [Google Scholar] [CrossRef]
- Ebrahimi, N.; Ozgoli, S.; Ramezani, A. Model-free sliding mode control, theory and application. J. Syst. Control Eng. 2018, 232, 1292–1301. [Google Scholar] [CrossRef]
- Sarrafan, N.; Zarei, J.; Razavi-Far, R.; Saif, M.; Khooban, M.H. A novel on-board DC/DC converter controller feeding uncertain constant power loads. IEEE J. Emerg. Sel. Top. Power Electron. 2021, 9, 1233–1240. [Google Scholar] [CrossRef]
- Wang, Z.; Li, S.; Li, Q. Discrete-time fast terminal sliding mode control design for DC-DC buck converters with mismatched disturbances. IEEE Trans. Ind. Inform. 2020, 16, 1204–1213. [Google Scholar] [CrossRef]
- Pandey, S.K.; Patil, S.L.; Phadke, S.B. Regulation of nonminimum phase DC-DC converters using integral sliding mode control combined with a disturbance observer. IEEE Trans. Circuits Syst.—II Express Briefs 2018, 65, 1649–1653. [Google Scholar] [CrossRef]
- Young, K.D.; Utkin, V.I.; Ozgumer, U. A control engineer’s guide to sliding mode control. IEEE Trans. Control Syst. Technol. 1999, 7, 328–342. [Google Scholar] [CrossRef]
- Spurgeon, S. Sliding mode control: A tutorial. In Proceedings of the 2014 European Control Conference (ECC), Strasbourg, France, 24–27 June 2014; pp. 2272–2277. [Google Scholar] [CrossRef]
- Dorel (Alelishvili), L.; Levant, A. On chattering-free sliding mode control. In Proceedings of the 47th IEEE Conference on Decision and Control, Cancun, Mexico, 9–11 December 2008; pp. 2196–2201. [Google Scholar]
- Feng, Y.; Han, F.; Yu, X. Chattering free full-order sliding-mode control. Automatica 2014, 50, 1310–1314. [Google Scholar] [CrossRef]
- Ma, L.; Zhang, Y.; Yang, X.; Ding, S.; Dong, L. Quasi-continuous second-order sliding mode control of buck converter. IEEE Access 2018, 6, 17859–17867. [Google Scholar] [CrossRef]
- RakhtAla, S.M.; Yasoubi, M.; HosseinNia, H. Design of second order sliding mode and sliding mode algorithms: A practical insight to DC-DC buck converter. IEEE/CAA J. Autom. Sin. 2017, 4, 483–497. [Google Scholar] [CrossRef]
- Ding, S.; Zheng, W.X.; Sun, J.; Wang, J. Second-order sliding-mode controller design and its implementation for buck converters. IEEE Trans. Ind. Inform. 2018, 14, 1990–2000. [Google Scholar] [CrossRef]
- Babes, B.; Mekhilef, S.; Boutaghane, A.; Rahmani, L. Fuzzy Approximation-Based Fractional-Order Nonsingular Terminal Sliding Mode Controller for DC–DC Buck Converters. IEEE Trans. Power Electron. 2022, 37, 2749–2760. [Google Scholar] [CrossRef]
- Al-Baidhani, H.; Salvatierra, T.; Ordonez, R.; Kazimierczuk, M.K. Simplified nonlinear voltage-mode control of PWM DC-DC buck converter. IEEE Trans. Energy Convers. 2021, 36, 431–440. [Google Scholar] [CrossRef]
- Behera, A.K.; Bandyopadhyay, B.; Cucuzzella, M.; Ferrara, A.; Yu, X. A survey on event-triggered sliding mode control. IEEE J. Emerg. Sel. Top. Ind. Electron. 2021, 2, 206–217. [Google Scholar] [CrossRef]
- Zheng, C.; Dragicevic, T.; Zhang, J.; Chen, R.; Blaabjerg, F. Composite robust quasi-sliding mode control of DC-DC buck converter with constant power loads. IEEE J. Emerg. Sel. Top. Power Electron. 2021, 9, 1455–1464. [Google Scholar] [CrossRef]
- Pandey, S.K.; Patil, S.L.; Chaskar, U.M.; Phadke, S.B. State and disturbance observer-based integral sliding mode controlled boost DC-DC converters. IEEE Trans. Circuits Syst.—II Express Briefs 2019, 66, 1567–1571. [Google Scholar] [CrossRef]
- Kolesnikov, A.; Veselov, G.; Kolesnikov, A. Modern Applied Control Theory: Synergetic Approach in Control Theory; TRTU: Moscow, Russia; Taganrog, Russia, 2000; pp. 4477–4479. [Google Scholar]
- Wang, Q.; Feng, J.; Li, T. Analysis of the Synergetic Control Based on Variable Structure and Application of Power Electronics. In Proceedings of the 2009 International Conference on Information Engineering and Computer Science, Wuhan, China, 19–20 December 2009; pp. 1–4. [Google Scholar] [CrossRef]
- Monti, A.; Dougal, R.; Santi, E.; Li, D.; Proddutur, K. Compensation for step-load variations when applying synergetic control. In Proceedings of the Eighteenth Annual IEEE Applied Power Electronics Conference and Exposition, 2003 (APEC ’03), Miami Beach, FL, USA, 9–13 February 2003; Volume 1, pp. 334–340. [Google Scholar] [CrossRef]
- Kolesnikov, A.; Dougal, R.; Veselov, G.E.; Popov, A.N.; Kolesnikov, A.A. Synergetic control for electromechanical systems. In Proceedings of the Fifteenth International Symposium on Mathematical Theory of Networks and Systems, Notre Dame, IN, USA, 12–16 August 2002; pp. 1–8. [Google Scholar]
- Kondratiev, I.; Santi, E.; Dougal, R.; Veselov, G. Synergetic control for m-parallel connected DC-DC buck converters. In Proceedings of the 35th Annual IEEE Power Electronics Specialists Conference, Aachen, Germany, 20–25 June 2004; pp. 182–188. [Google Scholar] [CrossRef]
- Kolesnikov, A.A. Introduction of synergetic control. In Proceedings of the 2014 American Control Conference, Portland, OR, USA, 4–6 June 2014; pp. 3013–3016. [Google Scholar] [CrossRef]
- Ademoye, T. Decentralized Synergetic Control of Power Systems. Ph.D. Thesis, West Virginia University, Morgantown, WV, USA, 2012. [Google Scholar]
- Santi, E.; Monti, A.; Li, D.; Proddutur, K.; Dougal, R.A. Synergetic control for DC-DC boost converter: Implementation options. IEEE Trans. Ind. Appl. 2003, 39, 1803–1813. [Google Scholar] [CrossRef]
- Santi, E.; Monti, A.; Li, D.; Proddutur, K.; Dougal, R.A. Synergetic control for power electronics applications: A comparison with the sliding mode approach. J. Circuits Syst. Comput. 2004, 13, 737–760. [Google Scholar] [CrossRef]
- Kolesnikov, A.; Veselov, G.; Kolesnikov, A.; Monti, A.; Ponci, F.; Santi, E.; Dougal, R. Synergetic synthesis of DC-DC boost converter controllers: Theory and experimental analysis. In Proceedings of the APEC—Seventeenth Annual IEEE Applied Power Electronics Conference and Exposition (Cat. No.02CH37335), Dallas, TX, USA, 10–14 March 2002; Volume 1, pp. 409–415. [Google Scholar] [CrossRef]
- Kondratiev, I.; Santi, E.; Dougal, R.; Veselov, G. Synergetic control for DC-DC buck converters with constant power load. In Proceedings of the 35th Annual IEEE Power Electronics Specialists Conference, Aachen, Germany, 20–25 June 2004; pp. 3758–3764. [Google Scholar] [CrossRef]
- Wang, K.; Liu, D.; Wang, L. The implementation of synergetic control for a DC-DC buck-boost converter. Procedia Comput. Sci. 2022, 199, 900–907. [Google Scholar] [CrossRef]
- Babes, B.; Boutaghane, A.; Hamouda, N.; Mezaache, M.; Kahla, S. A Robust Adaptive Fuzzy Fast Terminal Synergetic Voltage Control Scheme for DC/DC Buck Converter. In Proceedings of the 2019 International Conference on Advanced Electrical Engineering (ICAEE), Algiers, Algeria, 19–21 November 2019; pp. 1–5. [Google Scholar] [CrossRef]
- Abderrezek, H.; Ameur, A.; Harmas, M.N. Adaptive non-singular terminal synergetic power system control using PSO. In Proceedings of the 8th International Conference on Modelling, Identification and Control (ICMIC-2016), Algiers, Algeria, 14–17 November 2016; pp. 449–454. [Google Scholar] [CrossRef]
- Abderrezek, H.; Ameur, A.; Harmas, M.N. Stochastic optimisation methods based robust control for DC/DC buck converter. In Proceedings of the 5th International Conference on Control, Decision and Information Technologies (CoDIT’ 18), Thessaloniki, Greece, 10–13 April 2018; pp. 315–320. [Google Scholar] [CrossRef]
- Burl, J.B. Linear Optimal Control; Addison Wesley Longman: Boston, MA, USA, 1999. [Google Scholar]
- Stengel, R.F. Optimal Control and Estimation; Dover Publications: Mineola, NY, USA, 1994. [Google Scholar]
- Leung, F.H.F.; Tam, P.K.S.; Li, C.K. The control of switching DC-DC converters—A general LQR problem. IEEE Trans. Ind. Electron. 1991, 38, 65–71. [Google Scholar] [CrossRef]
- Leung, F.H.F.; Tam, P.K.S.; Li, C.K. An improved LQR-based controller for switching DC-DC converters. IEEE Trans. Ind. Electron. 1993, 40, 521–528. [Google Scholar] [CrossRef]
- Neacsu, D.O.; Sirbu, A. Design of a LQR-based boost converter controller for energy savings. IEEE Trans. Ind. Electron. 2020, 67, 5379–5388. [Google Scholar] [CrossRef]
- Olalla, C.; Leyva, R.; Aroudi, A.E.; Queinnec, I. Robust LQR control for PWM converters: An LMI approach. IEEE Trans. Ind. Electron. 2009, 56, 2548–2558. [Google Scholar] [CrossRef]
- Montagner, V.F.; Junior, L.A.M.; Pinheiro, H.; Oliveira, R.C.L.F. A robust H2 state feedback controller applied to boost converters. Braz. J. Power Electron. 2011, 16, 68–75. [Google Scholar]
- Aouani, N.; Olalla, C. Robust LQR control for PWM converters with parameter-dependent Lyapunov functions. Appl. Sci. 2020, 10, 7534. [Google Scholar] [CrossRef]
- Abbas, N.H.; Algamluoli, A.F. Designing an integral LQR controller for DC-DC X-converter based on enhanced shuffled frog-leaping optimisation algorithm. J. Electr. Syst. 2020, 16, 152–170. [Google Scholar]
- Dupont, F.H.; Montagner, V.F.; Pinheiro, J.R.; Pinheiro, H.; Oliveira, S.V.G.; Péres, A. Multiple controllers for boost converters under large load range: A GA and fuzzy logic based approach. In Proceedings of the 2010 IEEE International Conference on Industrial Technology, Via del Mar, Chile, 14–17 March 2010; pp. 105–110. [Google Scholar] [CrossRef]
- Kurucsó, B.; Peschka, A.; Stumpf, P.; Nagy, I.; Vajk, I. State space control of quadratic boost converter using LQR and LQG approaches. In Proceedings of the 2015 Intl Aegean Conference on Electrical Machines & Power Electronics (ACEMP), 2015 Intl Conference on Optimization of Electrical & Electronic Equipment (OPTIM) & 2015 Intl Symposium on Advanced Electromechanical Motion Systems (ELECTROMOTION), Side, Turkey, 2–4 September 2015; pp. 642–648. [Google Scholar] [CrossRef]
- Doyle, J.C. Guaranteed margins for LQG regulators. IEEE Trans. Autom. Control 1978, 23, 756–757. [Google Scholar] [CrossRef]
- Tay, T.T.; Moore, J.B. Adaptive lqg controller with loop transfer recovery. Int. J. Adapt. Control Signal Process. 1991, 5, 135–149. [Google Scholar] [CrossRef]
- Kanieski, J.M.; Tambara, R.V.; Pinheiro, H.; Cardoso, R.; Grundling, H.A. Robust adaptive controller combined with a linear quadratic regulator based on Kalman filtering. IEEE Trans. Autom. Control 2016, 61, 1373–1378. [Google Scholar] [CrossRef]
- Damasceno, D.P.; Rios, C.S.D.N.; Barbosa, S.G.; Barreto, L.H.; Correia, W.B.; Nogueira, F.G.; Oliveira, D.D.S. Three-port isolated DC-DC converter with LQG/LTRI robust control applied to photovoltaic systems with energy storage. In Proceedings of the 2021 Brazilian Power Electronics Conference (COBEP), João Pessoa, Brazil, 7–10 November 2021; pp. 1–6. [Google Scholar] [CrossRef]
- Horla, D.; Krolikowski, A. Adaptive LQG/LTR control; discontinuity issue. In Proceedings of the 2014 11th International Conference on Informatics in Control, Automation and Robotics (ICINCO), Vienna, Austria, 1–3 September 2014; Volume 1, pp. 802–807. [Google Scholar] [CrossRef]
- Camacho-Solorio, L.; Sarinana-Toledo, A. I-LQG control of DC-DC boost converters. In Proceedings of the 11th International Conference on Electrical Engineering, Computing Science and Automatic Control (CCE), Ciudad del Carmen, Mexico, 29 September–3 October 2014; pp. 1–6. [Google Scholar]
- Remes, C.L.; Rosa, M.B.; Heerdt, J.A.; Oliveira, S.V.G. LQG controller in cascade loop tuned by PSO applied to a DC-DC converter. Asian J. Control 2021, 23, 2370–2380. [Google Scholar] [CrossRef]
- Doyle, J.C.; Glover, K.; Khargonekar, P.; Francis, B. State-space solutions to standard H2 and H∞ control problems. IEEE Trans. Autom. Control 1989, 34, 831–847. [Google Scholar] [CrossRef]
- Stoorvogel, A.A. The H∞ control problem: A state space approach. Ph.D. Thesis, Technische Universiteit Eindhoven, Eindhoven, The Netherlands, 1990. [Google Scholar]
- Si, Y.; Korada, N.; Lei, Q.; Ayyanar, R. A robust controller design methodology addressing challenges under system uncertainty. IEEE Open J. Power Electron. 2022, 3, 402–418. [Google Scholar] [CrossRef]
- Ioannidis, G.C.; Manias, S.N. Robust current assisted H∞ controller for boost converter in the presence of uncertainty and evaluation using μ-analysis. In Proceedings of the 2008 IEEE Power Electronics Specialists Conference, Rhodes, Greece, 15–19 June 2008; pp. 3272–3278. [Google Scholar] [CrossRef]
- Rigatos, G.; Siano, P.; Sayed-Mouchaweh, M. Adaptive neurofuzzy H∞ control of DC-DC voltage converters. Neural Comput. Appl. 2020, 2, 2507–2520. [Google Scholar] [CrossRef]
- Bhimavarapu, A.R.; Thelukuntla, C.S.; Thota, P. H∞ loop-shaping of a multi-input DC-DC converter using weight function parameter optimisation. Eng. Res. Express 2022, 4, 1–16. [Google Scholar] [CrossRef]
- Patra, N.K.; Garg, M.M.; Panda, A.K.; Shuka, R.R. H∞ robust control of DC-DC converter. In Proceedings of the Sixth International Conference on Intelligent Computing and Applications, Odisha, India, 22–24 December 2020; pp. 257–267. [Google Scholar] [CrossRef]
- Naim, R.; Weiss, G.; Ben-Yaakov, S. Hinf control applied to boost power converters. IEEE Trans. Power Electron. 1997, 12, 677–683. [Google Scholar] [CrossRef]
- Kouro, S.; Perez, M.A.; Rodriguez, J.; Llor, A.M.; Young, H.A. Model Predictive Control: MPC’s Role in the Evolution of Power Electronics. IEEE Ind. Electron. Mag. 2015, 9, 8–21. [Google Scholar] [CrossRef]
- Karamanakos, P.; Liegmann, E.; Geyer, T.; Kennel, R. Model predictive control of power electronic systems: Methods, results, and challenges. IEEE Open J. Ind. Appl. 2020, 1, 95–114. [Google Scholar] [CrossRef]
- Rawlings, J.; Mayne, D.; Diehl, M. Model Predictive Control: Theory, Computation, and Design; Nob Hill Publishing: Santa Barbara, CA, USA, 2017. [Google Scholar]
- Camacho, E.; Alba, C. Model Predictive Control; Springer: Berlin/Heidelberg, Germany, 2013. [Google Scholar]
- Wang, L. Model Predictive Control System Design and Implementation Using MATLAB®; Springer: London, UK, 2009. [Google Scholar]
- Seborg, D.E.; Edgar, T.F.; Mellichamp, D.A.; Doyle, F.J., III. Process Dynamics and Control; Wiley: Hoboken, NJ, USA, 2016. [Google Scholar]
- Karami, Z.; Shafiee, Q.; Sahoo, S.; Yaribeygi, M.; Bevrani, H.; Dragicevic, T. Hybrid model predictive control of DC-DC boost converters with constant power load. IEEE Trans. Energy Convers. 2021, 36, 1347–1356. [Google Scholar] [CrossRef]
- Rodriguez, J.; Cortes, P. Predictive Control of Power Converters and Electrical Drives; Wiley: Hoboken, NJ, USA, 2012. [Google Scholar]
- Quevedo, D.E.; Aguilera, R.P.; Geyer, T. Predictive Control in Power Electronics and Drives: Basic Concepts, Theory, and Methods. In Advanced and Intelligent Control in Power Electronics and Drives; Orłowska-Kowalska, T., Blaabjerg, F., Rodríguez, J., Eds.; Springer International Publishing: Cham, Switzerland, 2014; pp. 181–226. [Google Scholar] [CrossRef]
- Aguilera, R.P.; Quevedo, D.E. Predictive control of power converters: Designs with guaranteed performance. IEEE Trans. Ind. Inform. 2015, 11, 53–63. [Google Scholar] [CrossRef]
- Villarroel, F.A.; Espinoza, J.R.; Perez, M.A.; Ramirez, R.O.; Baier, C.R.; Sbarbaro, D.; Silva, J.J.; Reyes, M.A. Stable shortest horizon FCS-MPC output voltage control in non-minimum phase boost-type converters based on input-state linearisation. IEEE Trans. Energy Convers. 2021, 36, 1378–1391. [Google Scholar] [CrossRef]
- Aouni, W.E.; Dessaint, L.A. Real-time implementation of input-state linearisation and model predictive control for robust voltage regulation of a DC-DC boost converter. IEEE Access 2020, 8, 192101–192108. [Google Scholar] [CrossRef]
- Maddalena, E.T.; Specq, M.W.F.; Wisniewski, V.L.; Jones, C.N. Embedded PWM predictive control of DC-DC power converters via piecewise-affine neural networks. IEEE Open J. Ind. Electron. Soc. 2021, 2, 199–206. [Google Scholar] [CrossRef]
- Chen, J.; Chen, Y.; Tong, L.; Peng, L.; Kang, Y. A backpropagation neural network-based explicit model predictive control for DC-DC converters with high switching frequency. IEEE J. Emerg. Sel. Top. Power Electron. 2020, 8, 2124–2142. [Google Scholar] [CrossRef]
- Gardezi, M.S.M.; Hasan, A. Machine learning based adaptive prediction horizon in finite control set model predictive control. IEEE Access 2018, 6, 32392–32400. [Google Scholar] [CrossRef]
- Vazquez, S.; Rodriguez, J.; Rivera, M.; Franquelo, L.; Norambuena, M. Model predictive control for power converters and drives: Advances and trends. IEEE Trans. Ind. Electron. 2017, 64, 935–947. [Google Scholar] [CrossRef]
- Ioannou, P.; Baldi, S. Robust Adaptive Control. In The Control Systems Handbook, Second Edition: Control System Advanced Methods; CRC Press: Boca Raton, FL, USA, 2010. [Google Scholar] [CrossRef]
- Anavatti, S.G.; Santoso, F.; Garratt, M.A. Progress in adaptive control systems: Past, present, and future. In Proceedings of the 2015 International Conference on Advanced Mechatronics, Intelligent Manufacture and Industrial Automation (ICAMIMIA), Surabaya, Indonesia, 15–17 October 2015; pp. 1–8. [Google Scholar] [CrossRef]
- Black, W.S.; Haghi, P.; Ariyur, K.B. Adaptive Systems: History, Techniques, Problems, and Perspectives. Systems 2014, 2, 606–660. [Google Scholar] [CrossRef]
- Figueres, E.; Garcera, G.; Benavent, J.; Pascual, M.; Martinez, J. Adaptive two-loop Voltage-mode control of DC-DC switching converters. IEEE Trans. Ind. Electron. 2006, 53, 239–253. [Google Scholar] [CrossRef]
- Annaswamy, A.M.; Fradkov, A.L. A historical perspective of adaptive control and learning. Annu. Rev. Control 2021, 52, 18–41. [Google Scholar] [CrossRef]
- Shirazi, M.; Zane, R.; Maksimovic, D. An Autotuning Digital Controller for DC–DC Power Converters Based on Online Frequency-Response Measurement. IEEE Trans. Power Electron. 2009, 24, 2578–2588. [Google Scholar] [CrossRef]
- Al-Greer, M.; Armstrong, M.; Ahmeid, M.; Giaouris, D. Advances on System Identification Techniques for DC–DC Switch Mode Power Converter Applications. IEEE Trans. Power Electron. 2019, 34, 6973–6990. [Google Scholar] [CrossRef]
- Beohar, N.; Malladi, V.N.K.; Mandal, D.; Ozev, S.; Bakkaloglu, B. Online Built-In Self-Test of High Switching Frequency DC–DC Converters Using Model Reference Based System Identification Techniques. IEEE Trans. Circuits Syst.—I Regul. Pap. 2018, 65, 818–831. [Google Scholar] [CrossRef]
- Congiu, A.; Bodano, E.; Barbaro, M. A ΔΣ Dithering-Amplification-Based Identification Technique for Online SMPS. IEEE Trans. Power Electron. 2016, 31, 5992–6001. [Google Scholar] [CrossRef]
- Algreer, M.; Armstrong, M.; Giaouris, D. Active Online System Identification of Switch Mode DC–DC Power Converter Based on Efficient Recursive DCD-IIR Adaptive Filter. IEEE Trans. Power Electron. 2012, 27, 4425–4435. [Google Scholar] [CrossRef]
- Kanzian, M.; Gietler, H.; Unterrieder, C.; Agostinelli, M.; Lunglmayr, M.; Huemer, M. Low-Complexity State-Space-Based System Identification and Controller Auto-Tuning Method for Multi-Phase DC–DC Converters. IEEE Trans. Ind. Appl. 2019, 55, 2076–2087. [Google Scholar] [CrossRef]
- Ahmeid, M.; Armstrong, M.; Al-Greer, M.; Gadoue, S. Computationally Efficient Self-Tuning Controller for DC–DC Switch Mode Power Converters Based on Partial Update Kalman Filter. IEEE Trans. Power Electron. 2018, 33, 8081–8090. [Google Scholar] [CrossRef]
- Zhao, Z.; Prodic, A. Limit-Cycle Oscillations Based Auto-Tuning System for Digitally Controlled DC–DC Power Supplies. IEEE Trans. Power Electron. 2007, 22, 2211–2222. [Google Scholar] [CrossRef]
- Hajihosseini, M.; Andalibi, M.; Gheisarnejad, M.; Farsizadeh, H.; Khooban, M.H. DC/DC Power Converter Control-Based Deep Machine Learning Techniques: Real-Time Implementation. IEEE Trans. Power Electron. 2020, 35, 9971–9977. [Google Scholar] [CrossRef]
- Balas, G.J. Robust Control of Flexible Structures: Theory and Experiments. Ph.D. Thesis, California Institute of Technology, Pasadena, CA, USA, 1990. [Google Scholar]
- Young, P.M. Robustness with Parametric and Dynamic Uncertainty. Ph.D. Thesis, California Institute of Technology, Pasadena, CA, USA, 1993. [Google Scholar]
- Wallis, G.; Tymerski, R. Generalized approach for μ synthesis of robust switching regulators. IEEE Trans. Aerosp. Electron. Syst. 2000, 36, 422–431. [Google Scholar] [CrossRef]
- Alharbi, B.; Alhomim, M.; McCann, R. Robust Control of DC-DC Boost Converter by using μ-Synthesis Approach. IFAC-PapersOnLine 2019, 52, 200–205. [Google Scholar] [CrossRef]
- Buso, S. Design of a robust voltage controller for a buck-boost converter using μ-synthesis. IEEE Trans. Control Syst. Technol. 1999, 7, 222–229. [Google Scholar] [CrossRef]
- Hernández-Torres, D.; Sename, O.; Riu, D.; Druart, F. On the Robust Control of DC-DC Converters: Application to a Hybrid Power Generation System. IFAC Proc. Vol. 2010, 43, 123–130. [Google Scholar] [CrossRef]
- Lin, J.; Chen, S. μ-based controller design for a DC-DC switching power converter with line and load variations. In Proceedings of the 1996 IEEE IECON—22nd International Conference on Industrial Electronics, Control, and Instrumentation, Taipei, Taiwan, 9 August 1996; Volume 2, pp. 1029–1034. [Google Scholar] [CrossRef]
- Li, S.; Yang, J.; Chen, W.; Chen, X. Disturbance Observer-Based Control: Methods and Applications; Taylor & Francis: Abingdon, UK, 2014. [Google Scholar]
- Gao, Z. On the centrality of disturbance rejection in automatic control. ISA Trans. 2014, 53, 850–857. [Google Scholar] [CrossRef] [PubMed]
- Chen, W.H.; Yang, J.; Guo, L.; Li, S. Disturbance-Observer-Based Control and Related Methods—An Overview. IEEE Trans. Ind. Electron. 2016, 63, 1083–1095. [Google Scholar] [CrossRef]
- Yang, J.; Chen, W.H.; Li, S.; Guo, L.; Yan, Y. Disturbance/Uncertainty Estimation and Attenuation Techniques in PMSM Drives—A Survey. IEEE Trans. Ind. Electron. 2017, 64, 3273–3285. [Google Scholar] [CrossRef]
- Gao, Z. Active disturbance rejection control: A paradigm shift in feedback control system design. In Proceedings of the 2006 American Control Conference, Minneapolis, MN, USA, 14–16 June 2006; p. 7. [Google Scholar] [CrossRef]
- Gao, Z. Active disturbance rejection control: From an enduring idea to an emerging technology. In Proceedings of the 2015 10th International Workshop on Robot Motion and Control (RoMoCo), Poznan, Poland, 6–8 July 2015; pp. 269–282. [Google Scholar] [CrossRef]
- Zheng, Q.; Chen, Z.; Gao, Z. A practical approach to disturbance decoupling control. Control Eng. Pract. 2009, 17, 1016–1025. [Google Scholar] [CrossRef]
- Sun, L.; Dong, J.; Li, D.; Lee, K.Y. A Practical Multivariable Control Approach Based on Inverted Decoupling and Decentralized Active Disturbance Rejection Control. Ind. Eng. Chem. Res. 2016, 55, 2008–2019. [Google Scholar] [CrossRef]
- Bandyopadhyay, S.; Qin, Z.; Bauer, P. Decoupling Control of Multiactive Bridge Converters Using Linear Active Disturbance Rejection. IEEE Trans. Ind. Electron. 2021, 68, 10688–10698. [Google Scholar] [CrossRef]
- Madoński, R.; Herman, P. Model-Free Control or Active Disturbance Rejection Control? On different approaches for attenuating the perturbation. In Proceedings of the 2012 20th Mediterranean Conference on Control & Automation (MED), Barcelona, Spain, 3–6 July 2012; pp. 60–65. [Google Scholar] [CrossRef]
- Gao, Z.; Huang, Y.; Han, J. An alternative paradigm for control system design. In Proceedings of the 40th IEEE Conference on Decision and Control (Cat. No.01CH37228), Orlando, FL, USA, 4–7 December 2001; Volume 5, pp. 4578–4585. [Google Scholar] [CrossRef]
- Han, J. From PID to Active Disturbance Rejection Control. IEEE Trans. Ind. Electron. 2009, 56, 900–906. [Google Scholar] [CrossRef]
- Gao, Z. Scaling and bandwidth-parameterization based controller tuning. In Proceedings of the 2003 American Control Conference, Denver, CO, USA, 4–6 June 2003; Volume 6, pp. 4989–4996. [Google Scholar] [CrossRef]
- Guo, B.Z.; Zhao, Z.L. Active disturbance rejection control: Theoretical perspectives. Commun. Inf. Syst. 2016, 15, 361–421. [Google Scholar] [CrossRef]
- Gao, Z. From linear to nonlinear control means: A practical progression. ISA Trans. 2002, 41, 177–189. [Google Scholar] [CrossRef]
- Shim, H.; Jo, N.H. An almost necessary and sufficient condition for robust stability of closed-loop systems with disturbance observer. Automatica 2009, 45, 296–299. [Google Scholar] [CrossRef]
- Shim, H.; Park, G.; Joo, Y.; Back, J.; Jo, N.H. Yet another tutorial of disturbance observer: Robust stabilization and recovery of nominal performance. Control Theory Technol. 2016, 14, 237–249. [Google Scholar] [CrossRef]
- Wang, L.; Su, J. Disturbance rejection control for non-minimum phase systems with optimal disturbance observer. ISA Trans. 2015, 57, 1–9. [Google Scholar] [CrossRef] [PubMed]
- Shim, H.; Jo, N.H.; Son, Y.I. A new disturbance observer for non-minimum phase linear systems. In Proceedings of the 2008 American Control Conference, Seattle, WA, USA, 11–13 June 2008; pp. 3385–3389. [Google Scholar] [CrossRef]
- Jo, N.H.; Shim, H.; Son, Y.I. Disturbance observer for non-minimum phase linear systems. Int. J. Control Autom. Syst. 2010, 8, 994–1002. [Google Scholar] [CrossRef]
- Sariyildiz, E.; Ohnishi, K. A new solution for the robust control problem of non-minimum phase systems using disturbance observer. In Proceedings of the 2013 IEEE International Conference on Mechatronics (ICM), Vicenza, Italy, 27 February–1 March 2013; pp. 46–51. [Google Scholar] [CrossRef]
- Sariyildiz, E.; Ohnishi, K. A Guide to Design Disturbance Observer. J. Dyn. Syst. Meas. Control 2013, 136, 021011. [Google Scholar] [CrossRef]
- Chen, W.H. Disturbance observer based control for nonlinear systems. IEEE/ASME Trans. Mechatron. 2004, 9, 706–710. [Google Scholar] [CrossRef]
- Chen, W.; Guo, L. Analysis of Disturbance Observer Based Control for Nonlinear Systems under Disturbances with Bounded Variation. In Proceedings of the International Conference on Control, Bath, UK, 6–9 September 2004. [Google Scholar]
- Yang, J.; Chen, W.; Li, S. Non-linear disturbance observer-based robust control for systems with mismatched disturbances/uncertainties. IET Control Theory Appl. 2011, 5, 2053–2062. [Google Scholar] [CrossRef]
- Sariyildiz, E.; Oboe, R.; Ohnishi, K. Disturbance Observer-Based Robust Control and Its Applications: 35th Anniversary Overview. IEEE Trans. Ind. Electron. 2020, 67, 2042–2053. [Google Scholar] [CrossRef]
- Yang, J.; Wu, B.; Li, S.; Yu, X. Design and Qualitative Robustness Analysis of an DOBC Approach for DC-DC Buck Converters with Unmatched Circuit Parameter Perturbations. IEEE Trans. Circuits Syst.—I Regul. Pap. 2016, 63, 551–560. [Google Scholar] [CrossRef]
- Fliess, M.; Join, C. Intelligent PID controllers. In Proceedings of the 2008 16th Mediterranean Conference on Control and Automation, Ajaccio, France, 25–27 June 2008; pp. 326–331. [Google Scholar] [CrossRef]
- Michel, L.; Join, C.; Fliess, M.; Sicard, P.; Chériti, A. Model-free control of dc/dc converters. In Proceedings of the 2010 IEEE 12th Workshop on Control and Modeling for Power Electronics (COMPEL), Boulder, CO, USA, 28–30 June 2010; pp. 1–8. [Google Scholar] [CrossRef]
- FLIESS, M.; JOIN, C.; RIACHY, S. Revisiting some practical issues in the implementation of model-free control. IFAC Proc. Vol. 2011, 44, 8589–8594. [Google Scholar] [CrossRef]
- Zheng, Q.; Gao, Z. On practical applications of active disturbance rejection control. In Proceedings of the 29th Chinese Control Conference, Beijing, China, 29–31 July 2010; pp. 6095–6100. [Google Scholar]
- Tao, L.; Wang, P.; Ma, X.; Wang, Y.; Shi, H. Robustness Optimization Through Modified Linear Active Disturbance Rejection Control for High-Voltage Load Interface in Microgrid. IEEE Trans. Ind. Electron. 2023, 70, 3909–3919. [Google Scholar] [CrossRef]
- Zhou, X.; Xie, B.; Ma, Y.; Liu, Q. Research on Control Strategy of Bidirectional DC-DC Converter Based on Enhanced ADRC. In Proceedings of the 2021 IEEE International Conference on Mechatronics and Automation (ICMA), Takamatsu, Japan, 8–11 August 2021; pp. 560–564. [Google Scholar] [CrossRef]
- Łakomy, K.; Madonski, R.; Dai, B.; Yang, J.; Kicki, P.; Ansari, M.; Li, S. Active Disturbance Rejection Control Design with Suppression of Sensor Noise Effects in Application to DC–DC Buck Power Converter. IEEE Trans. Ind. Electron. 2022, 69, 816–824. [Google Scholar] [CrossRef]
- Zhao, Z.L.; Guo, B.Z. On Convergence of Nonlinear Active Disturbance Rejection Control for SISO Nonlinear Systems. J. Dyn. Control Syst. 2016, 22, 385–412. [Google Scholar] [CrossRef]
- Castillo, A.; García, P.; Sanz, R.; Albertos, P. Enhanced extended state observer-based control for systems with mismatched uncertainties and disturbances. ISA Trans. 2018, 73, 1–10. [Google Scholar] [CrossRef] [PubMed]
- Sun, L.; Li, D.; Gao, Z.; Yang, Z.; Zhao, S. Combined feedforward and model-assisted active disturbance rejection control for non-minimum phase system. ISA Trans. 2016, 64, 24–33. [Google Scholar] [CrossRef]
- Li, S.; Yang, J.; Chen, W.H.; Chen, X. Generalized Extended State Observer Based Control for Systems With Mismatched Uncertainties. IEEE Trans. Ind. Electron. 2012, 59, 4792–4802. [Google Scholar] [CrossRef]
- Zhou, R.; Tan, W. A generalized active disturbance rejection control approach for linear systems. In Proceedings of the 2015 IEEE 10th Conference on Industrial Electronics and Applications (ICIEA), Auckland, New Zealand, 15–17 June 2015; pp. 248–255. [Google Scholar] [CrossRef]
- Li, J.; Xia, Y.; Qi, X.; Gao, Z. On the Necessity, Scheme, and Basis of the Linear–Nonlinear Switching in Active Disturbance Rejection Control. IEEE Trans. Ind. Electron. 2017, 64, 1425–1435. [Google Scholar] [CrossRef]
- Wu, D.; Chen, K. Frequency-Domain Analysis of Nonlinear Active Disturbance Rejection Control via the Describing Function Method. IEEE Trans. Ind. Electron. 2013, 60, 3906–3914. [Google Scholar] [CrossRef]
- Zhuo, S.; Gaillard, A.; Xu, L.; Paire, D.; Gao, F. Extended State Observer-Based Control of DC–DC Converters for Fuel Cell Application. IEEE Trans. Power Electron. 2020, 35, 9923–9932. [Google Scholar] [CrossRef]
- Lu, J.; Savaghebi, M.; Guan, Y.; Vasquez, J.C.; Ghias, A.M.Y.M.; Guerrero, J.M. A Reduced-Order Enhanced State Observer Control of DC-DC Buck Converter. IEEE Access 2018, 6, 56184–56191. [Google Scholar] [CrossRef]
- Tian, G.; Gao, Z. Frequency Response Analysis of Active Disturbance Rejection Based Control System. In Proceedings of the 2007 IEEE International Conference on Control Applications, Singapore, 1–3 October 2007; pp. 1595–1599. [Google Scholar] [CrossRef]
- Zheng, Q.; Gao, Z. Active disturbance rejection control: Between the formulation in time and the understanding in frequency. Control Theory Technol. 2016, 14, 25–259. [Google Scholar] [CrossRef]
- Xue, W.; Huang, Y. Performance analysis of active disturbance rejection tracking control for a class of uncertain LTI systems. ISA Trans. 2015, 58, 133–154. [Google Scholar] [CrossRef] [PubMed]
- Hui, Y.; Shan, L.; Xiangdong, S.; Kaiyue, C. Research on Active Disturbance Rejection Control Method for Bidirectional DC-DC Converter Based on Immune Algorithm. In Proceedings of the 2018 IEEE International Power Electronics and Application Conference and Exposition (PEAC), Shenzhen, China, 4–7 November 2018; pp. 1–6. [Google Scholar] [CrossRef]
- Du, C.; Yin, Z.; Zhang, Y.; Liu, J.; Sun, X.; Zhong, Y. Research on Active Disturbance Rejection Control with Parameter Autotune Mechanism for Induction Motors Based on Adaptive Particle Swarm Optimization Algorithm with Dynamic Inertia Weight. IEEE Trans. Power Electron. 2019, 34, 2841–2855. [Google Scholar] [CrossRef]
- Yin, Z.; Du, C.; Liu, J.; Sun, X.; Zhong, Y. Research on Autodisturbance-Rejection Control of Induction Motors Based on an Ant Colony Optimization Algorithm. IEEE Trans. Ind. Electron. 2018, 65, 3077–3094. [Google Scholar] [CrossRef]
- Zhou, X.; Cui, Y.; Ma, Y. Fuzzy Linear Active Disturbance Rejection Control of Injection Hybrid Active Power Filter for Medium and High Voltage Distribution Network. IEEE Access 2021, 9, 8421–8432. [Google Scholar] [CrossRef]
- Hernández-Méndez, A.; Linares-Flores, J.; Sira-Ramírez, H.; Guerrero-Castellanos, J.F.; Mino-Aguilar, G. A Backstepping Approach to Decentralized Active Disturbance Rejection Control of Interacting Boost Converters. IEEE Trans. Ind. Appl. 2017, 53, 4063–4072. [Google Scholar] [CrossRef]
- Yang, J.; Cui, H.; Li, S.; Zolotas, A. Optimized Active Disturbance Rejection Control for DC-DC Buck Converters with Uncertainties Using a Reduced-Order GPI Observer. IEEE Trans. Circuits Syst.—I Regul. Pap. 2018, 65, 832–841. [Google Scholar] [CrossRef]
- Cortés-Romero, J.; Rojas-Cubides, H.; Coral-Enriquez, H.; Sira-Ramírez, H.; Luviano-Juárez, A. Active Disturbance Rejection Approach for Robust Fault-Tolerant Control via Observer Assisted Sliding Mode Control. Math. Probl. Eng. 2013, 2013. [Google Scholar] [CrossRef]
- Qiu, Z.; Xiao, J.X.; Wang, S. Active-disturbance rejection control based on a novel sliding mode observer for PMSM speed and rotor position. J. Vibroeng. 2015, 17, 4603–4617. [Google Scholar]
- Xue, W.; Huang, Y. Comparison of the DOB based control, a special kind of PID control and ADRC. In Proceedings of the 2011 American Control Conference, San Francisco, CA, USA, 29 June–1 July 2011; pp. 4373–4379. [Google Scholar] [CrossRef]





















| Review Paper | Addressed Issues | Contributions of This Work |
|---|---|---|
| [27] | control methods formulated for specific load | control methods for any load |
| [28] | specific converter type with certain control objectives and practical restrictions | control design for general objectives and practical restrictions applied in DC/DC converter types |
| [29] | methods for power flow control | methods for voltage control |
| [30] | general strategies for feedback and feedforward control | specific models of control methods |
| Feedback Control Method | Advantages | Limitations | References of Applications |
|---|---|---|---|
| Lyapunov control |
|
| Buck/boost: [32] Cascaded boost: [33] |
| PBC |
|
| Buck: [39,42,43,44,46] Boost: [38,40,42,45,46,49] Buck/boost: [48] |
| Feedback linearisation |
|
| Boost: [41,51,55] Buck/boost: [52,53] Cuk: [54] |
| Backstepping control |
|
| Buck: [63,69,70] Boost: [60,61,62,65,66,73], [68,71,72,74] Buck/boost: [68,72] N-phase IDD boost: [64] Floating dual boost: [67] |
| SMC |
|
| Buck: [89,95,96,97,99,101] [84,98] Boost: [81,82,86,88,90,102] |
| Synergetic control |
|
| Buck: [63,107,113,115], [116,117] Boost: [104,105,110,112], [111,114] |
| LQR/LQG |
|
| Boost: [122,123,124,125], [127,128,134] Cuk: [120,121] X-converter: [126] Three-port isolated: [132] Two-switch forward: [135] |
|
| Buck: [63,140,142] Boost: [139,143] Multi-input converter: [141] LLC resonant: [138] | |
| MPC |
|
| Buck: [156,157] Boost: [150,154,155,158] |
| PBC | Backstepping | SMC | Synergetic | MPC | |
|---|---|---|---|---|---|
| [45,46] | [68,69] [70,71] | [73,86] [87,98] | [115,116] [117] | [140] | [158] |
Disclaimer/Publisher’s Note: The statements, opinions and data contained in all publications are solely those of the individual author(s) and contributor(s) and not of MDPI and/or the editor(s). MDPI and/or the editor(s) disclaim responsibility for any injury to people or property resulting from any ideas, methods, instructions or products referred to in the content. |
© 2023 by the authors. Licensee MDPI, Basel, Switzerland. This article is an open access article distributed under the terms and conditions of the Creative Commons Attribution (CC BY) license (https://creativecommons.org/licenses/by/4.0/).
Share and Cite
Korompili, A.; Monti, A. Review of Modern Control Technologies for Voltage Regulation in DC/DC Converters of DC Microgrids. Energies 2023, 16, 4563. https://doi.org/10.3390/en16124563
Korompili A, Monti A. Review of Modern Control Technologies for Voltage Regulation in DC/DC Converters of DC Microgrids. Energies. 2023; 16(12):4563. https://doi.org/10.3390/en16124563
Chicago/Turabian StyleKorompili, Asimenia, and Antonello Monti. 2023. "Review of Modern Control Technologies for Voltage Regulation in DC/DC Converters of DC Microgrids" Energies 16, no. 12: 4563. https://doi.org/10.3390/en16124563
APA StyleKorompili, A., & Monti, A. (2023). Review of Modern Control Technologies for Voltage Regulation in DC/DC Converters of DC Microgrids. Energies, 16(12), 4563. https://doi.org/10.3390/en16124563

