Studies on the Performance of Engines Powered with Hydrogen-Enriched Biogas
Abstract
1. Introduction
2. Materials and Methods
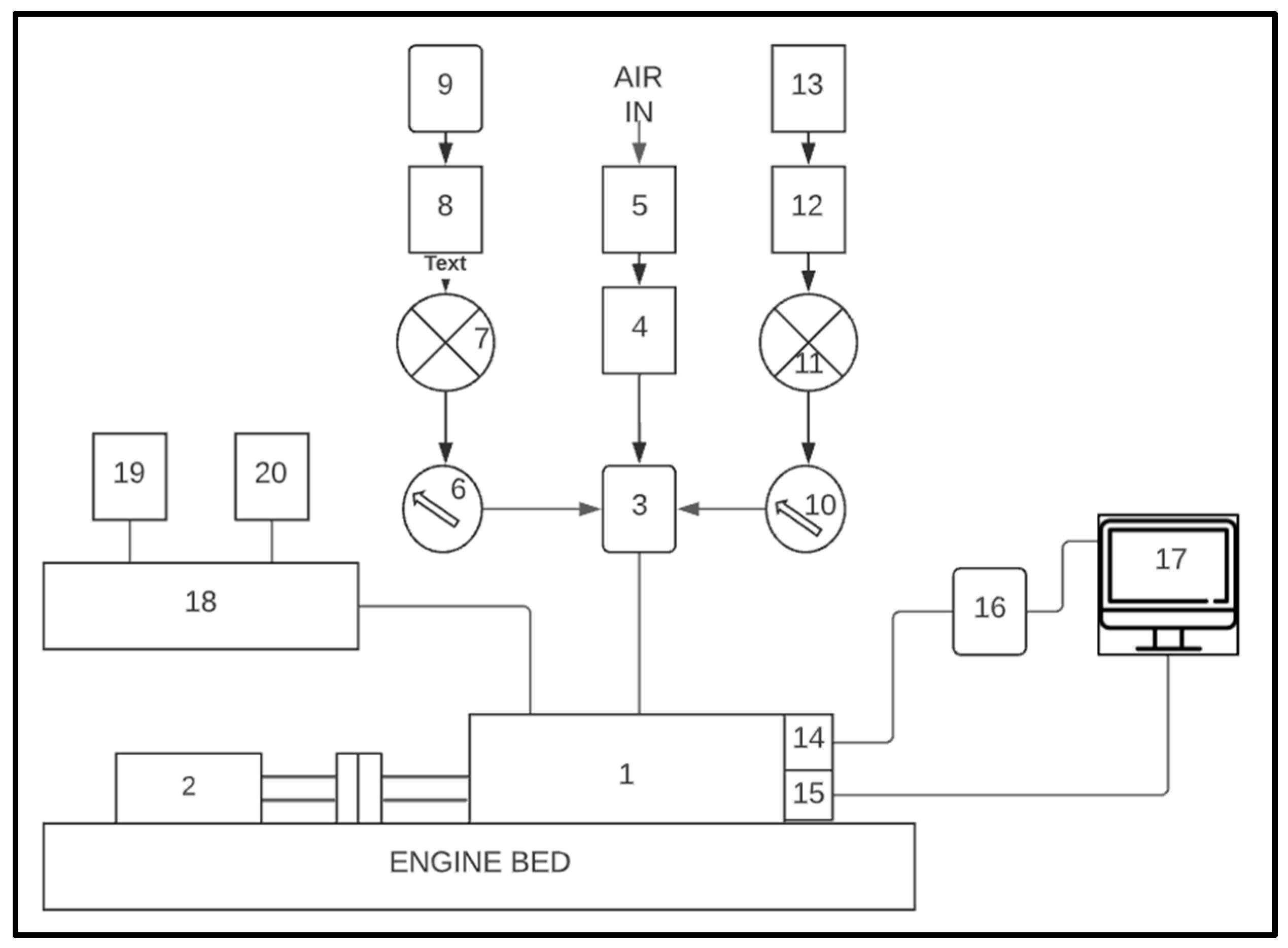
2.1. Experimental Details
2.2. Error Analysis
2.3. Experimental Procedure
3. Results and Discussion
4. Conclusions
Author Contributions
Funding
Data Availability Statement
Acknowledgments
Conflicts of Interest
References
- Reitz, R.D. Directions in internal combustion engine research. Combust. Flame 2013, 160, 1–8. [Google Scholar] [CrossRef]
- Abdellatief, T.M.M.; Ershov, M.A.; Kapustin, V.M. New recipes for producing a high octane gasoline based on naphtha from natural gas condensate. Fuel 2020, 276, 118075. [Google Scholar] [CrossRef]
- Ershov, M.; Potanin, D.; Gueseva, A.; Abdellatief, T.M.M.; Kapustin, V. Novel strategy to develop the technology of high-octane alternative fuel based on low-octane gasoline Fischer-Tropsch process. Fuel 2020, 261, 116330. [Google Scholar] [CrossRef]
- Duan, X.; Lai, M.-C.; Jansons, M.; Guo, G.; Liu, J. A review of controlling strategies of the ignition timing and combustion phase in homogeneous charge compression ignition (HCCI) engine. Fuel 2021, 285, 119142. [Google Scholar] [CrossRef]
- Dutta, P.P.; Das, A.; Pandey, V.; Devi, M. Fuel characteristics of some locally available biomass as a potential gasification feedstock for thermal application. Ind. Eng. Chem. Res. 2014, 53, 19806–19813. [Google Scholar] [CrossRef]
- Chen, Z.; Chen, H.; Wang, L.; Geng, L.; Zeng, K. Parametric study on effects of excess air/fuel ratio, spark timing, and methanol injection timing on combustion characteristics and performance of natural gas/methanol dual-fuel engine at low loads. Energy Convers. Manag. 2020, 210, 112742. [Google Scholar] [CrossRef]
- Gong, C.; Li, Z.; Yi, L.; Liu, F. Experimental investigation of equivalence ratio effects on combustion and emissions characteristics of an H2/methanol dual-injection engine under different spark timings. Fuel 2020, 262, 116463. [Google Scholar] [CrossRef]
- Park, S.H.; Lee, C.S. Applicability of dimethyl ether (DME) in a compression ignition engine as an alternative fuel. Energy Convers. Manag. 2014, 86, 848–863. [Google Scholar] [CrossRef]
- Liu, J.; Duan, X.; Yuan, Z.; Liu, Q.; Tang, Q. Experimental study on the performance, combustion and emission characteristics of a high compression ratio heavy-duty spark-ignition engine fuelled with liquefied methane gas and hydrogen blend. Appl. Therm. Eng. 2017, 124, 585–594. [Google Scholar] [CrossRef]
- Gong, C.; Li, Z.; Sun, J.; Liu, F. Evaluation on combustion and lean-burn limit of a medium compression ratio hydro-gen/methanol dual-injection spark-ignition engine under methanol late-injection. Appl. Energy 2020, 277, 115622. [Google Scholar] [CrossRef]
- Deheri, C.; Acharya, S.K.; Thatoi, D.N.; Mohanty, A.P. A review on performance of biogas and hydrogen on diesel engine in dual fuel mode. Fuel 2020, 260, 116337. [Google Scholar] [CrossRef]
- Jin, C.; Pang, X.; Zhang, X.; Wu, S.; Ma, M.; Xiang, Y.; Ma, J.; Ji, J.; Wang, G.; Liu, H. Effects of C3–C5 alcohols on solubility of alcohols/diesel blends. Fuel 2019, 236, 65–74. [Google Scholar] [CrossRef]
- Liu, H.; Wang, X.; Zheng, Z.; Gu, J.; Wang, H.; Yao, M. Experimental and simulation investigation of the combustion characteristics and emissions using n-butanol/biodiesel dual-fuel injection on a diesel engine. Energy 2014, 74, 741–752. [Google Scholar] [CrossRef]
- Kanu, N.J.; Bapat, S.; Deodhar, H.; Gupta, E.; Singh, G.K.; Vates, U.K.; Verma, G.C.; Pandey, V. An insight into processing and properties of smart carbon nanotubes reinforced nanocomposites. Smart Sci. 2021, 10, 40–55. [Google Scholar] [CrossRef]
- Sundararaj, R.H.; Kumar, R.D.; Raut, A.K.; Sekar, T.C.; Pandey, V.; Kushari, A.; Puri, S.K. Combustion and emission characteristics from biojet fuel blends in a gas turbine combustor. Energy 2019, 182, 689–705. [Google Scholar] [CrossRef]
- Kanu, N.J.; Guluwadi, S.; Pandey, V.; Suyambazhahan, S. Experimental Investigation of Emission Characteristics on Can-Combustor Using Jatropha Based Bio-derived Synthetic Paraffinic Kerosene. Smart Sci. 2021, 9, 305–316. [Google Scholar] [CrossRef]
- Pandey, V.; Badruddin, I.A.; Terfasa, T.T.; Tesfamariam, B.B.; Ahmed, G.M.S.; Saleel, C.A.; Alrobei, H. Experimental investigation of the impact of CeO2 nanoparticles in Jet-A and Jatropha-SPK blended fuel in an aircraft can-combustor at flight conditions. Fuel 2022, 317, 123393. [Google Scholar] [CrossRef]
- Pandey, V.; Guluwadi, S.; Tafesse, G.H. Performance and emission study of low HCNG fuel blend in SI engine with fixed ignition timing. Cogent Eng. 2022, 9, 2010925. [Google Scholar] [CrossRef]
- Liu, J.; Dumitrescu, C.E. Flame development analysis in a diesel optical engine converted to spark ignition natural gas operation. Appl. Energy 2018, 230, 1205–1217. [Google Scholar] [CrossRef]
- Liu, J.; Dumitrescu, C.E. Single and double Wiebe function combustion model for a heavy-duty diesel engine retrofitted to natural-gas spark-ignition. Appl. Energy 2019, 248, 95–103. [Google Scholar] [CrossRef]
- Sagar, S.M.V.; Agarwal, A.K. Hydrogen-enriched compressed natural gas: An alternate fuel for IC engines. In Advances in Internal Combustion Engine Research; Springer: Singapore, 2018; pp. 111–134. [Google Scholar]
- Mehra, R.K.; Duan, H.; Juknelevicius, R.; Ma, F.; Li, J. Progress in hydrogen enriched compressed natural gas (HCNG) internal combustion engines. Renew. Sustain. Energy Rev. 2017, 80, 1458–1498. [Google Scholar] [CrossRef]
- Verhelst, S.; Wallner, T. Hydrogen-fueled internal combustion engines. Prog. Energy Combust. Sci. 2009, 35, 490–527. [Google Scholar] [CrossRef]
- Karim, G. Hydrogen as a spark ignition engine fuel. Int. J. Hydrogen Energy 2003, 28, 569–577. [Google Scholar] [CrossRef]
- Porpatham, E.; Ramesh, A.; Nagalingam, B. Effect of hydrogen addition on the performance of a biogas fuelled spark ignition engine. Int. J. Hydrogen Energy 2007, 32, 2057–2065. [Google Scholar] [CrossRef]
- Leung, T.; Wierzba, I. The effect of hydrogen addition on biogas non-premixed jet flame stability in a co-flowing air stream. Int. J. Hydrogen Energy 2008, 33, 3856–3862. [Google Scholar] [CrossRef]
- Zhang, X.; Xu, J.; Zheng, S.; Hou, X.; Liu, J. The experimental study on cyclic variation in a spark ignited engine fueled with biogas and hydrogen blends. Int. J. Hydrogen Energy 2013, 38, 11164–11168. [Google Scholar]
- Park, C.; Park, S.; Lee, Y.; Kim, C.; Lee, S.; Moriyoshi, Y. Performance and emission characteristics of a SI engine fueled by low calorific biogas blended with hydrogen. Int. J. Hydrogen Energy 2011, 36, 10080–10088. [Google Scholar] [CrossRef]
- Zhang, Y.; Zhu, M.; Zhang, Z.; Zhang, D. Combustion and Emission Characteristics of a Spark Ignition Engine Fuelled with Biogas from Two-Phase Anaerobic Digestion (T-PAD). Energy Procedia 2017, 105, 137–142. [Google Scholar] [CrossRef]
- Ma, F.; Wang, Y.; Liu, H.; Li, Y.; Wang, J.; Zhao, S. Experimental study on thermal efficiency and emission characteristics of a lean burn hydrogen enriched natural gas engine. Int. J. Hydrogen Energy 2007, 32, 5067–5075. [Google Scholar] [CrossRef]
- Yu, X.; Wu, H.; Du, Y.; Tang, Y.; Liu, L.; Niu, R. Research on cycle-by-cycle variations of an SI engine with hydrogen direct injection under lean burn conditions. Appl. Therm. Eng. 2016, 109 Pt A, 569–581. [Google Scholar] [CrossRef]
- Chen, L.; Song, P.; Zeng, W.; Zhang, J.; Feng, C.; Ma, H. Exhaust emission characteristics of gaseous low-temperature biomass fuel in spark-ignition engine. Appl. Therm. Eng. 2016, 108, 1–10. [Google Scholar] [CrossRef]
- Hu, E.; Huang, B.; Liu, B.; Zheng, J.; Gu, X. Experimental study on combustion characteristics of a spark-ignition engine fueled with natural gas–hydrogen blends combining with EGR. Int. J. Hydrogen Energy 2009, 34, 1035–1044. [Google Scholar] [CrossRef]
- Sierens, R.; Rosseel, E. Variable Composition Hydrogen/Natural Gas Mixtures for Increased Engine Efficiency and Decreased Emissions. J. Eng. Gas Turbines Power 2000, 122, 135–140. [Google Scholar] [CrossRef]
- Shah, A.; Srinivasan, R.; To, E.D.F.; Columbus, E.P. Performance and emissions of a spark-ignited engine driven generator on biomass based syngas. Bioresour. Technol. 2010, 101, 4656–4661. [Google Scholar] [CrossRef] [PubMed]
- Wang, S.; Ji, C.; Zhang, B.; Cong, X.; Liu, X. Effect of CO2 dilution on combustion and emissions characteristics of the hydrogen-enriched gasoline engine. Energy 2016, 96, 118–126. [Google Scholar] [CrossRef]
- Hu, E.; Huang, Z.; Liu, B.; Zheng, J.; Gu, X.; Huang, B. Experimental investigation on performance and emissions of a spark-ignition engine fuelled with natural gas–hydrogen blends combined with EGR. Int. J. Hydrogen Energy 2009, 34, 528–539. [Google Scholar] [CrossRef]
- Kohn, M.P.; Lee, J.; Basinger, M.L.; Castaldi, M.J. Performance of an internal combustion engine operating on landfill gas and the effect of syngas addition. Ind. Eng. Chem. Res. 2011, 50, 3570–3579. [Google Scholar] [CrossRef]
- Hagos, F.Y.; Aziz, A.R.A.; Sulaiman, S.A. Trends of syngas as a fuel in internal combustion engines. Adv. Mech. Eng. 2014, 6, 401587. [Google Scholar] [CrossRef]
- Kacem, S.H.; Jemni, M.A.; Driss, Z.; Abid, M.S. The effect of H2 enrichment on in cylinder flow behavior, engine performances and exhaust emissions: Case of LPG-hydrogen engine. Appl. Energy 2016, 179, 961–971. [Google Scholar] [CrossRef]
- Jeong, C.; Kim, T.; Lee, K.; Song, S.; Kwang Min Chun, K.M. Generating efficiency and emissions of a spark-ignition gas engine generator fuelled with biogas–hydrogen blends. Int. J. Hydrogen Energy 2009, 34, 9620–9627. [Google Scholar] [CrossRef]
- Montoya, J.P.G.; Amell, A.A.; Olsen, D.B.; Diaz, G.J.A. Strategies to improve the performance of a spark ignition engine using fuel blends of biogas with natural gas, propane and hydrogen. Int. J. Hydrogen Energy 2018, 43, 21592–21602. [Google Scholar] [CrossRef]
- Montoya, J.P.G.; Arrieta, A.A.A. Effect of the turbulence intensity on knocking tendency in a SI engine with high compression ratio using biogas and blends with natural gas, propane and hydrogen. Int. J. Hydrogen Energy 2019, 44, 18532–18544. [Google Scholar] [CrossRef]
- Nadaleti, W.C.; Przybyla, G.; Filho, P.B.; Souza, S. Methane-hydrogen fuel blends for SI engines in Brazilian public transport: Efficiency and pollutant emissions. Int. J. Hydrogen Energy 2017, 42, 29585–29596. [Google Scholar] [CrossRef]
- Nadaleti, W.C.; Przybyla, G.; Vieira, B.; Leandro, D.; Gadotti, G.; Quadro, M.; Kunde, E.; Correa, L.; Andreazza, R.; Castro, A. Efficiency and pollutant emissions of an SI engine using biogas-hydrogen fuel blends: BIO60, BIO95, H20BIO60 and H20BIO95. Int. J. Hydrogen Energy 2018, 43, 7190–7200. [Google Scholar] [CrossRef]
- Nadaleti, W.C.; Przybyla, G. Emissions and performance of a spark-ignition gas engine generator operating with hydrogen-rich syngas, methane and biogas blends for application in southern Brazilian rice industries. Energy 2018, 154, 38–51. [Google Scholar] [CrossRef]
- Nadaleti, W.C.; Przybyla, G. NOx, CO and HC emissions and thermodynamic-energetic efficiency of an SI gas engine powered by gases simulated from biomass gasification under different H2 content. Int. J. Hydrogen Energy 2020, 45, 21920–21939. [Google Scholar] [CrossRef]
- Alrazen, H.A.; Ahmad, K.A. HCNG fueled spark-ignition (SI) engine with its effects on performance and emissions. Renew. Sustain. Energy Rev. 2018, 82 Pt 1, 324–342. [Google Scholar] [CrossRef]
- Hotta, S.K.; Sahoo, N.; Mohanty, K. Comparative assessment of a spark ignition engine fueled with gasoline and raw biogas. Renew. Energy 2019, 134, 1307–1319. [Google Scholar] [CrossRef]
- Hotta, S.K.; Sahoo, N.; Mohanty, K.; Kulkarni, V. Ignition timing and compression ratio as effective means for the improvement in the operating characteristics of a biogas fueled spark ignition engine. Renew. Energy 2020, 150, 854–867. [Google Scholar] [CrossRef]
- Bundele, H.; Kurien, C.; Varma, P.S.; Mittal, M. Experimental and computational study on the enhancement of engine characteristics by hydrogen enrichment in a biogas fuelled spark ignition engine. Int. J. Hydrogen Energy 2022, 47, 30671–30686. [Google Scholar] [CrossRef]
- Bui, V.G.; Bui, T.M.T.; Ong, H.C.; Nižetić, S.; Bui, V.H.; Nguyen, T.T.X.; Atabani, A.E.; Štěpanec, L.; Pham, L.H.P.; Hoang, A.T. Optimizing operation parameters of a spark-ignition engine fueled with biogas-hydrogen blend integrated into biomass-solar hybrid renewable energy system. Energy 2022, 252, 124052. [Google Scholar] [CrossRef]
- Wongwuttanasatian, T.; Jankoom, S.; Velmurugan, K. Experimental performance investigation of an electronic fuel injection-SI engine fuelled with HCNG (H2 + CNG) for cleaner transportation. Sustain. Energy Technol. Assess. 2022, 49, 101733. [Google Scholar] [CrossRef]
- Molina, S.; Ruiz, S.; Gomez-Soriano, J.; Olcina-Girona, M. Impact of hydrogen substitution for stable lean operation on spark ignition engines fueled by compressed natural gas. Results Eng. 2023, 17, 100799. [Google Scholar] [CrossRef]
- Urroz, J.C.; Diéguez, P.M.; Arzamendi, G.; Arana, M.; Gandía, L.M. Gaseous fueling of an adapted commercial automotive spark-ignition engine: Simplified thermodynamic modeling and experimental study running on hydrogen, methane, carbon monoxide and their mixtures. Fuel 2023, 337, 127178. [Google Scholar] [CrossRef]
- Pandey, V.; Badruddin, I.A.; Yunus Khan, T.M. Effect of H2 blends with compressed natural gas on emissions of SI engine having modified ignition timings. Fuel 2022, 321, 123930. [Google Scholar] [CrossRef]









| Biogas (%) | H2 (%) | CH4:CO2:H2 Ratio |
|---|---|---|
| 95 | 5 | 61.75:33.25:5 |
| 90 | 10 | 58.50:31.50:10 |
| 85 | 15 | 55.25:29.75:15 |
| Make Model | Maruti Omni Engine |
|---|---|
| Engine type | Four stroke, spark ignition |
| Engine displacement | 834 cubic centimeter |
| Compression ratio | 8 |
| Rated power | 19.6 horsepower at 4500 RPM |
| Dynamometer | 0–1.2 kN-m; ±3.6 Nm |
| Coriolis flow meter | 0–240 kg/h; ±0–0.24 kg/h |
| K-type thermocouple | ±0.75%; −200–1250 deg. C |
| Horiba exhaust analyzer | CO: 0.02% (v/v); −0.2% to +0.2% uncertainty |
| HC: 1 ppm vol. (0–2000 ppm vol.); −1.3% to +1.3% uncertainty | |
| 10 ppm vol. (2000–10,000 ppm vol.) | |
| CO2: 0.02% (v/v); −0.2% to +0.2% uncertainty | |
| NO: 1 ppm vol.; −1.3% to +1.3% uncertainty |
Disclaimer/Publisher’s Note: The statements, opinions and data contained in all publications are solely those of the individual author(s) and contributor(s) and not of MDPI and/or the editor(s). MDPI and/or the editor(s) disclaim responsibility for any injury to people or property resulting from any ideas, methods, instructions or products referred to in the content. |
© 2023 by the authors. Licensee MDPI, Basel, Switzerland. This article is an open access article distributed under the terms and conditions of the Creative Commons Attribution (CC BY) license (https://creativecommons.org/licenses/by/4.0/).
Share and Cite
Pandey, V.; Shahapurkar, K.H.; Guluwadi, S.; Mengesha, G.A.; Gadissa, B.; Banapurmath, N.R.; Vadlamudi, C.; Krishnappa, S.; Khan, T.M.Y. Studies on the Performance of Engines Powered with Hydrogen-Enriched Biogas. Energies 2023, 16, 4349. https://doi.org/10.3390/en16114349
Pandey V, Shahapurkar KH, Guluwadi S, Mengesha GA, Gadissa B, Banapurmath NR, Vadlamudi C, Krishnappa S, Khan TMY. Studies on the Performance of Engines Powered with Hydrogen-Enriched Biogas. Energies. 2023; 16(11):4349. https://doi.org/10.3390/en16114349
Chicago/Turabian StylePandey, Vivek, Kiran Hanmanthrao Shahapurkar, Suresh Guluwadi, Getinet Asrat Mengesha, Bekele Gadissa, Nagaraj Ramalingayya Banapurmath, Chandramouli Vadlamudi, Sanjay Krishnappa, and T. M. Yunus Khan. 2023. "Studies on the Performance of Engines Powered with Hydrogen-Enriched Biogas" Energies 16, no. 11: 4349. https://doi.org/10.3390/en16114349
APA StylePandey, V., Shahapurkar, K. H., Guluwadi, S., Mengesha, G. A., Gadissa, B., Banapurmath, N. R., Vadlamudi, C., Krishnappa, S., & Khan, T. M. Y. (2023). Studies on the Performance of Engines Powered with Hydrogen-Enriched Biogas. Energies, 16(11), 4349. https://doi.org/10.3390/en16114349

