Indirect Thermographic Temperature Measurement of a Power-Rectifying Diode Die Based on a Heat Sink Thermogram
Abstract
1. Introduction
2. Materials and Methods
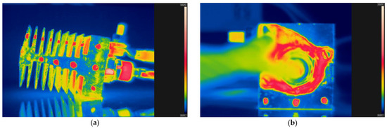
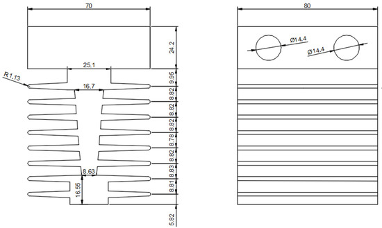
2.1. Thermographic Measurement of the Temperature of the Diode Case and the Heat Sink Surface
2.2. Determining the Dependence between the Case Temperature and the Junction Temperature by Simulating the Temperature Distribution
3. Results
4. Discussion
5. Conclusions
Author Contributions
Funding
Data Availability Statement
Conflicts of Interest
References
- Shanidze, L.V.; Tarasov, A.S.; Rautskiy, M.V.; Zelenov, F.V.; Konovalov, S.O.; Nemtsev, I.V.; Voloshin, A.S.; Tarasov, I.A.; Baron, F.A.; Volkov, N.V. Cu-Doped TiNxOy Thin Film Resistors DC/RF Performance and Reliability. Appl. Sci. 2021, 11, 7498. [Google Scholar] [CrossRef]
- Christodoulou, C.A.; Vita, V.; Mladenov, V.; Ekonomou, L. On the Computation of the Voltage Distribution along the Non-Linear Resistor of Gapless Metal Oxide Surge Arresters. Energies 2018, 11, 3046. [Google Scholar] [CrossRef]
- Jaritz, M.; Hillers, A.; Biela, J. General Analytical Model for the Thermal Resistance of Windings Made of Solid or Litz Wire. IEEE Trans. Power Electron. 2019, 3, 668–684. [Google Scholar] [CrossRef]
- Kim, D.; Nagao, S.; Chen, C.; Wakasugi, N.; Yamamoto, Y.; Suetake, A.; Takemasa, T.; Sugahara, T.; Saganuma, K. Online Thermal Resistance and Reliability Characteristic Monitoring of Power Modules With Ag Sinter Joining and Pb, Pb-Free Solders During Power Cycling Test by SiC TEG Chip. IEEE Trans. Power Electron. 2021, 36, 4977–4990. [Google Scholar] [CrossRef]
- Liu, C.; Sun, Q.; Dai, W.; Ren, Z.; Li, G.; Yu, F. A Method of Camera Calibration Based on Kriging Interpolation. IEEE Access 2021, 9, 153540–153547. [Google Scholar] [CrossRef]
- Jiang, Z.; Yan, C.; Yu, J. Efficient methods with higher order interpolation and MOOD strategy for compressible turbulence simulations. J. Comput. Phys. 2018, 371, 528–550. [Google Scholar] [CrossRef]
- Li, J.; Yang, S.; Pu, Y.; Zhu, D. Effects of pre-calcination and sintering temperature on the microstructure and electrical properties of ZnO-based varistor ceramic. Mater. Sci. Semicond. Process. 2021, 123, 105529. [Google Scholar] [CrossRef]
- Górecki, P.; Górecki, K. Pomiary i obliczenia temperatur wewnętrznych tranzystora IGBT i diody umieszczonej we wspólnej obudowie. Elektronika 2021, 10, 210. [Google Scholar]
- Megherbi, M.L.; Pezzimenti, F.; Dehimi, L.; Saadoune, M.A.; Della Corte, F.G. Analysis of Trapping Effects on the Forward Current–Voltage Characteristics of Al-Implanted 4H-SiC p-i-n Diodes. IEEE Trans. Electron. Devices 2018, 65, 3371–3378. [Google Scholar] [CrossRef]
- Lopes, A.M.G.; Costa, V.A.F. Improved Radial Plane Fins Heat Sink for Light-Emitting Diode Lamps Cooling. ASME J. Thermal Sci. Eng. Appl. 2020, 12, 041012. [Google Scholar] [CrossRef]
- Praveen, A.S.; Jithin, R.; Naveen-Kumar, K.; Baby, M. Analysis of thermal and optical characteristics of light-emitting diode on various heat sinks. Int. J. Ambient. Energy 2021, 42, 854–859. [Google Scholar] [CrossRef]
- Bechir Ben Hamida, M.; Almeshaal, M.A.; Hajlaoui, K.; Rothan, Y.A. A three-dimensional thermal management study for cooling a square Light Edding Diode. Case Stud. Therm. Eng. 2021, 27, 10122. [Google Scholar] [CrossRef]
- Safaei, M.R.; Karimipour, A.; Abdollahi, A.; Nguyen, T.K. The investigation of thermal radiation and free convection heat transfer mechanisms of nanofluid inside a shallow cavity by lattice Boltzmann method. Phys. A Stat. Mech. Appl. 2018, 509, 515–535. [Google Scholar] [CrossRef]
- Yahyaee, A.; Bahman, A.S.; Blaabjerg, F. Modyfikacja radiatora z przesuniętą listwą z wysokowydajnym chłodzeniem dla modułów IGBT. Zał. Nauka. 2020, 10, 1112. [Google Scholar]
- Gilbert, C.L. Warehouse load-out queues and aluminum prices. J. Commod. Mark. 2022, 28, 100243. [Google Scholar] [CrossRef]
- Kim, S.Y.; Jo, H.R.; Cho, S.; Lee, I.B. Estimation of Junction Temperature in a Two-Level Insulated-Gate Bipolar Transistor Inverter for Motor Drives. J. Electr. Eng. Technol. 2022, 17, 1111–1119. [Google Scholar] [CrossRef]
- Dziarski, K.; Hulewicz, A.; Dombek, G.; Drużyński, Ł. Indirect Thermographic Temperature Measurement of a Power-Rectifying Diode Die. Energies 2022, 15, 3203. [Google Scholar] [CrossRef]
- Yang, F.; Ugur, E.; Akin, B. Evaluation of Aging’s Effect on Temperature-Sensitive Electrical Parameters in SiC mosfets. IEEE Trans. Power Electron. 2020, 35, 6315–6331. [Google Scholar] [CrossRef]
- Lamuadni, B.; El Bouayadi, R.; Amine, A.; Zejli, D. Design and Development of a Measurement System Dedicated to Estimate the Junction Temperature of Insulated Gate Bipolar Transistor Modules. Int. J. Eng. Res. Afr. 2022, 60, 89–106. [Google Scholar] [CrossRef]
- Kałuża, M.; Więcek, B.; De Mey, G.; Hatzopoulos, A.; Chatziathanasiou, V. Thermal impedance measurement of integrated inductors on bulk silicon substrate. J. Microelectron. Reliab. 2017, 73, 54–59. [Google Scholar] [CrossRef]
- Więcek, B.; De Mey, G. Thermovision in Infrared–Basics and Applications; Measurement Automation Monitoring Publishing House: Warszawa, Poland, 2011. [Google Scholar]
- Minkina, W.; Dudzik, S. Infrared Thermography: Errors and Uncertainties; John Wiley & Sons: Hoboken, NJ, USA, 2009. [Google Scholar]
- Jung, G. A low-power embedded poly-Si micro-heater for gas sensor platform based on a FET transducer and its application for NO2 sensing. Sens. Actuators B Chem. 2021, 334, 129642. [Google Scholar] [CrossRef]
- Moure, A. In situ thermal runaway of Si-based press-fit diodes monitored by infrared thermography. Results Phys. 2020, 19, 103529. [Google Scholar] [CrossRef]
- Kandeal, A.W. Infrared thermography-based condition monitoring of solar photovoltaic systems: A mini review of recent advances. Sol. Energy 2021, 223, 33–43. [Google Scholar] [CrossRef]
- Aumeunier, M.H. Infrared thermography in metallic environments of WEST and ASDEX Upgrade. Nucl. Mater. Energy 2021, 26, 100879. [Google Scholar] [CrossRef]
- Dziarski, K.; Hulewicz, A.; Dombek, G.; Frąckowiak, R.; Wiczyński, G. Unsharpness of Thermograms in Thermography Diagnostics of Electronic Elements. Electronics 2020, 9, 897. [Google Scholar] [CrossRef]
- Van Erp, R.; Soleimanzadeh, R.; Nela, L. Co-designing electronics with microfluidics for more sustainable cooling. Nature 2020, 585, 211–216. [Google Scholar] [CrossRef]
- Nishi, K. Research on Package Thermal Resistance of Power Semiconductor Devices. In Proceedings of the 35th Semiconductor Thermal Measurement, Modeling and Management Symposium (SEMI-THERM), San Jose, CA, USA, 18–22 March 2019; pp. 61–65. [Google Scholar]
- Gao, J.; Wang, S.; Wang, J. Thermal Resistance Model of Packaging for RF High Power Devices. In Proceedings of the 2020 International Conference on Microwave and Millimeter Wave Technology (ICMMT), Shanghai, China, 20–23 September 2020; pp. 1–3. [Google Scholar]
- Kawor, E.T.; Mattei, S. Emissivity measurements for nexel velvet coating 811-21 between −36 °C and 82 °C, 15 ECTP Proceedings. High Temp. High Press. 1999, 31, 551–556. [Google Scholar]
- Khrapak, S.; Khrapak, A. Prandtl Number in Classical Hard-Sphere and One-Component Plasma Fluids. Molecules 2021, 26, 821. [Google Scholar] [CrossRef]
- Aminu, Y.; Ballikaya, S. Thermal resistance analysis of trapezoidal concentrated photovoltaic–Thermoelectric systems. Energy Convers. Manag. 2021, 250, 114908. [Google Scholar]
- Staton, D.A.; Cavagnino, A. Convection heat transfer and flow calculations suitable for electric machines thermal models. IEEE Trans. Ind. Electron. 2008, 55, 3509–3516. [Google Scholar] [CrossRef]
- Ghahfarokhi, P.S. Determination of Forced Convection Coefficient over a Flat Side of Coil. In Proceedings of the 2017 IEEE 58th International Scientific Conference on Power and Electrical Engineering of Riga Technical University (RTUCON), Riga, Latvia, 12–13 October 2017. [Google Scholar]
- Strakowska, M.; Chatzipanagiotou, P.; De Mey, G.; Chatziathanasiou, V.; Wiecek, B. Novel software for medical and technical Thermal Object Identification (TOI) using dynamic temperature measurements by fast IR cameras. In Proceedings of the 14th Quantitative Infrared Thermography Conference (QIRT), Berlin, Germany, 25–29 June 2018; pp. 531–538. [Google Scholar]
- Ziegeler, N.J.; Peter, W.; Schweizer, S. Thermographic network identification for transient thermal heat path analysis. Quant. InfraRed Thermogr. J. 2022, 1–13. [Google Scholar] [CrossRef]
- Cysewska-Sobusiak, A. Podstawy Metrologii I Inżynierii Pomiarowej; Wydawnictwo Politechniki Poznańskiej: Poznań, Poland, 2010. [Google Scholar]
- Hulewicz, A.; Dziarski, K.; Dombek, G. The Solution for the Thermographic Measurement of the Temperature of a Small Object. Sensors 2021, 21, 5000. [Google Scholar] [CrossRef] [PubMed]
- UT201 Case Dimensions. Available online: https://download.kamami.pl/p233227-manual-mie0068_1.pdf (accessed on 13 September 2022).
- UT55 Case Dimensions. Available online: https://www.tme.eu/Document/24340c7bb5538e92d20232024953fd56/INB-MIER-PL.pdf (accessed on 13 September 2022).
- Dziarski, K.; Hulewicz, A.; Dombek, G. Thermographic Measurement of the Temperature of Reactive Power Compensation Capacitors. Energies 2021, 14, 5736. [Google Scholar] [CrossRef]
- Li, H. The Finite Element Method. In Graded Finite Element Methods for Elliptic Problems in Nonsmooth Domains; Springer: Cham, Switzerland, 2022; Volume 10, pp. 1–12. [Google Scholar]
- Feng, S.Z.; Cui, X.Y.; Li, G.Y. Transient thermal mechanical analyses using a face-based smoothed finite element method (FS-FEM). Int. J. Therm. Sci. 2013, 74, 95–103. [Google Scholar] [CrossRef]
- Devloo, P.R.B.; Bravo, C.M.A.A.; Rylo, E.C. Systematic and generic construction of shape functions for p-adaptive meshes of multidimensional finite elements. Comput. Methods Appl. Mech. Eng. 2009, 198, 1716–1725. [Google Scholar] [CrossRef]
- Numerical Techniques in Modern TCAD. Ph.D. Thesis, Technische Universität Wien, Vienna, Austria. Available online: https://www.iue.tuwien.ac.at/phd-theses/ (accessed on 27 November 2022).
- Pomiar Przewodnictwa Cieplnego Metali Metodą Angströma Michał Urbański. Available online: http://www.if.pw.edu.pl/~murba/przewodnictwo_cieplne.pdf (accessed on 5 October 2022).
- Ghahfarokhi, S. Determination of heat transfer coefficient from housing surface of a totally enclosed fan-cooled machine during passive cooling. Machines 2021, 9, 120. [Google Scholar] [CrossRef]






















| Shape | alam | blam | aturb | bturb | |
|---|---|---|---|---|---|
| Vertical flat wall | 109 | 0.59 | 0.25 | 0.129 | 0.33 |
| Upper flat wall | 108 | 0.54 | 0.25 | 0.14 | 0.33 |
| Lower flat wall | 105 | 0.25 | 0.25 | Na | Na |
| Point Number | Pj = 11.56 (W) | Pj = 28.80 (W) | Pj = 49.61 (W) | ||||
|---|---|---|---|---|---|---|---|
| Material | [-] | hc [-] | [-] | hc [-] | [-] | hc [-] | |
| 1 | Polished aluminum | 0.12 | 10.35 | 0.12 | 13.74 | 0.11 | 16.34 |
| 2 | Porcelain | 0.90 | 7.28 | 0.90 | 27.32 | 0.87 | 32.13 |
| 3 | Oxidized aluminum | 0.07 | 24.72 | 0.07 | 20.94 | 0. 07 | 24.92 |
| 4 | Copper | 0.09 | 20.11 | 0.09 | 22.65 | 0.09 | 26.79 |
| 5 | Old aluminum | 0.44 | 19.10 | 0.24 | 22.36 | 0.21 | 25.42 |
| 6 | Old aluminum | 0.44 | 19.20 | 0.24 | 22.48 | 0.21 | 25.63 |
| 7 | Old aluminum | 0.44 | 19.16 | 0.24 | 22.40 | 0.21 | 25.43 |
| 8 | Old aluminum | 0.44 | 19.10 | 0.24 | 22.31 | 0.21 | 25.27 |
| 9 | Old aluminum | 0.44 | 32.23 | 0.24 | 37.75 | 0.21 | 42.91 |
| 10 | Old aluminum | 0.44 | 32.12 | 0.24 | 37.59 | 0.21 | 43.21 |
| 11 | Old aluminum | 0.44 | 31.65 | 0.24 | 37.01 | 0.21 | 42.29 |
| 12 | Old aluminum | 0.44 | 35.65 | 0.24 | 41.71 | 0.21 | 47.49 |
| 13 | Old aluminum | 0.44 | 36.70 | 0.24 | 42.90 | 0.21 | 48.81 |
| 14 | Old aluminum | 0.44 | 37.57 | 0.24 | 43.90 | 0.21 | 49.93 |
| 15 | Old aluminum | 0.44 | 38.57 | 0.24 | 44.74 | 0.21 | 50.88 |
| 16 | Old aluminum | 0.44 | 38.30 | 0.24 | 44.19 | 0.21 | 50.44 |
| 17 | Old aluminum | 0.44 | 33.13 | 0.24 | 38.49 | 0.21 | 43.80 |
| 18 | Old aluminum | 0.44 | 32.97 | 0.24 | 38.10 | 0.21 | 43.90 |
| 19 | Old aluminum | 0.44 | 74.18 | 0.24 | 86.50 | 0.21 | 99.34 |
| 20 | Old aluminum | 0.44 | 72.61 | 0.24 | 88.77 | 0.21 | 100.50 |
| 21 | Old aluminum | 0.44 | 74.07 | 0.24 | 87.01 | 0.21 | 99.82 |
| 22 | Old aluminum | 0.44 | 73.95 | 0.24 | 87.01 | 0.21 | 99.78 |
| Point Number | Pj = 74.36 (W) | Pj = 117.99 (W) | |||
|---|---|---|---|---|---|
| Material | [-] | hc [-] | [-] | hc [-] | |
| 1 | Polished aluminum | 0.11 | 17.07 | 0.11 | 18.21 |
| 2 | Porcelain | 0.87 | 34.74 | 0.87 | 37.38 |
| 3 | Oxidized aluminum | 0.07 | 26.37 | 0.07 | 28.61 |
| 4 | Copper | 0.09 | 28.76 | 0.09 | 31.02 |
| 5 | Old aluminum | 0.18 | 27.20 | 0.16 | 29.50 |
| 6 | Old aluminum | 0.18 | 27.36 | 0.16 | 29.58 |
| 7 | Old aluminum | 0.18 | 27.20 | 0.16 | 29.26 |
| 8 | Old aluminum | 0.18 | 27.02 | 0.16 | 29.08 |
| 9 | Old aluminum | 0.18 | 46.00 | 0.16 | 49.95 |
| 10 | Old aluminum | 0.18 | 45.70 | 0.16 | 49.76 |
| 11 | Old aluminum | 0.18 | 45.21 | 0.16 | 48.72 |
| 12 | Old aluminum | 0.18 | 50.64 | 0.16 | 54.74 |
| 13 | Old aluminum | 0.18 | 51.95 | 0.16 | 56.07 |
| 14 | Old aluminum | 0.18 | 53.24 | 0.16 | 57.58 |
| 15 | Old aluminum | 0.18 | 54.17 | 0.16 | 58.13 |
| 16 | Old aluminum | 0.18 | 53.74 | 0.16 | 57.68 |
| 17 | Old aluminum | 0.18 | 46.35 | 0.16 | 49.97 |
| 18 | Old aluminum | 0.18 | 45.98 | 0.16 | 49.75 |
| 19 | Old aluminum | 0.18 | 105.57 | 0.16 | 114.36 |
| 20 | Old aluminum | 0.18 | 107.05 | 0.16 | 117.91 |
| 21 | Old aluminum | 0.18 | 105.94 | 0.16 | 114.90 |
| 22 | Old aluminum | 0.18 | 105.85 | 0.16 | 113.94 |
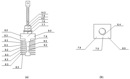
| Point Number | Pj = 11.56 (W) | Pj = 28.80 (W) | Pj = 49.61 (W) | |||
|---|---|---|---|---|---|---|
| TS (°C) | TC (°C) | TS (°C) | TC (°C) | TS (°C) | TC (°C) | |
| 1 | 28.8 | 28.3 | 45.9 | 45.8 | 70.7 | 71.6 |
| 2 | 35.5 | 36.3 | 47.0 | 47.3 | 72.0 | 72.2 |
| 3 | 39.1 | 37.8 | 51.9 | 51.2 | 78.3 | 76.5 |
| 4 | 41.5 | 41.6 | 54.2 | 54.7 | 87.8 | 87.9 |
| 5 | 35.4 | 35.2 | 49.7 | 48.6 | 68.9 | 67.7 |
| 6 | 35.2 | 35.5 | 49.5 | 49.2 | 68.8 | 69.3 |
| 7 | 35.1 | 35.4 | 47.8 | 48.8 | 68.0 | 67.8 |
| 8 | 34.9 | 35.2 | 47.4 | 48.3 | 67.8 | 66.6 |
| 9 | 35.1 | 35.4 | 49.7 | 49.0 | 68.2 | 68.4 |
| 10 | 35.1 | 35.2 | 49.7 | 48.5 | 68.3 | 69.8 |
| 11 | 34.8 | 35.5 | 48.4 | 48.6 | 68.1 | 68.7 |
| 12 | 34.8 | 35.4 | 47.9 | 48.5 | 68.1 | 67.9 |
| 13 | 34.8 | 35.3 | 47.4 | 48.6 | 68.0 | 67.9 |
| 14 | 34.9 | 35.3 | 46.9 | 48.5 | 68.0 | 67.7 |
| 15 | 34.8 | 35.2 | 46.4 | 47.5 | 67.8 | 66.0 |
| 16 | 34.8 | 35.3 | 45.9 | 47.1 | 67.4 | 66.0 |
| 17 | 34.8 | 35.1 | 45.7 | 47.5 | 66.9 | 66.1 |
| 18 | 34.8 | 34.8 | 45.5 | 46.4 | 66.7 | 64.8 |
| 19 | 36.7 | 35.8 | 49.4 | 49.2 | 69.1 | 70.8 |
| 20 | 35.1 | 34.5 | 51.4 | 52.4 | 72.3 | 73.2 |
| 21 | 35.6 | 35.7 | 49.3 | 49.9 | 69.9 | 71.8 |
| 22 | 35.3 | 35.6 | 49.8 | 49.9 | 69.8 | 71.7 |
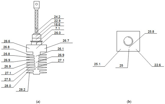
| Point Number | Pj = 74.36 (W) | Pj = 117.99 (W) | ||
|---|---|---|---|---|
| TS (°C) | TC (°C) | TS (°C) | TC (°C) | |
| 1 | 83.1 | 81.5 | 98.2 | 99.5 |
| 2 | 88.9 | 91.3 | 113.9 | 115.6 |
| 3 | 99.1 | 98.5 | 127.1 | 128.7 |
| 4 | 110.6 | 110.2 | 143.9 | 142.2 |
| 5 | 83.6 | 82.5 | 104.9 | 106.6 |
| 6 | 83.8 | 84.0 | 104.9 | 107.5 |
| 7 | 82.7 | 82.5 | 103.2 | 103.7 |
| 8 | 82.2 | 80.9 | 102.9 | 101.7 |
| 9 | 83.1 | 83.9 | 106.8 | 108.9 |
| 10 | 83.1 | 82.3 | 105,9 | 107.5 |
| 11 | 82.8 | 83.6 | 104.1 | 105.8 |
| 12 | 82.7 | 81.9 | 103.5 | 104.5 |
| 13 | 82.6 | 81.5 | 103.0 | 103.4 |
| 14 | 82.6 | 81.7 | 102.7 | 104.4 |
| 15 | 82.1 | 79.1 | 102.0 | 98.4 |
| 16 | 82.0 | 79.3 | 101.3 | 98.7 |
| 17 | 81.9 | 77.8 | 100.8 | 98.0 |
| 18 | 81.5 | 76.0 | 99.9 | 96.7 |
| 19 | 83.8 | 84.8 | 106.9 | 109.2 |
| 20 | 89.3 | 88.5 | 122.4 | 120.8 |
| 21 | 84.5 | 85.7 | 107.1 | 110.9 |
| 22 | 84.1 | 85.5 | 104.9 | 107.9 |
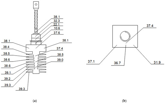
| Point Number | Pj = 11.56 (W) | Pj = 28.80 (W) | Pj = 49.61 (W) | ||||||
|---|---|---|---|---|---|---|---|---|---|
| Tj (°C) | TS (°C) | Tj − TS (°C) | Tj (°C) | TS (°C) | Tj − TS (°C) | Tj (°C) | TS (°C) | Tj − TS (°C) | |
| 1 | 43.1 | 28.8 | 14.3 | 59.4 | 45.9 | 13.5 | 94.9 | 70.7 | 24.2 |
| 2 | 43.1 | 35.5 | 7.6 | 59.4 | 47.0 | 12.4 | 94.9 | 72.0 | 22.9 |
| 3 | 43.1 | 39.1 | 4.0 | 59.4 | 51.9 | 7.5 | 94.9 | 78.3 | 16.6 |
| 4 | 43.1 | 41.5 | 1.6 | 59.4 | 54.2 | 5.2 | 94.9 | 87.8 | 7.1 |
| 5 | 43.1 | 35.4 | 7.7 | 59.4 | 49.7 | 9.7 | 94.9 | 68.9 | 26.0 |
| 6 | 43.1 | 35.2 | 7.9 | 59.4 | 49.5 | 9.9 | 94.9 | 68.8 | 26.1 |
| 7 | 43.1 | 35.1 | 8.0 | 59.4 | 47.8 | 11.6 | 94.9 | 68.0 | 26.9 |
| 8 | 43.1 | 34.9 | 8.2 | 59.4 | 47.4 | 12.0 | 94.9 | 67.8 | 27.1 |
| 9 | 43.1 | 35.1 | 8.0 | 59.4 | 49.7 | 9.7 | 94.9 | 68.2 | 26.7 |
| 10 | 43.1 | 35.1 | 8.0 | 59.4 | 49.7 | 9.7 | 94.9 | 68.3 | 26.6 |
| 11 | 43.1 | 34.8 | 8.3 | 59.4 | 48.4 | 11.0 | 94.9 | 68.1 | 26.8 |
| 12 | 43.1 | 34.8 | 8.3 | 59.4 | 47.9 | 11.5 | 94.9 | 68.1 | 26.8 |
| 13 | 43.1 | 34.8 | 8.3 | 59.4 | 47.4 | 12.0 | 94.9 | 68.0 | 26.9 |
| 14 | 43.1 | 34.9 | 8.2 | 59.4 | 46.9 | 12.5 | 94.9 | 68.0 | 26.9 |
| 15 | 43.1 | 34.8 | 8.3 | 59.4 | 46.4 | 13.0 | 94.9 | 67.8 | 27.1 |
| 16 | 43.1 | 34.8 | 8.3 | 59.4 | 45.9 | 13.5 | 94.9 | 67.4 | 27.5 |
| 17 | 43.1 | 34.8 | 8.3 | 59.4 | 45.7 | 13.7 | 94.9 | 66.9 | 28.0 |
| 18 | 43.1 | 34.8 | 8.3 | 59.4 | 45.5 | 13.9 | 94.9 | 66.7 | 28.2 |
| 19 | 43.1 | 36.7 | 6.4 | 59.4 | 49.4 | 10.0 | 94.9 | 69.1 | 25.8 |
| 20 | 43.1 | 35.1 | 8.0 | 59.4 | 51.4 | 8.0 | 94.9 | 72.3 | 22.6 |
| 21 | 43.1 | 35.6 | 7.5 | 59.4 | 49.3 | 10.1 | 94.9 | 69.9 | 25.0 |
| 22 | 43.1 | 35.3 | 7.8 | 59.4 | 49.8 | 9.6 | 94.9 | 69.8 | 25.1 |
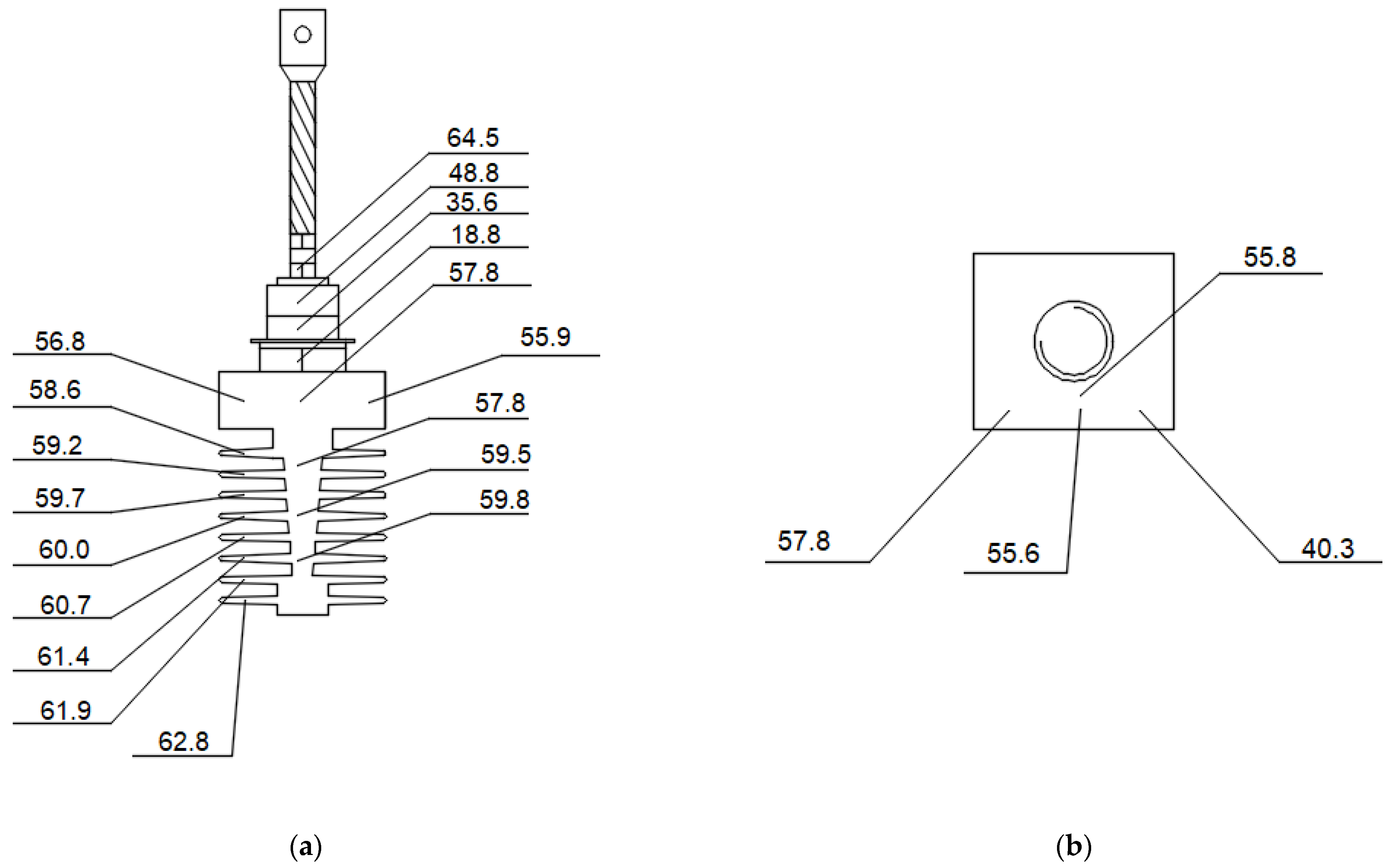
| Point Number | Tj = 74.36 (W) | Pj = 117.99 (W) | ||||
|---|---|---|---|---|---|---|
| Tj (°C) | TS (°C) | Tj − TS (°C) | Tj (°C) | TS (°C) | Tj − TS (°C) | |
| 1 | 121.2 | 83.1 | 38.1 | 162.7 | 98.2 | 64.5 |
| 2 | 121.2 | 88.9 | 32.3 | 162.7 | 113.9 | 48.8 |
| 3 | 121.2 | 99.1 | 22.1 | 162.7 | 127.1 | 35.6 |
| 4 | 121.2 | 110.6 | 10.6 | 162.7 | 143.9 | 18.8 |
| 5 | 121.2 | 83.6 | 37.6 | 162.7 | 104.9 | 57.8 |
| 6 | 121.2 | 83.8 | 37.4 | 162.7 | 104.9 | 57.8 |
| 7 | 121.2 | 82.7 | 38.5 | 162.7 | 103.2 | 59.5 |
| 8 | 121.2 | 82.2 | 39.0 | 162.7 | 102.9 | 59.8 |
| 9 | 121.2 | 83.1 | 38.1 | 162.7 | 106.8 | 55.9 |
| 10 | 121.2 | 83.1 | 38.1 | 162.7 | 105,9 | 56.8 |
| 11 | 121.2 | 82.8 | 38.4 | 162.7 | 104.1 | 58.6 |
| 12 | 121.2 | 82.7 | 38.5 | 162.7 | 103.5 | 59.2 |
| 13 | 121.2 | 82.6 | 38.6 | 162.7 | 103.0 | 59.7 |
| 14 | 121.2 | 82.6 | 38.6 | 162.7 | 102.7 | 60.0 |
| 15 | 121.2 | 82.1 | 39.1 | 162.7 | 102.0 | 60.7 |
| 16 | 121.2 | 82.0 | 39.2 | 162.7 | 101.3 | 61.4 |
| 17 | 121.2 | 81.9 | 39.3 | 162.7 | 100.8 | 61.9 |
| 18 | 121.2 | 81.5 | 39.7 | 162.7 | 99.9 | 62.8 |
| 19 | 121.2 | 83.8 | 37.4 | 162.7 | 106.9 | 55.8 |
| 20 | 121.2 | 89.3 | 31.9 | 162.7 | 122.4 | 40.3 |
| 21 | 121.2 | 84.5 | 36.7 | 162.7 | 107.1 | 55.6 |
| 22 | 121.2 | 84.1 | 37.1 | 162.7 | 104.9 | 57.8 |
Disclaimer/Publisher’s Note: The statements, opinions and data contained in all publications are solely those of the individual author(s) and contributor(s) and not of MDPI and/or the editor(s). MDPI and/or the editor(s) disclaim responsibility for any injury to people or property resulting from any ideas, methods, instructions or products referred to in the content. |
© 2022 by the authors. Licensee MDPI, Basel, Switzerland. This article is an open access article distributed under the terms and conditions of the Creative Commons Attribution (CC BY) license (https://creativecommons.org/licenses/by/4.0/).
Share and Cite
Dziarski, K.; Hulewicz, A.; Drużyński, Ł.; Dombek, G. Indirect Thermographic Temperature Measurement of a Power-Rectifying Diode Die Based on a Heat Sink Thermogram. Energies 2023, 16, 332. https://doi.org/10.3390/en16010332
Dziarski K, Hulewicz A, Drużyński Ł, Dombek G. Indirect Thermographic Temperature Measurement of a Power-Rectifying Diode Die Based on a Heat Sink Thermogram. Energies. 2023; 16(1):332. https://doi.org/10.3390/en16010332
Chicago/Turabian StyleDziarski, Krzysztof, Arkadiusz Hulewicz, Łukasz Drużyński, and Grzegorz Dombek. 2023. "Indirect Thermographic Temperature Measurement of a Power-Rectifying Diode Die Based on a Heat Sink Thermogram" Energies 16, no. 1: 332. https://doi.org/10.3390/en16010332
APA StyleDziarski, K., Hulewicz, A., Drużyński, Ł., & Dombek, G. (2023). Indirect Thermographic Temperature Measurement of a Power-Rectifying Diode Die Based on a Heat Sink Thermogram. Energies, 16(1), 332. https://doi.org/10.3390/en16010332

