Current Electromagnetic Compatibility Problems of High-Power Industrial Electric Drives with Active Front-End Rectifiers Connected to a 6–35 kV Power Grid: A Comprehensive Overview
Abstract
1. Introduction
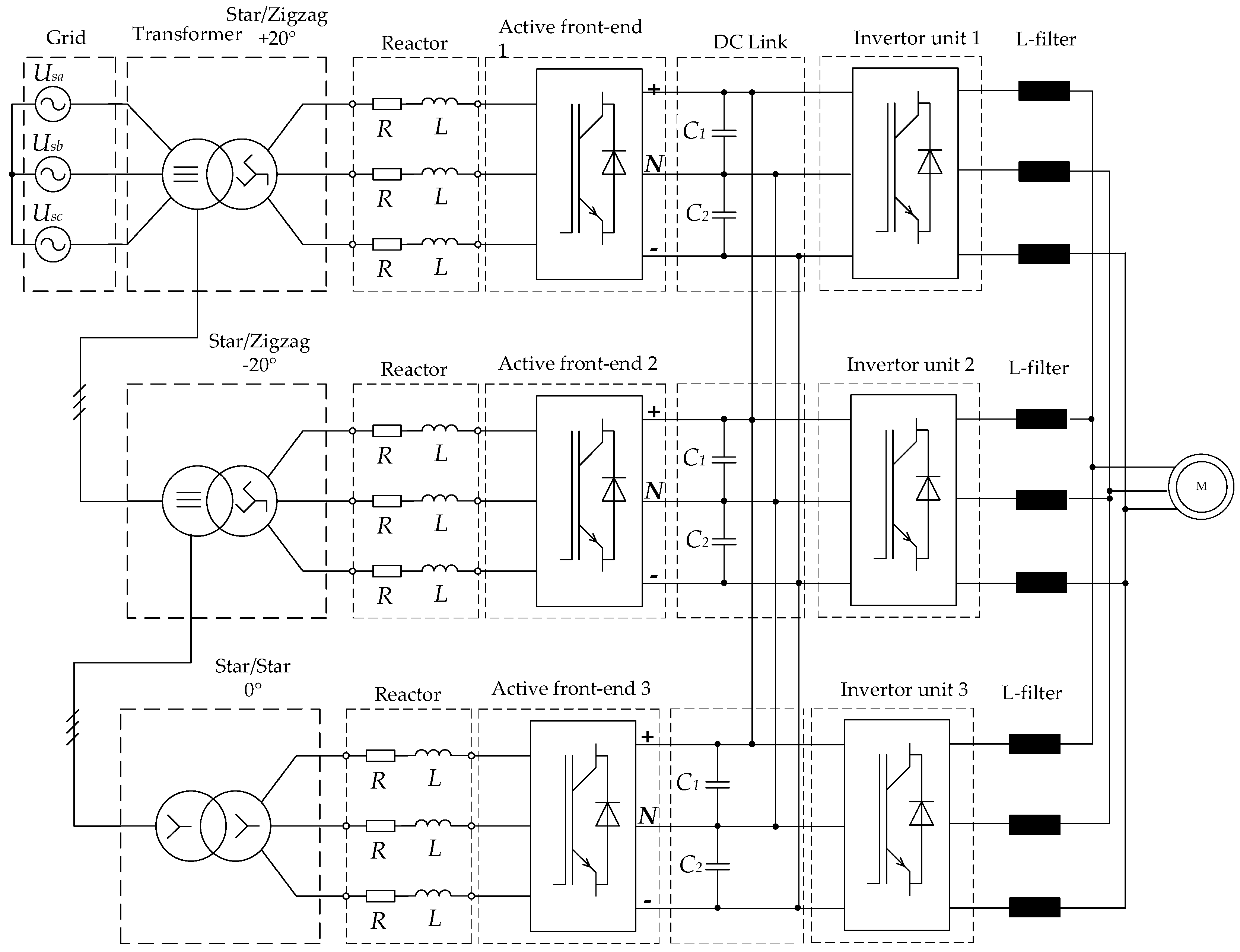
2. The Features of the Electric Power Equipment and the Power Systems of FC-AFEs within High-Power Industrial Electric Drives
3. Constructing Frequency Converter Control Systems with AFE Rectifiers: The Analysis of the Existing PWM Algorithms for AFE Rectifiers
4. The Existing Problems with the Electromagnetic Compatibility of FC-AFEs and the 6–35 kV Power Grid at Metal Plants
5. The Existing FC-AFE Electromagnetic Compatibility Assurance Methods and Their Drawbacks
- -
- selecting one section of the workshop MSDS (the “dirty” section) that will energize high-power frequency converters (Figure 20). This method is highly efficient as it isolates the source of interference from the sensitive equipment;
- -
- preventing the energizing of zero-load 10 kV cable lines (limited effect of the resonance extreme shift).
6. The Use of Adaptive PWM Algorithms and Specialized Passive Filters as the Most Efficient EMC-Assurance Methods for High-Power Industrial Electric Drives Based on FC-AFEs with a 6–35 kV Power Grid
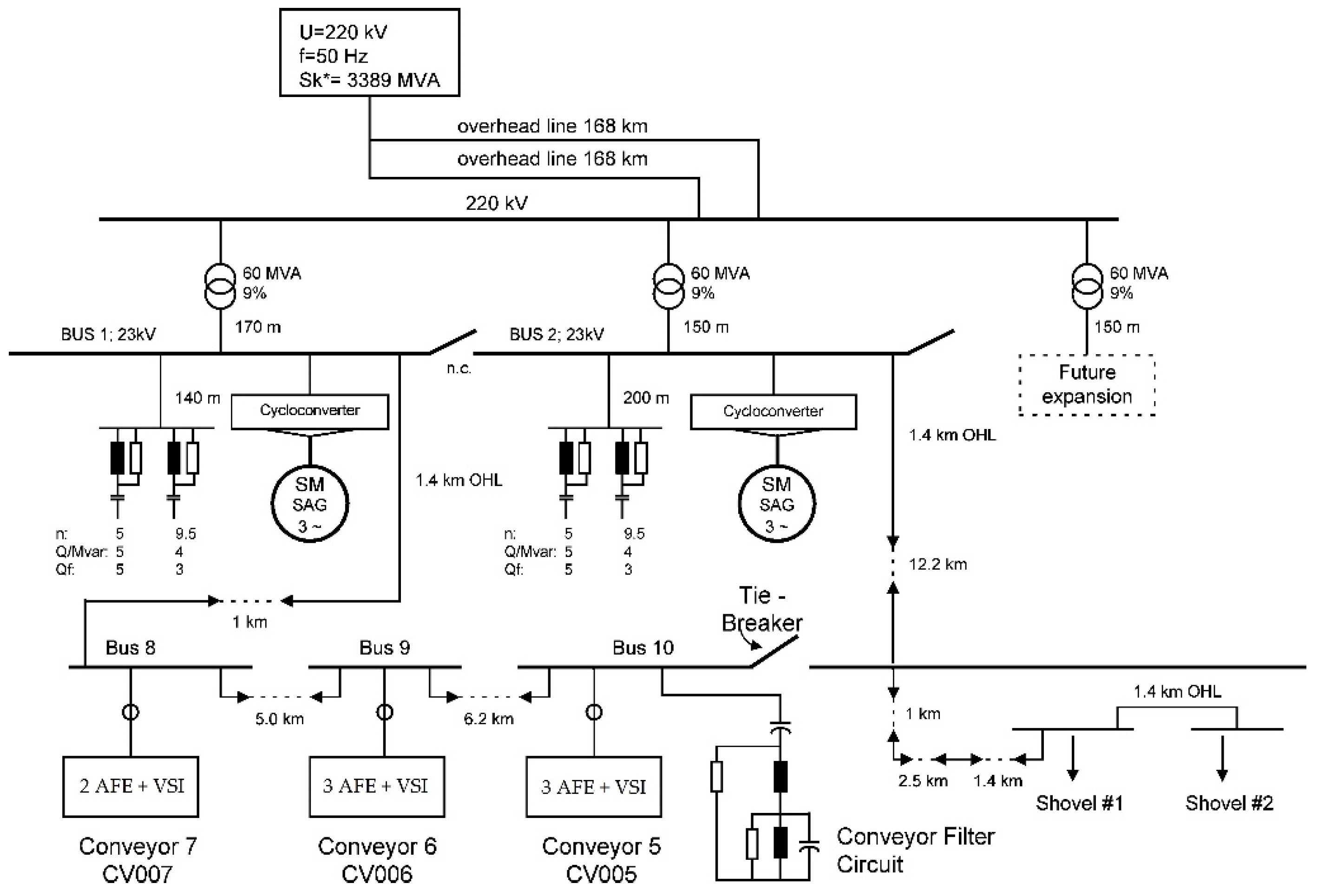
- The PWM controller of the stand 1 electric drive AFE implements the PWM algorithm with selective elimination of harmonics 5 and 7 with 3 switchings over a quarter period. As a result, the harmonic range of the consumed current features the significant amplitude harmonics n = 11, 13, 19, 23, and 29 that fall into the main resonance region of the 10 kV grid frequency response relative to the 10 kV sections of MSDS and are amplified in phase and line grid voltages.
- For the AFE electric drives of stands 2 and 4, we used the PWM algorithm with the selective elimination of harmonics n = 5, 7, 11, 13, 17, and 19 with 7 switchings over a quarter period. Considering that this FC-AFE has a 12-pulse power circuit, the use of the PWM algorithm with eliminated harmonics n = 5, 7, 17, and 19 in the current at the converter input is not feasible, as this does not allow for the automated elimination of these harmonics with the 12-pulse power supply circuit. In addition, the currents consumed from the 10 kV grid feature significant harmonics n = 23, 25, 35, and 37, and others that fall into the main resonance region in the 10 kV grid frequency response relative to the 10 kV sections of MSDS-2 with subsequent amplification in the grid voltage.
- The consumed AFE current of stand 3 features harmonics n = 11, 13, 23, 25, 35, 37, etc., that are not typical of the 12-pulse rectification circuit. Since this AR uses PWM with seven switchings over a quarter period, the PWM settings used are not optimal.
- The AFE of the pulling reel electric drive uses PWM with selective harmonic elimination and nine switchings. The consumed power features harmonics n = 23, 29, etc., fall into the main resonance region in the 10 kV grid frequency response relative to the 10 kV sections of MSDS. Considering that, with nine switchings, it is possible to completely eliminate eight significant harmonics, n = 5, 7, 11, 13, 17, 19, 23, and 25. Thus, the current PWM settings are not optimal.
- (1)
- changing the number of IGCT switchings of the electric drive AFE in stand 1 from three to nine over a quarter period (changing the IGCT thyristor switching frequency from 150 Hz to 450 Hz);
- (2)
- keeping the number of IGCT switchings of the electric drive AFE in stands 2, 3, and 4 at seven per quarter period (350 Hz);
- (3)
- replacing the tables with thyristor switching angles in the PWM controllers of all AFE rectifiers with new ones, assuring the elimination of harmonics n = 5, 7, 11, 13, 17, 19, 23, and 25 for the AFE electric drive in stand 1 and the pulling reel, as well as harmonics n = 11, 13, 23, 25, 35, and 37 for the AFE electric drive in stands 2, 3, and 4.
7. Conclusions
- The 6–35 kV factory distribution grids that have medium-voltage high-power electric drives with FC-AFEs as consumers may bring about conditions for significant distortion of the voltage shape at the common coupling point for the consumers. These conditions include the presence of resonant phenomena in the power grid caused by the interactions between the inductance and capacity of specific elements, and the overlapping of the frequencies of the grid resonance and the higher harmonics generated by FC-AFEs.
- These problems cannot be identified at the design stage of power grid and electric drive systems. Converter manufacturers keep silent about the real harmonic spectrum of currents and voltages at the FC-AFE input for promotion purposes. The harmonic components of currents and voltages are only accounted for until the 40–50th harmonics due to the shortcomings of the documents regulating the quality of electric power. The EMC problems of FC-AFEs only become obvious after the equipment commissioning.
- The existing EMC-assurance methods for FC-AFEs and the power grid do not account for the non-linearity of the frequency response of the 6–35 kV grids. Therefore, the conventional methods of assuring the set electric power quality may be useless with FC-AFEs. One exception is the establishment of a “dirty section” within the company MSDS, which might not always be done at an operating production facility.
- To improve the quality of 6–35 kV voltage at the common coupling point of consumers when FC-AFEs are operated in grids with resonant phenomena, we suggested the following alternative solutions: using specialized adjustment filters that help reduce the extreme in the frequency response of the 6–35 kV grids and shift it towards the main harmonic at the same time, and the use of the adaptive AFEPWM algorithms that eliminate or mitigate FC-AFE harmonics around the frequency response resonance. These EMC improvement methods for FC-AFEs and the power grid proved to be highly efficient for the active equipment of metal plants in Russia.
Author Contributions
Funding
Institutional Review Board Statement
Informed Consent Statement
Data Availability Statement
Conflicts of Interest
Nomenclature
| AC | Alternative current |
| AFE | Active front-end |
| CRM | Cold-rolling mill |
| DC | Direct current |
| EFS | Electric-furnace shop |
| EMC | Electromagnetic compatibility |
| FC-AFE | Frequency converter with active front-end |
| FPPC | Fixed pulse pattern control |
| FWB | Fast wire block |
| HSM | Hot strip mill |
| HSWR | High speed wire rod |
| IGBT | Insulated-gate bipolar transistor |
| IGCT | Integrated gate-commutated thyristor |
| LC circuit | Inductor and a capacitor electronic circuit |
| LPF | Low-pass filter |
| LPRM | Long product rolling mill |
| MSDS | Main step-down substation |
| NPC | Neutral point clamped |
| PIId | Proportion-integral Id-current regulators |
| PIIq | Proportion-integral Iq-current regulators |
| PLL | Phase-locked loop |
| PWM | Pulse width modulation |
| RLC circuit | Resistance, inductor and capacitor electronic circuit |
| SHEPWM | Selective harmonic elimination pulse width modulation |
| SHMPWM | Selective harmonic mitigation pulse width modulation |
| SPF | Specialized passive filters |
| T | Transformer or thyristor |
| THD | Total harmonic distortion |
| THDI | Total harmonic distortion of the current |
| THDU | Total harmonic distortion of the voltage |
| UPS | Uninterruptible power supply |
| VSI | Voltage source inverter |
| abc | Fixed coordinate system |
| αj | Value of j switching angle |
| dq0 | Rotating coordinate system |
| fC | Cutoff frequency |
| Hj | Harmonic amplitude of order j |
| I(1)m | Amplitude value of the current first harmonic |
| id | Current values on axes d |
| idref | Set current values on axes d |
| iq | Current values on axes q |
| iqref | Set current values on axes q |
| k | Number of switchings |
| KI(n) | Amplitude value of the n current harmonic |
| KU(n) | Amplitude value of the n voltage harmonic |
| m | Modulation index |
| n | Harmonic number |
| θ | Angle of vector in rotating coordinate system |
| θshift | Shift angle |
| θref | Reference angle |
| Sgrid | Grid power |
| UABCref | Reference value of AFE voltage |
| UAFE | Phase-to-phase AFE voltage |
| Ud | Voltage vector on axes d |
| UDC | DC-link voltage |
| UDCref | DC-link reference voltage |
| Ugrid | Phase-to-phase grid voltage |
| UL | Line voltage |
| UPh | Phase voltage |
| UPh(1)m | Amplitude value of the first phase voltage |
| Uq | Voltage vector on axes q |
| wt | Reference signal |
| Z(f) | Frequency response of the grid |
| ZMAX | Peak value of the frequency response |
| Znatural | Natural frequency response |
References
- O’Brien, K.; Teichmann, R.; Bernet, S. Active rectifier for medium voltage drive systems. In Proceedings of the IEEE Applied Power Electronics Conference and Exposition, Anaheim, CA, USA, 4–8 March 2001. [Google Scholar]
- Wu, B.; Narimani, M. High-Power Converters and AC Drives, 2nd ed.; Wiley-IEEE Press: Hoboken, NJ, USA, 2017. [Google Scholar]
- Mohammed, S.A.; Abdel-Moamen, M.A.; Hasanin, B. A review of the state-of-the-art of power electronics for power system applications. Int. J. Electron. Commun. Eng. Res. 2013, 1, 43–52. [Google Scholar]
- Maswood, I.; Rashid, M.H.; Jian, L. Optimal PWM-SHE switching on NPC inverter: A winning match for high power conversion. Electr. Power Syst. Res. 1998, 48, 19–24. [Google Scholar] [CrossRef]
- Konstantinou, G.; Agelidis, V.G. Bipolar switching waveform: Novel solution sets to the selective harmonic elimination problem. In Proceedings of the IEEE International Conference on Industrial Technology, Viña del Mar, Chile, 14–17 March 2010. [Google Scholar]
- Islam, J.; Meraj, S.T.; Masaoud, A.; Mahmud, M.A.; Nazir, A.; Kabir, M.A.; Hossain, M.M.; Mumtaz, F. Opposition-based quantum bat algorithm to eliminate lower-order harmonics of multilevel inverters. IEEE Access 2021, 9, 103610–103626. [Google Scholar] [CrossRef]
- Dahidah, M.S.A.; Agelidis, V.G. Hybrid genetic algorithm approach for selective harmonic control. Energy Convers. Manag. 2008, 49, 131–142. [Google Scholar] [CrossRef]
- Li, L.; Czarkowski, D.; Yaguang, L.; Pillay, P. Multilevel selective harmonic elimination PWM technique in series-connected voltage inverters. IEEE Trans. Ind. Appl. 2000, 36, 160–170. [Google Scholar] [CrossRef]
- Wang, Y.; Wen, X.; Zhao, F.; Guo, X. Selective harmonic elimination PWM technology applied in PMSMs. In Proceedings of the IEEE Vehicle Power and Propulsion Conference, Seoul, Korea, 9–12 October 2012. [Google Scholar]
- Moeini, A.; Zhao, H.; Wang, S. A current-reference-based selective harmonic current mitigation PWM technique to improve the performance of cascaded H-bridge multilevel active rectifiers. IEEE Trans. Ind. Electron. 2018, 65, 727–737. [Google Scholar] [CrossRef]
- Turnbull, F.G. Selected harmonic reduction in static D-C–A-C inverters. IEEE Trans. Commun. 1964, 83, 374–378. [Google Scholar] [CrossRef]
- Agelidis, V.G.; Balouktsis, A.; Balouktsis, I.; Cossar, C. Multiple sets of solutions for harmonic elimination PWM bipolar waveforms: Analysis and experimental verification. IEEE Trans. Power Electron. 2006, 21, 415–421. [Google Scholar] [CrossRef]
- Chen, J.; Liang, T.; Wang, S. A Novel Design and Implementation of Programmed PWM to Eliminate Harmonics. In Proceedings of the IEEE International Conference on Industrial Electronics, Control, Instrumentation, and Automation, Raleigh, NC, USA, 6–10 November 2005. [Google Scholar]
- Enjeti, P.N.; Enjeti, P.N.; Lindsay, J.F. Solving nonlinear equations of harmonic elimination PWM in power control. IEEE Electron. Lett. 1987, 23, 656–657. [Google Scholar] [CrossRef]
- Ahmad, S.; Iqbal, A.; Ali, M.; Rahman, K.; Ahmed, A.S. A fast convergent homotopy perturbation method for solving selective harmonics elimination PWM problem in multi level inverter. IEEE Access 2021, 9, 113040–113051. [Google Scholar] [CrossRef]
- Tolbert, L.M.; Chiasson, J.N.; Du, Z.; McKenzie, K.J. Elimination of harmonics in a multilevel converter with non-equal DC sources. IEEE Trans. Ind. Appl. 2005, 41, 75–82. [Google Scholar] [CrossRef]
- Chen, J.W.; Liang, T.J. A novel algorithm in solving nonlinear equations for programmed PWM inverter to eliminate harmonics. In Proceedings of the IECON 23rd International Conference on Industrial Electronics, Control, and Instrumentation, New Orleans, LA, USA, 14 November 1997. [Google Scholar]
- Bowes, S.R.; Clark, P.R. Simple microprocessor implementation of new regular-sampled harmonic elimination PWM techniques. IEEE Trans. Ind. Appl. 1992, 28, 89–95. [Google Scholar] [CrossRef]
- Bowes, S.R.; Clark, P.R. Regular-sampled harmonic-elimination PWM control of inverter drives. IEEE Trans. Power Electron. 2002, 10, 521–531. [Google Scholar] [CrossRef]
- Bowes, S.R.; Grewal, S.; Holliday, D. Single-phase three-level regular-sampled selective harmonic elimination PWM. IEE Proc. Electr. Power Appl. 2002, 148, 155–161. [Google Scholar] [CrossRef]
- Chiasson, J.N.; Tolbert, L.M.; McKenzie, K.J.; Du, Z. A complete solution to the harmonic elimination problem. IEEE Trans. Power Electron. 2004, 19, 491–499. [Google Scholar] [CrossRef]
- Cetin, A.; Ermi, M. VSC-based D-STATCOM with selective harmonic elimination. IEEE Trans. Ind. Appl. 2009, 45, 1000–1015. [Google Scholar] [CrossRef]
- Ran, L.; Holdsworth, L.; Putrus, G.A. Dynamic selective harmonic elimination of a three level inverter used for static VAr compensation. IET Gener. Transm. Distrib. 2002, 149, 83–89. [Google Scholar] [CrossRef]
- Zhou, H.; Li, Y.; Zargari, N.R.; Cheng, Z.; Ni, R.; Zhang, Y. Selective harmonic compensation (SHC) PWM for grid-interfacing high-power converters. IEEE Trans. Power Electron. 2014, 29, 1118–1127. [Google Scholar] [CrossRef]
- Zhou, Z.; Zhong, Y.; Gao, H.; Yuan, L.; Lu, T. Hybrid selective harmonic PWM for common-mode voltage reduction in three-level neutral-point-clamped inverter for variable speed induction motor. IEEE Trans. Power Electron. 2012, 27, 1152–1158. [Google Scholar] [CrossRef]
- Narimani, M.; Mochopoulos, G. Three-phase multimodule VSIs using SHE-PWM to reduce zero-sequence circulating current. IEEE Trans. Ind. Electron. 2014, 61, 1659–1668. [Google Scholar] [CrossRef]
- Fei, W.; Ruan, X.; Wu, B. A generalized formulation of quarter-wave symmetry SHE-PWM problems for multilevel inverters. IEEE Trans. Power Electron. 2009, 24, 1758–1766. [Google Scholar] [CrossRef]
- Eryong, G.; Pinggang, S.; Eryong, G.; Manyuan, Y.; Bin, W. Selective harmonic elimination techniques for multilevel cascaded H-bridge inverters. In Proceedings of the IEEE International Conference on Power Electronics and Drives Systems, Kuala Lumpur, Malaysia, 28 November–1 December 2005. [Google Scholar]
- Du, Z.; Tolbert, L.M.; Chiasson, J.N. Active harmonic elimination for multilevel converters. IEEE Trans. Power Electron. 2006, 21, 459–469. [Google Scholar]
- Konstantinou, G.; Ciobotaru, M.; Agelidis, V. Selective harmonic elimination pulse-width modulation of modular multilevel converters. IET Power Electron. 2013, 6, 96–107. [Google Scholar] [CrossRef]
- Aguilera, R.P.; Acuña, P.; Lezana, P.; Konstantinou, G.; Wu, B.; Bernet, S.; Agelidis, V.G. Selective Harmonic Elimination Model Predictive Control for Multilevel Power Converters. IEEE Trans. Power Electron. 2017, 32, 2416–2426. [Google Scholar] [CrossRef]
- Watson, J.; Wheeler, P.W.; Clare, J.C. A complete harmonic elimination approach to DC link voltage balancing for a cascaded multilevel rectifier. IEEE Trans. Ind. Electron. 2007, 54, 2946–2953. [Google Scholar] [CrossRef]
- Guzman, J.I.; Melin, P.E.; Espinoza, J.R.; Moran, L.A.; Baier, C.R.; Munoz, J.A.; Guinez, G.A. Digital implementation of selective harmonic elimination techniques in modular current source rectifier. IEEE Trans. Ind. Inform. 2013, 9, 1167–1177. [Google Scholar] [CrossRef]
- Ahmadi, D.; Wang, J. Online selective harmonic compensation and power generation with distributed energy resources. IEEE Trans. Power Electron. 2014, 29, 3738–3746. [Google Scholar] [CrossRef]
- Portillo, R.; Sharifzadeh, M.; Vahedi, H.; Franquelo, L.G.; Al-Haddad, K. Improved Hybrid SHM-SHE Modulation Technique for Four-Leg Three-Level NPC Inverters. In Proceedings of the IECON 2015-41st Annual Conference of the IEEE Industrial Electronics Society, Yokohama, Japan, 9–12 November 2015. [Google Scholar]
- Sharifzadeh, M.; Vahedi, H.; Portillo, R.; Franquelo, L.G.; Al-Haddad, K. Selective harmonic mitigation based self-elimination of triplen harmonics for single-phase five-level inverters. IEEE Trans. Power Electron. 2019, 34, 86–96. [Google Scholar] [CrossRef]
- Campos-Gaona, D.; Peña-Alzola, R.; Monroy-Morales, J.L.; Ordonez, M.; Anaya-Lara, O.; Leithead, W.E. Fast selective harmonic mitigation in multifunctional inverters using internal model controllers and synchronous reference frames. IEEE Trans. Ind. Electron. 2017, 64, 6338–6349. [Google Scholar] [CrossRef]
- Zhou, K.; Yang, Y.; Blaabjerg, F.; Wang, D. Optimal selective harmonic control for power harmonics mitigation. IEEE Trans. Ind. Electron. 2015, 62, 1220–1230. [Google Scholar] [CrossRef]
- Schettino, G.; Colak, I.; Tommaso, A.O.D.; Miceli, R.; Viola, F. Innovative Computational Approach to Harmonic Mitigation for Seven-Level Cascaded H-Bridge Inverters. In Proceedings of the 15th International Conference on Ecological Vehicles and Renewable Energies, Monte-Carlo, Monaco, 1–7 September 2020. [Google Scholar]
- Moeini, A.; Iman-Eini, H.; Bakhshizade, M. Selective harmonic mitigation-pulse-width modulation technique with variable DC-link voltages in single and three-phase cascaded H-bridge inverters. IET Power Electron. 2014, 7, 924–932. [Google Scholar] [CrossRef]
- Aggrawal, H.; Leon, J.I.; Franquelo, L.G.; Kouro, S.; Garg, P.; Rodriguez, J. Model Predictive Control Based Selective Harmonic Mitigation Technique for Multilevel Cascaded H-Bridge Converters. In Proceedings of the IECON 2011-37th Annual Conference of the IEEE Industrial Electronics Society, Melbourne, Australia, 7–10 November 2011. [Google Scholar]
- Steczek, M.; Chudzik, P.; Szelag, A. Combination of SHE- and SHM-PWM techniques for VSI DC-link current harmonics control in railway applications. IEEE Trans. Ind. Electron. 2017, 64, 7666–7678. [Google Scholar] [CrossRef]
- Hashir, S.; Francis, J.; Sreepriya, R. A novel hybrid PWM method for DC-link voltage balancing in a three level neutral point clamped inverter. In Proceedings of the International Conference on Power, Signals, Control and Computation, Thrissur, India, 6–10 January 2018. [Google Scholar]
- Farhan, B. Space Vector Pulse Width Modulation Technique Based Design and Simulation of a Three-Phase Voltage Source Converter System. Int. J. Energy Power Eng. 2014, 8, 1458–1462. [Google Scholar]
- Jiang, W.; Du, S.; Chang, L.; Zhang, Y.; Zhao, Q. Hybrid PWM strategy of SVPWM and VSVPWM for NPC three level voltage-source inverter. IEEE Trans. Power Electron. 2010, 25, 2607–2619. [Google Scholar] [CrossRef]
- Pontt, J.; Rodriguez, J.; Martin, S. Resonance mitigation and dynamical behavior of systems with harmonic filters for improving reliability in mining plants. In Proceedings of the IEEE Industry Applications Conference Forty-First IAS Annual Meeting, Tampa, FL, USA, 8–12 October 2006. [Google Scholar]
- Blooming, T.M.; Carnovale, D.J. Application of IEEE STD 519-1992 Harmonic Limits. In Proceedings of the Annual Pulp and Paper Industry Technical Conference, Appleton, WI, USA, 18–23 June 2006. [Google Scholar]
- Radionova, L.V.; Chernyshev, A.D. Mathematical description of AFE rectifier closed loop system. Procedia Eng. 2015, 129, 16–21. [Google Scholar] [CrossRef][Green Version]
- Yamanaka, K.; Yamada, K.; Kumagae, A.; Terada, T. Three-Level Neutral Point Clamping Type Inverter Circuit. U.S. Patent 06,226,192, 1 May 2001. [Google Scholar]
- Abu-Rub, H.; Bayhan, S.; Moinoddin, S.; Malinowski, M.; Guzinski, J. Medium-Voltage Drives: Challenges and existing technology. IEEE Power Electron. Mag. 2016, 3, 29–41. [Google Scholar] [CrossRef]
- Jose, I.L.; Leon, J.I.; Kouro, S.; Franquelo, L.G.; Rodriguez, J.; Wu, B. The Essential Role and the Continuous Evolution of Modulation Techniques for Voltage-Source Inverters in the Past, Present, and Future Power Electronics. IEEE Trans. Ind. Electron. 2018, 63, 2688–2701. [Google Scholar] [CrossRef]
- Wu, X.; Tan, G.; Yao, G.; Sun, C.; Liu, G. A hybrid PWM strategy for three-level inverter with unbalanced DC links. IEEE J. Emerg. Sel. Top. Power Electron. 2018, 6, 1–15. [Google Scholar] [CrossRef]
- Holtz, J.; Salama, S.F. Megawatt GTO-inverter with three-level PWM control and regenerative snubber circuits. In Proceedings of the 19th Annual IEEE Power Electronics Specialists Conference, Kyoto, Japan, 11–14 April 1988. [Google Scholar]
- Rodriguez, J.; Franquelo, L.G.; Kouro, S.; Leon, J.I.; Portillo, R.C.; Prats, M.A.M.; Perez, M.A. Multilevel converters: An enabling technology for high-power applications. Proc. IEEE 2009, 97, 1786–1817. [Google Scholar] [CrossRef]
- Holmes, D.G.; Lipo, T.A. Pulse Width Modulation for Power Converters: Principles and Practice, 1st ed.; Wiley-IEEE Press: Hoboken, NJ, USA, 2003. [Google Scholar]
- Li, Y.; Wu, B. A novel dc voltage detection technique in the CHB inverter-based STATCOM. IEEE Trans. Power Deliv. 2008, 23, 1613–1619. [Google Scholar]
- Zhang, F.; Yan, Y. Selective harmonic elimination PWM control scheme on a three phase four-leg voltage source inverter. IEEE Trans. Power Electron. 2009, 24, 1682–1689. [Google Scholar] [CrossRef]
- Lisovskay, T.A.; Maklakov, A.S.; Lisovsky, R.A.; Jing, T. Linearization small deviation model of active front end rectifier. In Proceedings of the Russian Workshop on Power Engineering and Automation of Metallurgy Industry: Research & Practice, Magnitogorsk, Russia, 25–26 September 2020. [Google Scholar]
- Maklakov, A.S.; Jing, T.; Radionov, A.A.; Gasiyarov, V.R.; Lisovskaya, T.A. Finding the best programmable PWM pattern for three-level active front-ends at 18-pulse connection. Machines 2021, 9, 127. [Google Scholar] [CrossRef]
- Jing, T.; Maklakov, A.S.; Radionov, A.A. Two Selective Harmonic Control Techniques Applied in 10Kv Grid with Three-Level NPC Inverter. In Proceedings of the Russian Workshop on Power Engineering and Automation of Metallurgy Industry: Research & Practice, Magnitogorsk, Russia, 4–5 October 2019. [Google Scholar]
- Azeddine, D.; Senior, M.A. Space vector modulation based tree-level PWM Rectifier under Simple Sliding Mode Control Strategy. Energy Power Eng. 2013, 5, 28–35. [Google Scholar]
- Agelidis, V.G.; Balouktsis, A.; Balouktsis, I. On applying a minimization technique to the harmonic elimination PWM control: The bipolar waveform. IEEE Trans. Power Electron. 2004, 2, 41–44. [Google Scholar] [CrossRef]
- Kouro, S.; Rocca, B.L.; Cortes, P.; Alepuz, S.; Bin, W.; Rodriguez, J. Predictive Control Based Selective Harmonic Elimination with Low Switching Frequency for Multilevel Converters. In Proceedings of the IEEE Energy Conversion Congress and Exposition, San Jose, CA, USA, 20–24 September 2009. [Google Scholar]
- Patil, S.D.; Kadu, A.; Dhabe, P. Improved Control Strategy for Harmonic Mitigation in Multilevel Inverter. In Proceedings of the 5th International Conference on Intelligent Computing and Control Systems, Madurai, India, 6–8 May 2021. [Google Scholar]
- Pontt, J.; Rodriguez, J.; Huerta, R. Mitigation of non-eliminated harmonics of SHEPWM three-level multipulse three-phase active front end converter with low switching frequency for meeting standard IEEE519-92. IEEE Trans. Power Electron. 2004, 19, 1594–1599. [Google Scholar] [CrossRef]
- Cao, J.; Xie, S.; Xu, J. Research on A High Power Inverter with Low Frequency Modulation Index by Selective Harmonic Mitigation Technique. In Proceedings of the 9th International Conference on Power Electronics and ECCE Asia, Seoul, Korea, 1–5 June 2015. [Google Scholar]
- Marzoughi, A.; Imaneini, H. An Optimal Selective Harmonic Mitigation for Cascaded H-Bridge Converters. In Proceedings of the 11th International Conference on Environment and Electrical Engineering, Venice, Italy, 18–25 May 2012. [Google Scholar]
- Nikolaev, A.A.; Bulanov, M.V.; Antropova, L.I. Ways to ensure electromagnetic compatibility of powerful frequency converters in internal power supply systems of industrial enterprises in the presence of resonance phenomena. In Proceedings of the International Conference on Industrial Engineering, Applications and Manufacturing, Sochi, Russia, 25–29 March 2019. [Google Scholar]
- Nikolaev, A.A.; Bulanov, M.V.; Shakhbieva, K.A. New Method of Industrial Power Supply Systems’ Resonances Diagnosis by Using Test Influences of Frequency Converters with Active Rectifier. In Proceedings of the IEEE Russian Workshop on Power Engineering and Automation of Metallurgy Industry: Research & Practice, Magnitogorsk, Russia, 4–5 October 2019. [Google Scholar]
- Nikolaev, A.A.; Maklakov, A.S.; Gilemov, I.G.; Bulanov, M.V. Experimental Studies of Power Quality in the 34.5 kV Network of MMK Metalurji During Operation of Electric Drives with Active Rectifiers. In Proceedings of the International Ural Conference on Electrical Power Engineering, Magnitogorsk, Russia, 23–25 September 2022. [Google Scholar]
- Nikolaev, A.A.; Gilemov, I.G.; Bulanov, M.V.; Kosmatov, V.I. Providing Electromagnetic Compatibility of High-Power Frequency Converters with Active Rectifiers at Internal Power Supply System of Cherepovets Steel Mill. In Proceedings of the International Scientific Technical Conference Alternating Current Electric Drives, Ekaterinburg, Russia, 1–8 May 2021. [Google Scholar]
- Nikolaev, A.A.; Afanasev, M.Y.; Bulanov, M.V. Application of a Specialized Passive Filter to Correct the Frequency Response of the Supply Network in order to Eliminate the Negative Impact of Resonance Phenomena. In Proceedings of the Russian Workshop on Power Engineering and Automation of Metallurgy Industry: Research and Practice, Magnitogorsk, Russia, 25–26 September 2020. [Google Scholar]
- Rodríguez, J.R.; Pontt, J.; Huerta, R.; Alzamora, G.; Becker, N.; Kouro, S.; Cortes, P.; Lezana, P. Resonances in a high-power active-front-end rectifier system. IEEE Trans. Power Electron. 2005, 52, 482–488. [Google Scholar] [CrossRef]
- Pontt, J.A.; Rodríguez, J.R.; Liendo, A.; Newman, P.; Holtz, J.; San Martin, J.M. Network-Friendly Low-Switching-Frequency Multipulse High-Power Three-Level PWM Rectifier. IEEE Trans. Ind. Electron. 2009, 56, 4, 1254–1262. [Google Scholar] [CrossRef]
- Hoevenaars, A.; Farbis, M.; McGraw, M. Active harmonic mitigation: What the manufacturers don’t tell you. IEEE Ind. Appl. Mag. 2020, 62, 41–51. [Google Scholar] [CrossRef]
- Nikolaev, A.A.; Bulanov, M.V.; Shakhbieva, K.A. Development of improved PWM algorithm of active rectifier with function of resonant phenomena adaptation in electrical networks of medium voltage. In Proceedings of the International Conference on Industrial Engineering, Applications and Manufacturing, Sochi, Russia, 18–22 May 2020. [Google Scholar]
- Nikolaev, A.A.; Bulanov, M.V.; Shakhbieva, K.A. Quality Improvement of Electric Power in the Intra-factory Electric Networks through the Use of PWM Algorithm Selective Harmonic Mitigation. In Proceedings of the Russian Workshop on Power Engineering and Automation of Metallurgy Industry: Research and Practice, Magnitogorsk, Russia, 25–26 September 2020. [Google Scholar]



























| Phase A Arm | Phase B Arm | Phase C Arm | |||||||||
|---|---|---|---|---|---|---|---|---|---|---|---|
| T1 | Closed | Open | Open | T5 | Closed | Open | Open | T9 | Closed | Open | Open |
| T2 | Closed | Closed | Open | T6 | Closed | Closed | Open | T10 | Closed | Closed | Open |
| T3 | Open | Closed | Closed | T7 | Open | Closed | Closed | T11 | Open | Closed | Closed |
| T4 | Open | Open | Closed | T8 | Open | Open | Closed | T12 | Open | Open | Closed |
| UAFEa | +UDC/2 | 0 | −UDC/2 | UAFEb | +UDC/2 | 0 | −UDC/2 | UAFEc | +UDC/2 | 0 | −UDC/2 |
| Status | P | O | N | Status | P | O | N | Status | P | O | N |
| Company | THDU, % | Zpeak, Ohms | fpeak, Hz |
|---|---|---|---|
| Balakovo Steel Factory [69] | 10.26 | 255 | 3277 |
| MMK Metalurji [70] | 12.36 | 598 | 2550 |
| Cherepovets Steel Mill [71] | 7.14 | 31.1 | 1500 |
| Abinsk Electric Steel Works [72] | 13.72 | 267 | 2850 |
| Los Pelambres copper mine [73] | 10.51 | 134.7 | 1300 |
Disclaimer/Publisher’s Note: The statements, opinions and data contained in all publications are solely those of the individual author(s) and contributor(s) and not of MDPI and/or the editor(s). MDPI and/or the editor(s) disclaim responsibility for any injury to people or property resulting from any ideas, methods, instructions or products referred to in the content. |
© 2022 by the authors. Licensee MDPI, Basel, Switzerland. This article is an open access article distributed under the terms and conditions of the Creative Commons Attribution (CC BY) license (https://creativecommons.org/licenses/by/4.0/).
Share and Cite
Nikolaev, A.; Maklakov, A.; Bulanov, M.; Gilemov, I.; Denisevich, A.; Afanasev, M. Current Electromagnetic Compatibility Problems of High-Power Industrial Electric Drives with Active Front-End Rectifiers Connected to a 6–35 kV Power Grid: A Comprehensive Overview. Energies 2023, 16, 293. https://doi.org/10.3390/en16010293
Nikolaev A, Maklakov A, Bulanov M, Gilemov I, Denisevich A, Afanasev M. Current Electromagnetic Compatibility Problems of High-Power Industrial Electric Drives with Active Front-End Rectifiers Connected to a 6–35 kV Power Grid: A Comprehensive Overview. Energies. 2023; 16(1):293. https://doi.org/10.3390/en16010293
Chicago/Turabian StyleNikolaev, Aleksandr, Aleksandr Maklakov, Mikhail Bulanov, Ildar Gilemov, Aleksandr Denisevich, and Maksim Afanasev. 2023. "Current Electromagnetic Compatibility Problems of High-Power Industrial Electric Drives with Active Front-End Rectifiers Connected to a 6–35 kV Power Grid: A Comprehensive Overview" Energies 16, no. 1: 293. https://doi.org/10.3390/en16010293
APA StyleNikolaev, A., Maklakov, A., Bulanov, M., Gilemov, I., Denisevich, A., & Afanasev, M. (2023). Current Electromagnetic Compatibility Problems of High-Power Industrial Electric Drives with Active Front-End Rectifiers Connected to a 6–35 kV Power Grid: A Comprehensive Overview. Energies, 16(1), 293. https://doi.org/10.3390/en16010293

