Wide-Speed Range Sensorless Control of Five-Phase PMSM Drive under Healthy and Open Phase Fault Conditions for Aerospace Applications
Abstract
1. Introduction
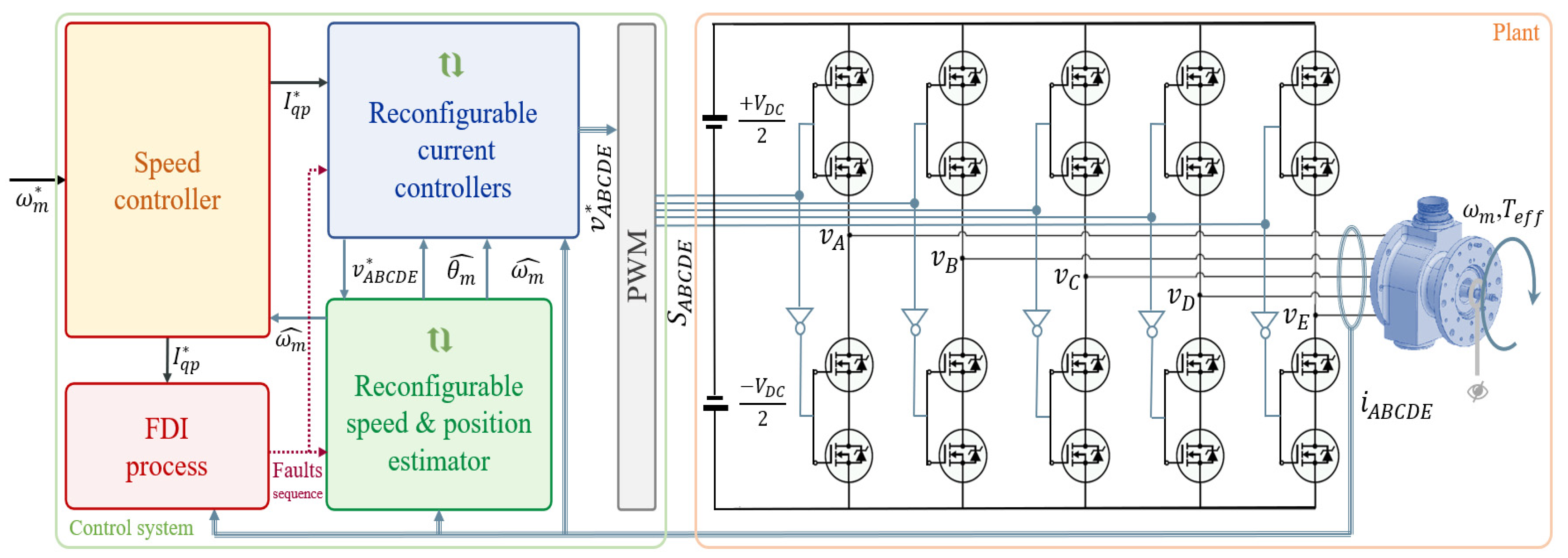
2. Description of the Developed Application
2.1. PMSM Drive Specifications
2.2. Five-Phase PMSM Model under Healthy Condition
2.3. Five-Phase PMSM Model under OPF Condition
2.4. Generalization of PMSM Model to Arbitrary Phase Loss
3. Reconfigurable Fault Tolerant Control
3.1. Description of the Reconfigurable Current Controller
3.2. Minimization of the Harmonics Impact on the Current Control
3.3. Experimental Validation of the Reconfigurable FTC Algorithm
4. Reconfigurable Back-EMF Sensorless Estimator
4.1. Back-EMF-Based Estimation Algorithm
4.2. Experimental Validation of the Back-EMF Based Sensorless Control
5. Conclusions
Funding
Data Availability Statement
Conflicts of Interest
Nomenclature
| Stator winding phase-neutral voltage (V) | |
| Stator winding current (A) | |
| Back-Electromotive force (V) | |
| Stator winding phase-neutral resistance (Ω) | |
| Stator winding phase-neutral inductance (H) | |
| Rotor electrical speed (rad/s) | |
| Rotor electrical position (rad) | |
| Angular shift between consecutive phases = 2π/5 | |
| Electromagnetic torque (N.m) | |
| Permanent Magnet Back-EMF constant (V/(rad/s)) | |
| Clarke reference frame transform matrix | |
| Park reference frame transform matrix | |
| Number of pole pairs | |
| Number of the stator faulty phase | |
| Indexes | |
| Healthy condition related variable | |
| Faulty condition related variable | |
| Primary fictitious machine related variable | |
| Secondary fictitious machine related variable | |
| Mechanical variable | |
| Stator fixed five-phase reference frame variables | |
| Stator fixed two-phase reference frame variables | |
| Rotor rotating two-phase reference frame variables | |
| Additional axis variables in faulty condition | |
| Homopolar axis variables | |
| Setpoint variable | |
| Estimated variable |
Appendix A
| Symbol | Quantity | Value | Unit |
|---|---|---|---|
| - | Winding coupling | Starpoint | - |
| p | Number of pole pairs | 1 | - |
| Rs | Winding resistance (PH-N) | 9.25 × 10−3 | Ω |
| L0 | Winding self-inductance | 2.64 × 10−5 | H |
| M12 | Consecutives phases mutual | 0.193 × 10−5 | H |
| M13 | Non-consecutives phases mutual | −1.43 × 10−5 | H |
References
- Betin, F.; Capolino, G.A.; Casadei, D.; Kawkabani, B.; Bojoi, R.I.; Harnefors, L.; Levi, E.; Parsa, L.; Fahimi, B. Trends in Electrical Machines Control: Samples for Classical, Sensorless, and Fault-Tolerant Techniques. IEEE Ind. Electron. Mag. 2014, 8, 43–55. [Google Scholar] [CrossRef]
- Priestley, M.; Farshadnia, M.; Fletcher, J.E. FOC Transformation for Single Open-Phase Faults in the Five-Phase Open-End Winding Topology. IEEE Trans. Ind. Electron. 2020, 67, 842–851. [Google Scholar] [CrossRef]
- Yang, S.; Bryant, A.; Mawby, P.; Xiang, D.; Ran, L.; Tavner, P. An industry-based survey of reliability in power electronic converters. In Proceedings of the 2009 IEEE Energy Conversion Congress and Exposition, San Jose, CA, USA, 20–24 September 2009; pp. 3151–3157. [Google Scholar]
- Amin, A.A.; Hasan, K.M. A review of Fault Tolerant Control Systems: Advancements and applications. Measurement 2019, 143, 58–68. [Google Scholar] [CrossRef]
- Zhang, W.; Wang, Z.; Li, X. Blockchain-based decentralized federated transfer learning methodology for collaborative machinery fault diagnosis. Reliab. Eng. Syst. Saf. 2023, 229, 108885. [Google Scholar] [CrossRef]
- Chen, Y.; Liang, S.; Li, W.; Liang, H.; Wang, C. Faults and Diagnosis Methods of Permanent Magnet Synchronous Motors: A Review. Appl. Sci. 2019, 9, 2116. [Google Scholar] [CrossRef]
- Li, R.; Wu, Z.; Li, X. Review on fault diagnosis and active fault tolerant control of permanent magnet synchronous motor drive system. J. Appl. Sci. Eng. 2021, 24, 185–205. [Google Scholar] [CrossRef]
- Martin, J.P. Contribution à L’alimentation en Tension de Machines Synchrones à Aimants Permanents à Nombre de Phases Elevé: Fonctionnement Normal et Dégradé. Ph.D. Thesis, Lorraine INP, Vandœuvre-lès-Nancy, France, July 2003. [Google Scholar]
- Tian, B.; Mirzaeva, G.; An, Q.; Sun, L.; Semenov, D. Fault-Tolerant Control of a Five-Phase Permanent Magnet Synchronous Motor for Industry Applications. IEEE Trans. Ind. Appl. 2018, 54, 3943–3952. [Google Scholar] [CrossRef]
- Seck, A.; Moreau, L.; Benkhoris, M.; Machmoum, M. Automatic generation of optimal phase currents for five-phase PMSG control under open phase condition. In Proceedings of the IECON 2017—43rd Annual Conference of the IEEE Industrial Electronics Society, Beijing, China, 29 October–1 November 2017; pp. 3847–3852. [Google Scholar]
- Zhuo, L.I.U. Real-Time Fault Diagnosis and Fault-Tolerant Control of 5-Phase Non-Sinusoidal Back-EMF PMSG-Based Tidal Turbine Systems. Ph.D. Thesis, Université de Nantes, Nantes, France, December 2021. [Google Scholar]
- Idkhajine, L.; Monmasson, E.; Maaalouf, A. Fully FPGA-based sensorless control for synchronous AC drive using an extended Kalman filter. IEEE Trans. Ind. Electron. 2012, 59, 3908–3915. [Google Scholar] [CrossRef]
- Nahid-Mobarakeh, B.; Meibody-Tabar, F.; Sargos, F. Back-EMF estimation based sensorless control of PMSM: Robustness with respect to measurement errors and inverter irregularities. In Proceedings of the Conference Record of the 2004 IEEE Industry Applications Conference, 2004, 39th IAS Annual Meeting, Seattle, WA, USA, 3–7 October 2004; Volume 3, pp. 1858–1865. [Google Scholar]
- Maamouri, R. Diagnostic et Commande Tolérante Aux Défauts Appliqués à Un Système de Conversion Electromécanique à Base D’une Machine Asynchrone Triphasée. Automatique. Ph.D. Thesis, Ecole Centrale Marseille; Ecole Nationale d’Ingénieurs de Sousse-ENISo (Tunisie), Sousse, Tunisia, 2017. (In Français). [Google Scholar]
- Zine, W.; Makni, Z.; Monmasson, E.; Chen, K.; Idkhajine, L.; Condamin, B. Hybrid position estimator based on high-frequency signal injection and machine learning for EV fault-tolerant control. In Proceedings of the IECON 2017—43rd Annual Conference of the IEEE Industrial Electronics Society, Beijing, China, 29 October–1 November 2017; pp. 4627–4632. [Google Scholar]
- Landsmann, P.; Kennel, R. Saliency-based sensorless predictive torque control with reduced torque ripple. IEEE Trans. Ind. Appl. 2012, 27, 4311–4320. [Google Scholar] [CrossRef]
- Furmanik, M.; Scelba, G.; Rafajdus, P. Fault-Tolerant Sensorless Control for Six-Phase PMSM with Dual Back-EMF Observer. In Proceedings of the 2022 International Symposium on Power Electronics, Electrical Drives, Automation and Motion (SPEEDAM), Sorrento, Italy, 22–24 June 2022; pp. 305–311. [Google Scholar] [CrossRef]
- Saleh, K.; Sumner, M. Sensorless Control of a Fault Tolerant Multi-level Inverter PMSM Drives in Case of an Open Circuit Fault. In Proceedings of the 2018 International Symposium on Power Electronics, Electrical Drives, Automation and Motion (SPEEDAM), Amalfi, Italy, 20–22 June 2018; pp. 883–888. [Google Scholar] [CrossRef]
- Qiu, X.; Ji, J.; Zhou, D.; Zhao, W.; Chen, Y.; Huang, L. A Modified Flux Observer for Sensorless Direct Torque Control of Dual Three-Phase PMSM Considering Open-Circuit Fault. IEEE Trans. Power Electron. 2022, 37, 15356–15369. [Google Scholar] [CrossRef]
- Mini, Y. Développement D’algorithmes pour le Contrôle sans Capteur de Machines Electriques Polyphasées en Mode Normal et Dégradé”. Sciences de L’ingénieur (Physics). Ph.D. Thesis, HESAM, Paris, France, 2021. (In French). [Google Scholar]
- Tian, B.; Molinas, M.; An, Q.; Zhou, B.; Wei, J. Freewheeling Current-Based Sensorless Field-Oriented Control of Five-Phase Permanent Magnet Synchronous Motors Under Insulated Gate Bipolar Transistor Failures of a Single Phase. IEEE Trans. Ind. Electron. 2021, 69, 213–224. [Google Scholar] [CrossRef]
- Naouar, M.W.; Naassani, A.; Monmasson, E.; Slama-Belkhodja, I. FPGA based speed control of synchronous machine using a P–PI controller. In Proceedings of the IEEE International Symposium on Industrial Electronics, Montreal, QC, Canada, 9–13 July 2006; pp. 1527–1532. [Google Scholar]
- Cheng, L.; Sui, Y.; Zheng, P.; Wang, P.; Wu, F. Implementation of Postfault Decoupling Vector Control and Mitigation of Current Ripple for Five-Phase Fault-Tolerant PM Machine Under Single-Phase Open-Circuit Fault. IEEE Trans. Power Electron. 2018, 33, 8623–8636. [Google Scholar] [CrossRef]





















Disclaimer/Publisher’s Note: The statements, opinions and data contained in all publications are solely those of the individual author(s) and contributor(s) and not of MDPI and/or the editor(s). MDPI and/or the editor(s) disclaim responsibility for any injury to people or property resulting from any ideas, methods, instructions or products referred to in the content. |
© 2022 by the authors. Licensee MDPI, Basel, Switzerland. This article is an open access article distributed under the terms and conditions of the Creative Commons Attribution (CC BY) license (https://creativecommons.org/licenses/by/4.0/).
Share and Cite
Assoun, I.; Idkhajine, L.; Nahid-Mobarakeh, B.; Meibody-Tabar, F.; Monmasson, E.; Pacault, N. Wide-Speed Range Sensorless Control of Five-Phase PMSM Drive under Healthy and Open Phase Fault Conditions for Aerospace Applications. Energies 2023, 16, 279. https://doi.org/10.3390/en16010279
Assoun I, Idkhajine L, Nahid-Mobarakeh B, Meibody-Tabar F, Monmasson E, Pacault N. Wide-Speed Range Sensorless Control of Five-Phase PMSM Drive under Healthy and Open Phase Fault Conditions for Aerospace Applications. Energies. 2023; 16(1):279. https://doi.org/10.3390/en16010279
Chicago/Turabian StyleAssoun, Ihab, Lahoucine Idkhajine, Babak Nahid-Mobarakeh, Farid Meibody-Tabar, Eric Monmasson, and Nicolas Pacault. 2023. "Wide-Speed Range Sensorless Control of Five-Phase PMSM Drive under Healthy and Open Phase Fault Conditions for Aerospace Applications" Energies 16, no. 1: 279. https://doi.org/10.3390/en16010279
APA StyleAssoun, I., Idkhajine, L., Nahid-Mobarakeh, B., Meibody-Tabar, F., Monmasson, E., & Pacault, N. (2023). Wide-Speed Range Sensorless Control of Five-Phase PMSM Drive under Healthy and Open Phase Fault Conditions for Aerospace Applications. Energies, 16(1), 279. https://doi.org/10.3390/en16010279

